空间尺寸检测表
- 格式:doc
- 大小:1.53 MB
- 文档页数:8
邀请函致:六安市建设工程质量监督站由我单位承建的明都·丽水康城一期9#、10#、12#楼,现已完成了主体结构分部工程,主体结构轴线、尺寸、标高、结构外观等经我单位自检,符合设计及规范要求,资料基本齐全,并经监理、建设单位检查结果为符合要求.现我单位拟定于年月日午点对主体结构分部进行验收。
请贵单位领导亲临现场监督、指导!上海昆鼎建筑工程有限公司年月日参加验收人员名单:建设单位:王建涛、陈永洪监理单位:沈承东、姚平设计单位:赵向阳、戴玉兵施工单位:许天明、王建荣、赵铁峰、马奕4#楼主体结构验收报审目录1、单位工程主体验收条件报审表2、主体结构分部初验意见3、工程实体质量自检评定表4、主体结构分部初验记录5、钢筋原材料进场统计6、砖原材料进场统计7、水泥原材料进场统计8、混凝土标养试块报告统计、评定9、钢筋焊接报告统计10、主体结构检测方案及检测报告11、主体结构分部自评报告12、主体结构分部评估报告单位工程主体验收条件报审表建设各方应依据以上文件的要求,将所要求的资料在竣工预验收前报质监站核查审批人: 报审日期:说明:该表为责任监督员根据检查情况如实填写,审批人对责任监督员审查合格后的资料进行抽查。
主体结构初验意见工程名称:明都·丽水康城一期4#楼工程实体质量自检评定表主体结构分部初验记录单位:㎜附表二:钢筋混凝土保护层厚度实测表监理单位见证人:施工单位检测人:附表三:现浇板厚度检查表注:找平层与现浇板一次浇筑,需提供设计文件或施工方案等资料。
监理单位见证人:施工单位检测人:附表五: 砼同条件养护试块强度汇总表监理单位见证人:施工单位填表人:附表六:砂浆试块抗压强度汇总表监理单位见证人: 施工单位填表人:4#楼钢筋原材进场统计4#楼电渣压力焊试件统计附表一:回弹法检测混凝土强度记录附表四:室内空间尺寸检查表监理单位见证人:施工单位检测人:。
1、H1-H5代表房间净高尺寸,L1-L4代表房间开间和进深尺寸,测点取距墙(梁)边500mm处;
2、偏差为实测值与推算值之差的绝对值,不得超过15mm,极差为实测值中最大值与最小值之差,不
1、H1-H5代表房间净高尺寸,L1-L4代表房间开间和进深尺寸,测点取距墙(梁)边500mm处;
2、偏差为实测值与推算值之差的绝对值,不得超过15mm,极差为实测值中最大值与最小值之差,不
1、H1-H5代表房间净高尺寸,L1-L4代表房间开间和进深尺寸,测点取距墙(梁)边500mm处;
2、偏差为实测值与推算值之差的绝对值,不得超过15mm,极差为实测值中最大值与最小值之差,不
1、H1-H5代表房间净高尺寸,L1-L4代表房间开间和进深尺寸,测点取距墙(梁)边500mm处;
2、偏差为实测值与推算值之差的绝对值,不得超过15mm,极差为实测值中最大值与最小值之差,不
1、H1-H5代表房间净高尺寸,L1-L4代表房间开间和进深尺寸,测点取距墙(梁)边500mm处;
2、偏差为实测值与推算值之差的绝对值,不得超过15mm,极差为实测值中最大值与最小值之差,不
1、H1-H5代表房间净高尺寸,L1-L4代表房间开间和进深尺寸,测点取距墙(梁)边500mm处;
2、偏差为实测值与推算值之差的绝对值,不得超过15mm,极差为实测值中最大值与最小值之差,不。
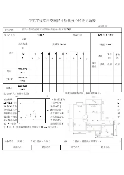
住宅工程室内空间尺寸质量分户验收记录表填表说明:1、基准值净髙H 、L1和L2方向开间净尺寸L 、 B1和B2方向进深净尺寸B 、对角线净尺寸D 的设计值。
2、 实测值与基准值之差即为实测偏差值,极差为实测偏差值中最大与最小值之差的绝对值。
3、每套抽查房间数不少于 3间。
4、实测偏差值或极差值大于20 mm 为不合格。
验收结论 实测( 3间)房间,合格(3间 )房间,需整改处理房间:( )建设单位监理单位施工单位物业单位L13IB :33 \ /• F/ 、 / 、 / 、82n11(工程名称 孟关生态特色功能区农民新村安宜点一期工程2#楼房(户)号1-22-7检査日期2015年4月9日房间设计 净高及进深实测值(mm )计算值(mm )H/U B1 11 2H 3X 4H 51 1L 2112净髙净开 间净进 深最大 偏差极差 极差极差客厅2880/3658 /4658主卧室2880/3058 73958次卧室2880/3058 73458总页第 页室内空间尺寸测量示意图: .5CO .bC G•八住宅工程室内空间尺寸质量分户验收记录表引00实测值与基准值之差即为实测偏差值,极差为实测偏差值中最大与最小值之差的绝对值。
3、每套抽查房间数不少于3间。
4>实测偏差值或极差值大于20 mm为不合格。
验收结论实测(3间)房间,合格(3间)房间,需整改处理房间:()住宅工程室内空间尺寸质量分户验收记录表工程名称孟关生态特色功能区农民新村安置点一期工程2#楼房(户)号1-20-7 检査日期2015年4月9日房间设计净髙及进深实测值(伽)计算值(mm)H/UB Hl H2H3H4H5LI L2Bl B2净高净开间净进深最大偏差极差极差极差客厅2880/3658 /465S室内空间尺寸测量示意图: 套型示意图贴图区,标准房间编号:建设单位验收人员:(分户验收专用章)监理单位验收人员:(分户验收专用章)施工单位验收人员:(分户验收专用章)物业单位验收人员:(分户验收专用填表说明:1、基准值净髙H、L1和L2方向开间净尺寸L. B1和B2方向进深净尺寸B、对角线净尺寸D的设汁值2填表说明:1、基准值净髙H、L1和L2方向开间净尺寸L. B1和B2方向进深净尺寸B、对角线净尺寸D的设计值。
房地产交房一户一验表格(总11页)-CAL-FENGHAI.-(YICAI)-Company One1-CAL-本页仅作为文档封面,使用请直接删除湘银工程质量一户一验管理办法住宅工程质量分户验收内容及要求二、公共部位总页第页室内净高、净开间尺寸测量表2、室内每户为一个检查单元,每个检查单元填写本表一张,检查完毕及时签字;本表一式三份,建设(监理)、施工、住户(《住宅工程质量保证书》的附件)各一份。
住宅工程质量分户验收记录(公共部位)总页第个检查单元;地下室(地下车库等大空间的除外)每个单元或每个分隔空间为一个检查单元。
2、每个检查单元填写一张本表,本表一式两份,建设(监理)、施工各一份。
住宅工程质量分户验收汇总表1、本表是在建设单位组织分户验收并形成了完整的《住宅工程质量分户验收记录》的基础上进行汇总填写,相关单位及人员签章,公章为法人章。
2、本表一式四份,一份由建设单位送《单位工程竣工验收通知书》时交质监站,另建设、监理、施工单位各一份。
3、每幢住宅工程应有房(户)号立面分布图和地下室检查单元示意图,作为本表的附件。
4、验收结论包括合格或不合格,对分户验收过程质量情况也可做必要的描述。
附件5住宅工程质量分户验收标识牌附件6 工程铭牌铭牌应镶刻在建筑的显着部位,采用石材、不锈钢或黄铜等耐久性材料制作,尺寸为(750-900)×(500-600)mm,字体应采用黑体、宋体、楷体或隶书。
具体内容为:工程名称、开竣工日期、建设、设计、监理、施工等单位全称。
参见下图外窗淋水示意图外窗淋水要求:1、引水管从被淋水层次上一层户内外窗引出,并做有效固定和保证淋水管不变形;2、淋水管管径15-20 mm,距窗面表面≤150 mm,喷水孔成直线均匀分布,喷水方向与水平方向角度≤30o,孔径3-4mm,孔间距100-150 mm,水量为自来水正常水压下最大量;3、1个小时后拆除至下一个淋水层,并观察记录该淋水带范围内外窗及窗周渗漏情况。
H L B H1H2H3H4H5L1L2B1B2。
验收结论 建设(代建)单位
工地代表(签章):
年 月 日
施工单位质量
检查员(签章):
年 月 日 监理工程师(签章): 年 月 日
间,
需整改的房间
号
复查结论
实测房间
填 表 说 明
1. 基准值指净高H、L1
和L2方向开间净尺寸L、B1
和B2方向开间净尺寸B的设
计值。
2. 实测值与基准值之差
即为实测偏差值,极差为
实测偏差值中最大与最小
值之差的绝对值。
3. 每套抽查房间数应不
少于套内自然间(含卫生
间、储物间)总数的30%
且不少于3间。
4. “净高”取H1、H2、
H3、H4、H5两两相减之差
中的最大绝对值者。
“开
间”取(L1-L2)和(B1-B2)
中绝对值较大者。
5. 实测偏差值或极差值复 查 记 录
验收部位(房间号)
房间编号基准值
(mm)
实测偏差值(mm)极差(mm)
室内空间尺寸测量
平面示意图
净高开间
对角
D1-D2
室内净高、开间净尺寸逐套验收记录表
表1-1
单位工程名称工程1房号及套型1栋1单元1层1101号4房2厅2卫。
房(户)号西单元一层西户检查日期年月日户型简图及检查点简述序号项目质量要求实测数据1 套内净尺寸偏差房间内平行墙面之间净距极差值控制在20㎜以内客厅实测值一号房实测值二号房实测值三号房实测值1-2 1-2 1-2 1-23-4 3-4 3-4 3-41-3 1-3 1-3 1-32-4 2-4 2-4 2-41-4 1-4 1-4 1-42-3 2-3 2-3 2-3室内净高偏差值控制在-20㎜以内1 1 1 12 2 2 23 3 3 34 4 4 45 5 5 5质量缺陷及整改结果检验结论建设单位监理单位施工单位物业或其他单位房(户)号西单元二层西户检查日期年月日户型简图及检查点简述序号项目质量要求实测数据1 套内净尺寸偏差房间内平行墙面之间净距极差值控制在20㎜以内客厅实测值一号房实测值二号房实测值三号房实测值1-2 1-2 1-2 1-23-4 3-4 3-4 3-41-3 1-3 1-3 1-32-4 2-4 2-4 2-41-4 1-4 1-4 1-42-3 2-3 2-3 2-3室内净高偏差值控制在-20㎜以内1 1 1 12 2 2 23 3 3 34 4 4 45 5 5 5质量缺陷及整改结果检验结论建设单位监理单位施工单位物业或其他单位房(户)号西单元三层西户检查日期年月日户型简图及检查点简述序号项目质量要求实测数据1 套内净尺寸偏差房间内平行墙面之间净距极差值控制在20㎜以内客厅实测值一号房实测值二号房实测值三号房实测值1-2 1-2 1-2 1-23-4 3-4 3-4 3-41-3 1-3 1-3 1-32-4 2-4 2-4 2-41-4 1-4 1-4 1-42-3 2-3 2-3 2-3室内净高偏差值控制在-20㎜以内1 1 1 12 2 2 23 3 3 34 4 4 45 5 5 5质量缺陷及整改结果检验结论建设单位监理单位施工单位物业或其他单位房(户)号西单元四层西户检查日期年月日户型简图及检查点简述序号项目质量要求实测数据1 套内净尺寸偏差房间内平行墙面之间净距极差值控制在20㎜以内客厅实测值一号房实测值二号房实测值三号房实测值1-2 1-2 1-2 1-23-4 3-4 3-4 3-41-3 1-3 1-3 1-32-4 2-4 2-4 2-41-4 1-4 1-4 1-42-3 2-3 2-3 2-3室内净高偏差值控制在-20㎜以内1 1 1 12 2 2 23 3 3 34 4 4 45 5 5 5质量缺陷及整改结果检验结论建设单位监理单位施工单位物业或其他单位房(户)号西单元五层西户检查日期年月日户型简图及检查点简述序号项目质量要求实测数据1 套内净尺寸偏差房间内平行墙面之间净距极差值控制在20㎜以内客厅实测值一号房实测值二号房实测值三号房实测值1-2 1-2 1-2 1-23-4 3-4 3-4 3-41-3 1-3 1-3 1-32-4 2-4 2-4 2-41-4 1-4 1-4 1-42-3 2-3 2-3 2-3室内净高偏差值控制在-20㎜以内1 1 1 12 2 2 23 3 3 34 4 4 45 5 5 5质量缺陷及整改结果检验结论建设单位监理单位施工单位物业或其他单位房(户)号西单元六层西户检查日期年月日户型简图及检查点简述序号项目质量要求实测数据1 套内净尺寸偏差房间内平行墙面之间净距极差值控制在20㎜以内客厅实测值一号房实测值二号房实测值三号房实测值1-2 1-2 1-2 1-23-4 3-4 3-4 3-41-3 1-3 1-3 1-32-4 2-4 2-4 2-41-4 1-4 1-4 1-42-3 2-3 2-3 2-3室内净高偏差值控制在-20㎜以内1 1 1 12 2 2 23 3 3 34 4 4 45 5 5 5质量缺陷及整改结果检验结论建设单位监理单位施工单位物业或其他单位房(户)号西单元一层东户检查日期年月日户型简图及检查点简述序号项目质量要求实测数据1 套内净尺寸偏差房间内平行墙面之间净距极差值控制在20㎜以内客厅实测值一号房实测值二号房实测值三号房实测值1-2 1-2 1-2 1-23-4 3-4 3-4 3-41-3 1-3 1-3 1-32-4 2-4 2-4 2-41-4 1-4 1-4 1-42-3 2-3 2-3 2-3室内净高偏差值控制在-20㎜以内1 1 1 12 2 2 23 3 3 34 4 4 45 5 5 5质量缺陷及整改结果检验结论建设单位监理单位施工单位物业或其他单位年月日年月日年月日年月日房(户)号西单元二层东户检查日期年月日户型简图及检查点简述序号项目质量要求实测数据1 套内净尺寸偏差房间内平行墙面之间净距极差值控制在20㎜以内客厅实测值一号房实测值二号房实测值三号房实测值1-2 1-2 1-2 1-23-4 3-4 3-4 3-41-3 1-3 1-3 1-32-4 2-4 2-4 2-41-4 1-4 1-4 1-42-3 2-3 2-3 2-3室内净高偏差值控制在-20㎜以内1 1 1 12 2 2 23 3 3 34 4 4 45 5 5 5质量缺陷及整改结果检验结论建设单位监理单位施工单位物业或其他单位年月日年月日年月日年月日房(户)号西单元三层东户检查日期年月日户型简图及检查点简述序号项目质量要求实测数据1 套内净尺寸偏差房间内平行墙面之间净距极差值控制在20㎜以内客厅实测值一号房实测值二号房实测值三号房实测值1-2 1-2 1-2 1-23-4 3-4 3-4 3-41-3 1-3 1-3 1-32-4 2-4 2-4 2-41-4 1-4 1-4 1-42-3 2-3 2-3 2-3室内净高偏差值控制在-20㎜以内1 1 1 12 2 2 23 3 3 34 4 4 45 5 5 5质量缺陷及整改结果检验结论建设单位监理单位施工单位物业或其他单位年月日年月日年月日年月日房(户)号西单元四层东户检查日期年月日户型简图及检查点简述序号项目质量要求实测数据1 套内净尺寸偏差房间内平行墙面之间净距极差值控制在20㎜以内客厅实测值一号房实测值二号房实测值三号房实测值1-2 1-2 1-2 1-23-4 3-4 3-4 3-41-3 1-3 1-3 1-32-4 2-4 2-4 2-41-4 1-4 1-4 1-42-3 2-3 2-3 2-3室内净高偏差值控制在-20㎜以内1 1 1 12 2 2 23 3 3 34 4 4 45 5 5 5质量缺陷及整改结果检验结论建设单位监理单位施工单位物业或其他单位年月日年月日年月日年月日房(户)号西单元五层东户检查日期年月日户型简图及检查点简述序号项目质量要求实测数据1 套内净尺寸偏差房间内平行墙面之间净距极差值控制在20㎜以内客厅实测值一号房实测值二号房实测值三号房实测值1-2 1-2 1-2 1-23-4 3-4 3-4 3-41-3 1-3 1-3 1-32-4 2-4 2-4 2-41-4 1-4 1-4 1-42-3 2-3 2-3 2-3室内净高偏差值控制在-20㎜以内1 1 1 12 2 2 23 3 3 34 4 4 45 5 5 5质量缺陷及整改结果检验结论建设单位监理单位施工单位物业或其他单位年月日年月日年月日年月日房(户)号西单元六层东户检查日期年月日户型简图及检查点简述序号项目质量要求实测数据1 套内净尺寸偏差房间内平行墙面之间净距极差值控制在20㎜以内客厅实测值一号房实测值二号房实测值三号房实测值1-2 1-2 1-2 1-23-4 3-4 3-4 3-41-3 1-3 1-3 1-32-4 2-4 2-4 2-41-4 1-4 1-4 1-42-3 2-3 2-3 2-3室内净高偏差值控制在-20㎜以内1 1 1 12 2 2 23 3 3 34 4 4 45 5 5 5质量缺陷及整改结果检验结论建设单位监理单位施工单位物业或其他单位年月日年月日年月日年月日房(户)号东单元一层西户检查日期年月日户型简图及检查点简述序号项目质量要求实测数据1 套内净尺寸偏差房间内平行墙面之间净距极差值控制在20㎜以内客厅实测值一号房实测值二号房实测值三号房实测值1-2 1-2 1-2 1-23-4 3-4 3-4 3-41-3 1-3 1-3 1-32-4 2-4 2-4 2-41-4 1-4 1-4 1-42-3 2-3 2-3 2-3室内净高偏差值控制在-20㎜以内1 1 1 12 2 2 23 3 3 34 4 4 45 5 5 5质量缺陷及整改结果检验结论建设单位监理单位施工单位物业或其他单位房(户)号东单元二层西户检查日期年月日户型简图及检查点简述序号项目质量要求实测数据1 套内净尺寸偏差房间内平行墙面之间净距极差值控制在20㎜以内客厅实测值一号房实测值二号房实测值三号房实测值1-2 1-2 1-2 1-23-4 3-4 3-4 3-41-3 1-3 1-3 1-32-4 2-4 2-4 2-41-4 1-4 1-4 1-42-3 2-3 2-3 2-3室内净高偏差值控制在-20㎜以内1 1 1 12 2 2 23 3 3 34 4 4 45 5 5 5质量缺陷及整改结果检验结论建设单位监理单位施工单位物业或其他单位房(户)号东单元三层西户检查日期年月日户型简图及检查点简述序号项目质量要求实测数据1 套内净尺寸偏差房间内平行墙面之间净距极差值控制在20㎜以内客厅实测值一号房实测值二号房实测值三号房实测值1-2 1-2 1-2 1-23-4 3-4 3-4 3-41-3 1-3 1-3 1-32-4 2-4 2-4 2-41-4 1-4 1-4 1-42-3 2-3 2-3 2-3室内净高偏差值控制在-20㎜以内1 1 1 12 2 2 23 3 3 34 4 4 45 5 5 5质量缺陷及整改结果检验结论建设单位监理单位施工单位物业或其他单位房(户)号东单元四层西户检查日期年月日户型简图及检查点简述序号项目质量要求实测数据1 套内净尺寸偏差房间内平行墙面之间净距极差值控制在20㎜以内客厅实测值一号房实测值二号房实测值三号房实测值1-2 1-2 1-2 1-23-4 3-4 3-4 3-41-3 1-3 1-3 1-32-4 2-4 2-4 2-41-4 1-4 1-4 1-42-3 2-3 2-3 2-3室内净高偏差值控制在-20㎜以内1 1 1 12 2 2 23 3 3 34 4 4 45 5 5 5质量缺陷及整改结果检验结论建设单位监理单位施工单位物业或其他单位房(户)号东单元五层西户检查日期年月日户型简图及检查点简述序号项目质量要求实测数据1 套内净尺寸偏差房间内平行墙面之间净距极差值控制在20㎜以内客厅实测值一号房实测值二号房实测值三号房实测值1-2 1-2 1-2 1-23-4 3-4 3-4 3-41-3 1-3 1-3 1-32-4 2-4 2-4 2-41-4 1-4 1-4 1-42-3 2-3 2-3 2-3室内净高偏差值控制在-20㎜以内1 1 1 12 2 2 23 3 3 34 4 4 45 5 5 5质量缺陷及整改结果检验结论建设单位监理单位施工单位物业或其他单位房(户)号东单元六层西户检查日期年月日户型简图及检查点简述序号项目质量要求实测数据1 套内净尺寸偏差房间内平行墙面之间净距极差值控制在20㎜以内客厅实测值一号房实测值二号房实测值三号房实测值1-2 1-2 1-2 1-23-4 3-4 3-4 3-41-3 1-3 1-3 1-32-4 2-4 2-4 2-41-4 1-4 1-4 1-42-3 2-3 2-3 2-3室内净高偏差值控制在-20㎜以内1 1 1 12 2 2 23 3 3 34 4 4 45 5 5 5质量缺陷及整改结果检验结论建设单位监理单位施工单位物业或其他单位房(户)号东单元一层东户检查日期年月日户型简图及检查点简述序号项目质量要求实测数据1 套内净尺寸偏差房间内平行墙面之间净距极差值控制在20㎜以内客厅实测值一号房实测值二号房实测值三号房实测值1-2 1-2 1-2 1-23-4 3-4 3-4 3-41-3 1-3 1-3 1-32-4 2-4 2-4 2-41-4 1-4 1-4 1-42-3 2-3 2-3 2-3室内净高偏差值控制在-20㎜以内1 1 1 12 2 2 23 3 3 34 4 4 45 5 5 5质量缺陷及整改结果检验结论建设单位监理单位施工单位物业或其他单位房(户)号东单元二层东户检查日期年月日户型简图及检查点简述序号项目质量要求实测数据1 套内净尺寸偏差房间内平行墙面之间净距极差值控制在20㎜以内客厅实测值一号房实测值二号房实测值三号房实测值1-2 1-2 1-2 1-23-4 3-4 3-4 3-41-3 1-3 1-3 1-32-4 2-4 2-4 2-41-4 1-4 1-4 1-42-3 2-3 2-3 2-3室内净高偏差值控制在-20㎜以内1 1 1 12 2 2 23 3 3 34 4 4 45 5 5 5质量缺陷及整改结果检验结论建设单位监理单位施工单位物业或其他单位房(户)号东单元三层东户检查日期年月日户型简图及检查点简述序号项目质量要求实测数据1 套内净尺寸偏差房间内平行墙面之间净距极差值控制在20㎜以内客厅实测值一号房实测值二号房实测值三号房实测值1-2 1-2 1-2 1-23-4 3-4 3-4 3-41-3 1-3 1-3 1-32-4 2-4 2-4 2-41-4 1-4 1-4 1-42-3 2-3 2-3 2-3室内净高偏差值控制在-20㎜以内1 1 1 12 2 2 23 3 3 34 4 4 45 5 5 5质量缺陷及整改结果检验结论建设单位监理单位施工单位物业或其他单位房(户)号东单元四层东户检查日期年月日户型简图及检查点简述序号项目质量要求实测数据1 套内净尺寸偏差房间内平行墙面之间净距极差值控制在20㎜以内客厅实测值一号房实测值二号房实测值三号房实测值1-2 1-2 1-2 1-23-4 3-4 3-4 3-41-3 1-3 1-3 1-32-4 2-4 2-4 2-41-4 1-4 1-4 1-42-3 2-3 2-3 2-3室内净高偏差值控制在-20㎜以内1 1 1 12 2 2 23 3 3 34 4 4 45 5 5 5质量缺陷及整改结果检验结论建设单位监理单位施工单位物业或其他单位房(户)号东单元五层东户检查日期年月日户型简图及检查点简述序号项目质量要求实测数据1 套内净尺寸偏差房间内平行墙面之间净距极差值控制在20㎜以内客厅实测值一号房实测值二号房实测值三号房实测值1-2 1-2 1-2 1-23-4 3-4 3-4 3-41-3 1-3 1-3 1-32-4 2-4 2-4 2-41-4 1-4 1-4 1-42-3 2-3 2-3 2-3室内净高偏差值控制在-20㎜以内1 1 1 12 2 2 23 3 3 34 4 4 45 5 5 5质量缺陷及整改结果检验结论建设单位监理单位施工单位物业或其他单位房(户)号东单元六层东户检查日期年月日户型简图及检查点简述序号项目质量要求实测数据1 套内净尺寸偏差房间内平行墙面之间净距极差值控制在20㎜以内客厅实测值一号房实测值二号房实测值三号房实测值1-2 1-2 1-2 1-23-4 3-4 3-4 3-41-3 1-3 1-3 1-32-4 2-4 2-4 2-41-4 1-4 1-4 1-42-3 2-3 2-3 2-3室内净高偏差值控制在-20㎜以内1 1 1 12 2 2 23 3 3 34 4 4 45 5 5 5质量缺陷及整改结果检验结论建设单位监理单位施工单位物业或其他单位。
竭诚为您提供优质文档/双击可除住宅房屋的开间,净深,净高尺寸需满足哪一验收规范篇一:分户验收的开间尺寸分户验收的开间尺寸、净高推算值是按设计的还是根据现场做的实际调整正负号具有实际意义,不可更改。
我们生活中也经常会运用的偏差的概念。
极差就简单了,就是净开间或者净高数据中,两个相差最大的数据相减就得到了。
开间进深和层高(净)的推定值如何计算住宅分户验收需要测量每一间房子的净开间和净进深以及净高也就是推定值,请问如何计算啊?轴线到轴线的距离需要减去墙厚还有粉刷层和腻子的厚度,他们的具体数值首先确定一点,建筑规范上面算房屋面积及其他的时候是没有开间净深之类的表述的。
建筑规范之规定建筑计算面积等时均是按墙体轴线来计算的。
不会扣除墙体等厚度。
而分户验收的时候算净深这些都是推定值,这个推定值哪个都没的一个标准的。
只能说一般抹灰厚2-3cm,腻子有5mm左右。
开间、进深的推算值如何计算不应该扣除墙体、抹灰层、面层按施工图纸墙体轴线间距离确定。
室内净高推值怎么计算室内净高推算值根据设计层高扣除楼板、天棚面层、地坪找平层及面层等厚度计算得出,分户验收前根据板厚等参数确定不同房间的净高推算值后报设计单位确认。
篇二:分户验收规范住宅工程质量分户验收指引(验收项目、内容、检查方法及标准条文)序号验收项目验收内容检查方法及数量标准条文1房屋室内空间尺寸开间、进深、净高钢尺或其他测量仪器检查按每户不少于3个自然间,每间开间、进深各测2点,净高测5点gb50204-20xx,8.3.28.3.2现浇结构和混凝土设备基础拆模后的尺寸偏差应符合表8.3.2-1、表8.3.2-2的规定。
检查数量:按楼层、结构缝或施工段划分检验批。
在同一检验批内,对梁、柱和独立基础,应抽查构件数量的10%,且不少于3件;对墙和板,应按有代表性的自然间抽查10%,且不少于3间;对大空间结构,墙可按相邻轴线间高度5m左右划分检查面,板可按纵、横轴线划分检查面,抽查10%,且均不少于3面;对电梯井,应全数检查。
住宅工程室内空间尺寸质量分户验收记录表总页第页工程名称孟关生态特色功能区农民新村安置点一期工程 ✁楼房(户)号 检查日期年 月 日房间设计净高及进深实测值(㎜)计算值(㎜)☟☹☟☟☟☟☟☹☹净高净开间净进深最大偏差极差极差极差客厅2880/3658/4658主卧室2880/3058/3958次卧室2880/3058/3458住宅工程室内空间尺寸质量分户验收记录表总页第页客厅2880/3658/4658主卧室2880/3058/3958次卧室2880/3058/3458室内空间尺寸测量示意图:填表说明:1、基准值净高H、L1和L2方向开间净尺寸L、B1和B2方向进深净尺寸B、对角线净尺寸D的设计值。
2、实测值与基准值之差即为实测偏差值,极差为实测偏差值中最大与最小值之差的绝对值。
3、每套抽查房间数不少于3间。
4、实测偏差值或极差值大于20㎜为不合格。
套型示意图贴图区,标准房间编号:验收结论实测( 3 间)房间,合格( 3 间)房间,需整改处理房间:()建设单位监理单位施工单位物业单位住宅工程室内空间尺寸质量分户验收记录表总页第页间深最大偏差极差极差极差客厅2880/3658/4658主卧室2880/3058/3958次卧室2880/3058/3458室内空间尺寸测量示意图:填表说明:1、基准值净高H、L1和L2方向开间净尺寸L、B1和B2方向进深净尺寸B、对角线净尺寸D的设计值。
2、实测值与基准值之差即为实测偏差值,极差为实测偏差值中最大与最小值之差的绝对值。
3、每套抽查房间数不少于3间。
4、实测偏差值或极差值大于20㎜为不合格。
套型示意图贴图区,标准房间编号:验收结实测( 3 间)房间,合格( 3 间)房间,需整改处理住宅工程室内空间尺寸质量分户验收记录表总页第页H/L/B H1 H2 H3 H4 H5 L1 L2 B1 B2 净高净开间净进深最大偏差极差极差极差客厅2880/3658/4658主卧室2880/3058/3958次卧室2880/3058/3458室内空间尺寸测量示意图:填表说明:1、基准值净高H、L1和L2方向开间净尺寸L、B1和B2方向进深净尺寸B、对角线净尺寸D的设计值。
一、住宅工程质量分户检验必检内容及检验标准
附件1:表A.0.1室内净高、净开间、净进深尺寸记录表
符合不符合
注:1、每户填写本表一张,检查完毕及时签字;本表一式四份,建设、监理、施工、物业各一份。
注:本表一式四份,建设、监理、施工、物业各一份。
附件2 :表A.0.2 验收分部验收记录表
附件2 :表A.0.2 检验结果记录表
注:本表一式四份,建设、监理、施工、物业各一份。
附件3:附录B 住宅工程分户质量检验单户汇总表
该分户所在单位工程室内环境污染浓度检测结果为合格不合格;
附件4:附录C 单位工程住宅工程分户质量检验汇总表
附件5:住宅分户检验合格标识
注:此标识须建设单位盖章。
空间尺寸检测表(总7页)--本页仅作为文档封面,使用时请直接删除即可----内页可以根据需求调整合适字体及大小--室内空间尺寸、护栏、玻璃质量分户验收记录表单位工程名称无锡万科魅力之城D2、D5组团精装修工程验收部位(号) 58单元801 户房间编号净高推算值(mm)长宽推算值(mm)实测值(mm)计算值(mm)净高净开间H L1L2H1H2H3H4H5L1-1L1-2L2-1L2-2最大偏差极差最大偏差极差极差主卧客厅次卧餐厅书房主卫厨房儿童房室内空间尺寸测量示意图套型示意图现场检查项目质量要求质量验收记录护栏和扶手护栏和扶手的造型、尺寸、高度、栏杆间距和安装位置护栏和扶手的造型、尺寸、高度、栏杆间距和安装位置应符合设计要求,并应符合下列规定:1.栏杆应采用不宜攀登的构造。
栏杆各杆件须尽量向室内一侧设置。
2.栏杆垂直杆件的净距不应大于。
3.外窗台低于,应有防护措施。
当设计文件规定室内楼梯栏杆由住户自理时,应设置安全防护。
符合要求玻璃1.玻璃的品种玻璃的质量应符合设计和相应标准的要求。
符合要求2.落地门窗、玻璃隔断的安全措施落地门窗、玻璃隔断等易受人体或物体碰撞的玻璃,应在视线高度设醒目标志或护栏,碰撞后可能发生高处人体或玻璃坠落的部位,必须设置可靠的护栏。
符合要求3.玻璃观感质量安装后的玻璃应牢固,不应有裂缝、损伤和松动。
中空玻璃内外表面应洁净,玻璃中空层内不应有灰尘和水蒸气。
符合要求验收意见:测点合格率:建设单位(项目)负责人:年月日监理单位总监理工程师:年月日施工单位建造师:质量检查员:年月日室内空间尺寸、护栏、玻璃质量分户验收记录表单位工程名称无锡万科魅力之城D2、D5组团精装修工程验收部位(号) 58单602 户房间编号净高推算值(mm)长宽推算值(mm)实测值(mm)计算值(mm)净高净开间H L1L2H1H2H3H4H5L1-1L1-2L2-1L2-2最大偏差极差最大偏差极差极差主卧27303660346027332733273527332733366336633466346452602客厅27304300377027272729272927232723430343003766376676430次卧273030602960272427242727272427263070306729562959631033餐厅273037002410272627322734272927293699370024262423481613书房27302770277027352735273227362736276527652764276464600主卫16315201621162315251524921厨房27221202730273212921211008室内空间尺寸测量示意图套型示意图室内空间尺寸、护栏、玻璃质量分户验收记录表室内空间尺寸测量示意图套型示意图现场检查项目质量要求质量验收记录护栏和扶手护栏和扶手的造型、尺寸、高度、栏杆间距和安装位置护栏和扶手的造型、尺寸、高度、栏杆间距和安装位置应符合设计要求,并应符合下列规定:1.栏杆应采用不宜攀登的构造。
catia测量零件空间尺寸的命令CATIA是一款广泛应用于机械设计领域的三维设计软件,它提供了丰富的测量工具,可以帮助工程师准确测量零件的空间尺寸。
本文将介绍在CATIA中测量零件空间尺寸的相关命令和操作方法。
在CATIA中测量零件空间尺寸的命令主要包括测量工具栏中的“距离”命令和“尺寸”命令。
下面将分别介绍这两个命令的使用方法。
首先是“距离”命令。
在CATIA界面的工具栏中找到“测量”选项,展开后可以看到“距离”命令。
点击该命令后,鼠标指针会变成一个十字线,并且工作区中出现一个测量标尺。
此时,只需要依次点击零件的两个要测量的点,即可在标尺上显示出两点之间的距离。
通过该命令可以测量零件的长度、宽度、高度等线性尺寸。
其次是“尺寸”命令。
在CATIA界面的工具栏中找到“测量”选项,展开后可以看到“尺寸”命令。
点击该命令后,鼠标指针会变成一个十字线,并且工作区中出现一个测量标尺。
此时,只需要依次点击零件的两个要测量的边界,即可在标尺上显示出边界之间的距离。
通过该命令可以测量零件的直径、角度、曲线长度等非线性尺寸。
除了基本的距离和尺寸测量命令,CATIA还提供了其他一些辅助测量命令,如“角度”命令、“坐标”命令等。
这些命令可以帮助工程师更精确地测量零件的空间尺寸。
CATIA还提供了一些高级的测量功能,如快速测量、批量测量等。
通过这些功能,工程师可以在较短的时间内测量多个零件的空间尺寸,并将结果导出为报告或者图表,方便后续的分析和处理。
在使用CATIA进行测量时,需要注意以下几点:1. 确保模型准确:在进行测量之前,要确保零件的模型是准确的,没有错误或者缺陷。
如果模型存在问题,可能会导致测量结果不准确。
2. 选择合适的测量工具:CATIA提供了多种测量工具,根据具体的测量需求选择合适的工具。
不同的工具适用于不同类型的尺寸测量。
3. 设置测量单位:CATIA默认使用的是国际单位制(米、毫米等),在进行测量之前,可以根据需要设置合适的测量单位。
室内设计常用基本尺寸室内设计的基本尺寸是指在进行室内设计和布局时常用的标准尺寸,以确保空间的合理利用和功能的实现。
下面是一些室内设计常用的基本尺寸的详细介绍:1.空间尺寸:-房间高度:标准住宅和商业建筑的房间高度通常为2.4米至3米。
高度越高,空间越宽敞明亮,但在室内设计中也应考虑采光和空调的需求。
-房间面积:房间的面积根据功能和使用需求来确定,一般起居室和餐厅的面积为15-30平方米,卧室的面积为10-20平方米,厨房和卫生间的面积较小。
-门和窗的尺寸:门的宽度通常为0.9-1.2米,高度为2-2.4米;窗户的宽度和高度因设计和功能的不同而有所不同,但一般来说,标准窗户的宽度约为0.8-1.5米,高度约为1.2-1.8米。
2.家具尺寸:-沙发:一般单人沙发的宽度为70-90厘米,双人沙发的宽度为120-180厘米,三人沙发的宽度为180-240厘米。
-餐桌:普通餐桌的尺寸通常为80-100厘米宽,150-200厘米长,以便容纳4-6个人。
-床:单人床的尺寸通常为90-100厘米宽,190-200厘米长;双人床的尺寸通常为150-180厘米宽,190-200厘米长;大床的尺寸通常为180-200厘米宽,200-220厘米长。
-衣柜:衣柜的宽度通常为60-120厘米,高度通常为2-2.4米,深度通常为50-60厘米。
-书桌:书桌的宽度通常为80-120厘米,高度通常为70-80厘米。
3.厨房尺寸:-水槽:一般厨房水槽的宽度为60厘米,深度为30-45厘米。
-炉灶:一般厨房炉灶的宽度为60厘米,深度为50-60厘米。
-冰箱:一般厨房冰箱的宽度为60-70厘米,深度为60-70厘米,高度为160厘米至2米不等。
-厨柜:厨柜的宽度根据厨房空间和需求来决定,但一般来说,上柜的高度为30-40厘米,下柜的高度为80-90厘米。
4.卫生间尺寸:-洗手盆:一般洗手盆的宽度为45-60厘米,深度为30-45厘米。
甬建安质监[2013]23号宁波市区建筑工程监督检测规定第一条为进一步加强建筑工程质量的监督,规范质量监督行为,完善监督工作制度,确保工程质量,依照《建设工程质量管理条例》及有关工程质量验收规范,制定本规定。
第二条本规定所称监督检测,是指工程质量监督人员在施工现场按规定对建筑材料、构配件及工程实体的质量进行的随机抽样检测。
监督检测方式包括监督人员现场抽样检测或抽样委托检测。
第三条工程质量监督人员在地基基础、主体结构验收监督及日常监督巡查工作中,可根据施工现场工程质量管理情况及实体质量状况,确定监督检测的内容、范围。
第四条建筑材料、构配件的监督检测内容、数量、方法和抽样数量应符合下列规定:(一)监督检测内容:1、用于承重结构的钢筋及连接接头试件;2、用于建筑结构的砖和砌块;3、用于拌制混凝土和砌筑砂浆的水泥、砂、石子;4、地下室、屋面、厕浴间使用的防水卷材、防水涂料;5、节能工程使用的保温隔热材料、增强网、粘结剂及幕墙、外窗玻璃等;6、钢结构工程中使用的高强度螺栓和普通螺栓;7、国家规定的其它试块、试件和材料。
(二)监督检测数量和方式:上述建筑材料、构配件,监督科室(分站)对保障性住房工程每个单位工程(标段)至少抽取3种,对其他工程每个单位工程(标段)至少抽取1种,巡查科室原则上对每个单位工程(标段)抽取不少于1种。
检测方式为监督人员现场抽样委托承担监督检测的检测机构进行检测。
(三)每组取样方法和抽样数量:按有关规定执行,国家规定的其它建筑材料、构配件的抽取,按有关规定执行。
第五条工程实体质量的监督检测内容、数量、方法和抽样要求应符合下列规定:(一)监督检测内容:1、混凝土灌注桩钢筋笼长度、混凝土强度(钻芯法);2、基桩承载力、完整性;3、混凝土构件强度、钢筋保护层厚度、现浇板楼板厚度;4、结构工程室内空间尺寸(净高净距);5、钢结构工程中的一、二级焊缝内部缺陷,高强度螺栓连接副的终拧扭矩;6、劲性混凝土型钢和钢管混凝土型钢焊缝内部缺陷;7、墙体节能工程的节能构造、基层与保温层粘结强度现场拉拔试验、薄抹面层与保温层粘结强度现场拉拔试验、保温板材的后置锚固件现场拉拔试验、饰面砖粘结强度现场拉拔试验及地面节能工程(板底)的基层与保温层粘结强度现场拉拔试验;8、外墙饰面砖粘结强度现场拉拔试验(除墙体节能工程要求实施的饰面砖砖粘结强度现场拉拔试验);9、民用建筑室内环境污染物浓度。
室内空间尺寸、护栏、玻璃质量分户验收记录表单位工程名称无锡万科魅力之城D2、D5组团精装修工程验收部位(号) 58单元801 户房间编号净高推算值(mm)长宽推算值(mm)实测值(mm)计算值(mm)净高净开间H L1L2H1H2H3H4H5L1-1L1-2L2-1L2-2最大偏差极差最大偏差极差极差主卧客厅次卧餐厅书房主卫厨房儿童房室内空间尺寸测量示意图套型示意图现场检查项目质量要求质量验收记录护栏和扶手护栏和扶手的造型、尺寸、高度、栏杆间距和安装位置护栏和扶手的造型、尺寸、高度、栏杆间距和安装位置应符合设计要求,并应符合下列规定:1.栏杆应采用不宜攀登的构造。
栏杆各杆件须尽量向室内一侧设置。
2.栏杆垂直杆件的净距不应大于。
3.外窗台低于,应有防护措施。
当设计文件规定室内楼梯栏杆由住户自理时,应设置安全防护。
符合要求玻璃1.玻璃的品种玻璃的质量应符合设计和相应标准的要求。
符合要求2.落地门窗、玻璃隔断的安全措施落地门窗、玻璃隔断等易受人体或物体碰撞的玻璃,应在视线高度设醒目标志或护栏,碰撞后可能发生高处人体或玻璃坠落的部位,必须设置可靠的护栏。
符合要求3.玻璃观感质量安装后的玻璃应牢固,不应有裂缝、损伤和松动。
中空玻璃内外表面应洁净,玻璃中空层内不应有灰尘和水蒸气。
符合要求验收意见:测点合格率:建设单位(项目)负责人:年月日监理单位总监理工程师:年月日施工单位建造师:质量检查员:年月日室内空间尺寸、护栏、玻璃质量分户验收记录表单位工程名称无锡万科魅力之城D2、D5组团精装修工程验收部位(号)58单602 户房间编号净高推算值(mm)长宽推算值(mm)实测值(mm)计算值(mm)净高净开间H L1L2H1H2H3H4H5L1-1L1-2L2-1L2-2最大偏差极差最大偏差极差极差主卧27303660346027332733273527332733366336633466346452602客厅27304300377027272729272927232723430343003766376676430次卧273030602960272427242727272427263070306729562959631033餐厅273037002410272627322734272927293699370024262423481613书房27302770277027352735273227362736276527652764276464600主卫163015201621162315251524921厨房2720212027302730212921211008室内空间尺寸测量示意图套型示意图现场检查项目质量要求质量验收记录护栏和扶手护栏和扶手的造型、尺寸、高度、栏杆间距和安装位置护栏和扶手的造型、尺寸、高度、栏杆间距和安装位置应符合设计要求,并应符合下列规定:1.栏杆应采用不宜攀登的构造。
栏杆各杆件须尽量向室内一侧设置。
2.栏杆垂直杆件的净距不应大于。
3.外窗台低于,应有防护措施。
符合要求室内空间尺寸、护栏、玻璃质量分户验收记录表现场检查项目质量要求质量验收记录护栏和扶手护栏和扶手的造型、尺寸、高度、栏杆间距和安装位置护栏和扶手的造型、尺寸、高度、栏杆间距和安装位置应符合设计要求,并应符合下列规定:1.栏杆应采用不宜攀登的构造。
栏杆各杆件须尽量向室内一侧设置。
2.栏杆垂直杆件的净距不应大于。
3.外窗台低于,应有防护措施。
当设计文件规定室内楼梯栏杆由住户自理时,应设置安全防护。
符合要求玻璃1.玻璃的品种玻璃的质量应符合设计和相应标准的要求。
符合要求2.落地门窗、玻璃隔断的安全措施落地门窗、玻璃隔断等易受人体或物体碰撞的玻璃,应在视线高度设醒目标志或护栏,碰撞后可能发生高处人体或玻璃坠落的部位,必须设置可靠的护栏。
符合要求3.玻璃观感质量安装后的玻璃应牢固,不应有裂缝、损伤和松动。
中空玻璃内外表面应洁净,玻璃中空层内不应有灰尘和水蒸气。
符合要求验收意见:测点合格率:建设单位(项目)负责人:年月日监理单位总监理工程师:年月日施工单位建造师:质量检查员:年月日室内空间尺寸、护栏、玻璃质量分户验收记录表单位工程名称无锡万科魅力之城D2、D5组团精装修工程验收部位(号)房间编号净高推算值(mm)长宽推算值(mm)实测值(mm)计算值(mm)净高净开间H L1L2H1H2H3H4H5L1-1L1-2L2-1L2-2最大偏差极差最大偏差极差极差主卧客厅次卧餐厅书房主卫厨房室内空间尺寸测量示意图套型示意图现场检查项目质量要求质量验收记录护栏和扶手护栏和扶手的造型、尺寸、高度、栏杆间距和安装位置护栏和扶手的造型、尺寸、高度、栏杆间距和安装位置应符合设计要求,并应符合下列规定:1.栏杆应采用不宜攀登的构造。
栏杆各杆件须尽量向室内一侧设置。
2.栏杆垂直杆件的净距不应大于。
3.外窗台低于,应有防护措施。
当设计文件规定室内楼梯栏杆由住户自理时,应设置安全防护。
符合要求玻璃1.玻璃的品种玻璃的质量应符合设计和相应标准的要求。
符合要求2.落地门窗、玻璃隔断的安全措施落地门窗、玻璃隔断等易受人体或物体碰撞的玻璃,应在视线高度设醒目标志或护栏,碰撞后可能发生高处人体或玻璃坠落的部位,必须设置可靠的护栏。
符合要求3.玻璃观感质量安装后的玻璃应牢固,不应有裂缝、损伤和松动。
中空玻璃内外表面应洁净,玻璃中空层内不应有灰尘和水蒸气。
符合要求验收意见:测点合格率:建设单位(项目)负责人:年月日监理单位总监理工程师:年月日施工单位建造师:质量检查员:年月日室内空间尺寸、护栏、玻璃质量分户验收记录表单位工程名称无锡万科魅力之城D2、D5组团精装修工程验收部位(号)房间净高推长宽推算值实测值(mm)计算值(mm)编号算值(mm)(mm)净高净开间H L1L2H1H2H3H4H5L1-1L1-2L2-1L2-2最大偏差极差最大偏差极差极差主卧客厅次卧餐厅书房主卫厨房室内空间尺寸测量示意图套型示意图现场检查项目质量要求质量验收记录护栏和扶手护栏和扶手的造型、尺寸、高度、栏杆间距和安装位置护栏和扶手的造型、尺寸、高度、栏杆间距和安装位置应符合设计要求,并应符合下列规定:1.栏杆应采用不宜攀登的构造。
栏杆各杆件须尽量向室内一侧设置。
2.栏杆垂直杆件的净距不应大于。
3.外窗台低于,应有防护措施。
当设计文件规定室内楼梯栏杆由住户自理时,应设置安全防护。
符合要求玻璃1.玻璃的品种玻璃的质量应符合设计和相应标准的要求。
符合要求2.落地门窗、玻璃隔断的安全措施落地门窗、玻璃隔断等易受人体或物体碰撞的玻璃,应在视线高度设醒目标志或护栏,碰撞后可能发生高处人体或玻璃坠落的部位,必须设置可靠的护栏。
符合要求3.玻璃观感质量安装后的玻璃应牢固,不应有裂缝、损伤和松动。
中空玻璃内外表面应洁净,玻璃中空层内不应有灰尘和水蒸气。
符合要求验收意见:测点合格率:建设单位(项目)负责人:年月日监理单位总监理工程师:年月日施工单位建造师:质量检查员:年月日室内空间尺寸、护栏、玻璃质量分户验收记录表单位工程名称无锡万科魅力之城D2、D5组团精装修工程验收部位(号)房间编号净高推算值(mm)长宽推算值(mm)实测值(mm)计算值(mm)净高净开间H L1L2H1H2H3H4H5L1-1L1-2L2-1L2-2最大偏差极差最大偏差极差极差主卧客厅次卧餐厅书房主卫厨房室内空间尺寸测量示意图套型示意图现场检查项目质量要求质量验收记录护栏和扶手护栏和扶手的造型、尺寸、高度、栏杆间距和安装位置护栏和扶手的造型、尺寸、高度、栏杆间距和安装位置应符合设计要求,并应符合下列规定:1.栏杆应采用不宜攀登的构造。
栏杆各杆件须尽量向室内一侧设置。
2.栏杆垂直杆件的净距不应大于。
3.外窗台低于,应有防护措施。
当设计文件规定室内楼梯栏杆由住户自理时,应设置安全防护。
符合要求玻璃1.玻璃的品种玻璃的质量应符合设计和相应标准的要求。
符合要求2.落地门窗、玻璃隔断的安全措施落地门窗、玻璃隔断等易受人体或物体碰撞的玻璃,应在视线高度设醒目标志或护栏,碰撞后可能发生高处人体或玻璃坠落的部位,必须设置可靠的护栏。
符合要求3.玻璃观感质量安装后的玻璃应牢固,不应有裂缝、损伤和松动。
中空玻璃内外表面应洁净,玻璃中空层内不应有灰尘和水蒸气。
符合要求验收意见:测点合格率:建设单位(项目)负责人:年月日监理单位总监理工程师:年月日施工单位建造师:质量检查员:年月日。