防腐与绝热(管道系统
- 格式:doc
- 大小:52.25 KB
- 文档页数:3
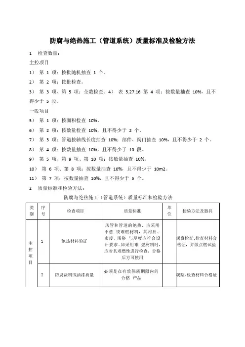
防腐与绝热施工(管道系统)质量标准及检验方法
1检查数量:
主控项目
1)第1 项:按批随机抽查1 个。
2)第2 项:按批检查。
3)第3 项、第5 项:全数检查。
4)表5.27.16 第4 项:按数量抽查10%,且不得少于5 段。
一般项目
5)第1 项:按面积检查10%。
6)第2 项:按数量检查10%,且不得少于2 个。
7)第3 项:管道按轴线长度抽查10%;部件、阀门抽查10%,且不得少于2 个。
8)第4 项:按数量抽查10%,且不得少于10 段。
9)第5 项、第9 项、第10 项:按数量抽查10%。
10)第6 项、第8 项:按数量抽查10%,且不得少于10m2。
11)第7 项:按数量抽查10%,且不得少于5 个。
2质量标准和检验方法:
防腐与绝热施工(管道系统)质量标准和检验方法。
防腐蚀与绝热管理制度第一章总则第一条为加强设备防腐蚀与绝热管理工作,提高防腐蚀与绝热管理工作水平,保证设备使用性能、延长使用寿命,保证生产装置安全、稳定、长周期运行,切实做好节能降耗工作,特制定本制度。
第二条本制度适用于设备防腐蚀与绝热管理。
第三条设备防腐蚀管理是设备管理工作的重要内容。
凡受到工艺介质、冷却水、大气、土壤等腐蚀的各类设备、管道、建构筑物等(以下统称设备),都必须采取相应的防腐蚀措施。
本制度中设备的防腐蚀管理包括设备的材料防腐、内外壁涂料防腐、防腐蚀施工、腐蚀检查与监督以及生产装置工艺防腐蚀。
第四条绝热是指为减少设备和管道内介质热量或冷量损失,或为防止人体烫伤、设备外壁凝结露、稳定操作等,在其外壁或内壁设置隔热层,以减少热传导的措施。
包括设备的保温、保冷和防烫伤隔热。
第二章管理机构与职责第五条公司设备管理部是设备防腐蚀与绝热管理工作的主管部门,在主管副总经理的领导下开展防腐蚀与绝热管理工作,设置专职或兼职的防腐蚀与绝热管理人员。
第六条各部门主管设备工作的领导负责本部门设备防腐蚀与绝热管理工作,主管生产技术的领导负责本部门工艺防腐蚀管理工作;生产技术管理部门是公司工艺防腐蚀管理工作的主管部门;设置专职或兼职的防腐蚀与绝热管理人员,业务上受公司主管部门的指导。
第七条公司设备管理部职责1、贯彻执行国家和公司有关防腐蚀与绝热管理的有关标准、制度和规定,组织制定和修订公司防腐蚀与绝热管理制度,并检查贯彻执行情况。
2、审批、下达设备防腐蚀与绝热施工项目计划,按照内控制度的要求和程序,对防腐蚀与绝热施工项目进行管理。
3、参与厂际公用系统、重点生产装置和重要设备防腐绝热工程总体方案的制定,组织重点防腐、绝热工程实施方案审定和施工质量检查验收。
4、审批外委公司防腐蚀与绝热施工资质。
5、针对设备腐蚀问题协同工艺技术管理部门,组织生产装置的腐蚀检查与监督工作。
6、组织防腐蚀与绝热技术交流与培训,推广应用新的防腐蚀技术和新型防腐蚀材料。
SICOLAB通风与空调施工质量验收规范(防腐与绝热)一般规定一、空调设备、风管及其部件的绝热工程施工应在风管系统严密性检验合格后进行。
二、制冷剂管道和空调水系统管道绝热工程的施工,应在管路系统强度和严密性检验合格和防腐处理结束后进行。
三、防腐工程施工时,应采取防火、防冻、防雨等措施,且不应在潮湿或低于5℃的环境下作业。
绝热工程施工时,应采取防火、防雨等措施。
四、风管、管道的支、吊架应进行防腐处理,明装部分应刷面漆。
五、防腐与绝热工程施工时,应采取相应的环境保护和劳动保护措施。
主控项目一、风管和管道防腐涂料的品种及涂层层数应符合设计要求,涂料的底漆和面漆应配套。
检查数量:按Ⅰ方案。
检查方法:按面积抽查,查对施工图纸和观察检查。
二、风管和管道的绝热层、绝热防潮层和保护层,应采用不燃或难燃材料,材质、密度、规格与厚度应符合设计要求。
检查数量:按Ⅰ方案。
检查方法:查对施工图纸、合格证和做燃烧试验。
三、风管和管道的绝热材料进场时,应按现行国家标准《建筑节能工程施工质量验收规范》GB 50411的规定进行验收。
检查数量:按Ⅰ方案。
检查方法:按现行国家标准《建筑节能工程施工质量验收规范》GB 50411的有关规定执行。
四、洁净室(区)内的风管和管道的绝热层,不应采用易产尘的玻璃纤维和短纤维矿棉等材料。
检查数量:全数检查。
检查方法:观察检查。
一般项目一、防腐涂料的涂层应均匀,不应有堆积、漏涂、皱纹、气泡、掺杂及混色等缺陷。
检查数量:按Ⅱ方案。
检查方法:按面积或件数抽查,观察检查。
二、设备、部件、阀门的绝热和防腐涂层,不得遮盖铭牌标志和影响部件、阀门的操作功能;经常操作的部位应采用能单独拆卸的绝热结构。
检查数量:按Ⅱ方案。
检查方法:观察检查。
三、绝热层应满铺,表面应平整,不应有裂缝、空隙等缺陷。
当采用卷材或板材时,允许偏差应为5mm;当采用涂抹或其他方式时,允许偏差应为10mm。
检查数量:按Ⅱ方案。
检查方法:观察检查。
第一章总
第一条为加强XXX集团有限公司和XXX集团公司(以下简称为XX集团公司)设备防腐蚀与绝热管理工作,提高防腐蚀与绝热管理水平,保证设备使用性能、延长使用寿命,保证生产装置安全、稳定、长周期运行,切实做好节能降耗
第二条设备防腐蚀管理是设备管理工作的重要内容。
凡受到工艺介质、冷却水、大气、土壤等腐蚀的各类设备、管道、建构筑物等(以下统称设备),都必须采取相应的防腐蚀措施。
本制度中设备的防腐蚀管理包括设备的材料防腐、
第三条绝热是指为减少设备和管道内介质热量或冷量损失,或为防止人体烫伤、设备外壁凝结露、稳定操作等,在其外壁或内壁设置隔热层,以减少热传
第四条 XX集团公司加工含硫、高含硫原油装置的腐蚀管理遵循《炼油生产装置工艺防腐蚀管理规定》、《加工高含硫原油部分装置在用设备及管道选材指导意见》、《加工高含硫原油储罐防腐蚀技术管理规定》、《加工高含硫原油装置设备及管道测厚管理规定》以及《关于加强炼油装置腐蚀检查工作的管理规定》等
第五条本制度适用于XX
第二章
第六条公司设备部是XX集团公司设备防腐蚀与绝热管理工作的主管部门,公司生产管理部是XX集团公司工艺防腐蚀管理工作的主管部门;在主管经理和副总工程师领导下开展防腐蚀与绝热管理工作,设置专职或兼职的防腐蚀与绝热
第七条各单位主管设备工作的领导负责本单位设备防腐蚀与绝热管理工作,主管生产技术的领导负责本单位工艺防腐蚀管理工作。
各单位设备主管部门。
管道设计规范管道设计规范是指在设计和施工过程中,依据一定的标准和要求来进行管道工程的设计和施工。
遵循管道设计规范可以确保管道系统的安全、高效运行,减少事故风险和经济损失。
一、设计范围和要求:1. 管道工程设计要符合国家相关法律法规、标准和行业规范的要求。
2. 应根据工程实际情况,设计合理的管道系统布置和管道材料选择。
3. 管道系统的设计要充分考虑管道的承载能力、耐腐蚀性、密封性和操作、维修便利性等要求。
4. 管道系统内部流体的流速、压力和温度应符合设计要求,确保管道系统安全运行。
二、管道系统布置:1. 管道的布置应尽量简化,减少管段的数量和长度,降低管道系统的阻力。
2. 管道系统布置应与建筑物结构、其他管线系统和设备布置相协调,保证施工、运行和维修的便利性。
3. 管道系统布置应考虑管道的连通性、补偿性、防震性和排气性能。
三、管道材料选择:1. 管道材料的选择应根据流体性质、工作条件和环境要求进行合理选择。
2. 对于腐蚀介质管道,应选择具有优良耐腐蚀性能的材料。
3. 管道材料的抗压强度和耐热性能应符合设计要求,具有足够的安全保证。
四、管道支持设计:1. 管道支持结构应能够承受管道自重、流体压力和温度应力等荷载,并保证稳定性。
2. 支持结构的设计应考虑管道的膨胀和收缩,并设置补偿装置。
五、管道防腐蚀和绝热:1. 管道的防腐蚀措施应选择可靠的防腐蚀材料和方法,确保管道的长期使用寿命。
2. 管道的绝热措施应能够保证管道的安全运行,减少能量损失。
六、管道安装和焊接:1. 管道的安装应按照相关标准和规范进行,保证安装质量和工艺要求。
2. 管道的焊接应符合相关焊接规范和操作要求,确保焊缝质量和可靠性。
七、管道试验和验收:1. 在管道系统安装完成后,应进行必要的压力试验、泄漏测试和功能验收,确保管道系统的安全性和可靠性。
2. 管道的试验和验收应符合相关标准和规范的要求。
总之,管道设计规范旨在确保管道工程的安全、高效运行,减少潜在风险和经济损失。
管道安装质量控制措施管道安装是各类建设工程中的重要环节,其质量的优劣直接关系到整个系统的运行效果、安全性以及使用寿命。
为了确保管道安装质量达到预期标准,需要采取一系列有效的质量控制措施。
一、施工前的准备工作在管道安装施工前,充分的准备工作是保证质量的基础。
首先,要进行详细的设计审查。
施工人员需要仔细研究施工图纸,理解设计意图,检查管道的布局、走向、管径、连接方式等是否合理,是否符合相关规范和标准。
对于发现的问题,要及时与设计单位沟通,进行修改和完善。
其次,材料的选择和检验至关重要。
选用的管材、管件、阀门等必须符合设计要求和质量标准。
在材料进场时,要严格进行检验,检查其外观是否有缺陷、规格型号是否正确、质量证明文件是否齐全。
对于重要的材料,还应进行抽样检测,确保其性能符合要求。
同时,施工人员的技术交底也不能忽视。
施工单位要组织技术人员向施工人员进行详细的技术交底,使他们了解施工工艺、质量标准、安全注意事项等,确保施工过程中的操作规范。
另外,施工场地的准备工作也要做好。
要清理施工现场的障碍物,保证施工通道畅通,为施工设备和材料的存放提供合适的场地。
二、施工过程中的质量控制(一)管道的切割和坡口加工管道的切割和坡口加工应采用合适的方法,如机械切割、火焰切割等,并保证切口平整、无裂纹、毛刺等缺陷。
坡口的形式和尺寸应符合焊接工艺要求,以确保焊接质量。
(二)管道的组对和连接管道组对时,要保证管道的同心度和直线度,错边量应控制在允许范围内。
对于焊接连接的管道,要保证焊缝的质量,焊接工艺参数应符合焊接工艺评定的要求,焊工必须持有相应的资格证书。
对于螺纹连接的管道,螺纹的加工质量要符合标准,螺纹的拧紧力度要适中,避免过紧或过松。
(三)管道的支架和吊架安装支架和吊架的安装位置、数量、形式应符合设计要求,要保证管道的固定牢固,能够承受管道的重量和运行时产生的作用力。
支架和吊架的制作和安装质量也要进行检查,确保其强度和稳定性。
空调水系统管道安装工程管道防腐及保温一、管道防腐需要做防腐处理的管路,可以在预制时进行第一遍防腐,涂刷底漆前,用钢丝刷清除表面的灰尘、污垢、锈斑、焊渣等杂物:涂刷油漆,厚度均匀,色泽一致,无流淌及污染现象。
所有管道、管件及支架均刷两道防锈漆,第一道防锈漆在安装前涂好,第二道防锈漆在试压合格后及时进行涂刷。
二、管道保温1、保温方式根据设计说明,管道保温采用橡胶发泡管壳保温材料,保温层厚度根据水管管径不同而不同,具体规格见下表:空调冷水供回水管与其支架之间采用与保温层厚度相同的经过防腐处理的高密度垫块。
其位置不得妨碍水过滤器的拆装,也不得占用设备操作空间。
冷却水管在室外部分需要将电伴热施工完成及验收合格后,再进行电伴热式的绝热保温,保温层厚度按设计要求DNW200,保温厚度30mm;DN>200,保温厚度40mm2、施工特点及重要性本工程保温工作量大,施工质量要求很高:从技术上说,保温不好,严重的后果是能量损失大;从使用上说,夏季在暴露的钢管外表和保温不密实的附件处、支架处甚至仪表接嘴处产生大量冷凝水,俗称“冷汗”,往往汗如雨下,滴流如注,加大了冷量损失,影响装饰美观,影响管材的使用寿命;从观感上说,保温是脸面、衣裳,是反映工程形象的关键之一,要达不到整齐、密实、美观的质量要求,则面目可憎,达不到做为精品工程应有的要求。
3、施工方法和技术要求A、施工工序:现场下料一涂胶一保温粘贴一缠绕胶带一质量检查一保温验收。
管道的保温应在管道试压或通水、防腐完成以后进行;非水平管道的保温自下而上进行;管道的保温要密实,特别是三通、弯头、支架及阀门、法兰等部位要填实。
B、管材、板材的选用:保温材料一般分为管材和板材两大类。
管材内径与相应的管道外径一致,例如DN40的焊管外径为48mm,相应保温层内径就应为48mm,依此类推。
板材一般幅宽Im和0.8m两大类,按照不同的保温管道截取不同尺寸粘接。
一般情况下,当管道外径不大于89mm时,选用管材保温;IOO m m及以上选用板材保温。
防腐与绝热一、施工准备(一)技术准备(1)防腐施工的方法、层次和防腐油漆的品种、规格必须符合设计要求。
(2)油漆施工前,应熟悉油漆的性能参数,包括油漆的表干时间、实干时间、理论用量以及按说明书施工情况下的漆膜厚度等。
(3)熟悉厂家说明书的内容,了解各油漆的组分和配合比。
(4)熟悉图纸设计内容,了解绝热层、防潮层及保护层的材质、厚度等技术要求。
(5)了解各绝热材料生产厂家配套胶黏剂的使用方法、适用温度等相关性能参数。
(6)编制合理的施工方案,制定科学的安全保护措施。
(二)材料要求(1)油漆必须在有效期内使用,如过期,应送技检部门鉴定合格后,方可使用。
(2)当底漆与面漆采用不同厂家的产品时,涂刷面漆前应做粘接力检验,合格后方可施工。
(3)所用绝热材料要具备出厂合格证或质量鉴定文件,必须是有效保质期内的合格产品。
(4)使用的绝热材料的材质、密度、规格及厚度应符合设计要求和消防防火规范要求。
(5)保温材料在贮存、运输、现场保管过程中应不受潮湿及机械损伤。
(6)绝热材料一般有:l)板材:岩棉板、铝箔岩棉板,超细玻璃棉毡、铝箔超细玻璃吊板,自熄性聚苯乙烯泡沫塑料、聚氨酯泡沫塑料,橡塑板,铝镁质隔热板等。
2)管壳制品:岩棉、矿渣棉、玻璃棉、硬聚氨脂泡沫塑料管壳、铝箔超细玻璃棉管壳、橡塑管壳、聚苯乙烯泡沫塑料管壳、预制瓦块(泡沫混凝土、珍珠岩、蛭石、石棉瓦)等。
3)卷材:聚苯乙烯泡沫塑料、岩棉、橡塑等。
4)防潮层:玻璃丝布、聚乙烯薄膜、夹筋铝箔(兼保护层)等。
防腐与绝热5)保护层:钢丝网、玻璃丝布、铝皮、镀锌钢板、铝箔纸等。
6)其他材料:铝箔胶带、石棉灰、胶黏剂、防火涂料、保温钉等。
(三)主要机具(1)施工机具:钢丝刷、粗纱布、压缩机、磨光机、喷壶、直排毛刷子、滚筒毛刷、圆盘锯、手锯、裁纸刀、钢板尺、毛刷子、打包钳、手电钻、剪刀、腰子刀、油刷子、抹子、小桶、弯钩、平抹子、圆弧抹子等。
(2)测量工具:压力表、漆膜测厚仪、钢卷尺、钢针、靠尺、楔形塞尺等。
风管、管道的防腐与绝热技术标准LJGC-TK-004风管、管道的防腐与绝热技术标准LJGC-TK-0041、 适用范围本技术标准适用于建筑工程通风与空调工程中金属风管、制冷系统与空调水系统的管道及支吊架表面处理和防腐、绝热施工质量的检验与验收。
2、 质量标准2.1《通风与空调工程施工质量验收规范》(GB50243—2002)2.2《建筑安装工程施工质量验收统一标准》(GB50300—2001)2.3《工业设备及管道绝热工程施工及验收规范》(GBJ126—89)3、操作工艺(工作程序)流程图3.1 防腐工艺流程3.2 风管及部件绝热3.2.1一般材料保温3.2.2橡胶保温3.2.3铝镁质保温3.3 管道及设备保温3.3.1预制瓦块3.3.2管壳制品3.3.3裹保温3.3.4设备及箱罐铅丝网石棉灰保温3.3.5橡胶保温3.3.6铝镁质保温3.4制冷管道保温工艺4、各工序(工作)操作方法/要领4.1 防腐操作工艺4.1.1除锈、去污:(1)人工除锈时可用钢丝刷或粗纱布擦拭,直到露出金属光泽,再用棉纱或角布擦净。
(2)喷砂除锈时,所用的压缩空气不得含有油脂和水分,空气压缩机出口处,应装设油水分离器;喷砂所用砂粒,应坚硬且有棱角,筛除其中的泥土杂质,并经过干燥处理。
(3)清除油污,一般可采用碱性溶剂进行清洗。
4.1.2涂漆施工要点:(1)油漆作业的方法应根据施工要求、涂料的性能、施工条件、设备情况进行选择;(2)涂漆施工的环境温度宜在5℃以上,相对湿度在85%以下;(3)涂漆施工时空气中必须无煤烟、灰尘和水汽;室外涂漆遇雨、雾时应停止施工。
4.1.3涂漆的方式主要有:(1)手工涂刷:手工涂刷应分层涂刷,每层应往复进行,并保持涂层均匀,不得漏涂;快干漆不宜采用手工涂刷。
(2)机械喷涂;采用的工具为喷枪,以压缩空气为动力。
喷射的漆流应和喷漆面垂直,喷漆面为平面时,喷嘴与喷漆面应相距250~350mm;喷漆面如为曲面时,喷嘴与喷漆面的距离应为4OOmm左右。
管道防腐、绝热工程施工作业指导书1 适用范围1.1 本规程适用于钢、铸铁等工业管道的预制及安装工程的外防腐层及管道内介质温度-196℃≤T≤850℃外部绝热工程的施工。
1.2 管道内衬里及内层防腐施工按国家或行业现行有关施工及验收规范和有关工艺要求规定执行。
2 编制依据2.1 GB50268-97《给水排水管道工程施工及验收规范》2.2 CJJ33-2005《城镇燃气输配工程施工及验收规范》2.3 GB50235-97《工业金属管道工程施工及验收规范》2.4 GB/T8923-1988《涂装前钢材表面锈蚀等级和除锈等级》2.5 GBJ126-89《工业设备及管道绝热工程施工及验收规范》2.6 CJJ28-2004《城市供热管网工程施工及验收规范》2.7 GB50185-93《工业设备及管道绝热工程质量检验评定标准》2.8 其他国家或行业现行有关规范、标准等2.9 本企业施工经验及质量管理体系文件3 施工准备3.1 施工材料(主要材料、辅助材料、消耗材料)3.1.1 根据施工图纸、会审纪要、设计变更、国家规范及定额要求,技术人员编制工程物资计划,材料人员根据工程物资计划编制物资采购计划,并根据本公司《采购控制程序》和《顾客提供产品的控制程序》的要求进行材料准备。
3.1.2 施工材料使用前应进行检验和试验,具体按本公司《压力管道组成件、支承件及相关材料检验试验规程》的规定执行。
3.1.3 检验和试验合格的材料应分类入库或现场分类存放,并采取有效的防护措施,同时按本公司有关程序文件的要求进行材料标识和检验试验状态标识。
3.2 机具设备根据工程项目施工组织设计(方案)或具体工业压力管道防腐蚀工程及绝热工程施工作业指导书的要求配置。
3.3 施工技术准备3.3.1 按《过程控制程序》的要求对施工图纸进行会审,并编制相关施工作业指导书。
在防腐、绝热施工前应向所有参施人员进行施工技术(安全)交底,使参施人员熟悉掌握工程施工程序、方法、工艺技术措施和质量控制要求。
管道、设备防腐与管道保温措施用于各种管道及支架防腐的防锈漆、沥青漆必须有厂家资质,质量证明书,合格证等质量证明文件。
用于防结露、防冻等保温的橡塑海绵套管,玻璃棉管壳也必须有生产厂家资质,质量证明书,合格证等质量证明文件,保温材料进场后按规范要求进行见证取样,送检测机构检测,检测保温材料的导热系数、密度、吸水率等各项性能指标,各项检测合格后方可使用。
一、管道保温1、敷设在可能结冻区域的供水管道及阀件(含楼梯间及管井内给水、湿式消防管道、屋顶空调机房)及热水供回水管道需做保温防冻处理,其他供暖区域的给水管道及冷凝水管道,需做防结露处理,防结露材料采用闭孔橡塑海绵。
2、地下一层车库出入口内延30m圆周范围、一层入口的门斗内、临外街橱窗、一层楼梯间前室、大商业冷却塔补水及屋顶水暖设备间等区域容易与外界形成空气对流,其消防及给水管道须设置消防专用阻燃自限温电伴热保温防冻,绝热材料选用40mm厚超细玻璃棉,外缠玻璃丝布(外刷与周围墙面颜色相近的防火漆),由生产厂商指导安装调试;自限温电伴热系统采用环境型温度传感器,安装在气温变化比较敏感的地方(如出入口),当气温低于5℃时,电气开关箱内电源接通,与该电气开关箱连接的所有电热带系统都通电工作;当气温高于5℃时,电源切断,所有电热带系统断电,停止工作。
3、地下站房水箱,塔楼及裙房的屋顶高位水箱及气压水罐均采用50mm厚优质闭孔橡塑板保温,外用不锈钢薄板做保护层;屋顶高位水箱内设置增压稳压泵的部位须设自控温电油汀,并由环境型温度传感器控制电源的启闭,控制同上述自限温电伴热系统。
4、在管托支座上的保温须符合标准图集03S401-81要求,阀门等配件须采用与对应管道同厚度的优质闭孔橡塑材料包裹。
5、保温应在完成试压合格及除锈防腐处理后进行。
6、保温材料的技术指标及防火性能应符合国标要求,穿过防火墙处的管道保温材料,应采用与防火分隔墙或楼板的耐火等级一致的不燃烧材料。
7、闭孔橡塑海绵的特性为:耐火等级为B1级,密度40-80kg/m3,导热系数≥0.037w/m.k(平均温度20℃时)。
防腐与绝热施工(管道系统)检验批质量验收记录
附带:
文明施工
重新制作规范的“三板一图”,于4 月10 前完成。
做好宣传鼓舞工作,应在现场大门,塔吊等位置挂设安全质量标牌。
在其他醒目位置部位挂设安全及防火标牌。
设吸烟室(拟定在现场会议室),其他部位严禁吸烟。
加强现场平面管理,现场施工料具码放必须按阶段性指定位置,码放整齐,该成方的成方,该码垛的码垛。
加强现场用火管理,未经项目经理批准,任何人不得擅自动火。
按“三清”、“六好”要求定期进行文明施工检查。
此项工作由项目经理负责组织,一般每月一次。
派专人清扫厕所,经常扫除,定期扫除,定期洒专用药物,宿舍区由组长负责各自卫生区的清扫,以保证职工有一个良好的居住环境。
食堂要坚持卫生责任制,确保饮食卫生。
对食堂外的垃圾进行一次清除,以后要定期清除。
第一章雨期施工技术措施
表演池、鲸鱼池、2 号工作间及地下通道施工均可赶上雨期,因而必须采取必要的雨期施工措施。
每次搅拌混凝土前,对砂、石含水率进行现场测定,并相应调整用水量,确保配合比的准确。
浇筑混凝土时(尤其是表演池池壁),因配备塑料薄膜以防临时降雨,以尽可能保证浇筑混凝土连续施工。
如确因突然大雨无法继续施工时,则因留置后浇带(不是施工缝),然后按后浇带做法处理。
表演池底板、池壁的混凝土浇筑时间应根据阶段性天气预报安排,避开降雨天气。
对于尚未进行基础施工的坑壁,进入六月份后要用塑料薄膜覆盖,以防因雨水冲刷造成塌方。
对于表演池观众厅基础处(最南面的三个)已出现边坡裂处安排人尽早清除,以防降雨,引起塌方。
备潜水泵、离心泵各两台,降雨后及时抽走基抗内积水。
鲸鱼池北边基抗边缘进入六月份后须培土挡水,以防外面积水流入基坑。
六月上旬进行一次现场用电线路及机械设备全面检查以确保雨期施工安全。
如需在水泥库外面码垛放水泥时,垛底面必须高出地面300mm,且排水通畅,垛子顶面必须铺塑料薄膜一层,且备足苫布,以防水泥受淋变质,露天码存放的水泥最长时间不得超过7d,局部受潮结块水泥,不得用于结构工程。
附带:
环境保护、水土保持保证措施
1、实行环保目标责任制,把环保指标以责任书的形式层层分解到有关部门及个人,列入承包合同和岗位责任制,建立一个懂行善管理的环保自我监控体系。
2、组织所有员工学习环保知识,提高其环境意识,自觉遵守国家有关控制环境污染的法律、法规。
3、应做好临时排水系统规划,包括阻止场外水流入现场和使现场水排出场外两部分,着重注意地面排水,以防泥沙流向河床。
4、施工现场所产生的垃圾由专人管理并及时运出施工现场,不得影响各道工序;生活垃圾集中堆放,不占或少占施工场地,并组织人员定时清理、运走;杜绝一切物资及生活垃圾向河道内抛弃。
5、施工场内排出的废水和生活污水,要集中按环保要求处理,不得随意倾倒乱流影响周围的环境。
6、废土、建筑垃圾弃运,应倾倒在被批准地点,不得污染周边环境。
7、施工材料进出场时应做到净车出场,避免在场外道路上“洒、抛、滴、漏”等现象。
8、加强油料管理,防止泡沫滴漏,污染水土。
9、卸运苗木应采取措施,以减少扬尘。
运土车辆不超载。
行驶平稳,防止洒土,卸土后注意关好车门;场区安排专人负责洒水,以减少尘土对环境的污染。
10、禁止在施工现场焚烧包装材料及树叶、干支、枯草。
11、工地厕所安排专人清扫,随时喷药消毒。
宿舍与食堂的生活垃圾要运往指定地点,不得乱抛乱堆。
12、对施工现场内的边坡做经常性的巡视,发现有水土流失或边坡失稳的情况或征兆时,及时报告项目部及业主,并立即做出处理方案报业主审核后进行处理。