顶杆--零件图
- 格式:doc
- 大小:2.96 MB
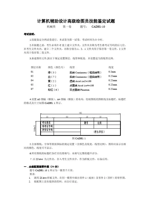
- 文档页数:43
1—下模座2、15—销钉3凹模4套5 导柱 6 导套 7 上模座 8卸料板9橡胶10凸模固定板 11—垫板12—卸料螺钉13—凸模14 —模柄 16、17螺钉图2.0.1 冲裁模典型结构与模具总体设计尺寸关系图复合模的基本结构1—凸模;2—凹模;3—上模固定板;4、16—垫板;5—上模座;6—模柄;7—推杆; 8—推块; 9—推销;10—推件块;11、18—活动档料销;12—固定挡料销;13—卸料板14—凸凹模;15—下模固定板;17—下模座;19—弹簧1-下模座;2、5-销钉;3-凹模;4-凸模 1-凹模;2-凸模;3-定位钉;4-压料板;5-靠板 6-上模座;7-顶杆;8-弹簧;图3.4.2 L形件弯曲模 9、11-螺钉;10-可调定位板1.冲裁间隙过大时,断面将出现二次光亮带。
( ×)2.冲裁件的塑性差,则断面上毛面和塌角的比例大。
( ×)3.形状复杂的冲裁件,适于用凸、凹模分开加工。
( ×)4.对配作加工的凸、凹模,其零件图无需标注尺寸和公差,只说明配作间隙值。
( ×)5.整修时材料的变形过程与冲裁完全相同。
( ×)6.利用结构废料冲制冲件,也是合理排样的一种方法。
(∨)7.采用斜刃冲裁或阶梯冲裁,不仅可以降低冲裁力,而且也能减少冲裁功。
( ×)8.冲裁厚板或表面质量及精度要求不高的零件时,为了降低冲裁力,一般采用加热冲裁的方法进行。
(∨)9.冲裁力是由冲压力、卸料力、推料力及顶料力四部分组成。
( ×)10.模具的压力中心就是冲压件的重心。
( ×)11.冲裁规则形状的冲件时,模具的压力中心就是冲裁件的几何中心。
( ×)12.在压力机的一次行程中完成两道或两道以上冲孔(或落料)的冲模称为复合模。
×13.凡是有凸凹模的模具就是复合模。
( ×)14.在冲模中,直接对毛坯和板料进行冲压加工的零件称为工作零件。
冲裁模设计举例图2.69所示零件为电视机安装架下板展开坯料,材料为1Cr 13,厚度mm t 3=,未注圆角半径mm R 1=,中批量生产,确定产品的冲裁工艺方案并完成模具设计。
图2.69 零件图1. 冲裁件工艺性分析零件的加工涉及冲孔和落料两道工序。
除孔中心尺寸公差为±0.1mm 和孔径尺寸公差为+0.2mm 外,其余尺寸均为未注公差,查表2.4可知,冲裁件内外形的达到的经济精度为IT12~IT14级。
符合冲裁的工艺要求。
查表2.2可知,一般冲孔模冲压该种材料的最小孔径为d ≥1.0t ,t =3mm,因而孔径ø8mm 符合工艺要求。
由图可知,最小孔边距为:d =4mm ,大于材料厚度3mm ,符合冲裁要求。
2. 确定冲裁工艺方案及模具结构形式该冲裁件对内孔之间和内孔与外缘之间有较高的位置精度的要求,生产批量较大,为保证孔的位置精度和较高的生产效率,采用冲孔落料复合冲裁的工艺方案,且一次冲压成形。
模具结构采用固定挡料销和导料销对工件进行定位、弹性卸料、下方出料方式的倒装式复合冲裁模结构形式。
3. 模具设计与计算(1)排样设计排样设计主要确定排样形式、条料进距、条料宽度、材料利用率和绘制排样图。
1)排样方式的确定。
根据冲裁件的结构特点,排样方式可选择为:直排。
2)送料进距的确定。
查表2.7,工件间最小工艺搭边值为mm 2.2,可取mm a 31=。
最小工艺边距搭边值为mm 5.2,取mm a 3=。
送料进距确定为mm h 44.199=。
3)条料宽度的确定。
按照无侧压装置的条料宽度计算公式,查表2.8、表2.9确定条料与导料销的间隙和条料宽度偏差分别为mm mm b 0.1,0.10=∆=。
()()0100093132862-∆-∆-=+⨯+=++=b a L B4)材料利用率的确定。
%08.91%10044.1999344.19686=⨯⨯⨯==Bh A η 4)绘制排样图。
液力耦合器快速拆卸先进操作法烧结厂第一机修车间 张洪波液力耦合器是一种液力传动装置,又称液力联轴器,安装在电动机和减速机之间。
液力耦合器输入轴与输出轴间靠液体联系,工作构件间不存在刚性联接,其特点是:能消除冲击和振动;两轴的转速差随载荷的增大而增加;过载保护性能和起动性能好,载荷过大而停转时输入轴仍可转动,不致造成动力机的损坏;当载荷减小时,输出轴转速增加直到接近于输入轴的转速。
液力耦合器在烧结厂360/400m 2烧结系统中应用极为广泛,如四台大型圆筒混合机、及大量的带式输送机上,据统计,烧结厂共用液力耦合器( )台。
图1 液力耦合器内部结构图1.半联轴节 ;2.梅花垫 ;3. 后辅室;4. 骨架油封;5. 轴承;6. 泵轮;7. 主轴;8. 轴承;9. 骨架油封;10.涡轮易熔塞;11.外壳 ;生产中由于各种设备问题如:泄漏、烧毁、磨损等,需要频繁更换减速机及耦合器,要修复这些下线的缺陷备件,需要频繁在减速机上拆装液输出端力耦合器。
液力耦合器输出部分安装在减速机高速轴上,采用过盈配合,有0~0.03mm的过盈量。
由于其结构复杂(见图一所示),拆卸存在很多困难,有:1)外形大,重量大,操作不便,如400m2一混滚筒使用的耦合器直径达φ1100mm;2)机壳为非常薄弱的铝合金材料,即使是小型耦合器,也无法使用较省力的通用拔轮器;3)与减速机轴配合部分(主轴)装有橡胶材料的密封圈,并半封闭在耦合器机壳中,无法用加热法进行拆卸;4)与减速机轴配合的孔较深(L/D≥2),加工精度很难保证,过盈量往往超出所要求的过盈量,增加了拆卸难度;由于受以上很多条件限制,传统的拆卸方法是靠专用丝杠旋在耦合器主轴螺纹孔内,不断旋入,顶到减速机轴上,继续旋转,使耦合器和减速机轴产生相对位移,直至将耦合器拔出。
这种方法费时费力,如360m2二混圆筒混合机液力耦合器,直径φ1000mm、丝杠M64,在拆卸时需要用1~2米长的套管,4~6个人同时用力压套管,连续不停,用6~8小时才能将耦3图2 丝杠拉拔耦合器示意图1、丝杠;2、耦合器主轴;3、减速机高速轴为了提高液力耦合器更换速度,减轻职工劳动强度,设计制作了液力耦合器拔出器,在更换液力耦合器工作中不断进行改进,在生产中推广应用,成了更换液力耦合器的好帮手。
第7章零件图
一、表面粗糙度的标注7-1 已知平面立体的两视图,完成三视图,并求出其表面上点的另二个投影。
精品文档
精品文档学号:
二、公差与配合的标注7-2按题目要求标注公差与配合。
Φ15H7/g6 基准制:基孔制
配合种类:间隙配合
精品文档
三、形位公差的标注7-3 把用文字说明的形位公差,用代号标注在图上。
精品文档
四、读零件图7-4 读齿轮轴零件图,在指定位置补画断面图,并完成填空题。
精品文档。
精品文档
精品文档
7-5 读顶杆零件图,并完成填空题。
精品文档
精品文档。
精品文档
7-6读端盖零件图,并完成填空题。
精品文档
精品文档
班级:姓名:学号:7-7读轴架零件图,并完成填空题。
精品文档
精品文档
精品文档
7-8读弯臂零件图,并回答下列问题。
精品文档
精品文档
精品文档
7-9读支座零件图,并回答下列问题。
精品文档
精品文档
精品文档
7-9读支座零件图,并回答下列问题。
精品文档
精品文档
班级:姓名:学号:五、画零件图作业7-10 画零件图作业指导。
精品文档
精品文档
精品文档
精品文档
7-11 画零件图作业题精品文档
精品文档
7-12 画零件图作业题精品文档
精品文档
7-12 画零件图作业题精品文档
精品文档
7-12 画零件图作业题精品文档
精品文档
精品文档。
大学课程设计题目:设计“顶杆帽”零件加工工艺规程及铣5.5H9×14孔槽的夹具设计1摘要这次设计的是顶杆帽。
包括零件图、毛坯图、装配图各一张,机械加工工艺过程卡片和与工序卡片各一张。
根据零件的性质和零件图上各端面的粗糙度确定毛坯的尺寸和机械加工余量。
最后拟定顶杆帽的工艺路线图,制定该工件的夹紧方案,画出夹具装配图。
机械制造工艺学课程设计是我们学完了大学的全部基础课、技术基础课以及大部分专业课之后进行的.这是我们在进行毕业设计之前对所学各课程的一次深入的综合性的总复习,也是一次理论联系实际的训练,因此,它在我们四年的大学生活中占有重要的地位就我个人而言,我希望能通过这次课程设计对自己未来将从事的工作进行一次实际的训练,从中锻炼自己分析问题、解决问题的能力。
由于能力所限,设计尚有许多不足之处,恳请各位老师给予指导。
AbstractW hat this design is the roof bar hat. Including detail drawing, semifinished materials chart, assembly drawing each,machine-finishing technological process card and with operation card each one. According to components nature and detail drawing various end surfaces' roughness determination semifinished materials size and machining allowance. Finally draws up the roof bar hat's craft road map, works out this work piece clamp plan, draws the jig assembly drawing.Machinery Manufacturing Technology curriculum design is finished we learn all the basic course of the University, technology and the most basic course after the specialized, which is our graduation project before conducting the various courses of study by an in-depth comprehensive review of the total, is also a Theory with practical training, therefore, in our four years of university life occupy an important position For me personally, I hope that through the curriculum design of their future will be engaged in the work of one of training, which tempered his analysis, problem-solving abilities. As capacity constraints, there are still many defici encies in the design, ask teachers to give guidance.目录1. 顶杆帽的工艺分析及生产类型的确定 41.1顶杆帽的用途 (4)1.2.顶杆帽的技术要求 (4)1.3.审核顶杆帽的工艺性 (5)1.4.确定顶杆帽的生产类型 (5)2 .确定毛坯、绘制毛坯简图 52.1.选择毛坯 (5)2.2.确定毛坯的尺寸公差和加工余量 (5)2.2.1公差等级 (5)2.2.2锻件重量 (6)2.2.3锻件形状复杂系数 (6)2.2.4铸件的材质系数 (6)2.2.5锻件分模线形状 (6)2.2.6零件表面粗糙度 (6)3.拟定顶杆帽工艺路线 73.1.选择定位基准: (7)3.2.表面加工方法的确定 (7)3.3.加工阶段的划分 (8)3.4.工序的集中与分散 (8)3.5.工序顺序的安排 (8)3.6.确定工艺路线 (9)4.机床设备及工艺装备的选用104.1机床设备选用 (10)4.2工艺设备 (10)5铣环形孔槽的切削用量的计算106夹具设计116.1问题的提出 (11)6.2夹具设计 (12)6.1.1定位基准的选择 (12)7体会与展望128参考文献131. 顶杆帽的工艺分析及生产类型的确定 1.1 顶杆帽的用途该顶杆帽在顶杆工作时要受到冲击载荷的作用,因此该零件应具有足够的强度、钢度和韧性,以适应顶杆帽的工作条件。
顶出机构及其基本形式顶出机构的设计原则1.顶出机构应设置在动模一侧;因塑件一般均留在动模一侧以便顶出。
2.顶出时与塑件的接触面应为塑件内表面及其他不显眼的位置,以保证塑件外观。
3.顶出装置均匀分布,顶出力作用在塑件承受力最大的部位。
以防变形和损伤。
4.顶出机构应平稳顺畅,灵活可靠,足够的强度、耐磨性,平稳顺畅无卡滞,并且制造方便,易于维修。
顶杆的结构形式和固定形式①顶杆的结构形式,如图6-5所示②顶杆的固定方式,如图6-6所示。
顶杆的组装精度,如图6-7所示。
ⅰ)配合长度L:当d<6㎜时, L=2d;当d =6~10㎜时,L<1.5d。
ⅱ)配合精度:理论上,单边间隙不大于塑料的允许溢边值即可。
实际上要求总间隙不大于塑料的允许溢边值。
因各种塑料的溢边值不同,故顶杆和顶杆孔的配合精度为一范围H8/f8~H9/f9(流动性好→小;流动性差→大)ⅲ)顶杆和顶杆孔的配合间隙在注射时起排气作用,间隙大则排气功能好。
故选择间隙时需兼顾排气和溢料两方面。
顶杆顶出机构的设计要点:a. 设在脱模阻力较大部位:成型件侧壁、边缘、拐角等处。
如图6-8所示(形芯强度,为修复、扩孔留余地)b. 设在塑件承受力较大的部位:较厚处、立壁、加强筋、凸缘上。
以防顶出变形。
c. 位置布局合理,顶出受力平衡以避免塑件变形。
d. 在确保顶出的前提下,数量尽量少以简化模具结构,减少顶出对塑件表面影响。
e. 对有装配要求的塑件,顶杆端面应高出形芯h=0.1~0.5㎜,以免影响塑件装配,但不能太高。
f. 顶杆应尽量短以保证顶出时的刚度、强度。
g. 不易过细,Φ<3㎜时,应采用阶梯形提高刚度。
h. 必须在塑件斜面设置顶杆时,为防止顶出过程中滑动,再顶杆部斜面上开横槽。
图6-8 d)i. 当薄、平塑件上不允许有顶出痕迹时,将顶杆设在浇口附近。
图6-8 e)j. 在带侧抽机构的模具中,顶杆位置尽量避免与活动型芯发生运动干扰。
图6-8 f)k. 避开冷却水路l.材料:T8A、T10A,头部淬硬HRC50~55。
第7章零件图
一、表面粗糙度的标注7-1 已知平面立体的两视图,完成三视图,并求出其表面上点的另二个投影。
-99-
班级:姓名:学号:
二、公差与配合的标注7-2按题目要求标注公差与配合。
-100-
Φ15H7/g6 基准制:基孔制
配合种类:间隙配合
-101-
-102-
三、形位公差的标注 7-3 把用文字说明的形位公差,用代号标注在图上。
班级:姓名:学号:
四、读零件图7-4 读齿轮轴零件图,在指定位置补画断面图,并完成填空题。
-103-。
-104-
-105-
7-5 读顶杆零件图,并完成填空题。
-106-。
-107-
7-6读端盖零件图,并完成填空题。
-108-
-109-
7-7读轴架零件图,并完成填空题。
-110-
7-8读弯臂零件图,并回答下列问题。
-111-
-112-
-113-。
第7章零件图
一、表面粗糙度的标注7-1 已知平面立体的两视图,完成三视图,并求出其表面上点的另二个投影。
-99-
二、公差与配合的标注7-2按题目要求标注公差与配合。
-100-
Φ15H7/g6 基准制:基孔制
配合种类:间隙配合
-101-
-102-
三、形位公差的标注 7-3 把用文字说明的形位公差,用代号标注在图上。
四、读零件图7-4 读齿轮轴零件图,在指定位置补画断面图,并完成填空题。
-103-。
-104-
-105-
7-5 读顶杆零件图,并完成填空题。
-106-。
-107-
7-6读端盖零件图,并完成填空题。
-108-
-109-
7-7读轴架零件图,并完成填空题。
-110-
7-8读弯臂零件图,并回答下列问题。
-111-
-112-
-113-。
2021年甘肃省高等职业教育招生中职升学考试工业类专业基础试题《机械制图》(70分)一、单项选择题(每小题2分,共10分)1.根据图1-1所示的主、俯视图,选择正确的左视图图1-12.圆锥销的锥度是A.1∶50 B.1∶100 C.1∶60 D.1∶203.机械制图中,表示局部剖视图中剖开与未剖部分投影的分界线的线型是A.点画线B.细实线C.粗实线D.波浪线4.一对标准圆柱齿轮相互啮合时,其分度圆是A.相交的B.相离的C.相切的D.垂直的5.绘制螺纹时,国标规定螺纹终止线的线型是A.细实线B.粗实线C.虚线D.点画线二、多项选择题(多选、少选均不得分,每小题3分,共12分)1.尺寸Φ30H7/f6表示的含义是A.公称尺寸为Φ30的基轴制配合B.公称尺寸为Φ30的基孔制配合C.孔的公差带代号为H7,轴的公差带代号为f6D.孔的公差带代号为f6,轴的公差带代号为H72.按照形体表面接触的方式不同,叠加式组合体的类型是A.切割B.相接C.相切D.相贯3.Tr20×8(p4)-LH表示的含义是A.公称尺寸为20的左旋梯形螺纹B.公称尺寸为20的右旋梯形螺纹C.导程为8的双线梯形螺纹D.螺距为4的双线梯形螺纹4.零件的表面结构是等的总称A.表面粗糙度B.表面波纹度C.表面缺陷D.表面纹理三、判断题(正确的选“A”,错误的选“B”,每小题1分,共5分)1.装配图中的实心件或标准件被横向剖切时按不剖绘制。
2.两个直径不等的圆柱相交时,相贯线可以用圆弧代替非圆曲线。
3.读图时,只要圆对应矩形,则该立体一定是圆锥体。
4.常用的螺纹紧固件是标准件。
5.同一工件的几个剖视图,剖面线的间隔是不同的。
四、绘图题(共28分)1.画出图4-1所示平面的俯视图及各点的投影标记,要求保留作图线。
(7分)图4-12.在图4-2所示的指定位置画出断面图。
(8分)图4-23.在指定位置将图4-3所示的主视图改画成半剖视图,并补画出全剖视的左视图。
顶杆零件图
活塞零件图
曲轴零件图
挺杆零件图
小轴零件图
连接轴零件图
定位小轴零件图
转盘零件图
法兰盘零件图
离合器零件图
连接盘零件图
转轴器零件图
法兰盘2 零件图
离合器座零件图
十字沟槽零件图
端盖零件图
套筒零件图
连接座零件图
轴阶套零件图
转换套零件图
外加螺母零件图
偏心离合器零件图
后盖零件图
泵体盖零件图
油阀门零件图
偏心阀体零件图
轴零件图
摇杆零件图
孔轴承零件图
推动架零件图
滤油器体零件图
圆柱滑块零件图
锥齿轮座零件图
气门摇臂轴支座零件图
气门摇杆轴支座零件图
(注:可编辑下载,若有不当之处,请指正,谢谢!)。