ADC0808ADC0809 MP兼容的8位AD转换8通道多路复用器
- 格式:docx
- 大小:649.02 KB
- 文档页数:16
8位数模转换器ADC0809实验报告实验目的:本实验旨在通过使用8位数模转换器ADC0809来将模拟信号转换为数字信号,并输出至LED灯中,以达到理解数字信号的目的。
实验原理:ADC0809是典型的8位数模转换器,它是一种具有8个模拟输入通道的典型ADC。
ADC0809是一种串行转换器,它可以实现单端和差分两种模式的转换。
ADC0809的转换精度为8比特,转换速率为100厘秒。
ADC0809通过8个输入通道将模拟信号转换为数字信号,并通过8个数据引脚输出数字信号。
实验器材:电脑、ADC0809、LED灯、电阻、电容、按键开关、电源、实验板。
实验步骤:1.将ADC0809插入实验板上。
2.将电阻连接至ADC0809的引脚,以使引脚与电阻的连接具有正确的阻值。
3.将电容插入ADC0809的引脚,并连接至电源。
4.将按键开关插入ADC0809的引脚,并连接至电源。
5.将LED灯连接至ADC0809的引脚,并连接至电源。
6.将实验板接入电源,启动电路。
7.按下按键开关,开始信号转换。
8.数字信号转换完成后,将数字信号输出至LED灯中。
实验结果:本实验成功地将模拟信号转换为数字信号,并将数字信号输出至LED灯中,达到了理解数字信号的目的。
结论:通过本实验,我们可以了解数字信号的基本原理和用途。
通过使用ADC0809将模拟信号转换为数字信号,并输出至LED灯中,我们可以更好地理解数字信号的应用和意义。
同时,该实验也为我们打下了更深入学习数字电路和信号处理技术的基础。
ADC0809AD器件的存在必要:在现实生活中,我们遇到的信号基本上都是离散或者说是模拟信号,比如说电压、音乐、图片、温度值等等,单片机无法直接接收这样的信号并处理,以电压为例,单片机如果想获得电压的大小,显然我们不可能直接将这根电线联在单片机的管脚上面,单片机的管脚是只能识别0V(0)或者5V(1)的。
为了获得这个电压值,就必须有一种元器件将这个电压值转换成为数字信号再交给单片机来进行处理,完成这个任务的器件就被称为AD器件。
AD器件的参数说明:AD或者DA器件最重要的参数是位数,我们经常会听到说是几位AD (DA),是指这种器件的精度,8位AD可以精确到1/256,而16位AD就可以将外部信号精确到1/65535。
举例来说,一个8位的AD器件用于接收外部的0-5V信号,并进行转换成数字信号,如果是0V,则AD器件就将其变换成数字0,如果是5V就变换成数字255,可以看到这种AD可识别的精度大约是0.02V,实际上选用何种AD或DA器件要根据实际情况来定,比如声音信号差不多需要12位的AD才能比较清晰的分辨,而心电图等人体电流信号可能需要16位或更高的精度才能测量。
AD转换的原理:AD转换原理有好多种,此处就以学习板上采用的ADC0809来说明。
0809是一款8通道复用的8位AD转换器,数据获取的关键部分是它的8位模/数转换器。
这个部分主要是由3部分组成:256R的阶梯网络,连续逼近的电阻,和比较器。
连续逼近电阻(SAR)通过8次迭代去大约逼近输入电压,只要输出是几位,那么就需要几次迭代。
SAR通过8组开关组和比较器完成获取输入电压对应参考电压的数字信号。
下图展示了一个3位转换器的典型例子,0809只是把这个位数延伸到8位而已。
学习板AD转换电路的设计:择是有管脚ADD-A,ADD-B,ADD-C的值来决定的。
所以如果由CPU控制这3个输入就可以任意切换模拟信号输入通道,从而达到8通道复用的目的。
ADC0809AD转换芯片的原理及应用的控制逻辑的CMOS组件。
它是逐次逼近式A/D转换器,可以和单片机直接接口。
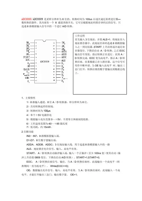
(1)ADC0809的内部逻辑结构由上图可知,ADC0809由一个8路模拟开关、一个地址锁存与译码器、一个A/D转换器和一个三态输出锁存器组成。
多路开关可选通8个模拟通道,允许8路模拟量分时输入,共用A/D转换器进行转换。
三态输出锁器用于锁存A/D转换完的数字量,当OE端为高电平时,才可以从三态输出锁存器取走转换完的数据。
(2).引脚结构IN0-IN7:8条模拟量输入通道ADC0809对输入模拟量要求:信号单极性,电压范围是0-5V,若信号太小,必须进行放大;输入的模拟量在转换过程中应该保持不变,如若模拟量变化太快,则需在输入前增加采样保持电路。
地址输入和控制线:4条ALE为地址锁存允许输入线,高电平有效。
当ALE线为高电平时,地址锁存与译码器将A,B,C三条地址线的地址信号进行锁存,经译码后被选中的通道的模拟量进转换器进行转换。
A,B和C为地址输入线,用于选通IN0-IN7上的一路模拟量输入。
通道选择表如下表所示。
选择的CBA通道000001010011100101110111IN0IN1IN2IN3IN4IN5IN6IN7数字量输出及控制线:11条ST为转换启动信号。
当ST上跳沿时,所有内部寄存器清零;下跳沿时,开始进行A/D转换;在转换期间,ST应保持低电平。
EOC为转换结束信号。
当EOC为高电平时,表明转换结束;否则,表明正在进行A/D转换。
OE为输出允许信号,用于控制三条输出锁存器向单片机输出转换得到的数据。
OE=1,输出转换得到的数据;OE=0,输出数据线呈高阻状态。
D7-D0为数字量输出线。
CLK为时钟输入信号线。
因ADC0809的内部没有时钟电路,所需时钟信号必须由外界提供,通常使用频率为500KHZ,VREF(+),VREF(-)为参考电压输入。
2.ADC0809应用说明(1).ADC0809内部带有输出锁存器,可以与AT89S51单片机直接相连。
A/D转换模块本次课题选择ADC0809作为模数转换芯片。
ADC0809是带有8位A/D转换器、8路多路开关以及微处理机兼容的控制逻辑的CMOS组件。
它是逐次逼近式A/D 转换器,可以和单片机直接接口。
ADC0809的内部逻辑结构由图4-4可知,ADC0809由一个8路模拟开关、一个地址锁存与译码器、一个A/D转换器和一个三态输出锁存器组成。
多路开关可选通8个模拟通道,允许8路模拟量分时输入,共用A/D转换器进行转换。
三态输出锁器用于锁存A/D转换完的数字量,当OE端为高电平时,才可以从三态输出锁存器取走转换完的数据。
图4-4 ADC0809内部结构ADC0809引脚结构ADC0809各脚功能如下:D7-D0:8位数字量输出引脚。
IN0-IN7:8位模拟量输入引脚。
VCC:+5V工作电压。
GND:地。
REF(+):参考电压正端。
REF(-):参考电压负端。
START:A/D转换启动信号输入端。
当ST上跳沿时,所有内部寄存器清零;下跳沿时,开始进行A/D转换;在转换期间,ST应保持低电平。
ALE:地址锁存允许信号输入端,高电平有效。
当ALE线为高电平时,地址锁存与译码器将A,B,C三条地址线的地址信号进行锁存,经译码后被选中的通道的模拟量进入转换器进行转换。
EOC:转换结束信号输出引脚。
当EOC为高电平时,表明转换结束;否则,表明正在进行A/D转换。
OE:输出允许控制端,用以打开三态数据输出锁存器。
CLK:时钟信号输入端(一般为500KHz)。
A、B、C:地址输入线。
图4-5 ADC0809引脚图ADC0809对输入模拟量要求:信号单极性,电压范围是0-5V,若信号太小,必须进行放大;输入的模拟量在转换过程中应该保持不变,如若模拟量变化太快,则需在输入前增加采样保持电路。
A,B和C为地址输入线,用于选通IN0-IN7上的一路模拟量输入。
通道选择表如下表所示。
表4-1 ADC0809通道选择C B A 通道0 0 0 IN00 0 1 IN10 1 0 IN20 1 1 IN31 0 0 IN41 0 1 IN51 1 0 IN61 1 1 IN7ST为转换启动信号。
ADC0809 8通道8位a/d转换器,ADC0809是带有8位A/D转换器、8路多路开关以及微处理机兼容的控制逻辑的CMOS组件。
它是逐次逼近式A/D转换器,可以和单片机直接接口。
ADC0809由一个8路模拟开关、一个地址锁存与译码器、一个A/D转换器和一个三态输出锁存器组成。
多路开关可选通8个模拟通道,允许8路模拟量分时输入,共用A/D转换器进行转换。
三态输出锁器用于锁存A/D转换完的数字量,当OE 端为高电平时,才可以从三态输出锁存器取走转换完的数据。
datasheet:/ds_1114.htm/pf/DC/ADC0809.html回答者:g4gryphon - 试用期一级11-5 18:20 ADC0809是带有8位A/D转换器、8路多路开关以及微处理机兼容的控制逻辑的CMOS 组件。
它是逐次逼近式A/D转换器,可以和单片机直接接口。
(1)ADC0809的内部逻辑结构ADC0809由一个8路模拟开关、一个地址锁存与译码器、一个A/D转换器和一个三态输出锁存器组成。
多路开关可选通8个模拟通道,允许8路模拟量分时输入,共用A/D 转换器进行转换。
三态输出锁器用于锁存A/D转换完的数字量,当OE端为高电平时,才可以从三态输出锁存器取走转换完的数据。
(2)〃引脚结构IN0-IN7:8条模拟量输入通道ADC0809对输入模拟量要求:信号单极性,电压范围是0-5V,若信号太小,必须进行放大;输入的模拟量在转换过程中应该保持不变,如若模拟量变化太快,则需在输入前增加采样保持电路。
地址输入和控制线:4条ALE为地址锁存允许输入线,高电平有效。
当ALE线为高电平时,地址锁存与译码器将A,B,C三条地址线的地址信号进行锁存,经译码后被选中的通道的模拟量进转换器进行转换。
A,B和C为地址输入线,用于选通IN0-IN7上的一路模拟量输入。
通道选择表如下表所示。
C B A 选择的通道0 0 0 IN00 0 1 IN10 1 0 IN20 1 1 IN31 0 0 IN41 0 1 IN51 1 0 IN61 1 1 IN7数字量输出及控制线:11条ST为转换启动信号。
ADC0808 ADC0809版权归三毛电子 不得盗版传播 /8位uP 兼容A/D 转换器,8通道复用ADC0808/ADC0809一般描述:ADC0808,ADC0809数据获取器件集成了一个8位的模/数转换器,8通道复用器以及微处理器兼容控制逻辑。
这个8位的A/D 转换器采用了连续逼近的转换技术。
这个转换器具有一个高阻抗稳定的断续比较器,以及一个带有模拟开关树的256欧的分压器,一个连续逼近电阻。
8通道的复用器能直接获取8个单一模拟信号的任何一个。
这个器件不需要外部的0和全量程调节。
依靠锁存和解码复用器地址输入以及锁存TTL 三态输出,这个器件提供与微处理器很方便的接口。
ADC0808和ADC0809采用了几种A/D 转换技术的各自最大优点来优化的。
ADC0808和ADC0809提供了高速,高精度,低温漂,优秀的长期精度和可重复性,低功耗特性。
这些特性使得这个器件对于消费者处理和控制机器以及汽车电子应用上十分理想的选择。
对于具有相同输出(采样/保持端口)的16通道复用器的器件,请参考ADC0816的数据手册。
特性:×跟所有微处理器接口很容易×比例制的操作或带有5V DC 或者可调节参考电压范围的模拟范围×不需要调节0和全量程×用地址逻辑来区分的8通道复用×单电源5V 供电,0V ~5V 输入范围×输出符合TTL 电压声明×标准密封或浇注的28脚DIP 封装×ADC0808跟MM74C949可替换×ADC0809跟MM74C949-1可替换关键说明:×精度 8位×完全不可调节误差 ±1/2LSB 和±1LSB ×单电源供电 5V DC×低功耗 15mW×转换时间 100us方框图:ADC0808 ADC0809版权归三毛电子 不得盗版传播 /管脚分布:定购信息:ADC0808 ADC0809版权归三毛电子 不得盗版传播 /最大绝对值范围(注释1,2):假如军用或航空应用,需要特别的说明,请自己联系国家半导体公司销售部。
ADC0809模数转换1. 实验目的与成效:模数转换在信号搜集中占有很重要的地位。
本实验采纳经典8位AD ――ADC080做一个0~5V 的电压表,并用数码管显示出来。
(说明:本实验板上的读AD 值端口跟数码管位选端口是分时复用的,呵呵,能够学习一下单片机端口分时复用)ADC0809简介:ADC0809是带有8位A/D 转换器、8路多路开关和微处置机兼容的操纵逻辑的CMOS 组件。
它是逐次逼近式A/D 转换器,能够和单片机直接接口。
(1). (1). ADC0809的内部逻辑结构由上图可知,ADC0809由一个8路模拟开关、一个地址锁存与译码器、一个A/D 转换器和一个三态输出锁存器组成。
多路开关可选通8个模拟通道,许诺8路模拟量分时输入,共用A/D 转换器进行转换。
三态输出锁器用于锁存A/D 转换完的数字量,当OE 端为高电平常,才能够从三态输出锁存器取走转换完的数据。
(2). (2). 引脚结构IN0-IN7:8条模拟量输入通道ADC0809对输入模拟量要求:信号单极性,电压范围是0-5V ,假设信号过小,必需进行放大;输入的模拟量在转换进程中应该维持不变,如假设模拟量转变太快,那么需在输入前增加采样维持电路。
地址输入和操纵线:4条ALE 为地址锁存许诺输入线,高电平有效。
当ALE 线为高电平常,地址锁存与译码器将A ,B ,C 三条地址线的地址信号进行锁存,经译码后被8路模拟量开关8路A/D 转换器三态输出锁存器地址锁存与译码器IN0 I N1 I N2 I N3 I N4 I N5 I N6 I N7 A B C A LEVREF(+)VREF(-)OEEOCD0 D 1 D 2 D 3 D 4 D 5 D 6 D 7CLKST选中的通道的模拟量进转换器进行转换。
A,B和C为地址输入线,用于选通IN0-IN7上的一路模拟量输入。
通道选择表如下表所示。
C B A 选择的通道0 0 0 IN00 0 1 IN10 1 0 IN20 1 1 IN31 0 0 IN41 0 1 IN51 1 0 IN61 1 1 IN7数字量输出及操纵线:11条START为转换启动信号。
ADC0808/ADC0809是采样分辨率为8位的、转换时间为100us 以逐次逼近原理进行模—数转换的器件。
其内部有一个8通道多路开关,它可以根据地址码锁存译码后的信号,只选通8路模拟输入信号中的一个进行A/D 转换。
1.主要特性1)8路输入通道,8位A /D 转换器,即分辨率为8位。
2)具有转换起停控制端。
3)转换时间为100μs 4)单个+5V 电源供电5)模拟输入电压范围0~+5V ,不需零点和满刻度校准。
6)工作温度范围为-40~+85摄氏度7)低功耗,约15mW 。
2.引脚功能IN0~IN7:8路模拟量输入端。
D1-D7:8位数字量输出端。
ADDA 、ADDB 、ADDC :3位地址输入线,用于选通8路模拟输入中的一路 ALE :地址锁存允许信号,输入,高电平有效。
START : A /D 转换启动脉冲输入端,输入一个正脉冲(至少100ns 宽)使其启动(脉冲上升沿使0809复位,下降沿启动A/D 转换)。
START=1;START=0;EOC : A /D 转换结束信号,输出,当A /D 转换结束时,此端输出一个高电平(转换期间一直为低电平)。
While(EOC==0);OE :数据输出允许信号,输入,高电平有效。
当A /D 转换结束时,此端输入一个高电平,才能打开输出三态门,输出数字量。
OE=1;CLK :时钟脉冲输入端。
要求时钟频率不高于640KHZ,可以让单片机定时器产生500K HZ 的时钟REF (+)、REF (-):基准电压。
Vcc :电源,单一+5V 。
工作时序图模拟通道选择信号A 、B 、C 分别接最低三位地址A 0、A 1、A 2即(P 0.0、P 0.1、P 0.2),而地址锁存允许信号ALE 由P 2.0控制,则8路模拟通道的地址为0FEF8H ~0FEFFHCLOCK START ALE A,B,C部输入模拟量输入OE EOC 输出。
ADC0809 是什么?
ADC0809 是美国国家半导体公司生产的CMOS 工艺8 通道,8 位逐次逼近式A/D 转换器。
其内部有一个8 通道多路开关,它可以根据地址码锁存译
码后的信号,只选通8 路模拟输入信号中的一个进行A/D 转换。
是目前国内
应用最广泛的8 位通用A/D 芯片。
1.ADC0809 的主要特性
1)8 路输入通道,8 位A/D 转换器,即分辨率为8 位。
2)具有转换起停控制端。
3)转换时间为100μs(时钟为640kHz 时),130μs(时钟为500kHz 时)
4)单个+5V 电源供电
5)模拟输入电压范围0~+5V,不需零点和满刻度校准。
6)工作温度范围为-40~+85 摄氏度7)低功耗,约15mW。
2.ADC0809 的内部结构
ADC0809 是CMOS 单片型逐次逼近式A/D 转换器,内部结构如图13.22。
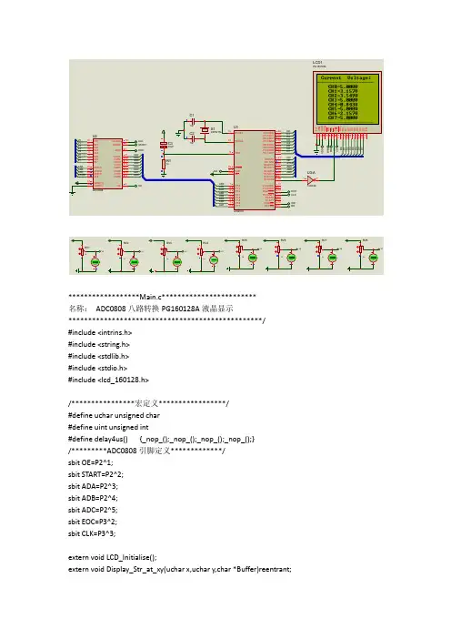
实验十、8路8位A/D转换器接口设计实验一、实验目的1.了解ADC0809转换器的工作原理2.掌握51单片机与ADC0809转换器的接口电路设计及编程二、实验设备1.A/D转换模块(ADC0809)2.单片机最小系统3.静态数码管显示模块三、实验要求要求用单片机最小系统、A/D转换模块、数码管显示模块组成一个简单的“数字电压表”。
将实验箱上可以手动调节的电位器的1、3脚分别连接+5V和地,2脚输出的0~5V的模拟信号作为“数字电压表”的输入;通过数码管显示测得的当前电压值,精确到0.1V。
从0~5V之间取20个值进行测量,并与校准过的万用表测量值进行比较。
四、实验原理计算机处理的信息为数字量,而对控制现场进行控制时,被控制对象一般是连续变化的模拟量,模拟量必须经过转换,变为数字量送入计算机才能进行处理,将模拟量转变为数字量的过程称为A/D转换。
1.ADC0809工作原理和结构ADC0809单片CMOS数据采集器件,8位8通道复用,控制逻辑微处理器兼容。
8位A/D 转换器的转换技术为逐次逼近法。
具有一个高输入阻抗的比较器。
一个256R具有模拟开关树的分压电阻阵列,以便逼近输入电压。
器件不需要外部调零或满量程调整。
通过锁存、复用地址解码、TTL三态输出,可以很方便的与微处理器接口。
逻辑如图10-1。
图21-1逻辑图D 01D 2D 3D 4D 5D 6D 7图10-1 内部逻辑图图10-2 ADC0809引脚图◆ 单一5V 操作◆ 5V 参考或者外部提供参考。
◆ 非调整误差±1.2 LSB and ±1 LSB ◆ 输入单极性电压0-5V 。
◆ 低功耗15mW 。
◆ 转换时间100uS 。
DIP28封装管脚图如图10-2所示。
管脚定义如表10-1所示。
表10-1 管脚定义2通过地址ADD C ,ADD B 和ADD A ,选择输入的模拟电压通道,如表10-2。
表10-2操作时序图如图10-3,典型应用如图10-4图10-3 操作时序图图10-4 典型应用电路图五、实验步骤1.电路连接硬件连线如图10-5:图10-5:硬件连线图该电路由51单片机、ADC0809电路及七段数码显示电路三部分组成。
ADC0809中文资料1.主要特性1)8路8位A/D转换器,即分辨率8位.2)具有转换起停控制端.3)转换时间为100μs4)单个+5V电源供电5)模拟输入电压围0~+5V,不需零点和满刻度校准.6)工作温度围为-40~+85摄氏度7)低功耗,约15mW.2.部结构ADC0809是CMOS单片型逐次逼近式A/D转换器,部结构如图13.22所示,它由8路模拟开关,地址锁存与译码器,比较器,8位开关树型D/A转换器,逐次逼近图13.22 ADC0809部结构框图寄存器,三态输出锁存器等其它一些电路组成.因此,ADC0809可处理8路模拟量输入,且有三态输出能力,既可与各种微处理器相连,也可单独工作.输入输出与TTL兼容.图13.23 ADC0809引脚图3.外部特性(引脚功能)ADC0809芯片有28条引脚,采用双列直插式封装,如图13.23所示.下面说明各引脚功能.IN0~IN7:8路模拟量输入端.2-1~2-8:8位数字量输出端.ADDA,ADDB,ADDC:3位地址输入线,用于选通8路模拟输入中的一路.如表13.2所示.表13.2 ADDA,ADDB,ADDC真值表ALE:地址锁存允许信号,输入,高电平有效.START: A/D转换启动信号,输入,高电平有效.EOC: A/D转换结束信号,输出,当A/D转换结束时,此端输出一个高电平(转换期间一直为低电平).OE:数据输出允许信号,输入,高电平有效.当A/D转换结束时,此端输入一个高电平,才能打开输出三态门,输出数字量.CLK:时钟脉冲输入端.要求时钟频率不高于640KHZ.REF(+),REF(-):基准电压.Vcc:电源,单一+5V.GND:地.ADC0809的工作过程是:首先输入3位地址,并使ALE=1,将地址存入地址锁存器中.此地址经译码选通8路模拟输入之一到比较器.START上升沿将逐次逼近寄存器复位.下降沿启动A/D转换,之后EOC输出信号变低,指示转换正在进行.直到A/D转换完成,EOC变为高电平,指示A/D转换结束,结果数据已存入锁存器,这个信号可用作中断申请.当OE输入高电平时,输出三态门打开,转换结果的数字量输出到数据总线上.ADC0809中文资料2009-08-16 19:00ADC0809是带有8位A/D转换器、8路多路开关以及微处理机兼容的控制逻辑的CMOS组件。
adc0809模数转换原理ADC0809是一种集成电路模拟到数字信号转换器,它将模拟信号转换成数字信号在数字电路中使用。
该芯片有许多用途,其中包括数据采集、仪器控制、自动测试和智能控制系统。
ADC0809输入端须接同一电源,实为解决了模拟与数字之间的接口。
ADC0809的8位模数转换器具有较高的精度和灵敏度,可以在2.7至6伏的电源电压下工作。
输入信号的范围可以从0到电源电压不等。
ADC0809还含有内部参考电压源。
ADC0809的模数转换原理基于积分器、比较器和计数器的原理。
积分器积分输入信号,比较器确定信号是否超过阈值,计数器记录比较器的输出。
然后将计数器的值转换为二进制数字,并存储在输出寄存器中。
ADC0809模数转换器的主要组成部分包括:1.输入多路选择器:ADC0809有8个输入通道,支持多种输入源。
2.输入样本保持电路:保持电路的作用是捕捉输入信号值并在采样期间保持该值不变。
它还允许单一转换器采样多个通道。
3.模数转换器:使用积分器、计数器和比较器将输入模拟信号转换为数字信号,并存储在输出寄存器中。
4.内部参考电压源:提供比较器引脚的基准电压。
5.输出寄存器:将数字输出存储在寄存器中,以便在需要时读取。
ADC0809的模数转换速度是由时钟信号控制的,时钟信号从外部提供。
增加时钟信号的速度可以提高ADC转换的速度,但是会降低其精度。
ADC0809的模数转换具有高精度和稳定性。
它的输出信号是二进制代码,在数字电路中可以直接使用。
此外,ADC0809的应用还需要提供一个数量适当的电容来滤除输入信号的高频噪声。
这个电容通常为盆式电容,它可以过滤高频噪声,从而提高ADC的精度。
总之,ADC0809是一种常用的模数转换器,可以将模拟信号转换成数字信号,并在数字电路中使用。
它主要由输入多路选择器、输入样本保持电路、模数转换器、内部参考电压源和输出寄存器等组成。
ADC0809的模数转换速度是由时钟信号控制的,其输出信号是二进制代码,在数字电路中可以直接使用。
外文资料译文ADC0808/ADC0809 MP兼容的8位A/D转换8通道多路复用器一.总体描述ADC0808,ADC0809的数据采集组件是一个8位模拟 - 数字转换器的单片CMOS器件,8通道多路复用器和微处理器兼容控制逻辑。
8位A / D转换使用连续逼近作为转换技术。
该转换器具有高阻抗斩波稳定比较器,1模拟开关树和连续256R分压器逼近寄存器。
8通道多路复用直接访问的8路单端模拟信号。
该器件无需外部零点和满刻度的需要调整。
轻松连接到微处理器提供多路复用地址锁存和解码输入和锁存TTL三STATEÉ输出。
ADC0808,ADC0809的设计已优化通过结合几个A/ D转换的最可取的方面,转换技术。
ADC0808,ADC0809的提供高速度快,精度高,最低温度的依赖,优秀的长期精度和可重复性,并消耗最小的功率。
这些特点使该设备适合的应用程序,过程和机器控制消费电子和汽车应用。
16-与常见的输出通道多路复用器(采样/保持端口)看到ADC0816数据表。
(更多信息请参见AN-247。
)二.特点简易所有微处理器的接口5VDC或模拟跨度调整后的电压基准无零或全面调整需要8通道多路复用地址与逻辑0V至5V单电源5V输入围输出符合TTL电平规格之标准密封或成型28引脚DIP封装28引脚型芯片载体封装ADC0808相当于以MM74C949ADC0809的相当于MM74C949-1三.主要技术指标垂直分辨率8位单电源:5 VDC低功耗15毫瓦转换时间100毫秒四.框图图1框图绝对最大额定值(注1及2)如果指定的军事/航空设备是必需的,请联系美国国家半导体的销售办公室/分销商的可用性和规格。
电源电压(VCC)(注3)6.5V在任何引脚-0.3V电压至(VCC+0.3V)除了控制输入电压控制输入-0.3V到+15V(START,OE时钟,ALE地址,补充B,添加C)存储温度围-65℃至+150℃875毫瓦TA=25℃封装耗散导致温度。
外文资料译文ADC0808/ADC0809 MP兼容的8位A/D转换8通道多路复用器一.总体描述ADC0808,ADC0809的数据采集组件是一个8位模拟 - 数字转换器的单片CMOS器件,8通道多路复用器和微处理器兼容控制逻辑。
8位A / D 转换使用连续逼近作为转换技术。
该转换器具有高阻抗斩波稳定比较器,1模拟开关树和连续256R分压器逼近寄存器。
8通道多路复用直接访问的8路单端模拟信号。
该器件无需外部零点和满刻度的需要调整。
轻松连接到微处理器提供多路复用地址锁存和解码输入和锁存TTL三STATEÉ输出。
ADC0808,ADC0809的设计已优化通过结合几个A/ D转换的最可取的方面,转换技术。
ADC0808,ADC0809的提供高速度快,精度高,最低温度的依赖,优秀的长期精度和可重复性,并消耗最小的功率。
这些特点使该设备适合的应用程序,过程和机器控制消费电子和汽车应用。
16-与常见的输出通道多路复用器(采样/保持端口)看到ADC0816数据表。
(更多信息请参见AN-247。
)二.特点简易所有微处理器的接口5VDC或模拟跨度调整后的电压基准无零或全面调整需要8通道多路复用地址与逻辑0V至5V单电源5V输入范围输出符合TTL电平规格之标准密封或成型28引脚DIP封装28引脚型芯片载体封装ADC0808相当于以MM74C949ADC0809的相当于MM74C949-1三.主要技术指标垂直分辨率8位单电源:5 VDC低功耗15毫瓦转换时间100毫秒四.框图图1框图绝对最大额定值(注1及2)如果指定的军事/航空设备是必需的,请联系美国国家半导体的销售办公室/分销商的可用性和规格。
电源电压(VCC)(注3)6.5V在任何引脚-0.3V电压至(VCC+0.3V)除了控制输入电压控制输入-0.3V到+15V(START,OE时钟,ALE地址,补充B,添加C)存储温度范围-65℃至+150℃875毫瓦TA=25℃封装耗散导致温度。
(焊接,10秒)双列直插式封装(塑料)260℃双列直插式封装(陶瓷)300℃模塑芯片载体封装气相(60秒),215℃五.工作条件温度范围TMIN<TA<TMAX ADC0808CJ -55 <TA< +125 ADC0808CCJ, ADC0808CCN,ADC0809CCN -40 <TA< +85 VCC的范围(注1)4.5 VDC至6.0 VDC六.电气特性转换器规格:VCC=5V VDC=VREF+ VREF-=GND,TMIN<TA<TMAX 和FCLK = 640千赫,除非另有说明。
图2芯片工作电压条件数字水准仪和DC规格:ADC0808CJ 4.5V<VCC<5.5V,-55℃<TA<+125℃除非另有说明ADC0808CCN,ADC0808CCJ,ADC0808CCV,ADC0809CCN 和ADC0809CCV的4.75<VCC<5.25V,-40℃<TA<+85℃,除非另有说明图3芯片工作电流条件数字水准仪和DC规格:ADC0808CJ 4.5V<VCC<5.5V,-55℃<TA<+125℃除非另有说明ADC0808CCN,ADC0808CCJ,ADC0808CCV,ADC0809CCN 和ADC0809CCV的4.75V<VCC<5.25V,-40℃<TA<+85℃,除非另有说明。
时序规范VCC=VREF+=5V,VREF- = GND,tr = tf=20 NS和TA=25℃除非另有说明。
图4芯片工作时间要求注1:绝对最大额定值表明界限,可能会出现损坏设备。
操作时,DC和AC电气规格不适用超出其指定的经营条件的设备。
注2:所有的电压测量到GND,除非指定。
注3:内部,齐纳二极管的存在,从VCC和GND,并有典型击穿电压7 VDC。
注4:芯片上集成两个二极管连接到每个模拟输入将向前进行模拟输入电压低于地面二极管压降或一个二极管压降更大的比VCCn供应。
该规范允许100毫伏要么二极管正向偏置。
这意味着,如模拟输入电压不超过电源电压超过100毫伏,输出代码是正确的。
要实现绝对0VDC到5VDC输入电压范围,因此需要一个最低的电源电压4.900 VDC随温度的变化,最初的容忍和装载。
注5:总非调整误差包括偏移,满刻度,线性,和多路复用器错误。
见图3。
没有这些A / D转换需要一个零或满刻度调整。
然而,如果所有的零代码所需的模拟输入低于0.0V,或如果一个狭窄的全量程(例如:0.5V至4.5V 的满刻度)参考可调节电压,实现这一目标。
见图13。
注6:比较器输入电流是偏置电流或斩波稳定比较。
偏置电流的变化直接与时钟频率和小的温度依赖性(图6)。
见第4.0。
注7:平机会的一个时钟周期的上升沿输出数据寄存器之前更新。
注8:人体模型,100pF的通过1.5 千欧电阻,放电。
七.功能说明复用器。
该器件包含一个8通道单端模拟信号的多路复用。
一个特定的输入通道选择通过地址译码器。
表1列出了地址线选择任何通道的输入状态。
“地址被锁存到解码器上的由低到高的过渡地址锁存使能信号。
图5通道地址八.转换器特性这种单芯片的数据采集系统的核心是其8 -位模拟-数字转换器。
转换器的设计多给快速,准确,可重复的转换广泛的温度。
该转换器进行分区到256R阶梯网络,连续3个主要部分:逼近寄存器和比较。
转换器的数字输出是积极的真实。
被选为256R阶梯网络的方法(图1)超过传统R/2R阶梯,因为其固有的单调性,从而保证没有失踪的数字代码。
单调性是特别重要的闭环反馈控制系统。
一个非单调的关系引起振荡的系统,这将是灾难性的。
此外,256R网络不会导致负载变化参考电压。
底部的电阻和顶部的梯形网络电阻(图1)余价值网络。
在这些电阻的差异造成的输出特性是对称的零和满刻度点的转移曲线。
第一个输出转变发生时的模拟信号已经达到了LSB和输出转换成功以后发生的每1个LSB规模。
逐次逼近寄存器(SAR)进行了8次迭代近似的输入电压。
对于任何特区类型转换器,N-迭代都需要一个n 位转换器。
图2显示了3位转换器的典型例子。
在ADC0808,ADC0809的扩展,逼近技术256R网络使用8位。
图6 梯形电阻和开关树A / D转换的逐次逼近寄存器(SAR)是重置积极边缘开始转换(SC)的脉冲。
转换开始的下降沿启动转换脉冲。
A转换过程中会收到一个新的开始转换脉冲中断。
连续可能会完成追平EOC的转换(EOC)输出到SC的输入。
如果在此使用应适用的模式,外部启动转换脉冲通电后。
介于0转换结束会去低8个时钟脉冲的上升沿开始转换后。
A / D转换的最重要的部分是比较。
这是本节,这是负责最终整个转换器的精度。
这也是具有影响力最大的比较漂移设备的可重复性。
一个斩波稳定比较满足所有的转换提供了最有效的方法要求。
斩波稳定比较器的直流输入转换信号转换成交流信号。
此信号被送入透过1高增益交流放大器和直流水平恢复。
这漂移放大器组件,因为技术限制漂移是一种不通过交流直流分量放大器。
这使得整个A / D转换非常对温度不敏感,长期漂移和输入失调错误。
图4显示了ADC0808作为典型的误差曲线采用AN-179中所述的程序。
图7 A / D转换曲线图8 A / D的绝对精度曲线图9典型的误差曲线九.连接图图10 双列直插封装订单号ADC0808CCN,ADC0809CCN ADC0808CCJ或ADC0808CJ NS包J28A或N28A图11 模塑芯片载体封装订单编号ADC0808CCV或ADC0809CCV的NS包V28A十.时序图图12 时序图十一.典型性能特性图13比较输入电流与输入电压图14 多路转换器对VIN的多路复用图15三态测试电路和时序图十二.应用信息比率转换ADC0808,ADC0809是作为一个完整的数据设计采集系统的(DAS)的为成比例的的转换系统。
比例系统,物理变量衡量的,表示为满量程的百分比不一定是一个绝对的标准。
电压由方程表示输入的ADC0808VIN= ADC0808的输入电压Vfs=满量程电压VZ=零电压DX=被测量点数据DMAX=最大数据限制DMIN=最小数据限制一个很好的例子是一个比例传感器电位作为位置传感器。
抽头位置这是一个比例的输出电压成正比满量程电压越过它。
由于数据表示作为一个全规模的比例,参考要求大大减少,消除错误和成本的一大来源对于许多应用程序。
一个ADC0808的主要优势,ADC0809是等于电源的输入电压范围是范围,使传感器可以直接连接在供应和它们的输出直接连接到复用器的输入,(图9)。
比例,如电位,应变传感器计,热敏电阻的桥梁,压力传感器等,适合测量的比例关系,但是,许多类型的测量,必须提到一个绝对如电压或电流的标准。
这意味着系统其中涉及的全面引用,必须使用电压为标准电压。
例如,如果VCC=VREF=5.12V,然后分为满量程256个标准步骤。
最小的标准步长为1 LSB然后是20毫伏。
梯形电阻的电压相比选择转换到8倍。
这些电压加上比较,通过一个模拟开关树被引用的供应。
在顶部,中心的电压控制和梯子的底部必须保持正确的操作。
梯子的顶端,编号(一),不应该是更积极的大于供给,梯子的底部,编号(二),不应该比地面更消极。
该中心阶梯电压也必须供应中心附近因为N通道模拟开关,从树的变化P沟道开关的开关。
这些限制是自动不满意比率系统,可以很容易地会见在地面参考系统。
图10显示了一个单独的参考接地系统电源和参考。
在这个系统中,电源必须被修整,以匹配参考电压。
举例来说,如果使用5.12V时,供应应调整到相同的在0.1V的电压。
图16比例转换系统ADC0808需求的供应毫安的电流小于使发展中国家从参考的供应是很容易完成。
在图11中引用的地面系统显示产生提供参考。
“缓冲区显示,可以提供足够的驱动运算放大器毫安的供电电流和所需的总线驱动器,或者如果电容巴士是由输出大电容提供瞬态供应电流视为inFigure12。
LM301是过补偿,以确保稳定装载10μF的输出电容。
顶部和底部的阶梯电压不能超过VCC的和地面,分别,但他们可以是对称的少比VCC和比地面更大。
该中心的阶梯电压应始终是附近的供应中心。
“可以增加转换器的灵敏度(即,大小LSB的步骤减少)通过使用对称的参考系统。
InFigure13,2.5V基准对称中心Vcc / 2,因为在相同的电流流电阻。
这个系统与2.5V基准允许LSB 位,是一个5V参考系统的一半大小。
图17接地参考转换系统使用裁剪供应图18地引用转换系统参考生成VCC电源图19典型的参考和电源电路图20对称中心引用动态比较器输入电流造成的定期开关片上的杂散电容。