高清视频会议系统巡检报告
- 格式:doc
- 大小:15.00 KB
- 文档页数:5
一巡检基本信息表
二项目组织架构
三运行环境检查
四巡检记录
1设备巡检确认单
正常异常
正常异常
正常异常
正常异常
正常异常
正常异常
正常异常
正常异常
正常异常
正常异常
正常异常
正常异常
正常异常
正常异常
正常异常
正常异常
正常异常
正常异常
正常异常
正常异常
正常异常
正常异常
正常异常
正常异常
正常异常
正常异常
正常异常
正常异常
2会议功能检测
是否
是否
是否
3设备功能检查
正常异常
正常异常
正常异常
正常异常
正常异常
正常异常
正常异常正常异常正常异常正常异常
正常异常正常异常
正常异常正常异常
正常异常正常异常
正常异常正常异常正常异常正常异常正常异常
正常异常正常异常
正常异常
正常异常
正常异常
正常异常
正常异常
正常异常
正常异常
正常异常
正常异常4巡检故障汇总
5巡检遗留问题汇总
五系统优化及安全建议
六巡检总结
七满意度及建议
尊敬的用户,本次服务已经完成,未处理完成的故障待备件/配件准备后,将及时修复。
请您对本次服务进行评价,您的意见对我们非常重要,
谢谢您的合作。
您对本次服务:
很满意满意一般不满意很不满意。
监控视频巡查工作总结汇报监控视频巡查工作总结汇报一、工作概述本次监控视频巡查工作是为了确保企业内部安全和秩序的维护而展开的重要任务。
通过对监控视频的全面巡查,旨在发现并解决问题,及时抓捕违规行为,为企业的健康发展提供有力保障。
二、工作成果1. 完成了全面的监控视频巡查任务,对企业内各个重要区域进行了详细检查,包括办公区、生产车间、仓库等关键场所。
2. 发现并成功解决了多起违规行为,包括工人擅自进入禁止区域、未按规定佩戴安全防护装备等问题,有效地维护了企业的安全和秩序。
3. 巡查期间,对监控设备进行了维护和测试,及时修复了出现的故障,确保监控系统的正常运行。
4. 根据对比上次巡查发现的问题,制定了安全整改措施,并进行了落实,有效地提升了企业的安全管理水平。
三、存在的问题及建议1. 部分监控设备出现了老化和使用不当的情况,需要加强设备的维护和保养,以提高监控系统的可靠性和稳定性。
2. 部分监控区域存在死角,需要增加摄像头的安装数量,以便全面监控重要区域,避免漏检和遗漏。
3. 部分员工对于监控视频巡查工作的重要性和紧迫性缺乏认识,需要加强员工培训和宣传,提高员工对于巡查工作的积极性和主动性。
4. 目前监控视频的存储空间有限,需要购买更大容量的硬盘或者扩充存储设备,以确保视频资料的完整保存和备份。
建议:1. 建议优化巡查路线和时间,根据企业的实际情况进行调整,以最大化监控效果,提高巡查的工作效率。
2. 建议定期组织巡查人员进行经验交流和学习,分享工作中的发现和解决问题的经验,共同提升巡查工作的水平和质量。
3. 建议制定更加详细的巡查工作标准和流程,明确巡查人员的职责和要求,以规范巡查工作,确保工作的准确性和全面性。
四、工作心得1. 深刻认识到监控视频巡查工作的重要性和必要性,只有通过持续的巡查,才能发现问题,并及时解决,保障企业的正常运行。
2. 巡查过程中要保持高度的警惕性和耐心,将注意力集中在监控屏幕上,并及时记录异常情况和问题,以便后续处理。
巡查视频近期情况汇报最近一段时间,我们对巡查视频进行了全面的情况汇报,以下是具体的情况汇报:首先,针对巡查视频的内容,我们进行了全面的审核和整理。
在审核过程中,我们发现了一些不符合规定的视频内容,例如涉及暴力、色情、违法犯罪等内容的视频。
针对这些问题,我们立即进行了下架处理,并对上传者进行了相应的处理。
同时,我们也加强了对视频内容的审核力度,确保所有上传的视频都符合相关规定。
其次,我们对巡查视频的质量进行了全面的检查。
在检查过程中,我们发现了一些视频存在画面模糊、声音杂音、画面抖动等质量问题。
针对这些问题,我们及时联系上传者进行了整改,并提供了相关的技术支持。
同时,我们也加强了对视频质量的监控,确保所有视频都能够达到较高的质量标准。
另外,我们还对巡查视频的观看量和用户反馈进行了统计和分析。
通过统计分析,我们发现了一些视频的观看量较低,用户反馈也不太好。
针对这些问题,我们进行了深入分析,并制定了相应的改进措施。
我们将加强对这些视频的推广,提高它们的曝光度,同时也会认真倾听用户的意见和建议,不断改进视频内容,提升用户体验。
最后,我们还对巡查视频的更新情况进行了跟踪和分析。
通过跟踪分析,我们发现了一些视频更新不及时,内容更新较为单一。
针对这些问题,我们将加强与上传者的沟通,督促他们及时更新视频内容,丰富视频内容类型,确保用户能够获得更丰富、更多样化的视频内容。
综上所述,针对巡查视频近期情况,我们已经采取了一系列的措施,包括加强审核、提升质量、改进用户体验和督促更新等方面。
我们将继续密切关注巡查视频的情况,不断优化和改进工作,确保用户能够获得更优质、更丰富的视频内容。
感谢各位上传者的支持和配合,也希望大家能够共同努力,共同打造一个更好的巡查视频平台。
视频会议系统巡检记录报告一、背景介绍视频会议系统作为企业沟通协作的重要工具,对于企业的运营和效率提升起着关键作用。
为了保障视频会议的顺利进行,保证系统的稳定性和安全性,定期进行巡检是必要的。
本报告将对最近一次巡检的情况进行详细记录和总结。
二、巡检情况1.系统硬件设备巡检:对视频会议系统的服务器、摄像头、麦克风、音响等硬件设备进行了全面巡检,包括检查设备的运行状态、硬件连接是否正常以及设备是否存在故障现象。
2.网络连接巡检:对视频会议系统所依赖的网络进行了检查。
首先测试了服务器的网络连接,确保服务器能够正常访问互联网。
同时,检查了视频流传输的带宽情况,确认网络带宽能满足视频会议的需求。
此外,还检查了视频会议系统与其他设备的连接,包括触摸屏、电视、投影仪等设备的网络连接是否正常。
3.软件系统巡检:对视频会议系统的软件进行了全面巡检。
首先,检查操作系统的版本和更新情况,确保操作系统的安全稳定。
其次,检查视频会议软件的升级情况,保证系统使用的是最新版本的视频会议软件,以提供更好的用户体验和功能支持。
最后,检查系统的配置和参数设置,确保符合公司的要求和需求。
4.安全性巡检:对视频会议系统的安全性进行了检查。
首先,检查系统的用户权限设置,以确保只有授权的用户能够访问系统。
其次,检查系统的防火墙和安全设置,保证系统能够抵御网络攻击和恶意软件的侵入。
最后,对系统的日志进行了审核,及时发现和处理安全事件。
5.功能测试巡检:对视频会议系统的各项功能进行了测试。
测试包括视频会议的呼叫、接听、共享、录制等功能,以及系统的音视频质量和稳定性。
同时,还测试了系统与其他办公设备的兼容性和互通性,以确保各设备能够正常连接和协作。
三、结果分析对视频会议系统的巡检显示,系统硬件设备状态正常,网络连接稳定,软件系统配置正确,安全性得到了保障,各项功能正常运行。
系统整体的稳定性和可靠性良好。
然而在巡检过程中,发现了一些问题,需要进一步处理和优化。
引言概述:视频会议系统是一种通过互联网连接远程参与者并实现高清视频与音频通信的技术。
它在商业和教育领域得到广泛应用,可以帮助企业提高协作效率,降低沟通成本。
本报告是对视频会议系统的调研结果的进一步分析和总结。
通过对市场上不同系统的功能、性能、稳定性、安全性等方面的考虑,以及对用户的需求和反馈进行综合评估,旨在为企业和组织选择合适的视频会议系统提供参考。
正文内容:一、系统功能1. 支持多方视频通话:系统应具备同时支持多方视频通话的能力,能够连接和管理多个参与者,确保会议的顺利进行。
2. 屏幕共享和远程控制:用户能够通过系统共享自己的屏幕内容,并进行远程控制,提高会议的互动性和效果。
4. 录制和回放功能:系统应具备录制会议内容并进行回放的功能,便于参会者在后续回顾会议内容或与未能参会的人员分享会议记录。
5. 多种会议模式:系统应支持不同的会议模式,例如会议、教育、培训等,以满足用户的各种需求。
二、系统性能1. 视频和音频质量:系统应具备高清视频和音频的传输能力,确保与会者之间的通信质量。
2. 带宽要求:系统应对网络带宽要求较低,能够在较低带宽环境下依然保持稳定的通信连接。
3. 系统延迟:系统的延迟应尽量降低,以确保与会者之间的实时交流,避免视频和音频不同步的问题。
4. 系统稳定性:系统应具备较高的稳定性,不易出现故障和崩溃,能够长时间运行并保持良好的性能。
5. 平台兼容性:系统应支持跨平台的使用,能够在不同的操作系统和设备上运行,方便用户的接入和使用。
三、系统安全性1. 数据加密:系统应具备对传输的数据进行加密的能力,确保会议内容的安全和保密。
2. 用户认证:系统应提供用户认证功能,确保只有合法的用户才能参与会议,防止非法侵入和信息泄露。
3. 网络防火墙:系统应具备网络防火墙功能,能够阻止未经授权的访问和攻击,保护系统和用户信息的安全。
4. 安全审计和监控:系统应具备安全审计和监控功能,能够记录会议过程中的操作和行为,定期检查和分析会议的安全性。
视频会议系统调研报告视频会议系统调研报告一、背景随着全球化和信息技术的快速发展,视频会议系统在商务领域得到了广泛应用。
视频会议系统通过网络实现远程视听交流,为企业节省了时间和资金,提高了工作效率。
本次调研主要针对当前市场上的视频会议系统进行了调研,旨在为企业选择最适合的视频会议系统提供参考。
二、调研目的1.了解当前市场上的视频会议系统种类和特点;2.了解视频会议系统在企业中的应用情况和效果;3.寻找适合企业使用的视频会议系统。
三、调研方法本次调研主要采用了问卷调查和现场访谈相结合的方式。
问卷调查主要面向企业用户,针对其对视频会议系统的需求和意见进行了调查。
现场访谈则主要针对视频会议系统的供应商,通过与供应商的交流了解系统的技术特点和实际应用情况。
四、调研结果根据调研结果,市场上的视频会议系统主要分为硬件系统和软件系统两种。
硬件系统包括摄像头、显示屏、音响等设备,需要通过专用设备进行安装和调试。
软件系统则是通过电脑和网络实现远程视频通话,无需额外硬件设备。
在调研的企业中,大部分采用了软件系统,这主要是因为软件系统具有安装简单、使用方便的特点,且可以随时调整和升级。
另外,软件系统具有较低的成本,适合中小企业使用。
在企业应用中,视频会议系统主要用于远程会议、业务洽谈和员工培训等方面。
企业普遍认为使用视频会议系统能够提高会议的效果和效率,减少会议成本,提升沟通效果。
五、建议根据调研结果,我们对企业使用视频会议系统提出以下建议:1.根据企业规模和需求选择合适的视频会议系统。
中小型企业可以选择软件系统,通过普通电脑和网络实现视频通话;大型企业可以考虑硬件系统,同时根据会议室的规模和要求选择相应的设备。
2.在选购视频会议系统时,需考虑系统的稳定性和可靠性。
选择知名品牌的产品,了解产品的售后服务和维修保障。
3.在使用视频会议系统时,需提前安排好会议时间和地点,确保会议的顺利进行。
同时,为参会人员提供培训和技术支持,以确保顺利使用系统。
视频监控系统巡检报告像质量问题与监控范围评估视频监控系统巡检报告巡检日期:2021年10月10日巡检人员:张三监控系统:ABC公司总部一、总体情况概述本次巡检旨在评估ABC公司总部的视频监控系统运行情况,并发现其中可能存在的质量问题。
巡检过程主要包括对监控设备、录像存储、画面质量、监控范围等方面的评估。
通过本次巡检,我们将对系统运行进行全面的分析和评估,确保系统工作的稳定性和可靠性。
二、巡检详细报告2.1 监控设备在本次巡检中,我们对ABC公司总部的监控设备进行了检查。
首先,我们检查了摄像头的安装情况。
发现摄像头的位置布置较为合理,能够涵盖重要区域,并且没有死角。
摄像头的安装角度和视野范围都符合监控需求。
其次,我们对摄像头的工作状况进行了检测。
通过检查监控设备的供电情况和联网状态,我们确认设备正常运行,并能够实时传输画面。
同时,摄像头的图像清晰度良好,画面无模糊、闪烁等问题,保证了监控画面的质量。
2.2 录像存储录像存储作为视频监控系统的重要组成部分,对于安全保障具有重要意义。
我们对ABC公司总部的录像存储设备进行了评估。
根据我们的检查,录像存储设备的运行状态良好,能够正常进行录像存储。
存储容量充足,可以满足系统的使用需求。
同时,我们也检查了录像存储的设置,确保了录像文件的合规性和保密性,保证了录像数据的安全性。
2.3 画面质量视频监控系统的监控画面质量对于快速准确的监测与识别非常重要。
我们对监控画面的质量进行了评估。
在巡检过程中,我们特别关注了画面的分辨率和颜色还原度。
通过检查,我们发现监控画面的分辨率较高,细节清晰可见。
画面中的颜色还原度较好,没有明显失真或异常。
这为后续的监控与分析提供了可靠的信息基础。
2.4 监控范围评估视频监控系统的监控范围需要满足公司安全管理的需要,并确保重要区域不被遗漏。
我们对ABC公司总部的监控范围进行了评估。
经过检查,我们发现监控范围设置合理,能够全面覆盖公司大楼的各个重要区域,如入口、停车场、会议室等。
视频监控巡查情况汇报
一、监控点巡查情况。
1. A区域监控点,经过本月的巡查发现,A区域监控点的设备运行正常,画面
清晰,无故障记录。
巡查人员按时到岗,认真履行巡查任务,未发现漏巡情况。
2. B区域监控点,B区域监控点设备运行正常,但在巡查过程中发现有一处死
角画面模糊,需要及时调整监控角度。
巡查人员在巡查过程中存在一次漏巡情况,已对相关人员进行了警告和督促。
3. C区域监控点,C区域监控点设备正常运行,画面清晰,无死角。
巡查人员
认真履行巡查任务,未发现任何漏巡情况。
二、巡查情况分析。
根据以上监控点的巡查情况汇报,我们可以看出大部分监控点设备运行正常,
画面清晰,但仍然存在一些细节问题需要及时调整和解决。
同时,巡查人员在履行巡查任务中也存在个别漏巡情况,需要进一步加强对巡查人员的培训和管理。
三、下一步工作计划。
1. 对B区域监控点的死角画面模糊问题进行及时调整,确保监控画面清晰完整。
2. 对巡查人员进行再次培训,强调巡查任务的重要性和严谨性,避免漏巡情况
的发生。
3. 继续加强对监控设备的定期维护和保养工作,确保设备长期稳定运行。
四、结语。
通过本次视频监控巡查情况的汇报,我们对各监控点的运行情况有了清晰的了解,并制定了下一步的工作计划。
希望各部门能够密切配合,共同努力,确保视频监控系统的正常运行,为公司的安全稳定提供有力保障。
以上就是本次视频监控巡查情况的汇报,请相关部门领导和同事们认真阅读并落实相关工作。
感谢大家的配合和努力!。
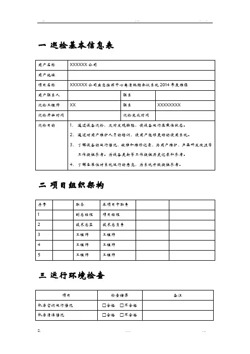
一巡检基本信息表用户名称XXXXXX公司用户地址项目名称XXXXXX公司应急指挥中心高清视频会议系统2014 年度维保用户联系人联系电话巡检工程师XX联系电话XXXXXXXX巡检开始时间巡检完成时间巡检目的1、通过设备巡检,及时发现缺陷,使设备运行在最佳状态。
2、通过对用户维护人员的培训,使用户能够更好的使用系统。
3、了解设备的运行情况、故障和维修记录,为用户维护、产品研发改进等工作提供参考。
为设备更新等工作提供历史记录和参考。
4、了解各单位对系统运行的意见,为系统升级提供参考。
二项目组织架构序号姓名职务本项目中职责电话邮箱1副总经理项目经理2技术总监技术总负责3工程师工程师4工程师工程师5工程师工程师三运行环境检查项目检查结果备注机房空调运行情况□合格□不合格机房清洁情况□合格□不合格保护地□合格□不合格供电系统□合格□不合格防静电措施□合格□不合格设备除尘线缆整理标识标签□完成□未完成□完成□未完成□完成□未完成四巡检记录1设备巡检确认单设备巡检状态序号设备名称数量检查结果备注1ZXV10 T6001正常异常2Kramer VS-88HDXL1正常异常3KramerSierraPro1616V5R-XL1正常异常4HV-9100 实物展台1正常异常5SONY BDP S485蓝光播放器1正常异常6MJ-190 高清监视器2正常异常7Sony Z3301正常异常8松下 TH-65PF30C2正常异常9声艺1正常异常10PolyCom Soundstation21正常异常11KPS-12N/D 时序电源1正常异常12DBX PRO 641M音频处理器1正常异常13ES915ML铁三角话筒6正常异常14CUE GEAR主音箱功放1正常异常15CUE GEAR吸顶音箱功放1正常异常16漫步者 R1000TC 监听音箱1正常异常17AT-MX341a自动混音器2正常异常18HK Audio E435 主音箱2正常异常19HK Audio IL60-CTC 吸顶音箱8正常异常20山特 5KVA UPS 电源1正常异常21AR2240 路由器1正常异常22S3700 华为交换机4正常异常23UPS电池电压16正常异常24CRESTRON中控主机1正常异常25Ipad 触摸屏1正常异常26液晶升降器(会议桌内)4正常异常27VGA分配器4正常异常28联想启天 M43004正常异常2会议功能检测序号项目测试方法是否满足备注1设备硬件部分试运行是否运行测试是否稳定将DVD信号能通过 RGB视频终端可将DVD信号传2矩阵切换至终端分量接是否输至其它会场口能通过中兴终端VGA输各会场 VGA 图像可传输至3出进行广播,点对点观是否其它会场看巡检工程师:日期:用户:日期:备注:3设备功能检查序号检查项目测试方法是否正常备注视频终端功能检查1运行状态设备指示灯无告警、日志无告警正常异常2视频输入HD-SDI1/2 、 YPbPr、RGB端口视频输正常异常入正常3视频输出HD-SDI、YPbPr 视频输出正常正常异常4音频输入音频输入正常正常异常5音频输出音频输出正常正常异常6会议功能可正常加入会议正常异常会议室摄像机功能检查1视频输出: HD-SDI/ 模拟视频输出正常( HD-SDI、 YPbPr)正常异常分量( YPbPr);2支持云台手动控制面板。
视频会议系统调研报告在当今数字化的时代,视频会议系统已经成为企业、政府机构、教育部门等众多组织中不可或缺的沟通工具。
为了深入了解视频会议系统的市场现状、功能特点以及用户需求,我们进行了一次全面的调研。
一、视频会议系统的市场现状随着互联网技术的飞速发展和全球化进程的加速,视频会议系统的市场需求呈现出爆发式增长。
据相关数据显示,近年来全球视频会议市场规模持续扩大,预计未来几年仍将保持较高的增长率。
目前,市场上的视频会议系统供应商众多,竞争激烈。
一些知名的国际品牌如思科、微软等凭借其技术优势和品牌影响力占据了较大的市场份额;同时,国内也涌现出了一批优秀的企业,如华为、中兴等,它们在技术创新和本地化服务方面具有独特的优势,逐渐在市场中崭露头角。
二、视频会议系统的功能特点1、高清视频和音频质量高清的视频和清晰的音频是视频会议系统的核心功能之一。
现代的视频会议系统能够提供 1080p 甚至更高分辨率的视频画面,以及无损的音频传输,确保与会者能够清晰地看到和听到对方,仿佛身处同一会议室。
2、屏幕共享和文档协作为了提高会议的效率和效果,视频会议系统通常支持屏幕共享和文档协作功能。
与会者可以将自己的电脑屏幕分享给其他人,共同查看和编辑文档、演示文稿等,方便进行讨论和决策。
3、录制和回放视频会议的录制和回放功能对于那些无法实时参加会议的人员或者需要回顾会议内容的用户来说非常实用。
录制的会议可以保存为视频文件,随时进行回放。
4、多方参会和分组讨论优秀的视频会议系统能够支持大规模的多方参会,并且可以根据需要进行分组讨论,满足不同场景下的会议需求。
5、移动端支持随着移动设备的普及,视频会议系统也纷纷推出了移动端应用,让用户可以通过手机、平板电脑等设备随时随地参加会议。
三、用户需求分析1、稳定性和可靠性用户最关心的是视频会议系统的稳定性和可靠性。
在会议进行过程中,不能出现卡顿、掉线等问题,否则会严重影响会议的效果和效率。
2、易用性系统的操作应该简单易懂,不需要复杂的培训就能上手使用。
视频巡查督查情况汇报
尊敬的领导:
根据工作安排,我对视频巡查督查情况进行了汇报。
在此,我将对督查情况进
行详细的总结和分析,以便领导及时了解工作进展情况。
首先,我对视频巡查的开展情况进行了梳理。
根据计划安排,我们按时完成了
对各个视频巡查点的督查任务,确保了视频巡查工作的顺利进行。
在实际巡查过程中,我们严格按照相关要求,对视频巡查点的设备运行情况、巡查人员的工作状态等进行了全面的检查,确保视频巡查工作的质量和效果。
其次,我对督查情况进行了详细的分析。
通过对视频巡查数据的统计和分析,
我们发现在一定时期内,视频巡查工作的覆盖范围和频次有了明显的提升,对于一些重点区域和重点时段的巡查效果也得到了有效的改善。
同时,我们也发现了一些存在的问题和不足,比如部分视频设备的运行状况不稳定,巡查人员的巡查记录存在漏检情况等,这些问题需要及时进行整改和解决。
最后,针对督查情况中存在的问题和不足,我们将采取一系列的改进措施。
首先,我们将加强对视频设备的维护和保养工作,确保设备的正常运行;其次,我们将加强对巡查人员的培训和考核,提高其巡查的专业水平和工作质量;同时,我们还将加强对视频巡查数据的分析和应用,为相关工作提供更科学的依据和支持。
总的来说,视频巡查督查工作取得了一定的成绩,但也存在一些问题和不足。
我们将继续加强工作,不断完善和提升视频巡查工作的质量和效果,确保视频巡查工作能够更好地为相关工作提供支持和保障。
以上就是对视频巡查督查情况的汇报,请领导审阅。
如有不足之处,还请指正。
感谢领导对视频巡查工作的关心和支持!
此致。
敬礼!。
高清视频会议系统巡检报告
1、通过设备巡检,及时发现缺陷,使设备运行在最佳状态。
2、通过对用户维护人员的培训,使用户能够更好的使用系统。
3、了解设备的运行情况、故障和维修记录,为用户维护、产品研发改进等工作提供参考。
为设备更新等工作提供历史记录和参考。
4、了解各单位对系统运行的意见,为系统升级提供参考。
二
项目组织架构序号姓名职务本项目中职责电话邮箱1副总经理项目经理2技术总监技术总负责3工程师工程师4工程师工程师5工程师工程师三
运行环境检查项目检查结果备注机房空调运行情况□合格□不合格机房清洁情况□合格□不合格保护地□合格□不合格供电系统□合格□不合格防静电措施□合格□不合格设备除尘□完成□未完成线缆整理□完成□未完成标识标签□完成□未完成四
巡检记录1 设备巡检确认单设备巡检状态序号设备名称数量检查结果备注1ZXV10 T6001o正常 o异常2Kramer VS-88HDXL1o 正常 o异常3KramerSierraPro1616V5R-XL1o正常 o异常4HV-9100实物展台1o正常 o异常5SONY BDP S485蓝光播放器1o正
常 o异常6MJ-190高清监视器2o正常 o异常7Sony Z3301o正常o异常8松下TH-65PF30C2o正常 o异常9声艺LIVE
4、31o正常 o异常10Poly Soundstation21o正常 o异常11KPS-12N/D时序电源1o正常 o异常12DBX PRO641M音频处理器1o正常 o异常13ES915ML铁三角话筒6o正常 o异常14CUE GEAR 主音箱功放1o正常 o异常15CUE GEAR吸顶音箱功放1o正常 o 异常16漫步者 R1000TC监听音箱1o正常 o异常17AT-MX341a自动混音器2o正常 o异常18HK Audio E435主音箱2o正常 o异常19HK Audio IL60-CTC吸顶音箱8o正常 o异常20山特5KVA UPS 电源1o正常 o异常21AR2240路由器1o正常 o异常22S3700华为交换机4o正常 o异常23UPS电池电压16o正常 o异常
24CRESTRON中控主机1o正常 o异常25Ipad触摸屏1o正常 o异常26液晶升降器(会议桌内)4o正常 o异常27VGA分配器4o正常 o异常28联想启天 M43004o正常 o异常2 会议功能检测序号项目测试方法是否满足备注1设备硬件部分试运行是否稳定运行测试o是 o否2视频终端可将DVD信号传输至其它会场将DVD信号能通过RGB矩阵切换至终端分量接口o是 o否3各会场VGA图像可传输至其它会场能通过中兴终端VGA输出进行广播,点对点观看o是 o否巡检工程师:日期:用户:日期:备注:3 设备功能检查序号检查项目测试方法是否正常备注视频终端功能检查1运行状态设备指示灯无告警、日志无告警o正常o异常2视频输入HD-SDI1/
2、YPbPr、RGB端口视频输入正常o正常o异常3视频输出HD-SDI、YPbPr视频输出正常o正常o异常4音频输入音频输入正常o正常o异常5音频输出音频输出正常o正常o异常6会议功能可正常加入会议o正常o异常会议室摄像机功能检查1视频输出:HD-SDI/模拟分量(YPbPr);视频输出正常(HD-SDI、YPbPr)o正常o异常2支持云台手动控制面板。
摇控器可控制摄像机云台、预置位可定义及调用正常o正常o异常摄像机摇控器功能检查1可进行垂直、水平方向及摄像机变焦操作手动操作摇控器进行垂直、水平、变焦控制o正常o异常2具备摄像机预置位置记忆能力手动设置预置位,将摄像机调到别一个方向再点击预置位看是否能定格到先前设置好的预置位o正常o异常HD-SDI 矩阵功能检查1设备运行状态设备运行正常,无告警o正常o异常2视频切换正常所有输入端口、输出端口均正常o正常o异常RGB矩阵功能检查1设备运行状态设备运行正常,无告警o正常o 异常2视频切换正常所有输入端口、输出端口均正常o正常o异常等离子功能检查1视频制式:NTSC, PAL,1080p、720P产品支持视频标准格式o正常o异常2输入接口:VGA,HD-SDI,YPbPr 等通过高清矩阵将摄像机HD-SDI信号输出到等离子HD-SDI接口上通过RGB矩阵将摄像机YpbPr信号输出到等离子YpbPr接口上通过RGB矩阵将PC信号输出到等离子VGA接口上o正常o异常VGA 双流系统功能检查1支持VGA信号的分辨率达1280X1024将PC的分辩率设成1280 X1024,通过VGA矩阵让PC信号切换到中兴终端
进行广播o正常o异常2支持VGA双流画面广播任意会场将PC信号通过RGB矩阵切换到终端进行广播o正常o异常调音台功能检查112路单声道和2路立体声输入依次测试各路输入声音到会议室输出音箱是否正常o正常o异常24组编组、6组辅助、2路主输出依次测试输出端口声音是否正常o正常o异常实物展台功能检查1实物展示检查依次将不同接口信号做输入、输出测试(源设备和目标设备不支持接口无法测试)o正常o异常交换机路由器功能检查1设备运行状态设备运行正常,无告警o正常o异常2网络功能网络连接正常,数据配置正确o正常o异常UPS电源检查1UPS电源运行状态设备运行正常,无告警。
市电断开时,UPS 可正常提供电源,输出电压正常,负载全开时供电时间大于1小时。
o正常o异常2电池状况电池外观良好,无漏液,无锈蚀,电压正常o正常o异常音频系统检查1话筒有线话筒拾音正常o正常o异常2音频输出声音处理正常o正常o异常3音箱声音正常,无杂音、交流音等。
o正常o异常其它辅助系统检查1技术支持系统技术支持系统PC开启、运行正常,网络正常。
o正常o异常2VGA配器VGA分配器运行正常o正常o异常3升降器液晶升降器升降器运行正常o正常o异常4电话会议终端Polym电话会议终端运行正常o正常o异常4 巡检故障汇总故障1:故障现象描述:故障分析及定位:解决办法:5 巡检遗留问题汇总故障1:故障现象描述:故障分析及定位:解决办法:五
系统优化及安全建议优化及建议六巡检总结巡检总结七满意度及建议满意度尊敬的用户,本次服务已经完成,未处理完成的故障待备件/配件准备后,将及时修复。
请您对本次服务进行评价,您的意见对我们非常重要,谢谢您的合作。
您对本次服务:o 很满意 o满意 o一般 o不满意 o很不满意意见或建议巡检工程师:
用户代表:
日期:
日期:。