视频会议系统巡检记录报告
- 格式:pdf
- 大小:585.50 KB
- 文档页数:6
视频监控系统检查、维护记录视频监控系统检查、维护记录⒈介绍本文档旨在记录视频监控系统的检查和维护过程,以确保系统的正常运行和安全性。
通过定期的检查和维护,能够及时发现问题并进行修复,提高系统的稳定性和可靠性。
⒉系统概述视频监控系统是用于实时监控和录像的安全设备,包括摄像头、录像机、监控软件等组件。
系统的功能包括视频监控、报警管理、录像回放等。
⒊检查和维护事项⑴检查监控设备●确认所有摄像头正常运行,检查其图像质量和清晰度。
●检查摄像头的安装位置和角度是否正确。
●检查录像设备和存储设备的正常运行,确保录像文件正常保存。
●检查监控软件是否正常运行,能否实时显示、回放视频。
●检查报警设备的正常运行,测试报警功能是否可靠。
⑵检查网络连接●检查视频监控系统的网络连接是否正常,包括摄像头、录像机、监控软件等设备的网络连接。
●检查网络传输的稳定性和带宽是否满足系统的需求。
●检查网络设备的安全设置,确保系统不易受到网络攻击。
⑶检查电源和电缆●检查所有设备的电源连接是否正常,确保电源供应稳定。
●检查电源线和数据线的接触是否良好,是否有损坏或老化现象。
⑷清洁和维护●定期对摄像头进行清洁,包括镜头、外壳等。
●清理录像设备的风扇和散热孔,防止过热导致故障。
●定期检查设备的运行状态和日志,查找异常并进行处理。
⒋问题记录和处理在每次检查中,如发现任何问题或异常情况,应及时记录并进行处理。
记录包括问题的描述、发现时间、处理方式和结果等信息。
处理问题时应注意问题的优先级和紧急程度,确保问题能够得到适时解决。
附件:附件1:视频监控系统布局图附件2:视频监控系统设备清单法律名词及注释:⒈法律名词1:保密协议注释:保密协议是指当事方在合作过程中就某些涉及保密内容的事项达成一致的文件。
其目的是确保合作双方对涉及保密的信息进行保护和限制使用。
⒉法律名词2:数据隐私注释:数据隐私是指个人或组织在使用网络服务或其他信息系统时,对个人敏感信息的保护和隐私权的需求。
一巡检基本信息表
二项目组织架构
三运行环境检查
四巡检记录
1设备巡检确认单
正常异常
正常异常
正常异常
正常异常
正常异常
正常异常
正常异常
正常异常
正常异常
正常异常
正常异常
正常异常
正常异常
正常异常
正常异常
正常异常
正常异常
正常异常
正常异常
正常异常
正常异常
正常异常
正常异常
正常异常
正常异常
正常异常
正常异常
正常异常
2会议功能检测
是否
是否
是否
3设备功能检查
正常异常
正常异常
正常异常
正常异常
正常异常
正常异常
正常异常正常异常正常异常正常异常
正常异常正常异常
正常异常正常异常
正常异常正常异常
正常异常正常异常正常异常正常异常正常异常
正常异常正常异常
正常异常
正常异常
正常异常
正常异常
正常异常
正常异常
正常异常
正常异常
正常异常4巡检故障汇总
5巡检遗留问题汇总
五系统优化及安全建议
六巡检总结
七满意度及建议
尊敬的用户,本次服务已经完成,未处理完成的故障待备件/配件准备后,将及时修复。
请您对本次服务进行评价,您的意见对我们非常重要,
谢谢您的合作。
您对本次服务:
很满意满意一般不满意很不满意。
巡查视频近期情况汇报最近一段时间,我们对巡查视频进行了全面的情况汇报,以下是具体的情况汇报:首先,针对巡查视频的内容,我们进行了全面的审核和整理。
在审核过程中,我们发现了一些不符合规定的视频内容,例如涉及暴力、色情、违法犯罪等内容的视频。
针对这些问题,我们立即进行了下架处理,并对上传者进行了相应的处理。
同时,我们也加强了对视频内容的审核力度,确保所有上传的视频都符合相关规定。
其次,我们对巡查视频的质量进行了全面的检查。
在检查过程中,我们发现了一些视频存在画面模糊、声音杂音、画面抖动等质量问题。
针对这些问题,我们及时联系上传者进行了整改,并提供了相关的技术支持。
同时,我们也加强了对视频质量的监控,确保所有视频都能够达到较高的质量标准。
另外,我们还对巡查视频的观看量和用户反馈进行了统计和分析。
通过统计分析,我们发现了一些视频的观看量较低,用户反馈也不太好。
针对这些问题,我们进行了深入分析,并制定了相应的改进措施。
我们将加强对这些视频的推广,提高它们的曝光度,同时也会认真倾听用户的意见和建议,不断改进视频内容,提升用户体验。
最后,我们还对巡查视频的更新情况进行了跟踪和分析。
通过跟踪分析,我们发现了一些视频更新不及时,内容更新较为单一。
针对这些问题,我们将加强与上传者的沟通,督促他们及时更新视频内容,丰富视频内容类型,确保用户能够获得更丰富、更多样化的视频内容。
综上所述,针对巡查视频近期情况,我们已经采取了一系列的措施,包括加强审核、提升质量、改进用户体验和督促更新等方面。
我们将继续密切关注巡查视频的情况,不断优化和改进工作,确保用户能够获得更优质、更丰富的视频内容。
感谢各位上传者的支持和配合,也希望大家能够共同努力,共同打造一个更好的巡查视频平台。
视频会议系统巡检记录报告一、背景介绍视频会议系统作为企业沟通协作的重要工具,对于企业的运营和效率提升起着关键作用。
为了保障视频会议的顺利进行,保证系统的稳定性和安全性,定期进行巡检是必要的。
本报告将对最近一次巡检的情况进行详细记录和总结。
二、巡检情况1.系统硬件设备巡检:对视频会议系统的服务器、摄像头、麦克风、音响等硬件设备进行了全面巡检,包括检查设备的运行状态、硬件连接是否正常以及设备是否存在故障现象。
2.网络连接巡检:对视频会议系统所依赖的网络进行了检查。
首先测试了服务器的网络连接,确保服务器能够正常访问互联网。
同时,检查了视频流传输的带宽情况,确认网络带宽能满足视频会议的需求。
此外,还检查了视频会议系统与其他设备的连接,包括触摸屏、电视、投影仪等设备的网络连接是否正常。
3.软件系统巡检:对视频会议系统的软件进行了全面巡检。
首先,检查操作系统的版本和更新情况,确保操作系统的安全稳定。
其次,检查视频会议软件的升级情况,保证系统使用的是最新版本的视频会议软件,以提供更好的用户体验和功能支持。
最后,检查系统的配置和参数设置,确保符合公司的要求和需求。
4.安全性巡检:对视频会议系统的安全性进行了检查。
首先,检查系统的用户权限设置,以确保只有授权的用户能够访问系统。
其次,检查系统的防火墙和安全设置,保证系统能够抵御网络攻击和恶意软件的侵入。
最后,对系统的日志进行了审核,及时发现和处理安全事件。
5.功能测试巡检:对视频会议系统的各项功能进行了测试。
测试包括视频会议的呼叫、接听、共享、录制等功能,以及系统的音视频质量和稳定性。
同时,还测试了系统与其他办公设备的兼容性和互通性,以确保各设备能够正常连接和协作。
三、结果分析对视频会议系统的巡检显示,系统硬件设备状态正常,网络连接稳定,软件系统配置正确,安全性得到了保障,各项功能正常运行。
系统整体的稳定性和可靠性良好。
然而在巡检过程中,发现了一些问题,需要进一步处理和优化。
视频监控系统巡检报告像质量问题与监控范围评估视频监控系统巡检报告巡检日期:2021年10月10日巡检人员:张三监控系统:ABC公司总部一、总体情况概述本次巡检旨在评估ABC公司总部的视频监控系统运行情况,并发现其中可能存在的质量问题。
巡检过程主要包括对监控设备、录像存储、画面质量、监控范围等方面的评估。
通过本次巡检,我们将对系统运行进行全面的分析和评估,确保系统工作的稳定性和可靠性。
二、巡检详细报告2.1 监控设备在本次巡检中,我们对ABC公司总部的监控设备进行了检查。
首先,我们检查了摄像头的安装情况。
发现摄像头的位置布置较为合理,能够涵盖重要区域,并且没有死角。
摄像头的安装角度和视野范围都符合监控需求。
其次,我们对摄像头的工作状况进行了检测。
通过检查监控设备的供电情况和联网状态,我们确认设备正常运行,并能够实时传输画面。
同时,摄像头的图像清晰度良好,画面无模糊、闪烁等问题,保证了监控画面的质量。
2.2 录像存储录像存储作为视频监控系统的重要组成部分,对于安全保障具有重要意义。
我们对ABC公司总部的录像存储设备进行了评估。
根据我们的检查,录像存储设备的运行状态良好,能够正常进行录像存储。
存储容量充足,可以满足系统的使用需求。
同时,我们也检查了录像存储的设置,确保了录像文件的合规性和保密性,保证了录像数据的安全性。
2.3 画面质量视频监控系统的监控画面质量对于快速准确的监测与识别非常重要。
我们对监控画面的质量进行了评估。
在巡检过程中,我们特别关注了画面的分辨率和颜色还原度。
通过检查,我们发现监控画面的分辨率较高,细节清晰可见。
画面中的颜色还原度较好,没有明显失真或异常。
这为后续的监控与分析提供了可靠的信息基础。
2.4 监控范围评估视频监控系统的监控范围需要满足公司安全管理的需要,并确保重要区域不被遗漏。
我们对ABC公司总部的监控范围进行了评估。
经过检查,我们发现监控范围设置合理,能够全面覆盖公司大楼的各个重要区域,如入口、停车场、会议室等。
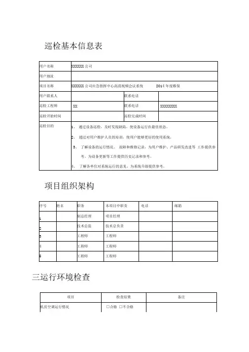
一巡检基本信息表用户名称XXXXXX公司用户地址项目名称XXXXXX公司应急指挥中心高清视频会议系统2014 年度维保用户联系人联系电话巡检工程师XX联系电话XXXXXXXX巡检开始时间巡检完成时间巡检目的1、通过设备巡检,及时发现缺陷,使设备运行在最佳状态。
2、通过对用户维护人员的培训,使用户能够更好的使用系统。
3、了解设备的运行情况、故障和维修记录,为用户维护、产品研发改进等工作提供参考。
为设备更新等工作提供历史记录和参考。
4、了解各单位对系统运行的意见,为系统升级提供参考。
二项目组织架构序号姓名职务本项目中职责电话邮箱1副总经理项目经理2技术总监技术总负责3工程师工程师4工程师工程师5工程师工程师三运行环境检查项目检查结果备注机房空调运行情况□合格□不合格机房清洁情况□合格□不合格保护地□合格□不合格供电系统□合格□不合格防静电措施□合格□不合格设备除尘线缆整理标识标签□完成□未完成□完成□未完成□完成□未完成四巡检记录1设备巡检确认单设备巡检状态序号设备名称数量检查结果备注1ZXV10 T6001正常异常2Kramer VS-88HDXL1正常异常3KramerSierraPro1616V5R-XL1正常异常4HV-9100 实物展台1正常异常5SONY BDP S485蓝光播放器1正常异常6MJ-190 高清监视器2正常异常7Sony Z3301正常异常8松下 TH-65PF30C2正常异常9声艺1正常异常10PolyCom Soundstation21正常异常11KPS-12N/D 时序电源1正常异常12DBX PRO 641M音频处理器1正常异常13ES915ML铁三角话筒6正常异常14CUE GEAR主音箱功放1正常异常15CUE GEAR吸顶音箱功放1正常异常16漫步者 R1000TC 监听音箱1正常异常17AT-MX341a自动混音器2正常异常18HK Audio E435 主音箱2正常异常19HK Audio IL60-CTC 吸顶音箱8正常异常20山特 5KVA UPS 电源1正常异常21AR2240 路由器1正常异常22S3700 华为交换机4正常异常23UPS电池电压16正常异常24CRESTRON中控主机1正常异常25Ipad 触摸屏1正常异常26液晶升降器(会议桌内)4正常异常27VGA分配器4正常异常28联想启天 M43004正常异常2会议功能检测序号项目测试方法是否满足备注1设备硬件部分试运行是否运行测试是否稳定将DVD信号能通过 RGB视频终端可将DVD信号传2矩阵切换至终端分量接是否输至其它会场口能通过中兴终端VGA输各会场 VGA 图像可传输至3出进行广播,点对点观是否其它会场看巡检工程师:日期:用户:日期:备注:3设备功能检查序号检查项目测试方法是否正常备注视频终端功能检查1运行状态设备指示灯无告警、日志无告警正常异常2视频输入HD-SDI1/2 、 YPbPr、RGB端口视频输正常异常入正常3视频输出HD-SDI、YPbPr 视频输出正常正常异常4音频输入音频输入正常正常异常5音频输出音频输出正常正常异常6会议功能可正常加入会议正常异常会议室摄像机功能检查1视频输出: HD-SDI/ 模拟视频输出正常( HD-SDI、 YPbPr)正常异常分量( YPbPr);2支持云台手动控制面板。