内径百分表操作方法
- 格式:pdf
- 大小:147.15 KB
- 文档页数:4
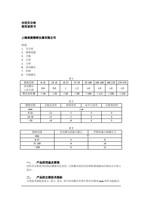
内径百分表使用说明书上海高致精密仪器有限公司构成:1.百分表2.锁紧装置3.手柄4.大管5.主体6.活动测头7.护桥8.可换测头表2表3一、产品的用途及原理内径百分表是用比较法测量内孔直径,它将测头的径内位移转移成轴向位移由百分表1显示。
二、产品的主要技术指标主要技术指标见表1、表2、表3、其中活动测头有效行程以压缩0.1mm时作为起始点。
三、使用方法1.百分表安装:把百分表1插入表架轴孔中,压缩一圈,用锁紧装置2紧固。
2.尺寸设定:根据被测工件名义尺寸,选择可换测头8,将其固定在主体5上。
3.零位调整:确定可换测头,设定内径百分表的零位。
当确定可换测头时,以使被测工件的名义尺寸设定在活动测头压缩约半分有效行程的位置时为最佳。
(1)用环规调整零位:将内径百分表1放入尺寸与被测工件名义尺寸相近的环规中,摆动内径百分表,在环规的轴向平面内找出最小尺寸(即内径百分表的最大示值点),转动百分表表盘使指针指示在零位。
(2)用外径千分尺或量块组合调整零位:先将外径千分尺或量块组合调整到被测工件的名义尺寸,再将内径百分表放入千分尺或量块组合寻找最小尺寸(即内径百分表的最大示值点),转移表盘,使指针指示在零位。
注:建议采用环规调零。
4.测量时将内径百分表插入被测孔中,沿轴向前后摆动,找出轴向的平面的最小尺寸(即内径百分表的最大示值点),即为孔的实际尺寸偏离名义尺寸的数值。
5.使用后,擦净凉干,测量面和配合处涂防锈油,并放入包装盒中。
四、注意事项1.护桥两翼轮已经过校验并固定,更换成拆装时需重新校验,以免影响定中心精度。
2.轻拿轻放,避免导向装置、测量面与尖利物相碰击。
内径百分表使用操作规程(ISO9001-2015)一、百分表的结构百分表是用来校正零件或夹具的安装位置检验零件的形状精度或相互位置精度的。
百分表的读数值为0.01mm。
1、百分表的外形如图1所示。
8为测量杆,6为指针,表盘3上刻有100个等分格,其刻度值(即读数值)为0.01mm。
当指针转一圈时,小指针即转动一小格,转数指示盘5的刻度值为1mm。
用手转动表圈4时,表盘3也跟着转动,可使指针对准任一刻线。
测量杆8是沿着套筒7上下移动的,套筒8可作为安装百分表用。
9是测量头,2是手提测量杆用的圆头。
图1 百分表图2 百分表的内部结构2、图2是百分表内部机构的示意图。
带有齿条的测量杆1的直线移动,通过齿轮传动(Z1 、Z2 、 Z3),转变为指针2的回转运动。
齿轮Z4和弹簧3使齿轮传动的间隙始终在一个方向,起着稳定指针位置的作用。
弹簧4是控制百分表的测量压力的。
百分表内的齿轮传动机构,使测量杆直线移动1mm时,指针正好回转一圈。
由于百分表和千分表的测量杆是作直线移动的,可用来测量长度尺寸,所以它们也是长度测量工具。
目前,国产百分表的测量范围(即测量杆的最大移动量),有0~3mm;0~5mm; 0~10mm的三种。
读数值为0,001mm的千分表,测量范围为0~1mm。
二、内径百分表内径百分表是内量杠杆式测量架和百分表的组合,如图3所示。
用以测量或检验零件的内孔、深孔直径及其形状精度。
图3 内径百分表内径百分表测量架的内部结构,由图3可见。
在三通管3的一端装着活动测量头1,另一端装着可换测量头2,垂直管口一端,通过连杆4装有百分表5。
活动测头1的移动,使传动杠杆7回转,通过活动杆6,推动百分表的测量杆,使百分表指针产生回转。
由于杠杆7的两侧触点是等距离的,当活动测头移动1mm时,活动杆也移动1mm,推动百分表指针回转一圈。
所以,活动测头的移动量,可以在百分表上读出来。
两触点量具在测量内径时,不容易找正孔的直径方向,定心护桥8和弹簧9就起了一个帮助找正直径位置的作用,使内径百分表的两个测量头正好在内孔直径的两端。
内径百分表的使用方法内径百分表是一种用于测量孔径或内径的精密测量工具,它通常由一个测量头和一个刻度盘组成。
在使用内径百分表时,我们需要注意一些使用方法,以确保测量结果的准确性和可靠性。
首先,我们需要选择合适的内径百分表。
根据需要测量的孔径大小,选择合适的内径百分表量程。
在选择内径百分表时,还需要注意其精度等级和测量范围,以确保符合测量要求。
接下来,我们需要进行内径百分表的校准。
在使用内径百分表之前,需要进行校准,以确保其测量结果的准确性。
校准内径百分表的方法通常是通过零点校正和刻度盘刻度调整来完成的。
校准完成后,需要进行零点漂移测试,以确保内径百分表的零点稳定。
在实际测量中,我们需要正确安装内径百分表。
首先,将测量头轻轻放入被测孔径中,然后旋转刻度盘,使测量头两侧的接触点与被测孔径内壁接触。
在安装过程中,需要注意保持测量头与被测孔径内壁的垂直度,以确保测量结果的准确性。
在测量过程中,我们需要轻柔地旋转刻度盘,直到测量头两侧的接触点与被测孔径内壁完全接触。
在接触完全后,读取刻度盘上的数值,这个数值即为被测孔径的直径值。
在读取数值时,需要注意刻度盘上的刻度线,确保读取的数值准确无误。
测量完成后,需要注意及时清洁内径百分表。
在使用完毕后,需要将内径百分表进行清洁和保养,以确保其长期的使用寿命和测量精度。
清洁内径百分表时,需要使用干净的软布轻轻擦拭测量头和刻度盘,避免碰撞和摩擦,以免影响测量精度。
总之,内径百分表是一种精密的测量工具,正确的使用方法能够确保测量结果的准确性和可靠性。
在使用内径百分表时,需要选择合适的型号,进行正确的校准,正确安装和轻柔操作,以及及时的清洁和保养,这样才能够充分发挥其测量功能,为工程测量提供准确可靠的数据支持。
内径百分表使用方法内径百分表是一种用于测量工件内径的精密测量工具。
它由一个可移动的测量臂和一个固定的指示盘组成。
使用内径百分表可以准确地测量工件的内径尺寸,并且具有较高的精度。
内径百分表的使用方法如下:1. 准备工作。
在使用内径百分表之前,需要先清洁工件内部和百分表的测量臂。
确保工件表面无油污、尘土等杂质,以确保测量的准确性。
2. 调整指示盘。
将百分表的指示盘调整到零位。
这可以通过旋转固定刻度环来实现。
确保指示盘指针指向零刻度位置。
3. 放置测量臂。
将内径百分表的测量臂放置在工件的内径上。
确保测量臂的两支对钳牢固地夹住工件,以保证测量的稳定性。
4. 旋转指示盘。
通过旋转百分表的指示盘,使测量臂向内径方向移动。
指示盘上的刻度可以帮助确定测量的距离。
根据需要,可以逐步旋转指示盘,直到测量臂与工件内径接触。
5. 记录测量结果。
当测量臂与工件内径接触时,读取指示盘上的刻度值。
这个刻度值即为工件的内径尺寸。
记录测量结果,可以使用尺子或纸笔等工具。
在使用内径百分表时,需要注意以下几点:1. 轻拿轻放。
在放置测量臂的时候,要轻拿轻放,避免对工件和百分表产生损坏。
2. 稳定测量。
确保测量臂夹住工件时,牢固且稳定。
避免测量臂晃动或移动,以免影响测量结果的准确性。
3. 检查准确性。
定期检查内径百分表的准确性。
可以使用已知尺寸的校准物体进行检查,以确保百分表的测量结果正确。
总之,内径百分表是一种重要的测量工具,广泛应用于机械加工、制造业等领域。
正确的使用方法可以确保测量结果的准确性,并且帮助用户更好地进行工件内径尺寸的测量。
内径百分表的正确使用方法和读法一、前言内径百分表是一种常用的测量工具,用于测量孔径或管道等内径尺寸。
它由测量臂、刻度盘、固定螺钉、主尺、副尺等部分组成。
本文将介绍内径百分表的正确使用方法和读法,以便更好地使用该工具进行测量。
二、内径百分表的正确使用方法1. 准备工作在使用内径百分表进行测量之前,需要先进行准备工作。
首先,检查百分表的测量臂、刻度盘、固定螺钉等部分是否完好无损,并确保主尺和副尺之间的间隙处于正常状态。
其次,清洁被测物体的内壁,确保没有杂质和污垢的存在。
2. 测量操作(1)将内径百分表的测量臂轻轻插入被测物体的内径中,确保测量臂与被测物体的内壁紧密接触。
(2)旋转刻度盘,使其指针指向零刻度线。
注意,刻度盘顺时针旋转时,指针应该向左移动,逆时针旋转时,指针应该向右移动。
(3)使用固定螺钉固定刻度盘,以确保测量结果的准确性。
(4)读取测量结果。
在读取结果时,应注意刻度盘上的主尺和副尺之间的位置关系,通常情况下,主尺的刻度间隔为0.01毫米,副尺的刻度间隔为0.001毫米。
根据主尺和副尺上指针所指的刻度线,可以得到测量结果。
3. 测量注意事项(1)在进行测量之前,应确保内径百分表的测量范围能够覆盖被测物体的内径尺寸。
(2)在插入测量臂时,应注意避免过大的力量,以免损坏被测物体或测量工具。
(3)在读取测量结果时,应注意刻度盘上的主尺和副尺之间的位置关系,避免读取错误。
三、内径百分表的读法内径百分表的读法相对比较简单,根据主尺和副尺上指针所指的刻度线,可以得到测量结果。
主尺上的刻度间隔通常为0.01毫米,副尺上的刻度间隔通常为0.001毫米。
主尺和副尺上的刻度线通常是以毫米为单位进行刻画的。
例如,在读取内径为10.523毫米的被测物体时,可以通过主尺上指针所指的刻度线来确定整数部分,再通过副尺上指针所指的刻度线来确定小数部分。
假设主尺上指针所指的刻度线为10,副尺上指针所指的刻度线为523,则被测物体的内径为10.523毫米。
内径杠杆百分表的使用方法
内径杠杆百分表是一种用于测量内径、深度和位置尺寸的测量工具。
以下是内径杠杆百分表的使用方法:
1. 准备工作:将内径杠杆百分表安装在稳定的表架上,确保表架不会晃动。
然后,根据被测工件的大小和长度,选择合适的测头和测量杆。
2. 校准零位:使用千分尺或块规校准内径杠杆百分表的零位。
将测头与测量杆组合在一起,旋转测头使测量杆与块规接触,并调整百分表上的可调螺钉,使百分表指针指向零位。
3. 安装工件:将工件放置在测量台上,然后将百分表的测头与工件接触,并确保测头与工件表面垂直。
如果需要测量不同位置的尺寸,可以旋转测量台或调整工件的位置。
4. 测量尺寸:观察百分表上的读数,根据被测工件的大小和长度,读取相应的数值。
如果需要测量深度或位置尺寸,可以将测量杆插入工件中,旋转测头使测量杆与工件接触,并观察百分表的读数。
5. 记录数据:在测量过程中,需要记录每个位置的读数,并整理成表格或报告中。
同时,也需要根据实际测量情况判断是否存在误差或异常,并采取相应的措施进行处理。
6. 注意事项:在使用内径杠杆百分表时,需要注意以下几点:
避免在有磁场的环境中使用百分表,以免影响测量精度。
避免在高温、潮湿或腐蚀性环境中使用百分表,以免损坏仪器。
在使用过程中,需要保持百分表的清洁和干燥,以免影响测量精度。
在使用过程中,需要注意安全,避免受伤或损坏仪器。
以上是内径杠杆百分表的使用方法,供您参考。
如果您还有疑问,可以查阅相关资料或咨询专业人士进行了解。
内径百分表的使用方法 The manuscript was revised on the evening of 2021
图1(小表针指向1,大表针指向0)
图2(固定表头的黑螺丝指向能按动的固定探头上)
内径百分表的使用方法安装表头时,把表头插入量表直管轴孔中,压缩百分表一圈,,使小指针指在1 的位置上,大指针与连杆轴线平行,指在0的位置上,紧固后用手压一下固定探头,指针转动为正常。
(如图1)盘上的字应垂直向下,以便于测量时观察,表头与活动探头、固定探头平行,固定表头的黑螺丝指向能按动的固定探头上。
(如图2)。
测量前应根据被测孔径大小选择外径千分尺,先调整好外径千分尺的尺寸与被测孔径尺寸相同例如40mm(先让固定探头进再让活动探头进,固定探头不动,活动探头上下摇动,取最小值调到指针转一圈指向0(不行用手调表头),然后反复测量同一位置2-3次后检查指针是否仍与0线对齐,如不齐则重调。
为读数方便,可用整数来定零位位置。
注意要使百分表的测杆尽量垂直于千分尺.
测量时,连杆中心线应与工件中心线平行,不得歪斜,同时应在圆周上多测几个点,找出孔径的实际尺寸,看是否在公差范围以内。
指针稳定后,当指针正好在零刻线处,说明被测孔径与标准孔径相等。
指针顺时针方向离开零位,表示被测孔径小于标准环规的孔径;指针逆时针方向离开零位时,表示被测孔径大于标准环规的孔径。
顺时针是小,逆时针是大。
内径百分表的使用方法内径百分表是一种用于测量零件内径尺寸的精密测量工具,其测量精度高,使用方便,被广泛应用于机械加工、汽车制造、航空航天等领域。
下面将介绍内径百分表的使用方法,希望能帮助大家更好地掌握这一测量工具的使用技巧。
首先,使用内径百分表进行测量之前,需要确保该测量工具处于干净整洁的状态。
检查百分表的刻度盘和测头是否有污垢或损坏,若有,则需要进行清洁和修复。
同时,还需检查测量范围和分度值是否符合测量要求,以确保测量的准确性。
接下来,将内径百分表的刻度盘调至零位,并将测头合拢。
然后,将测头插入待测内径中,轻轻旋转刻度盘,使测头与内径壁面接触,直至测头完全贴合内径壁面。
在此过程中,要注意保持测头与内径壁面的垂直接触,避免出现倾斜造成测量误差。
当测头完全贴合内径壁面后,可以读取刻度盘上的数值,这个数值即为待测内径的尺寸。
需要注意的是,由于内径百分表的刻度盘通常是带有刻度线的,因此在读取数值时,要准确地对齐刻度线,以确保读数的准确性。
在测量完成后,要及时清理内径百分表,保持其干净整洁。
同时,还需进行定期的维护保养工作,包括润滑测头、校准刻度盘等,以确保内径百分表的测量精度和稳定性。
总结一下,使用内径百分表进行测量需要注意以下几点,首先是保持百分表的清洁和完好,其次是正确调零和插入测头,最后是准确读取刻度盘上的数值。
只有严格按照这些步骤进行操作,才能保证测量结果的准确性和可靠性。
希望通过本文的介绍,大家能更好地掌握内径百分表的使用方法,提高测量的准确性和效率。
同时,也希望大家在使用过程中能够严格遵守操作规程,做到安全使用,延长内径百分表的使用寿命。
感谢阅读!。
内径百分表的使用方法内径百分表是一个常用的测量工具,用于测量工件的内径尺寸。
使用内径百分表可以确保对工件进行精确的测量,从而满足工程和制造的需求。
下面是内径百分表的使用方法:第一步:准备工作首先,需要确保测量环境干净整洁,避免灰尘和杂质进入内径百分表的测量范围。
同时,检查内径百分表是否完好无损,确保指针操作灵活。
第二步:选择合适的内径百分表根据需要测量的内径尺寸范围,选择合适的内径百分表。
内径百分表的量程一般是10mm至300mm,可以根据具体需求选择不同的规格。
第三步:调节内径百分表将内径百分表放在测量环境中,调节零位,使其指针指向刻度零点。
确保指针运动灵活,没有卡顿和误差。
第四步:安装工件将要测量的工件放入内径百分表的测量范围内。
确保工件的表面光滑,无明显的凹凸和磨损。
第五步:测量内径尺寸使用内径百分表的测量臂,轻轻地将其插入工件的内径中。
在插入过程中,要保持稳定和垂直。
同时,要避免过度施力,以免损坏工件。
第六步:读取测量结果当内径百分表的插入臂完全插入工件内径后,可以读取测量结果。
读取方法是查看内径百分表的刻度,注意指针指向的刻度数值。
根据刻度间的差异,可以准确地得出内径尺寸的测量结果。
第七步:记录和分析将测量结果记录在测量记录表中,以备后续分析和参考。
同时,对测量结果进行仔细的分析,判断工件的内径尺寸是否符合要求,是否需要进行进一步的处理或调整。
第八步:保养和储存使用完内径百分表后,应及时清洁和保养。
使用干净的布或纸巾轻轻擦拭表面,确保内径百分表的清洁和整洁。
然后将其放置在干燥通风的地方,避免受潮和受损。
总结:内径百分表是一种精确测量工具,使用起来相对简单。
通过按照上述使用方法正确操作,可以得出准确的内径尺寸测量结果。
为了保持内径百分表的精准度和延长使用寿命,需要定期保养和储存。
希望以上使用方法对大家有所帮助。
内径百分表的使用步骤内径百分表啊,就像是一个探秘微观世界的小侦探。
拿到它,先得好好打量一下这个小玩意。
它的表头就像一个特别灵敏的小鼻子,能嗅出内径的细微变化呢。
把内径百分表拿在手里,感觉像是握着一把打开神秘内径大门的钥匙。
先得检查检查表针是不是能灵活摆动,这表针就像一个调皮的小尾巴,得让它自由自在地晃荡才行。
要是它卡住了,那就像小尾巴被绑住了,这可不行,整个测量就会像一辆没油的汽车,跑不动啦。
然后就是找个合适的测头。
这测头就像小侦探的鞋子,得选对尺码。
如果太大或者太小,就像穿错了鞋子走路,根本没法准确测量内径。
准备工作做好后,就可以把内径百分表伸进要测量的内径里面啦。
这个过程就像把小侦探送进一个秘密通道,要小心翼翼的。
把测头放进去的时候,感觉像是把一只小老鼠放进了一个小洞里,要确保它能顺利到达目的地。
一旦放进去,就要开始调整表盘啦。
表盘就像小侦探的指南针,得让它指对方向。
轻轻转动表盘,让表针指向零位,这时候就像是给小侦探校准了方向感,它才能准确地找到内径的秘密。
在测量的时候,可不能乱动。
就像小侦探在寻找线索的时候,不能惊到周围的环境一样。
手要是抖一下,那就像在平静的湖水里丢了个大石头,表针就会乱晃,测量结果就全乱套了,就像一个厨师把盐当成了糖,做出来的东西肯定不对味。
读取数值的时候,眼睛得像老鹰一样锐利。
这数值就像宝藏的密码,一个不小心读错了,就像开错了宝箱,得到的结果肯定是个“假宝藏”。
使用完内径百分表,要好好地把它收起来。
就像小侦探完成任务后要回到自己的小窝一样。
要是随便乱扔,下次再用的时候,它可能就像一个生气的小宠物,不好好工作了。
内径百分表虽然看起来小小的,但是使用起来就像一场充满趣味的小冒险。
每一个步骤都得认真对待,不然它就会像一个调皮的小精灵,给你搞出一堆错误的结果,让你哭笑不得。
只要按照正确的方法使用,它就能像一个忠诚的小助手,准确地告诉你内径的大小,就像一个小预言家一样神奇。
内径百分表的使用方法公开课今天咱们来唠唠内径百分表这个超有趣的小工具的使用方法。
内径百分表啊,就像是一个小小的测量精灵。
它长得有点特别,有表头、表杆这些部分。
咱先说拿它的姿势。
可不能随随便便就抓起来,要像对待小宝贝一样稳稳地握住。
手指要放在合适的位置,这样才能保证测量的时候不会手抖,就像拿筷子一样,得有个正确的姿势才能把菜夹好呀。
然后呢,在测量之前,要先对内径百分表进行校准。
这就好比给它定个标准,告诉它啥是对的。
找个标准的环规或者已知准确内径的东西,把表头轻轻放进去,然后转动表盘,让指针对准零刻度。
这个过程可得仔细点,要是校准没做好,后面的测量可就全乱套啦,就像跑步比赛起跑没站对位置一样。
接着就是测量内径啦。
把内径百分表伸进要测量的孔里。
这个时候要轻轻的哦,不能硬怼进去,不然可能会把表头弄坏的。
表头在孔里要保持垂直,就像小树苗要直直地长在土里一样。
如果表头歪了,那测量出来的数据可就不准啦,就像你歪着脑袋看东西,看到的肯定不是最真实的样子。
当表头在孔里放好之后,就可以轻轻摆动表杆啦。
你会看到指针在表盘上跳动,这个时候要取指针摆动的最小值对应的刻度。
为啥是最小值呢?这就像找宝藏一样,最准确的数值就藏在这个最小值里面呢。
测量完了之后,要把内径百分表小心地拿出来,可别磕着碰着。
然后把测量得到的数据记录下来。
这个数据可重要啦,就像你考试的分数一样,是这个孔内径的一个重要指标呢。
内径百分表虽然看起来小小的,但是它的作用可大啦。
学会使用它,就像掌握了一个小魔法,可以准确地知道各种孔的内径大小。
不管是在机械加工的车间里,还是在一些小的维修工作中,它都能派上大用场。
小伙伴们,今天的内径百分表使用方法就讲到这儿啦,希望大家都能学会这个小技巧哦。
内径百分表的正确使用方法和读法内径百分表是工业中常用的测量工具之一,其主要用途是测量孔径的尺寸。
正确的使用方法和读法对于保证测量结果的准确性非常重要。
使用内径百分表前,我们需要检查百分表的零位是否正确。
将百分表的测定范围调整到比被测孔径稍大的尺寸,然后将测定范围的两个测针轻轻合拢。
此时,百分表的刻度盘上应该显示零位,如果不是零位,则需要将百分表的调零螺钉进行微调,直到刻度盘显示零位为止。
接下来,将内径百分表的测定范围调整到与被测孔径相匹配的尺寸。
然后,将百分表的测针轻轻放入被测孔径中,确保测针与孔壁之间没有间隙。
同时,需要注意百分表与被测孔径之间的相对位置,以确保测量结果的准确性。
在百分表放入被测孔径后,需要通过旋转百分表的刻度盘,使刻度盘上的测量指示线与刻度对齐。
此时,我们可以读取刻度盘上的刻度值,并记录下来。
需要注意的是,读取刻度时要尽量准确,可以通过放大镜等工具来辅助读取。
在读取刻度时,我们需要注意百分表的量程和刻度的精度。
一般来说,百分表的量程是指测量范围,而刻度的精度则表示百分表的测量精度。
在读取刻度时,应当根据实际情况选择合适的精度范围,并确保读取的刻度值在该范围内。
在进行多次测量时,我们需要注意百分表的稳定性。
在每次测量之前,应该检查百分表的零位是否发生变化,如果有变化,则需要重新进行调零操作。
此外,还需要确保百分表与被测孔径的相对位置保持一致,以避免测量误差。
需要注意的是,在使用内径百分表进行测量时,要避免外力的干扰。
尽量保持测量过程中的稳定,避免百分表与被测孔径发生碰撞或受到外力的影响。
总结来说,内径百分表的正确使用方法和读法包括调零、放入被测孔径、对齐刻度盘、读取刻度值等步骤。
在使用过程中,需要注意百分表的稳定性和准确性,并避免外力的干扰。
只有正确操作和准确读取,才能保证测量结果的准确性。
内径百分表的使用方法内径百分表是一种用于测量孔径或内径尺寸的工具,它能够精确地测量出孔径的尺寸,是工业制造和加工中常用的精密测量工具。
在使用内径百分表时,需要注意一些使用方法和技巧,下面将为大家介绍内径百分表的使用方法。
首先,使用内径百分表之前需要对其进行校准。
校准内径百分表的方法是使用已知尺寸的标准量具进行对比,确保内径百分表的测量结果准确可靠。
校准完成后,我们就可以开始使用内径百分表进行测量了。
在测量之前,需要确保被测量的孔径表面是清洁的,没有杂质或划痕,以免影响测量结果。
将内径百分表的测量臂轻轻插入被测孔径中,然后用螺旋钮将测量臂轻轻夹紧,使其与孔径壁紧密接触。
接下来,我们需要通过读数盘来读取测量结果。
内径百分表的读数盘上有刻度,可以直观地显示出测量结果。
当测量臂与孔径壁接触后,读数盘上的刻度会发生变化,我们可以通过读数盘上的刻度来确定被测孔径的尺寸。
在读取测量结果时,需要注意两点。
首先,要确保读数盘的刻度线与指针线重合,以确保读数准确。
其次,由于内径百分表是通过螺旋钮进行测量的,因此在读数时需要考虑螺旋钮的分度值,将其加到读数结果中,得出最终的测量值。
在使用内径百分表进行测量时,需要注意一些技巧。
首先,要轻柔地操作内径百分表,避免造成测量臂的变形或损坏。
其次,在测量过程中要保持内径百分表与被测孔径的垂直,以确保测量结果的准确性。
最后,在测量结束后,要及时清洁和保养内径百分表,以确保其长期的精准度和可靠性。
总的来说,内径百分表是一种精密的测量工具,使用时需要注意一些方法和技巧。
通过正确的使用方法和细致的操作,我们可以准确地测量出被测孔径的尺寸,为工业制造和加工提供精准的数据支持。
希望以上介绍的内径百分表的使用方法能够对大家有所帮助。
《内径百分表的使用方法》
(1)将被测工件的中心与百分表水平转轴保持在同一铅垂面内,并调整好角度。
(2)用手按动进给器或手轮使百分表绕转轴转动。
(3)顺时针方向为增量刻度盘;逆时针为减量刻度盘.根据被测尺寸大小读出百分表所指示数值。
注意:如果测得的尺寸比要求值大0.1mm以上则必须再重复读数几次以防百分表损坏。
(4)移开工件后应及时卸下百分表和转动进给器.否则应放置24h后才能继续使用。
否则会造成百分表失灵、偏摆等故障.最严重的是缩短其寿命。
2)直径差距过大(一般不超3mm),对轴承有影响.。
内径百分表的读数方法内径百分表是检测装置的组成部分,它可以测量特定管工件的内径大小,从而了解其制造精度,是关键的精密测量仪器之一。
它具有双精度测量,数轴安装方便,通用夹具,切削比较容易等特点,被广泛应用于钢、碳钢、工具钢、有色金属等。
一、内径百分表读数方法:1、安装内径百分表:(1)将百分表安装到机床上,如圆床,立床或立式成型机等,使其与机床安装夹头轴线垂直,以确保准确的读数。
(2)选择合适的测量仪器,如内径尺、断层或百分表附送的夹头,将内径尺或断层安装在机床的安装夹头上,如双铣头夹头,六角头夹头等。
2、正确调整内径:(1)将内径尺或断层安装在机床的夹头上,将机床的轴向推杠推出oml的量表刻度范围,使夹头的轴与百分表的轴线垂直,充分发挥百分表的性能。
(2)调整机床或机床上的参数,如机床旋转速度、润滑油和机床夹头x轴最大转角,以满足百分表的读数修正要求。
3、设置内径百分表:(1)拧定螺纹,将传感器的上下拨杆拧紧,使光栅的滚珠与形状的上间隙满足要求,再机床安装夹头的上螺母拧紧,把镜片安装好,调整机床的轴向推杠调节百分表的游标夹夹孔。
(2)打开内径测量仪器的控制器,把仪器与计算机或控制器连接,然后将测量仪器恢复原始状态,以自动校准测量结果。
4、读取内径百分表测量结果:(1)将试件放入机床夹头上,调整机床的轴向推杠把百分表的游标夹夹孔,使夹头轴与百分表的轴线垂直;(2)调节游标的位置来读取百分表的测量结果,测量结果直接印在百分表上,也可以通过计算机系统实现测量结果的保存及分析,从而得出内径读数。
总之,内径百分表的读数方法是安装内径百分表、正确调整内径、设置内径百分表、读取内径百分表测量结果这四个步骤。
需要注意的是,在读取内径百分表测量结果时,要确保游标的位置正确,确保读数准确。
内径百分表的测量方法
1.准备工作
在测量之前,需要先检查内径百分表的刻度盘,确保刻度盘上的刻度清晰可读。
如果刻度盘不清晰,可以使用透明胶带或调整螺丝进行调整。
同时,也需要检查触针的锋利度,确保触针能够顺利地插入被测工件。
2.调零
把内径百分表的两个触针合在一起,轻轻旋转刻度盘,使刻度盘上的指针归于零位。
这是为了确保测量的准确性,避免误差的积累。
3.插入触针
把两个触针插入被测工件的两侧,注意要保持垂直插入,并且要避免触针发生侧向偏移。
为了保持触针的垂直,可以通过以下两种方法进行测量:
a.旋转测量工件:当测量工件允许旋转时,可以通过旋转工件来平衡触针的位置,使其垂直插入。
b.使用块垫:在被测工件的两侧分别加块垫,使得触针插入块垫而不是工件本身。
这样可以保持触针的垂直插入,避免侧向偏移。
4.读取测量结果
插入触针后,可以读取刻度盘上的数值来获取测量结果。
一般来说,内径百分表的刻度盘分为主刻度和副刻度两部分。
主刻度用于读取整数部分,而副刻度用于读取小数部分。
一般而言,主刻度的每个刻度代表1毫米,而副刻度的每个刻度代表0.02毫米或0.001英寸。
5.记录结果
完成测量后,需要将测量结果记录下来。
在记录时,应注意保留合适的有效数字,并标明单位。
6.结束测量
测量结束后,应将触针缩回,避免触针之间的碰撞和损坏。
同时,还需要清洁内径百分表,确保其下次使用时的准确性。
内径百分表操作方法
内径百分表
内径百分表是将侧头的直线位移变为指针的角位移的计量器具用比较测量。
测量或检验两件的内孔、深孔直径。
用内径百分表测量内径是一种比较量法,测量前应根据被测孔径的大小,在专用的环规或百分尺上调整好尺寸后才能使用。
调整内径百分尺的尺寸时,选用可换测头的长度及其伸出的距离 (大尺寸内径百分表的可换测头,是用螺纹旋上去的,故可调整伸出的距离,小尺寸的不能调整 ),应使被测尺寸在活动测头总移动量的中间位置。
内径百分表的示值误差比较大,如测量范围为35~50mm的,示值误差为±0.015mm。
为此,使用时应当经常的在专用环规或百分尺上校对尺寸(习惯上称校对零位),必要时可在如图4-3所示的由块规附件装夹好的块规组上校对零位,并增加测量次数,以便提高测量精度。
内径百分表的指针摆动读数,刻度盘上每一格为0.01mm,盘上刻有100格,即指针每转一圈为1mm。
用途
常用于形状和位置误差以及小位移的长度测量。
分度值为0.01mm,测量范围为0-3、0-5、0-10mm。
组成及原理
百分表的工作原理,是将被测尺寸引起的测杆微小直线移动,经过齿轮传动放大,变为指计在刻度盘上的转动,从而读出被测尺寸的大小。
百分表的构造主要
由3个部件组成:表体部分、传动系统、读数装置。
利用精密齿条齿轮机构制成的表式通用长度测量工具。
通常由测头、量杆、防震弹簧、齿条、齿轮、游丝、圆表盘及指针等组成。
若在圆表盘上印制有200个或 100个等分刻度,则每一分度值为0.001毫米或0.002毫米,这种测量工具即称为千分表。
改变测头形状并配以相应的支架,可制成百分表的变形品种,如厚度百分表、深度百分表和内径百分表等。
如用杠杆代替齿条可制成杠杆百分表和杠杆千分表,其示值范围较小,但灵敏度较高。
此外,它们的测头可在一定角度内转动,能适应不同方向的测量,结构紧凑。
它们适用于测量普通百分表难以测量的外圆、小孔和沟槽等的形状和位置误差。
使用前检查
1. 检查表头的相互作用和稳定性。
2. 检查活动测头和可换测头表面光洁,连接稳固。
读数方法
百分表的主体大指针和大表盘中,大指针移动一小格为1%毫米,既常说的1道;正下方有个小指针和小表盘,每格代表一毫米;表的外圈可以转动,用来调整表盘0位。
测量孔径,孔轴向的最小尺寸为其直径,测量平面间的尺寸,任意方向内均最小的尺寸为平面间的测量尺寸。
百分表测量读数加上零位尺寸即为测量数据。
正确使用:
1. 把百分表插入量表直管轴孔中,压缩百分表一圈,紧固。
2. 选取并安装可换测头,紧固。
3. 测量时手握隔热装置。
4. 根据被测尺寸调整零位。
用外径千分尺调整零位,以孔轴向的最小尺寸或平面间任意方向内均最
小的尺寸对0位,然后反复测量同一位置2-3次后检查指针是否仍与0
线对齐,如不齐则重调。
为读数方便,可用整数来定零位位置。
5. 测量时,摆动内径百分表,找到轴向平面的最小尺寸(转折点)来读数。
6. 测杆、测头、百分表等配套使用,不要与其他表混用。
保养方法:
1.百分表是比较精密的测量工具,要轻拿轻放,不得碰撞或跌落地下。
2.应定期校验百分表精准度和灵敏度。
3. 百分表使用完毕,用棉纱擦拭干净,放入卡尺盒内盖好。
4.要严厉避免水、油和灰尘渗入表内,测量杆上也不要加油,以免粘有灰尘的油
污进入表内,影响表的灵敏性。
5.百分表和千分表不运用时,应使测量杆处于自在形态,免使表内的弹簧生效。
如内径百分表上的百分表,不运用时,应拆下保管
摘自太友科技---。