安全通道防护棚计算书
- 格式:doc
- 大小:147.00 KB
- 文档页数:11
防护棚计算书计算依据:1、《建筑施工扣件式钢管脚手架安全技术规范》JGJ130-20112、《建筑施工高处作业安全技术规范》JGJ80-20163、《建筑地基基础设计规范》GB50007-20114、《建筑结构荷载规范》GB50009-20125、《钢结构设计规范》GB50017-2003一、搭设参数立杆纵距l a(mm) 1600 立杆横距l b(mm) 7200立杆步距h(mm) 1800 防护棚高度H(mm) 7500防护层层数n 2 上下防护层间距h1(mm) 500斜撑与立杆连接点到地面的距离6500 顶层水平钢管搭设方式钢管沿纵向搭设h2(mm)横向斜撑与顶层防护层连接点到立杆水平钢管间距a(mm) 4003000的距离l1(mm)纵向外侧防护布置方式剪刀撑钢管类型Ф48×3扣件连接方式单扣件扣件抗滑移折减系数0.8立杆布置格构柱格构柱截面边长a1(mm) 400立杆计算长度系数μ1 1.3 斜撑计算长度系数μ2 1.3 计算简图:扣件钢管防护棚_正面图扣件钢管防护棚_侧面图二、荷载设计格构柱q=1.2(g k1×a+0.033) =1.2×(0.35×0.4+0.033)=0.208kN/m p=1.4P k=1.4×1=1.4kN正常使用极限状态格构柱q1=g k1×a+0.033 =0.35×0.4+0.033=0.173kN/mp1=Pk =1 kN1、抗弯验算M max=0.348 kN·mσ=M max/W=0.348×106/4490=77.49N/mm2≤[f]=205N/mm2满足要求!2、挠度验算νmax=1.574 mm[ν]=min[max{a1,l a,l2-a1}/150,10] = min[max{400,1600,800-400}/150,10] =10mmνmax≤[ν]满足要求!3、支座反力计算承载力使用极限状态R max=1.605 kN四、横向水平杆验算格构柱:F=1.2(g k1a+0.033)(l a+ a1)/2=1.2×(0.35×0.4+0.033)×(1.6+0.4)/2=0.208 kN p=1.4P k=1.4×1=1.4 kN正常使用极限状态格构柱:F1=(g k1a+0.033)(l a+ a1)/2=(0.35×0.4+0.033)×(1.6+0.4)/2=0.173 kNp1=P k=1 kN计算简图如下:1、抗弯验算σ=M max/W=0.751×106/4490=167.289N/mm2≤[f]=205N/mm2 满足要求!2、挠度验算νmax=9.895mm≤[ν]=min[max(l1-a1, l b, a1)/150,10] = min[max(3000-400, 7200, 400)/150,10] =10mm满足要求!3、支座反力计算承载力使用极限状态R max=3.458 kN五、扣件抗滑承载力验算max满足要求!六、斜撑稳定性验算112第1层防护层传递给斜撑荷载计算(1)横向斜撑验算承载力使用极限状态格构柱:F=1.2(g k1a+0.033)(l a+ a1)/2=1.2×(0.35×0.4+0.033)×(1.6+0.4)/2=0.208 kNp=1.4P k=1.4×1=1.4 kN横向斜撑计算简图如下:横向斜撑最大支座反力:R2max =1.992 kN横向斜撑轴向力:N21= R2max/cosα1=1.992/cos71.565°=6.299 kNN=N21=6.299 kN斜撑自由长度:h= h1/cosα1=0.5/cos71.565°=1.581 m 斜撑计算长度l0=kμ2h=1×1.3×1.581=2.055 m长细比λ= l0/i=2055.48/15.9=129.276≤250轴心受压构件的稳定系数计算:斜撑计算长度l0=kμ2h=1.155*1.300*1.581=2.374m长细比λ= l0/i =2374/15.9=149.31查《规范》JGJ130-2011表A.0.6得,φ= 0.312σ= N/(φA) =6298.501/(0.312×424)=47.612N/mm2σ≤[f]=205N/mm2满足要求!第2层防护层传递给斜撑荷载计算(1)横向斜撑验算承载力使用极限状态格构柱:F=1.2(g k1a+0.033)(l a+ a1)/2=1.2×(0.35×0.4+0.033)×(1.6+0.4)/2=0.208 kN横向斜撑计算简图如下:横向斜撑最大支座反力:R2max =2.742 kN横向斜撑轴向力:N22= R2max/cosα1=2.742/cos71.565°=8.67 kNN=N21+N22=14.969 kN斜撑自由长度:h= (H-(n-1)h1-h2)/cosα1=(7.5-(2-1)×0.5-6.5)/cos71.565°=1.581 m 斜撑计算长度l0=kμ2h=1×1.3×1.581=2.055 m长细比λ= l0/i=2055.48/15.9=129.276≤250轴心受压构件的稳定系数计算:斜撑计算长度l0=kμ2h=1.155*1.300*1.581=2.374m长细比λ= l0/i =2374/15.9=149.31查《规范》JGJ130-2011表A.0.6得,φ= 0.312σ= N/(φA) =14968.799/(0.312×424)=113.153N/mm2σ≤[f]=205N/mm2满足要求!七、立杆稳定性验算1、防护棚结构自重N G1k钢管长度:L=n[(l a+ a1) ((l b+2a1)/a+1)/2+ l b]+2( l12+(H-h2)2)0.5+4H=2×[(1.6+0.4)×((7.2+2×0.4)/0.4+1)/2+7.2]+2×(32+(7.5-6.5)2)0.5+4×7.5=92.72 5m扣件数量:m=2n[((l b+2a1)/a-3)/2+1×4]=2×2×[((7.2+2×0.4)/0.4-3)/2+1×4]=50个N G1k=0.033L+0.015m=0.033×92.725+0.015×50=3.838kN2、防护棚构配件自重N G2k防护层防护材料自重标准值N G2k1=n×g k1×(l a+ a1)×(l b+2a1)/2=2×0.35×(1.6+0.4)×(7.2+2×0.4)/2=5.6 kN栏杆与挡脚板自重标准值N G2k2=g k2×(l a+ a1)=0.14×(1.6+0.4)=0.28 kN纵向外侧防护自重标准值N G2k3=g k3×(l a+ a1)=0.2×(1.6+0.4)=0.4 kNN G2k= N G2k1+ N G2k2+ N G2k3=5.6+0.28+0.4=6.28 kN经计算得到,静荷载标准值:N Gk= N G1k + N G2k=3.838+6.28=10.118 kN 3、冲击荷载标准值N QkN Qk=P k=1 kN立杆荷载设计值:N=1.2N Gk+ 1.4N Qk=1.2×10.118+ 1.4×1=13.541 kN立杆的稳定性验算1、立杆长细比验算立杆自由长度h取立杆步距1.8m立杆计算长度l0=kμ1h=1×1.3×1.8=2.34m长细比λ= l0/i=2340/15.9=147.17≤210满足要求!轴心受压构件的稳定系数计算:立杆计算长度l0=kμ2h=1.155*1.300*1.800=2.703m长细比λ= l0/i =2703/15.9=169.98查《规范》JGJ130-2011表A.0.6得,φ= 0.2482、立杆稳定性验算σ= N/4/(φA) =13541.273/4/(0.248×424)=32.195N/mm2σ≤[f]=205N/mm2满足要求!八、立杆地基承载力验算Gk Qk立杆底垫板平均压力P=N/(k c A)=11.118/(1×0.25)=44.471 kPaP≤f g=140 kPa满足要求!。
防护棚计算书编制依据:《建筑施工高处作业安全技术规范》JGJ80-91、《建筑施工扣件式钢管脚手架安全技术规范》JGJ130-2001。
由于防护棚有双层防护,故只按照承载能力极限状态设计,不考虑正常使用极限状态。
计算书中规定防护棚开间方向为横向,进深方向为纵向,简图如下:一、参数信息1、构造参数立杆横距l b(m):1.8 ;立杆纵距l a(m):2.1 ;防护棚高度H(m):5 ;上下防护层间距h1(m):0.6 ;立杆步距h(m):1.5 ;斜撑与立杆连接点与地面的距离h2(m):1.6 ;斜撑与立杆连接点到下防护层的距离h3(m): 1.5;水平钢管搭设方式:钢管沿纵向搭设;水平钢管间距a(m):0.3 ;钢管类型:Φ48 × 3.5 ;扣件连接方式:双扣件 ,双扣件抗滑承载力调整系数: 0.8 ;2.荷载参数高空坠落物最大荷载标准值N(kN):1 ;脚手板自重(kN/m2):0.35 ;栏杆及挡脚板自重(kN/m):0.15 ;3.地基参数地基土类型:素填土;地基承载力标准值(kPa): 120;立杆基础底面面积(m2): 0.25;地基承载力调整系数: 1。
二、纵向水平支撑钢管计算纵向钢管按照三跨连续梁计算,承受脚手板自重、坠落物冲击集中荷载。
由于防护棚有双层防护,故只按照承载能力极限状态设计,不考虑正常使用极限状态。
截面几何参数如下:截面抵抗矩 W = 5.08 cm3;截面惯性矩 I = 12.19 cm4;纵向钢管计算简图1.荷载的计算(1)脚手板自重(kN/m):q1 = 0.35×0.3 = 0.105 kN/m;(2) 高空坠落物最大荷载标准值(kN):N= 1 kN;2.强度验算纵向支撑钢管按三跨连续梁计算;最大弯矩计算公式如下:M = 0.08ql2 + 0.2Fl均布恒载:q = 1.2 ×0.105 = 0.126 kN/m;冲击荷载:F = 1.4×1 = 1.4 kN;最大弯距 M = 0.08×0.126×2.12 + 0.2×1.4×2.1= 0.632 kN.m;最大应力σ = M / W = 0.632×106 / (5.08×103) = 124.499 N/mm2;支撑钢管的抗压强度设计值 [f]=205 N/mm2;支撑钢管的计算应力 124.499 N/mm2小于钢管的抗弯强度设计值 205 N/mm2,满足要求!三、横向支撑钢管计算横向水平钢管按照承载能力极限状态设计,按照集中荷载作用下的简支梁计算;冲击荷载按最不利情况作用于跨中,上部钢管传递的恒载按等间距步置。
防护棚计算书由于防护棚有双层防护,故只按照承载能力极限状态设计,不考虑正常使用极限状态。
计算书中规定防护棚开间方向为横向,进深方向为纵向,安全通道顶部搭设斜拉架体,中间拉杆以支座计算,受力分析以结构单元计算,依据施工高处作业安全技术规程,冲击荷载考虑1KN。
塔吊属于特种设备,不考虑塔吊倒塌、塔吊配重掉落等几率微小的偶然因素。
受力简图如下:一、参数信息:1、构造参数:立杆横距l b(m):3.2 ;立杆纵距l a(m):1.5 ;防护棚高度H(m):5.8 ;上下防护层间距h1(m):0.8 ;立杆步距h(m):1.2 ;斜撑与立杆连接点与地面的距离h2(m):3.8 ;斜撑与立杆连接点到下防护层的距离h3(m): 1.2;水平钢管搭设方式:钢管沿纵向搭设;水平钢管间距a(m):0.1 ;钢管类型(mm):Φ48 × 3.5 ;扣件连接方式:双扣件 ,取扣件抗滑移承载力系数: 0.8 ;2.荷载参数:高空坠落物最大荷载标准值N(kN):1 ;脚手板自重(kN/m2):0.35 ;3.地基参数:地基土类型:岩石;地基承载力标准值(kpa): 170;立杆基础底面面积(m2): 0.25;地基承载力调整系数: 0.4。
二、纵向水平支撑钢管计算:纵向钢管按照三跨连续梁计算,承受脚手板自重、坠落物冲击集中荷载。
由于防护棚有双层防护,故只按照承载能力极限状态设计,不考虑正常使用极限状态。
截面几何参数如下:截面抵抗矩 W = 5.08 cm3;截面惯性矩 I = 12.19 cm4;纵向钢管计算简图1、荷载的计算:(1)脚手板自重(kN/m):q1 = 0.35×1.2 = 0.42 kN/m;(2) 高空坠落物最大荷载标准值(kN):N= 1 kN;2.强度验算:纵向支撑钢管按三跨连续梁计算;最大弯矩计算公式如下:均布恒载:q = 1.2 ×0.42 = 0.504 kN/m;冲击荷载:F = 1.4×1 = 1.4 kN;最大弯距 M = 0.08×0.504×1.52 + 0.2×1.4×1.5= 0.51 kN.m;最大应力σ = M / W = 0.51×106 / (5.08×103) = 100.53N/mm2;支撑钢管的抗压强度设计值 [f]=205 N/mm2;支撑钢管的计算应力 100.53 N/mm2 小于钢管的抗弯强度设计值 205 N/mm2,满足要求!三、横向支撑钢管计算:横向水平钢管按照承载能力极限状态设计,按照集中荷载作用下的简支梁计算;冲击荷载按最不利情况作用于跨中,上部钢管传递的恒载按等间距步置。
防护棚计算书计算依据:1、《建筑施工扣件式钢管脚手架安全技术规范》JGJ130-20112、《建筑施工高处作业安全技术规范》JGJ80-913、《建筑地基基础设计规范》GB50007-20114、《建筑结构荷载规范》GB50009-20125、《钢结构设计规范》GB50017-2003一、搭设参数计算简图:扣件钢管防护棚_正面图扣件钢管防护棚_侧面图二、荷载设计防护层防护材料自重标准值g k1(kN/m2防护层防护材料类型脚手板0.5)栏杆与挡脚板类型竹串片脚手板栏杆与挡脚板自重标准值g k2(kN/m) 0.11纵向外侧防护荷载标准值g k3(kN/m) 0.2 高空坠落物最大荷载标准值P k(kN) 1三、纵向水平杆验算钢管抗弯强度设计值[f](N/mm2) 205 钢管截面惯性矩I(mm4) 107800 钢管弹性模量E(N/mm2) 206000 钢管截面抵抗矩W(mm3) 4490 承载力使用极限状态格构柱q=1.2(g k1×a+0.033) =1.2×(0.5×0.4+0.033)=0.28kN/mp=1.4P k=1.4×1=1.4kN正常使用极限状态格构柱q1=g k1×a+0.033 =0.5×0.4+0.033=0.233kN/mp1=Pk =1 kN1、抗弯验算M max=0.335 kN·mσ=M max/W=0.335×106/4490=74.711N/mm2≤[f]=205N/mm2 满足要求!2、挠度验算νmax=1.363 mm[ν]=min[max{a1,l a,l2-a1}/150,10] =min[max{400,1500,800-400}/150,10] =10mmνmax≤[ν]满足要求!3、支座反力计算承载力使用极限状态R max=1.637 kN四、横向水平杆验算钢管抗弯强度设计值[f](N/mm2) 205 钢管截面惯性矩I(mm4) 107800 钢管弹性模量E(N/mm2) 206000 钢管截面抵抗矩W(mm3) 4490 承载力使用极限状态格构柱:F=1.2(g k1a+0.033)(l a+ a1)/2=1.2×(0.5×0.4+0.033)×(1.5+0.4)/2=0.266 kN p=1.4P k=1.4×1=1.4 kN正常使用极限状态格构柱:F1=(g k1a+0.033)(l a+ a1)/2=(0.5×0.4+0.033)×(1.5+0.4)/2=0.222 kNp1=P k=1 kN计算简图如下:1、抗弯验算σ=M max/W=0.59×106/4490=131.311N/mm2≤[f]=205N/mm2 满足要求!2、挠度验算νmax=5.356mm≤[ν]=min[max(l1-a1, l b, a1)/150,10] = min[max(2500-400, 6000, 400)/150,10] =10mm满足要求!3、支座反力计算承载力使用极限状态R max=3.081 kN五、扣件抗滑承载力验算扣件连接方式单扣件扣件抗滑移折减系数0.8 R max=3.081 kN≤Rc =0.8×8=6.4 kN满足要求!六、斜撑稳定性验算斜撑计算长度系数μ2 1.3钢管抗弯强度设计值[f](N/mm2) 205 钢管截面惯性矩I(mm4) 107800 钢管弹性模量E(N/mm2) 206000 钢管截面抵抗矩W(mm3) 4490 α1=arctan( l1/(H-h2))=arctan(2500/(3000-1500))=59.036°第1层防护层传递给斜撑荷载计算(1)横向斜撑验算承载力使用极限状态格构柱:F=1.2(g k1a+0.033)(l a+ a1)/2=1.2×(0.5×0.4+0.033)×(1.5+0.4)/2=0.266 kNp=1.4P k=1.4×1=1.4 kN横向斜撑计算简图如下:横向斜撑最大支座反力:R2max =2.125 kN横向斜撑轴向力:N21= R2max/cosα1=2.125/cos59.036°=4.131 kNN=N21=4.131 kN斜撑自由长度:h= (H-(n-1)h1-h2)/cosα1=(3-(1-1)×0.8-1.5)/cos59.036°=2.915 m 斜撑计算长度l0=kμ2h=1×1.3×2.915=3.79 m长细比λ= l0/i=3790.119/15.9=238.372≤250满足要求!轴心受压构件的稳定系数计算:斜撑计算长度l0=kμ2h=1.155*1.300*2.915=4.378m长细比λ= l0/i =4378/15.9=275.32查《规范》JGJ130-2011表A.0.6得,φ= 0.097σ=N/(φA) =4130.941/(0.097×424)=100.655N/mm2σ≤[f]=205N/mm2满足要求!七、立杆稳定性验算立杆荷载计算1、防护棚结构自重N G1k钢管长度:L=n[(l a+ a1) ((l b+2a1)/a+1)/2+ l b]+2( l12+(H-h2)2)0.5+4H=1×[(1.5+0.4)×((6+2×0.4)/0.4+1)/2+6]+2×(2.52+(3-1.5)2)0.5+4×3=40.931m 扣件数量:m=2n[((l b+2a1)/a-3)/2+1×4]=2×1×[((6+2×0.4)/0.4-3)/2+1×4]=22个N G1k=0.033L+0.015m=0.033×40.931+0.015×22=1.693kN2、防护棚构配件自重N G2k防护层防护材料自重标准值N G2k1=n×g k1×(l a+ a1)×(l b+2a1)/2=1×0.5×(1.5+0.4)×(6+2×0.4)/2=3.23 kN栏杆与挡脚板自重标准值N G2k2=g k2×(l a+ a1)=0.11×(1.5+0.4)=0.209 kN纵向外侧防护自重标准值N G2k3=g k3×(l a+ a1)=0.2×(1.5+0.4)=0.38 kNN G2k= N G2k1+ N G2k2+ N G2k3=3.23+0.209+0.38=3.819 kN经计算得到,静荷载标准值:N Gk= N G1k + N G2k=1.693+3.819=5.512 kN3、冲击荷载标准值N QkN Qk=P k=1 kN立杆荷载设计值:N=1.2N Gk+ 1.4N Qk=1.2×5.512+ 1.4×1=8.014 kN立杆的稳定性验算1、立杆长细比验算立杆自由长度h取立杆步距1.2m立杆计算长度l0=kμ1h=1×1.3×1.2=1.56m长细比λ= l0/i=1560/15.9=98.113≤210满足要求!轴心受压构件的稳定系数计算:立杆计算长度l0=kμ2h=1.155*1.300*1.200=1.802m长细比λ= l0/i =1802/15.9=113.32查《规范》JGJ130-2011表A.0.6得,φ= 0.4962、立杆稳定性验算σ= N/4/(φA) =8014.401/4/(0.496×424)=9.527N/mm2σ≤[f]=205N/mm2满足要求!八、立杆地基承载力验算立杆荷载标准值:N=N Gk+ N Qk=5.512+1=6.512 kN立杆底垫板平均压力P=N/(k c A)=6.512/(1×0.25)=26.048 kPa P≤f g=140 kPa满足要求!。
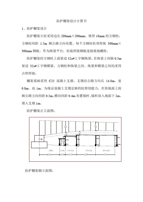
防护棚架设计计算书1、防护棚架设计防护棚架立柱采用边长200mm×200mm,壁厚18mm的方钢柱,方钢柱间距 1.5m顺公路方向布置,每个方钢柱柱顶焊接300mm×300mm钢板,作为纵梁平台,柱底焊接钢板连接接地螺栓。
防护棚架的方钢柱上面架设32a#工字钢纵梁,在纵梁上间隔0.5m 架设32a#工字钢横梁,方钢柱和纵梁之间、纵梁和横梁之间均采用点焊焊接。
棚架基础采用C25混凝土支墩,支墩沿公路方向长14.8m,宽0.8m,高1m。
为保证混凝土支墩足够的抗剪切能力,在原地面上按顺公路方向间距0.5m,横向间距0.4m布置锚杆,锚杆深入地面下2m,埋入支墩1m。
防护棚架正立面图:防护棚架侧立面图:2、工字钢承载力计算2.1横向工字钢受力计算永久荷载:木方及竹胶板自重 0.5 kPa ×0.5 m=0.250 kN/m 工32a 号型钢自重 52.7 kg/m ×9.8N/kg=0.517 kN/m 可变荷载:施工荷载 1 kn/m 2×0.5 m=0.5 kN/m荷载组合: q=1.2×(0.250+0.517) + 1.4×0.5 =1.621kN/m跨中弯矩计算公式:(l 为32a#工字钢长度,l=11m )M=0.5(q+g )l 2=98.07kn ·m跨中剪应力计算公式:V=-0.5(g+q )l =-0.892kn分别考虑1.1、1.2系数的安全贮备,Q235工字钢容许正应力、切应力分别为MPa 191][=σ、MPa 175][=τ;根据最大弯矩、剪力计算最大正应力、剪应力:MPa MPa W M x 191][2.71411092.6107.09843max max =>=⨯⨯==-σσ 满足要求 MPa MPa d I S V x x 175][4.30105.9105.271092.80323*max max =<=⨯⨯⨯⨯==--ττ 满足要求2.2 纵向工字钢受力计算根据荷载传递路径可知,纵梁工字钢所受荷载为集中力荷载,大小同横向工字钢受力。
防护棚计算书编制依据:《建筑施工高处作业安全技术规范》JGJ80-91、《建筑施工扣件式钢管脚手架安全技术规范》JGJ130-2001。
由于防护棚有双层防护,故只按照承载能力极限状态设计,不考虑正常使用极限状态。
计算书中规定防护棚开间方向为横向,进深方向为纵向,简图如下:[mm]单位:单位:[mm]JDaIT)4w—££7f2100*——-----------1I二I一、参数信息1、构造参数立杆横距I b(m): 1.8 ;立杆纵距l a(m): 2.1 ;防护棚高度H(m): 5 ;上下防护层间距h i(m): 0.6 ;立杆步距h(m): 1.5 ;斜撑与立杆连接点与地面的距离h2(m): 1.6 ;斜撑与立杆连接点到下防护层的距离h3(m): 1.5 ;水平钢管搭设方式:钢管沿纵向搭设;水平钢管间距a(m): 0.3 ;钢管类型:①48 X 3.5;扣件连接方式:双扣件,双扣件抗滑承载力调整系数:0.82. 荷载参数高空坠落物最大荷载标准值N(kN): 1 ;脚手板自重(kN/m2) : 0.35 ;栏杆及挡脚板自重(kN/m) : 0.15 ;3. 地基参数地基土类型:素填土;地基承载力标准值(kPa): 120 ;立杆基础底面面积(m2): 0.25 ;地基承载力调整系数:1。
、纵向水平支撑钢管计算纵向钢管按照三跨连续梁计算,承受脚手板自重、坠落物冲击集中荷载。
由于防护棚有双层防护,故只按照承载能力极限状态设计,不考虑正常使用极限状态。
截面几何参数如下:截面抵抗矩W = 5.08 cm 3;截面惯性矩I = 12.19 cm 4;纵向钢管计算简图1. 荷载的计算(1) 脚手板自重(kN/m):q1 = 0.35 X 0.3 = 0.105 kN/m ;(2) 高空坠落物最大荷载标准值(kN):N= 1 kN ;2. 强度验算纵向支撑钢管按三跨连续梁计算;最大弯矩计算公式如下:M = 0.08ql 2 + 0.2FI均布恒载:q = 1.2 X 0.105 = 0.126 kN/m ;冲击荷载:F = 1.4 X 1 = 1.4 kN ;最大弯距M = 0.08 X 0.126 X 2.12 + 0.2 X 1.4 X 2.1= 0.632 kN.m ;最大应力(T = M / W = 0.632 X%0(5.08 1X3) = 124.499 N/mm 2;支撑钢管的抗压强度设计值[f]=205 N/mm 2;支撑钢管的计算应力124.499 N/mm小于钢管的抗弯强度设计值205 N/mf,满足要求!三、横向支撑钢管计算横向水平钢管按照承载能力极限状态设计,按照集中荷载作用下的简支梁计算;冲击荷载按最不利情况作用于跨中,上部钢管传递的恒载按等间距步置。
防护棚设计计算书一、计算依据1、《建筑施工扣件式钢管脚手架安全技术规范》JGJ130-20112、《建筑结构荷载规范》GB50009-20123、《钢结构设计规范》GB50017-20034、《建筑施工临时支撑结构技术规范》JGJ300-20135、《建筑施工高处作业安全技术规范》JGJ80-2011二、计算参数及简图基本参数名称防护棚-1防护棚长度L(m13.4防护棚高度H(m7 立杆纵距la(m 2 立杆横距l b(m 4 立杆步距h(m 2防护层层数n 2 防护层间距h1(m0.7防护层次梁方向纵向搭设防护层次梁间距a(m0.5是否设置斜撑是斜撑底端高度l1(m4斜撑水平宽度l2(m 1.333 立杆纵向防护方式斜撑立杆形式双立杆格构柱截面边长b(m/主梁与立杆扣接方式单扣件材料参数钢管类型Φ51×3脚手板类型木脚手板脚手板自重标准值g1k(kN/m20.35 地基基础类型混凝土楼板地基承载力特征值f ak(kPa/ 架体底部垫板面积A(m20.2搭设省份上海(省搭设城市上海(市基本风压值Wo(kN/m^20.4地面粗糙度类型C类指有密集建筑群的城市市区最大集中荷载标准值F k(kN 1.5 示意简图(图1)正立面图(图2)侧立面图三、防护层纵向水平钢管验算脚手板下为纵向搭设钢管时,钢管主要承受荷载为:恒荷载为钢管自重,脚手板自重;活荷载为高空坠物等产生最大集中荷载;强度验算采用荷载效应基本组合的设计值,按规范恒荷载分项系数取1.2,活荷载取1.4;挠度验算按正常使用极限状态验算变形,分项系数均为1.0。
按单跨简支梁模型计算,结果偏于安全。
1、强度验算恒荷载为:g1=1.2(g+g1k×a=1.2×(0.035+0.35×0.5=0.253kN/m活荷载为:F1=1.4F k=1.4×1.5=2.1kN受力简图如下:(图3)简支梁受力简图1(图4)承载能力极限状态下的应力图M max=0.811kN·mσ=M max/W=0.811×106/5130=158.047N/mm2≤[f]=205N/mm2 满足要求2、挠度验算恒荷载:g k1=g+g1k×a=0.035+0.35×0.5=0.21kN/m活荷载:F k1=F k=1.5kN(图5)正常使用极限状态下的受力简图(图6)次梁变形图(mmνmax=6.013mm≤[ν]=10mm满足要求四、防护层横向水平钢管验算横向钢管主要承受纵向钢管传递的集中力及钢管自重,恒荷载为:纵向钢管传递的恒荷载及横向钢管自重,活荷载为纵向钢管传递下来的活荷载;分别按承载能力极限状态和正常使用极限状态进行强度及挠度验算。
防护棚设计计算书-1防护棚设计计算书一、计算依据1、《建筑施工扣件式钢管脚手架安全技术规范》JGJ130-20112、《建筑结构荷载规范》GB50009-20123、《钢结构设计规范》GB50017-20034、《建筑施工临时支撑结构技术规范》JGJ300-20135、《建筑施工高处作业安全技术规范》JGJ80-2011二、计算参数及简图示意简图(图1)正立面图(图2)侧立面图三、防护层纵向水平钢管验算脚手板下为纵向搭设钢管时,钢管主要承受荷载为:恒荷载为钢管自重,脚手板自重;活荷载为高空坠物等产生最大集中荷载;强度验算采用荷载效应基本组合的设计值,按规范恒荷载分项系数取1.2,活荷载取1.4;挠度验算按正常使用极限状态验算变形,分项系数均为1.0。
按单跨简支梁模型计算,结果偏于安全。
1、强度验算恒荷载为:g1=1.2(g+g1k×a)=1.2×(0.035+0.35×0.5)=0.253kN/m活荷载为:F1=1.4F k=1.4×1.5=2.1kN受力简图如下:(图3)简支梁受力简图1(图4)承载能力极限状态下的应力图M max=0.811kN·mσ=M max/W=0.811×106/5130=158.047N/mm2≤[f]=205N/mm2满足要求2、挠度验算恒荷载:g k1=g+g1k×a=0.035+0.35×0.5=0.21kN/m活荷载:F k1=F k=1.5kN(图5)正常使用极限状态下的受力简图(图6)次梁变形图(mm)νmax=6.013mm≤[ν]=10mm满足要求四、防护层横向水平钢管验算横向钢管主要承受纵向钢管传递的集中力及钢管自重,恒荷载为:纵向钢管传递的恒荷载及横向钢管自重,活荷载为纵向钢管传递下来的活荷载;分别按承载能力极限状态和正常使用极限状态进行强度及挠度验算。
1、强度验算恒荷载:g2=1.2g=1.2×0.035=0.043kN/mF21=1.2(g+g1k×a)×l a=1.2×(0.035+0.35×0.5)×2=0.505kN活荷载:F22=1.4F k=1.4×1.5=2.1kN受力简图如下:(图7)横向钢管受力简图(图8)承载能力极限状态下的应力图M max=0.615kN·m;σ=M max/W=0.615×106/5130=119.825N/mm2≤[f]=205N/mm2满足要求2、挠度验算恒荷载:g k2=g=0.035kN/mF k21=(g+g1k×a)×l a=(0.035+0.35×0.5)×2=0.421kN/m活荷载:F k22=F k=1.5kN简图如下:(图9)正常使用极限状态下的受力简图(图10)横向钢管变形图(mm) νmax=2.172mm≤[ν]=10mm满足要求3、支座反力计算承载能力极限状态下支座反力为:R=3.941kN正常使用极限状态下支座反力为:R k=2.996kN五、扣件抗滑移计算由上知最大扣件滑移力为R max==3.941kN≤[R]=8N/mm2满足要求六、立柱验算1、长细比验算防护棚立杆一般只在纵向有水平支撑杆,横向只有地面、斜撑(存在时)及防护层约束,故一般为横向失稳。
防护棚计算书计算依据:1、《建筑施工扣件式钢管脚手架安全技术标准》T/CECS 699-20202、《建筑施工扣件式钢管脚手架安全技术规范》JGJ130-20113、《建筑施工高处作业安全技术规范》JGJ80-20164、《建筑地基基础设计规范》GB50007-20115、《建筑结构荷载规范》GB50009-20126、《钢结构设计标准》GB50017-20176、《建筑结构可靠性设计统一标准》GB50068-2018一、搭设参数计算简图:扣件钢管防护棚_正面图扣件钢管防护棚_侧面图二、荷载设计防护层防护材料自重标准值防护层防护材料类型脚手板0.5g k1(kN/m2)栏杆与挡脚板类型竹串片脚手板栏杆与挡脚板自重标准值g k2(kN/m) 0.11纵向外侧防护荷载标准值g k3(kN/m) 0.2 高空坠落物最大荷载标准值P k(kN) 1钢管抗弯强度设计值[f](N/mm2) 205 钢管截面惯性矩I(mm4) 107800 钢管弹性模量E(N/mm2) 206000 钢管截面抵抗矩W(mm3) 4490 格构柱q=γ0×1.3(g k1×a+0.033) =1×1.3×(0.5×0.4+0.033)=0.303kN/m p=γ0×1.5×P k=1×1.5×1=1.5kN正常使用极限状态格构柱q1=g k1×a+0.033 =0.5×0.4+0.033=0.233kN/mp1=Pk =1 kN1、抗弯验算M max=0.36 kN·mσ=M max/W=0.36×106/4490=80.127N/mm2≤[f]=205N/mm2满足要求!2、挠度验算νmax=1.363 mm[ν]=min[max{a1,l a,l2-a1}/150,10] = min[max{400,1500,800-400}/150,10] =10mmνmax≤[ν]满足要求!3、支座反力计算承载力使用极限状态R max=1.758 kN四、横向水平杆验算钢管抗弯强度设计值[f](N/mm2) 205 钢管截面惯性矩I(mm4) 107800钢管弹性模量E(N/mm2) 206000 钢管截面抵抗矩W(mm3) 4490 承载力使用极限状态格构柱:F=γ0×1.3(g k1a+0.033)(l a+ a1)/2=1×1.3×(0.5×0.4+0.033)×(1.5+0.4)/2=0.288 kNp=γ0×1.5×P k=1×1.5×1=1.5 kN正常使用极限状态格构柱:F1=(g k1a+0.033)(l a+ a1)/2=(0.5×0.4+0.033)×(1.5+0.4)/2=0.222 kNp1=P k=1 kN计算简图如下:1、抗弯验算σ=M max/W=0.633×106/4490=141.059N/mm2≤[f]=205N/mm2 满足要求!2、挠度验算νmax=5.356mm≤[ν]=min[max(l1-a1, l b, a1)/150,10] = min[max(2500-400, 6000, 400)/150,10] =10mm满足要求!3、支座反力计算承载力使用极限状态R max=3.316 kN五、扣件抗滑承载力验算扣件连接方式单扣件扣件抗滑移折减系数0.8 max满足要求!六、斜撑稳定性验算斜撑计算长度系数μ2 1.5钢管抗弯强度设计值[f](N/mm2) 205 钢管截面惯性矩I(mm4) 107800钢管弹性模量E(N/mm2) 206000 钢管截面抵抗矩W(mm3) 4490 112第1层防护层传递给斜撑荷载计算(1)横向斜撑验算承载力使用极限状态格构柱:F=γ0×1.3(g k1a+0.033)(l a+ a1)/2=1×1.3×(0.5×0.4+0.033)×(1.5+0.4)/2=0.288 kNp=γ0×1.5×P k=1×1.5×1=1.5 kN横向斜撑计算简图如下:横向斜撑最大支座反力:R2max =2.292 kN横向斜撑轴向力:N21= R2max/cosα1=2.292/cos45°=3.241 kNN=N21=3.241 kN斜撑自由长度:h= h1/cosα1=0.8/cos45°=1.131 m 斜撑计算长度l0=kμ2h=1×1.5×1.131=1.697 m长细比λ= l0/i=1697.056/15.9=106.733≤250轴心受压构件的稳定系数计算:斜撑计算长度l0=kμ2h=1.155*1.500*1.131=1.960m长细比λ= l0/i =1960/15.9=123.28查《建筑施工扣件式钢管脚手架安全技术标准》T/CECS 699-2020表A.0.5得,φ= 0.434σ= N/(φA) =3241.024/(0.434×424)=17.613N/mm2σ≤[f]=205N/mm2满足要求!第2层防护层传递给斜撑荷载计算(1)横向斜撑验算承载力使用极限状态格构柱:F=γ0×1.3(g k1a+0.033)(l a+ a1)/2=1×1.3×(0.5×0.4+0.033)×(1.5+0.4)/2=0.288 kN 横向斜撑计算简图如下:横向斜撑最大支座反力:R2max =2.233 kN横向斜撑轴向力:N22= R2max/cosα1=2.233/cos45°=3.158 kNN=N21+N22=6.399 kN斜撑自由长度:h= (H-(n-1)h1-h2)/cosα1=(5.5-(2-1)×0.8-3)/cos45°=2.404 m斜撑计算长度l0=kμ2h=1×1.5×2.404=3.606 m长细比λ= l0/i=3606.245/15.9=226.808≤250轴心受压构件的稳定系数计算:斜撑计算长度l0=kμ2h=1.155*1.500*2.404=4.165m长细比λ= l0/i =4165/15.9=261.96查《建筑施工扣件式钢管脚手架安全技术标准》T/CECS 699-2020表A.0.5得,φ= 0.107σ= N/(φA) =6398.982/(0.107×424)=140.448N/mm2σ≤[f]=205N/mm2满足要求!七、立杆稳定性验算1、防护棚结构自重N G1k钢管长度:L=n[(l a+ a1) ((l b+2a1)/a+1)/2+ l b]+2( l12+(H-h2)2)0.5+4H=2×[(1.5+0.4)×((6+2×0.4)/0.4+1)/2+6]+2×(2.52+(5.5-3)2)0.5+4×5.5=75.271m 扣件数量:m=2n[((l b+2a1)/a-3)/2+1×4]=2×2×[((6+2×0.4)/0.4-3)/2+1×4]=44个N G1k=0.033L+0.015m=0.033×75.271+0.015×44=3.167kN2、防护棚构配件自重N G2k防护层防护材料自重标准值N G2k1=n×g k1×(l a+ a1)×(l b+2a1)/2=2×0.5×(1.5+0.4)×(6+2×0.4)/2=6.46 kN栏杆与挡脚板自重标准值N G2k2=g k2×(l a+ a1)=0.11×(1.5+0.4)=0.209 kN纵向外侧防护自重标准值N G2k3=g k3×(l a+ a1)=0.2×(1.5+0.4)=0.38 kNN G2k= N G2k1+ N G2k2+ N G2k3=6.46+0.209+0.38=7.049 kN经计算得到,静荷载标准值:N Gk= N G1k + N G2k=3.167+7.049=10.216 kN3、冲击荷载标准值N QkN Qk=P k=1 kN立杆荷载设计值:N=γ0×[1.3×N Gk+1.5×N Qk]=1×[1.3×10.216+1.5×1]=14.78 kN 立杆的稳定性验算1、立杆长细比验算立杆自由长度h取立杆步距1.2m立杆计算长度l0=kμ1h=1×1.5×1.2=1.8m长细比λ= l0/i=1800/15.9=113.208≤210满足要求!轴心受压构件的稳定系数计算:立杆计算长度l0=kμ2h=1.155*1.500*1.200=2.079m长细比λ= l0/i =2079/15.9=130.75查《建筑施工扣件式钢管脚手架安全技术标准》T/CECS 699-2020表A.0.5得,φ= 0.3962、立杆稳定性验算σ= N/4/(φA) =14780.185/4/(0.396×424)=22.007N/mm2σ≤[f]=205N/mm2满足要求!八、立杆地基承载力验算Gk Qk立杆底垫板平均压力P=N/(k c A)=11.216/(1×0.25)=44.862 kPaP≤f g=140 kPa满足要求!。
防护棚计算书一、搭设参数计算简图:扣件钢管防护棚_正面图扣件钢管防护棚_侧面图二、荷载设计三、纵向水平杆验算承载力使用极限状态非格构柱q=1.2(g k1×a+0.035) =1.2×(0.5×0.5+0.035)=0.342kN/mp=1.4P k=1.4×1=1.4kN正常使用极限状态非格构柱q1=g k1×a+0.035 =0.5×0.5+0.035=0.285kN/mp1=Pk =1 kN1、抗弯验算M max=ql a2/8+0.25pl a=0.342×1.52/8+0.25×1.4×1.5=0.621 kN·mσ=M max/W=0.621×106/4730=131.358N/mm2≤[f]=205N/mm2满足要求!2、挠度验算νmax=5q1l a4/(384EI)+p1l a3/(48EI)=5×0.285×15004/(384×206000×113600)+1×15003/(48×206000×113600)=0.807m m[ν]=min[l a/150,10]=min[1500/150,10]=10mmνmax≤[ν]满足要求!3、支座反力计算承载力使用极限状态R max= ql a/2+p/2=0.342×1.5/2+1.4/2=0.957 kN四、横向水平杆验算承载力使用极限状态非格构柱:F=1.2(g k1a+0.035)l a=1.2×(0.5×0.5+0.035)×1.5=0.514 kN p=1.4P k=1.4×1=1.4 kN正常使用极限状态非格构柱:F1=(g k1a+0.035)l a=(0.5×0.5+0.035)×1.5=0.428 kNp1=P k=1 kN计算简图如下:1、抗弯验算σ=M max/W=0.432×106/4730=91.43N/mm2≤[f]=205N/mm2满足要求!2、挠度验算νmax=1.52mm≤[ν]=min[max(l1, l b)/150,10] = min[max(1200, 3000)/150,10] =10mm 满足要求!3、支座反力计算承载力使用极限状态R max=2.302 kN五、扣件抗滑承载力验算R max=2.302 kN≤Rc =0.8×8=6.4 kN满足要求!六、斜撑稳定性验算α1=arctan( l1/(H-h2))=arctan(1200/(4000-2500))=38.66°第1层防护层传递给斜撑荷载计算(1)横向斜撑验算承载力使用极限状态非格构柱:F=1.2(g k1a+0.035)l a=1.2×(0.5×0.5+0.035)×1.5=0.514 kNp=1.4P k=1.4×1=1.4 kN横向斜撑计算简图如下:横向斜撑最大支座反力:R2max =2.302 kN横向斜撑轴向力:N21= R2max/cosα1=2.302/cos38.66°=2.948 kNN=N21=2.948 kN斜撑自由长度:h= h1/cosα1=0.8/cos38.66°=1.024 m斜撑计算长度l0=kμ2h=1×1.3×1.024=1.332 m长细比λ= l0/i=1331.85/15.9=83.764≤250满足要求!轴心受压构件的稳定系数计算:斜撑计算长度l0=kμ2h=1.155*1.300*1.024=1.538m长细比λ= l0/i =1538/15.9=96.75查《规范》JGJ130-2011表A.0.6得,φ= 0.618σ= N/(φA) =2947.99/(0.618×450)=10.6N/mm2σ≤[f]=205N/mm2满足要求!第2层防护层传递给斜撑荷载计算(1)横向斜撑验算承载力使用极限状态非格构柱:F=1.2(g k1a+0.035)l a=1.2×(0.5×0.5+0.035)×1.5=0.514 kN 横向斜撑计算简图如下:横向斜撑最大支座反力:R2max =1.671 kN横向斜撑轴向力:N22= R2max/cosα1=1.671/cos38.66°=2.14 kNN=N21+N22=5.088 kN斜撑自由长度:h= (H-(n-1)h1-h2)/cosα1=(4-(2-1)×0.8-2.5)/cos38.66°=0.896 m 斜撑计算长度l0=kμ2h=1×1.3×0.896=1.165 m长细比λ= l0/i=1165.37/15.9=73.294≤250满足要求!轴心受压构件的稳定系数计算:斜撑计算长度l0=kμ2h=1.155*1.300*0.896=1.346m长细比λ= l0/i =1346/15.9=84.65查《规范》JGJ130-2011表A.0.6得,φ= 0.698σ= N/(φA) =5088.267/(0.698×450)=16.2N/mm2σ≤[f]=205N/mm2满足要求!七、立杆稳定性验算立杆荷载计算1、防护棚结构自重N G1k钢管长度:L=n[l a(l b/a+1)/2+ l b/2]+( l12+(H-h2)2)0.5+H=2×[1.5×(3/0.5+1)/2+3/2]+(1.22+(4-2.5)2)0.5+4=19.421m扣件数量:m=n[(l b/a-1)/2+1×2]=2×[(3/0.5-1)/2+1×2]=9个N G1k=0.035L+0.015m=0.035×19.42+0.015×9=0.823kN2、防护棚构配件自重N G2k防护层防护材料自重标准值N G2k1=n×g k1×l a×l b/2=2×0.5×1.5×3/2=2.25 kN栏杆与挡脚板自重标准值N G2k2=g k2×l a=0.11×1.5=0.165 kN纵向外侧防护自重标准值N G2k3=g k3×l a=0.2×1.5=0.3 kNN G2k= N G2k1+ N G2k2+ N G2k3=2.25+0.165+0.3=2.715 kN经计算得到,静荷载标准值:N Gk= N G1k + N G2k=0.823+2.715=3.538 kN3、冲击荷载标准值N QkN Qk=P k=1 kN立杆荷载设计值:N=1.2N Gk+ 1.4N Qk=1.2×3.538+ 1.4×1=5.645 kN立杆的稳定性验算1、立杆长细比验算防护棚不同于落地脚手架,一般的落地架在主节点处有横向水平杆支撑,故立杆自由长度取立杆步距;而防护棚在主节点处大多无横向水平杆支撑,立杆自由长度h取值如下:斜撑与立杆的连接点到地面的距离h2=2.5m斜撑与立杆的连接点到下层防护层的距离H-(n-1)h1-h2=4-(2-1)×0.8-2.5=0.7m立杆自由长度h取上述两者的最大值2.5m立杆计算长度l0=kμ1h=1×1.3×2.5=3.25m长细比λ= l0/i=3250/15.9=204.403≤210满足要求!轴心受压构件的稳定系数计算:立杆计算长度l0=kμ2h=1.155*1.300*2.500=3.754m长细比λ= l0/i =3754/15.9=236.08查《规范》JGJ130-2011表A.0.6得,φ= 0.1312、立杆稳定性验算σ= N/(φA) =5645.001/(0.131×450)=95.759N/mm2σ≤[f]=205N/mm2满足要求!八、立杆地基承载力验算立杆荷载标准值:N=N Gk+ N Qk=3.54+1=4.54立杆底垫板平均压力P=N/(k c A)=4.538/(1×0.25)=18.15 kPaP≤f g=85 kPa满足要求!下面是赠送的中秋节演讲辞,不需要的朋友可以下载后编辑删除谢谢中秋佳节演讲词推荐中秋,怀一颗感恩之心》老师们,同学们:秋浓了,月圆了,又一个中秋要到了!本周日,农历的八月十五,我国的传统节日——中秋节。
某某某某某某某某某某某某某某某某某工程QB标某某某双线特大桥12#~13#墩跨某某某安全防护棚计算书计算:复核:审核:某某某某某某某某某某指挥部一项目经理部2011年15月目录1、工程简介 (1)2、技术标准及参考资料 (1)2.1规范 (1)2.2参考书籍及文献 (1)2.3计算软件 (1)2.4参照图纸 (1)3、方案概述 (2)4、检算 (2)4.1 荷载分析 (2)4.2模板检算 (2)4.3枋木检算 (4)4.4工字钢检算 (5)4.5钢管柱检算 (7)4.6地基检算 (7)某某某双线特大桥12#∽13#跨某某某安全防护棚计算书1、工程简介某某某某一项目部承担某某某某某某某某某某某某某某某某某的工程正线起止里程为DK0+000~DK9+047,长9.047km;钦州地区某某改线、客车联络线、某某线改线、某某线改线施工便线长7.74km;线路总长16.787km。
主要有大、中桥梁9座,总长5628.37米;人行天桥及地道桥4座,立交桥1座,框架桥4座,改线桥4座。
某某某双线特大桥是某某段四重点工程之一,桥梁范围为DK0+934.610~DK2+947.599,桥梁全长2012.989m。
40+64+40m连续梁起止里程为DK1+315.400~DK1+460.600,起止墩号为11#~14#墩,在K111+100~K111+180范围跨越既有某某某及某某新建二线;线路交角为40°,采用挂篮悬灌法施工,为保证跨线施工过程下行列车安全运行,计划在跨线范围设置安全防护棚。
2、技术标准及参考资料2.1规范《建筑施工模板安全技术规范》(JGJ162-2008)《钢结构设计规范》(GB50017-2003)2.2参考书籍及文献《路桥施工计算手册》(周兴水等著,人民交通出版社)2.3计算软件Midas Civil(版本号: 2006.7.0.0)2.4参照图纸《DK1+388某某某双线特大桥设计图》3、方案概述现场考察12#墩侧路肩中心距离轨道2.5m ,13#墩侧路肩中心距离轨道3.2m 。
安全通道防护棚计算书计算依据:1、《建筑施工扣件式钢管脚手架安全技术规范》JGJ130-20112、《建筑施工高处作业安全技术规范》JGJ80-913、《建筑地基基础设计规范》GB50007-20114、《建筑结构荷载规范》GB50009-20125、《钢结构设计规范》GB50017-2003一、搭设参数计算简图:扣件钢管防护棚_正面图扣件钢管防护棚_侧面图二、荷载设计三、纵向水平杆验算承载力使用极限状态:格构柱q=1.2(g×a+0.033) =1.2×(0.5×0.4+0.033)=0.28kN/m k1=1.4×1=1.4kNp=1.4Pk正常使用极限状态格构柱q1=g×a+0.033 =0.5×0.4+0.033=0.233kN/mk1p1=Pk =1 kN1、抗弯验算Mmax=0.335 kN·mσ=Mmax/W=0.335×106/4490=74.711N/mm2≤[f]=205N/mm2 满足要求!2、挠度验算νmax=1.363 mm[ν]=min[max{a1,la,l2-a1}/150,10] = min[max{400,1500,800-400}/150,10] =10mmνmax≤[ν] 满足要求!3、支座反力计算承载力使用极限状态 Rmax=1.637 kN 四、横向水平杆验算承载力使用极限状态格构柱:F=1.2(gk1a+0.033)(la+ a1)/2=1.2×(0.5×0.4+0.033)×(1.5+0.4)/2=0.266 kNp=1.4Pk=1.4×1=1.4 kN 正常使用极限状态格构柱:F1=(gk1a+0.033)(la+ a1)/2=(0.5×0.4+0.033)×(1.5+0.4)/2=0.222 kNp1=Pk=1 kN计算简图如下:1、抗弯验算/W=0.483×106/4490=107.594N/mm2≤[f]=205N/mm2 σ=Mmax满足要求!2、挠度验算νmax =3.109mm≤[ν]=min[max(l1-a1, lb, a1)/150,10] = min[max(2200-400,3600, 400)/150,10] =10mm满足要求!3、支座反力计算承载力使用极限状态Rmax=2.593 kN五、扣件抗滑承载力验算Rmax=2.593 kN≤Rc =0.8×8=6.4 kN 满足要求!六、斜撑稳定性验算α1=arctan( l1/(H-h2))=arctan(2200/(4000-2500))=55.713°第1层防护层传递给斜撑荷载计算(1)横向斜撑验算承载力使用极限状态格构柱:F=1.2(gk1a+0.033)(la+ a1)/2=1.2×(0.5×0.4+0.033)×(1.5+0.4)/2=0.266 kNp=1.4Pk=1.4×1=1.4 kN 横向斜撑计算简图如下:横向斜撑最大支座反力:R2max=2.022 kN 横向斜撑轴向力:N21= R2max/cosα1=2.022/cos55.713°=3.589 kNN=N21=3.589 kN斜撑自由长度:h= h1/cosα1=0.8/cos55.713°=1.42 m斜撑计算长度l0=kμ2h=1×1.3×1.42=1.846 m长细比λ= l/i=1846.142/15.9=116.11≤250 满足要求!轴心受压构件的稳定系数计算:斜撑计算长度l0=kμ2h=1.155*1.300*1.420=2.132m长细比λ= l/i =2132/15.9=134.11查《规范》JGJ130-2011表A.0.6得,φ= 0.376σ= N/(φA) =3588.705/(0.376×424)=22.51N/mm2 σ≤[f]=205N/mm2满足要求!第2层防护层传递给斜撑荷载计算(1)横向斜撑验算承载力使用极限状态格构柱:F=1.2(gk1a+0.033)(la+ a1)/2=1.2×(0.5×0.4+0.033)×(1.5+0.4)/2=0.266 kN横向斜撑计算简图如下:横向斜撑最大支座反力:R2max=1.509 kN 横向斜撑轴向力:N22= R2max/cosα1=1.509/cos55.713°=2.679 kNN=N21+N22=6.268 kN斜撑自由长度:h= (H-(n-1)h1-h2)/cosα1=(4-(2-1)×0.8-2.5)/cos55.713°=1.243 m斜撑计算长度l0=kμ2h=1×1.3×1.243=1.615 m长细比λ= l/i=1615.375/15.9=101.596≤250 满足要求!轴心受压构件的稳定系数计算:斜撑计算长度l0=kμ2h=1.155*1.300*1.243=1.866m长细比λ= l/i =1866/15.9=117.34查《规范》JGJ130-2011表A.0.6得,φ= 0.47σ= N/(φA) =6267.938/(0.47×424)=31.453N/mm2 σ≤[f]=205N/mm2满足要求!七、立杆稳定性验算立杆荷载计算1、防护棚结构自重NG1k 钢管长度:L=n[(la + a1) ((lb+2a1)/a+1)/2+ lb]+2( l12+(H- h2)2)0.5+4H=2×[(1.5+0.4)×((3.6+2×0.4)/0.4+1)/2+3.6]+2×(2.22+(4-2.5)2)0.5+4×4=51.325m 扣件数量:m=2n[((lb +2a1)/a-3)/2+1×4]=2×2×[((3.6+2×0.4)/0.4-3)/2+1×4]=32个NG1k=0.033L+0.015m=0.033×51.325+0.015×32=2.189kN2、防护棚构配件自重NG2k防护层防护材料自重标准值NG2k1=n×gk1×(la+ a1)×(lb+ 2a1)/2=2×0.5×(1.5+0.4)×(3.6+2×0.4)/2=4.18 kN栏杆与挡脚板自重标准值NG2k2=gk2×(la+ a1)=0.11×(1.5+0.4)=0.209 kN纵向外侧防护自重标准值NG2k3=gk3×(la+ a1)=0.2×(1.5+0.4)=0.38 kNNG2k = NG2k1+ NG2k2+ NG2k3=4.18+0.209+0.38=4.769 kN经计算得到,静荷载标准值:NGk = NG1k+ NG2k=2.189+4.769=6.958 kN3、冲击荷载标准值NQkNQk =Pk=1 kN立杆荷载设计值:N=1.2NGk + 1.4NQk=1.2×6.958+ 1.4×1=9.75 kN立杆的稳定性验算1、立杆长细比验算立杆自由长度h取立杆步距1.2m立杆计算长度l0=kμ1h=1×1.3×1.2=1.56m长细比λ= l/i=1560/15.9=98.113≤210 满足要求!轴心受压构件的稳定系数计算:立杆计算长度l0=kμ2h=1.155*1.300*1.200=1.802m长细比λ= l/i =1802/15.9=113.32查《规范》JGJ130-2011表A.0.6得,φ= 0.496 2、立杆稳定性验算标准文档实用大全 σ= N/4/(φA) =9749.763/4/(0.496×424)=11.59N/mm 2 σ≤[f]=205N/mm 2满足要求!八、立杆地基承载力验算立杆荷载标准值:N=N Gk + N Qk =6.958+1=7.958立杆底垫板平均压力P=N/(k c A)=7.958/(1×0.25)=31.833 kPaP ≤f g =140 kPa满足要求!。
防护棚计算书计算依据:1、《建筑施工扣件式钢管脚手架安全技术规范》JGJ130-20112、《建筑施工高处作业安全技术规范》JGJ80-913、《建筑地基基础设计规范》GB50007-20114、《建筑结构荷载规范》GB50009-20125、《钢结构设计规范》GB50017-2003一、搭设参数计算简图:扣件钢管防护棚_正面图扣件钢管防护棚_侧面图二、荷载设计三、纵向水平杆验算承载力使用极限状态格构柱q=1.2(g k1×a+0.033) =1.2×(0.5×0.4+0.033)=0.28kN/mp=1.4P k=1.4×1=1.4kN正常使用极限状态格构柱q1=g k1×a+0.033 =0.5×0.4+0.033=0.233kN/m p1=Pk =1 kN1、抗弯验算M max=0.335 kN·mσ=M max/W=0.335×106/4490=74.711N/mm2≤[f]=205N/mm2满足要求!2、挠度验算νmax=1.36 mm[ν]=min[max{a1,l a,l2-a1}/150,10] = min[max{400,1500,800-400}/150,10] =10mmνmax≤[ν]满足要求!3、支座反力计算承载力使用极限状态R max=1.637 kN四、横向水平杆验算承载力使用极限状态格构柱:F=1.2(g k1a+0.033)(l a+ a1)/2=1.2×(0.5×0.4+0.033)×(1.5+0.4)/2=0.266 kN p=1.4P k=1.4×1=1.4 kN正常使用极限状态格构柱:F1=(g k1a+0.033)(l a+ a1)/2=(0.5×0.4+0.033)×(1.5+0.4)/2=0.222 kNp1=P k=1 kN计算简图如下:1、抗弯验算σ=M max/W=0.438×106/4490=97.457N/mm2≤[f]=205N/mm2 满足要求!2、挠度验算νmax=2.23mm≤[ν]=min[max(l1-a1, l b, a1)/150,10] = min[max(2000-400, 4000, 400)/150,10] =10mm满足要求!3、支座反力计算承载力使用极限状态R max=2.367 kN五、扣件抗滑承载力验算R max=2.367 kN≤Rc =0.8×8=6.4 kN满足要求!六、斜撑稳定性验算α1=arctan( l1/(H-h2))=arctan(2000/(5500-3000))=38.66°第1层防护层传递给斜撑荷载计算(1)横向斜撑验算承载力使用极限状态格构柱:F=1.2(g k1a+0.033)(l a+ a1)/2=1.2×(0.5×0.4+0.033)×(1.5+0.4)/2=0.266 kN p=1.4P k=1.4×1=1.4 kN横向斜撑计算简图如下:横向斜撑最大支座反力:R2max =1.743 kN横向斜撑轴向力:N21= R2max/cosα1=1.743/cos38.66°=2.232 kNN=N21=2.232 kN斜撑自由长度:h= h1/cosα1=0.8/cos38.66°=1.024 m 斜撑计算长度l0=kμ2h=1×1.3×1.024=1.332 m长细比λ= l0/i=1331.85/15.9=83.764≤250满足要求!轴心受压构件的稳定系数计算:斜撑计算长度l0=kμ2h=1.155*1.300*1.024=1.538m长细比λ= l0/i =1538/15.9=96.75查《规范》JGJ130-2011表A.0.6得,φ= 0.618σ= N/(φA) =2232.399/(0.618×424)=8.52N/mm2σ≤[f]=205N/mm2满足要求!第2层防护层传递给斜撑荷载计算(1)横向斜撑验算承载力使用极限状态格构柱:F=1.2(g k1a+0.033)(l a+ a1)/2=1.2×(0.5×0.4+0.033)×(1.5+0.4)/2=0.266 kN横向斜撑计算简图如下:横向斜撑最大支座反力:R2max =1.241 kN横向斜撑轴向力:N22= R2max/cosα1=1.241/cos38.66°=1.589 kNN=N21+N22=3.821 kN斜撑自由长度:h= (H-(n-1)h1-h2)/cosα1=(5.5-(2-1)×0.8-3)/cos38.66°=2.177 m 斜撑计算长度l0=kμ2h=1×1.3×2.177=2.83 m长细比λ= l0/i=2830.18/15.9=177.999≤250满足要求!轴心受压构件的稳定系数计算:斜撑计算长度l0=kμ2h=1.155*1.300*2.177=3.269m长细比λ= l0/i =3269/15.9=205.59查《规范》JGJ130-2011表A.0.6得,φ= 0.172σ= N/(φA) =3821.023/(0.172×424)=52.394N/mm2σ≤[f]=205N/mm2满足要求!七、立杆稳定性验算立杆荷载计算1、防护棚结构自重N G1k钢管长度:L=n[(l a+ a1) ((l b+2a1)/a+1)/2+ l b]+2( l12+(H-h2)2)0.5+4H=2×[(1.5+0.4)×((4+2×0.4)/0.4+1)/2+4]+2×(22+(5.5-3)2)0.5+4×5.5=61.103m 扣件数量:m=2n[((l b+2a1)/a-3)/2+1×4]=2×2×[((4+2×0.4)/0.4-3)/2+1×4]=34个N G1k=0.033L+0.015m=0.033×61.1+0.015×34=2.545kN2、防护棚构配件自重N G2k防护层防护材料自重标准值N G2k1=n×g k1×(l a+ a1)×(l b+2a1)/2=2×0.5×(1.5+0.4)×(4+2×0.4)/2=4.56 kN栏杆与挡脚板自重标准值N G2k2=g k2×(l a+ a1)=0.11×(1.5+0.4)=0.209 kN纵向外侧防护自重标准值N G2k3=g k3×(l a+ a1)=0.2×(1.5+0.4)=0.38 kNN G2k= N G2k1+ N G2k2+ N G2k3=4.56+0.209+0.38=5.149 kN经计算得到,静荷载标准值:N Gk= N G1k + N G2k=2.545+5.149=7.694 kN 3、冲击荷载标准值N QkN Qk=P k=1 kN立杆荷载设计值:N=1.2N Gk+ 1.4N Qk=1.2×7.694+ 1.4×1=10.632 kN立杆的稳定性验算1、立杆长细比验算立杆自由长度h取立杆步距1.2m立杆计算长度l0=kμ1h=1×1.3×1.2=1.56m长细比λ= l0/i=1560/15.9=98.113≤210满足要求!轴心受压构件的稳定系数计算:立杆计算长度l0=kμ2h=1.155*1.300*1.200=1.802m长细比λ= l0/i =1802/15.9=113.32查《规范》JGJ130-2011表A.0.6得,φ= 0.4962、立杆稳定性验算σ= N/4/(φA) =10632.481/4/(0.496×424)=12.639N/mm2σ≤[f]=205N/mm2满足要求!八、立杆地基承载力验算立杆荷载标准值:N=N Gk+ N Qk=7.69+1=8.69立杆底垫板平均压力P=N/(k c A)=8.694/(1×0.25)=34.775 kPa P≤f g=140 kPa满足要求!。
防护棚架设计验算计算书一、工程概括K82+983( ZK82+980)塘房互通主线2号桥位于宜宾至毕节高速公路威信至镇雄段TJ4标塘房互通,该桥右幅第11跨20m预应力砼简支T梁(左幅第10跨为30m预应力简支T梁)与镇坡线相交。
为保证桥梁下方的国道上行人、车辆的行驶安全,根据管理组要求在国道上增设防护棚,防护棚净宽6m,净高5m,全长54m。
二、防护通道结构体系设计采用单跨门洞结构,基础采用C30钢筋混凝土条形基础,基础宽0.5m,高0.4m,放置道路两侧路肩上,基础分段浇筑,每段长度不超过10m,基础顶按立柱位置预埋45×45×2cm钢板,每片基础预埋钢板下焊接2@Ф20,40+40+40mm门型锚固钢筋;钢管立柱采用Ф200mm (壁厚6mm)钢管,间距2.5m,高度4.5m,钢管在柱端头加焊45×45×2cm中空钢板;立柱顶采用2条18工字钢作为连接枕梁;枕梁上设置横向主跨受力梁采用18工字钢,间距2.5m;每根长8m;受力梁上设置次分布梁,分布梁纵向设置,采用[10槽钢,间距1m;次分布梁上铺设3mm厚钢板。
三、受力验算1、风荷载Wk风荷载强度W=K1×K2×K3×W0kK1-风载体形系数,取1.4(架空管道的密拍多管型);K2-风压高度变化系数,取1.0(乡村丛林类,离地5m);K3-地形、地理条件系数,取1.0W0-基本风压,取0.35 kN/m2(云南昭通地区)。
风荷载强度Wk=1.4×1.0×1.0×0.35=0.49 kN/m2。
2、冲击荷载:高空坠物由于棚架主要其防护作用,承受荷载为边坡在施工中可能掉落在棚架上的小部件,为了安全起见,考虑有(50kg)物体从正在施工的桥上掉下来,跌落点距棚架顶面的竖向距离以30m计算。
(g取10)50kg物件重量P=50×10/1000=0.5 kN。
安全通道防护棚计算书计算依据:1、《建筑施工扣件式钢管脚手架安全技术规范》JGJ130-20112、《建筑施工高处作业安全技术规范》JGJ80-913、《建筑地基基础设计规范》GB50007-20114、《建筑结构荷载规范》GB50009-20125、《钢结构设计规范》GB50017-2003一、搭设参数立杆纵距l a(mm) 1500 立杆横距l b(mm) 3600 立杆步距h(mm) 1200 防护棚高度H(mm) 4000 防护层层数n 2 上下防护层间距h1(mm) 800斜撑与立杆连接点到地面的距离h2(mm) 2500 顶层水平钢管搭设方式钢管沿纵向搭设水平钢管间距a(mm) 400横向斜撑与顶层防护层连接点到立杆的距离l1(mm)2200 纵向外侧防护布置方式剪刀撑钢管类型Ф48×3扣件连接方式单扣件扣件抗滑移折减系数0.8立杆布置格构柱格构柱截面边长a1(mm) 400立杆计算长度系数μ1 1.3 斜撑计算长度系数μ2 1.3 计算简图:扣件钢管防护棚_正面图扣件钢管防护棚_侧面图二、荷载设计防护层防护材料类型脚手板防护层防护材料自重标准值g k1(kN/m2)0.5栏杆与挡脚板类型竹串片脚手板栏杆与挡脚板自重标准值g k2(kN/m)0.11纵向外侧防护荷载标准值g k3(kN/m) 0.2高空坠落物最大荷载标准值P k(kN)1三、纵向水平杆验算钢管抗弯强度设计值[f](N/mm2)205 钢管截面惯性矩I(mm4) 107800 钢管弹性模量E(N/mm2) 206000 钢管截面抵抗矩W(mm3) 4490 承载力使用极限状态:格构柱q=1.2(g k1×a+0.033) =1.2×(0.5×0.4+0.033)=0.28kN/m p=1.4P k=1.4×1=1.4kN正常使用极限状态格构柱q1=g k1×a+0.033 =0.5×0.4+0.033=0.233kN/mp1=Pk =1 kN1、抗弯验算M max=0.335 kN·mσ=M max/W=0.335×106/4490=74.711N/mm2≤[f]=205N/mm2满足要求!2、挠度验算νmax=1.363 mm[ν]=min[max{a1,l a,l2-a1}/150,10] = min[max{400,1500,800-400}/150,10] =10mmνmax≤[ν]满足要求!3、支座反力计算承载力使用极限状态R max=1.637 kN四、横向水平杆验算钢管抗弯强度设计值205 钢管截面惯性矩I(mm4) 107800[f](N/mm2)钢管弹性模量E(N/mm2) 206000 钢管截面抵抗矩W(mm3) 4490 承载力使用极限状态格构柱:F=1.2(g k1a+0.033)(l a+ a1)/2=1.2×(0.5×0.4+0.033)×(1.5+0.4)/2=0.266 kN p=1.4P k=1.4×1=1.4 kN正常使用极限状态格构柱:F1=(g k1a+0.033)(l a+ a1)/2=(0.5×0.4+0.033)×(1.5+0.4)/2=0.222 kNp1=P k=1 kN计算简图如下:1、抗弯验算σ=M max/W=0.483×106/4490=107.594N/mm2≤[f]=205N/mm2 满足要求!2、挠度验算νmax=3.109mm≤[ν]=min[max(l1-a1, l b, a1)/150,10] = min[max(2200-400, 3600, 400)/150,10] =10mm满足要求!3、支座反力计算承载力使用极限状态R max=2.593 kN五、扣件抗滑承载力验算扣件连接方式单扣件扣件抗滑移折减系数0.8R max=2.593 kN≤Rc =0.8×8=6.4 kN满足要求!六、斜撑稳定性验算斜撑计算长度系数μ2 1.3钢管抗弯强度设计值205 钢管截面惯性矩I(mm4) 107800[f](N/mm2)钢管弹性模量E(N/mm2) 206000 钢管截面抵抗矩W(mm3) 4490α1=arctan( l1/(H-h2))=arctan(2200/(4000-2500))=55.713°第1层防护层传递给斜撑荷载计算(1)横向斜撑验算承载力使用极限状态格构柱:F=1.2(g k1a+0.033)(l a+ a1)/2=1.2×(0.5×0.4+0.033)×(1.5+0.4)/2=0.266 kNp=1.4P k=1.4×1=1.4 kN横向斜撑计算简图如下:横向斜撑最大支座反力:R2max =2.022 kN横向斜撑轴向力:N21= R2max/cosα1=2.022/cos55.713°=3.589 kNN=N21=3.589 kN斜撑自由长度:h= h1/cosα1=0.8/cos55.713°=1.42 m斜撑计算长度l0=kμ2h=1×1.3×1.42=1.846 m长细比λ= l0/i=1846.142/15.9=116.11≤250满足要求!轴心受压构件的稳定系数计算:斜撑计算长度l0=kμ2h=1.155*1.300*1.420=2.132m长细比λ= l0/i =2132/15.9=134.11查《规范》JGJ130-2011表A.0.6得,φ= 0.376σ= N/(φA) =3588.705/(0.376×424)=22.51N/mm2σ≤[f]=205N/mm2满足要求!第2层防护层传递给斜撑荷载计算(1)横向斜撑验算承载力使用极限状态格构柱:F=1.2(g k1a+0.033)(l a+ a1)/2=1.2×(0.5×0.4+0.033)×(1.5+0.4)/2=0.266 kN 横向斜撑计算简图如下:横向斜撑最大支座反力:R2max =1.509 kN横向斜撑轴向力:N22= R2max/cosα1=1.509/cos55.713°=2.679 kNN=N21+N22=6.268 kN斜撑自由长度:h= (H-(n-1)h1-h2)/cosα1=(4-(2-1)×0.8-2.5)/cos55.713°=1.243 m 斜撑计算长度l0=kμ2h=1×1.3×1.243=1.615 m长细比λ= l0/i=1615.375/15.9=101.596≤250满足要求!轴心受压构件的稳定系数计算:斜撑计算长度l0=kμ2h=1.155*1.300*1.243=1.866m长细比λ= l0/i =1866/15.9=117.34查《规范》JGJ130-2011表A.0.6得,φ= 0.47σ= N/(φA) =6267.938/(0.47×424)=31.453N/mm2σ≤[f]=205N/mm2满足要求!七、立杆稳定性验算立杆布置格构柱钢管截面惯性矩I(mm4) 107800 立杆计算长度系数μ1 1.3钢管截面抵抗矩W(mm3) 4490 立杆截面回转半径i(mm) 15.9钢管抗弯强度设计值205 立杆截面面积A(mm2) 424[f](N/mm2)立杆荷载计算1、防护棚结构自重N G1k钢管长度:L=n[(l a+ a1) ((l b+2a1)/a+1)/2+ l b]+2( l12+(H-h2)2)0.5+4H=2×[(1.5+0.4)×((3.6+2×0.4)/0.4+1)/2+3.6]+2×(2.22+(4-2.5)2)0.5+4×4=51.325m 扣件数量:m=2n[((l b+2a1)/a-3)/2+1×4]=2×2×[((3.6+2×0.4)/0.4-3)/2+1×4]=32个N G1k=0.033L+0.015m=0.033×51.325+0.015×32=2.189kN2、防护棚构配件自重N G2k防护层防护材料自重标准值N G2k1=n×g k1×(l a+ a1)×(l b+2a1)/2=2×0.5×(1.5+0.4)×(3.6+2×0.4)/2=4.18 kN栏杆与挡脚板自重标准值N G2k2=g k2×(l a+ a1)=0.11×(1.5+0.4)=0.209 kN纵向外侧防护自重标准值N G2k3=g k3×(l a+ a1)=0.2×(1.5+0.4)=0.38 kNN G2k= N G2k1+ N G2k2+ N G2k3=4.18+0.209+0.38=4.769 kN经计算得到,静荷载标准值:N Gk= N G1k + N G2k=2.189+4.769=6.958 kN3、冲击荷载标准值N QkN Qk=P k=1 kN立杆荷载设计值:N=1.2N Gk+ 1.4N Qk=1.2×6.958+ 1.4×1=9.75 kN立杆的稳定性验算1、立杆长细比验算立杆自由长度h取立杆步距1.2m立杆计算长度l0=kμ1h=1×1.3×1.2=1.56m长细比λ= l0/i=1560/15.9=98.113≤210满足要求!轴心受压构件的稳定系数计算:立杆计算长度l0=kμ2h=1.155*1.300*1.200=1.802m长细比λ= l0/i =1802/15.9=113.32查《规范》JGJ130-2011表A.0.6得,φ= 0.4962、立杆稳定性验算σ= N/4/(φA) =9749.763/4/(0.496×424)=11.59N/mm2σ≤[f]=205N/mm2满足要求!八、立杆地基承载力验算立杆荷载标准值:N=N Gk+ N Qk=6.958+1=7.958立杆底垫板平均压力P=N/(k c A)=7.958/(1×0.25)=31.833 kPa P≤f g=140 kPa满足要求!。
安全通道防护棚计算书安全通道防护棚计算书计算依据:1、《建筑施工扣件式钢管脚手架安全技术规》JGJ130-20112、《建筑施工高处作业安全技术规》JGJ80-913、《建筑地基基础设计规》GB50007-20114、《建筑结构荷载规》GB50009-20125、《钢结构设计规》GB50017-2003一、搭设参数立杆纵距l a(mm) 1500 立杆横距l b(mm) 3600立杆步距h(mm) 1200 防护棚高度H(mm) 4000防护层层数n 2 上下防护层间距h1(mm) 800 斜撑与立杆连接点到地面的距离h2(mm) 2500 顶层水平钢管搭设方式钢管沿纵向搭设水平钢管间距a(mm) 400横向斜撑与顶层防护层连接点到立杆的距离l1(mm)2200 纵向外侧防护布置方式剪刀撑钢管类型Ф48×3扣件连接方式单扣件扣件抗滑移折减系数0.8立杆布置格构柱格构柱截面边长a1(mm) 400 立杆计算长度系数μ1 1.3 斜撑计算长度系数μ2 1.3计算简图:扣件钢管防护棚_正面图扣件钢管防护棚_侧面图二、荷载设计防护层防护材料类型脚手板防护层防护材料自重标准值g k1(kN/m2)0.5栏杆与挡脚板类型竹串片脚手板栏杆与挡脚板自重标准值g k2(kN/m)0.11纵向外侧防护荷载标准值g k3(kN/m) 0.2高空坠落物最大荷载标准值P k(kN)1三、纵向水平杆验算钢管抗弯强度设计值[f](N/mm2)205 钢管截面惯性矩I(mm4) 107800 钢管弹性模量E(N/mm2)206000 钢管截面抵抗矩W(mm3) 4490 承载力使用极限状态:格构柱q=1.2(g×a+0.033) =1.2×(0.5×0.4+0.033)=0.28kN/m k1=1.4×1=1.4kNp=1.4Pk正常使用极限状态格构柱q1=g×a+0.033 =0.5×0.4+0.033=0.233kN/mk1p1=Pk =1 kN1、抗弯验算Mmax=0.335 kN·mσ=Mmax/W=0.335×106/4490=74.711N/mm2≤[f]=205N/mm2 满足要求!2、挠度验算νmax=1.363 mm[ν]=min[max{a1,la,l2-a1}/150,10] = min[max{400,1500,800-400}/150,10] =10mmνmax≤[ν]满足要求!3、支座反力计算承载力使用极限状态Rmax=1.637 kN四、横向水平杆验算钢管抗弯强度设计值[f](N/mm2)205 钢管截面惯性矩I(mm4) 107800 钢管弹性模量E(N/mm2) 206000 钢管截面抵抗矩W(mm3) 4490 承载力使用极限状态格构柱:F=1.2(gk1a+0.033)(la+ a1)/2=1.2×(0.5×0.4+0.033)×(1.5+0.4)/2=0.266 kNp=1.4Pk=1.4×1=1.4 kN 正常使用极限状态格构柱:F1=(gk1a+0.033)(la+ a1)/2=(0.5×0.4+0.033)×(1.5+0.4)/2=0.222 kNp1=Pk=1 kN计算简图如下:1、抗弯验算/W=0.483×106/4490=107.594N/mm2≤[f]=205N/mm2 σ=Mmax满足要求!2、挠度验算νmax =3.109mm≤[ν]=min[max(l1-a1, lb, a1)/150,10] = min[max(2200-400, 3600, 400)/150,10] =10mm满足要求!3、支座反力计算承载力使用极限状态Rmax=2.593 kN五、扣件抗滑承载力验算扣件连接方式单扣件扣件抗滑移折减系数0.8 Rmax=2.593 kN≤Rc =0.8×8=6.4 kN满足要求!六、斜撑稳定性验算斜撑计算长度系数μ2 1.3钢管抗弯强度设计值[f](N/mm2)205 钢管截面惯性矩I(mm4) 107800 钢管弹性模量E(N/mm2) 206000 钢管截面抵抗矩W(mm3) 4490α1=arctan( l1/(H-h2))=arctan(2200/(4000-2500))=55.713°第1层防护层传递给斜撑荷载计算(1)横向斜撑验算承载力使用极限状态格构柱:F=1.2(gk1a+0.033)(la+ a1)/2=1.2×(0.5×0.4+0.033)×(1.5+0.4)/2=0.266 kNp=1.4Pk=1.4×1=1.4 kN 横向斜撑计算简图如下:横向斜撑最大支座反力:R2max=2.022 kN 横向斜撑轴向力:N21= R2max/cosα1=2.022/cos55.713°=3.589 kNN=N21=3.589 kN斜撑自由长度:h= h1/cosα1=0.8/cos55.713°=1.42 m斜撑计算长度l0=kμ2h=1×1.3×1.42=1.846 m长细比λ= l/i=1846.142/15.9=116.11≤250满足要求!轴心受压构件的稳定系数计算:斜撑计算长度l0=kμ2h=1.155*1.300*1.420=2.132m长细比λ= l/i =2132/15.9=134.11查《规》JGJ130-2011表A.0.6得,φ= 0.376σ= N/(φA) =3588.705/(0.376×424)=22.51N/mm2 σ≤[f]=205N/mm2满足要求!第2层防护层传递给斜撑荷载计算(1)横向斜撑验算承载力使用极限状态格构柱:F=1.2(gk1a+0.033)(la+ a1)/2=1.2×(0.5×0.4+0.033)×(1.5+0.4)/2=0.266 kN横向斜撑计算简图如下:横向斜撑最大支座反力:R2max=1.509 kN 横向斜撑轴向力:N22= R2max/cosα1=1.509/cos55.713°=2.679 kNN=N21+N22=6.268 kN斜撑自由长度:h=(H-(n-1)h1-h2)/cosα1=(4-(2-1)×0.8-2.5)/cos55.713°=1.243 m斜撑计算长度l0=kμ2h=1×1.3×1.243=1.615 m长细比λ= l/i=1615.375/15.9=101.596≤250满足要求!轴心受压构件的稳定系数计算:斜撑计算长度l0=kμ2h=1.155*1.300*1.243=1.866m长细比λ= l/i =1866/15.9=117.34查《规》JGJ130-2011表A.0.6得,φ= 0.47σ= N/(φA) =6267.938/(0.47×424)=31.453N/mm2σ≤[f]=205N/mm2满足要求!七、立杆稳定性验算立杆布置格构柱钢管截面惯性矩I(mm4) 107800 立杆计算长度系数μ1 1.3钢管截面抵抗矩W(mm3) 4490 立杆截面回转半径i(mm) 15.9 钢管抗弯强度设计值[f](N/mm2)205 立杆截面面积A(mm2) 424立杆荷载计算1、防护棚结构自重NG1k 钢管长度:L=n[(la + a1) ((lb+2a1)/a+1)/2+ lb]+2( l12+(H-h2)2)0.5+4H=2×[(1.5+0.4)×((3.6+2×0.4)/0.4+1)/2+3.6]+2×(2. 22+(4-2.5)2)0.5+4×4=51.325m扣件数量:m=2n[((lb +2a1)/a-3)/2+1×4]=2×2×[((3.6+2×0.4)/0.4-3)/2+1×4]=32个NG1k=0.033L+0.015m=0.033×51.325+0.015×32=2.189kN 2、防护棚构配件自重NG2k防护层防护材料自重标准值NG2k1=n×gk1×(la+ a1)×(lb+2a1)/2=2×0.5×(1.5+0.4)×(3.6+2×0.4)/2=4.18 kN栏杆与挡脚板自重标准值NG2k2=gk2×(la+ a1)=0.11×(1.5+0.4)=0.209 kN纵向外侧防护自重标准值NG2k3=gk3×(la+ a1)=0.2×(1.5+0.4)=0.38 kNNG2k = NG2k1+ NG2k2+ NG2k3=4.18+0.209+0.38=4.769 kN 经计算得到,静荷载标准值:N Gk = NG1k+ NG2k=2.189+4.769=6.958 kN 3、冲击荷载标准值NQkNQk =Pk=1 kN立杆荷载设计值:N=1.2NGk + 1.4NQk=1.2×6.958+ 1.4×1=9.75 kN 立杆的稳定性验算1、立杆长细比验算立杆自由长度h取立杆步距1.2m立杆计算长度l0=kμ1h=1×1.3×1.2=1.56m长细比λ= l/i=1560/15.9=98.113≤210满足要求!轴心受压构件的稳定系数计算:立杆计算长度l0=kμ2h=1.155*1.300*1.200=1.802m长细比λ= l/i =1802/15.9=113.32查《规》JGJ130-2011表A.0.6得,φ= 0.4962、立杆稳定性验算σ= N/4/(φA) =9749.763/4/(0.496×424)=11.59N/mm2σ≤[f]=205N/mm2满足要求!八、立杆地基承载力验算立杆荷载标准值:N=NGk + NQk=6.958+1=7.958立杆底垫板平均压力P=N/(kcA)=7.958/(1×0.25)=31.833 kPa P≤fg=140 kPa满足要求!。
安全通道防护棚计算书计算依据:1、《建筑施工扣件式钢管脚手架安全技术规》JGJ130-20112、《建筑施工高处作业安全技术规》JGJ80-913、《建筑地基基础设计规》GB50007-20114、《建筑结构荷载规》GB50009-20125、《钢结构设计规》GB50017-2003一、搭设参数立杆纵距l a(mm) 1500 立杆横距l b(mm) 3600立杆步距h(mm) 1200 防护棚高度H(mm) 4000防护层层数n 2 上下防护层间距h1(mm) 800 斜撑与立杆连接点到地面的距离h2(mm) 2500 顶层水平钢管搭设方式钢管沿纵向搭设水平钢管间距a(mm) 400横向斜撑与顶层防护层连接点到立杆的距离l1(mm)2200 纵向外侧防护布置方式剪刀撑钢管类型Ф48×3扣件连接方式单扣件扣件抗滑移折减系数0.8立杆布置格构柱格构柱截面边长a1(mm) 400 立杆计算长度系数μ1 1.3 斜撑计算长度系数μ2 1.3计算简图:扣件钢管防护棚_正面图扣件钢管防护棚_侧面图二、荷载设计防护层防护材料类型脚手板防护层防护材料自重标准值g k1(kN/m2)0.5栏杆与挡脚板类型竹串片脚手板栏杆与挡脚板自重标准值g k2(kN/m)0.11纵向外侧防护荷载标准值g k3(kN/m) 0.2高空坠落物最大荷载标准值P k(kN)1三、纵向水平杆验算钢管抗弯强度设计值[f](N/mm2)205 钢管截面惯性矩I(mm4) 107800 钢管弹性模量E(N/mm2) 206000 钢管截面抵抗矩W(mm3) 4490 承载力使用极限状态:格构柱q=1.2(g×a+0.033) =1.2×(0.5×0.4+0.033)=0.28kN/m k1=1.4×1=1.4kNp=1.4Pk正常使用极限状态格构柱q1=g×a+0.033 =0.5×0.4+0.033=0.233kN/mk1p1=Pk =1 kN1、抗弯验算Mmax=0.335 kN·mσ=Mmax/W=0.335×106/4490=74.711N/mm2≤[f]=205N/mm2 满足要求!2、挠度验算νmax=1.363 mm[ν]=min[max{a1,la,l2-a1}/150,10] = min[max{400,1500,800-400}/150,10] =10mmνmax≤[ν]满足要求!3、支座反力计算承载力使用极限状态Rmax=1.637 kN四、横向水平杆验算钢管抗弯强度设计值[f](N/mm2)205 钢管截面惯性矩I(mm4) 107800 钢管弹性模量E(N/mm2) 206000 钢管截面抵抗矩W(mm3) 4490 承载力使用极限状态格构柱:F=1.2(gk1a+0.033)(la+ a1)/2=1.2×(0.5×0.4+0.033)×(1.5+0.4)/2=0.266 kNp=1.4Pk=1.4×1=1.4 kN 正常使用极限状态格构柱:F1=(gk1a+0.033)(la+ a1)/2=(0.5×0.4+0.033)×(1.5+0.4)/2=0.222 kNp1=Pk=1 kN计算简图如下:1、抗弯验算σ=M/W=0.483×106/4490=107.594N/mm2≤[f]=205N/mm2 max满足要求!2、挠度验算νmax =3.109mm≤[ν]=min[max(l1-a1, lb, a1)/150,10] = min[max(2200-400,3600, 400)/150,10] =10mm满足要求!3、支座反力计算承载力使用极限状态Rmax=2.593 kN五、扣件抗滑承载力验算扣件连接方式单扣件扣件抗滑移折减系数0.8Rmax=2.593 kN≤Rc =0.8×8=6.4 kN满足要求!六、斜撑稳定性验算斜撑计算长度系数μ2 1.3钢管抗弯强度设计值[f](N/mm2)205 钢管截面惯性矩I(mm4) 107800 钢管弹性模量E(N/mm2) 206000 钢管截面抵抗矩W(mm3) 4490α1=arctan( l1/(H-h2))=arctan(2200/(4000-2500))=55.713°第1层防护层传递给斜撑荷载计算(1)横向斜撑验算承载力使用极限状态格构柱:F=1.2(gk1a+0.033)(la+ a1)/2=1.2×(0.5×0.4+0.033)×(1.5+0.4)/2=0.266 kNp=1.4Pk=1.4×1=1.4 kN 横向斜撑计算简图如下:横向斜撑最大支座反力:R2max=2.022 kN 横向斜撑轴向力:N21= R2max/cosα1=2.022/cos55.713°=3.589 kNN=N21=3.589 kN斜撑自由长度:h= h1/cosα1=0.8/cos55.713°=1.42 m斜撑计算长度l0=kμ2h=1×1.3×1.42=1.846 m长细比λ= l/i=1846.142/15.9=116.11≤250满足要求!轴心受压构件的稳定系数计算:斜撑计算长度l0=kμ2h=1.155*1.300*1.420=2.132m长细比λ= l/i =2132/15.9=134.11查《规》JGJ130-2011表A.0.6得,φ= 0.376σ= N/(φA) =3588.705/(0.376×424)=22.51N/mm2 σ≤[f]=205N/mm2满足要求!第2层防护层传递给斜撑荷载计算(1)横向斜撑验算承载力使用极限状态格构柱:F=1.2(gk1a+0.033)(la+ a1)/2=1.2×(0.5×0.4+0.033)×(1.5+0.4)/2=0.266 kN横向斜撑计算简图如下:横向斜撑最大支座反力:R2max=1.509 kN 横向斜撑轴向力:N22= R2max/cosα1=1.509/cos55.713°=2.679 kNN=N21+N22=6.268 kN斜撑自由长度:h=(H-(n-1)h1-h2)/cosα1=(4-(2-1)×0.8-2.5)/cos55.713°=1.243 m斜撑计算长度l0=kμ2h=1×1.3×1.243=1.615 m长细比λ= l/i=1615.375/15.9=101.596≤250满足要求!轴心受压构件的稳定系数计算:斜撑计算长度l0=kμ2h=1.155*1.300*1.243=1.866m长细比λ= l/i =1866/15.9=117.34查《规》JGJ130-2011表A.0.6得,φ= 0.47σ= N/(φA) =6267.938/(0.47×424)=31.453N/mm2σ≤[f]=205N/mm2满足要求!七、立杆稳定性验算立杆布置格构柱钢管截面惯性矩I(mm4) 107800 立杆计算长度系数μ1 1.3钢管截面抵抗矩W(mm3) 4490 立杆截面回转半径i(mm) 15.9 钢管抗弯强度设计值[f](N/mm2)205 立杆截面面积A(mm2) 424立杆荷载计算1、防护棚结构自重NG1k 钢管长度:L=n[(la + a1) ((lb+2a1)/a+1)/2+ lb]+2( l12+(H-h2)2)0.5+4H=2×[(1.5+0.4)×((3.6+2×0.4)/0.4+1)/2+3.6]+2×(2.22+(4-2.5)2)0.5+4×4=51.325m扣件数量:m=2n[((lb +2a1)/a-3)/2+1×4]=2×2×[((3.6+2×0.4)/0.4-3)/2+1×4]=32个NG1k=0.033L+0.015m=0.033×51.325+0.015×32=2.189kN2、防护棚构配件自重NG2k防护层防护材料自重标准值NG2k1=n×gk1×(la+ a1)×(lb+2a1)/2=2×0.5×(1.5+0.4)×(3.6+2×0.4)/2=4.18 kN栏杆与挡脚板自重标准值NG2k2=gk2×(la+ a1)=0.11×(1.5+0.4)=0.209 kN纵向外侧防护自重标准值NG2k3=gk3×(la+ a1)=0.2×(1.5+0.4)=0.38 kNNG2k = NG2k1+ NG2k2+ NG2k3=4.18+0.209+0.38=4.769 kN经计算得到,静荷载标准值:NGk = NG1k+ NG2k=2.189+4.769=6.958 kN3、冲击荷载标准值NQkNQk =Pk=1 kN立杆荷载设计值:N=1.2NGk + 1.4NQk=1.2×6.958+ 1.4×1=9.75 kN立杆的稳定性验算1、立杆长细比验算立杆自由长度h取立杆步距1.2m立杆计算长度l0=kμ1h=1×1.3×1.2=1.56m长细比λ= l/i=1560/15.9=98.113≤210满足要求!轴心受压构件的稳定系数计算:立杆计算长度l0=kμ2h=1.155*1.300*1.200=1.802m长细比λ= l/i =1802/15.9=113.32查《规》JGJ130-2011表A.0.6得,φ= 0.4962、立杆稳定性验算σ= N/4/(φA) =9749.763/4/(0.496×424)=11.59N/mm2σ≤[f]=205N/mm2满足要求!八、立杆地基承载力验算立杆荷载标准值:N=NGk + NQk=6.958+1=7.958立杆底垫板平均压力P=N/(kcA)=7.958/(1×0.25)=31.833 kPaP≤fg=140 kPa满足要求!。