防护棚计算书
- 格式:doc
- 大小:7.69 MB
- 文档页数:12
防护棚计算书一、搭设参数计算简图:扣件钢管防护棚_正面图扣件钢管防护棚_侧面图二、荷载设计防护层防护材料类型脚手板防护层防护材料自重标准值g k1(kN/m2)0.5栏杆与挡脚板类型竹串片脚手板栏杆与挡脚板自重标准值g k2(kN/m)0.11纵向外侧防护荷载标准值g k3(kN/m)0.2高空坠落物最大荷载标准值P k(kN)1钢管抗弯强度设计值[f](N/mm2)205钢管截面惯性矩I(mm4)107800钢管弹性模量E(N/mm2)206000钢管截面抵抗矩W(mm3)4490格构柱×a+0.033) =1.2×(0.5×0.4+0.033)=0.28kN/m q=1.2(gk1=1.4×1=1.4kNp=1.4Pk正常使用极限状态格构柱×a+0.033 =0.5×0.4+0.033=0.233kN/mq1=gk1p1=Pk =1 kN1、抗弯验算=0.335 kN·mMmax/W=0.335×106/4490=74.711N/mm2≤[f]=205N/mm2σ=Mmax满足要求!2、挠度验算νmax=1.36 mm[ν]=min[max{a1,la,l2-a1}/150,10] = min[max{400,1500,800-400}/150,10] =10mmνmax≤[ν]满足要求!3、支座反力计算承载力使用极限状态Rmax=1.637 kN四、横向水平杆验算钢管抗弯强度设计值[f](N/mm2)205钢管截面惯性矩I(mm4)107800钢管弹性模量E(N/mm2)206000钢管截面抵抗矩W(mm3)4490格构柱:F=1.2(gk1a+0.033)(la+ a1)/2=1.2×(0.5×0.4+0.033)×(1.5+0.4)/2=0.266kNp=1.4Pk=1.4×1=1.4 kN 正常使用极限状态格构柱:F1=(gk1a+0.033)(la+ a1)/2=(0.5×0.4+0.033)×(1.5+0.4)/2=0.222 kNp1=Pk=1 kN计算简图如下:1、抗弯验算/W=0.59×106/4490=131.392N/mm2≤[f]=205N/mm2σ=Mmax满足要求!2、挠度验算νmax =5.36mm≤[ν]=min[max(l1-a1, lb, a1)/150,10] = min[max(2500-400,6000, 400)/150,10] =10mm满足要求!3、支座反力计算承载力使用极限状态Rmax=3.083 kN五、扣件抗滑承载力验算扣件连接方式单扣件扣件抗滑移折减系数0.8 max满足要求!六、斜撑稳定性验算斜撑计算长度系数μ2 1.3钢管抗弯强度设计值[f](N/mm2)205钢管截面惯性矩I(mm4)107800钢管弹性模量E(N/mm2)206000钢管截面抵抗矩W(mm3)4490 112第1层防护层传递给斜撑荷载计算(1)横向斜撑验算承载力使用极限状态格构柱:F=1.2(gk1a+0.033)(la+ a1)/2=1.2×(0.5×0.4+0.033)×(1.5+0.4)/2=0.266kNp=1.4Pk=1.4×1=1.4 kN 横向斜撑计算简图如下:横向斜撑最大支座反力:R2max=2.124 kN 横向斜撑轴向力:N21= R2max/cosα1=2.124/cos45°=3.004 kNN=N21=3.004 kN斜撑自由长度:h= h1/cosα1=0.8/cos45°=1.131 m斜撑计算长度l0=kμ2h=1×1.3×1.131=1.471 m长细比λ= l/i=1470.78/15.9=92.502≤250满足要求!轴心受压构件的稳定系数计算:斜撑计算长度l0=kμ2h=1.155*1.300*1.131=1.699m长细比λ= l/i =1699/15.9=106.84查《规范》JGJ130-2011表A.0.6得,φ= 0.544σ= N/(φA) =3003.791/(0.544×424)=13.023N/mm2σ≤[f]=205N/mm2满足要求!第2层防护层传递给斜撑荷载计算(1)横向斜撑验算承载力使用极限状态格构柱:F=1.2(gk1a+0.033)(la+ a1)/2=1.2×(0.5×0.4+0.033)×(1.5+0.4)/2=0.266kN横向斜撑计算简图如下:横向斜撑最大支座反力:R2max=2.066 kN 横向斜撑轴向力:N22= R2max/cosα1=2.066/cos45°=2.921 kNN=N21+N22=5.925 kN斜撑自由长度:h=(H-(n-1)h1-h2)/cosα1=(5.5-(2-1)×0.8-3)/cos45°=2.404 m斜撑计算长度l0=kμ2h=1×1.3×2.404=3.125 m长细比λ= l/i=3125.41/15.9=196.567≤250满足要求!轴心受压构件的稳定系数计算:斜撑计算长度l0=kμ2h=1.155*1.300*2.404=3.610m长细比λ= l/i =3610/15.9=227.03查《规范》JGJ130-2011表A.0.6得,φ= 0.141σ= N/(φA) =5924.897/(0.141×424)=99.105N/mm2σ≤[f]=205N/mm2满足要求!七、立杆稳定性验算1、防护棚结构自重NG1k钢管长度:L=n[(la + a1) ((lb+2a1)/a+1)/2+ lb]+2( l12+(H-h2)2)0.5+4H=2×[(1.5+0.4)×((6+2×0.4)/0.4+1)/2+6]+2×(2.52+(5.5-3)2)0.5+4×5 .5=75.271m扣件数量:m=2n[((lb +2a1)/a-3)/2+1×4]=2×2×[((6+2×0.4)/0.4-3)/2+1×4]=44个NG1k=0.033L+0.015m=0.033×75.27+0.015×44=3.167kN2、防护棚构配件自重NG2k防护层防护材料自重标准值NG2k1=n×gk1×(la+ a1)×(lb+2a1)/2=2×0.5×(1.5+0.4)×(6+2×0.4)/2=6.46 kN栏杆与挡脚板自重标准值NG2k2=gk2×(la+ a1)=0.11×(1.5+0.4)=0.209 kN纵向外侧防护自重标准值NG2k3=gk3×(la+ a1)=0.2×(1.5+0.4)=0.38 kNNG2k = NG2k1+ NG2k2+ NG2k3=6.46+0.209+0.38=7.049 kN经计算得到,静荷载标准值:NGk = NG1k+ NG2k=3.167+7.049=10.216 kN3、冲击荷载标准值NQkNQk =Pk=1 kN立杆荷载设计值:N=1.2NGk + 1.4NQk=1.2×10.216+ 1.4×1=13.659 kN立杆的稳定性验算1、立杆长细比验算立杆自由长度h取立杆步距1.2m立杆计算长度l0=kμ1h=1×1.3×1.2=1.56m长细比λ= l/i=1560/15.9=98.113≤210满足要求!轴心受压构件的稳定系数计算:立杆计算长度l0=kμ2h=1.155*1.300*1.200=1.802m长细比λ= l/i =1802/15.9=113.32查《规范》JGJ130-2011表A.0.6得,φ= 0.4962、立杆稳定性验算σ= N/4/(φA) =13658.632/4/(0.496×424)=16.237N/mm2σ≤[f]=205N/mm2满足要求!八、立杆地基承载力验算Gk Qk立杆底垫板平均压力P=N/(kcA)=11.216/(1×0.25)=44.862 kPaP≤fg=140 kPa满足要求!(注:素材和资料部分来自网络,供参考。
防护棚计算书编制依据:《建筑施工高处作业安全技术规范》JGJ80-91、《建筑施工扣件式钢管脚手架安全技术规范》JGJ130-2001。
由于防护棚有双层防护,故只按照承载能力极限状态设计,不考虑正常使用极限状态。
计算书中规定防护棚开间方向为横向,进深方向为纵向,简图如下:一、参数信息1、构造参数立杆横距l b(m):1.8 ;立杆纵距l a(m):2.1 ;防护棚高度H(m):5 ;上下防护层间距h1(m):0.6 ;立杆步距h(m):1.5 ;斜撑与立杆连接点与地面的距离h2(m):1.6 ;斜撑与立杆连接点到下防护层的距离h3(m): 1.5;水平钢管搭设方式:钢管沿纵向搭设;水平钢管间距a(m):0.3 ;钢管类型:Φ48 × 3.5 ;扣件连接方式:双扣件 ,双扣件抗滑承载力调整系数: 0.8 ;2.荷载参数高空坠落物最大荷载标准值N(kN):1 ;脚手板自重(kN/m2):0.35 ;栏杆及挡脚板自重(kN/m):0.15 ;3.地基参数地基土类型:素填土;地基承载力标准值(kPa): 120;立杆基础底面面积(m2): 0.25;地基承载力调整系数: 1。
二、纵向水平支撑钢管计算纵向钢管按照三跨连续梁计算,承受脚手板自重、坠落物冲击集中荷载。
由于防护棚有双层防护,故只按照承载能力极限状态设计,不考虑正常使用极限状态。
截面几何参数如下:截面抵抗矩 W = 5.08 cm3;截面惯性矩 I = 12.19 cm4;纵向钢管计算简图1.荷载的计算(1)脚手板自重(kN/m):q1 = 0.35×0.3 = 0.105 kN/m;(2) 高空坠落物最大荷载标准值(kN):N= 1 kN;2.强度验算纵向支撑钢管按三跨连续梁计算;最大弯矩计算公式如下:M = 0.08ql2 + 0.2Fl均布恒载:q = 1.2 ×0.105 = 0.126 kN/m;冲击荷载:F = 1.4×1 = 1.4 kN;最大弯距 M = 0.08×0.126×2.12 + 0.2×1.4×2.1= 0.632 kN.m;最大应力σ = M / W = 0.632×106 / (5.08×103) = 124.499 N/mm2;支撑钢管的抗压强度设计值 [f]=205 N/mm2;支撑钢管的计算应力 124.499 N/mm2小于钢管的抗弯强度设计值 205 N/mm2,满足要求!三、横向支撑钢管计算横向水平钢管按照承载能力极限状态设计,按照集中荷载作用下的简支梁计算;冲击荷载按最不利情况作用于跨中,上部钢管传递的恒载按等间距步置。
施工现场防护棚计算书编制依据:《建筑施工高处作业安全技术规范》JGJ80-91、《建筑施工扣件式钢管脚手架安全技术规范》JGJ130-2001。
由于防护棚有双层防护,故只按照承载能力极限状态设计,不考虑正常使用极限状态。
计算书中规定防护棚开间方向为横向,进深方向为纵向,简图如下:一、参数信息:1、构造参数:立杆横距l b(m):1.8 ;立杆纵距l a(m):2.1 ;防护棚高度H(m):5 ;上下防护层间距h1(m):0.6 ;立杆步距h(m):1.5 ;斜撑与立杆连接点与地面的距离h2(m):1.6 ;斜撑与立杆连接点到下防护层的距离h3(m): 1.5;水平钢管搭设方式:钢管沿纵向搭设;水平钢管间距a(m):0.3 ;钢管类型:Φ48 × 3.5 ;扣件连接方式:双扣件 ,双扣件抗滑承载力调整系数: 0.8 ;2.荷载参数:高空坠落物最大荷载标准值N(kN):1 ;脚手板自重(kN/m2):0.35 ;栏杆及挡脚板自重(kN/m):0.15 ;3.地基参数:地基土类型:素填土;地基承载力标准值(kPa): 120;立杆基础底面面积(m2): 0.25;地基承载力调整系数: 1。
二、纵向水平支撑钢管计算:纵向钢管按照三跨连续梁计算,承受脚手板自重、坠落物冲击集中荷载。
由于防护棚有双层防护,故只按照承载能力极限状态设计,不考虑正常使用极限状态。
截面几何参数如下:截面抵抗矩 W = 5.08 cm3;截面惯性矩 I = 12.19 cm4;纵向钢管计算简图1、荷载的计算:(1)脚手板自重(kN/m):q1 = 0.35×0.3 = 0.105 kN/m;(2) 高空坠落物最大荷载标准值(kN):N= 1 kN;2.强度验算:纵向支撑钢管按三跨连续梁计算;最大弯矩计算公式如下:M = 0.08ql2 + 0.2Fl均布恒载:q = 1.2 ×0.105 = 0.126 kN/m;冲击荷载:F = 1.4×1= 1.400 kN;最大弯距 M = 0.08×0.126×2.12 + 0.2×1.400×2.1= 0.632 kN.m;最大应力σ = M / W = 0.632×106 / (5.08×103) = 124.499 N/mm2;支撑钢管的抗压强度设计值 [f]=205 N/mm2;支撑钢管的计算应力124.499 N/mm2小于钢管的抗弯强度设计值 205 N/mm2,满足要求!三、横向支撑钢管计算:横向水平钢管按照承载能力极限状态设计,按照集中荷载作用下的简支梁计算;冲击荷载按最不利情况作用于跨中,上部钢管传递的恒载按等间距步置。
防护棚计算书编制依据:《建筑施工高处作业安全技术规范》JGJ80-91、《建筑施工扣件式钢管脚手架安全技术规范》JGJ130-2001。
由于防护棚有双层防护,故只按照承载能力极限状态设计,不考虑正常使用极限状态。
计算书中规定防护棚开间方向为横向,进深方向为纵向,简图如下:一、参数信息1、构造参数立杆横距l b(m):1.8 ;立杆纵距l a(m):2.1 ;防护棚高度H(m):5 ;上下防护层间距h1(m):0.6 ;立杆步距h(m):1.5 ;斜撑与立杆连接点与地面的距离h2(m):1.6 ;斜撑与立杆连接点到下防护层的距离h3(m): 1.5;水平钢管搭设方式:钢管沿纵向搭设;水平钢管间距a(m):0.3 ;钢管类型:Φ48 × 3.5 ;扣件连接方式:双扣件 ,双扣件抗滑承载力调整系数: 0.8 ;2.荷载参数高空坠落物最大荷载标准值N(kN):1 ;脚手板自重(kN/m2):0.35 ;栏杆及挡脚板自重(kN/m):0.15 ;3.地基参数地基土类型:素填土;地基承载力标准值(kPa): 120;立杆基础底面面积(m2): 0.25;地基承载力调整系数: 1。
二、纵向水平支撑钢管计算纵向钢管按照三跨连续梁计算,承受脚手板自重、坠落物冲击集中荷载。
由于防护棚有双层防护,故只按照承载能力极限状态设计,不考虑正常使用极限状态。
截面几何参数如下:截面抵抗矩 W = 5.08 cm3;截面惯性矩 I = 12.19 cm4;纵向钢管计算简图1.荷载的计算(1)脚手板自重(kN/m):q1 = 0.35×0.3 = 0.105 kN/m;(2) 高空坠落物最大荷载标准值(kN):N= 1 kN;2.强度验算纵向支撑钢管按三跨连续梁计算;最大弯矩计算公式如下:M = 0.08ql2 + 0.2Fl均布恒载:q = 1.2 ×0.105 = 0.126 kN/m;冲击荷载:F = 1.4×1 = 1.4 kN;最大弯距 M = 0.08×0.126×2.12 + 0.2×1.4×2.1= 0.632 kN.m;最大应力σ = M / W = 0.632×106 / (5.08×103) = 124.499 N/mm2;支撑钢管的抗压强度设计值 [f]=205 N/mm2;支撑钢管的计算应力 124.499 N/mm2小于钢管的抗弯强度设计值 205 N/mm2,满足要求!三、横向支撑钢管计算横向水平钢管按照承载能力极限状态设计,按照集中荷载作用下的简支梁计算;冲击荷载按最不利情况作用于跨中,上部钢管传递的恒载按等间距步置。
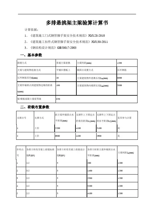
多排悬挑架主梁验算计算书计算依据:1、《建筑施工门式钢管脚手架安全技术规范》JGJ128-20102、《建筑施工扣件式钢管脚手架安全技术规范》JGJ130-20113、《钢结构设计规范》GB50017-2003一、基本参数二、荷载布置参数6 2.5 3 5000 15007 2.5 3 5900 15008 2.5 3 6800 15009 2.5 3 7700 1500附图如下:平面图立面图三、主梁验算主梁材料类型槽钢主梁合并根数n z 1主梁材料规格18号槽钢主梁截面积A(cm2) 29.29 主梁截面惯性矩I x(cm4) 1369.9 主梁截面抵抗矩W x(cm3) 152.2 主梁自重标准值g k(kN/m) 0.23 主梁材料抗弯强度设计值[f](N/mm2) 215主梁材料抗剪强度设计值[τ](N/mm2) 125 主梁弹性模量E(N/mm2) 206000 荷载标准值:q'=g k=0.23=0.23kN/m第1排:F'1=F1'/n z=2.5/1=2.5kN第2排:F'2=F2'/n z=3.5/1=3.5kN第3排:F'3=F3'/n z=2.5/1=2.5kN第4排:F'4=F4'/n z=2.5/1=2.5kN第5排:F'5=F5'/n z=2.5/1=2.5kN第6排:F'6=F6'/n z=2.5/1=2.5kN第7排:F'7=F7'/n z=2.5/1=2.5kN第8排:F'8=F8'/n z=2.5/1=2.5kN第9排:F'9=F9'/n z=2.5/1=2.5kN荷载设计值:q=1.2×g k=1.2×0.23=0.28kN/m第1排:F1=F1/n z=3/1=3kN第2排:F2=F2/n z=3/1=3kN第3排:F3=F3/n z=3/1=3kN第4排:F4=F4/n z=3/1=3kN第5排:F5=F5/n z=3/1=3kN第6排:F6=F6/n z=3/1=3kN第7排:F7=F7/n z=3/1=3kN第8排:F8=F8/n z=3/1=3kN第9排:F9=F9/n z=3/1=3kN1、强度验算弯矩图(kN·m)σmax=M max/W=8.06×106/152200=52.96N/mm2≤[f]=215N/mm2 符合要求!2、抗剪验算剪力图(kN)τmax=Q max/(8I zδ)[bh02-(b-δ)h2]=8.5×1000×[70×1802-(70-9)×1592]/(8×13699000×9)=6.25N/m m2τmax=6.25N/mm2≤[τ]=125N/mm2符合要求!3、挠度验算变形图(mm)νmax=5.56mm≤[ν]=2×l x/400=2×8000/400=40mm符合要求!4、支座反力计算R1=-0.01kN,R2=6.73kN,R3=8.52kN,R4=15.06kN四、上拉杆件验算上拉杆材料类型角钢上拉杆截面类型L40X4上拉杆截面积A(cm2) 3.09 上拉杆截面惯性矩I(cm4) 4.6上拉杆件角度计算:α1=arctanL1/L2=arctan(4100/3100)=52.91°α2=arctanL1/L2=arctan(4100/5900)=34.8°上拉杆件支座力:R S1=n z R3=1×8.52=8.52kNR S2=n z R4=1×15.06=15.06kN主梁轴向力:N SZ1=R S1/tanα1=8.52/tan52.91°=6.44kNN SZ2=R S2/tanα2=15.06/tan34.8°=21.67kN上拉杆件轴向力:N S1=R S1/sinα1=8.52/sin52.91°=10.69kNN S2=R S2/sinα2=15.06/sin34.8°=26.38kN上拉杆件的最大轴向拉力N S=max[N S1...N Si]=26.38kN轴心受拉稳定性计算:σ =N S/A=26.38×103/309=85.38N/mm2≤f=205N/mm2 符合要求!角焊缝验算:τf=N S/(h e×l w)=26.38×103/(4×120)=54.97N/mm2≤f t w=160N/mm2符合要求!对接焊缝验算:σ=N S/(l w t)=26.38×103/A=26.38×103/309=85.38N/mm2≤f t w=185N/mm2符合要求!五、悬挑主梁整体稳定性验算主梁轴向力:N =[(N SZ1+N SZ2)]/n z=[(6.44+21.67)]/1=28.11kN压弯构件强度:σmax=M max/(γW)+N/A=8.06×106/(1.05×152.2×103)+28.11×103/2929=60.03N/mm2≤[f]=215N /mm2塑性发展系数γ符合要求!受弯构件整体稳定性分析:其中φb -- 均匀弯曲的受弯构件整体稳定系数,按照下式计算:φb=(570tb/lh)×(235/f y)=570 ×10.5×70× 235 /(4200×180×235)=0.55 σ = M max/(φb W x)=8.06×106/(0.55×152.2×103)=95.56N/mm2≤[f]=215N/mm2符合要求!六、锚固段与楼板连接的计算主梁与建筑物连接方式平铺在楼板上锚固点设置方式压环钢筋压环钢筋直径d(mm) 20 主梁建筑物内锚固长度L m(mm) 3800梁/楼板混凝土强度等级C30压环钢筋1压环钢筋2锚固点压环钢筋受力:N/2 =0kN压环钢筋验算:σ=N/(4A)=N/πd2=0.01×103/(3.14×202)=0.01N/mm2≤0.85×[f]=0.85×65=55.25N/mm2 注:[f]为拉环钢筋抗拉强度,按《混凝土结构设计规范》9.7.6 每个拉环按2个截面计算的吊环应力不应大于65N/mm2水平钢梁与楼板压点的拉环一定要压在楼板下层钢筋下面,并要保证两侧30cm以上搭接长度符合要求!。
防护棚界面参数表防护棚计算书计算依据:1、《建筑施工扣件式钢管脚手架安全技术规范》JGJ130-20112、《建筑施工高处作业安全技术规范》JGJ80-913、《建筑地基基础设计规范》GB50007-20114、《建筑结构荷载规范》GB50009-20125、《钢结构设计规范》GB50017-2003一、搭设参数计算简图:扣件钢管防护棚_正面图扣件钢管防护棚_侧面图二、荷载设计三、纵向水平杆验算承载力使用极限状态格构柱q=1.2(g k1×a+0.033) =1.2×(0.35×0.4+0.033)=0.208kN/mp=1.4P k=1.4×1=1.4kN正常使用极限状态格构柱q1=g k1×a+0.033 =0.35×0.4+0.033=0.173kN/m p1=Pk =1 kN1、抗弯验算M max=0.327 kN·mσ=M max/W=0.327×106/4490=72.855N/mm2≤[f]=205N/mm2满足要求!2、挠度验算νmax=1.305 mm[ν]=min[max{a1,l a,l2-a1}/150,10] = min[max{400,1500,800-400}/150,10] =10mmνmax≤[ν]满足要求!3、支座反力计算承载力使用极限状态R max=1.542 kN四、横向水平杆验算承载力使用极限状态格构柱:F=1.2(g k1a+0.033)(l a+ a1)/2=1.2×(0.35×0.4+0.033)×(1.5+0.4)/2=0.198 kN p=1.4P k=1.4×1=1.4 kN正常使用极限状态格构柱:F1=(g k1a+0.033)(l a+ a1)/2=(0.35×0.4+0.033)×(1.5+0.4)/2=0.165 kNp1=P k=1 kN计算简图如下:1、抗弯验算σ=M max/W=0.41×106/4490=91.424N/mm2≤[f]=205N/mm2满足要求!2、挠度验算νmax=2.04mm≤[ν]=min[max(l1-a1, l b, a1)/150,10] = min[max(2000-400, 4000, 400)/150,10] =10mm满足要求!3、支座反力计算承载力使用极限状态R max=2.113 kN五、扣件抗滑承载力验算R max=2.113 kN≤Rc =0.8×8=6.4 kN满足要求!六、斜撑稳定性验算α1=arctan( l1/(H-h2))=arctan(2000/(5500-2500))=33.69°第1层防护层传递给斜撑荷载计算(1)横向斜撑验算承载力使用极限状态格构柱:F=1.2(g k1a+0.033)(l a+ a1)/2=1.2×(0.35×0.4+0.033)×(1.5+0.4)/2=0.198 kN p=1.4P k=1.4×1=1.4 kN横向斜撑计算简图如下:横向斜撑最大支座反力:R2max =1.545 kN横向斜撑轴向力:N21= R2max/cosα1=1.545/cos33.69°=1.856 kNN=N21=1.856 kN斜撑自由长度:h= h1/cosα1=0.8/cos33.69°=0.961 m斜撑计算长度l0=kμ2h=1×1.3×0.961=1.25 m长细比λ= l0/i=1249.92/15.9=78.612≤250满足要求!轴心受压构件的稳定系数计算:斜撑计算长度l0=kμ2h=1.155*1.300*0.961=1.444m长细比λ= l0/i =1444/15.9=90.80查《规范》JGJ130-2011表A.0.6得,φ= 0.661σ= N/(φA) =1856.329/(0.661×424)=6.624N/mm2σ≤[f]=205N/mm2满足要求!第2层防护层传递给斜撑荷载计算(1)横向斜撑验算承载力使用极限状态格构柱:F=1.2(g k1a+0.033)(l a+ a1)/2=1.2×(0.35×0.4+0.033)×(1.5+0.4)/2=0.198 kN 横向斜撑计算简图如下:横向斜撑最大支座反力:R2max =0.831 kN横向斜撑轴向力:N22= R2max/cosα1=0.831/cos33.69°=0.998 kNN=N21+N22=2.855 kN斜撑自由长度:h= (H-(n-1)h1-h2)/cosα1=(5.5-(2-1)×0.8-2.5)/cos33.69°=2.644 m 斜撑计算长度l0=kμ2h=1×1.3×2.644=3.437 m长细比λ= l0/i=3437.29/15.9=216.182≤250满足要求!轴心受压构件的稳定系数计算:斜撑计算长度l0=kμ2h=1.155*1.300*2.644=3.970m长细比λ= l0/i =3970/15.9=249.69查《规范》JGJ130-2011表A.0.6得,φ= 0.118σ= N/(φA) =2854.718/(0.118×424)=57.058N/mm2σ≤[f]=205N/mm2满足要求!七、立杆稳定性验算立杆荷载计算1、防护棚结构自重N G1k钢管长度:L=n[(l a+ a1) ((l b+2a1)/a+1)/2+ l b]+2( l12+(H-h2)2)0.5+4H=2×[(1.5+0.4)×((4+2×0.4)/0.4+1)/2+4]+2×(22+(5.5-2.5)2)0.5+4×5.5=61.911m 扣件数量:m=2n[((l b+2a1)/a-3)/2+1×4]=2×2×[((4+2×0.4)/0.4-3)/2+1×4]=34个N G1k=0.033L+0.015m=0.033×61.91+0.015×34=2.572kN2、防护棚构配件自重N G2k防护层防护材料自重标准值N G2k1=n×g k1×(l a+ a1)×(l b+2a1)/2=2×0.35×(1.5+0.4)×(4+2×0.4)/2=3.192 kN栏杆与挡脚板自重标准值N G2k2=g k2×(l a+ a1)=0.11×(1.5+0.4)=0.209 kN纵向外侧防护自重标准值N G2k3=g k3×(l a+ a1)=0.2×(1.5+0.4)=0.38 kNN G2k= N G2k1+ N G2k2+ N G2k3=3.192+0.209+0.38=3.781 kN经计算得到,静荷载标准值:N Gk= N G1k + N G2k=2.572+3.781=6.353 kN3、冲击荷载标准值N QkN Qk=P k=1 kN立杆荷载设计值:N=1.2N Gk+ 1.4N Qk=1.2×6.353+ 1.4×1=9.023 kN立杆的稳定性验算1、立杆长细比验算立杆自由长度h取立杆步距1.2m立杆计算长度l0=kμ1h=1×1.3×1.2=1.56m长细比λ= l0/i=1560/15.9=98.113≤210满足要求!轴心受压构件的稳定系数计算:立杆计算长度l0=kμ2h=1.155*1.300*1.200=1.802m长细比λ= l0/i =1802/15.9=113.32查《规范》JGJ130-2011表A.0.6得,φ= 0.4962、立杆稳定性验算σ= N/4/(φA) =9023.168/4/(0.496×424)=10.726N/mm2σ≤[f]=205N/mm2满足要求!八、立杆地基承载力验算立杆荷载标准值:N=N Gk+ N Qk=6.35+1=7.35立杆底垫板平均压力P=N/(k c A)=7.353/(1×0.25)=29.411 kPa P≤f g=140 kPa满足要求!。
某某某某某某某某某某某某某某某某某工程Q B标某某某双线特大桥12#~13#墩跨某某某安全防护棚计算书计算:复核:审核:某某某某某某某某某某指挥部一项目经理部2011年15月目录1、工程简介错误!未指定书签。
2、技术标准及参考资料错误!未指定书签。
2.1规范................................................... 错误!未指定书签。
2.2参考书籍及文献.............................. 错误!未指定书签。
2.3计算软件........................................... 错误!未指定书签。
2.4参照图纸........................................... 错误!未指定书签。
3、方案概述错误!未指定书签。
4、检算错误!未指定书签。
4.1荷载分析........................................... 错误!未指定书签。
4.2模板检算........................................... 错误!未指定书签。
4.3枋木检算........................................... 错误!未指定书签。
4.4工字钢检算....................................... 错误!未指定书签。
4.5钢管柱检算....................................... 错误!未指定书签。
4.6地基检算........................................... 错误!未指定书签。
某某某双线特大桥12#∽13#跨某某某安全防护棚计算书1、工程简介某某某某一项目部承担某某某某某某某某某某某某某某某某某的工程正线起止里程为DK0+000~DK9+047,长9.047km;钦州地区某某改线、客车联络线、某某线改线、某某线改线施工便线长7.74km;线路总长16.787km。
防护棚计算书一、搭设参数计算简图:二、荷载设计格构柱q=1.2(g k1×a+0.033) =1.2×(0.5×0.4+0.033)=0.28kN/mp=1.4P k=1.4×1=1.4kN正常使用极限状态格构柱q1=g k1×a+0.033 =0.5×0.4+0.033=0.233kN/m p1=Pk =1 kN1、抗弯验算M max=0.335 kN·mσ=M max/W=0.335×106/4490=74.711N/mm2≤[f]=205N/mm2满足要求!2、挠度验算νmax=1.36 mm[ν]=min[max{a1,l a,l2-a1}/150,10] = min[max{400,1500,800-400}/150,10] =10mmνmax≤[ν]满足要求!3、支座反力计算承载力使用极限状态R max=1.637 kN四、横向水平杆验算格构柱:F=1.2(g k1a+0.033)(l a+ a1)/2=1.2×(0.5×0.4+0.033)×(1.5+0.4)/2=0.266 kN p=1.4P k=1.4×1=1.4 kN正常使用极限状态格构柱:F1=(g k1a+0.033)(l a+ a1)/2=(0.5×0.4+0.033)×(1.5+0.4)/2=0.222 kNp1=P k=1 kN计算简图如下:1、抗弯验算σ=M max/W=0.59×106/4490=131.392N/mm2≤[f]=205N/mm2 满足要求!2、挠度验算νmax =5.36mm≤[ν]=min[max(l 1-a 1, l b , a 1)/150,10] = min[max(2500-400, 6000, 400)/150,10] =10mm 满足要求! 3、支座反力计算 承载力使用极限状态 R max =3.083 kN五、扣件抗滑承载力验算max 满足要求!六、斜撑稳定性验算斜撑计算长度系数μ2 1.3 钢管抗弯强度设计值 205 钢管截面惯性矩I(mm 4) 107800 钢管弹性模量E(N/mm 2)206000钢管截面抵抗矩W(mm 3)4490α1=arctan( l 1/(H-h 2))=arctan(2500/(5500-3000))=45° 第1层防护层传递给斜撑荷载计算 (1)横向斜撑验算 承载力使用极限状态 格构柱:F=1.2(g k1a+0.033)(l a + a 1)/2=1.2×(0.5×0.4+0.033)×(1.5+0.4)/2=0.266 kNp=1.4P k=1.4×1=1.4 kN横向斜撑计算简图如下:横向斜撑最大支座反力:R2max =2.124 kN横向斜撑轴向力:N21= R2max/cosα1=2.124/cos45°=3.004 kNN=N21=3.004 kN斜撑自由长度:h= h1/cosα1=0.8/cos45°=1.131 m 斜撑计算长度l0=kμ2h=1×1.3×1.131=1.471 m满足要求!轴心受压构件的稳定系数计算:斜撑计算长度l0=kμ2h=1.155*1.300*1.131=1.699m长细比λ= l0/i =1699/15.9=106.84查《规范》JGJ130-2011表A.0.6得,φ= 0.544σ= N/(φA) =3003.791/(0.544×424)=13.023N/mm2σ≤[f]=205N/mm2满足要求!第2层防护层传递给斜撑荷载计算(1)横向斜撑验算承载力使用极限状态格构柱:F=1.2(g k1a+0.033)(l a+ a1)/2=1.2×(0.5×0.4+0.033)×(1.5+0.4)/2=0.266 kN横向斜撑计算简图如下:横向斜撑最大支座反力:R2max =2.066 kN横向斜撑轴向力:N22= R2max/cosα1=2.066/cos45°=2.921 kNN=N21+N22=5.925 kN斜撑自由长度:h= (H-(n-1)h1-h2)/cosα1=(5.5-(2-1)×0.8-3)/cos45°=2.404 m 斜撑计算长度l0=kμ2h=1×1.3×2.404=3.125 m0 满足要求!轴心受压构件的稳定系数计算:斜撑计算长度l 0=kμ2h=1.155*1.300*2.404=3.610m 长细比λ= l 0/i =3610/15.9=227.03查《规范》JGJ130-2011表A.0.6得,φ= 0.141 σ= N/(φA) =5924.897/(0.141×424)=99.105N/mm 2 σ≤[f]=205N/mm 2满足要求!七、立杆稳定性验算 立杆布置格构柱 钢管截面惯性矩I(mm 4)107800 立杆计算长度系数μ1 1.3 钢管截面抵抗矩W(mm 3)4490 立杆截面回转半径i(mm) 15.9 钢管抗弯强度设计值 205 立杆截面面积A(mm 2) 424 立杆荷载计算1、防护棚结构自重N G1k钢管长度:L=n[(l a + a 1) ((l b +2a 1)/a+1)/2+ l b ]+2( l 12+(H- h 2)2)0.5+4H=2×[(1.5+0.4)×((6+2×0.4)/0.4+1)/2+6]+2×(2.52+(5.5-3)2)0.5+4×5.5=75.271m 扣件数量:m=2n[((l b +2a 1)/a-3)/2+1×4]=2×2×[((6+2×0.4)/0.4-3)/2+1×4]=44个 N G1k =0.033L+0.015m=0.033×75.27+0.015×44=3.167kN2、防护棚构配件自重N G2k防护层防护材料自重标准值N G2k1=n×g k1×(l a + a 1)×(l b + 2a 1)/2=2×0.5×(1.5+0.4)×(6+2×0.4)/2=6.46 kN栏杆与挡脚板自重标准值N G2k2=g k2×(l a + a 1)=0.11×(1.5+0.4)=0.209 kN 纵向外侧防护自重标准值N G2k3=g k3×(l a + a 1)=0.2×(1.5+0.4)=0.38 kN N G2k = N G2k1+ N G2k2+ N G2k3=6.46+0.209+0.38=7.049 kN经计算得到,静荷载标准值:N Gk= N G1k + N G2k=3.167+7.049=10.216 kN 3、冲击荷载标准值N QkN Qk=P k=1 kN立杆荷载设计值:N=1.2N Gk+ 1.4N Qk=1.2×10.216+ 1.4×1=13.659 kN立杆的稳定性验算1、立杆长细比验算立杆自由长度h取立杆步距1.2m立杆计算长度l0=kμ1h=1×1.3×1.2=1.56m长细比λ= l0/i=1560/15.9=98.113≤210满足要求!轴心受压构件的稳定系数计算:立杆计算长度l0=kμ2h=1.155*1.300*1.200=1.802m长细比λ= l0/i =1802/15.9=113.32查《规范》JGJ130-2011表A.0.6得,φ= 0.4962、立杆稳定性验算σ= N/4/(φA) =13658.632/4/(0.496×424)=16.237N/mm2σ≤[f]=205N/mm2满足要求!八、立杆地基承载力验算Gk Qk立杆底垫板平均压力P=N/(k c A)=11.216/(1×0.25)=44.862 kPaP≤f g=140 kPa满足要求!。
防护棚计算书一、荷载计算永久荷载标准值压型钢板(单板) 1.40kN/m2 820型4mm厚彩钢板 3.20kN/m2合计5.40 kN/m2可变荷载标准值不上人屋面荷载0.50kN/m2合计0.50 kN/m2梁自重70*70*3方管梁:1.42 kN/m二、构件承载力验算计算简图如下:屋面板传给梁的荷载(采取最不利荷载满跨计算):上层屋面荷载:(1.431.4+0.531.2)33.6+1.42=10.64 KN/m下层屋面荷载:(3.231.4+0.531.2)33.6+1.42=19.70 KN/m横梁自重:1.4231.433.6=7.2 KN由结构力学求解器建模有:得计算结果如下:杆端 1 杆端 2单元码轴力剪力弯矩轴力剪力弯矩--------------------------------------------------------------------------------------------1 -16.1157142 -0.74428571 -0.99238095 -16.1157142 -0.74428571 -2.480952382 0.74428571 -8.91571429 -2.48095238 0.74428571 30.4842857 19.08761903 -22.6503020 1.13030413 -8.40154145 -22.6503020 1.13030413 -7.836389384 1.90044516 15.3745805 -7.83638938 0.04345406 -5.85092482 1.699163525 -13.0414548 -0.33558109 1.69916352 -13.0414548 -0.33558109 0.89376891--------------------------------------------------------------------------------------------梁构件内力值校核:最大弯矩值为19.08 KN·m70*70*3方管构件截面特性:W x =28.84 cm 3;验算强度x x x W r M =461084.2805.11008.19⨯⨯⨯= 63.01N/mm 2<f=215N/mm 2 柱抗压承载力验算:取7轴与A 轴交点柱进行验算此柱压力最大截面为柱底,压力为16.11 KN柱截面特性: A=102.8 mm 2强度验算:A N =8.1021011.163⨯=156.7N/mm 2<f=310N/mm 2 故构件承载力符合要求。
悬挑防护棚计算书一、基本参数侧立面示意图平面图三、荷载参数次梁材料 钢管 次梁钢管型号 Ф48×3.5 截面面积A(cm 2) 4.89 截面惯性矩Ix(cm 4) 12.19 截面抵抗矩Wx(cm 3) 5.08 抗弯强度设计值[f](N/mm 2) 205 回转半径i(mm)15.8弹性模量E(N/mm 2)206000c c a 计算简图:计算抗弯:M=0.466kN.m计算抗剪:V=1.078kN计算挠度:ν=2.28mm计算简图:计算抗弯:M=0.383kN.m 计算抗剪:V=0.897kN计算挠度:ν=1.566mm承载能力极限状态:q=1.2×(g k1+g k3)×L b+1.2×g k4=1.2×(0.3+0.01)×0.5+1.2×0.0384=0.232kN/m 横向次梁的集中力:R=1.2×L b×g k4=1.2×0.5×0.0384=0.023kNP k =1.4pk=1.4×1=1.4kN正常使用极限状态:q'=(g k1+g k3)×L b+g k4=(0.3+0.01)×0.5+0.0384=0.193kN/m横向次梁的集中力:R'=L b×g k4=0.5×0.0384=0.0192kNP k'=1kN1.抗弯验算M max=Max(0.466,0.383)=0.466kN.mσ=M max/W X=0.466×106/(5.08×103)=91.742N/mm2≤[f]=205N/mm2 次梁强度满足!2.挠度验算νmax=Max(2.28,1.566)=2.28mm≤[ν]=L a/400=1500/400=3.75mm 次梁挠度满足要求!3.支座反力计算极限状态下支座反力:R次梁=R max=Max(1.45,1.24)=1.45kN正常使用状态下支座反力:R'次梁=R'max=Max(1.087,0.937)=1.087kN五、主梁验算计算抗弯:M=1.295kN.m 计算抗剪:V=3.505kN计算挠度:ν=6.951mm下层纵向次梁的自重荷载L a×g k4 1.5×0.0384=0.058 1.2×1.5×0.0384=0 .069下层横向次梁的自重荷载2×L b×g k42×0.5×0.0384=0.038 1.2×2×0.5×0.0384 =0.046防护层内材料自重L a×L b×g k1 1.5×0.5×0.3=0.225 1.2×1.5×0.5×0.3= 0.27安全网自重荷载L a×L b×g k3 1.5×0.5×0.01=0.008 1.2×1.5×0.5×0.01 =0.009合计0.352 0.422 承载能力极限状态:q x=1.2×q×sin(α0)=1.2×g k5×sin(50)=1.2×0.0768×0.0872=0.008kN/mq y=1.2×q×cos(α0)=1.2×g k5×cos(50)=1.2×0.0768×0.9962=0.0918kN/m R x=(R次梁+R下排)×sin(α0)=1.872×0.0872=0.1631kNR y=(R次梁+R下排)×cos(α0)=1.872×0.9962=1.8647kN正常使用极限状态:q'x=q×sin(α0)=g k5×sin(50)=0.0768×0.0872=0.0067kN/mq'y=q×cos(α0)=g k5×cos(50)=0.0768×0.9962=0.0765kN/mR'x=(R'次梁+R'下排)×sin(α0)=1.438×0.0872=0.1253kNR'y=(R'次梁+R'下排)×cos(α0)=1.438×0.9962=1.4326kN1.抗弯验算M max=1.295kN.mσ=M max/W X=1.295×106/(10.16×103)=127.449N/mm2≤[f]=205N/mm2主梁抗弯度满足!2.挠度验算νmax=6.951mm≤[ν]=A/400=4000/400=24.45mm主梁挠度满足要求!3.支座反力计算R0=2.273kNR1=7.495kNR2=5.517kN上拉部分:第1道上拉:F1=R1/(sin(α+arctan((S1-L1×sinα)/(L1×cosα))))=7.495/(sin(5+arctan((3.3-2×sin5)/ (2×cos5)))) =8.451kN第2道上拉:F2=R2/(sin(α+arctan((S2-L2×sinα)/(L2×cosα))))=5.517/(sin(5+arctan((3.3-3.5×sin5 )/(3.5×cos5)))) =7.714kN4.主梁稳定性验算N max=q x×A+R x((A-a)/L b+1)+(F12-R12)0.5+(F22-R22)0.5=0.008×4+0.1631×((4-0.5)/0.5+1)+(8.4512-7.4952)0.5+(7.7142-5.5172)0.5=10.633kN λx=L1/i=2000/31.6=63.291查《规范》表A得,φ=0.806σ=N/(φA)=10632.626/(0.806×9.78×102)=13.489N/mm2≤[f]=205N/mm2主梁稳定性满足要求!六、主梁与主体结构连接点强度计算扣件抗滑承载力验算:N max=q x×A+R x((A-a)/L b+1)+(F12-R12)0.5+(F22-R22)0.5=0.008×4+0.1631×((4-0.5)/0.5+1)+(8.4512-7.4952)0.5+(7.7142-5.5172)0.5=10.633kN 主梁钢管扣件抗滑移N max=10.633kN≤1×12=12kN主梁与主体结构预埋钢管扣件抗滑移计算:N1max=R0×cosα+N max×sinα=2.273×cos(50)+10.633×sin(50)= 3.191kN≤R c=1×12=12kN 主梁扣件抗滑承载力满足要求!七、拉撑绳杆承载力计算1.上拉杆件为钢丝绳钢丝绳节点钢丝绳的最大轴向拉力N S=Max[F1]=8.451kN查(《建筑施工计算手册》江正荣著2001年7月第一版)表13-4、13-5、13-6得,钢丝绳破断拉力总和:F g=184kN[F g]=α× F g/k=0.85×184/9=17.378kN≥N S=8.451kN符合要求!绳夹数量:n=1.667[Fg]/(2T)=1.667×17.378/(2×15.19)=1个≤[n]=3个符合要求!花篮螺栓验算:σ=[F g]/(π×d e2/4)=17.378×103/(π×122/4)=153.653N/mm2≤[ft]=170N/mm2符合要求!拉环验算:σ =[F g]/(2A)=2[F g]/πd2=2×17.378×103/(π×202)=27.658N/mm2≤[f]=65N/mm2注:[f]为拉环钢筋抗拉强度,按《混凝土结构设计规范》10.9.8 每个拉环按2个截面计算的吊环应力不应大于65N/mm2符合要求!角焊缝验算:τf =N S/(h e×l w)=8.451×103/(10×100)=8.451N/mm2≤f t w=160N/mm2符合要求!2.上拉杆件为钢管S2轴心受拉稳定性计算:σ=N S/A=7.714×103/489=15.775N/mm2≤f=205N/mm2 符合要求!钢管扣件抗滑移N S=7.714kN≤1×12=12kN扣件抗滑承载力满足要求!角焊缝验算:τf=N S/(h e×l w)=7.714×103/(15×120)=4.286N/mm2≤f t w=160N/mm2符合要求!对接焊缝验算:σ=N S/(l w t)=7.714×103/A=7.714×103/489=15.775N/mm2≤f t w=185N/mm2符合要求!。
防护棚设计计算书一、计算依据1、《建筑施工扣件式钢管脚手架安全技术规范》JGJ130-20112、《建筑结构荷载规范》GB50009-20123、《钢结构设计规范》GB50017-20034、《建筑施工临时支撑结构技术规范》JGJ300-20135、《建筑施工高处作业安全技术规范》JGJ80-2011二、计算参数及简图基本参数名称防护棚-1防护棚长度L(m13.4防护棚高度H(m7 立杆纵距la(m 2 立杆横距l b(m 4 立杆步距h(m 2防护层层数n 2 防护层间距h1(m0.7防护层次梁方向纵向搭设防护层次梁间距a(m0.5是否设置斜撑是斜撑底端高度l1(m4斜撑水平宽度l2(m 1.333 立杆纵向防护方式斜撑立杆形式双立杆格构柱截面边长b(m/主梁与立杆扣接方式单扣件材料参数钢管类型Φ51×3脚手板类型木脚手板脚手板自重标准值g1k(kN/m20.35 地基基础类型混凝土楼板地基承载力特征值f ak(kPa/ 架体底部垫板面积A(m20.2搭设省份上海(省搭设城市上海(市基本风压值Wo(kN/m^20.4地面粗糙度类型C类指有密集建筑群的城市市区最大集中荷载标准值F k(kN 1.5 示意简图(图1)正立面图(图2)侧立面图三、防护层纵向水平钢管验算脚手板下为纵向搭设钢管时,钢管主要承受荷载为:恒荷载为钢管自重,脚手板自重;活荷载为高空坠物等产生最大集中荷载;强度验算采用荷载效应基本组合的设计值,按规范恒荷载分项系数取1.2,活荷载取1.4;挠度验算按正常使用极限状态验算变形,分项系数均为1.0。
按单跨简支梁模型计算,结果偏于安全。
1、强度验算恒荷载为:g1=1.2(g+g1k×a=1.2×(0.035+0.35×0.5=0.253kN/m活荷载为:F1=1.4F k=1.4×1.5=2.1kN受力简图如下:(图3)简支梁受力简图1(图4)承载能力极限状态下的应力图M max=0.811kN·mσ=M max/W=0.811×106/5130=158.047N/mm2≤[f]=205N/mm2 满足要求2、挠度验算恒荷载:g k1=g+g1k×a=0.035+0.35×0.5=0.21kN/m活荷载:F k1=F k=1.5kN(图5)正常使用极限状态下的受力简图(图6)次梁变形图(mmνmax=6.013mm≤[ν]=10mm满足要求四、防护层横向水平钢管验算横向钢管主要承受纵向钢管传递的集中力及钢管自重,恒荷载为:纵向钢管传递的恒荷载及横向钢管自重,活荷载为纵向钢管传递下来的活荷载;分别按承载能力极限状态和正常使用极限状态进行强度及挠度验算。
防护棚设计计算书-1防护棚设计计算书一、计算依据1、《建筑施工扣件式钢管脚手架安全技术规范》JGJ130-20112、《建筑结构荷载规范》GB50009-20123、《钢结构设计规范》GB50017-20034、《建筑施工临时支撑结构技术规范》JGJ300-20135、《建筑施工高处作业安全技术规范》JGJ80-2011二、计算参数及简图示意简图(图1)正立面图(图2)侧立面图三、防护层纵向水平钢管验算脚手板下为纵向搭设钢管时,钢管主要承受荷载为:恒荷载为钢管自重,脚手板自重;活荷载为高空坠物等产生最大集中荷载;强度验算采用荷载效应基本组合的设计值,按规范恒荷载分项系数取1.2,活荷载取1.4;挠度验算按正常使用极限状态验算变形,分项系数均为1.0。
按单跨简支梁模型计算,结果偏于安全。
1、强度验算恒荷载为:g1=1.2(g+g1k×a)=1.2×(0.035+0.35×0.5)=0.253kN/m活荷载为:F1=1.4F k=1.4×1.5=2.1kN受力简图如下:(图3)简支梁受力简图1(图4)承载能力极限状态下的应力图M max=0.811kN·mσ=M max/W=0.811×106/5130=158.047N/mm2≤[f]=205N/mm2满足要求2、挠度验算恒荷载:g k1=g+g1k×a=0.035+0.35×0.5=0.21kN/m活荷载:F k1=F k=1.5kN(图5)正常使用极限状态下的受力简图(图6)次梁变形图(mm)νmax=6.013mm≤[ν]=10mm满足要求四、防护层横向水平钢管验算横向钢管主要承受纵向钢管传递的集中力及钢管自重,恒荷载为:纵向钢管传递的恒荷载及横向钢管自重,活荷载为纵向钢管传递下来的活荷载;分别按承载能力极限状态和正常使用极限状态进行强度及挠度验算。
1、强度验算恒荷载:g2=1.2g=1.2×0.035=0.043kN/mF21=1.2(g+g1k×a)×l a=1.2×(0.035+0.35×0.5)×2=0.505kN活荷载:F22=1.4F k=1.4×1.5=2.1kN受力简图如下:(图7)横向钢管受力简图(图8)承载能力极限状态下的应力图M max=0.615kN·m;σ=M max/W=0.615×106/5130=119.825N/mm2≤[f]=205N/mm2满足要求2、挠度验算恒荷载:g k2=g=0.035kN/mF k21=(g+g1k×a)×l a=(0.035+0.35×0.5)×2=0.421kN/m活荷载:F k22=F k=1.5kN简图如下:(图9)正常使用极限状态下的受力简图(图10)横向钢管变形图(mm) νmax=2.172mm≤[ν]=10mm满足要求3、支座反力计算承载能力极限状态下支座反力为:R=3.941kN正常使用极限状态下支座反力为:R k=2.996kN五、扣件抗滑移计算由上知最大扣件滑移力为R max==3.941kN≤[R]=8N/mm2满足要求六、立柱验算1、长细比验算防护棚立杆一般只在纵向有水平支撑杆,横向只有地面、斜撑(存在时)及防护层约束,故一般为横向失稳。
1-3#楼悬挑防护棚计算书悬挑防护棚计算书一、基本参数悬挑防护棚类型双层悬挑防护棚防护棚两层之间间距h(m)0.6防护栏高度h1(m)0.5悬挑防护棚悬挑长度A(m)6悬挑防护棚宽度B(m)70悬挑防护棚的水平倾斜角度a°5主梁间距La(m) 1.5纵向次梁间距Lb(m)0.5主梁之间添加横向次梁的根数n2内侧纵向次梁离主梁与主体锚固点距离a(m)1二、撑拉杆件参数支撑序号支撑方式材料选择Ln(m): 支撑杆件在主梁上锚固点到主梁锚固点处直线长度Sn(m): 支撑杆件在外墙锚固点到主梁锚固点处竖直距离是否参与计算1上拉钢丝绳 1.53是2上拉钢管33是3上拉钢丝绳 4.56是4上拉钢丝绳 5.56是侧立面示意图平面图三、荷载参数防护层内材料类型木脚手板防护层内材料自重标准值gk1(kN/m2)0.3栏杆与挡脚板类型栏杆、木脚手板挡板栏杆与挡脚板自重标值gk2(kN/m)0.17安全网自重gk3(kN/m2)0.01冲击荷载pk(kN)1次梁自重gk4(kN/m)0.0333主梁自重gk5(kN/m)0.0333四、次梁验算次梁材料钢管次梁钢管型号Ф48×3截面面积A(cm2) 4.24截面惯性矩Ix(cm4)10.78截面抵抗矩Wx(cm3) 4.49抗弯强度设计值[f](N/mm2)205回转半径i(mm)15.9弹性模量E(N/mm2)206000次梁计算方式三等跨连续梁c c a计算简图:计算抗弯:M=0.464kN.m 计算抗剪:V=1.069kN计算挠度:ν=2.565mm 计算简图:计算抗弯:M=0.382kN.m 计算抗剪:V=0.89kN计算挠度:ν=1.77mm承载能力极限状态:q=1.2×(g k1+g k3)×L b+1.2×g k4=1.2×(0.3+0.01)×0.5+1.2×0.0333=0.226kN/m 横向次梁的集中力:R=1.2×L b×g k4=1.2×0.5×0.0333=0.02kNP k =1.4pk=1.4×1=1.4kN正常使用极限状态:q'=(g k1+g k3)×L b+g k4=(0.3+0.01)×0.5+0.0333=0.188kN/m横向次梁的集中力:R'=L b×g k4=0.5×0.0333=0.0166kNP k'=1kN1.抗弯验算M max=Max(0.464,0.382)=0.464kN.mσ=M max/W X=0.464×106/(4.49×103)=103.371N/mm2≤[f]=205N/mm2次梁强度满足!2.挠度验算νmax=Max(2.565,1.77)=2.565mm≤[ν]=L a/400=1500/400=3.75mm次梁挠度满足要求!3.支座反力计算极限状态下支座反力:R次梁=R max=Max(1.433,1.223)=1.433kN正常使用状态下支座反力:R'次梁=R'max=Max(1.074,0.924)=1.074kN五、主梁验算主梁材料单钢管主梁钢管型号Ф48×3截面面积A(cm2) 4.24截面惯性矩Ix(cm4)10.78截面抵抗矩Wx(cm3) 4.49抗弯强度设计值[f](N/mm2)205回转半径i(mm)15.9弹性模量E(N/mm2)206000主梁与主体结构的连接方式双扣件扣件的抗滑移折减系数0.9计算抗弯:M=0.92kN.m计算抗剪:V=2.138kN计算挠度:下层防护棚传递至悬挑主梁荷载标准值R'(kN)设计值R(kN)连接两层短立杆的自重荷载h×g k40.6×0.0333=0.021.2×0.6×0.0333 =0.024下层纵向次梁的自重荷载L a×g k4 1.5×0.0333=0.051.2×1.5×0.0333 =0.06下层横向次梁的自重荷载2×L b×g k42×0.5×0.0333=0.0331.2×2×0.5×0.0 333=0.04防护层内材料自重L a×L b×g k1 1.5×0.5×0.3=0.2251.2×1.5×0.5×0. 3=0.27安全网自重荷载L a×L b×g k3 1.5×0.5×0.01=0.0081.2×1.5×0.5×0. 01=0.009合计0.3360.403 q x=1.2×q×sin(α0)=1.2×g k5×sin(50)=1.2×0.0333×0.0872=0.0035kN/mq y=1.2×q×cos(α0)=1.2×g k5×cos(50)=1.2×0.0333×0.9962=0.0398kN/mR x=(R次梁+R下排)×sin(α0)=1.836×0.0872=0.16kNR y=(R次梁+R下排)×cos(α0)=1.836×0.9962=1.8291kN正常使用极限状态:q'x=q×sin(α0)=g k5×sin(50)=0.0333×0.0872=0.0029kN/mq'y=q×cos(α0)=g k5×cos(50)=0.0333×0.9962=0.0332kN/mR'x=(R'次梁+R'下排)×sin(α0)=1.409×0.0872=0.1228kNR'y=(R'次梁+R'下排)×cos(α0)=1.409×0.9962=1.4041kN1.抗弯验算M max=0.92kN.mσ=M max/W X=0.92×106/(4.49×103)=204.804N/mm2≤[f]=205N/mm2主梁抗弯度满足!2.挠度验算νmax=6.788mm≤[ν]=A/400=6000/400=10.6mm主梁挠度满足要求!3.支座反力计算R0=0.273kNR1=5.191kNR2=5.94kNR3=3.719kNR4=5.238kN上拉部分:第1道上拉:F1=R1/(sin(α+arctan((S1-L1×sinα)/(L1×cosα))))=5.191/(sin(5+arctan((3-1.5×sin5)/(1.5×cos5)))) =5.619kN第2道上拉:F2=R2/(sin(α+arctan((S2-L2×sinα)/(L2×cosα))))=5.94/(sin(5+arctan((3-3×sin5)/(3×co s5)))) =8.056kN第3道上拉:F3=R3/(sin(α+arctan((S3-L3×sinα)/(L3×cosα))))=3.719/(sin(5+arctan((6-4.5×sin5)/(4.5×cos5)))) =4.467kN第4道上拉:F4=R4/(sin(α+arctan((S4-L4×sinα)/(L4×cosα))))=5.238/(sin(5+arctan((6-5.5×sin5)/(5.5×cos5)))) =6.816kN4.主梁稳定性验算N max=q x×A+R x((A-a)/L b+1)+(F12-R12)0.5+(F22-R22)0.5+(F32-R32)0.5+(F42-R42)0.5=0.0035×6+0.16×((6-1)/0.5+1)+(5.6192-5.1912)0.5+(8.0562-5.942)0.5+(4.4672-3.7192)0.5+(6.8162-5.2382)0.5=16.211kN λx=L1/i=1500/15.9=94.34查《规范》表A得,φ=0.634σ=N/(φA)=16211.232/(0.634×4.24×102)=60.306N/mm2≤[f]=205N/mm2主梁稳定性满足要求!六、主梁与主体结构连接点强度计算扣件抗滑承载力验算:N max=q x×A+R x((A-a)/L b+1)+(F12-R12)0.5+(F22-R22)0.5+(F32-R32)0.5+(F42-R42)0.5=0.0035×6+0.16×((6-1)/0.5+1)+(5.6192-5.1912)0.5+(8.0562-5.942)0.5+(4.4672-3.7192)0.5+(6.8162-5.2382)0.5=16.211kN 主梁钢管扣件抗滑移N max=16.211kN>0.9×12=10.8kN主梁与主体结构预埋钢管扣件抗滑移计算:N1max=R0×cosα+N max×sinα=0.273×cos(50)+16.211×sin(50)= 1.685kN≤R c=0.9×12=10.8kN 主梁上的扣件抗滑承载力不满足要求!建议增加扣减的数量!七、拉撑绳杆承载力计算钢丝绳型号6×19钢丝绳公称抗拉强度(N/mm2)1550钢丝绳直径(mm)12.5钢丝绳不均匀系数α0.85钢丝绳安全系数k9钢丝绳绳夹型式马鞍式拴紧绳夹螺帽时螺栓上所受力T(kN)15.19钢丝绳绳夹数量[n]3花篮螺栓在螺纹处的有效直径12花篮螺栓抗拉强度设计值[ft](N/mm2)170de(mm)主梁拉环直径d(mm)20焊缝厚度he(mm)10焊缝长度lw(mm)100角焊缝强度设计值ftw(N/mm2)160钢丝绳节点钢丝绳的最大轴向拉力N S=Max[F1,F3,F4]=6.816kN查(《建筑施工计算手册》江正荣著2001年7月第一版)表13-4、13-5、13-6得,钢丝绳破断拉力总和:Fg=97.3kN[F g]=α× F g/k=0.85×97.3/9=9.189kN≥N S=6.816kN符合要求!绳夹数量:n=1.667[Fg]/(2T)=1.667×9.189/(2×15.19)=1个≤[n]=3个符合要求!花篮螺栓验算:σ=[F g]/(π×d e2/4)=9.189×103/(π×122/4)=81.253N/mm2≤[ft]=170N/mm2符合要求!拉环验算:σ =[F g]/(2A)=2[F g]/πd2=2×9.189×103/(π×202)=14.625N/mm2≤[f]=65N/mm2注:[f]为拉环钢筋抗拉强度,按《混凝土结构设计规范》10.9.8 每个拉环按2个截面计算的吊环应力不应大于65N/mm2符合要求!角焊缝验算:τf =N S/(h e×l w)=6.816×103/(10×100)=6.816N/mm2≤f t w=160N/mm2符合要求!2.上拉杆件为钢管上拉杆截面类型Ф48×3上拉杆截面积A(cm2) 4.24上拉杆截面惯性矩I(cm4)10.78上拉杆截面抵抗矩W(cm3) 4.49上拉杆材料抗拉强度设计值205上拉杆件弹性模量E(N/mm2)206000f(N/mm2)焊缝厚度h e(mm)15焊缝长度l w(mm)120角焊缝强度设计值f t w(N/mm2)160对接焊缝抗拉强度设计值f t w(N/mm2)185S2轴心受拉稳定性计算:σ=N S/A=8.056×103/424=19.001N/mm2≤f=205N/mm2符合要求!钢管扣件抗滑移N S=8.056kN≤0.9×12=10.8kN扣件抗滑承载力满足要求!角焊缝验算:τf=N S/(h e×l w)=8.056×103/(15×120)=4.476N/mm2≤f t w=160N/mm2符合要求!对接焊缝验算:σ=N S/(l w t)=8.056×103/A=8.056×103/424=19.001N/mm2≤f t w=185N/mm2符合要求!结论和建议:1.主梁上的扣件抗滑承载力不满足要求!建议增加扣减的数量!。
防护棚计算书计算依据:1、《建筑施工扣件式钢管脚手架安全技术规范》JGJ130-20112、《建筑施工高处作业安全技术规范》JGJ80-913、《建筑地基基础设计规范》GB50007-20114、《建筑结构荷载规范》GB50009-20125、《钢结构设计规范》GB50017-2003一、搭设参数计算简图:扣件钢管防护棚_正面图扣件钢管防护棚_侧面图二、荷载设计防护层防护材料自重标准值0.5 防护层防护材料类型脚手板g k1(kN/m2)栏杆与挡脚板类型竹串片脚手板栏杆与挡脚板自重标准值g k2(kN/m) 0.11 纵向外侧防护荷载标准值g k3(kN/m) 0.2 高空坠落物最大荷载标准值P k(kN) 1三、纵向水平杆验算承载力使用极限状态格构柱q=1.2(g k1×a+0.033) =1.2×(0.5×0.4+0.033)=0.28kN/m p=1.4P k=1.4×1=1.4kN正常使用极限状态格构柱q1=g k1×a+0.033 =0.5×0.4+0.033=0.233kN/mp1=Pk =1 kN1、抗弯验算M max=0.335 kN·mσ=M max/W=0.335×106/4490=74.711N/mm2≤[f]=205N/mm2 满足要求!2、挠度验算νmax=1.363 mm[ν]=min[max{a1,l a,l2-a1}/150,10] = min[max{400,1500,800-400}/150,10] =10mmνmax≤[ν]满足要求!3、支座反力计算承载力使用极限状态R max=1.637 kN四、横向水平杆验算承载力使用极限状态格构柱:F=1.2(g k1a+0.033)(l a+ a1)/2=1.2×(0.5×0.4+0.033)×(1.5+0.4)/2=0.266 kNp=1.4P k=1.4×1=1.4 kN正常使用极限状态格构柱:F1=(g k1a+0.033)(l a+ a1)/2=(0.5×0.4+0.033)×(1.5+0.4)/2=0.222 kN p1=P k=1 kN计算简图如下:1、抗弯验算σ=M max/W=0.59×106/4490=131.311N/mm2≤[f]=205N/mm2 满足要求!2、挠度验算νmax=5.356mm≤[ν]=min[max(l1-a1, l b, a1)/150,10] = min[max(2500-400, 6000, 400)/150,10] =10mm满足要求!3、支座反力计算承载力使用极限状态R max=3.081 kN五、扣件抗滑承载力验算R max =3.081 kN≤Rc =0.8×8=6.4 kN 满足要求!六、斜撑稳定性验算斜撑计算长度系数μ21.3钢管抗弯强度设计值[f](N/mm 2)205钢管截面惯性矩I(mm 4)107800钢管弹性模量E(N/mm 2)206000钢管截面抵抗矩W(mm 3)4490α1=arctan( l 1/(H-h 2))=arctan(2500/(5500-3000))=45° 第1层防护层传递给斜撑荷载计算 (1)横向斜撑验算 承载力使用极限状态 格构柱:F=1.2(g k1a+0.033)(l a + a 1)/2=1.2×(0.5×0.4+0.033)×(1.5+0.4)/2=0.266 kN p=1.4P k =1.4×1=1.4 kN 横向斜撑计算简图如下:横向斜撑最大支座反力:R2max =2.125 kN横向斜撑轴向力:N21= R2max/cosα1=2.125/cos45°=3.006 kNN=N21=3.006 kN斜撑自由长度:h= h1/cosα1=0.8/cos45°=1.131 m 斜撑计算长度l0=kμ2h=1×1.3×1.131=1.471 m长细比λ= l0/i=1470.782/15.9=92.502≤250满足要求!轴心受压构件的稳定系数计算:斜撑计算长度l0=kμ2h=1.155*1.300*1.131=1.699m长细比λ= l0/i =1699/15.9=106.84查《规范》JGJ130-2011表A.0.6得,φ= 0.544σ= N/(φA) =3005.701/(0.544×424)=13.031N/mm2σ≤[f]=205N/mm2满足要求!第2层防护层传递给斜撑荷载计算(1)横向斜撑验算承载力使用极限状态格构柱:F=1.2(g k1a+0.033)(l a+ a1)/2=1.2×(0.5×0.4+0.033)×(1.5+0.4)/2=0.266 kN 横向斜撑计算简图如下:横向斜撑最大支座反力:R2max =2.062 kN横向斜撑轴向力:N22= R2max/cosα1=2.062/cos45°=2.917 kNN=N21+N22=5.922 kN斜撑自由长度:h= (H-(n-1)h1-h2)/cosα1=(5.5-(2-1)×0.8-3)/cos45°=2.404 m 斜撑计算长度l0=kμ2h=1×1.3×2.404=3.125 m长细比λ= l0/i=3125.412/15.9=196.567≤250满足要求!轴心受压构件的稳定系数计算:斜撑计算长度l0=kμ2h=1.155*1.300*2.404=3.610m长细比λ= l0/i =3610/15.9=227.03查《规范》JGJ130-2011表A.0.6得,φ= 0.141σ= N/(φA) =5922.427/(0.141×424)=99.064N/mm2σ≤[f]=205N/mm2满足要求!七、立杆稳定性验算 立杆布置 格构柱钢管截面惯性矩I(mm 4) 107800 立杆计算长度系数μ1 1.3 钢管截面抵抗矩W(mm 3) 4490 立杆截面回转半径i(mm) 15.9 钢管抗弯强度设计值[f](N/mm 2) 205 立杆截面面积A(mm 2) 424 立杆荷载计算1、防护棚结构自重N G1k钢管长度:L=n[(l a + a 1) ((l b +2a 1)/a+1)/2+ l b ]+2( l 12+(H-h 2)2)0.5+4H=2×[(1.5+0.4)×((6+2×0.4)/0.4+1)/2+6]+2×(2.52+(5.5-3)2)0.5+4×5.5=75.271m扣件数量:m=2n[((l b +2a 1)/a-3)/2+1×4]=2×2×[((6+2×0.4)/0.4-3)/2+1×4]=44个 N G1k =0.033L+0.015m=0.033×75.271+0.015×44=3.167kN2、防护棚构配件自重N G2k防护层防护材料自重标准值N G2k1=n×g k1×(l a + a 1)×(l b + 2a 1)/2=2×0.5×(1.5+0.4)×(6+2×0.4)/2=6.46 kN栏杆与挡脚板自重标准值N G2k2=g k2×(l a+ a1)=0.11×(1.5+0.4)=0.209 kN纵向外侧防护自重标准值N G2k3=g k3×(l a+ a1)=0.2×(1.5+0.4)=0.38 kNN G2k= N G2k1+ N G2k2+ N G2k3=6.46+0.209+0.38=7.049 kN经计算得到,静荷载标准值:N Gk= N G1k + N G2k=3.167+7.049=10.216 kN 3、冲击荷载标准值N QkN Qk=P k=1 kN立杆荷载设计值:N=1.2N Gk+ 1.4N Qk=1.2×10.216+ 1.4×1=13.659 kN立杆的稳定性验算1、立杆长细比验算立杆自由长度h取立杆步距1.2m立杆计算长度l0=kμ1h=1×1.3×1.2=1.56m长细比λ= l0/i=1560/15.9=98.113≤210满足要求!轴心受压构件的稳定系数计算:立杆计算长度l0=kμ2h=1.155*1.300*1.200=1.802m长细比λ= l0/i =1802/15.9=113.32查《规范》JGJ130-2011表A.0.6得,φ= 0.4962、立杆稳定性验算σ= N/4/(φA) =13658.632/4/(0.496×424)=16.237N/mm2σ≤[f]=205N/mm2满足要求!八、立杆地基承载力验算立杆荷载标准值:N=N Gk+ N Qk=10.216+1=11.216立杆底垫板平均压力P=N/(k c A)=11.216/(1×0.25)=44.862 kPa P≤f g=140 kPa满足要求!。
外脚手架架体外悬挑安全防护棚计算书编制单位:编制人:审核人:日期:目录一、防护棚搭设方案 (1)二.防护棚受力计算 (2)(一)、荷载取值 (2)(二)、纵向水平支撑钢管计算 (2)(三)、悬挑横向支撑钢管计算 (4)(四)、斜拉钢管、钢丝绳计算 (6)(五)、斜拉钢管扣件抗滑力的计算 (7)(六)、钢丝绳验算 (7)(七)、吊环强度计算 (7)二.防护棚受力计算(一)、荷载取值1、脚手板:脚手板自重标准值(kN/m2):0.30;2、安全网自重标准值(kN/m2):0.005;3、高空坠落物最大荷载标准值N(kN):1 ;4、每米脚手架钢管自重标准值(kN/m):0.038;5、查《建筑结构荷载规范》风荷载,式中:ωk——风荷载标准值(kN/m2)。
βz——风振系数,取1.0;μz——风压高度变化系数,按现行国家标准《建筑结构荷载规范》(GBJ50009-2001)规定采用。
地面高度为12m,取值为1.07。
μS——脚手架风荷载体型系数,按现行国家标准《建筑结构荷载规范》(GBJ50009-2001)规定取μS=1.3×ψ=1.3×0.089=0.116。
(其中ψ为挡风系数)ω0——基本风压(kN/m2),按现行国家标准《建筑结构荷载规范》采用。
清远三十年一遇取0.32kN/m2。
ωK=0.7×1×1.07×0.116×0.32=0.028kN/m2。
(二)、纵向水平支撑钢管计算纵向钢管按照三跨连续梁计算,承受钢管自重、脚手板及安全网自重、坠落物冲击集中荷载、风荷载。
因坠落物冲击集中荷载、风荷载不会同时作用,因此按二者分别作用最大值计算。
因防护棚按照承载能力极限状态设计,不考虑正常使用极限状态。
截面几何参数如下:钢管截面抵抗矩 W=5.08 cm3;钢管截面惯性矩 I=12.19 cm4;钢管净截面面积: A=4.89 cm2;1.荷载的计算(1)脚手板自重(kN/m):q1=0.30×0.8=0.24kN/m;(2)钢管自重(kN/m)q2=0.038(3)安全网自重(kN/m)q3=0.005×0.8=0.004(4)风荷载(kN/m)q4=0.028×0.8=0.022(5) 高空坠落物最大荷载标准值(kN):N= 1kN;2.纵向强度验算1、纵向支撑钢管按三跨连续梁计算;(1)坠落物冲击集中荷载作用下最大弯矩计算公式如下:纵向钢管计算简图M=0.08ql2 + 0.2Fl均布恒载:q=1.2 ×(0.24+0.038+0.004) =0.338kN/m;冲击荷载:F=1.4×1=1.4kN;最大弯距 M=0.08×0.338×1.52 + 0.2×1.4×1.5= 0.481kN·m;最大应力σ=M / W=0.481×106 / (5.08×103)=94.583N/mm2;支撑钢管的抗压强度设计值 [f]=205N/mm2;支撑钢管的计算应力 94.583N/mm2小于钢管的抗弯强度设计值 205N/mm2,满足要求!(2)风荷载作用下最大弯矩计算公式如下:纵向钢管计算简图M=0.08ql2当考虑风荷载为正荷载时q=1.2 ×(0.24+0.038+0.004)+1.4×0.022=0.369 kN/m;最大弯距 M=0.08×0.369×1.52 = 0.066kN·m;最大应力σ=M / W=0.066×106 / (5.08×103)=12.99N/mm2;支撑钢管的抗压强度设计值 [f]=205N/mm2;支撑钢管的计算应力 12.99N/mm2小于钢管的抗弯强度设计值 205N/mm2,满足要求!当考虑风荷载为负荷载时q=1.2 ×(0.24+0.038+0.004)-1.4×0.022=0.308 kN/m;最大弯距 M=0.08×0.308×1.52 = 0.055kN·m;最大应力σ=M / W=0.055×106 / (5.08×103)=10.83N/mm2;支撑钢管的抗压强度设计值 [f]=205N/mm2;支撑钢管的计算应力 10.83N/mm2小于钢管的抗弯强度设计值 205N/mm2,满足要求!(三)、悬挑横向支撑钢管计算悬挑横向水平钢管按照承载能力极限状态设计,按照两跨连续梁计算;1、坠落物冲击集中荷载作用下最大弯矩、及支座剪力计算公式如下:冲击荷载按最不利情况作用于跨中,上部钢管传递的恒载按等间距步置。
防护棚计算书计算依据:
1、《建筑施工扣件式钢管脚手架安全技术规范》JGJ130-2011
2、《建筑施工高处作业安全技术规范》JGJ80-91
3、《建筑地基基础设计规范》GB50007-2011
4、《建筑结构荷载规范》GB50009-2012
5、《钢结构设计规范》GB50017-2003
一、搭设参数
计算简图:
扣件钢管防护棚_正面图
扣件钢管防护棚_侧面图二、荷载设计
防护层防护材料自重标准值g k1(kN/m2
防护层防护材料类型脚手板
0.5
)
栏杆与挡脚板类型竹串片脚手板栏杆与挡脚板自重标准值g k2(kN/m) 0.11
纵向外侧防护荷载标准值g k3(kN/m) 0.2 高空坠落物最大荷载标准值P k(kN) 1
三、纵向水平杆验算
钢管抗弯强度设计值[f](N/mm2) 205 钢管截面惯性矩I(mm4) 107800 钢管弹性模量E(N/mm2) 206000 钢管截面抵抗矩W(mm3) 4490 承载力使用极限状态
格构柱
q=1.2(g k1×a+0.033) =1.2×(0.5×0.4+0.033)=0.28kN/m
p=1.4P k=1.4×1=1.4kN
正常使用极限状态
格构柱
q1=g k1×a+0.033 =0.5×0.4+0.033=0.233kN/m
p1=Pk =1 kN
1、抗弯验算
M max=0.335 kN·m
σ=M max/W=0.335×106/4490=74.711N/mm2≤[f]=205N/mm2 满足要求!
2、挠度验算
νmax=1.363 mm
[ν]=min[max{a1,l a,l2-a1}/150,10] =
min[max{400,1500,800-400}/150,10] =10mm
νmax≤[ν]
满足要求!
3、支座反力计算
承载力使用极限状态
R max=1.637 kN
四、横向水平杆验算
钢管抗弯强度设计值[f](N/mm2) 205 钢管截面惯性矩I(mm4) 107800 钢管弹性模量E(N/mm2) 206000 钢管截面抵抗矩W(mm3) 4490 承载力使用极限状态
格构柱:
F=1.2(g k1a+0.033)(l a+ a1)/2=1.2×(0.5×0.4+0.033)×(1.5+0.4)/2=0.266 kN p=1.4P k=1.4×1=1.4 kN
正常使用极限状态
格构柱:
F1=(g k1a+0.033)(l a+ a1)/2=(0.5×0.4+0.033)×(1.5+0.4)/2=0.222 kN
p1=P k=1 kN
计算简图如下:
1、抗弯验算
σ=M max/W=0.59×106/4490=131.311N/mm2≤[f]=205N/mm2 满足要求!
2、挠度验算
νmax=5.356mm≤[ν]=min[max(l1-a1, l b, a1)/150,10] = min[max(2500-400, 6000, 400)/150,10] =10mm
满足要求!
3、支座反力计算
承载力使用极限状态
R max=3.081 kN
五、扣件抗滑承载力验算
扣件连接方式单扣件扣件抗滑移折减系数0.8 R max=3.081 kN≤Rc =0.8×8=6.4 kN
满足要求!
六、斜撑稳定性验算
斜撑计算长度系数μ2 1.3
钢管抗弯强度设计值[f](N/mm2) 205 钢管截面惯性矩I(mm4) 107800 钢管弹性模量E(N/mm2) 206000 钢管截面抵抗矩W(mm3) 4490 α1=arctan( l1/(H-h2))=arctan(2500/(3000-1500))=59.036°
第1层防护层传递给斜撑荷载计算
(1)横向斜撑验算
承载力使用极限状态
格构柱:
F=1.2(g k1a+0.033)(l a+ a1)/2=1.2×(0.5×0.4+0.033)×(1.5+0.4)/2=0.266 kN
p=1.4P k=1.4×1=1.4 kN
横向斜撑计算简图如下:
横向斜撑最大支座反力:R2max =2.125 kN
横向斜撑轴向力:
N21= R2max/cosα1=2.125/cos59.036°=4.131 kN
N=N21=4.131 kN
斜撑自由长度:h= (H-(n-1)h1-h2)/cosα1=(3-(1-1)×0.8-1.5)/cos59.036°=2.915 m 斜撑计算长度l0=kμ2h=1×1.3×2.915=3.79 m
长细比λ= l0/i=3790.119/15.9=238.372≤250
满足要求!
轴心受压构件的稳定系数计算:
斜撑计算长度l0=kμ2h=1.155*1.300*2.915=4.378m
长细比λ= l0/i =4378/15.9=275.32
查《规范》JGJ130-2011表A.0.6得,φ= 0.097
σ=N/(φA) =4130.941/(0.097×424)=100.655N/mm2
σ≤[f]=205N/mm2
满足要求!
七、立杆稳定性验算
立杆荷载计算
1、防护棚结构自重N G1k
钢管长度:
L=n[(l a+ a1) ((l b+2a1)/a+1)/2+ l b]+2( l12+(H-
h2)2)0.5+4H=1×[(1.5+0.4)×((6+2×0.4)/0.4+1)/2+6]+2×(2.52+(3-1.5)2)0.5+4×3=40.931m 扣件数量:
m=2n[((l b+2a1)/a-3)/2+1×4]=2×1×[((6+2×0.4)/0.4-3)/2+1×4]=22个
N G1k=0.033L+0.015m=0.033×40.931+0.015×22=1.693kN
2、防护棚构配件自重N G2k
防护层防护材料自重标准值N G2k1=n×g k1×(l a+ a1)×(l b+
2a1)/2=1×0.5×(1.5+0.4)×(6+2×0.4)/2=3.23 kN
栏杆与挡脚板自重标准值N G2k2=g k2×(l a+ a1)=0.11×(1.5+0.4)=0.209 kN
纵向外侧防护自重标准值N G2k3=g k3×(l a+ a1)=0.2×(1.5+0.4)=0.38 kN
N G2k= N G2k1+ N G2k2+ N G2k3=3.23+0.209+0.38=3.819 kN
经计算得到,静荷载标准值:N Gk= N G1k + N G2k=1.693+3.819=5.512 kN
3、冲击荷载标准值N Qk
N Qk=P k=1 kN
立杆荷载设计值:N=1.2N Gk+ 1.4N Qk=1.2×5.512+ 1.4×1=8.014 kN
立杆的稳定性验算
1、立杆长细比验算
立杆自由长度h取立杆步距1.2m
立杆计算长度l0=kμ1h=1×1.3×1.2=1.56m
长细比λ= l0/i=1560/15.9=98.113≤210
满足要求!
轴心受压构件的稳定系数计算:
立杆计算长度l0=kμ2h=1.155*1.300*1.200=1.802m
长细比λ= l0/i =1802/15.9=113.32
查《规范》JGJ130-2011表A.0.6得,φ= 0.496
2、立杆稳定性验算
σ= N/4/(φA) =8014.401/4/(0.496×424)=9.527N/mm2
σ≤[f]=205N/mm2
满足要求!
八、立杆地基承载力验算
立杆荷载标准值:N=N Gk+ N Qk=5.512+1=6.512 kN
立杆底垫板平均压力P=N/(k c A)=6.512/(1×0.25)=26.048 kPa P≤f g=140 kPa
满足要求!。