给排水图例
- 格式:docx
- 大小:22.04 KB
- 文档页数:15
给排水、消防图纸图例符号与画法总结(干货)线型及其含义:比例:水、汽管道代号:工艺管道施工图常用图例:水、汽管道阀门和附件图例:给排水、采暖常用图例:通风空调工程常用图例:风道代号:风道、阀门及附件图例:风口和附件代号:暖通空调设备图例:调控装置及仪表图例:消防工程基本图形符号:消防工程辅助符号:消防工程灭火器符号:消防管路及配件符号:消防工程固定灭火器系统符号:消防工程灭火设备安装处符号:消防设施:消防工程自动报警设备符号:管道图例:管道附件:管道连接:管件:常见阀门:给水配件:小型给水排水构筑物:给水排水设备:仪表:管道和设备布置平面图、剖面图示例:管道和设备布置平面图应按假象除去上层板后俯视规则绘制,其相应的垂直剖面图应在平面图中表明剖切符号。
标准层平面图平、剖面示例平面图、剖面图索引符号的画法:平面图、剖面图中的局部需另绘详图时,应在平、剖面图上标注索引符号。
索引符号的画法见下图。
索引符号的画法内视符号画法:当表示局部位置的相互关系,在平面图上应标注内视符号。
内视符号画法系统编号:1、一个工程设计中同时有供暖、通风、空调等两个及以上的不同系统时,应进行系统编号。
2、暖通空调系统编号、入口编号,应由系统代号和顺序号组成。
3、系统代号用大写拉丁字母表示,顺序号用阿拉伯数字表示。
当一个系统出现分支时,可采用下图的画法。
系统代号立管号的画法竖向布置的垂直管道系统,应标注立管号,在不一致引起误解时,可只标注序号,但应与建筑轴线编号有明显区别。
立管号的画法管道相对标高的画法:1、在无法标注垂直尺寸的图样中,应标注标高。
标高应以m为单位,并应精确到cm或mm。
2、标高符号应以直角等腰三角形表示。
当面标准层较多时,可只标注与本层楼(地)板面的相对标高。
3、水、汽管道所标高未予说明时,应表示为管中心标高。
4、水、汽管道标注管道外底或顶标高时,应在数字前加“底”或“顶”字样。
5、矩形风管所注标高应表示管底标高;圆形风管所注标高应表示管中心标高。
一、工艺管道施工图常用图例名称图例名称图例闸阀异径管压力调节阀偏心异径管升降式止回阀堵板旋启式止回阀法兰减压阀法兰连接电动闸阀丝堵滚动闸阀人口自动截门流量孔板带手动装置的截门放气管浮力调节阀防雨罩密闭式弹簧安全阀地漏开启式弹簧安全阀压力表放气阀U型压力表自动放气阀自动记录压力表立管及立管上阀门水银温度计挡住阀二次蒸发器疏水器室外架空管道固定支架∩型补偿器室外架空煤气道管单层支架套管补偿器室外架空煤气道管摇摆支架波型、鼓型补偿器漏气检查点一、工艺管道施工图常用图例名称图例名称图例离心水泵防火器手摇泵地沟∪型膨胀穴喷射泵地沟安装孔热交换器地沟及检查井立式油水分离器(用于压缩空气)Dg≤80弹簧支(吊)架卧式油水分离器(用于压缩空气)Dg≥100单、双、三接头立式集水器(用于压缩空气)导向支架地沟排风口吊架流量表名称图形名称图形带导流叶片弯头消声弯头伞形风帽送风口回风口圆形散流器方形散流器插板阀蝶阀对开式多叶调节阀光圈式启动调节阀风管止回阀防火阀三通调节阀三、给排水、采暖常用图例名称图形名称图形闸阀化验盆洗涤盆截止阀污水池延时自闭冲洗阀带沥水板洗涤盆减压阀盥洗盆球阀妇女卫生盆止回阀立式小便器消音止回阀挂式小便器蝶阀蹲式大便器柔性防水套管坐式大便器检查口小便槽清扫口引水器通气帽淋浴喷头圆形地漏雨水口方形地漏水泵水锤消除器水表可曲挠橡胶接头防回流污染止回阀水表井水龙头名称图形名称图形手提式灭火器灭火设备安装处所推车式灭火器控制和指示设备固定式灭火系统(全淹没)报警息动固定式灭火系统(局部应用)火灾报警装置固定式灭火系统(指出应用区)消防通风口1、消防工程辅助符号名称图形名称图形水阀门手动启动泡沫或泡沫液出口电铃无水入口发声器BC类干粉热扬声器ABC类干粉烟电话卤代烷火焰光信号二氧化碳易爆气体四、消防工程基本图形符号2、消防工程灭火器符号名称图形名称图形清水灭火器卤代烷灭火器推车式ABC类干粉灭火器泡沫灭火器二氧化碳灭火器推车式卤代烷灭火器BC类干粉灭火器推车式泡沫灭火器水桶ABC类干粉灭火器推车式BC类干粉灭火器沙桶3、消防管路及配件符号名称图形名称图形干式立管消防水管线干式立管消防水罐(池)干式立管泡沫混合液管线报警阀干式立管消火栓开式喷头干式立管消防泵闭式喷头干式立管泡沫比例混合器水泵结合器湿式立管泡沫产生器泡沫混合器立管泡沫液管四、消防工程基本图形符号4、消防工程固定灭火器系统符号名称图形名称图形水灭火系统(全淹没)ABC类干粉灭火系统手动控制灭火系统泡沫灭火系统(全淹没)卤代烷灭火系统BC类干粉灭火系统二氧化碳灭火系统5、消防工程灭火设备安装处符号名称图形名称图形二氧化碳瓶站ABC干粉罐泡沫罐站BC干粉灭火罐站消防泵站6、消防工程自动报警设备符号名称图形名称图形消防控制中心火灾报警装置温感探测器感光探测器手动报警装置烟感探测器气体探测器报警电话火灾警铃火灾报警扬声器火灾报警发声器火灾光信号装置表3.0.1管道图例序号名称图例备注1生活给水管2热水给水管3热水回水管4中水给水管5循环给水管6循环回水管7热媒给水管8热媒回水管9蒸汽管10凝结水管11废水管可与中水源水管合用12压力废水管13通气管14污水管15压力污水管16雨水管17压力雨水管18膨胀管19保温管20多孔管21地沟管22防护套管23管道立管X:管道类别L:立管1:编号24伴热管25空调凝结水管26排水明沟27排水暗沟注:分区管道用加注角标方式表示:如J1、J2、RJ1、RJ2……。
给排水图例符号大全在建筑设计和工程施工中,给排水系统是非常重要的一部分。
而在给排水系统的设计和施工中,图例符号的使用是必不可少的。
图例符号是用来表示给排水系统中各种设备、管道、阀门等的标志,通过图例符号可以清晰地了解给排水系统的布局和结构。
因此,了解和掌握给排水图例符号是非常重要的。
首先,我们来看一下给排水系统中常见的图例符号及其含义。
1. 排水管道符号,排水管道符号通常用直线表示,箭头表示流向。
不同直径的排水管道在图例中会有不同的标识,以便于工程师和施工人员准确理解管道的尺寸和布局。
2. 排水井符号,排水井通常用一个矩形或圆形的图形表示,内部会标注井的深度和直径。
排水井的图例符号可以帮助设计人员和施工人员准确了解排水井的位置和尺寸。
3. 排水泵符号,排水泵通常用一个长方形加上箭头表示,箭头表示泵的流向。
排水泵的图例符号可以帮助大家准确了解排水泵的位置和流向。
4. 排水阀门符号,排水阀门通常用一个带有箭头的图形表示,箭头表示阀门的开启方向。
排水阀门的图例符号可以帮助大家准确了解阀门的位置和开启方向。
5. 排水设备符号,排水设备包括洗手盆、马桶、浴缸等,它们在图例中会有不同的标识,以便于大家准确理解设备的类型和位置。
以上是给排水系统中常见的图例符号及其含义,通过这些图例符号可以清晰地了解给排水系统的布局和结构。
在实际的设计和施工中,设计人员和施工人员都需要准确理解这些图例符号,以确保给排水系统的设计和施工符合要求。
除了了解常见的给排水图例符号外,设计人员和施工人员还需要了解一些特殊情况下的图例符号。
比如,在特殊环境下使用的排水设备、特殊材料制成的排水管道等,都会有特殊的图例符号。
因此,设计人员和施工人员需要不断学习和积累,以便于准确理解和应用这些特殊情况下的图例符号。
总的来说,给排水图例符号是给排水系统设计和施工中非常重要的一部分。
通过图例符号,设计人员和施工人员可以清晰地了解给排水系统的布局和结构,从而确保设计和施工的准确性和合理性。
线型及其含义:比例:水、汽管道代号:工艺管道施工图常用图例:水、汽管道阀门和附件图例:给排水、采暖常用图例:通风空调工程常用图例:风道代号:风道、阀门及附件图例:风口和附件代号:暖通空调设备图例:调控装置及仪表图例:各种执行机构可与风阀、水阀组合表示相应功能的控制阀门。
消防工程基本图形符号:消防工程灭火器符号:消防工程固定灭火器系统符号:消防工程灭火设备安装处符号:消防设施:消防工程自动报警设备符号:管道图例:管道附件:管道连接:管件:常见阀门:给水配件:小型给水排水构筑物:给水排水设备:仪表:管道和设备布置平面图、剖面图示例:管道和设备布置平面图应按假象除去上层板后俯视规则绘制,其相应的垂直剖面图应在平面图中表明剖切符号。
标准层平面图平、剖面示例平面图、剖面图索引符号的画法:平面图、剖面图中的局部需另绘详图时,应在平、剖面图上标注索引符号。
索引符号的画法见下图。
索引符号的画法内视符号画法:当表示局部位置的相互关系,在平面图上应标注内视符号。
内视符号画法系统编号:1、一个工程设计中同时有供暖、通风、空调等两个及以上的不同系统时,应进行系统编号。
2、暖通空调系统编号、入口编号,应由系统代号和顺序号组成。
3、系统代号用大写拉丁字母表示,顺序号用阿拉伯数字表示。
当一个系统出现分支时,可采用下图的画法。
系统代号立管号的画法竖向布置的垂直管道系统,应标注立管号,在不一致引起误解时,可只标注序号,但应与建筑轴线编号有明显区别。
立管号的画法管道相对标高的画法:1、在无法标注垂直尺寸的图样中,应标注标高。
标高应以m为单位,并应精确到cm或mm。
2、标高符号应以直角等腰三角形表示。
当面标准层较多时,可只标注与本层楼(地)板面的相对标高。
3、水、汽管道所标高未予说明时,应表示为管中心标高。
4、水、汽管道标注管道外底或顶标高时,应在数字前加“底”或“顶”字样。
5、矩形风管所注标高应表示管底标高;圆形风管所注标高应表示管中心标高。
常用给排水水图例附件1:常用给排水水图例本文档介绍了常用的给排水水图例,以供参考。
以下是具体的细化章节内容。
一、水供应系统1. 自动供水系统图例- 自动水泵图例:包括水泵、检修门、阀门、压力表、流量计等。
- 自动补水器图例:包括补水器、补水管道、水位控制器等。
2. 给水供应系统图例- 水箱图例:包括水箱、水位控制器、分水器等。
- 储水池图例:包括储水池、防溢流装置、进水管道等。
3. 消防给水系统图例- 消防水泵图例:包括消防水泵、消防水箱、消防喷淋系统等。
- 消防栓图例:包括消防栓、配水管道、阀门等。
二、污水处理系统1. 污水排放系统图例- 污水井图例:包括污水井、进水管道、出水管道等。
- 污水泵图例:包括污水泵、检修门、阀门等。
2. 污水处理系统图例- 活性污泥法处理图例:包括活性污泥池、进水管道、出水管道等。
- 膜生物反应器处理图例:包括膜生物反应器、空气传送装置、出水管道等。
三、雨水排水系统1. 雨水采集系统图例- 雨水采集桶图例:包括雨水采集桶、雨水采集管道、分流器等。
- 雨水花洒图例:包括雨水花洒、喷头、节水阀等。
2. 雨水排放系统图例- 雨水下水道图例:包括雨水下水道、检修井、排水管道等。
- 雨水泵图例:包括雨水泵、检修门、阀门等。
扩展内容:1、本文档所涉及附件如下:- 附件1:自动供水系统图例- 附件2:给水供应系统图例- 附件3:消防给水系统图例- 附件4:污水排放系统图例- 附件5:污水处理系统图例- 附件6:雨水排水系统图例2、本文档所涉及的法律名词及注释:- 自动供水系统:指通过水泵、补水器等设备,实现对建造物供水的一种系统。
- 给水供应系统:指将水源供应到建造物内各个水龙头、马桶等设备的一种系统。
- 消防给水系统:指用于消防设施的供水系统,保障火灾发生时能够提供足够的水源。
- 污水处理系统:指将建造物内的污水经过一系列处理工艺,处理后达到排放标准的系统。
- 雨水排水系统:指将建造物内的雨水采集、排放的一种系统。
表3.0.1管道图例
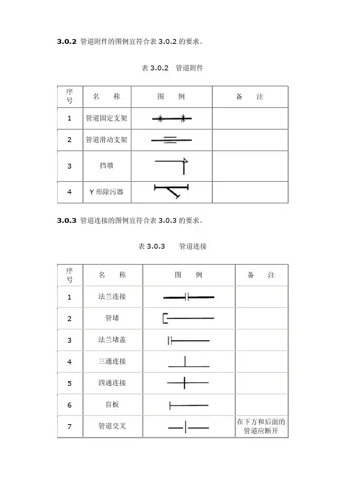
3.0.2管道附件的图例宜符合表3.0.2的要求。
表3.0.2管道附件
3.0.3管道连接的图例宜符合表3.0.3的要求。
表3.0.3管道连接
3.0.4管件的图例宜符合表3.0.4的要求。
表3.0.4管件
3.0.5阀门的图例宜符合表3.0.5的要求。
表3.0.5阀门
3.0.6给水配件的图例宜符合表3.0.6的要求。
表3.0.6给水配件
3.0.7消防设施的图例宜符合表3.0.7的要求。
表3.0.7消防设施
3.0.8卫生设备及水池的图例宜符合表3.0.8的要求。
表3.0.8卫生设备及水池
3.0.9小型给水排水构筑物的图例宜符合表3.0.9的要求。
表3.0.9小型给水排水构筑物
3.0.10给水排水设备的图例宜符合表3.0.10的要求。
表3.0.10给水排水设备
3.0.11给水排水专业所用仪表的图例宜符合表3.0.11的要求。
表3.0.11仪表。
线型及其含义:比例:水、汽管道代号:工艺管道施工图经常使用图例:水、汽管道阀门和附件图例:给排水、采暖经常使用图例:通风空调工程经常使用图例:风道代号:风道、阀门及附件图例:风口和附件代号:暖通空调设备图例:调控装置及仪表图例:各种执行机构可与风阀、水阀组合暗示相应功能的控制阀门。
消防工程基本图形符号:消防工程辅助符号:消防工程灭火器符号:消防管路及配件符号:消防工程固定灭火器系统符号:消防工程灭火设备装置处符号:消防设施:消防工程自动报警设备符号:管道图例:管道附件:管道连接:管件:罕见阀门:给水配件:小型给水排水构筑物:给水排水设备:仪表:管道和设备安插平面图、剖面图示例:管道和设备安插平面图应按假象除去上层板后俯视规则绘制,其相应的垂直剖面图应在平面图中标明剖切符号。
尺度层平面图平、剖面示例平面图、剖面图索引符号的画法:平面图、剖面图中的局部需另绘详图时,应在平、剖面图上标注索引符号。
索引符号的画法见下图。
索引符号的画法内视符号画法:当暗示局部位置的相互关系,在平面图上应标注内视符号。
内视符号画法系统编号:1、一个工程设计中同时有供暖、通风、空调等两个及以上的分歧系统时,应进行系统编号。
2、暖通空调系统编号、入口编号,应由系统代号和顺序号组成。
3、系统代号用大写拉丁字母暗示,顺序号用阿拉伯数字暗示。
当一个系统出现分支时,可采取下图的画法。
系统代号立管号的画法竖向安插的垂直管道系统,应标注立管号,在纷歧致引起误解时,可只标注序号,但应与建筑轴线编号有明显区别。
立管号的画法管道相对标高的画法:1、在无法标注垂直尺寸的图样中,应标注标高。
标高应以m为单位,并应精确到cm或mm。
2、标高符号应以直角等腰三角形暗示。
当面尺度层较多时,可只标注与本层楼(地)板面的相对标高。
3、水、汽管道所标高未予说明时,应暗示为管中心标高。
4、水、汽管道标注管道外底或顶标高时,应在数字前加“底”或“顶”字样。
5、矩形风管所注标高应暗示管底标高;圆形风管所注标高应暗示管中心标高。
3.0.2管道附件的图例宜符合表3.0.2的要求。
表3.0.2管道附件序名称图例备注号1 管道固定支架2 管道滑动支架3 挡墩4 Y形除污器3.0.3管道连接的图例宜符合表3.0.3的要求。
表3.0.3管道连接序名称图例备注号1 法兰连接2 管堵3 法兰堵盖4 三通连接5 四通连接6 盲板7 管道交叉在下方和后面的管道应断开3.0.5阀门的图例宜符合表3.0.5的要求。
表3.0.5阀门序名称图例备注号1 闸阀2 角阀3 三通阀4 四通阀5 截止阀6 电动阀7 液动阀8 气动阀9 减压阀左侧为高压端10 旋塞阀11 底阀12 球阀13 隔膜阀14 气开隔膜阀15 气闭隔膜阀16 温度调节阀17 压力调节阀18 电磁阀19 止回阀20 消声止回阀21 蝶阀22 弹簧安全阀23 平衡锤安全阀24 自动排气阀25 浮球阀26 延时自闭冲洗阀27 吸水喇叭口28 疏水器3.0.7 消防设施的图例宜符合表3.0.7的要求。
表3.0.7消防设施序名称图例备注号1 消火栓给水管2 室外消火栓3 水泵接合器注:分区管道用加注角标方式表示:如XH1、XH2、ZP1、ZP2……。
3.0.9小型给水排水构筑物的图例宜符合表3.0.9的要求。
表3.0.9小型给水排水构筑物序号名称图例备注单口1 雨水口双口2 阀门井检查井3 水封井4 跌水井5 水表井3.0.11给水排水专业所用仪表的图例宜符合表3.0.11的要求。
表3.0.11仪表序号名称图例备注1 温度计2 压力表3 自动记录压力表4 压力控制器5 水表6 自动记录流量计7 转子流量计8 真空表9 温度传感器10 压力传感器11 pH值传感器12 酸传感器13 碱传感器14 余氯传感器2008-10-22 9:12:20。
线型及其含义:比例:水、汽管道代号:工艺管道施工图常用图例:水、汽管道阀门和附件图例:给排水、采暖常用图例: 通风空调工程常用图例:风道代号:风道、阀门及附件图例:风口和附件代号:暖通空调设备图例:调控装置及仪表图例:各种执行机构可与风阀、水阀组合表示相应功能的控制阀门。
消防工程基本图形符号:消防工程辅助符号: 消防工程灭火器符号:消防管路及配件符号:消防工程固定灭火器系统符号:消防工程灭火设备安装处符号:消防设施:消防工程自动报警设备符号:管道图例:管道附件:管道连接:管件:常见阀门:给水配件:小型给水排水构筑物:给水排水设备:仪表:管道和设备布置平面图、剖面图示例:管道和设备布置平面图应按假象除去上层板后俯视规则绘制,其相应的垂直剖面图应在平面图中表明剖切符号.标准层平面图平、剖面示例平面图、剖面图索引符号的画法:平面图、剖面图中的局部需另绘详图时,应在平、剖面图上标注索引符号。
索引符号的画法见下图。
索引符号的画法内视符号画法:当表示局部位置的相互关系,在平面图上应标注内视符号。
内视符号画法系统编号:1、一个工程设计中同时有供暖、通风、空调等两个及以上的不同系统时,应进行系统编号。
2、暖通空调系统编号、入口编号,应由系统代号和顺序号组成。
3、系统代号用大写拉丁字母表示,顺序号用阿拉伯数字表示。
当一个系统出现分支时,可采用下图的画法。
系统代号立管号的画法竖向布置的垂直管道系统,应标注立管号,在不一致引起误解时,可只标注序号,但应与建筑轴线编号有明显区别。
立管号的画法管道相对标高的画法:1、在无法标注垂直尺寸的图样中,应标注标高。
标高应以m为单位,并应精确到cm或mm.2、标高符号应以直角等腰三角形表示。
当面标准层较多时,可只标注与本层楼(地)板面的相对标高。
3、水、汽管道所标高未予说明时,应表示为管中心标高.4、水、汽管道标注管道外底或顶标高时,应在数字前加“底”或“顶”字样。
5、矩形风管所注标高应表示管底标高;圆形风管所注标高应表示管中心标高。
给排水及消防水图例公司内部档案编码:[OPPTR-OPPT28-OPPTL98-OPPNN08]表3.0.2管道附件序号名称图例备注1套管伸缩器?2方形伸缩器?3刚性防水套管?4柔性防水套管?5波纹管?6可曲挠橡胶接头?7管道固定支架? 8管道滑动支架?9立管检查口? 10清扫口? 11通气帽? 12雨水斗? 13排水漏斗?14圆形地漏通用。
如为无水封,地漏应加存水弯15方形地漏? 16自动冲洗水箱? 17挡墩?18减压孔板? 19Y形除污器? 20毛发聚集器?21防回流污染止回阀?22吸气阀?3.0.3管道连接的图例宜符合表的要求。
表3.0.3 管道连接序号名称图例备注1法兰连接?2承插连接?3活接头?4管堵?5法兰堵盖?6弯折管表示管道向后及向下弯转90°7三通连接? 8四通连接? 9盲板? 10管道丁字上接? 11管道丁字下接?12管道交叉在下方和后面的管道应断开3.0.4管件的图例宜符合表的要求。
表管件序号名称图例备注1偏心异径管?2异径管? 3乙字管? 4喇叭口? 5转动接头? 6短管? 7存水弯? 8弯头? 9正三通? 10斜三通? 11正四通? 12斜四通?13浴盆排水件?3.0.5阀门的图例宜符合表的要求。
表阀门序号名称图例备注1闸阀?2角阀?3三通阀?4四通阀?5截止阀?6电动阀?7液动阀?8气动阀?9减压阀左侧为高压端10旋塞阀?11底阀?12球阀?13隔膜阀?14气开隔膜阀?15气闭隔膜阀?16温度调节阀?17压力调节阀?18电磁阀? 19止回阀?20消声止回阀?21蝶阀?22弹簧安全阀?23平衡锤安全阀?24自动排气阀?25浮球阀?26延时自闭冲洗阀?27吸水喇叭口?28疏水器?3.0.6给水配件的图例宜符合表的要求。
表给水配件序号名称图例备注1放水龙头左侧为平面,右侧为系统2皮带龙头左侧为平面,右侧为系统3洒水(栓)龙头? 4化验龙头? 5肘式龙头? 6脚踏开关? 7混合水龙头? 8旋转水龙头?9浴盆带喷头混合水龙头?3.0.7 消防设施的图例宜符合表的要求。
表 3.0.2 管道附件序号名称图例备注1 2 套管伸缩器方形伸缩器3 4 刚性防水套管柔性防水套管5 6 7 8波纹管可曲挠橡胶接头管道固定支架管道滑动支架9 立管检查口清扫口1011通气帽1213雨水斗排水漏斗通用。
如为无水封,地漏应加存水弯14 15圆形地漏 方形地漏1617自动冲洗水箱挡墩18 19减压孔板 Y 形除污器20 2122毛发聚集器 防回流污染止回阀吸气阀3.0.3 管道连接 的图例宜符合表 3.0.3 的要求。
表 3.0.3管道连接序 名 称 图 例 备 注号 1 法兰连接 承插连接 活接头2 3 4 5管堵 法兰堵盖表示管道向后及向6 7弯折管 三通连接 四通连接 盲板下弯转 90°8 9 10 11 12管道丁字上接 管道丁字下接 管道交叉在下方和后面 的管道应断开3.0.4 管件 的图例宜符合表 3.0.4 的要求。
表 3.0.4管件 例序号名称图备注1 2 3 4 5 6 7 8 偏心异径管 异径管 乙字管 喇叭口 转动接头 短管存水弯 弯头9 正三通斜三通1011 正四通1213斜四通浴盆排水件3.0.5阀门的图例宜符合表 3.0.5 的要求。
表 3.0.5 阀门例序号名称图备注1 2 闸阀角阀3 三通阀4 5 四通阀截止阀6 电动阀7 8 液动阀气动阀9 减压阀旋塞阀底阀左侧为高压端10111213球阀隔膜阀14 气开隔膜阀1516171819 气闭隔膜阀温度调节阀压力调节阀电磁阀止回阀2021 消声止回阀蝶阀2223 弹簧安全阀平衡锤安全阀2425 自动排气阀浮球阀延时自闭冲洗阀262728 吸水喇叭口疏水器3.0.6给水配件的图例宜符合表 3.0.6 的要求。
表 3.0.6 给水配件序号名称图例备注1 2放水龙头皮带龙头左侧为平面,右侧为系统左侧为平面,右侧为系统洒水(栓)龙头34 化验龙头5 6 7肘式龙头脚踏开关混合水龙头8 9旋转水龙头浴盆带喷头混合水龙头3.0.7消防设施的图例宜符合表 3.0.7 的要求。
线型及其含义:比例:水、汽管道代号:工艺管道施工图常用图例:水、汽管道阀门和附件图例:给排水、采暖常用图例:通风空调工程常用图例:风道代号:风道、阀门及附件图例:风口和附件代号:暖通空调设备图例:调控装置及仪表图例:各种执行机构可与风阀、水阀组合表示相应功能的控制阀门。
消防工程基本图形符号:消防工程灭火器符号:消防工程固定灭火器系统符号:消防工程灭火设备安装处符号:消防设施:消防工程自动报警设备符号:管道图例:管道附件:管道连接:管件:常见阀门:给水配件:小型给水排水构筑物:给水排水设备:仪表:管道和设备布置平面图、剖面图示例:管道和设备布置平面图应按假象除去上层板后俯视规则绘制,其相应的垂直剖面图应在平面图中表明剖切符号。
标准层平面图平、剖面示例平面图、剖面图索引符号的画法:平面图、剖面图中的局部需另绘详图时,应在平、剖面图上标注索引符号。
索引符号的画法见下图。
索引符号的画法内视符号画法:当表示局部位置的相互关系,在平面图上应标注内视符号。
内视符号画法系统编号:1、一个工程设计中同时有供暖、通风、空调等两个及以上的不同系统时,应进行系统编号。
2、暖通空调系统编号、入口编号,应由系统代号和顺序号组成。
3、系统代号用大写拉丁字母表示,顺序号用阿拉伯数字表示。
当一个系统出现分支时,可采用下图的画法。
系统代号立管号的画法竖向布置的垂直管道系统,应标注立管号,在不一致引起误解时,可只标注序号,但应与建筑轴线编号有明显区别。
立管号的画法管道相对标高的画法:1、在无法标注垂直尺寸的图样中,应标注标高。
标高应以m为单位,并应精确到cm或mm。
2、标高符号应以直角等腰三角形表示。
当面标准层较多时,可只标注与本层楼(地)板面的相对标高。
3、水、汽管道所标高未予说明时,应表示为管中心标高。
4、水、汽管道标注管道外底或顶标高时,应在数字前加“底”或“顶”字样。
5、矩形风管所注标高应表示管底标高;圆形风管所注标高应表示管中心标高。
一、工艺管道施工图常用图例
一、工艺管道施工图常用图例
三、给排水、采暖常用图例
1、消防工程辅助符号
四、消防工程基本图形符号
2、消防工程灭火器符号
3、消防管路及配件符号
四、消防工程基本图形符号
4、消防工程固定灭火器系统符号
5、消防工程灭火设备安装处符号
6、消防工程自动报警设备符号
表3.0.1管道图例
3.0.2管道附件的图例宜符合表3.0.2的要求。
表3.0.2管道附件
3.0.3管道连接的图例宜符合表3.0.3的要求。
表3.0.3管道连接
3.0.4管件的图例宜符合表3.0.4的要求。
表3.0.4管件
3.0.5阀门的图例宜符合表3.0.5的要求。
表3.0.5阀门
3.0.6给水配件的图例宜符合表3.0.6的要求。
表3.0.6给水配件
3.0.7 消防设施的图例宜符合表3.0.7的要求。
表3.0.7消防设施
3.0.8卫生设备及水池的图例宜符合表3.0.8的要求。
表3.0.8卫生设备及水池
3.0.9小型给水排水构筑物的图例宜符合表3.0.9的要求。
表3.0.9小型给水排水构筑物
3.0.10给水排水设备的图例宜符合表3.0.10的要求。
表3.0.10给水排水设备
3.0.11给水排水专业所用仪表的图例宜符合表3.0.11的要求。
表3.0.11仪表。