混凝土搅拌站风险分级管控清单
- 格式:docx
- 大小:14.73 KB
- 文档页数:8
搅拌站风险点与管控清单搅拌站是生产混凝土的重要工厂,其生产对于建筑工程具有非常大的影响。
然而,搅拌站也存在着一系列的风险点,如不正确操作所带来的伤害、机电设备的损坏等等。
为了保障安全生产,以下列举搅拌站的风险点和相应的管控清单。
一、设备方面1、行车安全:风险点:行车人员受伤,货物落下等事故管控清单:(1)提高行车人员的安全意识,规定行车人员的职责和责任。
(2)制定专门的行车安全制度以及操作规范,有针对性地进行培训。
(3)定期对起重设备进行技术检测,确保其安全地运行。
2、机电设备安全:风险点:机电设备发生故障或损坏,严重影响生产工作。
管控清单:(1)进行设备维护和保养,定期对设备进行巡检。
(2)严格按照设备操作规程进行操作,防止误操作。
(3)制定设备应急处理预案,及时进行维修和更换设备,确保设备安全运行。
3、电器防爆:风险点:电器部件出现故障或者火花,造成爆炸或起火等事故。
管控清单:(1)对电器设备定期进行维修保养、检测及保养,确保设备合格。
(2)在易燃易爆场所设置防爆电器。
(3)定期对电线路及电器设备进行全面检查排查漏电、短路等隐患。
二、操作过程方面1、环境清洁:风险点:混凝土搅拌站的境内存在污水、垃圾等杂物,容易导致污染和滑倒。
管控清单:(1)建立环境卫生维护制度,日常保持境内环境清洁。
(2)设置垃圾桶、污水槽等设施,保持环境整洁。
2、操作规范:风险点:操作人员不能按照操作规范进行操作,导致危险。
管控清单:(1)培训操作人员,加强安全法规知识培训。
(2)制订搅拌站的安全管理制度,规定人员的操作职责和范围。
(3)定期检查操作规范的执行,对存在问题的地方及时纠正。
3、测量精度:风险点:测量精度不准确,导致混凝土质量下降。
管控清单:(1)确保测量仪器和设备的精度和准确性,要求精度符合国家标准。
(2)建立标准化的测量管理制度,对测量过程中的出现问题立即进行处理。
(3)加强人员培训,提高员工的操作能力和认知水平。
混凝土搅拌站安全风险分级管控方案一、概括本文旨在阐述《混凝土搅拌站安全风险分级管控方案》的重要性和目的。
混凝土搅拌站在基础设施建设领域具有重要地位,其安全生产事关人员生命财产安全及社会稳定。
因此实施安全风险分级管控方案至关重要,本方案旨在通过识别搅拌站存在的潜在安全风险,进行分级评估,并制定针对性的管控措施,以确保搅拌站安全生产。
方案强调预防为主,强化风险意识,通过建立完善的安全管理体系,提升混凝土搅拌站的整体安全管理水平,确保生产过程中的安全可控,为企业的可持续发展奠定坚实基础。
1. 阐述混凝土搅拌站的重要性及其安全风险的必要性《混凝土搅拌站安全风险分级管控方案》之第一章:混凝土搅拌站的重要性及其安全风险的必要性阐述随着现代建设的不断发展,混凝土搅拌站在城市建设及其他各类工程项目建设中扮演着至关重要的角色。
它是保障建筑工地正常运转的重要环节,对提升工程质量和效率具有不可或缺的作用。
混凝土搅拌站的生产效率和质量直接影响到建筑工程的质量和进度。
因此确保混凝土搅拌站的稳定、高效运行具有极其重要的意义。
然而混凝土搅拌站在生产过程中面临着诸多安全风险,这些风险不仅可能影响到生产效率和产品质量,更可能引发安全事故,威胁到工作人员的生命财产安全。
风险的存在可能与设备故障、人为操作失误、环境因素等有关。
因此对于混凝土搅拌站而言,进行安全风险分级管控显得尤为重要。
通过对风险进行合理的评估与管控,可以有效地预防和减少潜在的安全事故,保障生产过程的顺利进行,进而保障整个工程项目的顺利进行。
混凝土搅拌站的重要性以及其面临的安全风险都决定了对其进行安全风险分级管控的必要性。
通过制定科学、合理、有效的安全风险分级管控方案,不仅可以保障混凝土搅拌站的正常运行,提高生产效率和产品质量,更可以保障工作人员的生命财产安全,为工程项目的顺利进行提供坚实保障。
二、混凝土搅拌站安全风险分析机械设备风险:搅拌站的机械设备,如搅拌主机、输送带、配料秤等,存在机械故障、过载运行或者维护不当等风险,可能导致设备损坏、生产中断甚至人员伤亡。
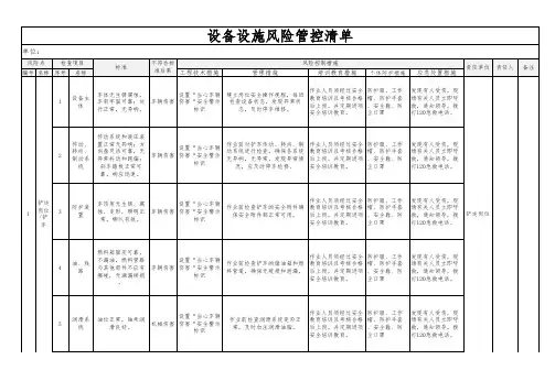
搅拌站设备设施风险分级管控清单
装置
系统设备
设施
设施设施
行演练
护用品作业人员持证上岗
查;4、每年对设备进行集中维护保养,按规定进行检测位设置防
护装置
员
火器;2、制定应急预案,定期进行演练套等防护用品行安全培训,
提高安全意识和操作技能;作业人员持证
上岗理制度及设备的安全操作
规程,并严格执行;2、作
业前,对设备进行点检;3
、每月对设备进行全面检
查;4、每年对设备进行集安全装置;2、各旋转部位设置防护装置
员
案,定期进行演练行安全培训,提高安全意识
和操作技能
理制度,并严格执行;2、作业前,对设备进行点检;3、每月、进行全面检查,定期进行集中维护保养,按规定进行检测设,设置防护栏
员
装置、绝缘鞋等防护用品持证上岗;3、重要部位置设“小心触电”
等警示标志检;3、每月对电气设备进行全面检查;4、每年对设备进行集中维护保养,按规定进行检测装置、过载
保护装置等。
8淄博庄园混凝土有限公司周村分公司生产车间风险分级管控清单编制日期:2018年7月2日生产车间风险分级管控清单(受控记录号)№:001填表人:李梁填表时间:2018年7月1日注:由本级主要负责人或分管负责人审核批准后发布。
A级\5级:蓝色风险\稍有危险,需要注意(或可忽略的)。
员工应引起注意,各工段、班组负责A级危害因素的控制管理,可根据是否在生产场所或实际需要来确定是否制定控制措施及保存记录。
需要控制措施的纳入蓝色风险监控。
B级\4级:蓝色风险\轻度(一般)危险,可以接受(或可容许的)。
车间、科室应引起关注,负责B级危害因素的控制管理,所属工段、班组具体落实;不需要另外的控制措施,应考虑投资效果更佳的解决方案或不增加额外成本的改进措施,需要监视来确保控制措施得以维持现状,保留记录。
C级\3级:黄色风险\中度(显著)危险,需要控制整改。
公司、部室(车间上级单位)应引起关注,负责C 级危害因素的控制管理,所属车间、科室具体落实;应制定管理制度、规定进行控制,努力降低风险,应仔细测定并限定预防成本,在规定期限内实施降低风险措施。
在严重伤害后果相关的场合,必须进一步进行评价,确定伤害的可能性和是否需要改进的控制措施。
D级\2级:橙色风险\高度危险(重大风险),必须制定措施进行控制管理。
公司对重大及以上风险危害因素应重点控制管理,由安全主管部门和各职能部门根据职责分工具体落实。
当风险涉及正在进行中的工作时,应采取应急措施,并根据需求为降低风险制定目标、指标、管理方案或配给资源、限期治理,直至风险降低后才能开始工作。
E级\1级:红色风险\不可容许的(巨大风险),极其危险,必须立即整改,不能继续作业。
只有当风险已降低时,才能开始或继续工作。
如果无限的资源投入也不能降低风险,就必须禁止工作,立即采取隐患治理措施。
台账应结合实际定期更新(每年至少一次),当下列情形发生时,应及时进行危害因素辨识和风险评价分析。
(1)新的法律法规发布或者法律法规发生变更;(2)操作工艺发生变化;(3)新建、改建、扩建、技改项目;(4)事故事件发生后;(5)组织机构发生大的调整。
安全生产风险分级管控资料
商混站(混凝土搅拌站)企业
2018年度
目录
1. 作业活动清单
2. 工作危害分析(JHA)及评价记录(生产作业、检维修)
3. 设备设施清单
4. 安全检查表分析(SCL)及评价记录(生产车间)
5. 作业活动风险分级管控清单
6. 设备设施风险分级管控清单
7. 安全风险点分级管控台账(告知牌)
第一部分作业活动清单
第二部 1.工作危害分析(JHA)及评价记录(日常生产作业)
4
5
6
2.工作危害分析(JHA)及评价记录(检维修)
7
8
9
10
设备设施清单
11
12
13
14
15
16
17
第五部分 1.作业活动分级管控清单(日常生产作业)
18
19
2.作业活动分级管控清单(检维修)
20
第六部分设备设施风险分级管控清单
第七部分 1.风险点分级管控告知牌(生产设备设施)
2.风险点分级管控告知牌(日常生产作业)
3.风险点分级管控告知牌(检维修作业)。
混凝土搅拌站风险分级管控清单
XXX制定了生产车间风险分级管控清单,该清单于2018
年7月2日编制。
清单中列出了各作业活动或设备设施的风险点、开工风险等级、管控层级、责任单位、责任人和分析来源等信息。
其中,开工风险等级为2级的作业活动包括停工和异常情况,由公司级生产经理XXX负责管控。
原料采购入库的开工
风险等级为4级,由班组级本岗位人员XXX负责管控。
铲运、石料运送和搅拌等工序的开工风险等级为3级,由车间级班组长XXX负责管控。
发货的开工风险等级为4级,
由班组级本岗位人员XXX负责管控。
动火、受限空间和高处等作业的开工风险等级均为4级,由班组级本岗位人员XXX负责管控。
动土、断路、临时用电、检维修和拆除报废等作业的开工风险等级也均为4级,由班组级本岗位人员XXX负责管控。
此外,清单中还列出了各种设备设施的开工风险等级和相应的管控责任人。
例如,预拌混凝土搅拌机组、装载机和砂石分离机的开工风险等级为4级,由班组级本岗位人员XXX负
责管控。
液压式压力试验机、强制式混凝土搅拌机和砼振动台的开工风险等级为3级,由车间级班组长XXX负责管控。
其
他设备设施的开工风险等级和管控责任人也在清单中有所列示。
总之,该生产车间风险分级管控清单为XXX的生产经营
提供了有力的保障,有助于降低生产事故的发生率,提高生产效率和质量。
8淄博庄园混凝土有限公司周村分公司生产车间风险分级管控清单编制日期:2018年7月2日生产车间风险分级管控清单(受控记录号)№:001填表人:李梁填表时间:2018年7月1日注:由本级主要负责人或分管负责人审核批准后发布。
A级\5级:蓝色风险\稍有危险,需要注意(或可忽略的)。
员工应引起注意,各工段、班组负责A级危害因素的控制管理,可根据是否在生产场所或实际需要来确定是否制定控制措施及保存记录。
需要控制措施的纳入蓝色风险监控。
B级\4级:蓝色风险\轻度(一般)危险,可以接受(或可容许的)。
车间、科室应引起关注,负责B级危害因素的控制管理,所属工段、班组具体落实;不需要另外的控制措施,应考虑投资效果更佳的解决方案或不增加额外成本的改进措施,需要监视来确保控制措施得以维持现状,保留记录。
C级\3级:黄色风险\中度(显著)危险,需要控制整改。
公司、部室(车间上级单位)应引起关注,负责C 级危害因素的控制管理,所属车间、科室具体落实;应制定管理制度、规定进行控制,努力降低风险,应仔细测定并限定预防成本,在规定期限内实施降低风险措施。
在严重伤害后果相关的场合,必须进一步进行评价,确定伤害的可能性和是否需要改进的控制措施。
D级\2级:橙色风险\高度危险(重大风险),必须制定措施进行控制管理。
公司对重大及以上风险危害因素应重点控制管理,由安全主管部门和各职能部门根据职责分工具体落实。
当风险涉及正在进行中的工作时,应采取应急措施,并根据需求为降低风险制定目标、指标、管理方案或配给资源、限期治理,直至风险降低后才能开始工作。
E级\1级:红色风险\不可容许的(巨大风险),极其危险,必须立即整改,不能继续作业。
只有当风险已降低时,才能开始或继续工作。
如果无限的资源投入也不能降低风险,就必须禁止工作,立即采取隐患治理措施。
台账应结合实际定期更新(每年至少一次),当下列情形发生时,应及时进行危害因素辨识和风险评价分析。
(1)新的法律法规发布或者法律法规发生变更;(2)操作工艺发生变化;(3)新建、改建、扩建、技改项目;(4)事故事件发生后;(5)组织机构发生大的调整。
搅拌站风险点与管控清单1. 搅拌机压伤风险描述搅拌机是搅拌站的核心设备,工作时其搅拌叶片以高速旋转,如不注意安全,易造成工作人员在清理或维修时被搅拌机叶片压伤。
管控措施•操作人员必须接受专业的操作培训,遵循操作规程,不得随意触碰搅拌机叶片。
•在开启维修或清理搅拌机前,必须先将电源断掉,确保搅拌机处于静止状态。
•确认安全之后,操作人员可以戴上手套和安全帽等防护用品,使用特定的工具进行维修或清理。
2. 移动设备碾压风险描述在搅拌站内,有多种运输机械和移动设备用于搬运建筑材料,如不注意安全,工作人员在操作运输机械或行走时,易被其碾压造成伤害。
管控措施•在操作运输机械和设备时,必须先进行安全检查,确保设备完好、安全可靠。
•确保操作人员有足够的空间和视野,切勿在狭小的场地操作大型设备。
•对于使用到的设备和机械,要进行定期维护和检修,上岗前再次检查车辆的状态。
3. 搅拌料溢出风险描述在搅拌机中加入原料时,有时会出现原料溢流现象,如未及时清理,易导致工作人员打滑摔倒或造成设备损坏等安全问题。
管控措施•加料前应先检查料斗和进料口是否清洁干燥,避免杂物进入搅拌机内。
•在做好防护措施的情况下,操作人员可以使用手动或自动方式控制料量,避免过多加料造成料溢。
•加料结束后及时清理溢出的料粉,确保设备干净整洁。
4. 化学品泄漏风险描述搅拌站在生产过程中使用了一系列化学品,如不注意安全,易发生化学品泄漏事故,对工作人员和周围环境造成不利影响。
管控措施•在搅拌站生产前,必须对搅拌站内的化学品进行彻底清点和标记,确保物品名称、编号、标准都正确无误。
•严密地盘点和记录所有化学品的存量、应用和清理等情况。
•对使用的化学品进行严格的储存和使用管理,如出现泄漏或意外,工作人员应立即采取必要的应急救援措施,确保化学品不会造成灾害。
5. 环境污染问题风险描述搅拌站在加工过程中,会产生噪音、震动和粉尘等环境污染问题,对周围居民健康和环境保护带来威胁。
济宁永基新型建材有限公司
公司安全生产风险点统计表和分级管控清单
L:事故发生可能性:0.1=实际不可能 0.2=极不可能 0.5=很不可能,可以设想 1.0=可能性小,完全意外 3.0=可能,但不经常 6.0=相当可能 10=完全可以预料 E:人体暴露于危险环境中的频繁程度:0.5=非常罕见的暴露 1.0=每年几次暴露 2.0=每月几次暴露
3.0=每周一次或偶然暴露 6.0=每天工作时间内暴露 10=每天工作时间内暴露 C:发生事故可能生成的后果:1.0=因人注目,需要救护或损失1万元以下 3.0=重大,致残或损失在1万元-10万元 7.0=严重,重伤或损失在10万元-100万元 15=非常严重,一人死亡或损失在100万元-1000万元 40=灾难,数人死亡或损失在1千万元-1亿元 100=大灾难,十人以上死亡或损失大于1亿元
D:风险性分值:0-20 稍有风险,可以接受,风险等级5级 20-70 一般风险,需要注意,风险等级4级 70-160 显著风险,需要整改,风险等级3级 160-321 高度风险,需立即整改,风险等级2级 >321 极其风险,不能继续作业,风险等级1级。
装置
系统设备
设施
设施设施
行演练
护用品作业人员持证
上岗查;4、每年对设备进行集中维护保养,按规定进行检测
位设置防护
装置
员
火器;2、制定应急预案,定期进行演练
套等防护用
品
行安全培训,
提高安全意识
和操作技能;
作业人员持证
上岗
理制度及设备的安全操作
规程,并严格执行;2、作业前,对设备进行点检;3、每月对设备进行全面检
查;4、每年对设备进行集
安全装置;2、各旋转部位设置防护装置
员
案,定期进行演练
行安全培训,提高安全意识和操作技能理制度,并严格执行;2、
作业前,对设备进行点检;3、每月、进行全面检查,定期进行集中维护保养,按规定进行检测
设,设置防
护栏
员
装置、绝缘鞋等防护用品持证上岗;3、重要部位置设“小心触电”等警示标志检;3、每月对电气设备进行全面检查;4、每年对设备进行集中维护保养,按规定进行检测装置、过载
保护装置等。
8
淄博庄园混凝土有限公司周村分公司生产车间风险分级管控清单
编制日期:2018年7月2日
生产车间风险分级管控清单(受控记录号)血:001
填表人:李梁填表时间:2018年7月1日
注:
由本级主要负责人或分管负责人审核批准后发布。
A 级\5 级:蓝色风险稍有危险,需要注意(或可忽略的)。
员工应引起注意,各工段、班组负责 A 级危害因素的控制管理,可根据是否在生产场所或实际需要来确定是否制定控制措施及保存记录。
需要控制措施的纳入蓝色风险监控。
B 级\4 级:蓝色风险轻度(一般)危险,可以接受(或可容许的)。
车间、科室应引起关注,负责B 级危害因素的控制管理,所属工段、班组具体落实;不需要另外的控制措施,应考虑投资效果更佳的解决方案或不增加额外成本的改进措施,需要监视来确保控制措施得以维持现状,保留记录。
C 级\3 级:黄色风险中度(显著)危险,需要控制整改。
公司、部室(车间上级单位)应引起关注,负责C 级危害因素的控制管理,所属车间、科室具体落实;应制定管理制度、规定进行控制,努力降低风险,应仔细测定并限定预防成本,在规定期限内实施降低风险措施。
在严重伤害后果相关的场合,必须进一步进行评价,确定伤害的可能性和是否需要改进的控制措施。
D 级\2 级:橙色风险高度危险(重大风险),必须制定措施进行控制管理。
公司对重大及以上风险危害因素应重点控制管理,由安全主管部门和各职能部门根据职责分工具体落实。
当风险涉及正在进行中的工作时,应采取应急措施,并根据需求为降低风险制定目标、指标、管理方案或配给资源、限期治理,直至风险降低后才能开始工作。
E 级\1 级:红色风险不可容许的(巨大风险),极其危险,必须立即整改,不能继续作业。
只有当风险已降低时,才能开始或继续工作。
如果无限的资源投入也不能降低风险,就必须禁止工作,立即采取隐患治理措施。
台账应结合实际定期更新(每年至少一次),当下列情形发生时,应及时进行危害因素辨识和风险评价分析。
(1)新的法律法规发布或者法律法规发生变更;
(2)操作工艺发生变化;
(3)新建、改建、扩建、技改项目;
(4)事故事件发生后;
(5)组织机构发生大的调整。