关于4PT电压互感器防谐振与开口三角接线说明
- 格式:pdf
- 大小:149.48 KB
- 文档页数:6
防止10千伏真空开关柜事故的有关技术措施近几年来,10千伏开关柜设备通过规范和完善设备选型标准、招投标行为,逐步实现了设备规范化的全过程动态管理,对不满足要求的开关柜进行综合治理,严格执行反事故措施,杜绝了“火烧连营”等重大事故的发生,10千伏开关柜短路事故率明显下降,使10千伏开关柜设备的安全运行水平得到整体显著提高。
但是,10千伏开关柜在运行中仍然不时发生短路,这其中,除了产品质量原因外,也有系统、设备发展水平、目前采取的技术措施不完善等诸多原因,因此,有必要针对10千伏开关柜典型、重复出现的事故进行系统分析,总结出当前影响10千伏开关柜安全运行的突出和关键问题,并在此基础上,从管理、技术和运行等方面提出一些具体的预防措施,以保证10千伏开关柜的安全、稳定运行。
这些预防措施是原有相关反事故技术措施的补充、具体内容和要求如下:一、防止P.T.短路事故防止RC保护装置、避雷器等元器件故障1、真空断路器开关柜内不需配置RC保护装置;除专用负荷出线回路外,真空断路器出线开关柜内不需装设氧化锌避雷器来防止操作过电压。
RC保护装置的拆除工作要求在20xx年12月— 1 —30日前完成;真空断路器出线开关柜内已装设了氧化锌避雷器的可不安排拆除。
2、更换所有真空断路器开关柜内的瓷外套式避雷器为硅橡胶外套式氧化锌避雷器,要求在20xx年12月30日前完成。
3、为防止电容器操作过电压,在并联电容器首端装设氧化锌避雷器,另外在真空断路器开关柜内装设氧化锌避雷器。
此项检查和改造工作要求在20xx年6月30日前完成。
4、为防止线路侵入的雷电波过电压,10千伏进、出线端及主母线均装设氧化锌避雷器,但各出线端氧化锌避雷器不能装设在真空断路器开关柜内;若10千伏出线全部为电缆,只需在主母线上装设氧化锌避雷器。
此项检查和改造工作要求在20xx年12月30日前完成。
三、防止真空断路器故障1、缩短真空灭弧室与操动机构不是一体化的真空断路器(如ZN28、ZN5等)机械特性测试周期至一年,对此类真空断路器,各运行维护单位应结合开关柜更换工作纳入年度技术改造计划,要求在三年内更换改造完毕,控股公司暂不考虑改造。
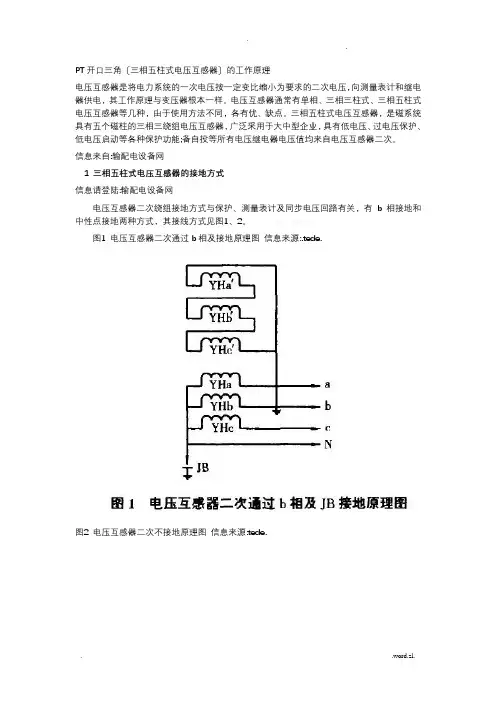
PT开口三角〔三相五柱式电压互感器〕的工作原理电压互感器是将电力系统的一次电压按一定变比缩小为要求的二次电压,向测量表计和继电器供电,其工作原理与变压器根本一样。
电压互感器通常有单相、三相三柱式、三相五柱式电压互感器等几种,由于使用方法不同,各有优、缺点。
三相五柱式电压互感器,是磁系统具有五个磁柱的三相三绕组电压互感器,广泛采用于大中型企业,具有低电压、过电压保护、低电压启动等各种保护功能;备自投等所有电压继电器电压值均来自电压互感器二次。
信息来自:输配电设备网1 三相五柱式电压互感器的接地方式信息请登陆:输配电设备网电压互感器二次绕组接地方式与保护、测量表计及同步电压回路有关,有b相接地和中性点接地两种方式,其接线方式见图1、2。
信息来源:.tede.图1 电压互感器二次通过b相及接地原理图信息来源:.tede.图2 电压互感器二次不接地原理图信息来源:tede.1.1 电压互感器二次绕组两种接地方式的比拟信息:输配电设备网1.1.1 在同步回路中在b相接地系统中,对中性点非直接接地系统,单相接地时,中性点位移,不能用相电压同步,必须用线电压同步。
如同步点两侧均为b相接地,其中一相公用,同步开关档数减少(如采用综保,那么接线更为简单),同步接线简单。
对中性点直接接地系统,可用辅助二次绕组的相电压同步。
信息来自:.tede.1.1.2 在保护回路中信息来源:.tede.在b相接地系统中,①在零线上串接的隔离开关辅助触点G,如不可靠而断开时,会使10kV以上电压距离保护断线闭锁装置失去作用,这时假设再发生一相或两相断线,将导致保护误动作。
②因为辅助信息请登陆:输配电设备网绕组的一端与b相接地点相连,由于根本二次侧绕组上有负荷电流流过,在电缆芯出上产生电压降,使正常开口三角形有电压3U0,对零序方向元件不利。
假设单独从接地点引接零序方向继电器回路,那么接线信息来自:.tede.较为复杂。
信息来自:.tede.在中性点接地系统中,由于中性点无任何断开触点,可靠性高。
JBO击穿保险及PT开口三角形接法电压互感器低压侧装设JBO型击穿保险接地,一般用在不接地系统中PT二次中性点不接地,而采用其它相接地系统,一般安装在PT中性点对地。
防止在接地相熔断器熔断时,主要是防止高电压穿入二次回路造成二次回路电压升高,电压升高对二次设备就人身造成伤害。
通过击穿保险接地,可以有效防止这种情况的发生(数百伏电压可击穿,一般是200),正常工作时,击穿保险又保证与大地绝缘!一般来说,电压互感器是比较容易“出事”的设备,当电压互感器被击穿后,高压就会通过点互感器传过二次侧,有了JBO型击穿保险,在过电压作用下,击穿保险被击穿形成接地短路,保证了二次设备免受过电压的侵害.JBO型击穿保险的试验方法主要是进行绝缘试验和动作电压试验.但实验后就造成击穿保险的损坏,一般是抽样试验,使用现场不用试验。
开口是指PT二次的接线方法是采用开口三角的,A尾接B头、B尾接C头、剩下A头合C尾中间接一个电压继电器。
正常的时候Ua+Ub+Uc=0,发生故障的时候Ua+Ub+Uc不等于0,就会出现电压.PT的开口三角作用;主要监视母线接地故障,测得电压是零序电压,开口三角在设备正常状况下理论上没有电压,但是由于系统不是绝对平衡,可能有5左右的电压,当发生线路单相接地故障时,开口三角就会有100电压,这种情况是大接地系统,当小接地或者不接地系统另当别论。
PT爆炸最直接的原因是互感器绝缘被击穿。
再就是线路有谐振,发生过电压雷过电压。
空载时除了谐振过电压,如果加上开口三角短路(N600与L631),绝缘等级不高的话,会出现这样的情况,因为开后三角出口不设熔断器的或开关的,所以在这些回路上的接线要特别注意。
这叫“击穿保险”~~!!是一种过电压保护元件,用在电压互感器的二次侧过压保护。
那根黑线就是电压互感器二次侧中性点引出线,接在击穿保险的一端,而击穿保险的另一端则接地,这样的接线方式使得电压互感器二次侧中性点不直接接地,当一次侧有过电压时,为防止窜入二次侧,伤及设备和人员的安全,过电压将击穿保险击穿,可以迅速将其泄入大地.击穿保险是不可自愈的。
PT近几年出现的一种特殊接法chenly518 发表于: 2008-4-15 00:03 来源: 热电联盟博客本人在近几年的调试过程中经常见到PT的辅助绕组接成闭口三角的,现将网上较好的一篇论文呈现给大家关于配电网络中的铁磁谐振问题北京供电局董振亚谐振过电压事故是最为频繁的,在各种电压的电网中都会产生,在不少电网中会严重的影响安全运行。
谐振过电压的持续时间长,一般可达十几秒以上,甚至长期存在,但是运行经验表明:只要我们能够正确掌握这种过电压的规律,认真做好预防工作,这种事故也是完全可以避免的。
谐振按其性质不同可以分成下列三种现象:(1)线性谐振在线性的L—C串联回路中,如图l所示其回路电流I可用下式来表示:当回路阻抗为零时,电流和压降趋不动声色穷大,此时在L和C上将出现非常高的过电压。
这个回路本身的因有的自振频率,此式还可以改写成下式:只要电路的自振频率之一与电源的谐波频率之一相等,就将产生谐振。
(2)参数谐振如电机与空载线路或串补装置相连,后者的电容与电机的变参数电感间构成特殊的振荡回路,并有可能造成电机的自励磁,工频电压很快上升,这就是参数谐振过电压。
(3)铁磁谐振当变压器、电机、电压互感器,消弧线圈和并联电抗等在励磁电流很大时,将会发生铁芯饱和,如与电容相连,则可能引起铁磁谐振现象。
在中性点不接地系统中,如果不考虑线路的有功损耗与相间电容;仅考虑PT的电感L与线路的对地电容CO当CO大到一定值时,PT不饱和时,XL>Xc。
,而当PT上加的电压大到一定数值时,PT的铁芯饱和Xl<Xc。
,这样就构成了谐振的条件。
谐振时三相电压分别为:上式表示当发生谐振时。
即时,则(5)式分母为0,EO值可以无限大,但实际上由于回路的阻尼作用以及在电压升高过程中P、T铁芯将达到进一步饱和,从而限制了E。
的升高。
(1)、(2)、(3)式中的谐振电压ε。
(t)是一个正弦或余弦函数,在中性点不接地系统中它的频率主要有基波谐振、高频谐扳和分次谐波谐振等几种谐振形式。
电压互感器副边开口三角形作用
电压互感器是安装在输出线路上的一种器件,通常用于测量和控
制电压大小。
它的副边开口三角形作用是只有在供电的情况下,这种
电压互感器才可以正常工作,因为它的副边开口三角形作用使电流在
电源静态连接和副边之间产生蜕变,保证了外部电路正常工作。
首先,当外部电路静止或正在供电时,电压互感器副边开口三角
形作用可以保持住供电电压,避免因外力变化造成电路故障。
其次,
它可以防止输甥端参数发生变化,避免电源外部反馈降压电流流入,
从而稳定输入电压。
最后,它可以控制输出端和副边之间的电流大小,从而保护输出线路。
由于电压互感器副边开口三角形作用的特性,它通常被用作过流
和短路保护,并且在电力系统中,它需要接入精准的防雷装置,以防
止电源回路的静电击穿现象。
另外,它还要与相关继电器siemens等
控制器配合使用,以控制相应的电力保护系统,以保证电力系统的安
全可靠性。
电压互感器副边开口三角形作用,在电力系统中发挥着积极的作用,它不仅能够保护输出线路,稳定输入端和输出端电压,还可以防
止过流和短路现象的发生,从而保证电力系统的正常运行。
1.开口三角形是指中性点不接地系统中电压互感器三相的三个二次绕组的接法,三相二次绕组按三角形接线连接,但最后有一点不连上,即构成开口三角。
简单说明下:就是对电压互感器三相的三个二次绕组“da-dn”、“db-dn”、“dc-dn”,开口三角就是“da-dn”的dn与“db-dn”的db相连,“db-dn”中的dn与“dc-dn”的dc相连,从“da-dn”的da与“dc-dn”dn引出电压;这个没有完全闭合的三角形就是开口三角形,从这开口三角形引出的电压U△,就是开口三角电压。
正常情况下,开口三角上没有电压,当发生系统单相接地时,电压互感器一次绕组就会有一相上无电压,造成对应的二次绕组上也无电压,则开口三角上就会出现电压。
通过检测开口三角上的电压,就可以知道高压系统是否有接地现象,这在系统上被称为“接地监察”开口三角接线的检查(1)不能以检查3U。
回路是否有不平衡电压的方法来确认3U。
回路良好。
(2)不能单独依靠“六角图”测试方法确证3U。
构成的方向保护的极性关系正确。
(3)可以包括电流及电压互感器及其二次回路联接与方向元件等综合组成的整体进行试验,以确证整组方向保护的极性正确。
(4)对于正常时采用自产3U。
,而PT断线时采用外接3U。
的保护装置一定要验证整组方向保护的极性正确。
(5)最根本的办法,是查清电压及电流互感器极性,所有由互感器端子到继电保护盘的联线和盘上零序方向继电器的极性,作出综合的正确判断。
2.开口三角电压的作用在三相PT的二次侧接成开口三角形,用以发生接地故障时做继电保护所用。
当系统发生单相接地故障时,电压互感器一次绕组相电压一相为零,另两相升高√3倍,相应的二次绕组、剩余电压绕组的相电压也升高√3倍。
剩余电压绕组的三相绕组中,一相电压为零,另两相电压为√3×100/3伏,且两相电压夹角为60度,所以PT二次侧输出为幅值2√3×U相的两相矢量和,所以开口三角的输出为100伏。
电压互感器在三相电路中常用的接线方式电压互感器在三相电路中常用的接线方式有四种一个单相电压互感器的接线,用于对称的三相电路,二次侧可接仪表和继电器两个单相电压互感器的V/V形接线,可测量相间线电压,但不能测相电压,它广泛应用在20kV以下中性点不接地或经消弧线图接地的电网中三个单相电压互感器接成Y0/Y0形,可供给要求测量线电压的仪表和继电器,以及要求供给相电压的绝缘监察电压表。
一台三相五芯柱电压互感器接成Y0/Y0/Δ(开口三角形),接成Y0形的二次线圈供电给仪表、继电器及绝缘监察电压表等。
辅助二次线圈接成开口三角形,供电给绝缘监察电压继电器。
当三相系统正常工作时,三相电压平衡,开口三角形两端电压为零。
当某一相接地时,开口三角形两端出现零序电压,使绝缘监察电压继电器动作,发出信号。
电压互感器二次侧要有一个接地点,这主要是出于安全上的考虑。
当一次、二次侧绕组间的绝缘被高压击穿时,一次侧的高压会窜到二次侧,有了二次侧的接地,能确保人员和设备的安全。
另外,通过接地,可以给绝缘监视装置提供相电压。
二次侧的接地方式通常有中性点接地和V相接地两种采用V相接地时,中性点不能再直接接地。
为了避免一、二次绕组间绝缘击穿后,一次侧高压窜入二次侧,故在二次侧中性点通过一个保护间隙接地。
当高压窜入二次侧时,间隙击穿接地,v相绕组被短接,该相熔断器会熔断,起到保护作用你说的闭口三角没见过,你再仔细看看吧(闭口三角当三相不平衡有零序电压时,不是短路了么)请问:为什么进线电压互感器都是V/V式,而母线电压互感器都是三相五柱式(其一次线圈及二次线圈均接成星形,附加二次线圈接成开口三角形)?如果进线和母线都采用三相五柱式可以吗?为什么?电压互感器一般有单相接线、V-V接线、Y-Y接线、Y0/Y0/△这四种接线方式。
其中由两个单相互感器接线成不完全星形就是V-V接法,它是用来测量各相间电压,但不能测量相对地电压,它广泛应用在20kV以下中性点不接地或经消弧线图接地的电网中。
关于“4PT”防谐振措施的说明1 概述在35kV及以下电网中性点不接地系统中,作绝缘监视的电磁式电压互感器由于铁磁谐振导致破坏是一种普遍现象。
长期以来,电力系统为防止这种破坏研究并采取了很多措施,并在电力行业标准中(例如:DL/T620-1997《交流电气装置的过电压保护和绝缘配合》) 作了一些推荐性的规定。
上世纪80年代末期以来,大连电业局采用了在电压互感器高压侧中点经一个互感器接地的接线方式,消谐效果较为满意,后来很多地方也相继采用,此称“4PT”防谐措施。
该措施目前已经成为一种较为通行的方法,但也在不断完善。
以下就消谐原理和效果作简要说明。
2 “4PT”接线图“4PT”接线(基本的原理电路)如图1。
图1中A′N′,B′N′,C′N′是三个单相电压互感器,应是全绝缘但按相压设计的接地电压互感器,本身有一个二次绕组(未画出)和一个剩余电压绕组,N接地为一个独立的单相电压互感器,该互感器可以是全绝缘结构,也可以是半绝缘结构,一般有两个线圈,一个是二次绕组,一个是剩余电压绕组,剩余电压绕组有的是和普通的,即和接成星形的主PT一样,但原理上其额定电压应为100V。
3 消谐机理“4PT”接线的防谐机理,简单的从稳态分析,即当单相接地时,互感器中点对地有相电压产生,而主PT仍处于正序对称电压之下,互感器电感并不发生改变,在零序回路中仅有单相电压互感器一种磁化电感,从根本上破坏了铁磁谐振的条件。
3.1 稳态分析如图1,当系统在C相“D”点发生对地短路(死接地),主电压互感器电压不变,中点对地产生相电压,简单推导如下:在NCD╧N回路里,因∑U=0,可得U N╧=-U C(U C——为电源相电压,即U CN)在NBB′N′╧N回路里,因∑U=0,得U N╧=U N╧ =-U C这就是说,单相接地,互感器中点对地有相电压产生。
在DC′N′╧D回路里,因∑U=0,可得U C′N′ =-U N′╧=U C……⑴即接地相电压互感器仍为相电压,与U AN′和U BN′仍组成三相对称电压系统。
前言:电压互感器作为开关柜主要设备之一,进行电力计量、测量及继电保护作用。
但是由于电力系统的不稳定性、特别是频繁发生谐振地区,对电压互感器的危害是很大的,大部份都导致电压互感器烧毁。
一、产生铁磁谐振的原因由非线性电感(铁心线圈)和线性电容组成的回路,当外施电压发生变化时,由于电感的变化而产生谐振,这种现象称为铁磁谐振。
1、在中性点不接地系统中,虽然电源侧的中性点不直接接地,但电压互感器的高压侧中性点是接地的,若Ca,Cb,Cc为各回线路(包括电缆出线和架空线路)三相对地的等值电容,而La,Lb,Lc则为母线电压互感器的一次侧三个线圈的对地阻抗(忽略其线圈电阻),假设系统发生单相接地。
此时,电压互感器的铁心线圈相当于与电容器并联,构成了可能产生谐振的并联电路,由于相对地电压升高√3倍,有可能使得电压互感器的铁心出现饱和或接近饱和,阻抗变小,电路中出现容抗和阻抗相等的情况,从而产生了并联谐振,此时互感器一次侧的电流最大,这样有可能使电压互感器的高压侧熔断件熔断,或者烧坏电压互感器。
此种情况往往在变电所投产初期(线路出线回路少)不是很明显,但随着线路出线回路的增多(各回线路对地的等值电容量增大,容抗增大)出现谐振的情况较多。
2、操作过电压:包括互感器在内的空载母线或送电线路的突然合闸,使得PT的某一相或二相绕组内产生巨大的涌流和磁饱和现象;①由于合闸瞬间的三相触头不同期性,此时最慢接触的一相在触头间相当于串联上一个电容(如A相)。
当电容的容抗等于互感器的感抗时即产生谐振,但该状态下只是使中央信号装置的电铃响了一下,仪表摆动一下,但随着操作的完成该现象随之消失。
②由于合闸过程中产生操作过电压,此时假设断路器在合闸操作过程中A相出现过电压,则有可能使A相电压互感器铁心出现饱和,使A相电压互感器线圈感抗变小,从而三相的总阻抗出现不平衡,使电压互感器的中性点对地电压发生位移现象。
3、雷击过电压:由于雷击或其它原因,线路中发生瞬间弧光接地,使得其它两相电压瞬间升到线电压,而故障相电压在接地消失后又瞬间恢复至相电压,以至造成暂态励磁电流的急剧增大和铁芯的磁饱和;4、磁饱和的产生也可能由于另一绕组瞬间传递过来的过电压或者系统运行方式的突然改变、负荷剧烈波动等所引起的系统电压的强烈扰动。
PT的开口三角电压1.开口三角形是指中性点不接地系统中电压互感器三相的三个二次绕组的接法,三相二次绕组按三角形接线连接,但最后有一点不连上,即构成开口三角。
简单说明下:就是对电压互感器三相的三个二次绕组“da-dn”、“db-dn”、“dc-dn”,开口三角就是“da-dn”的dn与“db-dn”的db相连,“db-dn”中的dn与“dc-dn”的dc相连,从“da-dn”的da与“dc-dn”dn引出电压;这个没有完全闭合的三角形就是开口三角形,从这开口三角形引出的电压U△,就是开口三角电压。
正常情况下,开口三角上没有电压,当发生系统单相接地时,电压互感器一次绕组就会有一相上无电压,造成对应的二次绕组上也无电压,则开口三角上就会出现电压。
通过检测开口三角上的电压,就可以知道高压系统是否有接地现象,这在系统上被称为“接地监察”2.开口三角接线的检查(1)不能以检查3U。
回路是否有不平衡电压的方法来确认3U。
回路良好。
(2)不能单独依靠“六角图”测试方法确证3U。
构成的方向保护的极性关系正确。
(3)可以包括电流及电压互感器及其二次回路联接与方向元件等综合组成的整体进行试验,以确证整组方向保护的极性正确。
(4)对于正常时采用自产3U。
,而PT断线时采用外接3U。
的保护装置一定要验证整组方向保护的极性正确。
(5)最根本的办法,是查清电压及电流互感器极性,所有由互感器端子到继电保护盘的联线和盘上零序方向继电器的极性,作出综合的正确判断。
3.开口三角电压的作用在三相PT的二次侧接成开口三角形,用以发生接地故障时做继电保护所用。
当系统发生单相接地故障时,电压互感器一次绕组相电压一相为零,另两相升高√3倍,相应的二次绕组、剩余电压绕组的相电压也升高√3倍。
剩余电压绕组的三相绕组中,一相电压为零,另两相电压为伏,且两相电压夹角为60度,所以PT二次侧输出为幅值2√3×U相的两相矢量和,所以开口三角的输出为100伏。
对于小电流接地系统4PT消谐接地方式的探讨摘要:小电流接地系统中,其发生铁磁谐振机理,由于PT励磁电感的非线性特性,很容易在一定条件下出现铁磁谐振过电压问题,从而导致系统安全运行的隐患。
为防止铁磁谐振过电压发生,小电流接地系统接入4PT消谐。
本文通过对4PT消谐的接地方式的分析,了解了各种接线方式的优缺点及运行注意事项,为其优化和整改提供了依据。
关键词:小电流接地系统;消谐;接地方式1引言随着经济和城市的快速发展,为满足其发展需求,使得系统由于出线特别是电缆线路的急增而使得对地电容出现显著增加。
目前的35kV及其以下的小电流接地系统中的母线PT在除了有测量功能外,还具有消除谐振和在10kV系统接地时或者断线,根据整定能发出相应信号的功能。
而在小电流接地系统中,经常出现由于激发电磁式电压互感器与对地电容引起的谐振过电流及过电压,从而导致电压互感器一次高压熔断器熔断的现象。
这种现象不仅影响着系统的正常运行,是电费的计量出现问题,更有严重时烧毁电压互感器,使得整个电力系统的安全运行受到威胁。
在国内根据经验的介绍,有以下几种消除谐振的措施,像在PT开口三角绕组上加装性能良好的消谐器;选用励磁特性较好的PT,使铁芯不宜饱和;系统加装消弧线圈;在PT高压中性点串接一定的阻抗或者单相零序电压互感器等方法。
在对小电流接地系统中的4PT接入防止铁磁谐振过电压的分析中,了解到4PT消谐的有效性,通过破坏谐振的条件来消除谐振,从而达到消除谐振的目的。
本文就小电流接地系统中,4PT消谐的接地方式进行了探讨,选出最佳接线方式。
2系统单相故障时,PT中性点串联单只PT时一次电压的分析从其一次侧等值电路图即图1中可知,他们的正序电抗等于零序电抗,设A相金属接地,设A,B,C三相PT及零序PT的励磁电抗为别为Z和Z’。
A相电抗已为Z和Z’,根据基尔霍夫定律可得中性点位移为:Unn’=-Ea/(3Z’/Z+1)当N’直接接地时,则Z’=0,故而有:Unn’=- Ea/4如果Z’无穷大时,则有Unn’=0;如果Z’>Z时,则Unn’更低。
电压互感器4PT接线对谐波测量结果的影响代双寅;李琼林;单瑞卿;刘书铭【摘要】为了研究电压互感器4PT接线方式对谐波测量结果的影响,该文结合实际谐波测量案例,通过对谐波测量结果进行深入分析,根据变压器的电磁关系从理论上溯源谐波测量结果异常机理,并基于PSCAD/EMTDC对电压互感器的接线方式进行仿真研究,最后对电压互感器采用4PT接线时谐波测量提出建议.研究结果表明电压互感器采用4PT接线时增大了零序电流的阻抗,使磁通中产生了3次谐波成分,从而造成谐波测量结果中3次谐波成分显著增大,该方式下二次侧的测量结果不能真实地反映实际的谐波情况.【期刊名称】《电力系统及其自动化学报》【年(卷),期】2014(026)004【总页数】5页(P71-75)【关键词】电压互感器;接线方式;谐波;测量;仿真【作者】代双寅;李琼林;单瑞卿;刘书铭【作者单位】河南电力试验研究院,郑州450052;河南电力试验研究院,郑州450052;河南省洛阳市供电公司,洛阳471009;河南电力试验研究院,郑州450052【正文语种】中文【中图分类】TM451;TM935在10 kV配电系统中,电压互感器PT(potential transformer)主要采用电磁式电压互感器,其具有非线性的电磁特性,外部操作或系统故障时电压互感器极易达到饱和而引发铁磁谐振,严重威胁电网的安全运行[1~4]。
部分实际工程中通过采用4PT接线方式以抑制铁磁谐振并取得较好的效果。
然而,由于谐波测量主要是在互感器的二次侧来进行,电压互感器的接线方式对电压谐波的测量产生显著影响,直接影响对实际电网中谐波状况的真实判断。
电磁式电压互感器的接线方式引起谐波测量结果异常已引起工程技术人员的广泛关注[5~7]。
文献[5]指出某些互感器二次绕组中性线的接地方式会引起谐波电压测量结果的失真。
文献[6]针对某变电站10 kV母线三相电压互感器中性点串接单相PT时各相绕组电压波形畸变进行了定性分析。
重庆市电力公司文件渝电生〔2007〕92号————————————关于印发《重庆市电力公司防止10千伏真空开关柜故障的有关技术措施》的通知公司所属各供电局,超高压局,公司所属各供电公司,重庆电力设计院:现将《重庆市电力公司防止10千伏真空开关柜事故的有关技术措施》印发给你们,请立即组织有关人员学习并认真贯彻执行,各单位在执行中如发现问题,请及时向市公司生产技术部反映。
附件:1.重庆市电力公司防止10千伏真空开关柜事故的有关技术措施千伏PT柜频繁发生爆炸事故的分析3.真空断路器“截流”和“重燃”问题说明主题词:输变电设备措施通知抄送:试验研究院,渝能(集团)有限公司。
重庆市电力公司总经理工作部 2007年12月25日印发附件1:重庆市电力公司防止10千伏真空开关柜事故的有关技术措施近几年来,市公司10千伏开关柜设备通过规范和完善设备选型标准、招投标行为,逐步实现了设备规范化的全过程动态管理,对不满足要求的开关柜进行综合治理,严格执行反事故措施,杜绝了“火烧连营”等重大事故的发生,10千伏开关柜短路事故率明显下降,使10千伏开关柜设备的安全运行水平得到整体显著提高。
但是,10千伏开关柜在运行中仍然不时发生短路,这其中,除了产品质量原因外,也有系统、设备发展水平、目前采取的技术措施不完善等诸多原因,因此,有必要针对10千伏开关柜典型、重复出现的事故进行系统分析,总结出当前影响10千伏开关柜安全运行的突出和关键问题,并在此基础上,从管理、技术和运行等方面提出一些具体的预防措施,以保证10千伏开关柜的安全、稳定运行。
这些预防措施是原有相关反事故技术措施的补充、具体内容和要求如下:一、防止.短路事故1、要求永川供电局、长寿供电局和万州供电局按改进优化方案(见附图2)对PT二次接线部分和零序.进行改造,此改造工作须在2008年6月30日之前完成。
2、要求公司范围内的其他供电局按改进优化方案(见附图2)对PT二次接线部分进行改造,此改造工作须在2008年3月30日之前完成。
电压互感器谐振原因分析及有效防止措施摘要:电力系统中的电容和电阻元件,一般可认为是线性参数,可是电感元件则不然。
由于振荡回路中包含不同特性的电感元件,谐振分为三种不同的类型:线性谐振、铁磁谐振、参数谐振,而铁磁谐振过电压现象是电力系统中一种比较常见的内部过电压现象,这种电压持续时间长,甚至能长时间自保持,它是导致电压互感器毁坏的主要原因之一,同时也是电力系统中某些重大事故的诱发原因之一,对电力系统的安全运行构成了极大的威胁,因而有必要对铁磁谐振进行详细分析,找出产生铁磁谐振的根源,并采取有效措施进行防止,保证电力系统的稳定安全运行。
关键词:电压互感器;铁磁谐振;防止措施1.电压互感器铁磁谐振的特点(1)产生铁磁谐振的必要条件是铁心电感的起始值和电感两端的等效电容组成的自振频率必须小于并接近于谐振频率。
(2)回路参数平滑地变化时,谐振电压、电流会产生跃变。
(3)谐振时产生反倾现象,即谐振后电感上的电压降由原来与电源电势相同变为相反,电容上的电压降由原来与电源电势反向变为同向。
(4)谐振频率必须是由电源频率基波和它的简单分数倍分率或整数倍高频。
(5)谐振后可自保持在一种稳定状态。
(6)谐振一般在经受到足够强烈的扰动时外激产生,在一定条件下也可以自激产生。
2.电压互感器铁磁谐振的危害电压互感器发生铁磁诣振的直接危害是:1)由于谐振时电压互感器一次绕组通过相当大的电流,在一次熔断器尚未熔断时可能使电压互感器绕组烧坏。
2)造成电压互感器一次熔断器熔断。
电压互感器发生铁磁谐振的间接危害是:当电压互感器一次熔断器熔断后,将造成部分继电保护和自动装置的误动作,从而扩大了事故。
3.电压互感器铁磁谐振的原因分析3.1产生电压互感器铁磁谐振的必要条件为了分析并联谐振产生的必要条件,把电力系统内如图1所示的三相交流系统一般的电压互感器回路简化为如图2所示的电阻R、电感L、电容C的并联回路。
图1 电压互感器(PT)在电力系统中的接线原理图图2 并联谐振回路图2中R为电感L本身的电阻,IL为感性电流,IC为容性电流,为系统角频率。
10kV 4PT接线方式因错误接线引起的故障实例分析作者:郭轶娜姜鹏李继伟来源:《河南科技》2018年第29期摘要:10kV电压互感器带消谐互感器的接线方式(简称4PT)为辽宁省的主流接线方式。
通过实际运行表明,4PT接线方式抑制铁磁谐振效果较好。
但是,由于4PT特殊的接线形式使得互感器一旦出现故障,其一次保护熔丝有时不能及时熔断,从而使故障扩大。
本文总结了由于4PT接线错误造成的系统事故或异常现象,并举实例加以分析说明。
关键词:消谐PT;接线方式;故障分析中图分类号:TM862 文献标识码:A 文章编号:1003-5168(2018)29-0136-03Absrtact: The connection mode of 10kV voltage transformer with harmonic elimination transformer (4PT) is the mainstream connection mode in Liaoning Province. The actual operation shows that the 4PT connection mode is effective in restraining ferromagnetic resonance. However,due to the special connection form of 4PT, once the transformer fails, its primary protection fuse sometimes fails to fuse in time, which enlarges the fault. This paper summarized the system accidents or abnormal phenomena caused by 4PT wiring errors, and gave examples to illustrate them.Keywords: harmonic elimination PT;connection mode;fault analysis1 研究背景10kV母线电压互感器在系统运行中的故障率较高,故障原因主要有产品质量问题、系统铁磁谐振问题、设备的一、二次错误接线问题。
4PT优化接线图1重庆市电力公司文件渝电生〔2007〕92号————————————关于印发《重庆市电力公司防止10千伏真空开关柜故障的有关技术措施》的通知公司所属各供电局,超高压局,公司所属各供电公司,重庆电力设计院:现将《重庆市电力公司防止10千伏真空开关柜事故的有关技术措施》印发给你们,请立即组织有关人员学习并认真贯彻执行,各单位在执行中如发现问题,请及时向市公司生产技术部反— 2 —— 3 —— 4 —附件1:重庆市电力公司防止10千伏真空开关柜事故的有关技术措施近几年来,市公司10千伏开关柜设备通过规范和完善设备选型标准、招投标行为,逐步实现了设备规范化的全过程动态管理,对不满足要求的开关柜进行综合治理,严格执行反事故措施,杜绝了“火烧连营”等重大事故的发生,10千伏开关柜短路事故率明显下降,使10千伏开关柜设备的安全运行水平得到整体显著提高。
但是,10千伏开关柜在运行中仍然不时发生短路,这其中,除了产品质量原因外,也有系统、设备发展水平、目前采取的技术措施不完善等诸多原因,因此,有必要针对10千伏开关柜典型、重复出现的事故进行系统分析,总结出当前影响10千伏开关柜安全运行的突出和关键问题,并在此基础上,从管理、技术和运行等方面提出一些具体的预防措施,以保证10千伏开关柜的安全、稳定运行。
这些预防措施是原有相关反事故技术措施的补充、具体内容和要求如下:一、防止P.T.短路事故1、要求永川供电局、长寿供电局和万州供电局按改进优化方案(见附图2)对PT二次接线部分和零序P.T.进行改造,此— 5 —改造工作须在2008年6月30日之前完成。
2、要求公司范围内的其他供电局按改进优化方案(见附图2)对PT二次接线部分进行改造,此改造工作须在2008年3月30日之前完成。
3、从2008年开始,所有新建和改造项目的10千伏PT部分都要求按改进优化方案(见附图2)进行接线和配置。
二、防止RC保护装置、避雷器等元器件故障1、真空断路器开关柜内不需配置RC保护装置;除专用负荷出线回路外,真空断路器出线开关柜内不需装设氧化锌避雷器来防止操作过电压。
前言:电压互感器作为开关柜主要设备之一,进行电力计量、测量及继电保护作用。
但是由于电力系统的不稳定性、特别是频繁发生谐振地区,对电压互感器的危害是很大的,大部份都导致电压互感器烧毁。
一、产生铁磁谐振的原因由非线性电感(铁心线圈)和线性电容组成的回路,当外施电压发生变化时,由于电感的变化而产生谐振,这种现象称为铁磁谐振。
1、在中性点不接地系统中,虽然电源侧的中性点不直接接地,但电压互感器的高压侧中性点是接地的,若Ca,Cb,Cc为各回线路(包括电缆出线和架空线路)三相对地的等值电容,而La,Lb,Lc则为母线电压互感器的一次侧三个线圈的对地阻抗(忽略其线圈电阻),假设系统发生单相接地。
此时,电压互感器的铁心线圈相当于与电容器并联,构成了可能产生谐振的并联电路,由于相对地电压升高√3倍,有可能使得电压互感器的铁心出现饱和或接近饱和,阻抗变小,电路中出现容抗和阻抗相等的情况,从而产生了并联谐振,此时互感器一次侧的电流最大,这样有可能使电压互感器的高压侧熔断件熔断,或者烧坏电压互感器。
此种情况往往在变电所投产初期(线路出线回路少)不是很明显,但随着线路出线回路的增多(各回线路对地的等值电容量增大,容抗增大)出现谐振的情况较多。
2、操作过电压:包括互感器在内的空载母线或送电线路的突然合闸,使得PT的某一相或二相绕组内产生巨大的涌流和磁饱和现象;①由于合闸瞬间的三相触头不同期性,此时最慢接触的一相在触头间相当于串联上一个电容(如A相)。
当电容的容抗等于互感器的感抗时即产生谐振,但该状态下只是使中央信号装置的电铃响了一下,仪表摆动一下,但随着操作的完成该现象随之消失。
②由于合闸过程中产生操作过电压,此时假设断路器在合闸操作过程中A相出现过电压,则有可能使A相电压互感器铁心出现饱和,使A相电压互感器线圈感抗变小,从而三相的总阻抗出现不平衡,使电压互感器的中性点对地电压发生位移现象。
3、雷击过电压:由于雷击或其它原因,线路中发生瞬间弧光接地,使得其它两相电压瞬间升到线电压,而故障相电压在接地消失后又瞬间恢复至相电压,以至造成暂态励磁电流的急剧增大和铁芯的磁饱和;4、磁饱和的产生也可能由于另一绕组瞬间传递过来的过电压或者系统运行方式的突然改变、负荷剧烈波动等所引起的系统电压的强烈扰动。
二、铁磁谐振的种类铁磁谐振是一个非常复杂的非线性振荡过程,PT伏安特性饱和得越快,谐振的区域越广。
谐振大致分为分频谐振、基波谐振、高频谐振,基波和高次谐波的谐振过电压的幅值很少超过3Uj,故除非存在弱绝缘设备,是不会产生危险的。
对于分频谐波,由于频率只有工频的一半,励磁感抗相应降低一半,使得励磁电流急剧增加,有时甚至达到额定值的100倍以上,使得互感器发生严重的磁饱和现象,因而限制了过电压幅值,通常在2Uj以下,中性点位移电压一般不超过Uj,但大电流持续时间过长,势必引起TV高压熔丝熔断,或者造成TV本身冒油和烧毁。
三、消除铁磁谐振的措施和方法电力系统过电压现象十分普遍,如果没有防范措施,随时都有可能造成电气设备损坏和大面积的停电事故。
目前,我国35 kV及以下配电网,仍大部分采用中性点不接地方式或采用老式的消弧线圈接地。
从电网的运行实践证明,中性点不接地系统中由于电压互感器铁芯饱和引起的铁磁谐振过电压比较多,尽管采取了不少限制谐振过电压的措施,如:消谐灯、消谐器等等,但始终没有从根本上得到解决。
由于谐振过电压作用时间长,所引起谐振现象的原因又很多,因此在选择保护措施方面造成了很大的困难。
为了尽可能的防止谐振过电压的发生,应着重从以下几个方面采取措施:(1)采用质量好,技术性能优,铁心不易饱和的电压互感器。
目前电压互感器采用的铁心都是由无取向硅钢片卷制而成,具有非线性特性。
(2)提高断路器的检修质量,确保合闸操作的同期性,减少操作过电压。
(3)必要时可采用改变操作顺序,以避免操作过程中产生谐振的条件。
(4)对在空载母线的充电中产生的谐振,可以采用投入空载线路的方法,以改变其谐振的条件。
(5)传统采用消谐的措施是在电压互感器的开口三角侧接上一个灯泡,该方法属于较为原始的方法,随着系统容量的增大和电缆线路的增加,实践运行表明该方法的消谐效果不是很明显。
(6)另一种方法是采用在电压互感器二次侧的开口三角上加装一种可控硅多功能消谐装置的方法,但该方法需要采用外加交流电源,有时由于装置的电子器件发生短路也会影响消谐效果。
(7)在电压互感器的一次侧中性点上串接LXQ型非线性电阻,以限制其产生谐振的方法。
但是非线性电阻绝缘不好也会影响消谐效果。
(8)在电压互感器的一次侧中性点上串接一个相应绝缘水平的电压互感器,以限制产生谐振时避免电压互感器不损伤,保证工作人员查出故障并排除故障。
此方法只要接线正确,一般不易烧毁互感器。
四、电磁式电压互感器的励磁特性接地电压互感器的额定电压因数与系统中性点接地方式密切相关,三相系统的中性点有以下几种不同接地方式:中性点绝缘系统除经保护、测量用的高阻抗接地外,中性点不接地的系统。
在这种系统发生单相接地故障时,接地短路电流也就是对地电容电流很小,系统线电压的对称不被破坏,可以维持较长时间的运行,以便运行人员寻找故障点并设法消除故障。
中性点经阻抗(例如消弧线圈或适当的阻抗)接地系统随着线路的增长和电压的提高,中性点绝缘系统发生单相接地故障时,接地短路电流增加,接地电弧往往发生重燃,出现过电压。
为此,在系统中性点和地之间接入一消弧线圈以补偿电容电流,减少流经故障点的电流。
中性点经消弧线圈接地的系统又称谐振接地系统。
上述两种系统又称中性点非有效接地系统,或小接地电流系统。
在我国,额定电压66kV 及以下电力系统都是中性点非有效接地系统。
中性点直接接地系统又称大接地电流系统。
因为中性点直接接地,当发生单相接地故障时,短路电流很大。
为了限制短路电流,往往只将部分变压器的中点接地,或经低阻抗接地。
这种系统又称中性点有效接地系统。
在我国,额定电压220kV及以上系统都是中性点有效接地系统。
110kV系统大多是中性点有效接地系统,只在少数雷击较频繁地区的110kV 系统才采用中性点非有效接地系统为了满足不同系统的使用要求,GB1207规定了电压互感器的额定电压因数的要求。
额定电压因数是一个与额定一次电压相乘的系数,用以确定互感器必须满足规定时间内的有关热性能要求并满足有关准确级要求的最高电压。
额定电压因数的标准值列于下表:N 3组图三相中性点经单相电压互感器接地接线图三相组的一次绕组三相组的二次绕组三相组的剩余电压绕组单相的一次绕组电压表额定电压因数 额定时间一次绕组连接方式和系统接地方式 1.2连续 任一电网的相间 任一电网中的变压器中性点与地之间 1.2连续 1.530s 中性点有效接地系统中的相与地之间 1.2连续 1.930s 带有自动切除对地故障装置的中性点非有效接地系统中的相与地之间 1.2连续 1.9 8h无自动切除对地故障装置的中性点绝缘系统或无自动切除对地故障装置的中性点共振接地系统中的相与地间 注:按制造厂与用户协议,表中所列的额定时间允许缩短(1) 按系统接地方式,电压互感器分为接地电压互感器和不接地电压互感器。
注意,这里所指的“接地”是一次绕组接地。
二次绕组无论哪种互感器都是要求接地的。
不接地电压互感器的一次绕组对地是绝缘的。
为了检测接地故障,一般都采用接地电压互感器。
接地电压互感器均设有剩余电压绕组,利用剩余电压绕组的输出电压,检测系统的接地与否或对地绝缘状况。
(2) 电压互感器有额定电压的规定,这个参数实际是针对接地电压互感器的,对不接地电压互感器,额定电压因数均取1.2。
接地电压互感器的额定电压因数与系统接地方式有关。
除了在额定电压因数1.2情况下,长期连续运行外,不同接地方式下的接地电压互感器对额定电压因数另有规定。
1) 额定电压因数是在可能的最高工作电压下,发生单相接地故障时,系统完好相对地电压对额定电压的比值。
根据这一定义,额定电压因数取决单相接地情况下的系统完好相对地电压,显然,该电压取决于系统接地方式。
额定电压因数为 Fv = 1.1× √ 3 Ke (K e 为接地系数)2) 对中性点有效接地系统:Ke = 80%;中性点非有效接地系统:Ke=100%。
则相应的额定电压因数分别为:1.1 × 0.8 × √ 3 =1.5和1.1 × √ 3 =1.9。
注意,在接地故障情况下,中性点有效接地系统应通过保护装置在30s 内切除;而中性点非有效接地系统,则应通过检测装置,探测其位置,并在8h 内予以切除。
五、4PT 消谐原理1、原理图如下图所中性点绝缘系统中电磁式电压互感器的铁磁谐振发生的根本原因在于互感器铁心在某些激发条件下饱和而使其感抗变小而与线路对地电容的容抗相等所致。
如果互感器一次绕组中性点不接地或经高阻抗接地,则各相绕组跨接在电源的相间电压上,不在与接地电容相并联,因而PT不会发生中性点位移,也就不产生谐振。
因此采用了互感器中点经单相电压互感器接地的接线方式。
因单相电压互感器VT2工作时承受的是零序电压,因此也称零序电压互感器。
由于该互感器励磁阻大,又具有普通电压互感器的绝缘水平,因此可以近似看作N′是对地绝缘,即为不接地点。
2、互感器中性点经单相电压互感器接地的运行原理在正常运行时,三相电源对地电压对称,N′与N点对地均为0,即零序电压互感器不承受电压,其二次绕组没有输出电压,YJ继电器不会动作。
当系统出现单相接地时(例如C 相在D点接地,即D点电位为0),根据克希科夫电路定律可列出如下方程式:对电源侧,在NODCN回路里:-E C+U CO-U NO=0 因U CO=U DO=0由此得U NO=-E C (1)在BDONB及ADONA回路里:U BO-U NO-E B=0,U AO-U NO-E A=0 由此得U BO=U NO+E B,U AO=U NO+E A (2)对于电压互感器侧,在N-A-A′-N′-O-N的回路里有:U N′O-U NO-E A+U A′N′=0因E C= U A′N′所以U N′O=U NO=-E C (3)在N′-O-C′- N′回路有:U N′O-U C′O+U C′N′=0 因U C′O=U DO=0U C′O=-U N′O=(-E C)=E C (4)在A′N′O A′及B′N′O B′回路里有:U A′O-U N′O-U A′N′=0U B′O-U N′O+U B′N′=0由此得U A′O=U A′N′+U N′O ;U B′O=U B′N′+U N′O由式(1)、式(2)、式(3)可知:在电网出现单相接地时,零序电压互感器一次绕组上承受有电源的相电压,而三相组互感器的一次绕组仍然承受网络的对称电压,亦即与单相短路前并无变化。