仓库呆滞物料处理流程
- 格式:doc
- 大小:15.19 KB
- 文档页数:5
呆滞物料处理流程前言为了及时处理公司呆滞、、不良物料,尽量减小公司的经济损失,特制订本办法。
本标准由ABC呆滞物料处理项目小组提出。
本标准起草部门:ABC计划部。
本标准起草人:SSY本标准于2020年4月首次公布。
1、流程范围本流程规定了公司呆滞物料确实认和处理办法。
本流程适用于由于技术更改、计划更改、合同更改等状况形成的和由于各种原因造成的呆滞物料的处理。
本标准所指的呆滞物料包括外购的物料和半成品以及产成品。
2、呆滞物料的定义对质量(规格、材质、功效)不符合标准的原材料、外购件及外协件,存储超过1个月;对成品、半成品,凡因质量不符合标准,存储超过1个月;对合格状态的原材料、外购件及外协件,存储超过3个月;对在制或制成后因客户取消订单或者客户退货的产成品、半成品,储存超过1个月以上物料;存储时间马上或者超过保质期限的有变质风险的物料;3、呆滞物料处理小组公司呆滞料处理小组成员:生产PMC部门、仓储部门、财务部门、品质部门、技术部门、计划部门、采购部门、行政部门代表成员组成。
呆滞物料处理小组负责呆滞物料清单汇总,处理方案确实定、报批和执行。
4、呆滞物料处理小组部门使命4.1仓储部:负责呆滞料的接收、储存管理工作;负责提供呆滞料清单;配合相关部门作好呆滞料处置工作,包括可回收利用的呆滞料的改换以及委外加工的物料产生的呆滞料返工返修、退换等联系工作。
4.2生产PMC:负责定期对车间的物料进行盘点、清理、退库工作,同时配合返工返修工作,以及呆滞物料清单提报与制造过程监控。
4.3 财务部:负责对呆滞料处置过程的监控、核价、评估及账务帐务处理等工作。
4.4品质部:负责呆滞料质量的判定工作以及退供应商的跟踪,判定结果可分为:合格、不合格等。
4.5技术部:因产品变更、产品停产、产品优化,技术变更〔包括更改原材料、改工装、改版本、改外构件、BOM变更、品质变更、成本优化等引起的变更〕,技术部应在变更发生后一天内通知主计划部并给予相关指引,以防止呆滞料的产生。
呆滞物料管理办法为了及时处理公司呆滞物料,尽量减小公司的经济损失,特制订本办法。
1范围本办法规定了公司呆滞物料、报废物料的确认和处理。
本办法适用于由于技术更改、计划更改、合同更改等情况形成的呆滞物料和由于各种原因造成的报废物料的处理。
本办法所指的呆滞物料、报废物料包括外购的物料和半成品。
产品成品的报废和处理参照本标准执行。
2呆滞物料、废物料的划分呆滞物料——指已确定无法投入使用和确定在一年内无法投入使用的物料。
报废物料——已确定报废并办理了报废手续的物料。
3呆滞物料处理小组(以下简称:“处理小组”)呆滞物料处理小组由综合计划部、财务部、总经办、质量部、供销部、研发部各部门负责人组成。
呆滞物料处理小组负责呆滞物料情况汇总,处理方案的确定、报批和执行。
4呆滞物料的确认和责任呆滞物料的形成原因和责任可能是多方面的。
对呆滞物料的确认和责任归属主要是为尽快确定物料能否移作它用和如何处理。
确认速度的快慢可能关系到处理后损失的太小。
确认速度愈快、处理的愈及时,公司的损失最会降至最低。
呆滞物料形成的原因主要包括以下几种:4..1技术更改;4..2生产、采购计划调整;4..3客户取消或更改订货合同;4..4其它原因。
对造成呆滞物料而产生的损失由研发部、供销部承担。
供销部每季度清理库存,汇总当季发生的呆滞和报废物料并向造成呆滞和报废物料的相应物料的提出部门进行确认。
若被提交确认的部门认为需由其他部门承担的,还需由该部门向其他部门提出确认。
呆滞和报废物料经确认后,当年即可转为相应部门的资金占用直至进行处理之后。
造成呆滞和报废物料的部门首先应采取措施进行利用,尽力减小损失。
不能利用的交处理小组最终裁决。
造成呆滞物料的部门应对原因进行分析,并对责任部门和责任人进行处罚。
若经确认后呆滞物料的责任不应由研发部、供销部负担时,由“处理小组”负责另案处理。
5管理内容供销部负责每季度清理呆滞物料,并编制《呆滞物料清单》并于每季度末前提交到相关部门确认。
呆滞物料处理流程图1目的为了规范呆滞物料管理,避免公司库存物料的积压,以达到物尽其用,减少资金积压的目的。
2范围2.1呆滞物料的定义:2.1.1凡储存过久已无使用机会,或虽有使用机会但用量极少且存量多有变质的顾虑,或因陈腐,劣化,变更等现状已不适应需专案处理的料品。
2.1.2呆滞物料包括呆滞原材料,呆滞半成品,呆滞成品。
2.2呆滞物料的范围:2.2.1对良好状态的原材料、外购件及外协件,存储超过12个月,在以后的生产中没有机会使用或者很少使用的。
12.2.33.职责3.13.23.2.13.2.23.33.43.53.63.74.呆滞物料的处理流程4.1资材仓库在每月的5号前负责统计上月产生的呆滞物料,提供《呆滞物料明细表》分发给各相关部门。
4.1.1资材仓库每月5号提供包括呆滞成品,半成品,原材料的《呆滞物料明细表》。
4.1.2资材仓库统计上月各部门没有按时间完成的,以及没有按自己出具的方案和处理时间完成的发给各相关部门。
4.2品质部接到资材仓库的《呆滞物料明细表》后两个工作日内对呆滞物料进行品质检验,判定呆滞物料的品质状况。
4.3资材PMC核对《呆滞物料明细表》的物料是否可为现有订单使用。
4.3.1资材PMC对原材料,半成品的处理回复日期为两个工作日。
4.3.2资材PMC对成品的处理回复日期为一周。
4.4资材采购针对《呆滞物料明细表》无订单使用的呆滞原材料,联络供应商是否可以退换料,或低价出售等处理方案并标明完成的时间。
4.54.64.7。
呆滞物料处理流程呆滞物料是指停滞、积压且很长时间内没有销售的物料。
对企业来说,呆滞物料会造成库存积压、资金占用、仓库空间浪费等问题,需要制定相应的处理流程来降低物料的损失和经济风险。
1.确定物料的状态:首先需要明确哪些物料被视为呆滞物料。
一般来说,超过一定时间内没有销售的物料可以被视为呆滞物料。
具体的时间可以根据企业的情况来确定,比如3个月、半年或者一年。
2.分析物料的原因:对于呆滞物料,需要进行原因分析,找出导致物料滞销的原因。
可能原因包括市场需求下降、产品质量问题、市场竞争激烈等。
通过分析原因可以帮助企业采取相应的措施,避免类似问题的再次发生。
3.定期审查库存:企业需要定期审查库存,及时发现呆滞物料。
可以通过库存管理系统生成库存报表,分析哪些物料库存量较高,超过了合理的水平。
4.制定处理方案:对于呆滞物料,需要制定相应的处理方案。
可以根据物料的性质、市场需求等因素来决定具体的处理方式。
常见的处理方式有以下几种:a.折价销售:对于一些物料,可以考虑以折扣的方式进行销售,以吸引更多的客户购买。
b.参与促销活动:将呆滞物料与其他畅销物料捆绑销售,以促进其销售。
c.赠送:将呆滞物料赠送给客户,以增加客户的忠诚度或者开拓新的市场。
d.再加工或改造:对于一些物料,可以通过再加工或改造来转化为其他产品,以增加销售机会。
e.外包处理:将呆滞物料外包给其他企业进行处理,转让给其他企业来销售或加工。
f.报废处理:对于无法再利用的物料,可以选择将其处置。
注意要遵循环境保护相关政策和法规。
5.监控处理结果:对于呆滞物料的处理,需要建立相应的监控机制,及时关注处理结果。
通过对处理结果进行评估,对不同处理方式的效果进行比较,以便在下次面临类似问题时能够做出更好的决策。
6.优化采购和销售:通过对呆滞物料的分析和处理,可以为企业提供一些有益的经验和教训,进而优化采购和销售。
比如调整采购计划、优化物料订购量、调整销售策略等,以避免类似的问题再次发生。
仓库呆滞料处理方法仓库呆滞料处理方法随着生产技术的不断发展,各类企业的仓库中都会存在一些呆滞料。
这些料一方面会占据仓库空间,另一方面又会导致企业浪费资金,增加成本。
因此,如何有效处理仓库中的呆滞料,成为了许多企业需要解决的难题。
处理方法一:采取清理措施首先,企业可以采取清理措施,及时清理掉存在于仓库中的呆滞料。
具体来说,可以通过销售、转让、修复等方式进行处理。
销售:如果呆滞料还有市场价值,企业可以考虑将其出售,通过售卖获取一定的收益。
如果呆滞料不能在企业所在的市场销售,还可以考虑进行跨区域或者跨国家销售,扩大销售渠道。
转让:可将其转让给其他企业,节省其它企业的投入成本,并降低自身的库存成本。
修复:如果呆滞料可以通过修复来恢复原有的使用价值,可以进行部分修复,使之能够达到再利用的标准。
处理方法二:进行分类存储针对不同种类的呆滞料,企业可以采取分类存储的方式,将各种呆滞料分门别类地存放。
这样做有助于企业对存储情况进行有效管理,及时发现和处理这些呆滞料。
对于轻易会变质的呆滞料,企业可以进行分类存储、分类包装,保证呆滞料的保质期。
处理方法三:进行合理利用针对存在于仓库中的呆滞料,企业还可以采取合理利用的方式。
例如,可以将呆滞料作为辅助材料,与其他原材料搭配使用。
这样不仅能充分利用各种原材料的效应,还能够避免所有的呆滞料集中处理产生的高成本。
另外,一些呆滞料还可以在生产过程中进行回收利用,比如废煤渣在制砖、废旧塑料在苛性钠制备过程中再次使用等等。
这些方法不仅可以将呆滞料完全利用,还可以降低企业的生产成本和库存成本。
处理方法四:采用专业的呆滞料处理公司对于一些企业来说,由于呆滞料的数量较多或者种类复杂,企业内部难以有效处理呆滞料。
这种情况下,企业可以采用聘请专业的呆滞料处理公司处理的方式。
这些公司具备专业的处理技术和经验,可以为企业提供全方位的呆滞料处理服务,从而让企业专心做好生产和经营。
总之,处理仓库中的呆滞料需要企业积极探索,特别是在处理的过程中不能忽略环保物品规范相关要求,不能不当处理而污染环境。
呆滞物料处理流程说明:
附件一、呆滞物料表
附件二、
公司年月呆滞料分析表
制表日期:核准: 审批:作成:区间年月至年月区间
注:
1.呆滞定义:按库龄计
算呆滞;
2.不同的物料型态,呆
滞定义库龄不一样;主要如下:
A.成品:大于等于180天;
B.半成品:大于等于45天;
C.在制品:大于等于30天;
D.原物料品:大于等于90天;
XXXX 有限公司报废单
日期 部门 品名 料号 报废类别
数量(PCS)
报废原因
材损 制损 材损 制损 材损 制损 材损 制损 材损 制损 材损 制损 材损 制损 材损 制损 材损 制损 材损 制损 材损 制损 材损 制损 材损 制损 材损 制损 材损 制损 材损 制损 材损 制损
材损
制损
保管日期:一年 保管部门:仓储物流部
材损制损
材损制损
材损制损
总经理签字: 品质签字: 相关部门签字:。
呆滞物料处理流程1.目的为了规范呆滞物料处理流程,避免呆滞物料长期占用仓储空间,造成隐性仓储成本增加,特制定本流程。
2.范围适用于本公司仓库呆滞物料的处理。
3.定义呆滞物料:库存6个月及以上无异动的原料及包材,包材包括但不限于瓶子、盖子、泵头、标签、收缩膜、烟包膜、彩盒、内托、纸卡、纸箱等。
4.职责4.1计划部(物控):负责统计汇总发起呆滞物料处理流程,并组织跟进确认处理意见及处理结果;4.2采购部:负责填写确认原料呆滞的原因;4.3研发部:负责复核呆滞原料的需求状态,并出具处理意见;4.4客服部:负责与业务沟通确认物料需求状态,并出具处理意见;4.5质量管理部:负责复核呆滞物料的品质状态,并出具处理意见;4.6财务部:负责提供呆滞物料报废的成本金额;4.7仓储部:负责盘实呆滞物料数量,呆滞物料报废的提报及处理跟进;4.8行政部:协助仓库呆滞物料的处理。
5.作业流程5.1计划部物控同事每月月底对呆滞物料进行统计汇总,制作《呆滞物料处理意见表》;5.2仓储部就呆滞物料明细进行盘实确认;5.3采购部和研发部负责原料呆滞原因的填写,并就近期需求状态及处理工艺的可行性,在《呆滞物料处理意见表》填写处理意见;5.4客服部与业务跟单沟通确认物料(包材)需求状态,并在《呆滞物料处理意见表》填写处理意见;5.5对保留使用的物料,质检部安排品质检测,将物料品质状态及处理意见,填写在《呆滞物料处理意见表》中;5.6计划部(物控)组织相关部门开展会议商讨,确认最终处理意见;5.7报废物料由财务部核算报废成本金额,仓储部制作《包材报废申请表》及《原料报废申请表》提报,行政部协助跟进处理完成;5.8每月15号前完成以上作业流程,输出《呆滞物料处理意见表》,计划部(物控)按《呆滞物料处理意见表》,跟进呆滞物料的处理进度,直至处理完成。
6.相关表单6.1《呆滞物料处理意见表》、《包材报废申请表》、《原料报废申请表》7.流程图示。
呆滞物料采购处理流程
1、每月的5号前资材仓库要负责统计好上月产生的呆滞物料,并提供《呆滞物料明细表》将其分发给到各个相关部门。
(1)每月5号前资材仓库提供的呆滞物料包括呆滞成品、半成品、原材料的《呆滞物料明细表》。
(2)上月各个部门没有按时间完成以及没有按照自己出具的方案和处理时间完成的,资材仓库统计好发给到各相关部门。
2、品质部接到资材仓库的《呆滞物料明细表》后需两个工作日内对呆滞物料开展品质检验,判定其品质情况。
3、资材PMC核对《呆滞物料明细表》中的物料是不是可以在现有订单中使用。
(1)两个工作日内资材PMC对原材料,要对半成品进行处理回复。
(2)一周内资材PMC要对成品处理回复。
4、资材采购针对《呆滞物料明细表》不能在订单中使用的呆滞原材料,联络供应商是不是可以进行退换料处理,或低价进行出售等处理方案,同时要标明完成的时间。
5、技术中心针对《呆滞物料明细表》中尚待处理的呆滞物料,提出处理方案。
6、如果以上流程都无法处理的呆滞物料,由资材仓库填写《报废申请单》,由上述各部门经理,主管会签后走报废流程,《报废申请单》最后交财务存档。
7、一年以上没有进行处理的呆滞成品,由资材经理报董事长处理。
精益生产管理对仓库进行改善时,主要目的是优化其仓储能力使其能够满足企业长期发展需求;优化企业物料减少车间物料堆放,使其能够满足精益生产的需求:从收货,仓储,供料,到成品的入库到发运,使仓库物料操作流程得到简化,来提高工作效率。
库存是生产的重要阵地。
库存过多,占用场地和资金,不仅容易滋生管理人员的惰性和腐败,更容易掩盖很多生产运营中的问题。
一大堆难以消化的呆滞料,无处可用,但放久了又锈损腐蚀,不知如何是好。
O1什么物料是呆滞物料?呆滞就是不流动,物料呆滞多久才是呆滞?由于不同行业的特点也不同,不同企业对呆滞物料的定义也各有差异,下面的P/O/E/S/Z模型供参考:P:Pipe1ine,管道库存,正常的库存,在7天之内能被消耗的库存;O:Overage,7-90天能被消耗的库存;E:Excess,在90-180天会被消耗的库存;S:Sup1urs,在180-365天会被消耗的库存;Z:Zero,在365天仍不能被消耗的库存;可谓标准不同,说法各异,有的把物料的最后异动日至盘查时,其时间间隔超过180天者,称为呆滞物料。
有的说超过3个月不流动就算呆滞,也有的说超过1年不流动才算呆滞。
总之,物料存量过多,耗用量极少,而库存周转率极低的物料就是呆滞物料。
02呆滞物料产生的原因呆滞物料产成的原因是很复杂的我们可以联想到自己家里长期搁置不用的物品,当初它是怎么产生的?呆料产生的原因归结如下:①市场预测不实,生产准备物料过多,造成呆料与旧料;②客户订单取消,但计划部物料采购已经完成,无法替代使用时成为呆料、旧料;③订单时产品标准不清,致使生产出来的产品退货,返修过程产生呆料与废品;④材料计划不当,订购预加量过多形成呆料旧料;⑤等到准备生产时才发觉设计错误,因此准备的一部分物料变成呆料。
当变更设计时,没有及时修正采购活动或存量就会造成呆料的产生;⑥生产线的管理不善,对生产线物料的发放或领取以及退料管理不良,从而造成生产线呆料;03呆滞物料的处理策略1、工艺更改、设计变更产生的呆滞物料产品部因为工艺或客户的需要对公司产品进行变更,变更时必须填列《工程变更通知书》,由PMC确认该物料是否有库存或在途。
采购接到《工程变更通知书》,第一时间通知相关供应商,全面停止此类物料的生产。
呆滞物料控制和处理程序(IATF16949-2016/ISO9001-2015)1.0目的1.为能减少呆滞料的产生,合理利用物料,严格控制呆滞料根源;2.为有效推动本厂呆滞物料处理,减少库存资金积压及管理压力;3.规范呆滞物料控制与处理过程,制定合理的评审,奖罚机制,促进呆滞料的处理力度。
2.0适用范围适用于由于技术更改、计划更改、合同等情况形成的呆滞物料的处理。
本办法所指的呆滞物料包括外购的物料,半成品和成品。
3.0呆滞物料定义1.呆料的定义:凡品质(型号,规格,材质,性能)不合标准,存储过久(6个月以上库龄)等现状巳不适用需专案处理,或因技术变更,根据新产品开发和销售计划等情况综合判断在后续不能按正常使用的库存物料。
2.滞料的定义:存放在仓库达到3个月以上,且期间异动率(异动率=期间出库/期初库存*100%)小于20%的非呆料库存物料。
3.呆滞物料除包含满足以上两个条件的物料外,还包括因技术变更,技术变更,生产计划变更或其他原因有可能使物料变为呆滞料的在库和在途物料,即隐患呆滞料。
4.0呆滞料处理原则:1.以公司利益为本且对合作供应商负责的原则。
2.不能因呆滞料处理造成新的呆滞物料,所有处理方案须经过评审以确定方案的可行性;如在处理过程中发现生产计划变动会对呆滞料处理造成影响的,则立即变更原处理计划或停止实施。
3.所有呆滞物的消化必须是在保证品质的前提下使用。
4.对于所有呆滞物料,各部门均可向消呆小组提出处理呆滞物料的提案;提案在进行评审并且通过后,PMC部即可对物料进行处理。
5.0呆滞物料管理工作机构:(一)公司成立呆滞物料处理小组(以下简称为专项小组),由公司的五大部门组成,即PMC部,财务部,采购部,销售部,技术部,售后部;各部各派一名专员全程参与消呆工作,PMC为整个专项小组的指挥部门。
(二)专项小组主要职责:1.负责呆滞物料清单的梳理以及呆滞原因,责任部门的认定工作。
2.负责拟定《呆滞物料处理方案评审及奖励审批单》及评审通过后的消呆方案的处理与追踪。
呆滞料管理制度一、目的为了有效管理呆滞料,减少库存积压,提高资金利用率,优化资源配置,特制定本制度。
二、适用范围本制度适用于公司内所有呆滞料的管理。
三、定义呆滞料是指存储期限超过一定时间,在正常生产经营过程中较少使用或不再使用,且其价值较低、流动性差的物料、半成品和成品。
四、呆滞料的认定标准1、物料:存储超过_____个月未使用,且预计未来_____个月内不会使用的物料。
2、半成品:生产完成后超过_____个月未转入下一工序或未被销售的半成品。
3、成品:完成生产并入库超过_____个月未销售的成品。
五、呆滞料管理的职责分工1、仓库部门负责呆滞料的登记、分类、保管和盘点工作。
定期向相关部门提供呆滞料的库存信息。
2、采购部门负责与供应商协商呆滞料的处理方案,如退货、换货等。
控制采购计划,避免过量采购导致呆滞料的产生。
3、生产部门优化生产计划,减少因生产计划变更导致的呆滞料。
对生产过程中产生的呆滞料进行原因分析,并提出改进措施。
4、销售部门加大市场推广力度,促进呆滞成品的销售。
收集市场信息,为产品设计和生产部门提供改进建议,以减少呆滞品的产生。
5、财务部门负责呆滞料的成本核算和评估。
监督呆滞料处理过程中的资金收支情况。
六、呆滞料的处理流程1、呆滞料的识别与统计仓库部门每月对库存进行盘点,按照呆滞料的认定标准,筛选出呆滞料,并建立呆滞料清单。
清单应包括物料名称、规格、数量、入库时间、价值等信息。
2、呆滞料的分析与评估相关部门收到呆滞料清单后,应在_____个工作日内对呆滞料进行分析和评估,确定呆滞料产生的原因,如市场需求变化、产品设计变更、采购过量、生产计划调整等,并评估呆滞料的可利用价值和处理难度。
3、呆滞料的处理方案制定根据分析和评估结果,相关部门共同制定呆滞料的处理方案。
处理方案包括但不限于以下几种:内部消化:对于可在公司内部其他产品或项目中使用的呆滞料,优先在内部进行调配和使用。
降价销售:对于市场仍有需求但销售不畅的呆滞成品,可采取降价促销的方式进行销售。
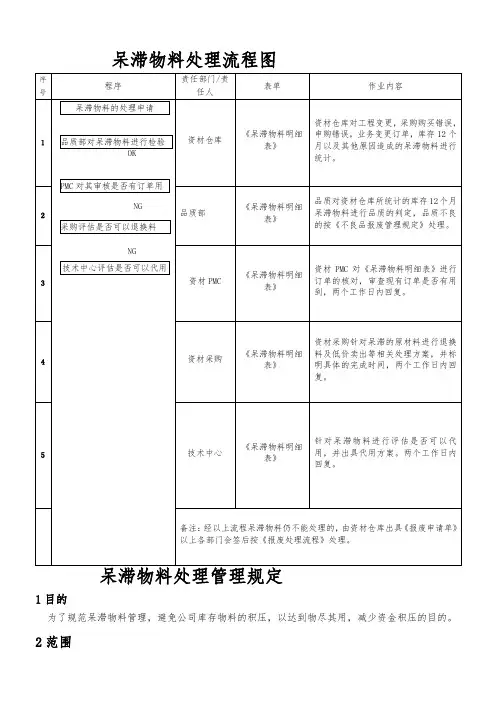
呆滞物料处理流程图程序呆滞物料的处理申请1F品质部对呆滞物料进行检验1OK fPMC对其审核是否有订单用NG 采购评估是否可以退换料NG技术中心评估是否可以代用责任部门/责任人表单作业内容资材仓库《呆滞物料明细表》资材仓库对工程变更,采购购买错误,申购错误,业务变更订单,库存12个月以及其他原因造成的呆滞物料进行统计。
品质部《呆滞物料明细表》品质对资材仓库所统计的库存12个月呆滞物料进行品质的判定,品质不良的按《不良品报废管理规定》处理。
资材PMC《呆滞物料明细表》资材PMC对《呆滞物料明细表》进行订单的核对,审查现有订单是否有用至腹两个工作日内回复。
资材采购《呆滞物料明细表》资材采购针对呆滞的原材料进行退换料及低价卖出等相关处理方案,并标明具体的完成时间,两个工作日内回复。
技术中心《呆滞物料明细表》针对呆滞物料进行评估是否可以代用,并出具代用方案。
两个工作日内回复。
备注:经以上流程呆滞物料仍不能处理的,由资材仓库出具《报废申请单》以上各部门会签后按《报废处理流程》处理。
呆滞物料处理管理规定1 目的为了规范呆滞物料管理,避免公司库存物料的积压,以达到物尽其用,减少资金积压的目的。
2 范围2.1 呆滞物料的定义:2.1.1 凡储存过久已无使用机会,或虽有使用机会但用量极少且存量多有变质的顾虑,或因陈腐,劣化,变更等现状已不适应需专案处理的料品。
2.1.2 呆滞物料包括呆滞原材料,呆滞半成品,呆滞成品。
2.2 呆滞物料的范围:2.2.1 对良好状态的原材料、外购件及外协件,存储超过12 个月,在以后的生产中没有机会使用或者很少使用的。
2.2.2 对成品、半成品,凡在制或制成后客户取消订单、过多库存等因素影响,储存超过 1 年以上的。
2.2.3 有储存保护期限的物料,已到保存期限的。
2.2.4 因工艺更结构或设计变更造成的呆滞物料。
2.2.5 在仓库库存12 月的物料均视为呆滞物料。
3.职责3.1资材仓库:负责对呆滞物料进行统计3.2 品质部:针对资材仓库统计的呆滞物料进行质量的检验。
超期、呆滞、超期物品处理流程1、每季度第一个月初,仓库保管员编制《呆滞、超期物资处理评审表》(包括呆滞、超期物资的名称、规格型号、物料代码、数量、单位、最后出库日期、呆滞、超期时间等内容)。
经物流部部长审核后,仓储保管员将《呆滞、超期物资处理评审表》发送综合管理部、财务部、技术部门、质量部门、采购部等相关部门。
综合管理部负责调查呆滞、超期物资产生的原因、责任部门/责任人。
财务部负责呆滞、超期物资金额的统计、汇总。
技术部门负责判定呆滞、超期物资有无再利用的可能。
质量部门负责检验呆滞、超期物资的质量状况。
2、每季度第一个月上旬,生产部门组织综合管理部、财务部、技术部门、质量部门等相关部门召开呆滞、超期物资处理评审会,并将评审结果以《呆滞、超期物资处理评审表》的形式报总经理确认。
3、对于评审结论为报废的呆滞、超期物资,生产部门须提交《呆滞、超期物资报废审批表》,同时附经财务部审核的报废物资清单(含预计报废金额),经总经理、财务总监审核后,报董事长批准。
4、呆滞、超期物资的处理4.1呆滞、超期物资处理方式为退回供应商或要求供应商协助返工返修的,由质量部门开出《报废通知单》或《返工/返修通知单》,采购部门负责联系供应商退料或返工/返修。
4.2呆滞、超期物资处理方式为报废的,由质量部门开出《报废通知单》,生产部按废料进行处理。
4.3呆滞、超期物资处理方式为留用的,半年内可不申报处理。
5、根据呆滞、超期物资的处理结果,财务部指导物流部仓库保管员在T+系统上做相应的账务处理,并对系统中的处理单据进行检查。
6、根据呆滞、超期物资的处理结果,综合管理部根据公司制度对责任人实施责任处理。
超期、呆滞品评审表日期:。
呆滞物料会计处理
呆滞物料是指在企业中长时间未被使用或销售的库存物料,这些物料可能由于各种原因而积压在仓库中。
对于呆滞物料的会计处理,一般有以下几种方式:
1. 计提减值准备:根据呆滞物料的市场价值或可变现净值,计提相应的减值准备。
这将减少存货的账面价值,反映其实际价值的下降。
2. 调整成本:如果呆滞物料的成本高于其可变现净值,可以将其成本调整为可变现净值。
这将使存货的账面价值更接近其实际价值。
3. 报废处理:如果呆滞物料已经没有使用价值或无法销售,可以将其报废处理。
在会计上,报废处理可以记录为存货的减少和相应的费用。
4. 销售处理:如果能够以低于成本的价格出售呆滞物料,可以记录销售收入和相应的成本。
这将减少存货的数量,并在一定程度上回收部分成本。
在进行呆滞物料的会计处理时,企业应遵循会计准则和相关法规的要求,确保会计记录的准确性和合规性。
此外,定期对呆滞物料进行盘点和清理,及时处理积压的库存,可以提高库存管理效率和资金的使用效益。
需要注意的是,具体的会计处理方式可能因企业的会计政策、税务法规和行业惯例而有所不同。
在处理呆滞物料时,建议咨询专业的会计师或财务顾问,以确保符合相关法规和会计准则的要求。
1 / 4
呆滞料处理管理规定
呆滞物料处理流程图序号12程序责任部门/责
任人表单作业内容资材仓库
呆滞物料的处理申请《呆滞物料明细
表》资材仓库对工程变更,采购购买错误,申购错误,业务变更订单,库存12个月以及其他原因造成的呆滞物料进行统计。
品质部
品质部对呆滞物料进行检验《呆滞物料明细
表》品质对资材仓库所统计的库存12个月呆滞物料进行品质的判定,品质不良的按《不良品报废管理规定》处理。
3OK
资材PMC
PMC对其审核是否有订单用《呆滞物料明细
表》资材PMC对《呆滞物料明细表》进行订单的核对,审查现有订单是否有用到,两个工作日内回复。
NG
4资材采购
采购评估是否可以退换料《呆滞物料明细
表》资材采购针对呆滞的原材料进行退换料及低价卖出等相关处理方案,并标明具体的完成时间,两个工作日内回复。
NG
5技术中心
2 / 4
技术中心评估是否可以代用《呆滞物料明细
表》针对呆滞物料进行评估是否可以代用,并出具代用方案。
两个工作日内回复。
备注:
经以上流程呆滞物料仍不能处理的,由资材仓库出具《报废申请单》以上各部门会签后按《报废处理流程》处理。
2.呆滞物料处理管理规定
1目的
为了规范呆滞物料管理,避免公司库存物料的积压,以达到物尽其用,减少资金积压的目的。
2范围
2.1呆滞物料的定义:
2.1.1凡储存过久已无使用机会,或虽有使用机会但用量极少且存量多有变质的顾虑,或因陈腐,劣化,变更等现状已不适应需专案处理的料品。
2.1.2呆滞物料包括呆滞原材料,呆滞半成品,呆滞成品。
2.2呆滞物料的范围:
2.2.1对良好状态的原材料、外购件及外协件,存储超过12个月,在以后的生产中没有机会使用或者很少使用的。
2.2.2对成品、半成品,凡在制或制成后客户取消订单、过多库
存等因素影响,储存超过1年以上的。
2.2.3有储存保护期限的物料,已到保存期限的。
2.2.4因工艺更结构或设计变更造成的呆滞物料。
2.2.5在仓库库存12月的物料均视为呆滞物料。
3.职责
3 / 4
3.1资材仓库:
负责对呆滞物料进行统计。
3.2品质部:
针对资材仓库统计的呆滞物料进行质量的检验。
3.2.1库存超过12个月的呆滞物料仓库再次报检,品质进行品质判定,品质不良的按《不良品报废管理规定》处理。
3.2.2有储存保护期限的物料并且已到保存期限的,或该呆滞物料保存期间出现问题需进行品质判定的。
3.3资材PMC部:
负责核对是否现有的订单可以使用,并由资材PMC将其纳入订单物料,不再申购。
3.4资材采购部:
负责联络供应商是否可以退换料,低价卖出及其他处理方案。
3.5技术中心:
评估现有的呆滞物料是否可以代用,并出具代用的方案。
3.6生产部:
执行技术中心出具的呆滞物料代用方案。
3.7市场营销中心:
向客户推销公司的呆滞成品。
4.呆滞物料的处理流程
4.1资材仓库在每月的5号前负责统计上月产生的呆滞物料,提供《呆滞物料明细表》分发给各相关部门。
4 / 4
4.1.1资材仓库每月5号提供包括呆滞成品,半成品,原材料的《呆滞物料明细表》。
4.1.2资材仓库统计上月各部门没有按时间完成的,以及没有按自己出具的方案和处理时间完成的发给各相关部门。
4.2品质部接到资材仓库的《呆滞物料明细表》后两个工作日内对呆滞物料进行品质检验,判定呆滞物料的品质状况。
4.3资材PMC核对《呆滞物料明细表》的物料是否可为现有订单使用。
4.3.1资材PMC对原材料,半成品的处理回复日期为两个工作日。
4.3.2资材PMC对成品的处理回复日期为一周。
4.4资材采购针对《呆滞物料明细表》无订单使用的呆滞原材料,联络供应商是否可以退换料,或低价出售等处理方案并标明完成的时间。
4.5技术中心针对《呆滞物料明细表》中尚待处理的呆滞物料,提出处理方案。
4.6以上流程均无法处理的,由资材仓库填写《报废申请单》,由
以上各部门经理,主管会签后走报废流程,《报废申请单》交财务存档。
4.7一年以上未进行处理的呆滞成品,由资材经理报董事长处理。
5.0相关表单
5.1《呆滞物料异常原因及处理统计表》
5.2《报废申请单》
编制:
xx审核:
批准:
会签:。