各国粗糙度对照表
- 格式:doc
- 大小:209.00 KB
- 文档页数:5
word资料下载可编辑中日表面粗糙度对照表IS▽ i4 ▽ 13▽ 12▽ 11 ▽ 10▽9 ▽8 ▽ 7 ▽6▽5▽4▽3▽2 J▽ 1Rz0.05 0.1 0.2 0.4 0.81.6 3.2D 6.3 10 20 40 80 160 320 R Q 0.012 0.025 0.05 0.1 0.2 0.40.8 1.6 3.2 6.3 12.5 25 501C •:13 W V V 7 7 7 W W ▽ ▽Rz 0.05 0.1 0.2 0.4 0.81.6 3.2 6.3 12.5 25 5Q 100 200 400 z Z Z Z Z Z Z Z Z Z Z Z Z Z Ra 0.013 0.025 0.05 0.10 0.20 0.40 0.80 1.63.2 6.3 12.5 25 50 100a a a a a aaaaaaaaa中 国 日 本 日本田紙粗糙度无数字标注的« ▽"W57表示 RzW0・8 ▽W 哀示RzW6・3 W 友示RzW25 ▽表示 RzWlOO (单位uin)、Ra<0.20 ・ 京心・6R H W6・3 R(I W25 中国 \/表示用任何方法获得的表而,Ra 的最大允许值为3.2um V费 表示用不去除材料方法获得的表面,Ra 的最大允许值为3・2iim表示用去除材料方法获得的表面.Ra 的垠大允许伯为3.2um v V W 表示RzW0・4 Ra^O.lO 1.6S表示RzC1.6 Ra^0.4012.5SW 表示 RzW12.5 Ra^3.250S▽ 表示RzW50 RaW12.5、专V 对0「厂▲严—屮£1申出竝 日木圈纸粗糙度有数字标注的:(单位um ) 0.4S ・图中 n —Rn 值:如为Rz 、Ry 伯:,则在数值前应加注Rz 或Ry ; b —加工方法(包括•农而处现) c —取样长度(mm ) , 、• ' d —加工纹理方向符号 e —加工余fit (mm ) —其他粗糙度数值RT 轮畑算术平均偏差.Rz 微观不平度十点rffi 度,Ry 轮那地大髙度中美表面粗糙度对照表中旧标(光洁度) 中新标(粗糙度)Ra美标(微米)> Ra 美国标准(微英寸),Ra& 00 6. 30 3.25. 004.001.63. 20 2. 50 2. 00 0.81.60 1.25 1.000.4320 250 200 160 125 100 80 63 50 40 32 25 20 16word资料下載可編辑第3蛋公塑配合、形位公力及卷面祖報度表1-3 26各国表面粗槌度(光洁度)代号与鑒数数值的对照V国国血GB )031 S 3ISOR. R.或心老标准等级11I11代号 代号0-0120. 05 VJ40. 025 C. 0120. 1 ▽ 13 N10. 05 S 02S 0.2▽ 12N20. 1 0・05 04VIIN30・2 0. 1 0. 8VJON40・1 0.2 1. 6▽9 MS0・8 a 4 3. 2N61.6 0.S fi. 3 ▽ 7 N73-2 1. 6 12- 5 63 ▽ G N8& 33・22512. 5 V5N912-56・35025▽ 4N1025 12.5 100 50 ▽3 Nil50 25 200 10ft ▽ 2 N12100 50 d00 200 VI表 面 tJI 光 數 值 利 代 标淮 代吕 英 他ASAU46M982tnhi (/irn )1(0. 035)廻国DJNd763<1972)幹级 代号0. 042(0. 05)3S ・ 08.) 4(0』)5仁)【125)6(0・ “0)8(<)・ 20) 10《()・25) 13“・32》 16(.1). 40) 20(0・ 5(025(O ・63> 40( I)§0C].型 68(1 - 60) 30(2)100(2. 5)125(3. 2)M0(彳) 200(fi) 25O(G ・ 3)320(8〉400(10)5(>n(12・ 5) 600(16〉 8()0 <20^ 1000(25?^0.0120. 0250- 040 0. 063 0. )0 0-16 0. 25 a 40 0・63hO 1. G2、54-0 G. 3 10162540631001602500. 0061(>U16025040063010000- 10> > r >0. JC0.05aD ・20a0・40a0・80a6 3J. 60a0^ 0125a 0. 025a0.(】・4zU ・4,0. 8?3.Z26- 3s12. 5z<18^ > 25s 25z<35s)5Cs SDz?0z (70s) lOOz1005标记 示例尺mu)本OGOI-197G1. 6z3・2a〔!BQ Cl 00a)noz200z 280z560zJ40s 200s400s560s注,①GB 1031-83使用中,表®(机糙度的您用参数徂范固内为0. 025〜6・3pnx •乩为S 100-25pm ).推荐优先 选用R“ -般旧标椎S712推荐用RS -V3,V13~V14推荐用R”在轴承、仪我和木材制品中多 用参散gRa:轮廓算术平均偏差在取样长度轮廓偏距绝对值的算术平均值Rz:微观不平度十点高度在取样长度五个最大的轮廓峰高的平均值与五个最大的轮廓谷深的平均值之和。
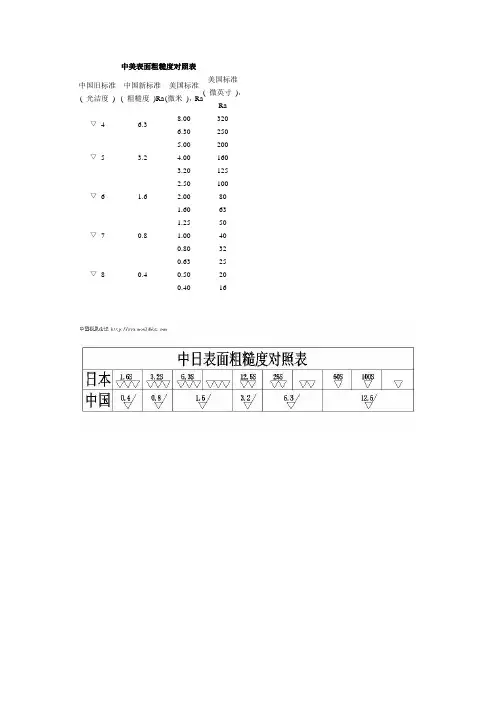
中美表面粗糙度对照表中国旧标准( 光洁度)中国新标准( 粗糙度)Ra美国标准(微米 ),Ra美国标准( 微英寸),Ra▽ 4 6.3 8.00 320 6.30 250▽ 5 3.2 5.00 200 4.00 160 3.20 125▽ 6 1.6 2.50 100 2.00 80 1.60 63▽7 0.8 1.25 50 1.00 40 0.80 32▽8 0.4 0.63 25 0.50 20 0.40 16中外粗糙度对照表中外粗糙度对照表,本人没有电子版,只能编辑在这里了:Roughness values Ra Roughness Grade Number uin um N1 1 0.025 N2 2 0.05 N3 4 0.1N4 8 0.2N5 16 0.4N6 32 0.8N7 63 1.6N8 125 3.2 N9 250 6.3 N10 500 12.5 N11 1000 25种类代号计算方法说明图最大高度Ry如图示,沿粗糙度曲线的中心线方向取一段基准长度,最大波峰加上最大谷底的高度就最大高度,用μm表示,取样时注意避开全是波峰没有谷底的部分。
十点平均粗糙度Rz如图示,沿粗糙度曲线的中心线方向取一段基准长度,用5个最高波峰的平均高加上5个最深谷底的平均高度就是十点平均粗糙度,用μm表示。
算术平均粗糙度Ra如图示,沿粗糙度曲线的中心线方向取一段基准长度,以中心线为x轴,垂直方向为y轴,用公式y=f(x)表示该粗糙度曲线,那么,右面公式求出来的值,就是算术平均粗糙度,用μm表示。
最大高度Ry的分段值十点平均粗糙度Rz的分段值算术平均粗糙度Ra的分段值三角符号0.1S 0.2S 0.3S 0.1Z0.2Z0.4Z0.025a0.05a0.1a四星0.8S 0.8Z 0.2a1.6S 3.2S 6.3S 1.6Z3.2Z6.3Z0.4a0.8a1.6a三星12.5S 25S 12.5Z25Z3.2a6.3a二星50S 100S50Z100Z12.5a25a一星。
表面粗糙度高度参数有3种:1. 轮廓算数平均偏差:轮廓算数平均偏差Ra是指在取样长度L内,被测轮廓上各点到基准线的距离Yi的绝对值的算数平均平均值。
2. 微观不平度十点高度:微观不平度十点高度Rz是指在取样长度L内,被测轮廓上五个最大轮廓峰高Ypi的平均值与五个最大轮廓谷底Yvi的平均值之和。
3. 轮廓最大高度:轮廓最大高度Ry是指在取样长度L内,被测轮廓的峰顶线与轮谷线之间的距离。
表征微观不平度高度特性的评定参数Ra Rz、Ry的数值愈大则表面越粗糙。
在高度评定参数中,Ra的概念颇为直观,Ra值反应实际轮廓微观几何形状特性的信息量最大,且Ra值用触针式电动轮廓仪测量比较容易。
因此对于光滑表面和半光滑表面,普遍采用Ra作为评定参数。
但受测量仪器的限制,极光滑和极粗糙的表面不能用Ra评定。
评定参数Rz的概念较为直观,Rz值通常用非接触式的光切显微镜测量。
但Rz值只反应取样长度内峰高和谷底的十个点,不能反应峰顶的尖锐和平顿的几何形状特性,因此Rz值不如Ra值反应得微观几何形状特性全面。
评定参数Ry的概念简单,Ry值得测量方便,但Ry值不及Rz、Ra值反应的微观几何形状特性全面。
Ry值与Ra、Rz值连用控制微观不平度的谷深用来评定某些不允许出现较大加工痕迹和受交变应力作用的表面。
RMS直实际就是有效值,就是一组统计数据的平方的平均值的平方根。
因为RMS系统是英制单位一般的有:RMS*25.4/1000=RA举例:RMS64 = 64*25.4/1000= RA 1.6几个常用的如下RMS250 = RA6.4RMS125 = RA3.2RMS64 = RA1.6RMS32 = RA0.8表面粗糙度外国与中国标准对照N1 ---- 0.025um;N2 ---- 0.05um; N3 ----- O.lum ;N4 ---- 0.2um;N5 ---- 0.4um ; N6 ----- 0.8um;N7 ---- 1.6um;N8 ---- 3.2um ; N9 ----- 6.3um;N10 --- 12.5um ;N11 ---- 25um日本表面粗糙度的老标准。
Ra,Rz,Ry都有英制,与公制差40倍,16ui转化后是0.4um 中美表面粗糙度对照表中国旧标准( 光洁度) 中国新标准( 粗糙度)Ra 美国标准(微米 ),Ra 美国标准( 微英寸),Ra ▽4 6.3 8.00 320 6.30 250 ▽5 3.2 5.00 200 4.00 160 3.20 125 ▽6 1.6 2.50 100 2.00 80 1.60 63 ▽7 0.8 1.25 50 1.00 40 0.80 32 ▽8 0.4 0.63 25 0.50 20 0.40 16 英制螺纹螺母孔径英 制 螺 纹圆 拄 管 螺 纹螺纹直径(英寸)每英寸牙数钻 头 直 径(毫米)螺纹直径(英寸)每英寸牙数钻头直径(毫米)铸铁、黄铜、青铜钢、可锻铸铁3/16 1/4 24 20 3.8 5.1 3.9 5.2 1/8 1/4 28 19 8.8 11.7 5/16 3/8 1/2 5/8 3/4 7/8 1 11/8 11/4 11/2 13/4 2 18 16 12 11 10 9 8 7 7 6 5 41/26.6 8 10.6 13.6 16.6 19.5 22.3 25 28.2 34 39.5 45.3 6.7 8.1 10.7 13.8 16.8 19.7 22.5 25.2 28.4 34.2 39.7 45.6 3/8 1/2 3/4 1 11/413/811/219 14 14 11 11 11 11 15.2 18.9 24.4 30.6 39.2 41.6 45.1 表面光洁度与粗糙度Ra 、Rz 数值转换表无论用何种加工方法加工,在零件表面总会留下微细的凸凹不平的刀痕,在零件表面总会留下微细的凸凹不平的刀痕,出现交错起伏的峰谷现出现交错起伏的峰谷现象,粗加工后的表面用肉眼就能看到,粗加工后的表面用肉眼就能看到,精加工后的表面用放大镜或显微镜仍能观察到。
精加工后的表面用放大镜或显微镜仍能观察到。
中美表面粗糙度对照表中旧标( 光洁度) 中新标( 粗糙度)Ra 美标(微米),Ra 美国标准( 微英寸),Ra ▽4 6.38.00 3206.30 250▽5 3.2 5.00 200 4.00 160 3.20 125▽6 1.62.50 1002.00 801.60 63▽7 0.8 1.25 50 1.00 40 0.80 32▽8 0.4 0.63 25 0.50 20 0.40 16Ra: 轮廓算术平均偏差在取样长度轮廓偏距绝对值的算术平均值Rz:微观不平度十点高度在取样长度五个最大的轮廓峰高的平均值与五个最大的轮廓谷深的平均值之和。
在设计零件时,表面粗糙度数值的选择,是根据零件在机器中的作用决定的。
总的原则是:在保证满足技术要求的前提下,选用较大的表面粗糙度数值。
具体选择时,可以参考下述原则:(1)工作表面比非工作表面的粗糙度数值小。
(2)摩擦表面比不摩擦表面的粗糙度数值小。
摩擦表面的摩擦速度愈高,所受的单位压力愈大,则应愈高;滚动磨擦表面比滑动磨擦表面要求粗糙度数值小。
(3)对间隙配合,配合间隙愈小,粗糙度数值应愈小;对过盈配合,为保证连接强度的牢固可靠,载荷愈大,要求粗糙度数值愈小。
一般情况间隙配合比过盈酝合粗糙度数值要小。
(4)配合表面的粗糙度应与其尺寸精度要求相当。
配合性质相同时,零件尺寸愈小,则应粗糙度数值愈小;同一精度等级,小尺寸比大尺寸要粗糙度数值小,轴比孔要粗糙度数值小(特别是IT8~IT5的精度)。
(5)受周期性载荷的表面及可能会发生应力集中的圆角、凹稽处粗糙度数值应较小。
一般零件只要标注Ra(轮廓算术平均偏差)就可以了,对于有密封要求的零件部位,通常须同时标注Ra(轮廓算术平均偏差)和Rz(微观不平度十点高度)个人认为,通过切削加工的表面标注用Ra,通过抛光等加工方法得到的表面用Rz表示两者的作用相近, 可相互转化. 根据不同国家其使用情况不同. 国和北美目前采用Ra, 而欧洲国家一般采用Rz.示意图如下一般的书籍都推荐表面粗糙度大的(12.5)和小的(0.025)用RZ,其余用Ra 表面光洁度与粗糙度Ra、Rz数值换算表(1)轮廓算术平均偏差R a。
中美表面粗糙度对照表中旧标 ( 光洁度 ) 中新标 ( 粗糙度 )Ra 美标(微米 ),Ra 美国标准 ( 微英寸 ),Ra▽ 4 320 250▽ 5 200 160 125▽ 6 100 80 63▽ 7 50 40 32▽ 8 25 20 16Ra: 轮廓算术平均偏差在取样长度内轮廓偏距绝对值的算术平均值Rz:微观不平度十点高度在取样长度内五个最大的轮廓峰高的平均值与五个最大的轮廓谷深的平均值之和。
在设计零件时,表面粗糙度数值的选择,是根据零件在机器中的作用决定的。
总的原则是:在保证满足技术要求的前提下,选用较大的表面粗糙度数值。
具体选择时,可以参考下述原则:(1)工作表面比非工作表面的粗糙度数值小。
(2)摩擦表面比不摩擦表面的粗糙度数值小。
摩擦表面的摩擦速度愈高,所受的单位压力愈大,则应愈高;滚动磨擦表面比滑动磨擦表面要求粗糙度数值小。
(3)对间隙配合,配合间隙愈小,粗糙度数值应愈小;对过盈配合,为保证连接强度的牢固可靠,载荷愈大,要求粗糙度数值愈小。
一般情况间隙配合比过盈酝合粗糙度数值要小。
(4)配合表面的粗糙度应与其尺寸精度要求相当。
配合性质相同时,零件尺寸愈小,则应粗糙度数值愈小;同一精度等级,小尺寸比大尺寸要粗糙度数值小,轴比孔要粗糙度数值小(特别是IT8~IT5的精度)。
(5)受周期性载荷的表面及可能会发生应力集中的内圆角、凹稽处粗糙度数值应较小。
一般零件只要标注Ra(轮廓算术平均偏差)就可以了,对于有密封要求的零件部位,通常须同时标注Ra(轮廓算术平均偏差)和Rz(微观不平度十点高度)个人认为,通过切削加工的表面标注用Ra,通过抛光等加工方法得到的表面用Rz表示两者的作用相近, 可相互转化. 根据不同国家其使用情况不同. 国内和北美目前采用Ra, 而欧洲国家一般采用Rz.示意图如下一般的书籍都推荐表面粗糙度大的()和小的()用RZ,其余用Ra表面光洁度与粗糙度Ra、Rz数值换算表(1)轮廓算术平均偏差Ra。
Ra,Rz,Ry都有英制,与公制差40倍,16ui转化后是中美表面粗糙度对照表中国旧标准( 光洁度) 中国新标准( 粗糙度)Ra 美国标准(微米 ),Ra 美国标准( 微英寸),Ra ▽ 4320250▽ 5 200 160 125▽ 6 100 80 63▽7 50 40 32▽8 25 20 16英制螺纹螺母孔径英制螺纹圆拄管螺纹螺纹直径(英寸)每英寸牙数钻头直径(毫米)螺纹直径(英寸)每英寸牙数钻头直径(毫米)铸铁、黄铜、青铜钢、可锻铸铁3/16 1/424201/81/42819表面光洁度与粗糙度Ra、Rz数值转换表无论用何种加工方法加工,在零件表面总会留下微细的凸凹不平的刀痕,出现交错起伏的峰谷现象,粗加工后的表面用肉眼就能看到,精加工后的表面用放大镜或显微镜仍能观察到。
这就是零件加工后的表面粗糙度。
过去称为表面光洁度。
国家规定表面粗糙度的参数由高度参数、间距参数和综合参数组成。
高度参数共有三个:轮廓的平均算术偏差(R a):通过零件的表面轮廓作一中线m,将一定长度的轮廓分成两部分,使中线两侧轮廓线与中线之间所包含的面积相等,不平度平均高度(Rz):就是在基本测量长度范围内,从平行于中线的任意线起,自被测轮廓上五个最高点至五个最低点的平均距离,表面光洁度▽1 ▽2 ▽3 ▽4 ▽5 ▽6 ▽7表面粗糙度Ra50 25Rz200 100 50 25表面光洁度▽8 ▽9 ▽10▽11 ▽12 ▽13 ▽14表面粗糙度Ra- Rz表面光洁度▽1▽2▽3▽4▽5▽6▽7表面粗糙度Ra5025Rz2001005025表面光洁度▽8▽9▽10▽11▽12▽13▽14表面粗糙度Ra-Rz。
Ra,Rz,Ry都有英制,与公制差40倍,16ui转化后是0.4um
英制螺纹螺母孔径
表面光洁度与粗糙度Ra、Rz数值转换表
无论用何种加工方法加工,在零件表面总会留下微细的凸凹不平的刀痕,出现交错起伏的峰谷现象,粗加工后的表面用肉眼就能看到,精加工后的表面用放大镜或显微镜仍能观察到。
这就是零件加工后的表面粗糙度。
过去称为表面光洁度。
国家规定表面粗糙度的参数由高度参数、间距参数和综合参数组成。
高度参数共有三个:
∙轮廓的平均算术偏差(R a):通过零件的表面轮廓作一中线m,将一定长度的轮廓分成两部分,使中线两侧轮廓线与中线之间所包含的面积相等,
∙不平度平均高度(Rz):就是在基本测量长度范围内,从平行于中线的任意线起,自被测轮廓上五个最高点至五个最低点的平均距离,。
中美表面粗糙度对照表中旧标 ( 光洁度 ) 中新标 ( 粗糙度 )Ra 美标(微米 ),Ra 美国标准 ( 微英寸 ),Ra▽ 4 6.3 8.00 320 6.30 250▽ 5 3.2 5.00 200 4.00 160 3.20 125▽ 6 1.6 2.50 100 2.00 80 1.60 63▽ 7 0.8 1.25 50 1.00 40 0.80 32▽ 8 0.4 0.63 25 0.50 20 0.40 16Ra: 轮廓算术平均偏差在取样长度轮廓偏距绝对值的算术平均值Rz:微观不平度十点高度在取样长度五个最大的轮廓峰高的平均值与五个最大的轮廓谷深的平均值之和。
在设计零件时,表面粗糙度数值的选择,是根据零件在机器中的作用决定的。
总的原则是:在保证满足技术要求的前提下,选用较大的表面粗糙度数值。
具体选择时,可以参考下述原则:(1)工作表面比非工作表面的粗糙度数值小。
(2)摩擦表面比不摩擦表面的粗糙度数值小。
摩擦表面的摩擦速度愈高,所受的单位压力愈大,则应愈高;滚动磨擦表面比滑动磨擦表面要求粗糙度数值小。
(3)对间隙配合,配合间隙愈小,粗糙度数值应愈小;对过盈配合,为保证连接强度的牢固可靠,载荷愈大,要求粗糙度数值愈小。
一般情况间隙配合比过盈酝合粗糙度数值要小。
(4)配合表面的粗糙度应与其尺寸精度要求相当。
配合性质相同时,零件尺寸愈小,则应粗糙度数值愈小;同一精度等级,小尺寸比大尺寸要粗糙度数值小,轴比孔要粗糙度数值小(特别是IT8~IT5的精度)。
(5)受周期性载荷的表面及可能会发生应力集中的圆角、凹稽处粗糙度数值应较小。
一般零件只要标注Ra(轮廓算术平均偏差)就可以了,对于有密封要求的零件部位,通常须同时标注Ra(轮廓算术平均偏差)和Rz(微观不平度十点高度)个人认为,通过切削加工的表面标注用Ra,通过抛光等加工方法得到的表面用Rz表示两者的作用相近, 可相互转化. 根据不同国家其使用情况不同. 国和北美目前采用Ra, 而欧洲国家一般采用Rz.示意图如下一般的书籍都推荐表面粗糙度大的(12.5)和小的(0.025)用RZ,其余用Ra表面光洁度与粗糙度Ra、Rz数值换算表(1)轮廓算术平均偏差Ra。