各国表面粗糙度对照表[1]
- 格式:pdf
- 大小:364.78 KB
- 文档页数:1
word资料下载可编辑中日表面粗糙度对照表IS▽ i4 ▽ 13▽ 12▽ 11 ▽ 10▽9 ▽8 ▽ 7 ▽6▽5▽4▽3▽2 J▽ 1Rz0.05 0.1 0.2 0.4 0.81.6 3.2D 6.3 10 20 40 80 160 320 R Q 0.012 0.025 0.05 0.1 0.2 0.40.8 1.6 3.2 6.3 12.5 25 501C •:13 W V V 7 7 7 W W ▽ ▽Rz 0.05 0.1 0.2 0.4 0.81.6 3.2 6.3 12.5 25 5Q 100 200 400 z Z Z Z Z Z Z Z Z Z Z Z Z Z Ra 0.013 0.025 0.05 0.10 0.20 0.40 0.80 1.63.2 6.3 12.5 25 50 100a a a a a aaaaaaaaa中 国 日 本 日本田紙粗糙度无数字标注的« ▽"W57表示 RzW0・8 ▽W 哀示RzW6・3 W 友示RzW25 ▽表示 RzWlOO (单位uin)、Ra<0.20 ・ 京心・6R H W6・3 R(I W25 中国 \/表示用任何方法获得的表而,Ra 的最大允许值为3.2um V费 表示用不去除材料方法获得的表面,Ra 的最大允许值为3・2iim表示用去除材料方法获得的表面.Ra 的垠大允许伯为3.2um v V W 表示RzW0・4 Ra^O.lO 1.6S表示RzC1.6 Ra^0.4012.5SW 表示 RzW12.5 Ra^3.250S▽ 表示RzW50 RaW12.5、专V 对0「厂▲严—屮£1申出竝 日木圈纸粗糙度有数字标注的:(单位um ) 0.4S ・图中 n —Rn 值:如为Rz 、Ry 伯:,则在数值前应加注Rz 或Ry ; b —加工方法(包括•农而处现) c —取样长度(mm ) , 、• ' d —加工纹理方向符号 e —加工余fit (mm ) —其他粗糙度数值RT 轮畑算术平均偏差.Rz 微观不平度十点rffi 度,Ry 轮那地大髙度中美表面粗糙度对照表中旧标(光洁度) 中新标(粗糙度)Ra美标(微米)> Ra 美国标准(微英寸),Ra& 00 6. 30 3.25. 004.001.63. 20 2. 50 2. 00 0.81.60 1.25 1.000.4320 250 200 160 125 100 80 63 50 40 32 25 20 16word资料下載可編辑第3蛋公塑配合、形位公力及卷面祖報度表1-3 26各国表面粗槌度(光洁度)代号与鑒数数值的对照V国国血GB )031 S 3ISOR. R.或心老标准等级11I11代号 代号0-0120. 05 VJ40. 025 C. 0120. 1 ▽ 13 N10. 05 S 02S 0.2▽ 12N20. 1 0・05 04VIIN30・2 0. 1 0. 8VJON40・1 0.2 1. 6▽9 MS0・8 a 4 3. 2N61.6 0.S fi. 3 ▽ 7 N73-2 1. 6 12- 5 63 ▽ G N8& 33・22512. 5 V5N912-56・35025▽ 4N1025 12.5 100 50 ▽3 Nil50 25 200 10ft ▽ 2 N12100 50 d00 200 VI表 面 tJI 光 數 值 利 代 标淮 代吕 英 他ASAU46M982tnhi (/irn )1(0. 035)廻国DJNd763<1972)幹级 代号0. 042(0. 05)3S ・ 08.) 4(0』)5仁)【125)6(0・ “0)8(<)・ 20) 10《()・25) 13“・32》 16(.1). 40) 20(0・ 5(025(O ・63> 40( I)§0C].型 68(1 - 60) 30(2)100(2. 5)125(3. 2)M0(彳) 200(fi) 25O(G ・ 3)320(8〉400(10)5(>n(12・ 5) 600(16〉 8()0 <20^ 1000(25?^0.0120. 0250- 040 0. 063 0. )0 0-16 0. 25 a 40 0・63hO 1. G2、54-0 G. 3 10162540631001602500. 0061(>U16025040063010000- 10> > r >0. JC0.05aD ・20a0・40a0・80a6 3J. 60a0^ 0125a 0. 025a0.(】・4zU ・4,0. 8?3.Z26- 3s12. 5z<18^ > 25s 25z<35s)5Cs SDz?0z (70s) lOOz1005标记 示例尺mu)本OGOI-197G1. 6z3・2a〔!BQ Cl 00a)noz200z 280z560zJ40s 200s400s560s注,①GB 1031-83使用中,表®(机糙度的您用参数徂范固内为0. 025〜6・3pnx •乩为S 100-25pm ).推荐优先 选用R“ -般旧标椎S712推荐用RS -V3,V13~V14推荐用R”在轴承、仪我和木材制品中多 用参散gRa:轮廓算术平均偏差在取样长度轮廓偏距绝对值的算术平均值Rz:微观不平度十点高度在取样长度五个最大的轮廓峰高的平均值与五个最大的轮廓谷深的平均值之和。
参数的情况列表如下,如有问题,由时代公司负责解释。
本表还适用于公司TR1系列粗糙度仪。
修改后可测量参数的总数没有变化,仍为13个参数,只是显示在不同的标准中,也就是说:时代粗糙度仪产品参数:涵盖新旧标准参数!(详表面粗糙度有Ra,Rz,Ry 之分,据GB 3505摘录:表面粗糙度参数及其数值(Surface Roughness Parameters and their Values)常用的3个分别是:轮廓算数平均偏差(Ra)--arithmetical mean deviation of the profile;微观不平度十点高度(Rz)--the point height of irregularities;轮廓最大高度(Ry)--maximum height of the profile。
Ra--在取样长度L内轮廓偏距绝对值的算术平均值。
Rz--在取样长度内5个最大的轮廓峰高的平均值与5个最大的轮廓谷深的平均值之和。
Ry--在取样长度L内轮廓峰顶线和轮廓谷底线之间的距离。
如果图面没标注粗糙度选用Ra /Rz /Ry 的情况下默认为Ra。
表面粗糙度是指加工表面具有的较小间距和微小峰谷不平度。
其两波峰或两波谷之间的距离(波距)很小(在1mm以下),用肉眼是难以区别的,因此它属于微观几何形状误差。
表面粗糙度越小,则表面越光滑。
表面粗糙度的大小,对机械零件的使用性能有很大的影响,主要表现在以下几个方面:①表面粗糙度影响零件的耐磨性。
表面越粗糙,配合表面间的有效接触面积越小,压强越大,磨损就越快。
②表面粗糙度影响配合性质的稳定性。
对间隙配合来说,表面越粗糙,就越易磨损,使工作过程中间隙逐渐增大;对过盈配合来说,由于装配时将微观凸峰挤平,减小了实际有效过盈,降低了联结强度。
③表面粗糙度影响零件的疲劳强度。
粗糙零件的表面存在较大的波谷,它们像尖角缺口和裂纹一样,对应力集中很敏感,从而影响零件的疲劳强度。
④表面粗糙度影响零件的抗腐蚀性。
1.在
Ra.Rz.Ry 中优先选用Ra
2.在Ra.Rz.Ry 的数值第1系列
和第2系列中优先选用第1 系列。
3.新国标与旧国标数值的 对应转换按下述三种情况
处理。
⑴在有利于加工,但又不影
响表面功能的前提下,旧标准的等级一般应转换成新标准Ra 或Rz.Ry 第1系列中最靠 6应转换成Ra 为3.2чm 或Rz 为12.5чm ⑵当表面要求较高时.旧标准的等级应转换成新标准Ra 或Rz.Ry 的第1系列中最靠近的
上档值,如 6Ra 为1.6чm 或Rz 为6.3чm。
⑶当不能按前两种方式转换时仍取旧国标中的极限值及新国标中的第2系列值但这仅
是对位数极少而粗糙度要求较高的表面(即 9以上的表面)而言的
4.本表中“新标准标注示例”仅仅是举一种常用的标准示
例
5.本表中Ra 为轮廓算术平均
偏差Rz 为微观不平度十点高
度Ry 为轮廓最大高度,Rz 和Ra 的比值关系根据我国的试验结果为Rz=4.5Ra 0.9716.制定本表的依据为GB131-83。
GB1031-83,GB3505-83《表面粗糙度介绍》《表面光洁度译文选辑》《互换性与技术测量》。
说明
μm。
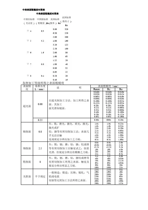
中美表面粗糙度对照表中旧标 ( 光洁度 ) 中新标 ( 粗糙度 )Ra 美标(微米 ),Ra 美国标准 ( 微英寸 ),Ra▽ 4 320 250▽ 5 200 160 125▽ 6 100 80 63▽ 7 50 40 32▽ 8 25 20 16Ra: 轮廓算术平均偏差在取样长度内轮廓偏距绝对值的算术平均值Rz:微观不平度十点高度在取样长度内五个最大的轮廓峰高的平均值与五个最大的轮廓谷深的平均值之和。
在设计零件时,表面粗糙度数值的选择,是根据零件在机器中的作用决定的。
总的原则是:在保证满足技术要求的前提下,选用较大的表面粗糙度数值。
具体选择时,可以参考下述原则:(1)工作表面比非工作表面的粗糙度数值小。
(2)摩擦表面比不摩擦表面的粗糙度数值小。
摩擦表面的摩擦速度愈高,所受的单位压力愈大,则应愈高;滚动磨擦表面比滑动磨擦表面要求粗糙度数值小。
(3)对间隙配合,配合间隙愈小,粗糙度数值应愈小;对过盈配合,为保证连接强度的牢固可靠,载荷愈大,要求粗糙度数值愈小。
一般情况间隙配合比过盈酝合粗糙度数值要小。
(4)配合表面的粗糙度应与其尺寸精度要求相当。
配合性质相同时,零件尺寸愈小,则应粗糙度数值愈小;同一精度等级,小尺寸比大尺寸要粗糙度数值小,轴比孔要粗糙度数值小(特别是IT8~IT5的精度)。
(5)受周期性载荷的表面及可能会发生应力集中的内圆角、凹稽处粗糙度数值应较小。
一般零件只要标注Ra(轮廓算术平均偏差)就可以了,对于有密封要求的零件部位,通常须同时标注Ra(轮廓算术平均偏差)和Rz(微观不平度十点高度)个人认为,通过切削加工的表面标注用Ra,通过抛光等加工方法得到的表面用Rz表示两者的作用相近, 可相互转化. 根据不同国家其使用情况不同. 国内和北美目前采用Ra, 而欧洲国家一般采用Rz.示意图如下一般的书籍都推荐表面粗糙度大的()和小的()用RZ,其余用Ra表面光洁度与粗糙度Ra、Rz数值换算表(1)轮廓算术平均偏差Ra。
表面粗糙度公英制对照表(Ra)公制μm502512.5 6.3 3.2 1.60.80.40.20.10.050.0250.012英制μin2000100050025012563321684210.5 Ra,Rz,Ry都有英制,与公制差40倍,16μi转化后是0.4μm.中美表面粗糙度对照表中国旧标准(光洁度)中国新标准(粗糙度)Ra美国标准(微米)Ra美国标准(微英寸)Ra▽4 6.38.00320 6.30250▽5 3.25.00200 4.00160 3.20125▽6 1.62.50100 2.0080 1.6063▽70.81.2550 1.0040 0.8032▽80.40.6325 0.5020 0.4016表面光洁度与粗糙度Ra、Rz数值转换表无论用何种加工方法加工,在零件表面总会留下细微的凸凹不平的刀痕,出现交错起伏的峰谷现象,粗加工后的表面用肉眼就能看到,精加工后的表面用放大镜或显微镜仍能观察到。
这就是零件加工后的表面粗糙度。
过去称为表面光洁度。
国家规定表面粗糙度的参数由高度参数、间距参数和综合参数组成。
高度参数共有三个:轮廓的平均算术偏差(Ra):通过零件的表面轮廓作一中线m,将一定长度的轮廓分成两部分,使中线两侧轮廓线与中线之间所包含的面积相等,不平度平均高度(Rz):就是在基本测量长度范围内,从平行于中线的任意线起,自被测轮廓上五个最高点五个最低点的平均距离,轮廓最大高度(Ry):就是在取样长度内,轮廓峰顶线和轮廓峰谷线之间的距离。
表面光洁度▽1▽2▽3▽4▽5▽6▽7表面粗糙度Ra502512.5 6.3 3.2 1.60.8 Rz200100502512.5 6.3 3.2表面光洁度▽8▽9▽10▽11▽12▽13▽14表面粗糙度Ra0.40.20.10.050.0250.012-Rz 1.60.80.40.20.10.05-。
中美表面粗糙度对照表中旧标 ( 光洁度 ) 中新标 ( 粗糙度 )Ra 美标(微米 ),Ra 美国标准 ( 微英寸 ),Ra▽ 4 6.3 8.00 320 6.30 250▽ 5 3.2 5.00 200 4.00 160 3.20 125▽ 6 1.6 2.50 100 2.00 80 1.60 63▽ 7 0.8 1.25 50 1.00 40 0.80 32▽ 8 0.4 0.63 25 0.50 20 0.40 16Ra: 轮廓算术平均偏差在取样长度轮廓偏距绝对值的算术平均值Rz:微观不平度十点高度在取样长度五个最大的轮廓峰高的平均值与五个最大的轮廓谷深的平均值之和。
在设计零件时,表面粗糙度数值的选择,是根据零件在机器中的作用决定的。
总的原则是:在保证满足技术要求的前提下,选用较大的表面粗糙度数值。
具体选择时,可以参考下述原则:(1)工作表面比非工作表面的粗糙度数值小。
(2)摩擦表面比不摩擦表面的粗糙度数值小。
摩擦表面的摩擦速度愈高,所受的单位压力愈大,则应愈高;滚动磨擦表面比滑动磨擦表面要求粗糙度数值小。
(3)对间隙配合,配合间隙愈小,粗糙度数值应愈小;对过盈配合,为保证连接强度的牢固可靠,载荷愈大,要求粗糙度数值愈小。
一般情况间隙配合比过盈酝合粗糙度数值要小。
(4)配合表面的粗糙度应与其尺寸精度要求相当。
配合性质相同时,零件尺寸愈小,则应粗糙度数值愈小;同一精度等级,小尺寸比大尺寸要粗糙度数值小,轴比孔要粗糙度数值小(特别是IT8~IT5的精度)。
(5)受周期性载荷的表面及可能会发生应力集中的圆角、凹稽处粗糙度数值应较小。
一般零件只要标注Ra(轮廓算术平均偏差)就可以了,对于有密封要求的零件部位,通常须同时标注Ra(轮廓算术平均偏差)和Rz(微观不平度十点高度)个人认为,通过切削加工的表面标注用Ra,通过抛光等加工方法得到的表面用Rz表示两者的作用相近, 可相互转化. 根据不同国家其使用情况不同. 国和北美目前采用Ra, 而欧洲国家一般采用Rz.示意图如下一般的书籍都推荐表面粗糙度大的(12.5)和小的(0.025)用RZ,其余用Ra表面光洁度与粗糙度Ra、Rz数值换算表(1)轮廓算术平均偏差Ra。
时代涂层测厚仪使用介绍一、原理磁性测厚原理:当测头与覆层接触时,测头和磁性金属基体构成一闭合磁路,由于非磁性覆盖层的存在,使磁路磁阻变化,通过测量其变化可计算覆盖层的厚度。
涡流测厚原理:利用高频交电流在线圈中产生一个电磁场,当测头与覆盖层接触时,金属基体上产生电涡流,并对测头中的线圈产生反馈作用,通过测量反馈作用的大小可导出覆盖层的厚度。
二、适用行业1、电镀、喷涂:这个行业是使用我们仪器最多的,占每年销量相当大的比例,是我们主要用户群体,需要花大的精力去不断挖掘。
2、管道防腐:主要以石化方面的用户比较多,一般防腐层比较厚,TT260配F10探头的用户比较多。
3、铝型材:今年以来受国家实施强制标准,型材企业换发许可证的影响,该行业出现前所未有的好势头,主要测型材上面的氧化膜,据了解生产企业每少镀一微米,一吨型材“节约”150元,非常可观,因此国家强制要求配备包括涂层测厚仪在内的相关检测设备。
此举也给我们带来了非常好的机会。
这个机会也同样受到竞争对手的关注,他们最大限度的调低了价格,而且采取铺货等多种方式迅速在此行业展开攻势,针对于此唐总、石总也多次指示密切关注对手动向时世采取相应策略,宗旨是让利不让市场。
希望分公司同仁也能切实利用好这次机会,充分发挥区域优势,使我们的产品更多进入该行业,也为今后在此行业的销售打下基础。
另外,也可以扩大我们的产品在整个市场的影响。
4、钢结构:对于我们的产品这类企业也可以单独划为一个行业。
涂层测厚仪在此行业也确实有很大的应用,包括铁塔等厂家最近购买信息也比较多。
5、印刷线路版、及丝网印刷等行业,这类企业相对来讲数特殊行业,购买量目前来看只是来自零星一些厂家, 8月份我们就有两家印刷企业购买。
可以看出还是有需求的,需要我们不断做工作,挖掘信息资源,多发现一些新的销售机会。
三、各型号产品介绍:TT220:测量磁性金属上非磁性覆盖层的厚度。
如钢、铁、非奥氏不锈钢上基体上的铝、铬、铜、珐琅、橡胶、油漆层的厚度。