最新矮边墙与拱墙衬砌原因分析
- 格式:doc
- 大小:8.08 MB
- 文档页数:6
矮边墙与拱墙衬砌原因分析隧道矮边墙与二衬拱墙的分析铁路隧道的二次衬砌中,总会有这样一个名称显得很特殊:矮边墙(又称小边墙)。
传统的还是现代的施工实践中,大多数隧道都要求施作矮边墙(小边墙),然后在矮边墙上浇筑拱墙衬砌。
但施工矮边墙与拱墙衬砌存在施工缝,如果控制不好,就会形成错台,极大的影响美观和质量。
图1 矮边墙示意图从图1中还可以看出,施工缝(即矮边墙与二次衬砌墙脚的交界面)略低于电缆槽及水沟盖板,这样即使有小错台或渗水,也可以在处理后在浇注电缆槽侧壁时掩盖。
这也是为什么矮边墙高度为水沟盖板下20cm的原因。
分析原因:通过刘家寨隧道已施作的矮边墙测量数据分析,矮边墙大部分大是超设计断面的,而现在现场实际施工对矮边墙模板固定为过河桥撑结构,其支撑一端连接为仰拱栈桥,另一端为矮边墙顶端模板,这是一直单向支撑结构,只能传递压力,而不能提供拉力,不能构成静止体系,也就是不能完全固定模板。
虽然由于过河桥撑的抵挡,有效解决了混凝土在浇筑过程中,爆模和矮边墙侵线问题。
但不能避免模板向外侧倾向的可能,这就很容易造成矮边墙超设计断面。
而且,由于栈桥经常行驶载重车,导致栈桥颤动很大,过河桥撑并不稳定,矮边墙向内侧侵入不无可能,矮边墙侵入设计净空也得不到解决。
这样过河桥撑唯一的保证只是避免矮边墙爆模问题。
如何使矮边墙能完全固定,矮边墙浇筑后能平顺,消除与拱墙衬砌的错台?最好解决方法是使矮边墙模板的固定成为一个超静定结构受力模式,这样就能使矮边墙在浇筑混凝土过程中避免移动。
解决方法:针对我队现在的矮边墙模板,我建议进行予以改进,矮边墙的顶端和底端,增加两根长12.3米的20的工字钢,原因:第一、增加配重,使矮边墙模板更稳定,不容易受力扰动。
第二,固定矮边墙顶端模板,使其不容易变形。
其二,在矮边墙的端头增加两根100的钢管支撑,均与工字钢相焊接。
与底端工字钢相连的钢支撑竖直连接,下部垫沉木,对矮边墙模板起到完全支撑的作用。
隧道施工中矮边墙的作用1、矮边墙的非正统身份铁路隧道的二次衬砌中,总会有这样一个名称显得很特殊:矮边墙(又称小边墙)。
这个名称是怎么来的呢?在现行所有设计规范或者施工规范中都找不到这个词语。
在网络中搜索发现,却有不少关于矮边墙的讨论,最多的争议集中在它是否应该存在和如何保证其施工质量两方面。
按照新奥法原理,隧道二次衬砌主要作为隧道结构抵抗外力的安全储备,特别是在Ⅲ~Ⅵ级围岩中,是一个封闭成环的结构。
为了增加受力性能,当然施工缝是越少越好。
这个封闭成环的结构由于施工的必要而分为仰拱与拱墙衬砌两部分,并没有矮边墙一说。
在设计图中,也没有矮边墙这样一种结构。
矮边墙的身份并不正统。
然而,无论是传统的还是现代的施工实践中,大多数隧道都要求施作矮边墙(小边墙),然后在矮边墙上浇筑二次衬砌。
看来矮边墙只是施工单位在施工过程中对仰拱与二衬之间的那部分结构的一种自定义称谓。
不过,在有些复合式衬砌断面设计图中可以发现,仰拱两侧往往高出填充顶面一些。
笔者认为,所谓矮边墙,正是仰拱两侧高出填充顶面的部分,一般高30cm~50cm。
矮边墙其实是仰拱的一部分,如图1阴影部分所示。
图1 矮边墙示意图从图1中还可以看出,施工缝(即矮边墙与二次衬砌墙脚的交界面)略低于电缆槽及水沟盖板,这样即使有小错台或渗水,也可以在处理后在浇注电缆槽侧壁时掩盖。
这也是为什么矮边墙高度为30cm~50cm的原因。
只不过设计中的施工缝在施工时一般是做成水平的,而不是斜面。
2、矮边墙的存在理由矮边墙既然作为一个亲近的称谓而存在,那么必定有它不凡的功能和卓越的贡献。
浇筑矮边墙主要是为了二次衬砌施工方便。
由于受隧道结构以及衬砌台车限制,如果仰拱两侧与填充面持平,二次衬砌台车最下边的弧型模板或太长或太短,难以恰到好处地与填充顶面良好接触,不容易控制纵向墙脚线的正确位置,并且导致拆模困难,墙脚部分混凝土往往被撬得破破烂烂。
但是如果施作了矮边墙,弧形模板只需要紧靠矮边墙的边缘,就可以使仰拱与二次衬砌平滑圆顺地对接,拆模也容易得多。
隧道施工中矮边墙的作用1、矮边墙的非正统身份铁路隧道的二次衬砌中,总会有这样一个名称显得很特殊:矮边墙(又称小边墙)。
这个名称是怎么来的呢?在现行所有设计规范或者施工规范中都找不到这个词语。
在网络中搜索发现,却有不少关于矮边墙的讨论,最多的争议集中在它是否应该存在和如何保证其施工质量两方面。
按照新奥法原理,隧道二次衬砌主要作为隧道结构抵抗外力的安全储备,特别是在Ⅲ~Ⅵ级围岩中,是一个封闭成环的结构。
为了增加受力性能,当然施工缝是越少越好。
这个封闭成环的结构由于施工的必要而分为仰拱与拱墙衬砌两部分,并没有矮边墙一说。
在设计图中,也没有矮边墙这样一种结构。
矮边墙的身份并不正统。
然而,无论是传统的还是现代的施工实践中,大多数隧道都要求施作矮边墙(小边墙),然后在矮边墙上浇筑二次衬砌。
看来矮边墙只是施工单位在施工过程中对仰拱与二衬之间的那部分结构的一种自定义称谓。
不过,在有些复合式衬砌断面设计图中可以发现,仰拱两侧往往高出填充顶面一些。
笔者认为,所谓矮边墙,正是仰拱两侧高出填充顶面的部分,一般高30cm~50cm。
矮边墙其实是仰拱的一部分,如图1阴影部分所示。
图1 矮边墙示意图从图1中还可以看出,施工缝(即矮边墙与二次衬砌墙脚的交界面)略低于电缆槽及水沟盖板,这样即使有小错台或渗水,也可以在处理后在浇注电缆槽侧壁时掩盖。
这也是为什么矮边墙高度为30cm~50cm的原因。
只不过设计中的施工缝在施工时一般是做成水平的,而不是斜面。
2、矮边墙的存在理由矮边墙既然作为一个亲近的称谓而存在,那么必定有它不凡的功能和卓越的贡献。
浇筑矮边墙主要是为了二次衬砌施工方便。
由于受隧道结构以及衬砌台车限制,如果仰拱两侧与填充面持平,二次衬砌台车最下边的弧型模板或太长或太短,难以恰到好处地与填充顶面良好接触,不容易控制纵向墙脚线的正确位置,并且导致拆模困难,墙脚部分混凝土往往被撬得破破烂烂。
但是如果施作了矮边墙,弧形模板只需要紧靠矮边墙的边缘,就可以使仰拱与二次衬砌平滑圆顺地对接,拆模也容易得多。
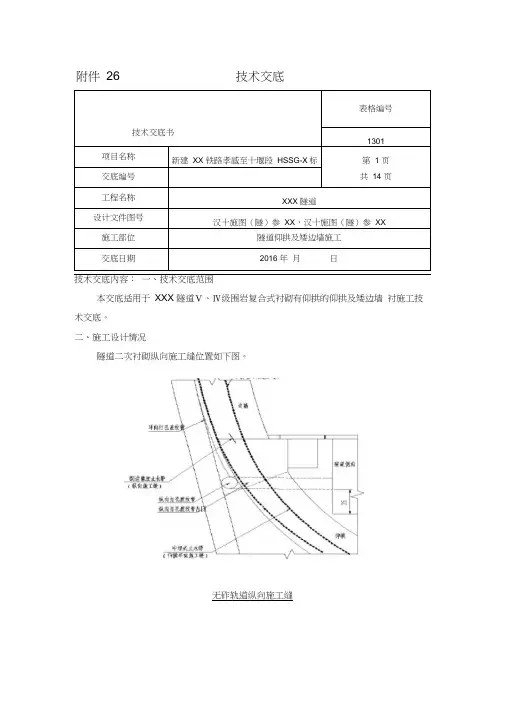
附件26 技术交底表格编号技术交底书1301项目名称新建XX 铁路孝感至十堰段HSSG-X标第 1 页交底编号共14 页工程名称XXX隧道设计文件图号汉十施图(隧)参XX,汉十施图(隧)参XX 施工部位隧道仰拱及矮边墙施工交底日期2016 年月日技术交底内容:一、技术交底范围本交底适用于XXX 隧道Ⅴ、Ⅳ级围岩复合式衬砌有仰拱的仰拱及矮边墙衬施工技术交底。
二、施工设计情况隧道二次衬砌纵向施工缝位置如下图。
无砟轨道纵向施工缝三、施工准备1、技术准备:对施工班组人员进行技术交底培训,安全教育培训,做好交 流、沟通和联系。
2、材料准备:二次衬砌钢筋, 1.5mm 厚 EVA 防水板、400g/ ㎡的无纺土工布, 中埋式橡胶止水带、背贴式橡胶止水带,钢边止水带, HDPE107/93双壁打孔波 纹管, HDPE50单壁打孔波纹管,φ 120PVC 管、φ 60PVC 管、 C35、C20混凝土、 C15无砂混凝土、 C35混凝土垫块,并做好相关材料的试验检测工作。
3、机械准备:交流电焊机、钢筋弯曲机、钢筋切断机、爬焊机、热风枪、 射钉枪、插入式振捣棒,栈桥式仰拱台车(弧形钢板模板)、钢筋预弯台座、 混凝土罐车,混凝土输送泵,风镐、铁镐、铁锨,并做好相关机械的维修和保 养。
四、仰拱及矮边墙施工工艺流程隧道二次衬砌施工顺序:仰拱与矮边墙同时施工,仰拱、矮边墙超前 50m 左 右,后期仰拱、边墙应流水线组织施工,拱墙基面处理、防水施工、钢筋绑扎、 二衬砼浇注紧跟。
如下图所示:仰拱施工前于隧道边墙每隔 3m 放样测量控制点,作为仰拱开挖及混凝土施工控制点,仰拱开挖必须随挖随支,一次性开挖不得大于 3m 。
为不影响机械车 辆通行,仰拱、仰拱填充可利用栈桥平台进行混凝土施工。
防水板整体铺设台车 负责施工初期支护背后注浆防水板、边墙衬砌 钢筋安装台车 待浇筑段测量放样、超欠挖处理→仰拱及矮边墙初支表面清理→矮边墙铺设防水层、排 水盲安装→仰拱及矮边墙二次衬砌钢筋绑扎、止水带安装→仰拱及矮边墙立模→浇注混凝土→拆模养护→仰拱填充立模→浇注填充混凝土→拆模养护1、测量放样使用风镐、铁镐、铁锨,将边墙基底虚碴全部清除干净,测量组根据设计要 求放线检查边墙基础和拱墙部位有无欠挖及侵入衬砌净空部分。
高速铁路隧道拱墙衬砌常见质量缺陷整治措施分析摘要:若高速铁路隧道拱墙衬砌出现质量缺陷,会对铁路隧道的施工安全和运营安全将会受到威胁。
文章以提高高速铁路隧道安全为研究对象,分析了高速铁路隧道施工时,衬砌裂缝、背后空洞、厚度不均等一些常见质量缺陷问题的成因,并根据质量缺陷的类型探讨了质量缺陷问题的防治措施,希望对高速铁路拱墙衬砌质量缺陷问题的防治有所帮助。
关键词:高速铁路隧道;拱墙衬砌;质量缺陷引言随着国内交通基础设备的不断完善,高速铁路建设的安全问题受到了广泛关注。
当前,在高速铁路隧道工程中,普遍采用复合式衬砌完成拱墙施工,通过外部喷锚支护和内部混凝土衬砌构成隧道的复合式衬砌结构,但施工工艺复杂且造价高,在日益复杂的隧道施工环境中也容易出现质量缺陷,威胁铁路安全。
一、高速铁路隧道拱墙衬砌常见质量缺陷的成因分析复合式衬砌需要先后施作隧道衬砌,一般情况下,在坑道开挖后先进行初期支护,即喷锚支护,允许围岩产生变形,但不允许过度变形;待围岩变形稳定后进行内层衬砌,也被称为二次支护,并在内外层之间设置防水层或是灌注防水混凝土。
在施工工程中,经常出现衬砌裂缝、背后空洞以及厚度不均等质量缺陷,经分析,这几种质量缺陷的成因有以下几点。
第一,衬砌裂缝主要是受地质条件、原材料等因素影响而产生的。
在隧道施工中,不同的地质条件对施工质量会产生不同程度的影响。
在地质条件的影响下,围岩容易过度变形,衬砌轴心压力加大或是受力出现偏差,从而产生裂缝。
若原材料的技术指标不稳定,如粉煤灰掺假、水泥中元素超标等,容易影响原材料之间的相容性,导致裂缝产生。
第二,若设置初级支护时未及时处理岩面背后空洞、喷锚支护的挖掘不合理、爆破顺序不正确等会导致背后空洞的产生,该类型属于初级支护背后空洞;若防水板和初级支护之间存在空腔、混凝土充盈不到位等也会导致背后空洞的出现,该类型属于衬砌空洞。
第三,若外层衬砌和内层衬砌的分界不明显、围岩变形的稳定性较差、受设备压力不足影响出现混凝土密实度不够、断面扫描不到位等,会导致隧道拱墙衬砌出现厚度不均的问题[1]。
隧道施工中矮边墙的作用1、矮边墙的非正统身份铁路隧道的二次衬砌中,总会有这样一个名称显得很特殊:矮边墙(又称小边墙)。
这个名称是怎么来的呢?在现行所有设计规范或者施工规范中都找不到这个词语。
在网络中搜索发现,却有不少关于矮边墙的讨论,最多的争议集中在它是否应该存在和如何保证其施工质景两方面。
按照新奥法原理,隧道二次衬砌主要作为隧道结构抵抗外力的安全储备,特别是在m〜VI级围岩中,是一个封闭成环的结构。
为了增加受力性能,当然施工缝是越少越好。
这个封闭成环的结构由于施工的必要而分为仰拱与拱墙衬砌两部分,并没有矮边墙一说。
在设计图中,也没有矮边墙这样一种结构。
矮边墙的身份并不正统。
然而,无论是传统的还是现代的施工实践中,大多数隧道都要求施作矮边墙(小边墙),然后在矮边墙上浇筑二次衬砌。
看来矮边墙只是施工单位在施工过程中对仰拱与二衬之间的那部分结构的一种自定义称谓。
不过,在有些复合式衬砌断面设计图中可以发现,仰拱两侧往往高出填充顶面一些。
笔者认为,所谓矮边墙,正是仰拱两侧高出填充顶面的部分,一般高30ce50cm矮边墙其实是仰拱的一部分,如图1阴影部分所示。
从图1中还可以看出,施工缝(即矮边墙与二次衬砌墙脚的交界面)略低于电缆槽及水沟盖板,这样即使有小错台或渗水,也可以在处理后在浇注电缆槽侧壁时掩盖。
这也是为什么矮边墙高度为30ce 50cm的原因。
只不过设计中的施工缝在施工时一般是做成水平的,而不是斜面。
2、矮边墙的存在理由矮边墙既然作为一个亲近的称谓而存在,那么必定有它不凡的功能和卓越的贡献。
浇筑矮边墙主要是为了二次衬砌施工方便。
由于受隧道结构以及衬砌台车限制,如果仰拱两侧与填充面持平,二次衬砌台车最下边的弧型模板或太长或太短,难以恰到好处地与填充顶面良好接触,不容易控制纵向墙脚线的正确位置,并且导致拆模困难,墙脚部分混凝土往往被撬得破破烂烂。
但是如果施作了矮边墙,弧形模板只需要紧靠矮边墙的边缘,就可以使仰拱与二次衬砌平滑圆顺地对接,拆模也容易得多。
浅谈铁路隧道漏水的原因及处理摘要:隧道漏水是我国铁路隧道较为普遍的病害,长期不治的各类水害能使衬砌腐蚀、钢轨锈蚀、轨枕腐烂、路基翻浆冒泥,危及行车安全,因此,必须明白其成因,并及时做好铁路隧道漏水处理。
本文以某区段高铁隧道的漏水状况为例,分析了其成因,并介绍了处理措施。
关键词:隧道;漏水;处理一、工程概况某区间高铁隧道设计为350km/h新奥法双线区间隧道,Ⅴ级围岩复合式衬砌断面仰拱厚600mm,拱墙厚500mm,初期支护喷射混凝土300mm。
隧道内排水采用双侧水沟加中心水沟的方式,侧沟大小为深80cm宽30cm,中心水沟为φ600mm砼管,侧沟内的水通过φ100mm的PVC管横向导水管引至中心水沟,中心水沟每30m设置一检查井。
横向导水管位于无碴轨道基础垫层下方,沿隧道30m设一处,配合检查井设置。
二衬砼抗渗等级为P12,隧道二衬后拱墙铺设不小于厚1.5mm的ECB防水板加400g/㎡土工布缓冲层,防水板后面按8m间距设置环向HDPE50打孔波纹管,地下水发育地段增设1~2道,在边墙墙脚处两道环向波纹管之间设置纵向HDPE100双壁打孔波纹管,环向波纹管及纵向波纹管两端均直接与侧沟连通。
环向施工缝设置中埋止水带及中埋遇水膨胀止水胶;纵向施工缝表面涂刷界面剂及设置遇水膨胀止水条。
在隧道混凝土二次衬砌施工全部结束后一段时间,发现底板施工缝、两侧混凝土排水沟槽底部(底板与排水沟槽交接处)多处渗漏水,洞身混凝土衬砌无漏水。
经过对中心管沟、检查井以及两侧排水沟槽的清理,渗漏水有所减弱,但在承压区段的渗漏情况还是未能减弱。
二、铁路隧道漏水的原因为了从根本上对隧道进行整治,搞清隧道的现状是极为重要的。
对铁路隧道来说,采用目视方法也好,采用观察方法也好,采用检测方法也好,不管那种方法都主要是掌握影响衬砌安全性、使用性和耐久性的外观上和结构内部(包括后部)的状态。
因此为保证隧道衬砌裂损整理的有效性,要进行一系列的检测与分析。
隧道衬砌施工通病原因分析及防治措施一、质量问题及现象1.衬砌背后存在空洞;2.衬砌错台明显、漏浆、流沙严重,外观质量差;3.衬砌的厚度不满足设计要求;4.衬砌渗漏水;5.衬砌混凝土开裂;6.水沟电缆槽外观质量差;7.排水沟排水不畅。
二、衬砌背后空洞病因分析1.对超挖未按规范进行施工回填;2.衬砌时拱顶灌注混凝土不饱满,振捣不够;3.泵送混凝土在输送管远端由于压力损失,坡度等原因造成空洞;4.防水板挂设松弛度控制不到位。
三、衬砌背后空洞防止措施1.隧道开挖面难免出现凹凸不平,对于小范围内因超挖等造成的陷坑,施工时一般采用衬砌混凝土回填,注意挂设防水板要紧贴岩面,松紧度适合;对于因塌方造成的深陷坑,在二衬施工前采用坍方处理措施回填平顺;2.一般衬砌模板台车在拱顶部位前后各一个泵送砼预留孔,如果模板台车较长,可在中部再增加预留孔,防止隧道纵坡较大时浇筑砼不到位,衬砌施工后进行回填注浆;3.新式衬砌模板台车在边墙、拱腰部位均安装有附着式振捣器,同时在砼浇筑时台车两侧各配两台插入式振捣器,从台车预留窗口进行分层振捣,这些可有效解决振捣问题。
四、衬砌表观质量差病因分析1.衬砌台车刚度不够,模板整修不到位;2.衬砌混凝土和易性不好,泌水严重;3.两侧未进行对称浇注;4.浇注速度过快,台车上浮;5.模板涂油太多,拆模后形成鱼鳞云;6.局部模板未清理干净,拆模后形成“扒皮”掉块现象。
五、衬砌表观质量差防止措施1.衬砌台车都是由正规厂家加工出来的,加工前都经过强度、刚度检算的,购买时要检查检算资料;2.衬砌施工时如果衬砌模板台车搭接不超过0.5m,一般不会出现错台,因此衬砌施工前要规划好台车就位里程段落,避免出现较长的搭接。
同时测量人员要有一定的施工经验,衬砌中线、高程控制好,模板台车两侧支距控制合适,防止出现过大、过小影响下一组台车就位;3.衬砌砼严格按设计的配合比施工,设计配合比时要考虑泵送砼和易性要求,同时模板台车要涂脱模剂,脱模剂最好采用专用脱模剂,涂抹均匀,用量适中,可提高衬砌表面质量;4.衬砌浇筑时要两侧分层对称浇筑,且混凝土自落高度控制在2m以内,防止离析;5.如果模板台车上粘有部分混凝土,下次浇筑前清除干净,再涂抹脱模剂,否则影响影响下一组衬砌表面光洁度;6.衬砌模板台车由于边墙脚现浇砼压力会上浮、端头压力会纵向移动等问题,因此衬砌施工前模板台车加固牢固,同时衬砌砼浇筑到圆心高度及拱腰时将台车所有丝杠再重新加固一次,防止台车因上浮部分丝杠松动,造成移位。
精品资料矮边墙与拱墙衬砌原因分析........................................隧道矮边墙与二衬拱墙的分析铁路隧道的二次衬砌中,总会有这样一个名称显得很特殊:矮边墙(又称小边墙)。
传统的还是现代的施工实践中,大多数隧道都要求施作矮边墙(小边墙),然后在矮边墙上浇筑拱墙衬砌。
但施工矮边墙与拱墙衬砌存在施工缝,如果控制不好,就会形成错台,极大的影响美观和质量。
图1 矮边墙示意图从图1中还可以看出,施工缝(即矮边墙与二次衬砌墙脚的交界面)略低于电缆槽及水沟盖板,这样即使有小错台或渗水,也可以在处理后在浇注槽侧壁时掩盖。
这也是为什么矮边墙高度为水沟盖板下20cm的原因。
分析原因:通过刘家寨隧道已施作的矮边墙测量数据分析,矮边墙大部分大是超设计断面的,而现在现场实际施工对矮边墙模板固定为过河桥撑结构,其支撑一端连接为仰拱栈桥,另一端为矮边墙顶端模板,这是一直单向支撑结构,只能传递压力,而不能提供拉力,不能构成静止体系,也就是不能完全固定模板。
虽然由于过河桥撑的抵挡,有效解决了混凝土在浇筑过程中,爆模和矮边墙侵线问题。
但不能避免模板向外侧倾向的可能,这就很容易造成矮边墙超设计断面。
而且,由于栈桥经常行驶载重车,导致栈桥颤动很大,过河桥撑并不稳定,矮边墙向内侧侵入不无可能,矮边墙侵入设计净空也得不到解决。
这样过河桥撑唯一的保证只是避免矮边墙爆模问题。
如何使矮边墙能完全固定,矮边墙浇筑后能平顺,消除与拱墙衬砌的错台?最好解决方法是使矮边墙模板的固定成为一个超静定结构受力模式,这样就能使矮边墙在浇筑混凝土过程中避免移动。
解决方法:针对我队现在的矮边墙模板,我建议进行予以改进,矮边墙的顶端和底端,增加两根长12.3米的20的工字钢,原因:第一、增加配重,使矮边墙模板更稳定,不容易受力扰动。
第二,固定矮边墙顶端模板,使其不容易变形。
其二,在矮边墙的端头增加两根100的钢管支撑,均与工字钢相焊接。
隧道施工中矮边墙的作用1、矮边墙的非正统身份铁路隧道的二次衬砌中,总会有这样一个名称显得很特殊:矮边墙(又称小边墙)。
这个名称是怎么来的呢?在现行所有设计规范或者施工规范中都找不到这个词语。
在网络中搜索发现,却有不少关于矮边墙的讨论,最多的争议集中在它是否应该存在和如何保证其施工质量两方面。
按照新奥法原理,隧道二次衬砌主要作为隧道结构抵抗外力的安全储备,特别是在Ⅲ~Ⅵ级围岩中,是一个封闭成环的结构。
为了增加受力性能,当然施工缝是越少越好。
这个封闭成环的结构由于施工的必要而分为仰拱与拱墙衬砌两部分,并没有矮边墙一说。
在设计图中,也没有矮边墙这样一种结构。
矮边墙的身份并不正统。
然而,无论是传统的还是现代的施工实践中,大多数隧道都要求施作矮边墙(小边墙),然后在矮边墙上浇筑二次衬砌。
看来矮边墙只是施工单位在施工过程中对仰拱与二衬之间的那部分结构的一种自定义称谓。
不过,在有些复合式衬砌断面设计图中可以发现,仰拱两侧往往高出填充顶面一些。
笔者认为,所谓矮边墙,正是仰拱两侧高出填充顶面的部分,一般高30~50。
矮边墙其实是仰拱的一部分,如图1阴影部分所示。
图1 矮边墙示意图从图1中还可以看出,施工缝(即矮边墙与二次衬砌墙脚的交界面)略低于电缆槽及水沟盖板,这样即使有小错台或渗水,也可以在处理后在浇注电缆槽侧壁时掩盖。
这也是为什么矮边墙高度为30~50的原因。
只不过设计中的施工缝在施工时一般是做成水平的,而不是斜面。
2、矮边墙的存在理由矮边墙既然作为一个亲近的称谓而存在,那么必定有它不凡的功能和卓越的贡献。
浇筑矮边墙主要是为了二次衬砌施工方便。
由于受隧道结构以及衬砌台车限制,如果仰拱两侧与填充面持平,二次衬砌台车最下边的弧型模板或太长或太短,难以恰到好处地与填充顶面良好接触,不容易控制纵向墙脚线的正确位置,并且导致拆模困难,墙脚部分混凝土往往被撬得破破烂烂。
但是如果施作了矮边墙,弧形模板只需要紧靠矮边墙的边缘,就可以使仰拱与二次衬砌平滑圆顺地对接,拆模也容易得多。
隧道衬砌裂拱机理分析及整治(新选版)Technical Safety Essentials( 岗位安全技术 )单位名:_________________________姓名:_________________________日期:_________________________安全技术安全管理制度/全文可改隧道衬砌裂拱机理分析及整治(新选版)1、引言1、隧道裂拱是隧道衬砌常见病害之一。
神延线(神木-延安)某隧道在施工过程中于1999年9月发现已成洞衬砌在距进口约27m 处发生沿隧道纵轴方向的裂缝,并向出口方向延伸约24m.裂缝位置大致在两侧拱腰处,大致对称于隧道断面中线,除了两条主裂缝外,还伴有若干次生斜向小裂缝。
裂缝发现时的宽度为3.3mm,随后的裂缝宽度监测表明,两侧拱腰处的主裂缝仍在发展。
在其后的7天时间内裂缝宽度发展至5.7mm.如果不及时整治,很可能会影响隧道安全。
由设计、施工单位组成科研小组,对隧道裂拱原因进行分析及提出加固整治措施,以迅速遏制裂缝发展,确保隧道安全。
2、工程概况该隧道开挖高度H=8.26m,开挖宽度B=6.30m,发生裂拱段的隧道最大埋深37m,最小埋深22m.山坡植被覆盖较少,拱顶地面附近有一水沟,流向与隧道走向近似平行。
该段隧道穿越地层主要为砂岩、灰黄色泥岩、碳质泥岩与煤岩互层。
岩层产状接近水平。
围岩工程地质特性描述如下:⑴、砂岩:灰白、灰黄色,中细至粗粒结构,钙质胶结,中厚至厚层状,风化较为严重,节理较发育,节理间距0.5~1.0m,砂岩属于Ⅳ类围岩,隧道拱顶侵入砂岩约0.6m.⑵、灰黄色泥岩位于砂岩下方,泥质、粉砂质结构,节理较发育,风化较为严重,含有大量粘土类矿物(如伊利石、蒙脱石),属Ⅱ、Ⅲ类围岩。
⑶碳质泥岩与煤岩互层碳质泥岩:灰黑、黑色,不能染黑手指,位于泥岩下方,泥质、粉砂质结构,节理较发育,风化较为严重,属Ⅲ类围岩。
煤岩:黑色,节理较发育,风化较严重,属Ⅲ类围岩在隧道开挖过程中未见有地下水,但砂岩节理发育,砂岩露头能很好的接受大气降水的补给,故砂岩裂隙水发育,在现场发现拱顶上方地表有水沟,走向近似平行于隧道走向。
隧道二衬防排水、矮边墙与拱墙同时浇灌技术摘要:隧道二衬防排水、矮边墙与拱墙同时浇灌是高速公路隧道施工的技术难题,在现代施工工艺中如何做到浇灌砼的创新技术是个新课题,本文作为一线施工人员试论现场作业的技术转变,以适应现代新工艺的发展。
关键词:隧道二衬;防排水;矮边墙;拱墙;浇灌一、施工概况揭惠高速小北山一号隧道分左右线布置,左线里程ZK14+390-ZK17+390,长3000米。
右线里程K14+380-K17+388,长3008米。
洞身衬砌按照新奥法原理采用复合式衬砌,初期支护采用喷锚支护,二次衬砌采用模筑C30防水混凝土衬砌,目前施工的V级围岩厚度50cm。
二、二次衬砌施工常规来讲,由于二衬环向角度达到200°以上,拱墙下部二衬不易支立模板,砼质量不易控制,把二衬施工分开成矮边墙施工和上部施工两部分。
二衬台车模板最大做到180度,矮边墙一般控制在60cm高,然后二衬台车模板直接靠在矮边墙上施做拱墙。
这种施工方法一般会出现施工缝,二衬整体外观不佳,同时在矮边墙施工时需要增设一道止水带,增加了施工成本。
在揭惠高速小北山1号隧道二衬施工中,采取了全断面二衬台车,钢模板衬砌台车外轮廓与隧道衬砌理论内轮廓面完全一致,矮边墙部分采取挂模的方式,挂设高50cm钢模板,加固方式采取液压支撑和对地丝杠支撑。
经过实践,二衬拆模后整体外观质量较好。
拱脚处纵向排水管、碎石滤层不易施工,常规做法是安放排水管和碎石后土工布、防水板从外侧人工用手反包填塞,受空间狭小的影响反包效果往往不太理想。
在此项目施工中,我们采取从内侧反包的方式,即先裁剪约 1.5米高土工布,在砼面上固定50cm左右,另一边向外,然后在土工布内安设排水管,再人工填充碎石,完成后把土工布包裹好后拉起固定在砼面上,再和上部土工布联接。
防水板也采取同样方式反包,但防水板反包长度为15-20厘米,反包端要充分紧贴砼面,以利汇水和排水。
这样可以确保拱脚处排水管的安设质量和碎石的填塞密实以及确保土工布、防水板的有效包裹,起到降低质量隐患、有效排水的效果。
附件26 技术交底技术交底书表格编号1301 项目名称新建XX铁路至段HSSG-X标第 1 页共 14 页交底编号工程名称XXX隧道设计文件图号汉十施图(隧)参XX,汉十施图(隧)参XX施工部位隧道仰拱及矮边墙施工交底日期2016年月日技术交底容:一、技术交底围本交底适用于XXX隧道Ⅴ、Ⅳ级围岩复合式衬砌有仰拱的仰拱及矮边墙二衬施工技术交底。
二、施工设计情况隧道二次衬砌纵向施工缝位置如下图。
无砟轨道纵向施工缝求放线检查边墙基础和拱墙部位有无欠挖及侵入衬砌净空部分。
对欠挖部分必须采用风镐处理到位,隧道超挖部分必须采用与二次衬砌同等级混凝土回填。
2、仰拱及矮边墙初支及岩层表处理先清除喷射砼表面的钢筋、尖石等,并用水泥砂浆抹平。
对凹凸不平部位应修凿、喷补或抹水泥砂浆等,使岩面平顺,以免刺破防水板;局部凹凸处矢弦比不大于1:10,且不得侵入净空,否则应凿除。
有漏水处应进行引排,根据施工情况,将渗水及地下水采用截排措施,使所施工基底处不积水。
3、矮边墙铺设防水层、排水盲安装环向、纵向排水管在初期支护施作完成之后,土工布铺设之前安装,结合施工缝布置。
纵向排水管根据仰拱及矮边墙施工长度设置一般6m或12m一段,单独排水,两端弯制成135°角,接入侧沟。
环向排水管纵向间距一般不大于8至10m并根据地下水情况调整。
环向、纵向盲管分别接入侧沟,并留置不小于2%的排水坡,纵、环向盲管在穿过二次衬砌混凝土时采用PVC套管防护。
环向排水管采用HDPE50单壁打孔波纹管,纵向排水管采用HDPE107/93双壁打孔波纹管。
打孔波纹管铺设平面示意图(1)环向排水盲管隧道环向排水盲管(HDPE50单壁打孔波纹管)沿初支面环向布设,采用400g/m2的无纺布土工布包裹用扎丝捆好。
每8至10m设一道,铺设环向盲管前按规定每8至10m在初支表面先划线,后采用宽3cm土工布条带+射钉固定在喷射混凝土面上,固定间距50cm~80cm,并根据初支表面凹凸情况适当加密,确保盲管固定牢固,保证盲管布设位置能有效汇水。
隧道衬砌常见质量问题及防治措施隧道衬砌施工是隧道工程的重点施工内容,关系到施工质量及施工安全。
中交路桥科技有限公司总结了一下常见的质量问题及现象如下:衬砌背后存在空洞;衬砌错台明显、漏浆、流沙严重,外观质量差;衬砌的厚度不满足设计要求;衬砌渗漏水;衬砌混凝土开裂;水沟电缆槽外观质量差;排水沟排水不畅。
接下来中交路桥科技为您一一分析上述病因,并提出防止的措施。
一、衬砌背后存在空洞病因分析:1。
对超挖未按规范进行施工回填;2.衬砌时拱顶灌注混凝土不饱满,振捣不够;3.泵送混凝土在输送管远端由于压力损失,坡度等原因造成空洞;4.防水板挂设松弛度控制不到位。
防治措施:1.隧道开挖面难免出现凹凸不平,对于小范围内因超挖等造成的陷坑,施工时一般采用衬砌混凝土回填,注意挂设防水板要紧贴岩面,松紧度适合;对于因塌方造成的深陷坑,在二衬施工前采用坍方处理措施回填平顺;2。
一般衬砌模板台车在拱顶部位前后各一个泵送砼预留孔,如果模板台车较长,可在中部再增加预留孔,防止隧道纵坡较大时浇筑砼不到位,衬砌施工后进行回填注浆;3.新式衬砌模板台车在边墙、拱腰部位均安装有附着式振捣器,同时在砼浇筑时台车两侧各配两台插入式振捣器,从台车预留窗口进行分层振捣,这些可有效解决振捣问题.二、衬砌表观质量差病因分析:1。
衬砌台车刚度不够,模板整修不到位;2.衬砌混凝土和易性不好,泌水严重;3.两侧未进行对称浇注;4.浇注速度过快,台车上浮;5.模板涂油太多,拆模后形成鱼鳞云;6.局部模板未清理干净,拆模后形成“扒皮”掉块现象.防治措施:1。
衬砌台车都是由正规厂家加工出来的,加工前都经过强度、刚度检算的,购买时要检查检算资料;2。
衬砌施工时如果衬砌模板台车搭接不超过0.5m,一般不会出现错台,因此衬砌施工前要规划好台车就位里程段落,避免出现较长的搭接.同时测量人员要有一定的施工经验,衬砌中线、高程控制好,模板台车两侧支距控制合适,防止出现过大、过小影响下一组台车就位;3。
隧道矮边墙与二衬拱墙的分析铁路隧道的二次衬砌中,总会有这样一个名称显得很特殊:矮边墙(又称小边墙)。
传统的还是现代的施工实践中,大多数隧道都要求施作矮边墙(小边墙),然后在矮边墙上浇筑拱墙衬砌。
但施工矮边墙与拱墙衬砌存在施工缝,如果控制不好,就会形成错台,极大的影响美观和质量。
图1 矮边墙示意图
从图1中还可以看出,施工缝(即矮边墙与二次衬砌墙脚的交界面)略低于电缆槽及水沟盖板,这样即使有小错台或渗水,也可以在处理后在浇注电缆槽侧壁时掩盖。
这也是为什么矮边墙高度为水沟盖板下20cm的原因。
分析原因:
通过刘家寨隧道已施作的矮边墙测量数据分析,矮边墙大部分大是超设计断面的,而现在现场实际施工对矮边墙模板固定为过河桥撑结构,其支撑一端连接为仰拱栈桥,另一端为矮边墙顶端模板,这是一直单向支撑结构,只能传递压力,而不能提供拉
力,不能构成静止体系,也就是不能完全固定模板。
虽然由于过河桥撑的抵挡,有效解决了混凝土在浇筑过程中,爆模和矮边墙侵线问题。
但不能避免模板向外侧倾向的可能,这就很容易造成矮边墙超设计断面。
而且,由于栈桥经常行驶载重车,导致栈桥颤动很大,过河桥撑并不稳定,矮边墙向内侧侵入不无可能,矮边墙侵入设计净空也得不到解决。
这样过河桥撑唯一的保证只是避免矮边墙爆模问题。
如何使矮边墙能完全固定,矮边墙浇筑后能平顺,消除与拱墙衬砌的错台?最好解决方法是使矮边墙模板的固定成为一个超静定结构受力模式,这样就能使矮边墙在浇筑混凝土过程中避免移动。
解决方法:
针对我队现在的矮边墙模板,我建议进行予以改进,矮边墙的顶端和底端,增加两根长12.3米的20的工字钢,原因:第一、增加配重,使矮边墙模板更稳定,不容易受力扰动。
第二,固定矮边墙顶端模板,使其不容易变形。
其二,在矮边墙的端头增加两根100的钢管支撑,均与工字钢相焊接。
与底端工字钢相连的钢支撑竖直连接,下部垫沉木,对矮边墙模板起到完全支撑的作用。
与顶端工字钢相连的钢支撑水平连接,靠在初支面上,这样就避免矮边墙向外倾向。
其三、采用尾部模板可翻转的二衬模板台车,目前我队的翻转模板并没有安装,翻转起来的模板可以靠在矮边墙上,增加与矮边墙的搭接面,这样就能在浇筑拱墙衬砌时,混凝土可沿着加
长的翻转模板对矮边墙进行修饰,浇筑出来的拱墙衬砌与矮边墙不存在错台现象。
为使矮边墙施工质量有保证,使矮边墙与二衬连接圆顺,不留错台,需要我们不断尝试新工艺,新技术,改进施工方法,创新和完善科学的管理技术,才能在行业中不断前进就对矮边墙的标高和平直度提出了更高的要求。
以上是本人的一点愚见,是否能提高我们的水平,还有待实践,也敬请领导和技术精英们对我批评指正。
最后希望,我们一线人员尽的微薄之力,能给我们公司添砖加瓦,使我们公司在行业中不断前进,提升我们企业形象和口碑,给产品内实外美的优良品质,让我们公司更上一层楼!
后:附图
图一:矮边墙模板的工字钢
图二:水平方向钢支撑
图三:竖直方向钢支撑
管事部主管
直属上级:餐饮部经理
督导下级:管事员
岗位职责:负责管事部的日常管理和餐饮部的财产管理工作,确保餐具和厨房环境的清洁卫生,努力降低物耗。
工作说明:
1、保持愉快和整洁的职业形象
2、监督、指导管事员的清洁和清洗工作。
3、负责培训新员工,记录员工的表现。
4、监督机器设备的洗刷,擦亮,抛光,保养工作,确保所有设备,器皿整洁和摆放有序。
检查工作质量,以保持管理层所制定的标准,确保设备及工作区域的清洁和井然有序。
5、负责各工作区域贵重餐具的盘点工作,并记录日期,件数和所分布的服务区域,向各服务区域分发贵重餐具并记录日期,件数,种类
和分发的部门。
6、申购必须的用品,如钢丝球,抛光器,肥皂和用作清洗液的酸碱以及用于银器等贵重餐具所需材料。
7、指导,协助搞好消毒液及清洗液的配置和稀释浓度,以取得满意的清洁效果。
8、与经理和厨师长研讨所有服务中需用的宴会用品和其他通常需由采购部提供的用品,检查服务区域的所有用品是否充足,协调好与各部门的关系。
9、督导和检查厨房区域的清洁卫生。
10、定期盘点贵重餐具及其他餐具,防止盗窃和损坏,及时报告设备短缺情况及申购数量。