绘制多谐振荡器电路原理图
- 格式:ppt
- 大小:313.50 KB
- 文档页数:15
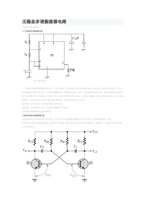
无稳态多谐振荡器电路无稳态多谐振荡器电路555无稳态多谐振荡器电路图1无稳态电路无单稳态多谐振荡器电路如图1所示,当加上电源后,电容器C1经外接电阻Ra与Rb由Vcc充电,电容器C1两端电压一直上升到2/3Vcc(第六脚之临界电压),于是触发NE555的第三脚的输出为低态。
此外,放电电晶体被驱动而导通,使得第七脚的输出将电容C1经电阻Rb放电,电容器的电压就开始下降,直到它降到触发位准1/3Vcc,正反器再次被触发,使第三脚输出回到高态,且放电晶体管截流,于是电容器C1再次经由电阻Ra及Rb充电,重复这些动作就会产生振荡。
充电路径:由Vcc出发,经由Ra及Rb至电容器C1。
放电路径:由电容器C1出发,经由Rb至NE555之第七脚。
周期T=[0.7(Ra+Rb)*C1]+[0.7*Rb*C1]三极管无稳态多谐振荡器电路此电路之输出并不会固定在某一稳定状态,其输出会在两个稳态(饱和或截止)之间交替变换,因此输出波形似近一方波。
如图2即为无稳态多谐震荡器电路,图中两个三极管Q1、Q2在“Q1饱和/Q2截止”和“Q1截止/Q2饱和”,二种状态周期性的互换,其工作原理如下:图3 当VCC通电瞬间图4 C2放电,C1充电回路(1)如图3当V CC接上瞬间,Q1、Q2分别由RB1、R B2获得正向偏压,同时C1、C2亦分别经R C1、R C2充电。
(2)由于Q1、Q2的特性无法百分之百相同,假设某一三极管Q1之电流增益比另一个三极管Q2高,则Q1会比Q2先进入饱和(ON)状态,而当Q1饱和时,C2由Q1 CE极经VCC、RB2放电,在Q2 BE极形成一逆向偏压,促使Q2截止。
同时C1经Rc2及Q1的BE 极于短时间内完成充电至VCC,如图4所示。
图5 C1放电,C2充电回路(3) Q1 ON、Q2 OFF的情形并不是固定的,当C2放电完后(T2=0.7 R B2 C2秒),C2由VCC经RB2、Q1C-E极反向充电,当充到0.7V 时,此时Q2获得偏压而进入饱和(ON),C1由Q2 CE极,Vcc、RB1放电,同样地,造成Q1 BE极逆偏压。
第八章 脉冲波形的产生与整形在数字电路或系统中,常常需要各种脉冲波形,例如时钟脉冲、控制过程的定时信号等。
这些脉冲波形的获取,通常采用两种方法:一种是利用脉冲信号产生器直接产生;另一种则是通过对已有信号进行变换,使之满足系统的要求。
本章以中规模集成电路555定时器为典型电路,主要讨论555定时器构成的施密特触发器、单稳态触发器、多谐振荡器以及555定时器的典型应用。
8.1 集成555定时器555定时器是一种多用途的单片中规模集成电路。
该电路使用灵活、方便,只需外接少量的阻容元件就可以构成单稳、多谐和施密特触发器。
因而在波形的产生与变换、测量与控制、家用电器和电子玩具等许多领域中都得到了广泛的应用。
目前生产的定时器有双极型和CMOS 两种类型,其型号分别有NE555(或5G555)和C7555等多种。
通常,双极型产品型号最后的三位数码都是555,CMOS 产品型号的最后四位数码都是7555,它们的结构、工作原理以及外部引脚排列基本相同。
一般双极型定时器具有较大的驱动能力,而CMOS 定时电路具有低功耗、输入阻抗高等优点。
555定时器工作的电源电压很宽,并可承受较大的负载电流。
双极型定时器电源电压范围为5~16V ,最大负载电流可达200mA ;CMOS 定时器电源电压变化范围为3~18V ,最大负载电流在4mA 以下。
一. 555定时器的电路结构与工作原理 1.555定时器内部结构:(1)由三个阻值为5k Ω的电阻组成的分压器; (2)两个电压比较器C 1和C 2:v +>v -,v o =1; v +<v -,v o =0。
(3)基本RS 触发器;(4)放电三极管T 及缓冲器G 。
2.工作原理。
当5脚悬空时,比较器C 1和C 2的比较电压分别为cc V 32和cc V 31。
(1)当v I1>cc V 32,v I2>cc V 31时,比较器 C 1输出低电平,C 2输出高电平,基本RS 触发器被置0,放电三极管T 导通,输出端v O 为低电平。
555多谐振荡电路555多谐振荡电路是一种常用的电子电路,它可以产生多种不同频率的振荡信号。
在本文中,我将详细介绍555多谐振荡电路的工作原理、电路图、元器件选择和调整方法。
一、工作原理555多谐振荡电路基于NE555集成电路,它由比较器、RS触发器和放大器组成。
其工作原理如下:1. 初始状态下,RST引脚为高电平,TRIG引脚为低电平。
2. C1通过R1和R2充放电。
当C1充满时,比较器输出翻转,并导致放大器输出高电平。
3. 放大器输出的高电平通过R3和D1反馈到TRIG引脚,使其变为高电平。
4. 当C1放电至一定程度时,比较器输出再次翻转,并导致放大器输出低电平。
5. 放大器输出的低电平通过D2反馈到TRIG引脚,使其变为低电平。
6. 重复步骤2-5形成连续的振荡。
二、555多谐振荡电路图下面是一个基本的555多谐振荡电路图示:```+--|Vcc|R1|+-+ C1| |TRIG ---|>|---| |+-+|R3|OUT -----|<|--- DIS| |GND -----+--|Gnd```三、元器件选择在设计555多谐振荡电路时,我们需要选择合适的元器件来满足我们的需求。
以下是一些常见的元器件选择建议:1. 555集成电路:可以选择NE555或其它兼容型号。
2. 电阻:根据需要选择合适的电阻值。
常用范围为几千欧姆到几兆欧姆。
3. 电容:根据需要选择合适的电容值。
常用范围为几皮法到几百微法。
4. 二极管:可以选择常见的小功率二极管,如1N4148。
四、调整方法调整555多谐振荡电路的频率可以通过改变电阻和/或电容值来实现。
以下是一些常用的调整方法:1. 改变R1和R2:增大R1或减小R2将使振荡频率降低,反之亦然。
2. 改变C1:增大C1将使振荡频率降低,反之亦然。
3. 使用可变电阻和/或可变电容:通过使用可变电阻和/或可变电容,可以在一定范围内连续调整振荡频率。
五、总结555多谐振荡电路是一种常用的电子电路,它可以产生多种不同频率的振荡信号。
74HC00多谐振荡器电路图一、电路及工作原理电路见下图。
74HC00为四一二输入端与非门。
如果将二输入端与非门的一个输入端接高电平,或者将两个输入端短接,则其输出便与余下的一个输入端或两个短接的输入端反相,相当于一个反相器。
在下图所示电路中,设IC1A的①脚、IC1B的⑤脚为高电平(K1按下,K2断开),则IC1A可看作②脚输入③脚输出、可看作IC1B④脚输入⑥脚输出的反相器,其传输特性如右图所示。
由于R1的负反馈作用,如果②脚电压较低,③脚输出高电压,则通过R1把②脚电平拉高;如果②脚电压较高、③脚输出低,则通过R1把②脚电平拉低,结果折衷停在中心点C。
输出100%反馈到输入,相当于把左下三角形部分按照虚线折到右上角。
虚线与传输特性的交点C就是反相器的工作点,约等于1/2VCC。
C点位于传输特性的陡坡中心。
本例中,74HC00输入变化1mV,输出变化高达1V。
由于IC1③脚和④脚连按,其⑥脚输出的信号与②脚同相但幅度放大。
图中C1起正反馈作用。
只要②脚电压有微小的波动,如提高0.1mV,则③脚电压降低100mV,再经IC1B 反相,⑥脚输出电压升高大于1V,此电压变化通过C1送回②脚,使②脚电压继续升高,直至VCC+0.7V。
这时,IC1内部的保护二极管导通,使输入电压不能高,反相器工作点停在右图的D点。
D点位于传输特性的水平线上,输入变化几乎不影响输出。
此时,IC1的②脚为高电平,③脚为低电平,⑥脚为高电平。
电阻R1接在②、③脚之间。
③脚是输出端,内阻很低,②脚是输入端,内阻极高。
②高③低的电位差使得R1上的电流I的方向如左图所示,放电的起始电压为VCC+0.7V,放电的最终电压为0V。
实际放电到C点(1/2VCC)附近,就停止了。
放电从VCC+0.7V到1/2VCC约需1.1R1C1=1.1(2.2l0(6))(0.110(-6)0.25s。
这时,②脚变低,经过IC1A反相放大③脚变高IC1B反相放大⑥脚快速变低C1②脚。
555定时器构成的多谐振荡器简介555定时器是一种常用的IC芯片,常用于实现定时器和振荡器等功能。
本文将介绍使用555定时器构成的多谐振荡器电路及其基本原理。
多谐振荡器电路图多谐振荡器是一种能够同时产生多个频率的振荡器。
使用555定时器可以构成多谐振荡器电路,其电路图如下:+---------+| || 7 |<-- C1 --+| --- | |Vin ---|1 | |\\ || | 555 | | R1 || | |/ || --- | |Vout1 ---|3 | |<-- C2 --+| |Vout2 ---|2 | || --- || | | R2| | 555 || --- || || 6 || |+---------+其中,Vin为输入电压,C1和C2为两个电容器,R1和R2为两个电阻。
Vout1和Vout2为输出电压,可以产生多个不同频率的信号。
基本原理555定时器在555定时器中,有三个引脚被定义为控制引脚,分别是引脚2(TRIG),引脚4(Reset),和引脚5(Control Voltage)。
在振荡电路中一般不用到引脚4和5,因此本文不再介绍。
当555定时器的Trigger引脚接收到低电平时,输出电压将由高电平瞬间变为低电平。
当Threshold引脚接收到高电平时,输出电压由低电平变为高电平。
当Output引脚处于高电平时,内部集成电路中的Transistor处于开启状态;当Output引脚处于低电平时,Transistor处于关闭状态。
多谐振荡器多谐振荡器是一种同时产生多个不同频率的振荡器。
在555定时器构成的多谐振荡器中,电容器C1和C2的作用是限制电阻R1和R2的充放电时间,从而产生不同频率的输出信号。
当输入电压高于一定电平时,电容器开始充电,直到Trigger引脚接收到低电平时,输出电压由高变为低。
随着时间的增加,电容器重新开始充电,直到Threshold引脚接收到高电平,输出电压又由低变为高。
555定时器构成的多谐振荡器制作人:张展培 Ap0305136冼志敏 Ap0305129 黄云 Ap0305114555定时器是一种模拟电路和数字电路相结合的中规模集成器件,它性能优良,适用范围很广,外部加接少量的阻容元件可以很方便地组成单稳态触发器和多谐振荡器,以及不需外接元件就可组成施密特触发器。
因此集成555定时被广泛应用于脉冲波形的产生与变换、测量与控制等方面。
本实验根据555定时器的功能强以及其适用范围广的特点,设计实验研究它的内部特性和简单应用。
一、原理1、555定时器内部构造555定时器是一种模拟电路和数字电路相结合的中规模集成电路,其内部构造如图〔A 〕及管脚排列如图〔B 〕所示。
它由分压器、比拟器、根本R--S 触发器和放电三极管等局部组成。
分压器由三个5K 的等值电阻串联而成。
分压器为比拟器1A 、2A 提供参考电压,比拟器1A 的参考电压为23cc V ,加在同相输入端,比拟器2A 的参考电压为13cc V ,加在反相输入端。
比拟器由两个构造一样的集成运放1A 、2A 组成。
高电平触发信号加在1A 的反相输入端,与同相输入端的参考电压比拟后,其结果作为根本R--S 触发器_D R 端的输入信号;低电平触发信号加在2A 的同相输入端,与反相输入端的参考电压比拟后,其结果作为根本R —S 触发器_D S 端的输入信号。
根本R--S 触发器的输出状态受比拟器1A 、2A 的输出端控制。
2、多谐振荡器工作原理由555定时器组成的多谐振荡器如图(C)所示,其中R 1、R 2和电容C 为外接元件。
其工作波如图(D)所示。
设电容的初始电压c U =0,t =0时接通电源,由于电容电压不能突变,所以高、低触发端TH V =TL V =0<13VCC,比拟器A1输出为高电平,A2输出为低电平,即_1D R =,_0D S =〔1表示高电位,0表示低电位〕,R S -触发器置1,定时器输出01u =此时_0Q =,定时器内部放电三极管截止,电源cc V 经1R ,2R 向电容C充电,c u 逐渐升高。
NE555定时器构成的多谐振荡器一、原理1、555定时器内部结构555定时器是一种模拟电路和数字电路相结合的中规模集成电路,其内部结构如图(A )及管脚排列如图(B )所示。
它由分压器、比较器、基本R--S 触发器和放电三极管等部分组成。
分压器由三个5K 的等值电阻串联而成。
分压器为比较器1A 、2A 提供参考电压,比较器1A 的参考电压为23cc V ,加在同相输入端,比较器2A 的参考电压为13cc V ,加在反相输入端。
比较器由两个结构相同的集成运放1A 、2A 组成。
高电平触发信号加在1A 的反相输入端,与同相输入端的参考电压比较后,其结果作为基本R--S 触发器_D R 端的输入信号;低电平触发信号加在2A 的同相输入端,与反相输入端的参考电压比较后,其结果作为基本R —S 触发器_D S 端的输入信号。
基本R--S 触发器的输出状态受比较器1A 、2A 的输出端控制。
2、 多谐振荡器工作原理由555定时器组成的多谐振荡器如图(C)所示,其中R 1、R 2和电容C 为外接元件。
其工作波如图(D)所示。
设电容的初始电压c U =0,t =0时接通电源,由于电容电压不能突变,所以高、低触发端TH V =TL V =0<13VCC,比较器A1输出为高电平,A2输出为低电平,即_1D R =,_0D S =(1表示高电位,0表示低电位),R S -触发器置1,定时器输出01u =此时_0Q =,定时器内部放电三极管截止,电源cc V 经1R ,2R 向电容C充电,c u 逐渐升高。
当c u 上升到13cc V 时,2A 输出由0翻转为1,这时__1D D R S ==,R S -触发顺保持状态不变。
所以0<t<1t 期间,定时器输出0u 为高电平1。
1t t =时刻,c u 上升到23cc V ,比较器1A 的输出由1变为0,这时_0D R =,_1D S =,R S-触发器复0,定时器输出00u =。
功率多谐振荡器电路
1.用途●逆变电源。
2.原理
●电路如图1. 22所示。
这个简单的多谐振荡器具有极高的效率和很强的负载驱动能力,74HC126D 它输出一个幅度接近于电源电压的对称矩形波。
多谐振荡器由Ts、T6、Ri、Rz、C.和C7组成。
●Ts和T6的集电极电流分别驱动Ti和Tz,其发射极电流则分别驱动T3和T4,电流的极限值由R.(R4)而决定。
●值得注意的是,晶体管的电流可能相对高,其值是晶体管的电流放大系数,如图1.22所示,
R=6801,,多谐振荡器的输出电流可达3A。
●振荡器的输出频率近似,其220tlF,Ub =12V时,振荡频率大约为53Hz。
该电路的应用之一是用于直流逆变电源,振荡器的输出连接到逆变变压器的低压端。
●图1.22所示的原型电路在振荡频率为50Hz[Ri一33Q,,R2 =34k(两个68kCl,并联),C=
440ruF(两个220VF并联)]时,输出电流相当大。
连接到9.5V/220V、5A的变压器,输出近240V的矩形波电压,输出功率可达40W。
●电路的静止电流损牦由Ri决定,该测试电路电流约为0.3A。
●当多谐振荡器驱动一个感性负载的时候,每个输出三极管一定在集电极与发射极之间接一个反向的快速大电流二极管,消除自感电动势,保护晶体三极管。