微机原理与接口技术复习提纲
- 格式:doc
- 大小:23.00 KB
- 文档页数:3
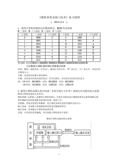
《微机原理与接口技术》复习提纲题型及比例:填空题25%选择30%判断10%简答题25%综合、编程题10%第一章1、几种进制之间的相互转换第二章80X86微处理器和体系结构1、计算机系统的组成及三总线2、CPU的组成3、8086内部结构的两部分(EU和BIU)重点是8086 寄存器组寄存器分类:通用寄存器—AX,BX,CX,DX,BP,SI,DI(基址寄存器?变址寄存器?)专用寄存器—IP,SP,FLAGS各寄存器的含义及作用FLAGS寄存器常用的标志位SF、OF、CF的含义。
段寄存器—CS,DS,ES,SS可作为16位又可作为8位的寄存器4、存储器存储器的编址方式,存储单元的地址,数在存储器中的存储格式。
8086CPU的地址线有多少?能寻址的存储器空间?5、存储器分段和物理地址的形成:(1)在8086/8088 系统中,存储器是分段组织的,存储器物理地址计算公式。
PA=段地址*10H+偏移地址(2) 段内偏移地址是几位二进制数,每段最长为多少字节。
(3)用DEBUG上机调试程序时,存储器地址表示为2F00:1400,指出该存储单元段地址,偏移地址和物理地址。
(4)程序分段与四个段寄存器关系。
(5)在程序执行过程中,代码段的段地址存放在哪里?偏移地址存放在哪里堆栈段的段地址存放在那里,栈顶数据的偏移地址存放在那里。
(6)写出指令存放单元物理地址的计算公式,栈顶数据物理地址的计算公式。
(7)写出可用于寻址的通用寄存器名。
6、8086CPU的总线周期T1T2T3T4TW一个典型的总线周期由4个时钟周期组成。
第三章8086的指令系统一.寻址方式与物理地址计算1.寻址方式1)立即寻址2)寄存器寻址3)存储器寻址EA=基址+变址+位移量判断指令语句的正确性A. PUSH DSB. SUB AX,[SI+DI]C. XOR AX,V AS[BX]D. MOV DH,100E. OR AX,[CL]F. MUL V AS ;V AS是变量G.INC CXH. MOV DX, [BX+BP]I. SBB CX,V AS[BP+DI]J. POP ESK. IN AL, 100HL. ADD [SI],[DI]2.已知(DS)= 15F0H (ES)= 25F0H (SS)= 35F0H(BX)= 0670H (SI)=1001H(DI)= 0B0H (BP)=0150HBUF 的偏移地址是0900H,计算下列指令源操作数的物理地址,指出寻址方式A.MOV AX,BUF[BP+6]B.CMP AX,ES:[SI]C.MOV CX,BUFD.MOV AX,ES:[BX+SI]E.AND DX,AXF.MOV AL,100G.DEC BUF[DI]H.MOV AX,BUF[BX+DI]二.指令系统1. 传送指令组:MOV ,PUSH,POP,LEA,IN,OUT一般指令不能直接对CS进行操作* 入栈指令PUSH :每PUSH 一次,SP 减2* 出栈指令POP:每POP 一次,SP 加2PUSH ,POP 指令操作对象是字。
第一章1、微型计算机主要由 CPU、存储器、输入/输出接口和系统总线四部分组成。
2、8086 CPU的总线结构由数据总线(DB)、地址总线(AB)和控制总线(CB)三种总线形成,其中地址总线是单向总线,数据总线是双向总线。
3、微处理器一般也称为CPU,它本身具有控制和运算功能。
4、简述微处理器、微计算机及微计算机系统三个术语的内涵。
答:微处理器即CPU是微型计算机的核心。
微计算机由CPU、存储器、输入/输出接口和系统总线构成,这就是通常所说的主机。
微计算机系统以微型计算机为主体,配上系统软件、应用软件和外设置后,就成了微计算机系统。
1、8086是16位的微处理器,有16 根数据线和20 根地址线,可寻址的地址空间1MB 。
2、为了提高程序的执行速度,充分使用总线,8086 CPU内部被设计成总线结构和执行部件两个独立的功能部件。
3、8086CPU的标志寄存器共有16 位,其中7位未用。
根据功能,8086的标志可分为状态标志和控制标志两类。
4、8086CPU被复位后,以下各寄存器的内容是:Flag:0000 H;IP:0000 H;CS:FFFF H 。
5、8086可以处理256 种类型的中断,这256种中断可分为两大类:硬件中断(外部中断)和软件中断(内部中断)。
6、简述8086CPU的编程结构及各部分的功能。
答:所谓编程结构,就是指程序员和使用者的角度看到的结构,当然,这种结构与CPU 内部的物理结构和实际布局是有区别的。
从功能上,8086分为两部分,即总线接口部件和执行部件。
总线接口部件的功能是负责与存储器,I/O端口传送数据;执行部件的功能就是负责指令的执行7、什么是8086的最大模式和最小模式,电路连接如何区分?(1)所谓最小模式,就是在系统中只有8086一个微处理器。
所谓最大模式就是在系统中,总是包含有两个或多个微处理器,其中一个主处理器就是8086,其他的处理器称为协处理器。
(2)1 MN/MX端接+5V,决定8086工作在最小模式,MN/MX接地,决定8086工作在最大模式。
微机原理与接口技术复习考试大纲微机原理与接口技术复习考试大纲第一章计算机基础知识1.1 概述1.2 微型计算机的系统组成1.3计算机中的数及其运算1.4 模型机重点难点1、解计算机的发展历史2、掌握数的概念及数制转换3、掌握微处理器、微机、微机系统的概念4、了解模型机的工作原理5、掌握补码的运算、溢出的判别方法第二章 80X86微处理器2.1 概述2.2 8086的分时复用技术2.3 8086的引脚功能2.4 8086的工作时序2.5 INTEL 80X86微处理器重点难点1、掌握8086CPU的编程结构,总线接口部件(BIU)和执行单元部件(EU)2、掌握8086CPU主要的引脚功能及相关概念3、了解8086CPU工作的时序掌握8086与8088的区别4、掌握PSW、BP、SP等寄存器的使用及特点5、了解80X86微处理器第三章 8086/8088指令系统3.1概述3.2 8086的寻址方式3.28086的指令系统重点难点1、了解指令的概念2、掌握寻址方式3、了解指令对标志位的影响4、掌握算术运算逻辑运算指令对标志位的影响5、掌握主要常用指令功能第四章汇编语言程序设计4.1 汇编语言源程序4.2 伪指令4.3 DOS功能调用4.4 汇编语言程序设计基础4.5 常见程序设计举例重点难点1、掌握常用伪指令2、了解DOS、BIOS功能调用3、了解顺序程序、分支程序、循环程序、子程序的结构4、掌握常用简单程序的编写第五章存储器系统5.1 概述5.2 随机存取存储器5.3 只读存储器5.4 译码电路5.5 存储器扩展技术5.6 8086系统存储器的连接5.7 8086的16位存储器的接口5.8 高速缓存(cache)重点难点1、了解存储器分类:RAM、ROM、高速缓存等特点2、了解存储器芯片结构特点3、掌握存储器地址译码4、了解微机系统存储器结构5、掌握CPU与存储器连接6、了解存储器新技术第六章输入/输出方式和DMA6.1 I/O接口概述6.2 无条件传送方式6.3 查询传送方式6.4 中断传送方式6.5 DMA的传送方式6.6 可编程DMA控制器8237A重点难点1、掌握I/O接口的基本概念2、掌握I/O接口的地址译码3、掌握几种传送方式的特点4、了解DMA控制器的工作原理第七章中断技术7.1 中断的基本概念7.2 8086/8088的中断系统7.3 8259A可编程控制器7.4 8259的应用重点难点1、掌握中断的基本概念2、掌握8086中断系统3、掌握INTR、NMI、INTn中断的特点及响应过程4、了解8259A的工作过程5、掌握8259A初始化编程6、了解8259A的应用第八章可编程接口芯片及其应用8.1 8253可编程定时/计数器8.2 8253的引脚及结构8.3 8253可编程计数/定时器的应用8.4 8255A可编程并行接口芯片8.5 可编程接口芯片8255的应用8.6 可编程串行通信接口8.7 串行通信方式8.8 可编程串行通信接口芯片8251A8.9 A/D、D/A接口芯片及应用重点难点1、重点掌握8253、8255接口芯片的应用(初始化、硬件连接、编写应用程序)2、了解 8251A串行接口芯片的工作原理、工作方式、特点。
第1章绪论1.二进制、十进制、八进制、十六进制整数小数之间的转换;2.十进制数的8421BCD码表示以及数字和字母的ASCII码;3.带符号数的原码、反码和补码表示以及给定位数补码表示范围;4.冯.依曼结构计算机的组成以及工作原理;5.微型计算机的组成;6.微处理器、微型计算机和微型计算机系统三者之间联系和区别。
第2章8086CPU1.8086、8088CPU数据线、地址线数目以及内存和I/O端口寻找空间的大小;2.8086CPU由哪两部分组成;3.8086CPU内部有哪些寄存器以及各自作用;4.8086CPU标志寄存器有哪些标志位以及各自的含义;5.8086CPU引脚(p28-31中的1、2、3、4、5、、8、、18)作用;6.8086系统中存储器分段原因,逻辑地址和物理地址的转换,默认段地址和偏移地址寄存器规定,堆栈的设置和操作;7.8086CPU有哪两种工作模式及它们的工作特点;第3章8086的寻址方式和指令系统1.什么是寻址方式?8086有哪些寻址方式?2.数据传送类指令MOV、PUSH、POP、XCHG、IN、OUT、LEA,算术运算类指令ADD、ADC、INC、SUB、DEC、CMP,逻辑运算指令和移位指令,控制转移指令等指令的含义及使用。
8086开关中断指令3.段超越前缀第4章汇编语言程序设计1.指令语句和伪指令语句的组成以及它们的区别;2.各种运算符的作用;(逻辑运算符、算术运算符、SEG、OFFSET、DUP、PTR、$)3.段定义语句SEGMENT、ENDS,段分配语句ASSUME,过程定义语句PROC、ENDP变量定义语句,等值伪指令EQU的使用,其他常用伪指令如DB,DW;4.完整汇编语言程序的框架以及返回操作系统的方法;5.汇编语言上机的过程,各个阶段生成文件后缀名(图4.1)6.DOS功能调用的方法和1、2、9号功能的使用;7.统计数列中正数、负数以及0的个数,找出数列中的最大值、最小值以及求和和平均值,大小写字母的转换,利用查表指令进行数据的变换。
《微机原理与接口技术》总复习资料第1章概论1、知识点:微机基本工作原理、微处理器系统、微处理器的产生和发展、微计算机的分类、微计算机系统的组成(P8 图1-18)、三总线、数的表示法(原码、反码、补码)、ASII码、BCD码(压缩与非压缩)、堆栈、接口。
2、本章重点:数的机内表示、进制位转换、ASCII码、BCD码。
第2章1.知识点:微处理器的主要性能指标、CPU、存储器、内存、外存、字节、字、双字、Cache、地址、总线周期、时钟周期、存储器分段、逻辑地址、物理地址、CPU的构成(EU与BIU)、CPU内部结构图(P29 图2-4)、8086/8088的14个寄存器、FLAG、8086/8088引脚图(P23 图2-8)、I/O端口组织(P30)2.本章重点:FLAG、8086寄存器组、I/O端口、逻辑地址与物理地址。
第3章8086指令系统(本章为重点)指令格式、指令系统(必须弄清功能与格式、会设计用DEBUG检验指令功能的上机例)1.寻址方式:立即寻址、寄存器寻址、存储器寻址(带[ ]的操作数,直接寻址、寄存器间接寻址、寄存器相对寻址、基址变址寻址)、端口寻址(直接与间接)。
2.数据传送指令:MOV、PUSH、POP、XCHG、XLAT、LEA、LDS、LES、LAHF、SAHF、PUSHF、POPF。
3.算术运算指令:ADD、ADC、INC、SUB、SBB、DEC、MUL、IMUL、DIV、IDIV、CBW、CWD、AAA、DAA、AAS、DAS、AAD、AAM。
必须弄清这些指令的格式和功能。
4、逻辑运算及转移类指令:AND、OR、NOT、XOR、TEST、SHL、SHR、SAL、ROL、ROR、RCL、RCR。
转移类指令格式:JXXX 目标处(注意单词的含义:Above Below Zero Equal Great Less Not),例:JLNE AA1 该指令的含义表示:不小于或等于转AA1(或者:大于转AA1)。
微机原理与接口复习提纲一、单项选择题1.CPU与外设间数据传送的控制方式有( D)A.中断方式B.DMA方式C.程序控制方式D.以上三种都是2.8086 CPU内标志寄存器中的控制标志位占(C )A.9位B.6位C.3位D.16位3.CPU与I∕O设备间传送的信号有(D )A.数据信息B.控制信息C.状态信息D.以上三种都是4.8255A这既可作数据输入、出端口,又可提供控制信息、状态信息的端口是( D)A.B口B.A口C.A、B、C三端口均可以D.C口5.设串行异步通信的数据格式是:1个起始位,7个数据位,1个校验位,1个停止位,若传输率为1200,则每秒钟传输的最大字符数为(C )A.10个B.110个C.120个D.240个6.在数据传输率相同的情况下,同步字符传输的速度要高于异步字符传输,其原因是( D)A.字符间无间隔B.双方通信同步C.发生错误的概率少D.附加的辅助信息总量少7.采用高速缓存Cache的目的是(B )A.提高总线速度B.提高主存速度C.使CPU全速运行D.扩大寻址空间8.在中断方式下,外设数据输入到内存的路径是(D )A.外设→数据总线→内存B.外设→数据总线→CPU→内存C.外设→CPU→DMAC →内存D.外设→I∕O接口→CPU→内存9.CPU响应中断请求和响应DMA请求的本质区别是(B )A.中断响应靠软件实现B.响应中断时CPU仍然仍控制总线,而响应DMA请求时,CPU要让出总线C.速度慢D.控制简单10.堆栈的工作方式是(D )A.先进先出B.随机读写C.只能读出,不能写入D.后进先出11.指令MOV AX,[3070H]中源操作数的寻址方式为( D)A.寄存器寻址B.直接地寻址C.立即寻址D.间接寻址12.Reset信号到来后,8086 CPU的启动址为(C )A.00000HB.FFFFFHC.FFFF0HD.0FFFFH13.用3片8259A级联,最多可管理的中断是数( B)A.24级B.22级C.23级D.21级14.在8086 CPU内部,总线接口单元和执行单元两者的工作方式为(B)。
微机原理及接口技术基础知识复习大纲第一章: 计算机基础知识1.数值数据的原码、反码、补码表示方法2.BCD码及其调整方法3.算术运算和逻辑运算4.微型计算机的硬件系统的基本组成结构5.微型计算机的主要性能指标有哪些?6.典型的微型计算机有哪几种总线?它们分别传送什么信息?7.计算机硬件系统的基本结构有哪些部分?请画出对应的结构框图。
8.在典型的8位微处理器中,程序计数器(PC)的作用是什么?第二章:8086/8088系统结构1.8086CPU由哪两大部分组成?其各自的功能是什么?2.什么是EU?什么是BIU?EU和BIU可以并行工作吗?3.EU主要完成哪两种类型的工作?4.指令队列的功能是什么?5.什么是数据总线?数据总线的功能是什么?6.什么是地址总线?地址总线的功能是什么?7.什么是控制总线?请列举几个常用的控制信号线。
8.8088CPU和8086CPU在总线结构上有何区别?9.SP为堆栈指针寄存器,它的作用是什么?SP与哪个寄存器一起,可构成当前堆栈栈顶的逻辑地址?10.BP与SP在使用上有何区别?11.8086CPU有哪些段寄存器?这些段寄存器的用途是什么?12.在8086CPU中,IP为什么寄存器?它的功能是什么?13.什么是逻辑地址?什么是物理地址?指令的逻辑地址由哪两个寄存器共同表示?14.已知逻辑地址2000H:1000H,试计算其对应的物理地址?15.8086CPU中有一个标志寄存器,该寄存器中的CF、ZF、OF、SF、IF、DF等标志位分别表示什么含义?16.8086CPU外中总线有多少条地址线?它可直接寻址的存储空间是地址范围(用16进制表示)是多少?17.8086CPU的外部数据总线为多少位?18.总线周期至少包括几个时钟周期,如果是读周期,数据在什么时候出现在数据总线上?写周期呢?19.最大模式和最小模式有什么区别?20.数据在内存中存储时,规则字(即起始地址为偶地址的字)是如何存放的?非规则字又是如何存放的?21.8086CPU在访问规则字时,需要几个总线周期?访问非规则字时,需要几个总线周期?22.8088CPU的外部总线是多少位?它访问规则字与非规则字时所用的总线周期是否相同?教材P35(习题二)中第8题---第12题的内容第三章:8086/8088指令系统1.8086CPU指令系统有哪些类型的寻址方式?各类寻址方式有什么特点?能正确区分指令的寻址方式。
微机原理与接口技术复习提纲(简)复习要点第一章微型计算机基础1。
1 计算机中的编码与数的表示1.2微型计算机系统1。
3微型计算机的发展重点难点1、掌握计算机中编码和数的概念及数制之间的转换2、了解微型计算机系统的基本构成4、掌握微型计算机系统的性能指标5、了解微型计算机的发展第二章微处理器的结构2.1 8086微处理器2.2 80486微处理器2.3 Pentium处理器2.4 双核处理器重点难点1、掌握8086/80486的内部结构及寄存器组、工作模式2、掌握8086/80486的引脚功能3、了解8086/80486的工作时序4、了解Pentium处理器的性能特点和内部结构5、了解双核处理器第三章指令系统3。
1 指令的格式3。
2 寻址方式3。
3 指令系统重点难点1、了解指令的概念2、掌握寻址方式3、了解指令对标志位的影响4、掌握算术运算逻辑运算指令对标志位的影响5、掌握主要常用指令功能第四章汇编语言及其程序设计4.1 程序设计语言概述4。
2汇编语言的语句格式4。
3 汇编语言中的符号、数据和表达式4。
4 宏指令4.5 DOS功能调用与BIOS功能调用重点难点1、掌握常用伪指令2、了解DOS、BIOS功能调用3、了解顺序程序、分支程序、循环程序、子程序的结构第五章存储器5。
1存储器的分类及性能指标5.2ROM存储器5.3RAM存储器5.4 存储器扩展技术5.6虚拟存储器及其管理技术重点难点1、掌握存储器的分类和性能指标2、了解RAM和ROM存储器技术3、掌握存储器的扩展技术4、高速缓存技术、虚拟存储器及其管理技术第六章中断技术6.1中断概述6.280X86中断系统6.3 中断控制器8259A及其应用重点难点1、了解中断的概念、分类和系统功能2、掌握中断的处理过程3、结合80x86的中断结构学会使用中断与在实模式下的调用4、会使用中断控制器8259A第九章微机总线9。
1总线概述9。
2ISA总线9。
3PCI总线9.4通用串行总线USB9。
2010/2011上学期《微机原理与接口技术》复习提纲第1章微型计算机运算基础(填空、选择)1.各个进制之间的转换。
例如(123)10=()2=()8(37A.B)16=()1020.8125=()2=()162.原码、补码及反码假设[X]补=00A7H,则X=()HY=-50,则Y的16比特补码=()2已知[Z]补=A53BH,则[Z]原=()H3.已知[X]补=7985H,[Y]补=5035H,则[X+Y]补=()H,是否有进位和溢出?4.16位有符号数A09BH与90A1H谁大谁小?如果两数相减CF及OF值为多少?5.16位无符号数A09BH与70A1H谁大谁小?如果两数相减CF及OF值为多少?第2章80X86微型计算机系统(填空、选择、简答)1.计算机系统的硬件组成:5个部分。
2.根据总线的用途,分为哪三种。
3.80486的寄存器分为哪4类。
其中基本结构寄存器的通用寄存器有哪些?段寄存器有哪些?4.在实模式下,80x86存储系统可以寻址物理存储空间1MB,且段地址16位,段内偏移地址(有效地址)16位。
20位的内存物理地址=段地址*16+偏移地址。
多个逻辑地址可以对应同一个物理地址。
逻辑地址由段地址和物理地址组成。
例如1234H:0005H,1200H:345H,1234H:0005H都表示同一个物理地址12345H。
代码段、数据段等的地址空间可以相同,也可以重叠。
5.在保护模式下,80486存储系统可以寻址物理存储空间4GB,80286存储系统可寻址16MB。
在保护模式下80486可以访问214个段,每个段长度达4GB,故总虚拟地址空间246B。
在保护模式下80286可以访问214个段,每个段长度达64KB,故总虚拟地址空间230B。
6.80X86的I/O地址空间与存储空间独立编址。
I/O空间可以达216B。
7.80486的数据总线32根,中断请求线2根即INTR和NMI。
第3章80X86指令系统(填空、选择、简答)1.CPU能够直接识别和执行的二进制编码的命令称作指令。
第一章微型计算机基础概论本章内容都需要学习1.1.1冯.诺依曼计算机的核心——存储程序的工作原理1.1.2计算机工作过程,就是执行程序的工作,取指令和执行指令的两个过程1.1.3微机系统组成,包括硬件和软件两个方面,其中硬件包括哪些(需要掌握)1.2.1二进制、十进制、十六进制的转换(考查)1.2.3计算机的二进制表示(浮点数不要求)1.2.4 BCD码和字符和数字的ASCII码(了解)1.3.二进制的算术运算(加减乘除)和逻辑运算(与门、或门、非门,74lS138译码器)(考查)1.4.1补码:正数的原码、反码、补码都是一致的,符号位为0;负数的原码,反码(符号位不变,其余为在原码基础上取反),补码(在反码的基础上加1);补码换成真值,X=[[X]补]补1..4.2补码运算,[X+Y]补=[X]补+[Y]补[X-Y]补=[X]补+[-Y]补1.4.4 有符号数的表示范围与溢出(不考查)课外试题1.一个完整的计算机系统包括系统硬件和系统软件2.微处理器、微机、和微机系统之间的不同答:微处理器是构成微机的核心部件,通常由运算器和控制器的一块集成电路,具有执行指令和与外界交换数据的能力,也被称为CPU微机包括CPU、内存、存储器I/O接口电路等组合成的一个计算机物体微机系统包括硬件和软件能完成一定工作的一个系统课本试题1.数制转换,以下无符号数的转换(1)10100110B=(166)D=(A6)H(2)0.11B=(0.75)D(3)253.25=(11111101.01)B=(FD.4)H(4)1011011.101B=(5B.A)H=(10010001.00110 0010 0101)BCD2.原码和补码(1)X=-1110011B 原码11110011;补码10001101(2)X=-71D 原码11000111 ;补码10111001(3)X=+1001001B 原码01001001;补码010010013.符号数的反码和补码【10110101B】反=11001010B,补码11001011B4.补码运算【X+Y】补;【X-Y】补(1)X=-1110111B Y=+1011010B 【X】补=10001001;【Y】补=01011010B 【X+Y】补=【X】补+【Y】补=111000111B(2)X=56 Y=-21 【X】补=00111000B;【Y】补=11101011B【X+Y】补=【X】补+【Y】补=00100011B(3)X=-1101001B ,Y=-1010110B【X+Y】补=【X】补+【-Y】补=10010111B+01010110=11101101B5.译码器此题答案为Y1,跟课本有不同第二章微处理器与总线2.1 微处理器包括运算器、控制器、寄存器2.1.1 运算器由算术逻辑单元、通用或专用寄存器、内部总线2.1.2 控制器程序计数器、指令寄存器、指令译码器、时序控制部件、微操作控制部件2.2 8088/8086微处理器2.2.1 指令流水线,内存分段管理(了解)2.2.2 8088CPU的外部引脚及其功能(要了解最小模式下的方式,最大模式不作要求)2.2.3 8088CPU 的功能结构包含执行单元EU和总线接口单元BIU2.2.4 内部寄存器(需掌握)2.2.5 存储器的物理地址和逻辑地址、段寄存器2.3 8036微处理器(不考查)2.4 奔腾处理器(不考查)课本习题2.1 微处理器主要组成部分微处理器包括运算器、控制器、内部寄存器2.2 8088CPU中EU和BIU的主要功能,在执行指令时,BIU能直接访问存储器吗?可以,EU和BIU可以并行工作,EU需要的指令可以从指令队列中获得,这是BIU预先从存储器中取出并放入指令队列的。
《微机原理与接口》复习提纲第一章概述1.微机的硬件组成有哪些?2.什么是总线?有哪些总线?3.微机的工作过程4.地址总线条数决定了CPU的什么能力?第二章微处理器1.8086CPU可分为哪两部分?各有什么功能?2.8086CPU内部寄存器有哪些?3.状态标志寄存器各位的功能4.段地址、偏移地址、物理地址、逻辑地址的概念和计算方法5.计算机使用总线分时复用技术,主要优/缺点是什么?8086CPU具有分时复用性能的引脚有哪些?分别是哪些信号的复用?6.解决数据/地址复用的办法是什么?7.名词解释:指令周期、总线周期、时钟周期、等待周期、空闲周期8.说明在最小模式下,总线读周期的T1状态完成的操作及相关信号作用?9.在8086CPU中,当RESET信号来到后,CPU的状态有哪些?第三章8086的指令系统课后练习:P102~106 1,2,5,10,12(1)(3),14,15,19,24第四章汇编语言程序设计课后练习:P186 25;P187 30,32;P188 46第五章存储器及其接口1.半导体存储器的分类2.存储芯片与CPU的连接及地址范围计算第六章IO接口和数据传输1.什么是接口电路?它的作用是什么?2.CPU和输入/输出设备之间传送的信息有哪几类?3.什么叫端口? 通常有哪几类端口? 计算机对I/O端口编址时通常采用哪两种方法? 在8086/8088系统中,用哪种方法对I/O端口进行编址?4.利用无条件传输方式设计跑马灯程序第七章微型计算机的中断系统1.中断过程2.8086的中断源分类3.中断向量、中断向量表和中断类型号的概念及相互关系4.编写中断向量表程序5.8259A初始化命令字和操作命令字的设置方法(课件例7-1,7-2)第八章并行通信和串行通信1.8255方式0的简单应用(如实验5)第九章可编程定时/计数器82531.8253的简单应用(如实验6)第十章DA和AD转换技术1.DAC0832的工作方式和输出方式,及简单应用(如实验7)2.ADC0809的工作时序,及程序实现。
微机原理与接口技术复习提纲-标准化文件发布号:(9456-EUATWK-MWUB-WUNN-INNUL-DDQTY-KII1、简述中断源的分类和它们之间的优先顺序如何并分别简述CPU响应各类中断源的条件答:按中断源与CPU的位置关系,可分为外部中断和内部中断两大类:外部中断是指有外部设备通过硬件触发请求的方式产生的中断,又称为硬件中断,外部中断有分为非屏蔽中断和可屏蔽中断内部中断是由CPU运行程序错误或执行内部程序调用引起的一种中断,亦称软件中断。
它们之间的优先顺序是内部中断、非屏蔽中断、可屏蔽中断和单步(跟踪)中断。
CPU响应内部中断、非屏蔽中断、可屏蔽中断和单步(跟踪)中断等四类中断的相同条件是:(1)必须要有中断请求,(2)CPU当前正在执行的指令必须结束,而对于可屏蔽中断,还必须满足IF=1,即CPU处于开中断状态的条件。
2、简述动态存储器(DRAM)的特点?答; (1) CPU对RAM中的每一单元能读出又能写入。
(2) 读/写过程先寻找存储单元的地址再读/写内容。
(3) 读/写时间与存储单元的物理地址无关。
(4) 失电后信息丢失。
现已开发出带电池芯片的RAM,称为非易失性RAM(NVRAM),做到失电后信息不丢失。
(5) 作Cache和主存用3、8086 CPU中地址加法器的重要性体现在哪里?答:地址加法器是8086 CPU的总线接口单元中的一个器件,在8086存储器分段组织方式中它是实现存储器寻址的一个关键器件,地址加法器将两个16位寄存器中的逻辑地址移位相加,得到一个20位的实际地址,把存储器寻址空间从64K扩大到1M,极大地扩大了微型计算机的程序存储空间,从而大大提高了程序运行效率。
4、8086 CPU中有哪些寄存器分组说明用途。
哪些寄存器用来指示存储器单元的偏移地址答:8086 CPU中有8个通用寄存器AX、BX、CX、DX、SP、BP、SI、DI;两个控制寄存器IP、FL;四个段寄存器CS、DS、SS、ES。
复习纲要1.cpu的性能指标,字长:指CPU的数据总线一次能够同时处理数据的位数。
可寻址的内存容量:内存容量是以字节(Byte)为单位计算。
指令系统:微处理器都有各自的指令系统,指令的条数愈多,其功能就愈强。
运算速度:是微机性能的综合表现,是指微处理器执行指令的速率。
iCOMP是衡量Intel系列微处理器性能的综合指数。
2.总线的性能指标及三者间的关系总线的带宽:总线的带宽是指单位时间内总线上可传输的数据量,以MB/s为单位。
总线的位宽:总线的位宽是指总线能够同时传输的数据位数。
总线的工作频率:总线的工作频率也称总线的时钟频率,以MHz为单位。
总线的带宽=(总线的位宽/8)X 总线的工作频率(MB/s)。
3.微机系统的硬件组成采用冯诺依曼体系结构,运算器、控制器、存储器、输入设备、输出设备五部分组成。
运算器和控制器合称为中央处理器CPU 。
CPU和内存储器合称为主机。
4. 8086/8088微处理器的内部结构从功能上可以划分为哪两个部分?总线接口部件BIU和执行部件EU。
BIU和EU的操作是并行的。
总线接口部件BIU主要用来存储器中的取指令并送往指令队列,指令执行是从指定的存储器单元或I/O端口中取操作数,并将数据传送给执行部件,或者把执行部件的操作结果传送到指定的存储单元或I/O端口中。
执行部件EU从总线接口部件的指令队列中取得指令,并在ALU上执行指令,然后,将处理的结果送回总线接口部件,由总线接口部件进行存储处理。
5.指令地址的构成操作数地址和地址码组成6.微机的CPU、存储器和I/O接口通过哪三大总线互连在一起?各自的功能是什么?地址总线、数据总线、控制总线地址总线(AB):一般是单向总线,传送CPU发出的地址信息。
数据总线(DB):双向总线,传送数据信息到外设和主存,也可以从主存和外设向CPU传送数据。
控制总线(CB):中每根线上的方向是一定的,它们分别传送控制信息、时序信息和状态信息。
★《微机原理与接⼝技术》复习提纲《微机原理与接⼝技术》复习提纲(含答案)2014 -- 2015 学年第⼀学期考试科⽬:微机原理与接⼝技术(以下提纲中各提纲的问题答案⽤红⾊字体标明)(以下提纲中各提纲的问题答案⽤红⾊字体标明)1、计算机中通常采⽤补码表⽰符号数。
2.采⽤补码表⽰的8位⼆进制数真值范围是-128 ~ +127。
3. 8086(8088)CPU从功能上分成总线接⼝部件和执⾏部件,他们采⽤并⾏⽅式⼯作。
4、10000110B =(134 )D=(86 )H=(0001 0011 0100)⾮压缩BCD5、8086系统的外部中断请求分:(⾮屏蔽中断请求)和(可屏蔽中断请求)。
6.微机中构成主存储器的器件是RAM + ROM。
7.在汇编语⾔程序上机过程中,⽤编辑EDIT程序建⽴汇编语⾔源程序⽂件,⽤汇编MASM 程序将它转换成机器码表⽰的⽬标程序⽂件,然后再⽤连接LINK程序将⽬标⽂件转化成可执⾏⽂件。
8、汇编语⾔是⼀种⾯向机器的程序设计语⾔9.系统总线根据其传送的内容不同,可分为数据总线、地址总线和控制总线;若按与CPU 的位置⼜可分为内部总线和外部总线。
10、有⼀SRAM芯⽚,地址线为A0~A15,数据线为D0~D7,则该芯⽚的存储容量为(64KB)。
11. INTR引脚上来的中断是可屏蔽中断,NMI引脚引⼊的中断是⾮屏蔽中断。
12、8086指令系统对存储器寻址⽅式有直接、寄存器间接、寄存器相对、基址变址、相对基址变址寻址⽅式。
13、指令指针寄存器IP 中存放的是CPU正在执⾏指令的下⼀条指令的偏移地址。
14、⽐较两数⼤⼩,⼤于转移时对⽆符号数应使使⽤JA指令,⽽对有符号数应使⽤JG指令。
15、USB是通⽤串⾏总线,是⼀种⽀持即插即⽤的新型万能接⼝。
16\、在外设接⼝电路中,经常需要对传输过程中的信息进⾏放⼤、隔离以及锁存,能实现上述功能的接⼝芯⽚最简单的就是缓冲器、数据收发器和锁存器。
1、简述中断源的分类和它们之间的优先顺序如何并分别简述CPU响应各类中断源的条件答:按中断源与CPU的位置关系,可分为外部中断和内部中断两大类:
外部中断是指有外部设备通过硬件触发请求的方式产生的中断,又称为硬件中断,外部中断有分为非屏蔽中断和可屏蔽中断
内部中断是由CPU运行程序错误或执行内部程序调用引起的一种中断,亦称软件中断。
它们之间的优先顺序是内部中断、非屏蔽中断、可屏蔽中断和单步(跟踪)中断。
CPU响应内部中断、非屏蔽中断、可屏蔽中断和单步(跟踪)中断等四类中断的相同条件是:(1)必须要有中断请求,(2)CPU当前正在执行的指令必须结束,而对于可屏蔽中断,还必须满足IF=1,即CPU处于开中断状态的条件。
2、简述动态存储器(DRAM)的特点
答; (1) CPU对RAM中的每一单元能读出又能写入。
】
(2) 读/写过程先寻找存储单元的地址再读/写内容。
(3) 读/写时间与存储单元的物理地址无关。
(4) 失电后信息丢失。
现已开发出带电池芯片的RAM,称为非易失性RAM(NVRAM),做到失电后信息不丢失。
(5) 作Cache和主存用
3、8086 CPU中地址加法器的重要性体现在哪里
答:地址加法器是8086 CPU的总线接口单元中的一个器件,在8086存储器分段组织方式中它是实现存储器寻址的一个关键器件,地址加法器将两个16位寄存器中的逻辑地址移位相加,得到一个20位的实际地址,把存储器寻址空间从64K扩大到1M,极大地扩大了微型计算机的程序存储空间,从而大大提高了程序运行效率。
4、8086 CPU中有哪些寄存器分组说明用途。
哪些寄存器用来指示存储器单元的偏移地址答:8086 CPU中有8个通用寄存器AX、BX、CX、DX、SP、BP、SI、DI;两个控制寄存器IP、FL;四个段寄存器CS、DS、SS、ES。
8个通用寄存器都可以用来暂存参加运算的数据或中间结果,但又有各自的专门用途。
例如,AX专用做累加器,某些指令指定用它存放操作数和运算结果;CX为计数寄存器,在某些指令中做计数器使用;DX为数据寄存器;BX为基址寄存器,BP为基址指针,SI为源变址寄存器,DI为目的变址寄存器,这4个寄存器在数据寻址中用来存放段内偏移地址(有效地址)或段内偏移地址的一部分;SP为堆栈指示器,用来存放栈顶有效地址。
两个控制寄存器用来存放有关的状态信息和控制信息。
例如,标志寄存器FL用来存放状态标志和控制标志;而指令指针用来存放下一条要取指令的有效地址。
四个段寄存器用来存放段地址。
例如,CS寄存器用来存放代码段的段地址;DS寄存器用来存放数据段的段地址;SS寄存器用来存放堆栈段的段地址;ES寄存器用来存放扩展段的段地址。
5、DRAM为什么要刷新,存储系统如何进行刷新
】
DRAM以单个MOS管为基本存储单元,以极间电容充放电表示两种逻辑状态。
由于极间电容的容量很小,充电电荷自然泄漏会很快导致信息丢失,所以要不断对它进行刷新操作、即读取原内容、放大再写入。
存储系统的刷新控制电路提供刷新行地址,将存储DRAM芯片中的某一行选中刷新。
实际上,刷新控制电路是将刷新行地址同时送达存储系统中所有DRAM芯片,所有DRAM芯片都在同时进行一行的刷新操作。
刷新控制电路设置每次行地址增量,并在一定时间间隔内启动一次刷新操作,就能够保证所有DRAM芯片的所有存储单元得到及时刷新。
6、计算机I/O接口有何用途试列出8个I/O接口。
答:计算机I/O接口是连接计算机和外部设备的纽带和桥梁,它主要用于协调和控制计算机与外设之间的信息流通和交换。
例如:串行通讯口(COM口)、并行打印机口、软盘驱动器接口、硬盘驱动器接口、光驱接口、显示器接口、音响设备接口、其它通用设备接口(USB、SCSI等)。
7、简述8086CPU内BIU单元的基本功能
答:总线接口单元BIU的功能是对外电路提供三组总线,实现CPU与存储器、I/O端口之间地址信号、数据信号和控制/状态信号的传送。
BIU 承担的具体任务是:根据CS和IP的值计算下一条将要执行指令的物理地址;经由总线控制电路发出的地址信息选中存储器某一单元或某一I/O端口,以及相应的读/写控制信号;经数据总线完成8/16
8、冯•诺依曼计算机的特点是什么
?
1)计算机由运算器、控制器、存储器、输入设备、输出设备五大部件组成;
2)指令和数据以同同等地位存放于存储器内,并可以按地址访问;
3)指令和数据均用二进制表示;
4)指令由操作码、地址码两大部分组成,操作码用来表示操作的性质,地址码用来表示操作数在存储器中的位置;
5)指令在存储器中顺序存放,通常自动顺序取出执行;
6)机器以运算器为中心(原始冯•诺依曼机)。
9、为什么外围设备要通过接口与CPU相连接口有哪些功能(6分)
答:外围设备要通过接口与CPU相连的原因主要有:
、
(1)一台机器通常配有多台外设,它们各自有其设备号(地址),通过接口可实现对设备的选择。
(2)I/O设备种类繁多,速度不一,与 CPU速度相差可能很大,通过接口可实现数据缓冲,达到速度匹配。
(3)I/O设备可能串行传送数据,而CPU一般并行传送,通过接口可实现数据串并格式转换。
(4)I/O设备的入/出电平可能与CPU的入/出电平不同,通过接口可实现电平转换。
(5)CPU启动I/O设备工作,要向外设发各种控制信号,通过接口可传送控制命令。
(6)I/O设备需将其工作状况(“忙”、“就绪”、“错误”、“中断请求”等)及时报告CPU,通过接口可监视设备的工作状态,并保存状态信息,供CPU查询。
可见归纳起来,接口应具有选址的功能、传送命令的功能、反映设备状态的功能以及传送数据的功能(包括缓冲、数据格式及电平的转换)。
¥
10、RAM有几种,各有什么特点ROM有几种,各有什么特点
答:RAM有两种,SRAM(静态RAM),它采用触发器电路构成一个二进制位信息的存储单元,这种触发器一般由6个晶体管组成,它读出采用单边读出的原理,写入采用双边写入原理;DRAM(动态RAM),它集成度高,内部存储单元按矩阵形式排列成存储体,通常采用行,列地址复合选择寻址法。
ROM有5种,固定掩摸编程ROM,可编程PROM,紫外光擦除可编程EPROM,电可檫除的可编程EPROM,闪速存储器。
11、什么是I/O独立编址和统一编址,各有什么特点
独立编址是将I/O端口单独编排地址,独立于存储器地址。
统一编址是将I/O端口与存储器地址统一编排,共享一个地址空间。
端口独立编址方式,处理器除要具有存储器访问的指令和引脚外,还需要设计I/O访问的I/O指令和I/O引脚,其优点是:不占用存储器空间;I/O指令使程序中I/O操作一目了然;较小的I/O地址空间使地址译码简单。
但I/O指令功能简单,寻址方式没有存储器指令丰富。
统一编址方式,处理器不再区分I/O口访问和存储器访问。
其优点是:处理器不用设计I/O指令和引脚,丰富的存储器访问方法同样能够运用于I/O访问。
缺点是:I/O端口会占用存储器的部分地址空间,通过指令不易辨认I/O操作。
—
12、什么叫中断中断系统的主要功能有哪些
答:中断是指CPU在执行程序的过程中,由于每种外部或内部事件的作用(如外部设备请求与CPU传送数据或CPU执行程序出现了异常),强迫CPU停止当前正在执行的程序,转去为该事件服务,待事件服务结束后,能自动地返回到被中断的程序中继续执行的过程。
中断系统应具备如下功能:
(1)设置中断源。
系统中允许请求中断的事件,并确定它们的中断请求方式。
(2)中断源识别。
当中断源有请求时,CPU能够正确地判别中断源,并能够转去执行相应的中断服务程序。
(3)中断源判优。
当多个中断源同时请求中断时,系统能够自动地进行中断优先权判优,当前优先权最高的中断请求优先得到CPU的响应和处理。
(4)中断与返回。
能自动地处理中断程序与被中断程序之间的跳转及断点保护问题。
/
13、累加器和其它通用寄存器相比有何不同
答:累加器是通用寄存器之一,但累加器和其它通用寄存器相比又有其独特之处。
累加器除了可用做通用寄存器存放数据外,对某些操作,一般操作前累加器用于存放一个操作数,操作后,累加器用于存放结果。
14、8086 CPU中地址加法器的重要性体现在哪里
答:地址加法器是8086 CPU的总线接口单元中的一个器件,在8086存储器分段组织方式中它是实现存储器寻址的一个关键器件,地址加法器将两个16位寄存器中的逻辑地址移位相加,得到一个20位的实际地址,把存储器寻址空间从64K扩大到1M,极大地扩大了微型计算机的程序存储空间,从而大大提高了程序运行效率。
15、计算的基本工作原理
16、接口的主要功能
17、教材P134 2、3、4、7
18、教材P28 图。