充电桩模块电路
- 格式:doc
- 大小:10.34 MB
- 文档页数:41
充电桩的电路拓扑和工作原理
充电桩的电路拓扑和工作原理如下:
1. 输入配电:由保护断路器、防雷单元、输入电能表组成。
保护功能由防雷单元和短路器实现,如果雷电或电网尖峰太高都会通过防雷单元泄放到大地,从而保护设备。
输入电能表主要起到计费作用,用电量多少统计上传到后台。
2. 控制电路:主要起到与系统各硬件的协调配合。
3. 人机界面:主要显示充电数据及操作过程及充电状态。
4. 急停按钮:作用主要是在设备异常及遇到紧急情况下进行切断输入电源的目的,从而达到保护设备的作用。
5. 刷卡器:作用类似与银行卡,进行消费结算及设备的启停。
6. 输出连接器:就是充电枪负责直流能量的传输到充电汽车电瓶上。
7. 充电指示灯:状态共有三种,待机、故障、充电。
分别用绿、红、橙三种LED指示灯表示。
另外,充电桩分为交流与直流充电桩。
直流充电桩的电气部分由主回路和二次回路组成。
主回路的输入是三相交流电,经过输入断路器、交流智能电能表之后由充电模块(整流模块)将三相交流电转换为电池可以接受的直流电,再连接熔断器和充电枪,给电动汽车充电。
二次回路由充电桩控制器、读卡器、显示屏、直流电表等组成。
二次回
路还提供“启停”控制与“急停”操作;信号灯提供“待机”、“充电”与“充满”状态指示;显示屏作为人机交互设备则提供刷卡、充电方式设置与启停控制操作。
请注意,充电桩的电路拓扑和工作原理可能会因制造商和型号而有所不同。
在使用之前,请仔细阅读相关操作手册和安全指南,以确保正确使用和安全操作。
最近这几年充电模块是热门,从最开始的、10kW 到后面的15kW、20kW,功率等级不断的提高。
市场上的充电模块绝大部分都是三相输入,PFC 部分也基本都是采用的三相无中线VIENNA 结构的拓扑。
借这次技术分享的机会,分享一下个人对「三相 VIENNA 拓扑」的理解,希望和大家一起探讨交流。
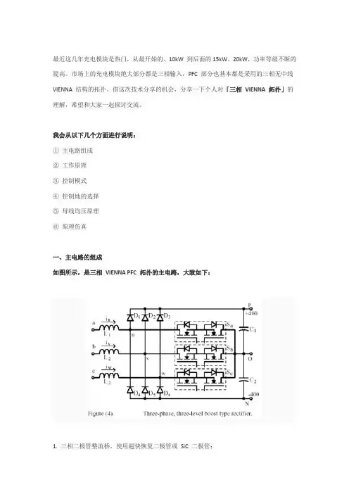
我会从以下几个方面进行说明:①主电路组成②工作原理③控制模式④控制地的选择⑤母线均压原理⑥原理仿真一、主电路的组成如图所示,是三相 VIENNA PFC 拓扑的主电路,大致如下:1. 三相二极管整流桥,使用超快恢复二极管或 SiC 二极管;2. 每相一个双向开关,每个双向开关由两个 MOS 管组成,利用了其固有的反并联体二极管,共用驱动信号,降低了控制和驱动的难度。
相比其他组合方案,具有效率高、器件数量少的优点;3. 电流流过的半导体数量最少,以 a 相为例:▪双向开关 Sa 导通时,电流流过2个半导体器件,euo=0,桥臂中点被嵌位到 PFC 母线电容中点;▪双向开关关断时,电流流过1个二极管,iu>0 时euo=400V, iu<0 时 euo=-400V,桥臂中点被嵌位到 PFC 正母线或负母线。
二、工作原理电路的工作方式靠控制 Sa、Sb、Sc 的通断,来控制 PFC 电感的充放电,由于 PFC 的 PF 值很接近1,在分析其工作原理时可以认为电感电流和输入电压同相,三相点平衡,并且各相差120度;1. 主电路的等效电路①三相三电平 Boost 整流器可以被认为是三个单相倍压 Boost 整流器的 Y 型并联;②三个高频 Boost 电感,采用 CCM 模式,减少开关电流应力和 EMI 噪声;③两个电解电容构成电容中点,提供了三电平运行的条件;这个 eun 的表达式非常重要。
2. 主电路的开关状态三相交流电压波形如下,U、V、W 各相差120度三相交流电压波形通过主电路可以看出,当每相的开关 Sa、Sb、Sc 导通时,U、V、W 连接到电容的中点 O,电感 La、Lb、Lc 通过 Sa、Sb、Sc 充电,每相的开关关断时,U、V、W 连接到电容的正电平(电流为正时)后者负电平(电流为负时),电感通过 D1-D6 放电,以0~30度为例,ia、ic 大于零,ib 小于零。
充电桩整流模块1. 概述充电桩是电力汽车充电的基础设施,而充电桩的整流模块是其中重要的组成部分。
整流模块的作用是将交流电源转换为直流电供给电动车进行充电。
本文将深入探讨充电桩整流模块的原理、特点以及其在充电桩系统中的重要性。
2. 充电桩整流模块原理充电桩整流模块通常采用三相桥式整流电路,其原理如下: 1. 输入电源通过三相桥接的二极管进行整流,将交流电信号转换为直流电信号。
2. 整流后的直流电信号通过滤波电路进行滤波,去除交流成分,得到稳定的直流电信号。
3. 稳定的直流电信号经过控制电路进行调节,以满足充电需求。
3. 充电桩整流模块特点充电桩整流模块具有以下几个特点: 1. 高效性:整流模块采用先进的功率器件,具有较高的转换效率,减少电能损耗,提高能源利用率。
2. 稳定性:整流模块具有良好的输出电压稳定性和负载适应性,能够稳定地为电动车提供恒定的充电电流。
3. 可靠性:整流模块采用可靠的电子元件和故障保护机制,能够确保充电桩系统的安全和可靠运行。
4. 可控性:整流模块具有较高的控制精度和响应速度,可以根据充电需求进行精确的电流控制和调节。
4. 充电桩整流模块在充电桩系统中的重要性充电桩整流模块在充电桩系统中起到关键的作用,其重要性体现在以下几个方面:1. 充电效率:整流模块直接影响充电效率,高效的整流模块能够提高充电效率,缩短充电时间,提高用户体验。
2. 充电稳定性:整流模块的稳定性决定了充电桩的充电稳定性,良好的整流模块可以稳定地为电动车提供充电电流,避免充电中断和故障,保证充电安全。
3. 系统可靠性:整流模块的可靠性对于充电桩系统的可靠性至关重要,可靠的整流模块能够减少故障发生率,提高系统的可用性和可靠性。
4. 充电质量:整流模块的控制精度和响应速度会直接影响充电质量,优秀的整流模块能够实现精确的电流控制和调节,提供高质量的充电服务。
5. 充电桩整流模块发展趋势充电桩整流模块正朝着以下几个方向发展: 1. 高效节能:随着清洁能源的普及和可再生能源的发展,充电桩整流模块将更加注重高效节能的设计,减少电能损耗,提高能源利用率。
直流桩的五大模块工作原理介绍直流充电桩从外到内主要有5大模块分别是:直流桩外壳、直流充电枪、直流桩主控、直流桩充电模块和其他配套元件。
一. 直流桩外壳充电桩外壳,主要作用是固定/保护内部元器件,其中壳体从上到倒下包含:指示灯、显示屏、刷卡器、急停按钮、外壳开关、空气过滤器和风扇。
1. 指示灯:指示整机运行状态,包含总电源、A枪和B 枪,如果总电源不亮说明电源有问题,A枪和B枪那个灯亮说明当前的枪处在那个状态。
2. 显示屏:显示屏可以控制整机运行,显示整机运行状体及参数。
3. 刷卡器:支持物理拉刷卡启动充电桩和对充电费用进行结算。
4. 急停按钮:当有紧急情况的时候可以按下急停按钮关闭充电桩。
5. 壳体开关:充电桩外壳的开关,开启后可进到充电桩内部。
6. 空气过滤器:打开壳体开关可以看到充电桩壳体内部有个空气过滤器,主要作用防尘。
7. 风扇:风扇的主要作用是散热,保护内部元件不会太热,一般在充电桩顶部。
二. 直流充电枪充电枪主要作用连接汽车充电接口给汽车充电,直流桩充电枪按照目前新国标是9个孔。
在充电桩上主要包含三部分:充电枪接线座、充电枪和充电枪枪座。
1. 充电枪接线座:连接充电桩,固定充电枪线体,充电枪从此接到充电桩壳体。
2. 充电枪:连接充电桩和汽车充电口给汽车充电。
3. 充电枪枪座:充电枪在没有充电的情况下的放置处。
三. 直流桩主控直流桩主控是直流充电桩的大脑或者心脏,控制整个充电桩的运营和数据。
3.1 充电桩主板的组成1.微控制器(Microcontroller Unit,简称MCU):是充电桩主板的核心处理器,负责控制整个充电桩系统的运行。
它集成了CPU、存储器(Flash和RAM)、计时器、定时器、ADC/DAC等功能模块,可以实现数据采集、信号处理、通讯控制等功能。
2.电源管理芯片(Power Management Integrated Circuit,简称PMIC):负责对电源进行管理和监测。
充电桩模块工作原理
充电桩模块工作原理:
1、电源模块:
采用开关电源技术,通过AC220V或DC12V直流电输入到交流配电柜内,经整流后得到5~30A的电流输出给控制电路。
当输入电压为交流220V时,则通过变压器升压至AC380V;当输入电压为交流380V时(一般用于大功率电动自行车),则通过变压器降压至AC220V。
2、控制模块:
根据不同的负载类型选择相应的功率器件进行驱动和控制处理。
例如对于小功率的电瓶车来说可以选择MOSFET或者可控硅作为主控器件;对于大功率的电瓶车来说可选择IGBT或场效应管作为主要器件。
3、显示模块:
采用LED数码管作为显示装置,具有高亮度、低能耗等优点;同时可以连接液晶显示屏实现人机交互操作界面等功能。
另外还可以配置远程监控软件对整个系统的工作状态进行实时监控和管理等。
充电桩充电模块常见结构、原理以及市场调研随着电动汽车的快速发展,充电桩作为电动汽车产业的基础设施建设越来越受到中央和地方政府的重视,对充电桩电源模块的要求也越来越高,充电模块属于电源产品中的一大类,好比充电桩的“心脏”,不仅提供能源电力,还可对电路进行控制、转换,保证了供电电路的稳定性,模块的性能不仅直接影响充电桩整体性能,同样也关联着充电安全问题。
同时,充电模块占整个充电桩整机成本的一半以上,也是充电桩的关键技术核心之一。
因此,作为充电桩的设备生产厂家,面对激烈的市场竞争,避免在行业洗牌阶段被无情的淘汰出局的悲剧命运,必须掌握并自主研发生产性价比高的充电模块。
一、充电模块生产厂家各主流充电机模块的型号、技术方案,技术参数和尺寸等相关参数如下表所示:(艾默生),盛弘,麦格米特,核达中远通,新亚东方,金威源,优优绿源,中兴、凌康技术,健网科技,菊水皇家,泰坦、奥特迅,英耐杰,科士达,台湾的飞宏,华盛新能,石家庄的通合电子,杭州的中恒电气,北京的中思新科等厂家在对外销售或自家充电桩使用。
二、充电模块的主流拓扑1、前级PFC的拓扑方式:(1)三相三线制三电平VIENNA:’目前市场上充电模块主流的PFC拓扑方式如上图所示:三相三线制三电平VIENNA,英可瑞,英飞源,艾默生,麦格米特,盛弘,通合等均采用此拓扑结构。
此拓扑方式每相可以等效为一个BOOST电路。
由于VIENNA整流器具有以下诸多优点,使得其十分适合作为充电机的整流装置的拓扑。
1、大规模的充电站的建设需要大量的充电机,成本的控制十分必要,VIENNA整流器减少了功率开关器件个数同时其三电平特性降低了功率开关管最大压降,可以选用数量较少且相对廉价的低电压等级的功率器件,大大降低了成本;2、功率密度即单位体积的功率大小也是充电机的重要指标,VIENNA整流器控制频率高的特点使电感和变压器的体积减小,很大程度上缩小了充电机的体积,提高了功率密度;3、VIENNA整流器的高功率因数和低谐波电流,使充电机不会给电网带来大量的谐波污染,有利于充电站的大规模建设。
最近这几年充电模块是热门,从最开始的、10kW 到后面的15kW、20kW,功率等级不断的提高。
市场上的充电模块绝大部分都是三相输入,PFC 部分也基本都是采用的三相无中线VIENNA 结构的拓扑。
借这次技术分享的机会,分享一下个人对「三相VIENNA 拓扑」的理解,希望和大家一起探讨交流。
我会从以下几个方面进行说明:①主电路组成②工作原理③控制模式④控制地的选择⑤母线均压原理⑥原理仿真一、主电路的组成如图所示,是三相VIENNA PFC 拓扑的主电路,大致如下:1. 三相二极管整流桥,使用超快恢复二极管或SiC 二极管;2. 每相一个双向开关,每个双向开关由两个MOS 管组成,利用了其固有的反并联体二极管,共用驱动信号,降低了控制和驱动的难度。
相比其他组合方案,具有效率高、器件数量少的优点;3. 电流流过的半导体数量最少,以a 相为例:▪双向开关Sa 导通时,电流流过2个半导体器件,euo=0,桥臂中点被嵌位到PFC 母线电容中点;▪双向开关关断时,电流流过1个二极管,iu>0 时euo=400V,iu<0 时euo=-400V,桥臂中点被嵌位到PFC 正母线或负母线。
二、工作原理电路的工作方式靠控制Sa、Sb、Sc 的通断,来控制PFC 电感的充放电,由于PFC 的PF 值很接近1,在分析其工作原理时可以认为电感电流和输入电压同相,三相点平衡,并且各相差120度;1. 主电路的等效电路①三相三电平Boost 整流器可以被认为是三个单相倍压Boost 整流器的Y 型并联;②三个高频Boost 电感,采用CCM 模式,减少开关电流应力和EMI 噪声;③两个电解电容构成电容中点,提供了三电平运行的条件;这个eun 的表达式非常重要。
2. 主电路的开关状态三相交流电压波形如下,U、V、W 各相差120度三相交流电压波形通过主电路可以看出,当每相的开关Sa、Sb、Sc 导通时,U、V、W 连接到电容的中点O,电感La、Lb、Lc 通过Sa、Sb、Sc 充电,每相的开关关断时,U、V、W 连接到电容的正电平(电流为正时)后者负电平(电流为负时),电感通过D1-D6 放电,以0~30度为例,ia、ic 大于零,ib 小于零。
充电桩充电模块常见结构、原理以及市场调研随着电动汽车的快速发展,充电桩作为电动汽车产业的基础设施建设越来越受到中央和地方政府的重视,对充电桩电源模块的要求也越来越高,充电模块属于电源产品中的一大类,好比充电桩的“心脏”,不仅提供能源电力,还可对电路进行控制、转换,保证了供电电路的稳定性,模块的性能不仅直接影响充电桩整体性能,同样也关联着充电安全问题。
同时,充电模块占整个充电桩整机成本的一半以上,也是充电桩的关键技术核心之一。
因此,作为充电桩的设备生产厂家,面对激烈的市场竞争,避免在行业洗牌阶段被无情的淘汰出局的悲剧命运,必须掌握并自主研发生产性价比高的充电模块。
一、充电模块生产厂家各主流充电机模块的型号、技术方案,技术参数和尺寸等相关参数如下表所示:(艾默生),盛弘,麦格米特,核达中远通,新亚东方,金威源,优优绿源,中兴、凌康技术,健网科技,菊水皇家,泰坦、奥特迅,英耐杰,科士达,台湾的飞宏,华盛新能,石家庄的通合电子,杭州的中恒电气,北京的中思新科等厂家在对外销售或自家充电桩使用。
二、充电模块的主流拓扑1、前级PFC的拓扑方式:(1)三相三线制三电平VIENNA:’目前市场上充电模块主流的PFC拓扑方式如上图所示:三相三线制三电平VIENNA,英可瑞,英飞源,艾默生,麦格米特,盛弘,通合等均采用此拓扑结构。
此拓扑方式每相可以等效为一个BOOST电路。
由于VIENNA整流器具有以下诸多优点,使得其十分适合作为充电机的整流装置的拓扑。
1、大规模的充电站的建设需要大量的充电机,成本的控制十分必要,VIENNA整流器减少了功率开关器件个数同时其三电平特性降低了功率开关管最大压降,可以选用数量较少且相对廉价的低电压等级的功率器件,大大降低了成本;2、功率密度即单位体积的功率大小也是充电机的重要指标,VIENNA整流器控制频率高的特点使电感和变压器的体积减小,很大程度上缩小了充电机的体积,提高了功率密度;3、VIENNA整流器的高功率因数和低谐波电流,使充电机不会给电网带来大量的谐波污染,有利于充电站的大规模建设。
电气工程师如何设计充电桩电路充电桩是现代社会中不可或缺的设备之一,电气工程师在设计充电桩电路时需要考虑许多因素,包括充电速度、安全性、效率等。
本文将对电气工程师如何设计充电桩电路进行探讨。
一、充电桩电路的基本原理1. 交流充电桩电路设计交流充电桩电路主要由电源模块、整流模块和充电控制模块组成。
电源模块将市电经过变压器转换为合适的电压,整流模块将交流电转换为直流电,充电控制模块负责控制充电桩的充电过程。
2. 直流充电桩电路设计直流充电桩电路相对复杂一些,主要由直流电源模块、直流变换模块和充电控制模块组成。
直流电源模块将市电转换为直流电,直流变换模块将直流电转换为适合充电设备的电压和电流,充电控制模块则负责控制充电过程。
二、充电桩电路设计的要点1. 安全性安全是设计充电桩电路时最重要的要考虑的因素之一。
工程师需要确保电路设计合理,能够防止电流过大、电压波动等潜在的安全隐患。
此外,还需要考虑如何确保充电桩在不同环境条件下都能正常运行,例如防雷措施、防水设计等。
2. 充电速度电气工程师需要根据实际需求来确定充电桩的充电速度。
充电速度不仅取决于电脑硬件的支持,还与充电桩电路的设计有关。
设计时需考虑充电设备的最大功率输出、输入电源的稳定性以及电流控制等因素。
3. 效率设计高效的充电桩电路对于节约能源和保护环境至关重要。
电气工程师需要选择合适的电源模块、整流模块等电子元件,并优化电路布局,以提高能量转换效率。
三、充电桩电路设计的挑战与解决方案1. 温度问题由于充电桩电路运行时产生的热量较大,温度问题成为设计中的重要考虑因素。
工程师需要设计散热系统,确保充电桩在高温条件下也能正常工作。
2. 电力稳定性问题市电电压波动、电流负载等因素都会影响充电桩电路的稳定性。
为了确保稳定供电,电气工程师需要考虑使用稳压器、滤波器等电子元件,以及合适的电源转换系统。
四、充电桩电路的未来发展方向随着电动车的普及,充电桩电路的设计将越来越受关注。
充电桩充电模块常见结构、原理以及市场调研随着电动汽车的快速发展,充电桩作为电动汽车产业的基础设施建设越来越受到中央和地方政府的重视,对充电桩电源模块的要求也越来越高,充电模块属于电源产品中的一大类,好比充电桩的“心脏”,不仅提供能源电力,还可对电路进行控制、转换,保证了供电电路的稳定性,模块的性能不仅直接影响充电桩整体性能,同样也关联着充电安全问题。
同时,充电模块占整个充电桩整机成本的一半以上,也是充电桩的关键技术核心之一。
因此,作为充电桩的设备生产厂家,面对激烈的市场竞争,避免在行业洗牌阶段被无情的淘汰出局的悲剧命运,必须掌握并自主研发生产性价比高的充电模块。
一、充电模块生产厂家各主流充电机模块的型号、技术方案,技术参数和尺寸等相关参数如下表所示:序号品牌功率(kW)型号前级PFC 方案后级DC-DC 方案规格尺寸mm 体积电压电流宽深高(cm3 )功率密度(W/cm3 )1 15 REG50040V VIENNA 三电平移相全桥150Vdc ~550Vdc 0~35 A 226 395 84 7498.68 2.0002 15 REG75030V VIENNA 三电平移相全桥150Vdc ~750Vdc 0~25 A 215 395 84 7133.7 2.103英飞源3 21 REG50050V VIENNA 三电平移相全桥150Vdc ~500Vdc 0~50 A 226 395 84 7498.68 2.8004 20 REG75030V VIENNA 三电平移相全桥150Vdc ~750Vdc 0~33 A 215 395 84 7133.7 2.8045 15 EVR400-15000 VIENNA 两组二电平LLC 全桥串联200Vdc ~450Vdc 3.4 ~37.4 A 500 410 88 18040 0.8316 15 EVR500-15000 VIENNA 两组二电平LLC 全桥串联200Vdc ~500Vdc 3~33 A 500 410 85 17425 0.8617 15 EVR600-15000 VIENNA 两组二电平LLC 全桥串联100Vdc ~600Vdc 2.5 ~37.5 A 500 410 85 17425 0.8618 15 EVR600-15000B VIENNA 两组二电平LLC 全桥串联200Vdc ~750Vdc 2.5 ~37.5 A 500 410 85 17425 0.8619 15 EVR700-15000 VIENNA 两组二电平LLC 全桥串联200Vdc ~750Vdc 2~22 A 500 410 85 17425 0.86110 15 EVR1000-15000 VIENNA 两组二电平LLC 全桥串联200Vdc ~1000Vdc 1.5 ~16.5 A 500 410 85 17425 0.86111 15 EVR700-15000B VIENNA 两组二电平LLC 全桥串联200Vdc ~750Vdc 2~22 A 447 370 42 6946.38 2.15912 15 EVR600-15000D VIENNA 两组二电平LLC 全桥串联200Vdc ~750Vdc 2.5 ~37.5 A 447 370 42 6946.38 2.15913 15 EVR500-15000B VIENNA 两组二电平LLC 全桥串联200Vdc ~500Vdc 3~33 A 447 370 42 6946.38 2.159英可瑞14 15 EVR400-15000B VIENNA 两组二电平LLC 全桥串联200Vdc ~450Vdc 4~44 A 447 370 42 6946.38 2.15915 15 EVR700-15000C VIENNA 两组二电平LLC 全桥串联200Vdc ~750Vdc 2~22 A 240 370 85 7548 1.98716 15 EVR600-15000C VIENNA 两组二电平LLC 全桥串联200Vdc ~750Vdc 2.5 ~37.5 A 240 370 85 7548 1.98717 15 EVR500-15000C VIENNA 两组二电平LLC 全桥串联200Vdc ~500Vdc 3~33 A 240 370 85 7548 1.98718 15 EVR400-15000C VIENNA 两组二电平LLC 全桥串联200Vdc ~450Vdc 4~44 A 240 370 85 7548 1.98719 20 EVR700-20000C VIENNA 两组二电平LLC 全桥串联200Vdc ~750Vdc 2.7 ~30 A 240 370 85 7548 2.65020 20 EVR500-20000C VIENNA 两组二电平LLC 全桥串联200Vdc ~500Vdc 4~44 A 240 370 85 7548 2.65021 20 EVR700-20000 VIENNA 两组二电平LLC 全桥串联200Vdc ~750Vdc 4~44 A 500 410 85 17425 1.14822 20 EVR500-20000 VIENNA 两组二电平LLC 全桥串联200Vdc ~500Vdc 6~60 A 240 370 85 7548 2.65023 15 R50030G1 交错式PFC 两组二电平三相交错LLC 串联200Vdc ~500Vdc 0~36 A 206 470 83 8036.06 1.867华为24 15 R75020G1 交错式PFC 两组二电平三相交错LLC 串联300Vdc ~750Vdc 0~24 A 206 470 83 8036.06 1.86725 15 ER75020T VIENNA 三电平LLC 半桥200Vdc ~750Vdc 0~22 A 450 460 87 18009 0.833艾默生26 15 ER75020T2 VIENNA 三电平移相全桥50Vdc ~750Vdc 0~25 A 215 395 84 7133.7 2.10327 15 ser750-20 VIENNA 三电平LLC 全桥200Vdc ~750Vdc 0~20 A 220 425 132 12342 1.215盛弘28 15 SR450-30 VIENNA 三电平LLC 全桥200Vdc ~500Vdc 0~33 A 220 425 132 12342 1.21529 麦格米特15 MR750-20 VIENNA (两管并)两组二电平LLC 全桥串联250Vdc ~750Vdc 0.5 ~21 A 217 436 88 8325.86 1.80230 10 TH700Q15ND-A VIENNA 两组二电平三相交错LLC 串联300Vdc ~750Vdc 0~15 A 220 396.5 85 7414.55 1.34931 通合电子10 TH500Q20ND-A VIENNA 两组二电平三相交错LLC 串联200Vdc ~500Vdc 0~20A 220 396.5 85 7414.55 1.34932 20 TH500Q40ND-A VIENNA 两组二电平三相交错LLC 串联200Vdc ~500Vdc 0~40A 220 396.5 85 7414.55 2.697目前市场上出货量前三名为深圳的英可瑞,华为和英飞源。
充电桩cp电路检测方法-概述说明以及解释1.引言1.1 概述概述在新能源汽车时代的到来下,充电桩作为电动车辆的重要充电设备之一,起着至关重要的作用。
然而,由于长期使用和复杂的外界环境因素,充电桩中的充电电路可能会出现故障或损坏的情况。
因此,对充电桩的CP (充电枪)电路进行检测成为必要的步骤,以确保其正常运行和用户的安全。
本文将探讨充电桩CP电路检测的方法。
在这个过程中,我们将研究和分析充电桩CP电路的基本原理、组成以及常见的故障类型。
然后,我们将介绍一种有效的检测方法,用于检查CP电路的各个部分,并确定可能存在的问题。
最后,我们将讨论这种检测方法的优缺点,并对未来的研究方向提出建议。
通过本文,读者将了解到充电桩CP电路检测的重要性以及如何通过有效的方法进行检测。
这将有助于提高充电桩的可靠性和安全性,保障用户的充电需求。
同时,本文还将为相关领域的研究者和工程师提供一种有效的检测方法,为充电桩的维护和故障排除提供指导。
文章结构部分的内容可以如下所示:1.2 文章结构本文主要分为引言、正文和结论三个部分。
引言部分主要包括概述、文章结构和目的三个子节。
在概述中,我们介绍了充电桩cp电路检测方法的背景和重要性,以及该方法在当前社会背景下的应用前景。
文章结构部分描述了本文的整体架构,明确了每个部分的内容和目标,便于读者理解文章的脉络。
目的部分说明了本文的研究目的和意义,以及预期的研究结果。
正文部分是本文的主体部分,包括第一要点、第二要点和第三要点三个子节。
在每个子节中,我们将详细介绍充电桩cp电路检测方法的相关理论、方法和实验结果。
第一要点将讨论充电桩cp电路检测方法的基本原理和设计思路。
第二要点将介绍该方法的具体实施步骤和关键技术,包括电路硬件设计和检测算法开发等方面。
第三要点将分析该方法的可行性和有效性,并对其在实际应用中的限制和改进方向进行探讨。
结论部分是对前文的总结和归纳,包括总结第一要点、总结第二要点和总结第三要点三个子节。
充电桩的电路拓扑和工作原理I. 引言随着电动车的普及和市场需求的增长,充电桩成为了一个重要的充电设施。
充电桩的电路拓扑和工作原理对于其稳定、高效地向电动车充电至关重要。
本文将探讨充电桩电路拓扑和工作原理的相关内容。
II. 充电桩的电路拓扑充电桩的电路拓扑一般可分为三种:线性电源充电桩、开关电源充电桩和变流器充电桩。
1. 线性电源充电桩线性电源充电桩采用线性稳压器作为其电源供应,其电路结构相对简单。
该类型充电桩使用稳压二极管和稳压三极管来控制输出电压,通过调节变阻器来实现对电流的控制。
然而,线性电源充电桩效率相对较低,且部分输入电能会被转化为热能的形式消耗。
2. 开关电源充电桩开关电源充电桩采用开关电源作为其电源供应,具有高转换效率和稳定的输出特性。
开关电源充电桩使用开关管和控制器来实现电流和电压的调节。
通过开关管的开关作用,能够将输入电压转换为高频脉冲信号,再经过滤波电路得到稳定的直流输出。
3. 变流器充电桩变流器充电桩采用变流器作为其电源供应,可以实现交流电至直流电的转换。
变流器充电桩一般采用全桥变流器或半桥变流器作为关键的变流器拓扑结构,通过控制变流器开关实现对输出电流和电压的调节。
这种拓扑结构具有高效率、高稳定性和较好的电流质量。
III. 充电桩的工作原理充电桩的工作原理主要包括充电连接管理、充电控制和充电保护三个方面。
1. 充电连接管理充电连接管理是指充电桩与电动车之间的连接和识别过程。
充电桩通常使用插头和插座来实现与电动车的物理连接。
充电桩中的识别设备能够与电动车进行通信,确认充电接口类型和充电参数,保证正确的充电连接。
2. 充电控制充电控制是指通过电子控制器对充电过程进行管理和控制。
充电控制器一般包括充电模块、保护模块和通信模块。
充电模块负责调节输出电流和电压,保护模块用于监测和保护充电桩和电动车的安全,通信模块用于与充电桩管理系统进行数据交互。
3. 充电保护充电保护是指在充电过程中保证充电桩和电动车的安全。
最近这几年充电模块是热门,从最开始的7.5kW、10kW 到后面的15kW、20kW,功率等级不断的提高。
市场上的充电模块绝大部分都是三相输入,PFC 部分也基本都是采用的三相无中线VIENNA 结构的拓扑。
借这次技术分享的机会,分享一下个人对「三相VIENNA 拓扑」的理解,希望和大家一起探讨交流。
我会从以下几个方面进行说明:①主电路组成②工作原理③控制模式④控制地的选择⑤母线均压原理⑥原理仿真一、主电路的组成如图所示,是三相VIENNA PFC 拓扑的主电路,大致如下:1. 三相二极管整流桥,使用超快恢复二极管或SiC 二极管;2. 每相一个双向开关,每个双向开关由两个MOS 管组成,利用了其固有的反并联体二极管,共用驱动信号,降低了控制和驱动的难度。
相比其他组合方案,具有效率高、器件数量少的优点;3. 电流流过的半导体数量最少,以a 相为例:▪双向开关Sa 导通时,电流流过2个半导体器件,euo=0,桥臂中点被嵌位到PFC 母线电容中点;▪双向开关关断时,电流流过1个二极管,iu>0 时euo=400V,iu<0 时euo=-400V,桥臂中点被嵌位到PFC 正母线或负母线。
二、工作原理电路的工作方式靠控制Sa、Sb、Sc 的通断,来控制PFC 电感的充放电,由于PFC 的PF 值很接近1,在分析其工作原理时可以认为电感电流和输入电压同相,三相点平衡,并且各相差120度;1. 主电路的等效电路①三相三电平Boost 整流器可以被认为是三个单相倍压Boost 整流器的Y 型并联;②三个高频Boost 电感,采用CCM 模式,减少开关电流应力和EMI 噪声;③两个电解电容构成电容中点,提供了三电平运行的条件;这个eun 的表达式非常重要。
2. 主电路的开关状态三相交流电压波形如下,U、V、W 各相差120度三相交流电压波形通过主电路可以看出,当每相的开关Sa、Sb、Sc 导通时,U、V、W 连接到电容的中点O,电感La、Lb、Lc 通过Sa、Sb、Sc 充电,每相的开关关断时,U、V、W 连接到电容的正电平(电流为正时)后者负电平(电流为负时),电感通过D1-D6 放电,以0~30度为例,ia、ic 大于零,ib 小于零。
交流充电桩电路简介1、系统组成本型交流充电桩基本由①交流充电主回路、②报警检测与控制电路、③弱电控制系统三部分组成,如下图:2、交流充电主回路充电主回路电源由铜排煨制的端子接入,经带漏电保护功能的S1总开关到用作电流限制功能的S2开关再到用作控制充/停的SM 交流接触器最后至充电插座。
2.1、S1作用简介:S1作为交流充电主回路的总开关,选用具有漏电自动断开保护功能(剩余电流保护)的空气断路器。
作为主回路上级开关在一般的过流故障时不希望该开关断开,故选择额定电流156%的电流(50A )。
30mA 的剩余电流保护功能提供整个回路的用电安全。
由于漏电保护功能的重要性,在弱电控制功能中增加了模拟测试该功能的电路,同时该模拟测试操作亦作为非常紧急(如:接触器出现粘连使检测状态逻辑矛盾需要强迫断电,或其他恶性故障时需要强迫断电的)断电使用。
辅助接点提水状态供该开关动作的报警信息。
2.2、S2作用简介:S2是作为纯硬件过流实时保护元件使用的,为保证充电系统的稳定与可靠该开关的电流值不宜选择的过小、该开关主要应对故障性浪涌或短路以保证电路分断的实时性。
在回路出现小于125%过流时由弱电系统读取电能表的电流值发出过流报警或断开接触器(由于通讯、判断、执行会有一定的延时,故只限制在回路允许的范围内使用),当回路出现大于125%过流或短路的大电流过载时该开关可以实时分断故障,并由辅助接点提供该故障的报警信息。
2.3、SM与急停按钮的作用简介:SM是作为控制充电/停止的可控开关使用的,它由弱电系统控制并对其动作状态(辅助接点)进行检测。
急停按钮一组接点串联在接触器线圈控制回路中,可越过弱电控制直接分断电源,另一组接点为系统提供该按钮的状态信息。
2.4、充电插座:使用符合国标的插座是安全的保障,该插座和插头的配合时有一个机械锁扣可防止意外拔出。
符合国标的连接导引可控制在桩与车没有完全连接好、接触不良、意外脱离时能及时断开电源。
直流充电桩电源模块原理一、引言随着电动汽车的快速发展,直流充电桩作为电动汽车充电的重要设备之一,得到了广泛应用。
直流充电桩的电源模块是直流充电桩的核心组成部分之一,它负责将交流电转换为直流电,为电动汽车提供充电能源。
本文将介绍直流充电桩电源模块的原理及其工作方式。
二、直流充电桩电源模块的原理直流充电桩电源模块的原理是利用电力电子技术实现交流电到直流电的转换。
在直流充电桩电源模块中,通常采用整流器、滤波器和变换器三个主要部分来实现这一转换过程。
1. 整流器整流器是直流充电桩电源模块的第一个组成部分,它负责将输入的交流电转换为脉冲形式的直流电。
整流器通常采用大功率的整流桥,通过将交流电的正半周或负半周进行整流,得到了一个带有脉冲的直流电信号。
2. 滤波器滤波器是直流充电桩电源模块的第二个组成部分,它的作用是平滑整流后的脉冲直流电信号,使其变为稳定的直流电。
滤波器通常由电容器和电感器组成,通过对脉冲直流电信号进行滤波处理,去除其中的纹波成分,使得输出的直流电信号更加稳定。
3. 变换器变换器是直流充电桩电源模块的第三个组成部分,它主要负责将滤波后的直流电信号进行变换,以满足电动汽车充电的要求。
变换器通常采用高频开关电路,将输入的直流电信号变换为符合电动汽车充电要求的输出直流电信号。
变换器的输出电压和电流可以根据电动汽车的需求进行调节。
三、直流充电桩电源模块的工作方式直流充电桩电源模块的工作方式主要包括两个步骤:输入交流电转换为直流电和直流电输出给电动汽车进行充电。
1. 输入交流电转换为直流电当交流电输入直流充电桩电源模块时,首先经过整流器的处理,将交流电转换为脉冲形式的直流电。
然后,脉冲直流电信号经过滤波器的处理,去除其中的纹波成分,得到稳定的直流电信号。
最后,稳定的直流电信号经过变换器的变换,得到符合电动汽车充电要求的输出直流电信号。
2. 直流电输出给电动汽车进行充电直流电输出给电动汽车进行充电时,直流充电桩电源模块会将输出的直流电信号传送到充电插头中,通过充电插头将直流电信号传递给电动汽车的电池进行充电。
最近这几年充电模块是热门,从最开始的7.5kW、10kW 到后面的15kW、20kW,功率等级不断的提高。
市场上的充电模块绝大部分都是三相输入,PFC 部分也基本都是采用的三相无中线VIENNA 结构的拓扑。
借这次技术分享的机会,分享一下个人对「三相VIENNA 拓扑」的理解,希望和大家一起探讨交流。
我会从以下几个方面进行说明:①主电路组成②工作原理③控制模式④控制地的选择⑤母线均压原理⑥原理仿真一、主电路的组成如图所示,是三相VIENNA PFC 拓扑的主电路,大致如下:1. 三相二极管整流桥,使用超快恢复二极管或SiC 二极管;2. 每相一个双向开关,每个双向开关由两个MOS 管组成,利用了其固有的反并联体二极管,共用驱动信号,降低了控制和驱动的难度。
相比其他组合方案,具有效率高、器件数量少的优点;3. 电流流过的半导体数量最少,以a 相为例:▪双向开关Sa 导通时,电流流过2个半导体器件,euo=0,桥臂中点被嵌位到PFC 母线电容中点;▪双向开关关断时,电流流过1个二极管,iu>0 时euo=400V,iu<0 时euo=-400V,桥臂中点被嵌位到PFC 正母线或负母线。
二、工作原理电路的工作方式靠控制Sa、Sb、Sc 的通断,来控制PFC 电感的充放电,由于PFC 的PF 值很接近1,在分析其工作原理时可以认为电感电流和输入电压同相,三相点平衡,并且各相差120度;1. 主电路的等效电路①三相三电平Boost 整流器可以被认为是三个单相倍压Boost 整流器的Y 型并联;②三个高频Boost 电感,采用CCM 模式,减少开关电流应力和EMI 噪声;③两个电解电容构成电容中点,提供了三电平运行的条件;这个eun 的表达式非常重要。
2. 主电路的开关状态三相交流电压波形如下,U、V、W 各相差120度三相交流电压波形通过主电路可以看出,当每相的开关Sa、Sb、Sc 导通时,U、V、W 连接到电容的中点O,电感La、Lb、Lc 通过Sa、Sb、Sc 充电,每相的开关关断时,U、V、W 连接到电容的正电平(电流为正时)后者负电平(电流为负时),电感通过D1-D6 放电,以0~30度为例,ia、ic 大于零,ib 小于零。
每个桥臂中点有三种状态,三个桥臂就是3^3=27种状态,但不能同时为PPP 和NNN 状态,故共有25种开关状态(见下期下载链接)。
3. 主电路的发波方式主电路的工作状态与发波方案有较大的关系,采用不同的发波方案会在每个周期产生不同的工作状态。
一般Vienna 拓扑采用DSP 数字控制,控制灵活,可移植性强。
①采用单路锯齿波载波调制电流环控制器输出的调制信号被馈送给锯齿波载波,保持恒定的开关频率;在0~30度这个扇区内,每个周期产生4个开关状态,由于波形不对称,电流波形的开关纹波的谐波比较大;采用该种方式进行调试,桥臂中点线电压的最大步进是2Ed(Ed 为母线电压的一半,400V);②采用相位相差180度的高频三角载波,当对应的输入电压是正半周的时候,采用Trg1,当对应的输入电压是负半周的时候采用Trg2,每个周期产生8个开关状态,与传统的控制方案产生4个开关状态相比,8个开关状态相当于频率翻倍,减小了输入电流的纹波,对THD 指标有好处;上一张仿真的波形:上面我们提到,三相三电平PFC 可以看作是三个单相的PFC,每个单相相当于由两个Boost 电路组成,在交流电压的正负半周交替工作,正半周如下所示:以a 相为例,驱动信号为高时,则开关管Q1 导通(交流电压的正半周) 或者Q2 导通(交流电压的负半周);驱动信号为低时,开关管Q1 和Q2 都关断。
电压正半周时,a 相上桥臂二极管导通;电压负半周时,a 相下桥臂二极管导通。
通过上面的分析,采用移相180度的三角载波进行调制,在0~30度的扇区内有8种开关状态,4种工作模式ONO,ONP,OOP,POP。
①ONO 工作模式a 相和c 相导通,b 相截至,U 和W 电压为0,V 点电压-400V;该工作状态只给C2 进行充电;②ONP 工作模式a 相导通,b 相和c 相截至;U 点电压为0,V 点电压为-400V,W 点电压为+400V;③OOP 工作模式U 和V 点电压为0,W 点电压为+400V;④POP 工作模式U 和W 点电压为+400V,V 点电压为0,该工作模式只给C1进行充电;当然,这只是在0~30度扇区的工作状态。
其实在整个工频周期,是有25个工作状态的。
ONO 和POP 这两种工作模式只给C1 或C2 充电的状态对后面母线电压均压起决定性的作用。
我们知道,DSP 的PWM 模块的载波方式不能改变,一般是无法使DSP 产生幅值相同、相移180度的载波时基.可以用正负半周不同方式实现,具体实现方式如下:在正半周的时候跟CMPR+比较,在负半周的时候跟CMPR-比较。
正半周的时候低有效,负半周的时候高有效。
这样就可以产生180度的相移了,其中CMPR-是PI 计算出来的值,而CMPR+=PRD-CMPR-三、控制模式我们知道,这种控制电路一般采取双环的控制方式,即电压外环+电流内环。
电压外环得到稳定的输出直流电压,供后级电路的使用(如Three Level LLC、PS Interleave LLC、PSFB等),电流内环得到接近正弦的输入电流,满足THD 和PF 值的要求。
其实数字控制无非就是把模拟的方案转换为数字的运算,其中最经典可以参考TI 的UC3854,利用它的控制思想来实现数字化。
PFC 母线输出电压经过采样和滤波,由DSP 的ADC 采样到DSP 内部,与电压给定信号进行比较,产生误差后经过Gvc(s) 补偿后输出一个A 信号,然后通过乘法器与交流AC将采样的电感电流波形与电流给定进行比较得出误差,经过Gic(s) 补偿器进行补偿后得到电流环的输出值,该值直接与三角波进行调制,得到PWM 波形,控制电压和电流;大致的控制框图可以用下图来简化表示;其中:▪Gcv(s) 电压环的补偿函数▪ Gci(s) 为电流环的补偿函数▪ Hi(s) 为电流环采样函数▪ Hv(s) 为电压环采样函数▪ Gigd(s) 为电感电流对占空比D 的函数四、控制地AGND 的选择在传统的单相有桥PFC 中,一般把PFC 电容的负极作为控制AGND,因为该点的电压通过整流桥跟输入的L、N 相连。
▫当输入为正半周时,AGND 为整流桥钳位在N 线;▫当输入为负半周时,AGND 被整流桥钳位在L 线;所以母线电容的负极地AGND(相当于PE)是一个工频的变化,由于输入一般都是50Hz 的交流电,所以相对还是比较稳定的,可以作为控制电路的控制地。
但是相比较Vienna PFC 就不一样了,母线电容的中点相对与工频电压中点(PE) 是一个开关级的5电平高频变动的电平:±2/3Vo、0、±1/3Vo(这里的Vo 代表母线电压的一半,典型值400V),如果以如此大的高频波动去作为控制地的话,那么噪声和共模干扰就会非常大,可能会导致采样电压和驱动不准确,严重影响到电路的可靠性。
由于电容中点的高频变化不能作为控制地,那怎么办?我们是否可以人为的构建一个虚拟的地来作为控制地AGND?我们可以采用在三相输入之间通过分压电阻相连,采用Y 型接法来产生虚拟地作为控制地。
不过构建了这个控制地后,那么其他所有的采样、驱动都要以差分和隔离的方式相对于这个控制地来工作。
采用这种方法,是不是完美的把电容中点O 与控制地AGND 分开了,避免了高频剧烈变动带来的干扰。
五、母线均压我们知道,三相Vienna PFC 拓扑的母线电压800V 是由两个电容C1 和C2 串联进行分压,电容中点的电位O 由电容的充放电决定,两个电容的电压应该保持均衡以保持真实的三电平运行条件。
否则输出电压可能包含不期望的谐波,甚至会影响到电路的完全性。
三相三电平PFC 正负母线的均衡度会影响PFC 的性能:①输入电流THD②功率开关管和二极管的应力(本身以及后级功率电路)③动态时母线电容容易过压电容中点的电位偏差与PFC 正负母线电容的充放电过程相关,通过附件开关状态可以看出,a 组和z 组工作状态没有电流流入或流出电容中点,因此两个电容的充放电是一样的,不会产生偏压。
只有b、c、d 组的开关状态才会影响到PFC 母线电容充放电的差异,产生偏压。
根据前面的工作原理分析,POP 工作状态只给电容C1 进行充电,ONO 工作状态只给电容C2 进行充电,故可以根据这两个工作状态来控制中点电位,在控制中可以调节ONO 和POP 两个工作状态的作用时间来进行均压。
这个时候可以在整个控制环路中添加一个偏压环,用于调节ONO 和POP 的作用时间,来进行母线电压的均压作用。
具体实施方法:分别对正母线和负母线进行采样,然后得出差值(直流分量),该差值经过偏压环的补偿器调节之后叠加到输入电流参考正弦波,经过精密整流后变换为幅值有差异的双半波作为电流环的给定,以此来改变ONO 和POP 的作用时间,改善PFC 母线均压。
如下图所示:compa、compb 和compc 分别是每相的电流环计算出来的结果,以0~30度扇区为例,当正母线相对于中点的电压低于负母线时,正半波的给定变小,负半波的给定变大,POP 工作状态的时间变长,给正母线电容的充电时间变长;ONO 工作状态的时间变短,给负母线电容的充电时间变短。
当正母线相对于中点的电压高于负母线时,正半波的给定变大,负半波的给定变小,POP 的作用时间变长,给正母线电容充电的时间变短,ONO 的作用时间变长,给负母线的充电时间变长。
图中comp 值实线代表上个周期的值,虚线代表当周期需要的值;阴影部分代表变化的时间;以上说明的是主功率回路正常工作时候可以通过调节来控制PFC 母线电容的均压,但是当模块起机的时候呢?可以采用辅助电源直接从+400V~-400V 之间进行取电,由于电容有差异性,内阻不可能完全相等,也会差生偏压。
还有一个是要采用更高等级的MOSFET,成本高,而且现在充电模块的待机损耗也是一个问题,很多客户要求模块的待机损耗不能超过多少。
当然还有另一种辅助电源取电方式,也是现在厂家主流的方式。
就是正负母线均挂一个辅助电源,在起机的时候通过充电电阻给母线电容充电,变压器采用绕组竞争的方式,谁的母线电压高,就采用谁供电,这样可以很好的保证模块在起机过程中的均压效果;在模块正常工作起来以后,也是同样的道理。
而直接从+800V 取电没有这种效果。
六、原理仿真1. 输出电压波形2. 仿真波形输入电流波形,参数没有调好,将就着看吧。
输三相电流波形3. 桥臂中点的线电压输入线电压峰值与PFC 总母线电压的比值定义为调制系数m,m=Vlp/2Ed; 其中Vlp 是线电压的峰值。