如何选择柴油机油
- 格式:docx
- 大小:21.21 KB
- 文档页数:2
选用柴油的依据
选用柴油的依据主要包括以下几个方面:
1. 柴油的十六烷值:十六烷值是衡量柴油在发动机中燃烧时爆震性的指标,较高的十六烷值表示柴油在发动机中更容易点燃,可以提供更好的动力性能和经济性。
根据发动机的要求和使用的不同,选择适合的柴油牌号,以保证柴油的十六烷值满足发动机的需要。
2. 柴油的粘度:粘度是衡量柴油流动性的指标,粘度较大的柴油流动性较差,不利于柴油的喷射和雾化,而粘度较小的柴油可能会导致油路阻塞和磨损。
在选用柴油时,需要考虑柴油的粘度与发动机的类型和要求相匹配。
3. 柴油的含硫量:柴油中的硫含量对发动机的性能和寿命有很大的影响。
硫含量过高会导致发动机内部部件的腐蚀和磨损,而硫含量过低则可能导致发动机油路阻塞和积碳等问题。
选用柴油时要保证硫含量适中,以满足发动机的正常运转。
4. 柴油的闪点:闪点是衡量柴油易燃性的指标,闪点较高的柴油不易点燃,安全性较好,但经济性较差。
相反,闪点较低的柴油经济性较好,但安全性较差。
在选用柴油时,需要根据具体的使用环境和要求来选择适合的柴油牌号。
5. 地区、季节及气温高低:不同地区、不同季节的气温差异对柴油的选择也有影响。
在寒冷的地区或季节,需要选用凝固点较低的柴油,以保证柴油在低温下能够正常流动和燃烧。
相反,在温暖
的地区或季节,可以选用凝固点较高的柴油,以降低成本。
选用柴油的依据是多方面的,需要根据具体的发动机类型、使用环境和要求来选择适合的柴油牌号。
同时,还需要注意柴油的质量和稳定性,以保证发动机的正常运转和延长使用寿命。
acea c标准机油Acea C标准机油。
Acea C标准机油是一种专门设计用于柴油发动机的机油,它符合由欧洲汽车制造商协会(Acea)制定的C级别标准。
这种机油具有一系列特殊的性能指标,以确保发动机在各种条件下都能获得良好的润滑和保护。
本文将介绍Acea C标准机油的特点、适用范围以及选用建议。
Acea C标准机油的特点。
Acea C标准机油是专门为柴油发动机设计的,因此它具有一些针对柴油发动机的特殊性能。
首先,它具有较高的粘度指数,能够在高温高压下保持良好的润滑性能,有效减少发动机磨损。
其次,Acea C标准机油含有特殊的抗氧化剂和清净分散剂,能够有效防止油品氧化和沉积物的产生,保持发动机清洁。
此外,它还具有良好的耐高温性能和抗磨损性能,能够在各种工况下确保发动机的可靠运行。
Acea C标准机油的适用范围。
Acea C标准机油适用于各种类型的柴油发动机,包括轻型柴油车、重型柴油车、柴油客车、柴油货车以及柴油机械设备等。
它适用于各种工况下的发动机使用,包括长途高速行驶、城市短途行驶、重载运输以及工程机械作业等。
无论是在高温高压下还是低温启动时,Acea C标准机油都能够提供稳定可靠的润滑和保护。
选用Acea C标准机油的建议。
在选用Acea C标准机油时,首先要根据发动机的要求和使用条件选择合适的粘度等级。
其次,要选择质量可靠的品牌和生产厂家的产品,确保机油符合AceaC标准,并具有相应的认证。
另外,要根据发动机的使用情况和工况进行定期更换机油,避免使用过期或污染的机油,以免影响发动机的正常运行。
总结。
Acea C标准机油是专门为柴油发动机设计的机油,具有良好的润滑和保护性能,适用于各种类型的柴油发动机和工况。
选用合适的Acea C标准机油并进行定期更换,是保障发动机正常运行和延长使用寿命的重要措施。
希望本文的介绍能够帮助您更好地了解Acea C标准机油,并在实际使用中做出正确的选择和管理。
柴油机的机油选择柴油机是现代重工业的主要动力源,其能量密度和燃油的经济性是其他动力的无法比拟。
柴油机的设计和制造需要高度的技术水平,并在使用和维护方面也有一系列的要求。
其中选择合适的机油,是保证柴油机在使用寿命内始终保持正常性能的重要因素。
在选择机油时,需要考虑机油的性能、等级以及价格等多方面的因素。
机油的性能机油是一种高科技产品,其性能取决于各种添加剂的种类和用量。
因此,选择适合柴油机的机油需要考虑到以下性能。
1.清洁性:柴油机在工作过程中会产生大量的污垢和碎屑。
机油中的清洁添加剂可以将这些污垢和碎屑吸附并从机油中悬浮。
提高机油的清洁性可以有效保证柴油机的工作效率。
2.保护性:机油中的防腐剂和抗氧剂可以保护柴油机的各种零部件免受腐蚀和氧化。
同时,抗磨剂可以防止零部件受到不必要的磨损,从而延长柴油机的使用寿命。
3.流动性:机油需要在极低温度下保持流动性,以确保启动后机油能够立即到达各个部位。
同时,机油还需要具有一定的黏度,以确保在高温和高负荷条件下保持润滑性能。
机油的等级机油的等级由美国汽车协会(SAE)和欧洲汽车制造商联盟(ACEA)定义。
两个标准的区别主要在于温度范围、测试条件和小分类等方面。
在SAE标准中,W代表冬季,数字表示温度下限。
较差的机油可在较低温度下保持流动性,较好的机油可以在更低的温度下保持流动性。
例如,5W-30意味着机油在-30℃下仍具有流动性,同时在更高的温度下也具有一定的黏度,从而保持良好的润滑性能。
在ACEA标准中,A代表汽油机油,B代表柴油机油。
数字表示机油的品质等级,具体如下。
A1/B1:节能级机油;A3/B3:要求更高的磨损保护和清净度的半合成机油;A5/B5:节能级高黏度机油;C1/C2/C3/C4:针对柴油机尾气净化系统的低灰机油。
机油的价格机油的价格受到各种因素的影响,例如机油基础油、添加剂、生产工艺和品牌影响等。
但是,高价格的机油并不总是最好的选择。
要选择经济实惠的机油,可以考虑一些品牌机油的性价比,根据自己的需要和保养情况选择合适的机油等。
柴油机油分类的选用柴油机如何操作柴油机油分类包括轻负荷柴油机油、使用含硫燃料的轻负荷柴油机油、低增压柴油机油、中增压柴油机油、高增压柴油机油。
它们分类以CA柴油机油、CB柴油机油、CC柴油机油分类包括轻负荷柴油机油、使用含硫燃料的轻负荷柴油机油、低增压柴油机油、中增压柴油机油、高增压柴油机油。
它们分类以CA柴油机油、CB柴油机油、CC柴油机油、CD柴油机油、CE柴油机油。
下面我们认真介绍一下这些柴油机油分类的选用。
CE高增压柴油机油:是用于重载荷柴油机上。
一般用于80时代后的高载荷和高速、高载荷工况下,增压或高增压重载荷柴油机的低速、油品也API分类的CC、CD级要求。
CD中增压柴油机油:旧名称14号中增压柴油机油选用CD中增压柴油机油。
粘度级为15W/40、重载荷柴油机使用。
用于要求严格掌控磨损和沉积物的高速高功率增压柴油机,并具有防止轴承腐蚀、抗高温沉积等性能,广泛地适用于燃用各种燃料的增压柴油机。
用于高速高负荷条件下工作的增压柴油机,具有较高的高温清净性和抗磨性。
CC低增压柴油机油:旧名称8号低增压柴油机油、10号低增压柴油机油、14号低增压柴油机油、20号低增压柴油机油选用CC低增压柴油机油。
其粘度级分别是5W/20、10W/30、15W/40、20W/50、中等载荷柴油机和汽油机使用。
用于中等至苛刻程序下工作的低增压柴油机,包括某些重载荷下工作的汽油机。
CB含硫燃料的轻负荷柴油机油:旧名称18号船用稠化柴油机油选用CB含硫燃料的轻负荷柴油机油。
粘度级为20W/50、用于缓和至中等负荷条件下工作的使用含硫燃料的轻负荷柴油机,具有高温清净性和抗氧化性、抗腐蚀性及确定的酸中和本领CA轻负荷柴油机油:旧名称8号、11号、14号、18号柴油机油、14号寒区稠化柴油机油、14号酷寒区稠化柴油机油选用CA轻负荷柴油机油,其粘度分别是20、30、40、50、20W/40、10W/40、用于缓和至中等负荷条件下工作的轻负荷柴油机,要求具有高温清净性和抗氧化性、抗腐蚀性。
柴油机油等级划分标准柴油发动机是一种高强度、高温、高压的工作环境下运转的机械,其润滑系统对发动机的寿命和运行状态有重大影响。
为了改善柴油发动机的润滑性能,根据发动机的工作特点,国际上制定了不同的柴油机油等级标准。
下面将介绍这些标准以及意义。
1. API等级API(American Petroleum Institute,美国石油学会)先后制定了不同的汽、柴油机油质量等级标准。
其中柴油机油分为CF、CF-2、CG-4、CH-4、CI-4、CI-4 Plus、CJ-4等级。
等级从CF到CJ-4,其中CJ-4是目前最高级别的柴油机油等级,具有优异的抗磨损、抗氧化和清洁性能。
2. SAE等级SAE(Society of Automotive Engineers,美国汽车工程师协会)标准规定了机油的粘度等级。
柴油机油SAE等级一般为15W40、10W30、5W30等,其中数字表示机油的流动性及在运作温度下的流动特性,W 表示冷启动时的应对性能。
3. ACEA等级ACEA(European Automobile Manufacturers Association,欧洲汽车制造商协会)也设定了一些润滑油质量等级标准。
其标准分为A/B/C三类,分别代表了不同的性能需求。
其中C类标准是针对柴油机油的,分为C1、C2、C3、C4四种等级,其中C3等级润滑油在DPF(颗粒捕集器)废气后处理系统中的防止积碳和沉积能力较强。
4. OEM批准柴油机油的OEM批准证明了柴油发动机的润滑油能够符合引擎制造商的要求,并能保证发动机的长寿命、高效率和低燃油消耗。
常见的OEM批准包括:CAT ECF-1,MTU Type II,MB 228.3/229.1,Cummins CES 20081,Volvo VDS-3等。
总的来说,选用合适的柴油机油至关重要,如果使用不合适的机油或者不按规定更换机油,将会对柴油发动机造成严重的损害,缩短其使用寿命。
如何选择合适的柴油机油
粘度分为高温粘度和低温粘度两项,您在油桶上可以看到15W/40、20W/50等字样,这就是柴油机油的粘度级别,其中斜线前的15W、20W是低温粘度,反映了油品在低温下的冷启动性能,15W说明油品可在零下15℃下启动,20W则在零下10℃启动,W前数字越小,冷启动温度越低。
斜线后的数字表明油品在100℃时的粘度,30油100℃粘度不低于9.6,40油油100℃粘度不低于12.6,数字越大高温粘度越高。
对重负荷柴油机油,应选择粘度大一些的油为好。
一、粘度级别选用:
1、根据地区、季节气温选用
冬季寒冷地区应选用粘度小、倾点低的油或多级油,夏季或气温较高的地区应选用粘度适当高的油。
中国重汽亲人配件专用油品冬季选用指导
2、根据载荷和转速选用
车辆载荷高、转速低时机件表面不易形成足够厚的油膜保证润滑,应选用粘度稍大的机油,反之选用粘度稍低的机油,利于启动和节能。
3、根据发动机的磨损情况选用
新车应选用粘度较低的机油,磨损情况较大的车辆应选用粘度较大的机油。
二、质量等级的选用:
1、根据汽车发动机的机械负荷和热负荷的总和,以强化系数来表示,。
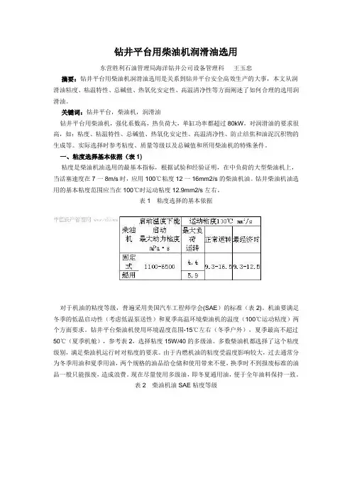
钻井平台用柴油机润滑油选用东营胜利石油管理局海洋钻井公司设备管理科王玉忠摘要:钻井平台用柴油机润滑油选用是关系到钻井平台安全高效生产的大事,本文从润滑油粘度、粘温特性、总碱值、热氧化安定性、高温清净性等方面阐述了如何合理的选用润滑油。
关键词:钻井平台,柴油机,润滑油钻井平台用柴油机,强化系数高,热负荷大,单缸功率都超过80kW,对润滑油的要求很高,如:粘度、粘温特性、总碱值、热氧化安定性、高温清净性、防止结焦和油泥沉积物的生成等。
实际选择时参考粘度、质量等级以及总碱值和所用柴油机的特殊条件。
一、粘度选择基本依据(表1)粘度是柴油机油选用的最基本指标,根据试验和经验证明,在中负荷的大型柴油机上,当活塞速度在7一8m/s时,应用100℃粘度12一16mm2/s的柴油机油。
钻井柴油机油选用的基本粘度范围应当在100℃时运动粘度12.9mm2/s左右。
表1粘度选择的基本依据对于机油的粘度等级,普遍采用美国汽车工程师学会(SAE)的标准(表2)。
机油要满足冬季的低温启动性(考虑低温泵送性)和夏季高温环境柴油机的温度(100℃运动粘度)两个方面要求。
钻井平台柴油机使用环境温度范围-15℃左右(冬季户外),夏季最高不超过50℃(夏季机舱),参考表2,选择粘度15W/40的多级油。
多数柴油机都选择了这个粘度级别,满足柴油机运行时对粘度的要求。
由于内燃机油的粘度受温度影响较大,过去通常分为冬季用油和夏季用油,两个规格的油品给仓储和使用带来不便,换季时不到报废标准的油品一般只能报废,造成浪费。
现在尽量使用多级油,即冬夏通用油,便于全年油料保持一致。
表2柴油机油SAE粘度等级二、质量等级选择柴油机用润滑油,目前国内外较多参考发动机的热负荷,用发动机的平均有效压力和强化系数来量化,从而选择所需的质量等级。
一般柴油机平均有效压力Pme在550kPa以下,或强化系数25-35,可选用CB级;Pme在800-1000kPa,或强化系数35-50,可选用CC 级机油;Pme在1.0-1.5MPa,或强化系数50-80,应选用CD级;平均有效压力在1.5MPa 以上,则选用CE级。
如何选用内燃机油一、合理选用内燃机油的重要性由于汽油发动机与柴油发动机工作条件的差异,因而使用的润滑油也不相同。
即使同属汽油机或柴油机,其工作负荷、转速也会相差很大,在使用润滑油的级别上也会有差异。
内燃机油使用得当,发动机的动力性、经济性以及使用寿命会得到保证,否则,既不能满足发动机使用要求,还会造成发动机早期损坏,因此,正确选用内燃机油是十分必要的。
二、如何选用内燃机油选用内燃机油时,首先应分柴油车还是汽油车,然后选择相应的汽油机油、柴油机油或汽油机/柴油机通用油。
内燃机油的选用主要是从质量等级和粘度牌号两方面进行,首先选择合适的质量等级,如柴油机油的CD、CF-4,汽油机油的SF、SG;然后根据车辆使用地区的环境温度选择需要的粘度等级,如SAE15W/40、SAE30、SAE40等。
三、如何选择内燃机油的质量等级质量等级选择的原则是:根据内燃机制造商的推荐、内燃机的机械负荷和热负荷、工作条件的苛刻程度、燃料性质等来确定。
1、根据内燃机制造商推荐选油汽车制造商在汽车出厂时,都会对内燃机润滑油的使用作严格的试验,并会在出厂说明书中推荐选用的内燃机油,这是内燃机油选用的首要依据。
2、根据内燃机的机械负荷和热负荷选油内燃机的机械负荷和热负荷也是选用油的重要根据。
如根据压缩比、发动机附设装置选择汽油机油质量等级和根据强化系数选择柴油机油质量等级。
(1)汽油机油质量等级的选用。
汽油机油主要是根据发动机的压缩比确定质量等级。
汽油机压缩比越大,热负荷和机械负荷越大,要求润滑油的清净分散性、抗磨极压性和抗氧防腐性也越好,汽油机油的选用原则如《汽油机相关参数与选用汽油机油的关系》所示。
(2)柴油机油质量等级的选用。
柴油机的热负荷和机械负荷是影响润滑油质量变化的主要因素,柴油机负荷越大,工作温度也越高,工作强度越剧烈,要求使用柴油机油的质量也越高。
选择柴油机油的质量等级时,可按柴油机的强化系数(KΦ)来决定,强化系数的数值为发动机的平均有效压力、活塞平均速度及冲程系数的乘积。
柴油机油分类的选用1. 柴油机油的分类柴油机油的主要分类是按照粘度等级、性能等级和应用条件三种方式来进行区分。
在选择柴油机油时,需要根据柴油机的使用条件、环境、负载、工作温度等因素来选择合适的分类。
1.1 粘度等级粘度等级是指油品在不同温度下的黏度大小。
一般按照温度范围分为单一粘度和多级粘度两种。
单一粘度等级是指柴油机油在一定温度下的黏度大小。
而多级粘度等级是在热、冷两种条件下都能满足黏度要求的油品。
具体的粘度等级表示方法如下:•单一粘度等级:SAE xx,其中xx为数字,表示柴油机油在100℃下的运动粘度。
•多级粘度等级:SAE 0W-20、SAE 5W-30等,其中0W表示冷启动时的最低温度(W代表Winter)。
1.2 性能等级性能等级是指油品在使用过程中的性能表现。
目前普遍采用了API和ACEA标准两种性能等级标准。
•API标准:API标准主要根据油品的质量和性能将油品分为多个分类。
其中SH类和SJ类是目前应用最为广泛的柴油机油性能等级。
•ACEA标准:ACEA标准则是欧洲用油技术协会发布的标准,分别标注A和B两个类别。
其中A类别用于高速公路等中高速行驶的柴油车,B类别则用于城市道路等低速行驶的车辆。
1.3 应用条件应用条件主要考虑的是工作环境和油品使用寿命等因素。
如根据环境考虑,可分为海上、陆上、沙漠等条件下的柴油机油。
而根据油品使用寿命考虑,可分为普通款和长效款两种类型。
另外,在购买柴油机油时,还需要注意查看产品说明中列明的响应标准。
只有符合某些特定车型或车辆品牌要求的油品才能最大程度的发挥其性能优势。
2. 柴油机油的选用柴油机油的选用需要根据柴油机的使用环境来进行选择,具体来说要考虑以下几个方面的因素:2.1 工作环境在不同的工作环境下,柴油机油的选用也会有所不同。
比如在海上环境下,由于较高的湿度和盐雾会加速柴油机零部件的腐蚀,因此需要选择一款具有优良抗腐蚀性能的柴油机油;而在沙漠、高原和极寒环境下,由于温度和湿度等因素会影响柴油机油的黏度,因此需要选择一款具有适应力强、黏度特性稳定的柴油机油。
柴油机油的选用及使用注意事项作者:张晶来源:《农机使用与维修》2014年第10期柴油机油是柴油发动机的润滑油,其选用的正确与否对柴油机的工作和使用寿命影响很大。
尤其是农用车,常在乡间田野作业,环境差,条件恶劣,常常是负荷大、机温高,所以更需严格对机油的选择、使用,以求润滑状况良好。
1. 柴油机油的作用机油在发动机中起到润滑、冷却、清洗和封闭的作用。
润滑作用是机油的主要作用,柴油机运转时,活塞和气缸之间、主轴和轴瓦之间均存在着快速的相对滑动。
要防止零件过快的磨损,则需要在两个滑动表面间建立油膜。
有足够厚度的油膜将相对滑动的零件表面隔开,使两个摩擦表面尽可能不直接接触,使金属间的干摩擦变成液体摩擦或半液体摩擦,以降低各运动机件的摩擦系数,减少摩擦损失。
冷却作用将摩擦所产生的热量通过机油的循环而散发出去,使机件降温。
清洗作用是将机件摩擦时产生的金属细粒(如锡基合金等)以及燃烧时所产生的碳垢等随着机油的循环而冲走。
封闭作用是将活塞环与气缸壁接触的空隙填补上,增加气缸的密闭性。
2. 柴油机油等级分类国产车用柴油机油牌号常用: CA,CB,CC,CD,CE,CF,CG表示质量等级,其中第一个字母C 表示柴油机用油,第二个字母A,B,C,D,E,F,G表示润滑油的质量等级,级别越向后,油品质越高。
机油黏度共有0W,5W, 10W ,15W ,20W ,25W等级别。
不同字母表示不同黏度级别,字母越向后,黏度级别越高。
上述润滑油牌号和黏度级别,可作为车用柴油机选择润滑油质量级别的依据。
在实际选用润滑油时,应结合柴油机使用条件正确选用,才能保证柴油机正常运行。
3. 柴油机油的选用车用柴油机油的选用,应根据柴油机受载情况、工作条件、环境温度和运动副的磨损程度等因素而定。
选用润滑油的基本原则如下:(1)根据负荷和转速选用:负荷大、转速低,如大型、重型、农用汽车一般选用粘度较大的润滑油,如20W,25W粘度级。
轿车、微型、轻型货车一般选用粘度较小的润滑油,如0W 15W黏度级。
车辆常用油液基本知识介绍汽车在正常工作中,需要使用各种油料和各种特殊液体,了解和掌握这些常用油料、液体的性能,对我们保证汽车正常工作是非常有益的。
汽车使用的油料和液体有:汽油、柴油、机油、齿轮油、润滑脂、制动液、防冻液、自动变速箱油等。
1、机油机油是发动机的血液,它有润滑、冷却、清洁、防锈和密封等五大作用。
发动机机油分汽油机机油、柴油机机油以及不同质量级别的品种之分。
机油质量的好坏直接关系着发动机的使用寿命。
机油是由基础油与不同种类、起不同作用的添加剂配制而成的。
不同的添加剂使得机油具有不同方面的性能,以满足发动机使用的要求。
比如发动机机油要具有良好的润滑性、粘温性、清净分散性、抗氧化、抗腐、抗磨和抗泡性,这些性能都需要由添加剂来实现。
1.1机油的性能特点①机油应具有一定的粘度和良好的“粘温特性”发动机机油粘度大时,其润滑性、密封性、缓冲性较好,但冷却洗涤效果较差,且影响发动机低温起动性,增加燃料的消耗量;发动机的粘度小时,其结果恰好相反。
机油是随温度的变化而变化的,温度升高,粘度降低;温度降低,粘度增大。
机油的这种性能被称为“粘温特性”。
在发动机工作过程中机油所处的温度范围是很宽的,为使机油具有良好的润滑性能,要求机油具有良好的粘温特性。
②机油的清净分散性发动机机油的清净分散性通常是通过在机油中加入清净分散添加剂来提高的。
它是一种具有表面活性的物质,能吸附油中的固体污染颗粒,并把它悬浮在油的表面,以保证参加循环的是清净的机油。
③机油的起泡性起泡性是指机油生成泡沫的倾向及生成泡沫的稳定性能。
发动机机油由于快速循环和飞溅,必然会产生泡沫。
如果泡沫太多或泡沫不能迅速消除,将会造成摩擦表面供油不足,以至破坏正常的润滑。
在润滑油中加泡沫添加剂,以提高抗泡性能。
④机油的抗氧化性及防腐性抗氧化性指机油抵抗大气(或氧气)的作用而保持其性质不发生永久变化的能力。
润滑油在使用过程中,不可避免地被氧化而生成各种有机酸,在高温、高压有水分存在的条件下,将对金属起腐蚀作用。
目前我国柴油机油主要以CF-4为主。
CF-4用于高速直喷柴油机,在油耗和活塞沉积方面性能超过CF,适用于高硫含量的柴油,特别适用于重负荷卡车。
CF-4油品与CF相比,性能更加全面,而且CF-4换油周期是CD的2陪。
为了适应排放环保的要求,提高柴油机运行的经济性,柴油机在设计上有了几方面改进:
采用直喷燃料技术,降低油耗,改善排气质量;减少喷油提前角,延迟柴油喷入来降低NOx的排放;活塞环由矩形改为梯形环,改善密封性燃烧更完全。
这些设计上的改进,使柴油机热负荷有了显著提高。
CH-4是近年才在国内市场大量出现,一汽生产的道依茨“系列重型车、玉林柴机油厂、无锡柴机油厂、大连拆机右厂、二汽等的新产品都需要使用CH-4油。
最好选有质量报告的产品。
CF-
4、CH-
4、CI-4油品质量比较
CH-4级别相对于CF-4级别,在以下方面的性能有着跳跃性的提高
1、更好的抗磨损性能:
有效降低活塞环和钢套以及配气系统从动部件磨损
2、更好的抗高温性能:
有效控制沉积物的生成,保持发动机内部清洁,运行顺畅
3、更好的抗剪切性能:
有效避免油品粘度下降,确保持久稳定的润滑保护效果
4、更好的烟炱控制能力(尤其对于采用废气再循环系统的EGR的发动机)
5、广泛的燃油适应性(尤其对于目前国内含硫量普遍较高的实际情况)
CI-4级别在CH-4级别基础上,满足最新EGR要求,并可以实现更长的换油周期
1、更好的油品稳定性和氧化稳定性
1)使用更好的具有优异的氧化稳定性和热稳定性基础油
2)新的添加剂配方技术-新型抗氧化添加剂
2、更低的蒸发损失,以降低机油消耗率
3、采用更好的配方提高TBN及其保持性
4、提高情节分散性-----使机油能溶解更大量的燃烧和氧化产物,而不致产生油泥、积炭和漆膜。
既要保证性能可靠,又要好的经济性,对于用户来说就是一个问题。
首先应参考汽车制造商的推荐,大多数用户是参考实际使用的效果——行车实验,但这样做会给用户带来负担。
对用户来说,最简单的办法就是采用”就高不就低“的原则,使用蓝新德业CI-4高档柴油机油,虽然价格比CH-
4、CF-4偏高,但综合考虑对发动机的保护,延长寿命和降低维修费用,延长换油周期,长期计算还是十分合算的。