PM300A智能网络仪表说明书V3.1
- 格式:pdf
- 大小:3.60 MB
- 文档页数:34
PM-3 Planar Magnetic HeadphonesUser ManualContentsImportant Safety Information ‐‐‐‐‐‐‐‐‐‐‐‐‐‐‐‐‐‐‐‐‐‐‐‐‐‐‐‐‐‐‐‐‐‐‐‐‐‐‐‐‐‐‐‐‐‐‐‐‐‐‐‐‐ 2 Introduction ‐‐‐‐‐‐‐‐‐‐‐‐‐‐‐‐‐‐‐‐‐‐‐‐‐‐‐‐‐‐‐‐‐‐‐‐‐‐‐‐‐‐‐‐‐‐‐‐‐‐‐‐‐‐‐‐‐‐‐‐‐‐‐‐‐‐‐‐‐‐‐‐‐‐‐‐ 3 Feature Highlights ‐‐‐‐‐‐‐‐‐‐‐‐‐‐‐‐‐‐‐‐‐‐‐‐‐‐‐‐‐‐‐‐‐‐‐‐‐‐‐‐‐‐‐‐‐‐‐‐‐‐‐‐‐‐‐‐‐‐‐‐‐‐‐‐‐‐‐‐ 4 Using Your Headphones ‐‐‐‐‐‐‐‐‐‐‐‐‐‐‐‐‐‐‐‐‐‐‐‐‐‐‐‐‐‐‐‐‐‐‐‐‐‐‐‐‐‐‐‐‐‐‐‐‐‐‐‐‐‐‐‐‐‐‐‐‐ 5 Specifications ‐‐‐‐‐‐‐‐‐‐‐‐‐‐‐‐‐‐‐‐‐‐‐‐‐‐‐‐‐‐‐‐‐‐‐‐‐‐‐‐‐‐‐‐‐‐‐‐‐‐‐‐‐‐‐‐‐‐‐‐‐‐‐‐‐‐‐‐‐‐‐‐‐‐‐ 7Important Safety InformationBefore using your headphones, make sure to lower the volume level on your headphone amplifier or portable device. Prolonged exposure to high volumes may result in temporary or even permanent hearing loss.Be aware of your surroundings. Using headphones may diminish your ability to hear important ambient sounds. Exercise caution particularly at railroad tracks, crosswalks, or any environment where motor vehicles or bicycles are present.It is always recommended to lower the volume level prior to connecting or disconnecting your headphones.Do not leave your headphones or cables in an area where people or pets might trip over them.Always supervise children who are using these headphones.IntroductionCongratulations! You are now the proud owner of a pair of truly portable closed‐back planar magnetic headphones.The OPPO PM‐3 utilizes a planar magnetic driver that is developed from the driver in our EISA award‐winning PM‐1 headphones. Technological breakthroughs achieved during the PM‐1’s development, such as the 7‐layer double‐side voice coil diaphragm design and FEM‐optimized neodymium magnet system, have enabled OPPO to reduce the weight of the planar magnetic drivers while maintaining excellent sound quality and high sensitivity. The PM‐3 driver’s smaller size and high sensitivity make it especially suitable for portable use, and this driver would not have been possible without the breakthroughs achieved in the PM‐1’s driver design.In the PM‐3’s planar magnetic driver, sound is generated by a very thin and light diaphragm which is driven in a symmetric pull‐push manner, and the magnetic system and conductor patterns have been optimized for maximum sensitivity and consistency. This allows the diaphragm to generate very stable and linear piston‐like vibrations, ensuring phase coherence and high resolution performance with minimal distortion. Featuring a light weight closed back design and easily driven with any smartphone or portable music player, the PM‐3 headphones will enable you to enjoy your favorite music anywhere while being isolated from outside noise.We are proud of the work we have put into these headphones, and we hope they bring you years of enjoyment.Feature Highlights∙Unique planar magnetic driver with FEM‐optimized neodymium magnet system∙7‐layer double‐side voice coil diaphragm∙Excellent sound quality∙High sensitivity and consistency∙Lightweight for portable use∙Comfortable fit for long‐term listening∙Closed‐back noise isolation design∙Selvedge denim carrying case∙Detachable high quality cable∙Optional headphone cable with inline mic and remote controlUsing Your HeadphonesTwo headphone cables have been included with your OPPO PM‐3.The 3 meter main cable terminates with a 3.5 mm connector and a screw‐on 6.35 mm adapter. It is suitable for connecting the PM‐3 to a headphone amplifier, AV receiver, or integrated amplifier. The screw‐on 6.35 mm adapter can be removed if necessary.The 1.2 meter portable cable terminates with a 3.5 mm plug. It can be used to connect the PM‐3 to a portable media player, cell phone, tablet, or other mobile device.Depending on the type of portable cable that you choose when you order the headphones, the cable may have no inline mic and remote control, or have a mic and remote control for Apple devices, or have a mic and remote control for Android devices.For the portable cable with a mic and remote control for Apple devices, the buttons work the same way as buttons on the original Apple EarPods. You can use the buttons to answer phone calls, start or stop music playback, or skip music tracks. Please refer to your Apple device’s user manual for details of these functions.For the portable cable with a mic and remote control for Android devices, the center button allows you to answer or end a call. Additional operations, such as double‐click or press‐and‐hold, may be possible depending on your mobile device. Please consult the user manual of your mobile device for details.Storing Your HeadphonesAfter each use, it is recommended that you place the headphones on a headphone stand. For carrying the headphones with you or for storage, you may remove the cable and fold the headphones flat to put in the selvedge denim carrying case.Caring for Your HeadphonesIn order to clean the headphones, we recommend using a clean, lint‐free cloth. Do not use harsh chemical cleaners or solvents. If necessary, you may lightly dampen the cloth with clean water.The ear pads are made of durable synthetic leather and are not designed to be detached by the end user. Should your headphones require service, please contact OPPO Digital or your place of purchase.SpecificationsHeadphone Specifications Model Name PM‐3Acoustic Principle Closed‐backEar Coupling CircumauralNominal Impedance 26 OhmSensitivity 102 dB in 1 mWClamping Pressure 5 NCables 3m detachable cable (3.5mm & 6.35 mm) 1.2 m detachable cable (3.5 mm)Cable Connectors Output: 3.5mm stereo jackInput: 6.35 mm stereo jack, 3.5 mm stereo jackWeight 320 g (without cable)Accessories Carrying case User ManualDriver SpecificationsDriver Type Planar MagneticDriver Size (Round) 55 mm diameterMagnet System Symmetric push‐pull neodymium Frequency Response InFree‐Field10 – 50,000 HzLong‐Term Max InputPower500 mW according to IEC 60268‐7 Pulse Max Input Power 2 WCE markThis product complies with European Low Voltage (2006/95/CE), Electromagnetic Compatibility (2004/108/EC) and Environmentally‐Friendly Design of Energy‐Related Products (2009/125/EC) Directives when used and installed according to this instruction manual.WEEE symbolCorrect Disposal of This Product. (Waste Electrical & Electronic Equipment) Applicable in the European Union and other European countries with separate collection systems.This marking on the product, accessories or literature indicates that the product and its electronic accessories should not be disposed of with other household waste at the end of their working life. To prevent possible harm to the environment or human health from uncontrolled waste disposal, please separate these items from other types of household waste and recycle them responsibly to promote the sustainable reuse of material resources.。
PM3000A电力分析仪操作介绍PM3000A电力分析仪是一款功能强大的仪器,广泛应用于电力系统的分析和测试。
本文将介绍PM3000A电力分析仪的基本操作方法和常用功能。
操作步骤以下是PM3000A电力分析仪的基本操作步骤:1. 连接电源和被测电路首先,将PM3000A电力分析仪连上电源,并使用连接线将被测电路与仪器进行连接。
确保连接线的接触良好,以确保精确的测量结果。
2. 打开电力分析仪按下电力分析仪的电源按钮,待其开机启动完毕。
3. 设置测量参数在主界面上,您可以看到多个测量参数选项。
按照您的需求,选择相应的参数进行测量。
例如,您可以选择测量电压、电流、功率因数等。
4. 进行实时测量一旦设置好测量参数,您可以开始进行实时测量。
通过观察仪器的显示屏,您可以实时查看被测电路的电力参数。
如果需要,您还可以将这些数据记录下来,以便后续分析。
5. 分析测量结果PM3000A电力分析仪还具备数据分析功能。
您可以使用仪器提供的分析工具来分析测量结果。
例如,您可以生成报表、绘制曲线图等。
常用功能1. 仪器校准为确保测量结果的准确性,定期进行仪器校准非常重要。
PM3000A 电力分析仪提供了自动校准功能,您可以按照仪器的提示进行操作。
2. 数据存储和传输PM3000A电力分析仪可以将测量数据存储到内部存储器中,也可以通过USB接口将数据传输到电脑或其他存储设备。
这样,您可以随时随地方便地查看和分析测量数据。
3. 功率因数测量PM3000A电力分析仪支持功率因数测量,可以帮助您分析系统的功率因数及其对电力质量的影响。
通过实时测量和数据分析,您可以优化电力系统的功率因数,并采取相应的措施来提高电力质量。
4. 功率波形分析除了基本的电力参数测量外,PM3000A电力分析仪还具备功率波形分析功能。
通过对功率波形的分析,您可以了解电力系统中的谐波情况,并采取相应的措施来减少谐波对系统的影响。
总结通过本文的介绍,您已了解PM3000A电力分析仪的基本操作方法和常用功能。
三相多功能网络仪表用户手册1.产品简介本系列多功能仪表是一种具有可编程测量显示,数字通讯和电能脉冲输出等多功能仪表,能够完成电量测量,电能计量数据显示,采集及传输,可广泛用于变电站自动化,配电自动化,智能建筑,企业内部的电能测量管理,考核.实现LED 现场显示和远程RS485数字通讯接口,2路电能脉冲输出和1~4路模拟量4-20MA ,可实现电能和电量变送输出功能, 1~4路开关量输入和输出可实现本地或远程的开关信号的监测和控制功能(“遥信”和”遥控”功能),可组合实现多个电量参数报警及自动控制功能,采用MODBUS- RTU 通讯协议。
2.技术参数性能参数网络三相三线、三相四线额定值AC100V 、400V (订货时请说明)过负荷持续:1.2倍 瞬时:10倍/10s功耗<1VA(每相)阻抗>500KΩ电压精度RMS 测量,精度等级0.5额定值AC1A 、5A (订货时请说明)过负荷持续:1.2倍 瞬时:10倍/10s 功耗<0.4VA(每相)阻抗<2mΩ电流精度RMS 测量,精度等级0.5频率40~60Hz ,精度0.1Hz 功率有功、无功,精度1.5级电能四象限计量,有功精度1.5级,无功精度2级输入测量显示显示可编程、切换、循环(LED )显示工作范围AC/DC 85~270V电源功耗≤5VA 输入开关量输入2~4路数字接口RS-485、MODBUS-RTU 协议脉冲输出2路电能脉冲输出 开关量输出2~4路,继电器输出输出模拟量输出1~3路4-20MA工作环境-10~55℃环境储存环境-20~75℃耐压输入电源>2KV,输入输出>2KV ,电源输出>1KV安全绝缘输入、输出、电源对机壳>5MΩ三相四线电流经CT输入电压直接输入三相四线电流经CT输入电压经PT输入三相三线电流经CT输入电压直接输入三相三线电流经CT输入电压经PT输HUD96(外形94×94×75mm 开孔91×91mm)注意可设置DISP控制字用来编程设置通常状态下显示内容,DISP=1(三相电压),2(三相内容键盘的编程操作采用四个按键的操作方式,即左右移动键“←”“→”、菜单进入或上回退键“Menu”、选择确定键“”来完成上述功能的所有操作。
e-mail:**************For latest product manuals:HHM-MG300Wireless TRMS Multimeterand Insulation TesterShop online at ®User’s GuideMADE IN TAIWANIt is the policy of OMEGA Engineering, Inc. to comply with all worldwide safety and EMC/EMI regulations that apply. OMEGA is constantly pursuing certification of its products to the European New Approach Directives. OMEGA will add the CE mark to every appropriate device upon certification.The information contained in this document is believed to be correct, but OMEGA accepts no liability for any errors it contains, and reserves the right to alter specifications without notice.WARNING: These products are not designed for use in, and should not be used for, human applications.HHM-MG300Wireless TRMS Multimeter and Insulation TesterSoftware IntroductionThe MultiMeter software is a program for collecting data from the meter when it is connected to a Desktop or Notebook PC(Personal Computer). The data may be displayed graphically within this software application or may be export to spreadsheet software programs. The softwareʼs functions are presented in the main window.The maximum number of data points that can be captured is 20,000. Supported Operating Systems:Windows 2000/Windows XP /Vista/Windows 7Minimum Hardware Required:•Desktop or Notebook PC with a minimum clock speed of 90MHz•32 MB RAM•7 MB hard disk space•Monitor display resolution of 1280 x 1024 with High Color (32 bit)Main Menu•FileSave Save the recorded data to the PCOpen Open a file previously saved on the PCPrint Setup Modify the print optionsPrint Preview Preview the data graph or the data listPrint Print the data graph or the data list•ViewToolbar Show or hide the ToolbarStatus Bar Show or hide the Status BarInstrument Show or hide the instrument window •InstrumentReal Time Chart Recording Start collecting real time dataStop Recording Stop collecting real time data•WindowCascade Arrange windows in an overlapping styleTile Arrange windows in a non-overlapping tile style •HelpAbout Show the software version informationHelp Topics Show the software help utilityOperationEnabling Communication1. Switch the meter ON2. Put the meter in the “USB” mode by pressing and holding the meter’s USB buttonfor two seconds (meter will beep when USB mode is accessed)3. Connect the receiver to the PC’s USB port using the supplied cable4. Run the MultiMeter software program5. Double click the small meter icon on the software screen (shown in the diagrambelow). The larger meter image will appear6. If communication is successful, the larger virtual meter image will accuratelyreflect the current state of the meter (shown in diagram below)Downloading Datalogged Information from UnitDownloading data from the Unit to the PC takes a few steps:Do not establish communication prior to downloading data. If there is communicationbetween the unit and the PC unwanted data may be included in the List/Graph of thedatalogged information.1. After the software has been started, Press and HOLD the STORE button for twoseconds to enter the RECALL function. “RCL” will appear on the bottom left of thedisplay2. A real time recording must be initiated before data can be downloaded.Refer to the Real Time Chart Recording section for assistance—recommendedmaximum data points for a real time recording is 8000.3. Press and Hold the HOLD button for two seconds and the data will be transferred to thePC.4. The data will form a graph and a data list in the software’s main window.Real Time Chart Recording1. Click to open the Sampling Setup dialog box as shown below.2. Enter the desired number of samples to record and then click “OK”. The data willbegin plotting on the graph (as shown below).Custom Scale: Configure the vertical scale.•Enter the minimum scale value in the minimum edit box (as shown above). •Enter the maximum scale value in the maximum edit box.Auto scale: Select Auto Scale to allow the vertical scale to be automatically configured based on the data plot.Custom scale: Select Custom Scale to configure the vertical scale as described above. Graph Format: Configure the graph and data format.The “Data Visible” check box allows the user to show/hide the data on the graph.The HORIZONTAL and VERTICAL check boxes allow the user to add/remove grid lines from horizontal and vertical axis.The “Mark Points” feature shows the individual data points on the graph.“Save the setting” allows the user to save the settings with the document.Click these buttons in the Graph Format window to open the color selector chart for the related feature (the color chart is shown below).Zoom in: When the ZOOM IN icon is selected, the icon will highlight1. Press the left mouse button and drag a rectangle around the area to beexpanded.2. Release the mouse button.3. Use the scrollbar to scroll through the data.Zoom out: Zoom out to the full view by clicking.Cursor: When the cursor icon is selected, the icon will highlight When the cursor mode is selected:•Click a data point on the graph to indicate its value.•Click on or near a data point to indicate the value of the data point. The data point selected can be changed by navigating the cursor or by: •Using the clicking method.•Clicking and dragging the mouse horizontally in the graph..Click the “Data List” Tab to open the Data List window (as shown below).File Save and File Open1. Click the icon to open the file save dialog box.2. Name the file and save it using the default extension. The file will be saved withthe “.recorder” extension to be reopened in the Multimeter software program and also as a “.xls” file to be opened in a spreadsheet program.3. To open an existing data file for viewing on the data graph window, click on theicon and select a “. recorder” document.Print graph and listPrint Setup:Print Preview: Preview the data graph or the data list. Print: Print the graph or the list.WARRANTY/DISCLAIMEROMEGA ENGINEERING, INC. warrants this unit to be free of defects in materials and workmanship for a period of 13 months from date of purchase. OMEGA’s WARRANTY adds an additional one (1) month grace period to the normal one (1) year product warranty to cover handling and shipping time. This ensures that OMEGA’s customers receive maximum coverage on each product.If the unit malfunctions, it must be returned to the factory for evaluation. OMEGA’s Customer Service Department will issue an Authorized Return (AR) number immediately upon phone or written request.Upon examination by OMEGA, if the unit is found to be defective, it will be repaired or replaced at no charge. OMEGA’s WARRANTY does not apply to defects resulting from any action of the purchaser,including but not limited to mishandling, improper interfacing, operation outside of design limits, improper repair, or unauthorized modification. This WARRANTY is VOID if the unit shows evidence of having been tampered with or shows evidence of having been damaged as a result of excessive corrosion;or current, heat, moisture or vibration; improper specification; misapplication; misuse or other operating conditions outside of OMEGA’s control. Components in which wear is not warranted, include but are not limited to contact points, fuses, and triacs.OMEGA is pleased to offer suggestions on the use of its various products. However, OMEGA neither assumes responsibility for any omissions or errors nor assumes liability for any damages that result from the use of its products in accordance with information provided by OMEGA, either verbal or written. OMEGA warrants only that the parts manufactured by the company will be as specified and free of defects. OMEGA MAKES NO OTHER WARRANTIES OR REPRESENTATIONS OF ANY KIND WHATSOEVER, EXPRESSED OR IMPLIED, EXCEPT THAT OF TITLE, AND ALL IMPLIED WARRANTIES INCLUDING ANY WARRANTY OF MERCHANTABILITY AND FITNESS FOR A PARTICULAR PURPOSE ARE HEREBY DISCLAIMED. LIMITATION OF LIABILITY: The remedies of purchaser set forth herein are exclusive, and the total liability of OMEGA with respect to this order, whether based on contract, warranty, negligence, indemnification, strict liability or otherwise, shall not exceed the purchase price of the component upon which liability is based. In no event shall OMEGA be liable for consequential, incidental or special damages.CONDITIONS: Equipment sold by OMEGA is not intended to be used, nor shall it be used: (1) as a “Basic Component” under 10 CFR 21 (NRC), used in or with any nuclear installation or activity; or (2) in medical applications or used on humans. Should any Product(s) be used in or with any nuclear installation or activity, medical application, used on humans, or misused in any way, OMEGA assumes no responsibility as set forth in our basic WARRANTY /DISCLAIMER language, and, additionally, purchaser will indemnify OMEGA and hold OMEGA harmless from any liability or damage whatsoever arising out of the use of the Product(s) in such a manner.RETURN REQUESTS/INQUIRIESDirect all warranty and repair requests/inquiries to the OMEGA Customer Service Department. BEFORE RETURNING ANY PRODUCT(S) TO OMEGA, PURCHASER MUST OBTAIN AN AUTHORIZED RETURN (AR) NUMBER FROM OMEGA’S CUSTOMER SERVICE DEPARTMENT (IN ORDER TO AVOID PROCESSING DELAYS). The assigned AR number should then be marked on the outside of the return package and on any correspondence.The purchaser is responsible for shipping charges, freight, insurance and proper packaging to prevent breakage in transit.FOR WARRANTY RETURNS, please have thefollowing information available BEFOREcontacting OMEGA:1.Purchase Order number under which the productwas PURCHASED,2.Model and serial number of the product underwarranty, and3.Repair instructions and/or specific problemsrelative to the product.FOR NON-WARRANTY REPAIRS,consult OMEGA for current repair charges. Have the following information available BEFORE contacting OMEGA:1. Purchase Order number to cover the COST of the repair,2.Model and serial number of the product, and 3.Repair instructions and/or specific problems relative to the product.OMEGA’s policy is to make running changes, not model changes, whenever an improvement is possible. This affords our customers the latest in technology and engineering.OMEGA is a registered trademark of OMEGA ENGINEERING, INC.© Copyright 2012 OMEGA ENGINEERING, INC. All rights reserved. This document may not be copied, photocopied,reproduced, translated, or reduced to any electronic medium or machine-readable form, in whole or in part, without theprior written consent of OMEGA ENGINEERING, INC.Where Do I Find Everything I Need for Process Measurement and Control?OMEGA…Of Course!Shop online at SMTEMPERATUREⅪߜThermocouple, RTD & Thermistor Probes, Connectors, Panels & AssembliesⅪߜWire: Thermocouple, RTD & ThermistorⅪߜCalibrators & Ice Point ReferencesⅪߜRecorders, Controllers & Process MonitorsⅪߜInfrared PyrometersPRESSURE, STRAIN AND FORCEⅪߜTransducers & Strain GagesⅪߜLoad Cells & Pressure GagesⅪߜDisplacement TransducersⅪߜInstrumentation & AccessoriesFLOW/LEVELⅪߜRotameters, Gas Mass Flowmeters & Flow ComputersⅪߜAir Velocity IndicatorsⅪߜTurbine/Paddlewheel SystemsⅪߜTotalizers & Batch ControllerspH/CONDUCTIVITYⅪߜpH Electrodes, Testers & AccessoriesⅪߜBenchtop/Laboratory MetersⅪߜControllers, Calibrators, Simulators & PumpsⅪߜIndustrial pH & Conductivity EquipmentDATA ACQUISITIONⅪߜData Acquisition & Engineering SoftwareⅪߜCommunications-Based Acquisition SystemsⅪߜPlug-in Cards for Apple, IBM & CompatiblesⅪߜData Logging SystemsⅪߜRecorders, Printers & PlottersHEATERSⅪߜHeating CableⅪߜCartridge & Strip HeatersⅪߜImmersion & Band HeatersⅪߜFlexible HeatersⅪߜLaboratory HeatersENVIRONMENTALMONITORING AND CONTROLⅪߜMetering & Control InstrumentationⅪߜRefractometersⅪߜPumps & TubingⅪߜAir, Soil & Water MonitorsⅪߜIndustrial Water & Wastewater TreatmentⅪߜpH, Conductivity & Dissolved Oxygen InstrumentsM5139/0612。
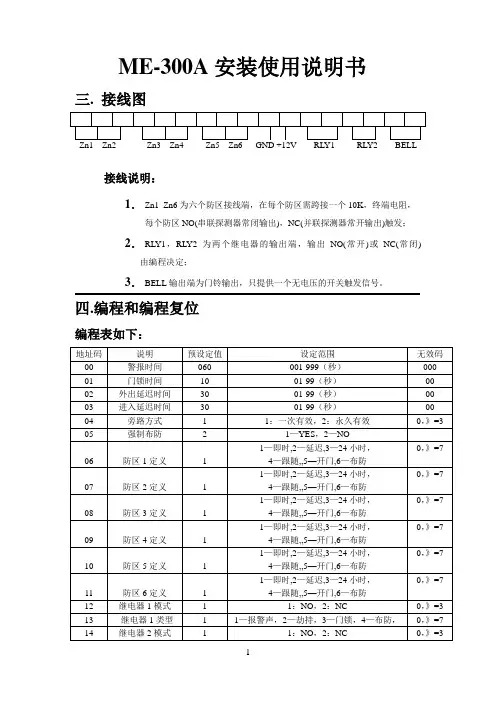
ME-300A安装使用说明书三. 接线图接线说明:1.Zn1_Zn6为六个防区接线端,在每个防区需跨接一个10K,终端电阻,每个防区NO(串联探测器常闭输出),NC(并联探测器常开输出)触发;2.RL Y1,RL Y2为两个继电器的输出端,输出NO(常开)或NC(常闭) 由编程决定;3.BELL输出端为门铃输出,只提供一个无电压的开关触发信号。
四.编程和编程复位编程表如下:系统需在撤防状态1.按“Prog”键;2.输入主码,按“#”键确认(如输入正确,撤/布防灯交替慢闪,提示处于编程地址码输入状态;如输入主码错误,则系统回到正常状态;3.输入编程地址码,按“#”键确认,布/撤防灯交替快闪(提示输入该地址码的编程数据);4.输入该地址码的编程数据,按“#”键确认,如输入正确,系统发出“嘟”的长声并自动跳回地址输入状态(撤防灯交替慢闪);如果输入错误,系统会发出四下短暂的“嘟”声提示无效,保持该地址的原设定值并自动跳回地址输入状态。
地址码00的设定值为三位数;01—03设定值为两位数;04—14设定值为一位数;密码为4—6位数。
5.如输入过程中发现输入错误,可按“*”退回到编程地址码输入状态(撤防灯交替慢闪),重新输入正确的地址码和数据,再按“#”确认;6.退出编程,按“*”键一次或两次,直到撤防灯长亮。
编程步骤摘要:A 按“Prog”键和输入主码,按“#”进入编程(撤防灯交替慢闪);B.输入编程地址码,按“#”键确认(布防灯交替快闪);C.输入编程数据,按“#”键确认(撤防灯交替慢闪);D.按“*”回到编程地址码输入状态或退出编程7.主码恢复:关电源,短路复位跳线,上电后听到连续的提示声,拔掉复位跳线即可。
五. 防盗功能操作1.外出布防:A.输入主码或客码,按“#”确认(如输入的密码正确且无延迟防区,系统立即进入布防状态,撤防灯灭,布防灯亮);B.如果有延迟防区,系统发出延迟声(撤防灯与延迟声同节奏闪动)并在最后15秒声音的速度加快。
iFIX 系统配置指南针对各种项目需求,为了帮助系统工程师和售前服务工程师更好地使用iFIX 及其组件配置企业级系统,本材料在各个方面给出了详尽的说明和例子,以便项目相关人员使用参考。
本材料所涉及的方面主要有如下几个主题:设备连接、iFIX 功能模块选取及数据库设计、网络设计、企业信息系统和资源调度系统集成及冗余系统设计。
第一章设备连接设备连接是一个工厂数据采集系统需要解决的首要问题,iFIX 可以提供与世界上各种知名设备的方便连接方式,同时提供通讯程序的开发工具包以使用户能将自行开发的非标设备连接到 iFIX 监控系统。
下面分几个方面阐述。
1.连接设备类型:iFIX 可以连接的设备种类有很多,主要类型有:DCS、PLC、控制器、远程模块、现场总线设备、条码阅读器、智能仪表、称重仪、其它计算机系统或特殊设备。
2.连接方式:iFIX 和设备的连接方式主要有如下几种:通过串行口连接,通过工业网络连接,通过标准以太网连接,其它方式如:电话拨号,微波设备,无线电传输,专线连接等。
3.使用的 iFIX 驱动程序:iFIX 驱动程序根据开发工具不同,分为 6.x 版本和7.x版本。
6.x版本的驱动程序使用驱动程序开发包 ITK 开发,可以在 WINDOWS95/98 和 WINDOWS NT 上运行。
6.x版本的驱动程序支持在同一台 PC 机上同时运行 8 个不同的驱动程序连接8 种不同设备。
驱动程序内置冗余功能,详见冗余系统描述。
7.x版本的驱动程序使用 ASDK或 OSDK ( OPC Toolkit)开发,只能在WINDOWS NT平台上运行。
7.x版本驱动程序提供 OLE Automation 界面,可以脱离 iFIX 单独运行,并能在 VB程序中引用其属性、方法。
此驱动程序采用 COM/DCOM技术,可以以 C/S结构安装运行。
即可以进行网络远程控制,如将 Client 部分安装在 iClient 上,通过网络控制 Server 部分的运行,进行远程驱动程序组态,控制运行及状态诊断。
AMI 300Multifunctional IAQ AnalyzerThe ALL-IN-ONE TOOL.......ConnectionInterchangeablemeasurement modules1 instrument = more than 1 range and 1 parameter available.Wireless connectionInstrument / PC Instrument / ProbeSmart-plus systemProbes automatically recognized whenconnected to the instrument.AMI 300 - Build Your Own KitPa++Dimensions (mm)Side viewFront view 185.4Supplied withCalibrationcertificateFunctions Multi-parameters recordingManual and automatic storage Memory : up to 12,000 measurement points or 50 datasets User-friendly with printing of customized report Management of instruments pool, follow-up of calibration periods Intervention planning Wired or wireless interfaceAdjustable ranges Minimum / maximum values and hold function StorageSelection of units Minimum / maximum values and hold function StorageAIR QUALITY PROBES Audible Alarm (2 setpoints) CO maximum Selection of units Minimum / maximum values and hold functionStorageCLIMATIC CONDITIONS MODULEThermocouple module, Pt100 and thermocouple temperature probes Dynamic delta T Selection of units Minimum / maximum values and hold function Alarme (upper and lower setpoints) StoragePRESSUREAutomatic or manual self-calibration Selection of units Pressure integration (0 to 9) Point/point, automatic point/point, automatic average Minimum / maximum values, Hold, standard deviation StorageAIR VELOCITY AND AIRFLOWSelection of Pitot tube, Debimo blades, Hot-Wire orfactor for other sensing elements Selection of duct type Selection of units Point/point, automatic point/point, automatic average Manual or automatic temperature balancing Manual air pressure balancing K2 factor Minimum / maximum values, hold, standard deviation StorageHYGROMETER Selection of units Minimum / maximum values and hold function StoragePSYCHROMETER Dew point, wet temperature, enthalpy, absolute temperature Minimum / maximum values and hold function StorageWBGT indexFor hygrometry probe with black ball. Calculation of comfort index inside / outside StorageTechnical featuresDatalogger-10Sensing elementsPressure modules Piezoresistive sensorOverpressure allowed ±500 Pa : 250 mbar Overpressure allowed ±2500 Pa : 500 mbar Overpressure allowed ±10,000 Pa : 1,200 mbar Overpressure allowed ±500 mbar : 2 bar Overpressure allowed ±2,000 mbar : 6 barHotwire : Thermistance with a negative temperature coefficient. Ambient temperature : Pt100 1/3 Din.Ø 70 and 100 mm vane probes : Hall effect sensor Ambient temperature : Pt100 class A.Ø 14 mm vane probe : Proximity sensor Ambient temperature : Pt100 class A.Hygrometry/Temp. Probe : capacitive sensor, Pt100 1/3 DIN Thermocouple probes : type K, J and T class 1Pt100 probes Smart-plus : Pt100 class 1/3 Din Climatic conditions moduleHygrometry : capacitive sensor Temperature : semiconductor sensor Air pressure : piezoresistive sensorAir quality probesCO 2 : NDIR sensorCO : electrochemical sensor Temperature : Pt100 class A Hygrometry : capacitive sensorClimatic conditions moduleHygrometry : capacitive sensorTemperature : semiconductive sensor Air pressure : piezoresistive sensorMultifunction probeAir velocity : Thermistance with a negative temperature coefficient.Hygrometry/Temp.: capacitive sensor, Pt100 1/3 DINTachometry probeOptical : optical sensorContact : optical probe with ETC adaptor Instrument connectionsOn the top :2 secured mini-DIN connectors for SMART-Plus probes Left side :1 USB port for EIG cable only 1 power supply plug Module connectionsT hermocouple4 inputs for compensated miniatureplug of thermocouple type K, J or T Class 1(as per IEC 584-3norm) Pressure2 pressure connectors Ø 6.2 mm made of nickelled brass. 2 threaded pressure connectors Ø 4.6 mm made of nickelled brass+ 1 thermocouple temperature input for miniature connectorsCurrent / voltage module 2 stereo jacksDisplayGraphic display 320x240 pixels Dim. 70 x 52 mm, color displayDisplay of 6 measurements (including 4 simultaneously)HousingIP54, ABS shock-proofKeypad Metal-coated, 5 keys, 1 joystick ConformityElectromagnetical compatibility (NF EN 61326-1 norm)Power supply4 alkaline batteries 1.5V LR6 Included Operating environment Neutral gasOperating temperature from 0 to 122°F (0 to 50°C)Storage temperature from 0 to 176°F (-20 to +80°C)Auto shut-off adjustable from 0 to 120 min Weight 13.4 oz. (380g)LanguagesEnglish, French, Dutch, German, Italian, Spanish, Portuguese, Swedish, Norwegian, Finn, DanishSpecificationsInH 2O, Pa, mmH2O,mbar, hPa, mmHg, DaPaV, mAfrom 0 to ±500 Pa from 0 to 2.5 V from 0 to 10 Vfrom 0 to 4/20 mA from 0 to ±2500 Pa 1Pa from 0 to ±10,000 Pa 1Pa CURRENT/VOLTAGEPRESSUREfrom -200 to +1,300°C from -100 to +750°C from -200 to +400°C 0.1 °C 0.1 °C 0.1 °C °C, °FK :J :T :Measuring UnitsMeasuring RangeAccuracy*Resolutions*All accuracies indicated in this document were stated in laboratory conditions and can be guaranteed for measurements carried out in the same conditions, or carried out with required compensation. **The accuracy is expressed either by a deviation in °C, or by a percentage of the value concerned. Only the bigger value is considered.m/s, fpm, Km/h, mph from 2 to 5 m/s from 5.1 to 100 m/s ±0.3 m/s±0.5% of reading ±0.2m/s 0.1 m/s from 0 to 99,999m 3/h ±0.2% of reading ±1% PE 1 m 3/h m 3/h, cfm, l/s, m 3/s Air velocityAirflowAirflowAir velocitym/s, fpm, Km/h, mph from 4 to 20 m/s from 21 to 100 m/s±0.3 m/s±1% of reading ±0.1m/s 0.1 m/s 0.1 m/s from 0 to 99,999m 3/h±0.2% of reading ±1% PE1 m 3/hm 3/h, cfm, l/s, m 3/sHygro.Air pressure%RH from 5 to 95%RH See datasheet for interchangeablemeasurement modules0.1 % RH from 800 to 1100 hPa 1 hPa Temp.from -20 to +80°C 0.1 °C °C, °F from 0.15 to 3 m/s from 3 to 30 m/s ±3% of reading ±0.03 m/s 0.01 m/s 0.1 m/s m/s, fpm, Km/hAir velocity ±3% of reading ±0.1 m/s TemperatureAirflowfrom -20 to +80°C ±0.3% of reading ±0.25°C0.1 °C °C, °F from 0 to 99,999 m 3/h ±3% of reading ±0.03*area(cm 2)1 m 3/h m 3/h, cfm, l/s, m 3/s 0.01 m/s 0.1 m/s m/s, fpm, Km/hAir velocity TemperatureAirflowfrom -20 to +80°C ±0.4% of reading ±0.3°C 0.1 °C °C, °F from 0 to 99,999 m 3/h ±3% of reading ±0.03*area (cm 2) 1 m 3/h0.1 m/s m/s, fpm, Km/h Air velocity Airflow from 0 to 99,999 m 3/h ±3% of reading ±0.03*area (cm 2) 1 m 3/h m 3/h, cfm, l/s, m 3/sTHERMOCOUPLECLIMATIC CONDITIO NSHOTWIRE - Standard and/or Tele scopic -Ø 100 mm VANE PROBEØ 70 mm VANE PROBE0.1 m/s m/s, fpm, Km/hAir velocity TemperatureAirflowfrom -20 to +80°C ±0.4% of reading ±0.3°C0.1 °C °C, °F from 0 to 99,999 m 3/h ±3% of reading ±0.03*area (cm 2) 1 m 3/h m 3/h, cfm, l/s, m 3/sØ 14 mm VANE PROBEPITOT TUBEDEBIMO blades°C, °F ppm ppm %RH from -20 to +80°C 0.1 °C from 0 to 5000 ppm from 0 to 1,000 ppm from 5 to 95% RH 1 ppm Air quality probes : CO / CO 2 / temperature / Hygrometry0.1 % RH STANDARD HYGROM ETRY probe% RHfrom 3 to 98 %RH0.1 % RH STDRelative humidityAbsolute humidity / enthalpyDew pointAmbient temperatureg/Kg / Kj/Kg 0.1 g/Kg from -50 to +80°C td ±0.6% of reading ±0.5°C td 0.1 °C td °C td , °F td from -20 to +80°C0.1 °CHIGH TEMPERATURE HYGROMETRY prob e% RH from 3 to 98 %RH0.1 %RH Relative humidityDew pointAmbient temperatureg/Kg / Kj/Kg 0.1 g/Kg from -50 to +80°C td 0.1 °C td °C td , °F td from -40 to +180°C0.1 °CPt100 Smart-Plus pro bes (See related data sheet)m 3/h, cfm, l/s, m 3/s+±0.2% of reading ±2Pa ±0.2% of reading ±10Pa 0.001 V 0.01 V 0.01 mA ±2mV ±10mV ±0.01mA±1.1°C or ±0.4% of reading**±0.8°C or ±0.4% of reading**±0.5°C or ±0.4% of reading**hPa See related datasheet ''Portable probes''°C, °F°C, °FH.T±0.3% of reading ±0.25°C See related datasheet ''Portable probes''±0.6% of reading ±0.5°C td ±0.3% of reading ±0.25°CSee related datasheet ''Portable probes''According to temperature and hygrometry measuring rangesAbsolute humidity / enthalpyAccording to temperature and hygrometry measuring rangesTemperaturefrom -20 to +80°C ±0.4% of reading ±0.3°C 0.1 °C °C, °F TemperatureCO 2CORelative humidityMULTIFUNCTION prob es (See datasheet ''P ortable probes'')TACHOMETRY probe (See datasheet ''Por table probes'')from 0 to ±500 mBar 0.1mBar ±0.3% of reading ±0,5mBar from 0 to ±2000 mBar 1mBar±0.3% of reading ±2mBar 1 ppm from 0.25 to 3 m/s from 3 to 35 m/s ±3% of reading ±0,1m/s ±1% of reading ±0,3m/s from 0 to 3 m/s from 3 to 35 m/s ±3% of reading ±0,1m/s ±1% of reading ±0,3m/s ±3% of reading ±0,1m/s ±1% of reading ±0,3m/sfrom 0.8 to 3 m/s from 3 to 40 m/s± 100 Pa : ±0.2% reading ±0.8Pa,beyond ±0.2% reading ±1.5Pa,0.1 Pa from -100 to +100 Pa, 1 Pa beyondSupplied with ...DESCRIPTIONPressure module from 0 to ±500 Pa Pressure module from 0 to ±2500 Pa Pressure module from 0 to ±10000 Pa Pressure module from 0 to ±500 mBar Pressure module from 0 to ±2000 mBar Current / voltage module w/ Cables Thermocouple module Climatic conditions module2x1 m silicone tube Ø 4 x 7 mm * Stainless steel tips Ø 6 x 100 mm *Pitot tube Ø 6mm, lg. 300 mm Pitot tube Ø 6mm, lg. 300 mm T Pitot tube Ø 6mm, lg. 300 mm S Optical tachometry probe ETC adaptor Reflective tape Standard hotwireStraight extension for hotwireTelescopic gooseneck-shaped hotwire SMART-Plus Ø 14 mm vane probeTelescopic SMART-Plus Ø 14 mm vane probe SMART-Plus Ø 70 mm vane probe Wireless Ø 70 mm vane probeSMART-Plus Ø 100 mm vane probe Wireless Ø 100 mm vane probeSMART-Plus standard hygrometry probe Wireless standard hygrometry probeSMART-Plus high temperature hygrometry probe Wireless high temperature hygrometry probe SMART-Plus Pt100 temperature probe Wirelesss Pt100 temperature probe Thermocouple K, J and T probe CO 2 / temperature probeCO / temperature probeCO 2 / temperature / Hygrometry probe Air velocity/ Temperature / Hygrometry probe PC Software, USB Cable & Memory Calibration Certificate Transport caseAMI 300OptionADSAccessories (See related datasheet)Warranty periodInstruments have 1-year guarantee for any manufacturing defect (return to our Service Department).Supplied withDatalogger-10KPIJ 20 – 50 – 100 – 200 - 600RTSCE 300GSTADSRD 300JACCHABNDatalogger-10 PC software for data recording andprocessing. Wired (LPCF) or wireless (LPCR) interface.Ammeter clamp with PVC cable lg. 2m and jack connector.Telescopic extension, length 1 m, bent at 90° for measuring probe.BNF Hotwirecleaning spray Airflow cones(See related datasheet)K 25 - 35 - 75 - 120 - 150Silicone heat conductive grease for temperature probesDebimo airflow blades of different sizesBlack ball Ø 150mm with junction for temperature probe Ø 4.5mm. Furtherdimensions available.Straight extension for hotwire Ø 10 mm. lg. 300 mmSilicone tube & crystal flexible tubeSet of 4 LR6 batteries4 batteries chargerAdaptor for power supply 120 VacHands-free protective coverSee related datasheetSee related datasheet*Supplied w/ ANY choose of Pressure ModulesE Instruments International P: 215-750-1212F: 215-750-1399A: 402 Middletown Blvd, Ste 216, Langhorne, PA 19047。
智能流量频率变送仪表使用说明书一、概述●适用范围本系列智能数字显示流量频率仪表是智能型、高精度的数显流量频率控制测量仪表,与涡街、涡轮、电磁流量计频率传感器及变送器配接可构成各种量程和规格的流量频率测控系统。
(可以测量电压、电流、转速、频率等各种参数,可与PLC变频器配接构成各种测量系统。
可以带峰值,谷值。
订货请来电说明。
)二、主要技术指标基本误差:0.2%FS,14位A/D转换器(最大18位A/D转换器,订货时注明)。
输入信号:·NPN、PNP、开关量·电流: 0~10mA、4~20mA等(输入阻抗≤250Ω)·电压: 0~5V、1V~5V、mV等(输入阻抗≥1MΩ)采样周期:0.2S(10~200次/秒,用户可选)显示:双排4位LED数码管显示。
报警输出:仪表可带多个继电器输出,继电器触点容量 AC220V/5A或AC220V/1A。
最多可带16个继电器,可选择上限、下限控制,控制设定值和回差值全量程内自由设定变送输出:4~20mA、0~10/20mA(负载电阻≤250Ω,负载过大需注明)1~5V、0~5V、0~10V(负载电阻≥200KΩ)。
采用12位数字D/A芯片,隔离输出。
通讯输出:隔离通讯接口RS485/RS232 波特率1200~9600bps馈电输出:DC24V/30mA、DC12V/30mA温度补偿:0~50冷端温度自动补偿,误差:±1℃电源:开关电源 85~265VAC或DC24V或DC12V功耗:4W环境温度:(-20~70)℃(常温下开机运行30分钟后,可逐渐承受极限温度)(0~50)℃ (热电偶信号输入)相对湿度:≤85% 无凝露避免在带有腐蚀性和易燃易爆气体中使用面板尺寸: 160mm×80mm、96mm×96mm、96mm×48mm、72mm×72mm、48mm×48mm(本公司仪表自行研发生产,种类多,功能全,如用户可选快速采样,最快可以500次/秒,高精度18位A/D 采集,高精度16位D/A输出,输入信号20段曲线修正,满5位显示或6位显示,液晶显示,特殊的输入信号,多个继电器报警蜂鸣器输出,大功率的馈电输出等,订货时注明)三、端子接线⑴C规格96×48×100尺寸的仪表四、操作说明(一)按键功能■—在设定状态时,用于切换显示参数提示符和相应的设定值。
PACSCAN系列300A 〃 300P 〃 300APA-扫描仪/测厚计操作手册SONOMED, 有限公司ESCALON 医药公司分公司3000 MARCUS大街LAKE SUCCESS, NY 11042, USA电话 800-227-1285516-354-0900传真 516-354-5902版权所有© 2002、2003年Sonomed 有限公司保留所有版权无Sonomed 有限公司书面许可,任何集体与个人不得复制出版此出版物中的任何内容。
Sonomed 有限公司享有变更说明手册内容的权利在美国以循环证件的形式印刷DOC# 0300-A-1901-3D表格内容第1部分引言1.1 A-扫描仪使用特点 1-1 1.2 测厚计使用特点 1-2第2部分仪器启动2.1 打开包装 2-12.2 安全性注意事项 2-2仪器标识性条款本手册中使用的条款一般性注意事项一般性警告2.3 系统设臵 2-4连接附件工作打印机设臵电源增频检测使用触摸屏屏幕对比度调整日期与时间设臵第3部分 A-扫描仪操作与临床使用3.1 A-扫描仪选择设臵模式 3-13.2 校正 3-1 3.3 系统设臵 3-2进入用户信息系统进入病人信息系统3.4 病人准备 3-43.5 病人检查 3-4直接接触扫描,自动俘获模式直接接触扫描,手动模式水浸技术进行IOL计算打印3.6 错误类型及规避注意事项 3-11角膜压缩A-扫描模式检测模式第4部分测厚计操作与临床使用4.1 测厚计设臵模式 4-14.2 测量精确度与 4-1探针敏感性试验4.3 系统设臵 4-2进入用户信息系统进入病人信息系统测量偏差角膜测量速度4.4 病人准备 4-3 4.5 病人检查 4-3测量模式测量-单点单项读取测量-单点多项读取测量-多点单项读取测量-多点多项读取测量过程疑难解决打印4.6 检测对象 4-8角膜压缩A-扫描模式检测模式第5部分维护与维修5.1 常规维护 5-1系统一般检查清洁存储探针一般检查5.2 A-扫描仪功能性检测 5-2校正检测敏感性检测5.3 测厚仪功能性检测 5-3测量精确性检测探针敏感性检测5.4 疑难解答 5-55.5 质量保证 5-6第6部分系统详述生理性系统 6-1电系统 6-1环境系统 6-1接触界面 6-1显示器 6-1探针 6-1探针 6-1打印机(工作的) 6-1辅助零件 6-1A-扫描仪系统操作 6-2测厚仪系统操作 6-2符号 6-3附录速度表格附录-1IOL常数表格附录-3HAIGIS IOL 公式附录-5第1部分引言PACSCAN TM系列产品是由Sonomed公司引领生产的最新一代眼科测量仪器。
PM-3033-MTCP3-Phase Smart Power MeterQuick Start GuideProduct Website:https:///pm_3033_mtcp1. IntroductionThe ICP DAS PM-3033-MTCP is a three phase smart power meter that communicates over Modbus TCP for energy monitoring and analysis. It allows users to have real time access to their power consumption by providing power measurements. It supports 10-500V, 1A or 5A and50/60Hz. The PM-3033-MTCP not only supports low voltage on the primary side of the power monitoring system but also the medium/high voltage on the secondary side. Based on the success of our previous smart power meters, this new PM-3033-MTCP no longer uses dedicated CT's, which helps users lower their implementation costs. Users can take direct input from the “secondary side 1A/5A” type CT's. It operates over a wide voltages input range of 10 ~ 500 VAC to ensure worldwide voltage compatibility. It supports Modbus TCP for easy integration with other I/O and SCADA system.2.1. Caution & WarningThe meter contains hazardous voltages, and should never be disassembled. Failing to follow this practice will result in serious injury or death. Any work on or near energized meters, meter sockets, or other metering equipment could induce a danger of electrical shock. It is strongly recommended that all work should be performed only by qualified industrial electricians and metering specialist. ICP DAS assumes no responsibility if your electrical installer does not follow the appropriate national and local electrical codes.ICP DAS assumes no liability for any damage resulting from the use of this product. ICP DAS reserves the right to change this manual at any time without notice. The information furnished by ICP DAS is believed to be accurate and reliable. However, no responsibility is assumed by ICP DAS for its use, not for any infringements of patents or other rights of third parties resulting from its use.2.2. Product Warranty & Customer SupportICP DAS warrants all products free from defects in material and workmanship for a period of one year from the date of shipping. During the warranty period, we will, at our position, either repair or replace any product that proves to be defective.To report any defect, please contact :+310-517-9888 or *******************2.2.1. Limitation of WarrantyThis warranty does not apply to defects resulting from unauthorized modification, misuse, or use for reason other than electrical power monitoring. The supplied meter is not a user-serviceable product.3. InstallationPlease use the soft dry clothes to clean the instrument.Please do not use any chemical or detergent or volatile solvents to clean the instrument, in order to avoid any possibility of the cover damage.3.1.•Dimension: 127mm(length)× 33mm(wide)× 105mm(high)•Please read this operation manual carefully before using.•Please re-confirm the measure position.•Reconfirm the RST (ABC) phase sequence of the power system.•PM-3133 series can be installed as rail mounting mode or embedded, no need to drill a hole or screw to fix it (rail mounting width can up to the length of 35 mm).•Meter auxiliary power for PM-3133 series is DC +12V ~+48V.3.2. Voltage Input1. PM-3033 series: Input Voltage up to 500V. For any higher Input Voltage large than 500V,please add the PT (power transformer), and Change PT RATIO setup.2. Confirm the RST (ABC) phase sequence.3.3. Current Input1. CT with secondary side output 1A/5A can be connected directly.2. The current direction must follow K-L marked on CT’s.3.4. ConnectionPlease firstly check the current input terminal. Make sure the arrow direction sign on Primary CT’s follows current flow direction(K→L).Note: it must be in the same direction.Connect the voltage input terminal N C B A. for PM-3033 series, in the three phase order as follows on N C B A.Attention please!! For 3P3W-2CT, connect in N C A phase sequence, do not connect phase B (Check the diagram).- LED IndicatorThe PM-3033 series has 2 LED to indicate the unit power status,communication, and power data calculation.RUN: Green, light up after communication ready. LED will flash when the unit is processing communication.PWR: Red, Power on LED always on.4. Communication。
信息化建设项目PM项目管理系统操作说明书文档编号:PM-001作者:信息化小组版本:V1.0创建日期:20XX年9月10日文档说明此文档说明适用于《建筑云PM项目系统操作说明书》。
文档类别此文档属于项目实施的重要过程文档,是系统管理员日常工作的必要参考和重要依据。
编写目的为系统操作人员的日常工作提供必要的支持和帮助,从而确保系统能够平稳运行,并且帮助系统操作人员更加快速有效地解决系统运行过程中出现的问题。
使用方法此文档甲方项目经理提供模板,双方项目经理结合客户的具体情况共同编辑完善,最后作为项目的成果保存给客户,并发放系统操作人员使用。
文档依据《系统运行管理制度》使用对象该文档使用人员包括:项目领导、项目组成员及其它项目相关人员;项目领导、项目组成员及其他项目相关人员;获得授权的第三方人员。
编制工具MicrosoftWord20XX文档控制文档变更记录文档审核记录文档去向记录目录文档说明 (2)文档控制 (3)第一章系统概述 (6)1.1产品介绍 (6)1.2主要功能 (6)1.3产品接口 (8)1.4操作规程 (8)1.5操作说明 (8)1.6系统通用操作 (9)1.6.1单击操作 (9)1.6.2导航介绍 (9)1.6.3添加操作 (9)1.6.4编辑操作 (10)1.6.5删除操作 (11)1.6.6查询操作 (11)1.6.7打印操作 (12)1.6.8多附件上传操作 (13)1.6.9导出操作 (15)第二章项目管理 (16)2.1项目管理系统概述 (16)2.1.1系统功能框架 (17)2.1.2系统分层应用逻辑 (17)2.2项目信息 (18)2.3(A)投标管理 (19)2.3.A1系统概述 (19)2.3.A2应用逻辑 (20)2.3.A3主要功能 (21)2.3(B)招标管理 (22)2.3.B1系统概述 (22)2.3.B2应用逻辑 (23)2.3.B3主要功能 (24)2.4合同管理 (25)2.4.1系统概述 (25)2.4.2应用逻辑 (26)2.4.3主要功能 (26)2.5进度管理 (31)2.5.1系统概述 (31)2.5.2应用逻辑 (32)2.5.3主要功能 (32)2.6成本管理 (35)2.6.1系统概述 (35)2.6.2应用逻辑 (36)2.6.3主要功能 (36)2.7质量管理 (41)2.7.1系统概述 (41)2.7.2应用逻辑 (42)2.7.3主要功能 (42)2.8安全管理 (45)2.8.1系统概述 (45)2.8.2应用逻辑 (46)2.8.3主要功能 (46)2.9技术管理 (50)2.9.1系统概述 (50)2.9.2应用逻辑 (51)2.9.3主要功能 (51)2.10物资管理 (54)2.10.1系统概述 (54)2.10.2应用逻辑 (55)2.10.3主要功能 (55)2.11设备管理 (56)2.11.1系统概述 (56)2.11.2应用逻辑 (57)2.11.3主要功能 (57)2.12环境管理 (59)2.13竣工管理 (59)2.13.1系统概述 (59)2.13.2应用逻辑 (60)2.13.3主要功能 (60)2.14相关方管理 (62)2.14.1系统概述 (59)2.14.2主要功能 (60)第三章流程中心 (63)3.1工作流程发起 (63)3.2我的流程 (64)3.2.1我的待办任务 (64)3.2.2我发起的流程 (66)3.2.3我参与的流程 (67)3.2.4流程委托他人 (68)3.2.5发起工作流程 (70)第一章系统概述1.1产品介绍PM项目管理系统(以下简称PM系统)是为配合公司企业信息化建设顺利实施研制的管理系统。
GTBS TB.0466.010技术说明书 三相智能电力仪表EMI300广州东芝白云电器设备有限公司G T B S 版权所有(Ver.1.2.0)重要声明1.本文档为EMI300产品配置使用指导手册。
其内容将随着产品不断升级而改变,恕不另行通知。
如需要本手册最新版本,请与广州东芝白云电器设备有限公司联系。
2.对因未按本手册规定进行操作而产生的任何损害,本公司不负任何责任。
3.请在使用本产品之前,认真阅读配套的使用手册。
当您开始使用EMI300时,本公司认为您已经阅读了本手册。
目录1概述 (7)1.1 EMI300功能描述 (7)1.2 产品特点 (8)1.3 EMI300产品系列 (8)2安装 (10)2.1 外观 (10)2.2 安装方法 (11)2.3 EMI300的接线 (13)2.3.1 接线端子定义 (13)2.3.2 三相系统接线方法 (14)2.3.3开关量(DI)输入信号的连接 (17)2.3.4继电器输出 (18)2.3.5 DO输出 (18)2.3.6 通讯 (19)3测量及功能介绍 (20)3.1 实时时钟 (20)3.2 基本电气量 (20)3.3 能量与需量 (20)3.4 电力品质 (20)3.5 统计 (22)3.6 I/O (22)3.7 脉冲电度输出 (22)3.8 事件报警 (23)3.8.1 事件报警不等式设定 (23)3.8.2 事件报警状态 (25)3.8.3 事件报警记录 (25)3.9 通讯 (25)4基本操作与使用 (26)4.1 显示屏与操作按键 (26)4.2 电流电压数据显示 (28)4.3 功率相关数据显示 (29)4.4 电度相关数据显示 (30)4.5 电能质量相关数据显示 (31)4.6 统计数据显示 (32)4.7 参数的设定 (33)4.7.1 密码询问 (33)4.7.2 通讯地址 (34)4.7.3 通讯波特率 (34)4.7.5 电流接线方式 (34)4.7.6 PT变比 (34)4.7.6 PT变比 (35)4.7.7 CT变比 (35)4.7.8 DO1工作模式 (35)4.7.9 DO1脉冲电度输出选择 (35)4.7.10 DO2工作模式 (36)4.7.11 DO2脉冲电度输出选择 (36)4.7.12 DO脉冲宽度 (36)4.7.13 电度量输出脉冲常数 (36)4.7.14 继电器1工作方式 (36)4.7.14 继电器1工作方式 (37)4.7.15 继电器1脉冲宽度 (37)4.7.16 继电器2工作方式 (37)4.7.17 继电器2脉冲宽度 (37)4.7.18 背光灯点亮时间 (37)4.7.18 背光灯点亮时间 (38)4.7.19 需量滑动窗口时间 (38)4.7.20 最值清除 (38)4.7.21 日期 (38)4.7.22 时间 (39)4.7.23 密码设定 (39)5通讯 (40)5.1 MODBUS协议简述 (40)5.1.1 传输方式 (40)5.1.2 协议 (40)5.1.3 数据帧格式 (40)5.1.4 地址(Address)域 (40)5.1.5 功能(Function)域 (40)5.1.6 数据(Data)域 (41)5.1.7 错误校验(Check)域 (41)5.1.8 错误检测方法 (41)5.1.9 Modbus事务处理模型 (41)5.2 通信应用格式说明 (42)5.2.1 读取线圈状态信息(功能码01) (42)5.2.2 读取离散量DI状态信息(功能码02) (42)5.2.3 读取保持寄存器(功能码03) (43)5.2.4 改写单个线圈状态信息(功能码05) (43)5.2.5 改写多个保持寄存器(功能码16) (44)5.3.EMI300数据模型 (44)5.4.数据点表 (45)5.4.2事件报警状态 (45)5.4.3 DO输出 (45)5.4.4基本电气量 (46)5.4.5电能质量 (47)5.4.6电度 (48)5.4.7系统参数 (48)5.4.9时间 (49)5.4.10统计数据 (49)5.4.11 事件报警设定 (55)5.4.12 事件报警记录 (56)附录 (58)附录A: 技术参数与规格 (58)1.额定输入 (58)2.测量精度 (58)附录B: 订货说明 (60)图1.1 装置外形图EMI300的应用领域包括:¾变配电自动化¾中、低压配电系统¾工业自动化¾智能建筑¾能源管理系统¾工业机器设备1.2 产品特点多功能、高精度EMI300系列多功能智慧型电表具有强大的数据采集和处理功能,可以测量常用电气量,包括电压、电流、功率、频率等,同时还具有需量测量、谐波分析、最大/最小值统计、越限报警等功能。