ZD6系列电动转辙机说明书
- 格式:doc
- 大小:19.40 MB
- 文档页数:18
专业:铁道通信信号制作成员:严振平、杨朝、李梦序言ZD6电动转辙机是目前用量最大的转辙机之一,它的用途是改变道岔开通方向,锁闭道岔,反映道岔的位置状态。
ZD6系列电动转辙机广泛应用于国家铁路、城市轨道交通、地方铁路,ZD6系列电动转辙机适用于时速120km/h以下的普通单开道岔和复式交分道岔,根据对道岔的保护方式分为可挤和不可挤型两种;根据对道岔的锁闭方式又可分为单锁闭和双锁闭。
它可以单机牵引道岔,也可以通过系列中不同型号转辙机的相互匹配实现双机牵引道岔,从而满足不同道岔的需要。
本手册适用于ZD6电动转辙机维护,学习关于ZD6电动转辙机的基本知识,安装调试和维护方法,以及检修和检修作业程序。
目录一、ZD6电动转辙机概述 (3)1、用途 (3)2、作用 (3)3、工作环境 (4)4、结构 (4)二、安装和调试 (6)三、保养及维护 (10)1、巡视 (10)2、日检查 (11)3、月检查 (13)4、季检查 (14)5、年检查 (14)四、ZD6电动转辙机检修作业程序 (16)一、工具 (16)二、材料 (16)一、ZD6电动转辙机概述转辙机是道岔控制系统的执行机构。
用于转换锁闭道岔尖轨或心轨,表示监督联锁区内道岔尖轨或心轨的位置和状态。
1、用途ZD6系列电动转辙机是用于铁路电气集中站场,用来改变道岔开通方向,锁闭道岔尖轨,反映道岔尖轨位置状态的设备。
2、作用(1)转换道岔的位置,根据需要转换至定位或反位;(2)转换道岔至所需位置而且密贴后,实现锁闭,为防止外力转换道岔;(3)正确的反应道岔的实际位置,道岔的尖轨密贴于基本轨后,给出相应的表示;(4)道岔被挤或因故处于“四开”(两侧尖轨均不密贴)位置时,及时给出报警及表示。
3、工作环境(1)大气压力不低于70Kpa(海拔高度不超过3000m);(2)周围空气温度-40℃~70℃;(3)空气相对湿度不大于90%(25℃)4、结构ZD6电动转辙机:由电动机、减速器、自动开闭器、表示杆、动作杆、主轴、锁闭齿轮、齿条块、机盖、移位接触器、底壳等。
ZD6系列电动转辙机使用说明书天津铁路信号有限责任公司目录一.概述------------------------------------------------------------------------21.1 用途 ------------------------------------------------------------------------21.2 功能 ------------------------------------------------------------------------21.3 主要技术指标 ----------------------------------------------------------------21.3.1 转辙机的型号及其含义 ------------------------------------------------------21.3.2 转辙机的主要技术规格和参数 ------------------------------------------------21.3.3 工作环境 ------------------------------------------------------------------3 二.结构及传动原理----------------------------------------------------------------32.1 转辙机的结构设计 ------------------------------------------------------------32.2 转辙机的传动原理 ------------------------------------------------------------32.3 转辙机的总体结构 ------------------------------------------------------------4 三.主要部分的技术特点-----------------------------------------------------------43.1 电动机 ----------------------------------------------------------------------43.2. 减速器 ----------------------------------------------------------------------53.3 主轴和齿条块 ----------------------------------------------------------------53.4 自动开闭器 ------------------------------------------------------------------53.5 动作杆、表示杆 --------------------------------------------------------------5四.使用与安装--------------------------------------------------------------------54.1 转辙机的使用 ---------------------------------------------------------------54.2 转辙机的安装 ---------------------------------------------------------------54.2.1与转辙机相适应的安装装置与道岔类型------------------------------------------54.2.2转辙机的安装技术条件--------------------------------------------------------7五.包装---------------------------------------------------------------------------7六.运输、储存--------------------------------------------------------------------7七.随机出厂附件------------------------------------------------------------------7保养与维护-------------------------------------------------------------------------8质量保证承诺----------------------------------------------------------------------9一.概 述1.1 用途ZD6型系列电动转辙机是用于铁路电气集中,调度集中的站场,或用电力控制道岔状态的场所,用来改变道岔开通方向,锁闭道岔尖轨、反映尖轨位置状态的设备,是实现有轨运输现代化和自动化的重要基础设备。
1. ZD6系列电动转辙机的用途是:★适用于列车行车速度≤120km/h线路;★转换铁路道岔,改变道岔开通方向;★锁闭道岔尖轨(心轨);★反映道岔尖轨(心轨)位置状态。
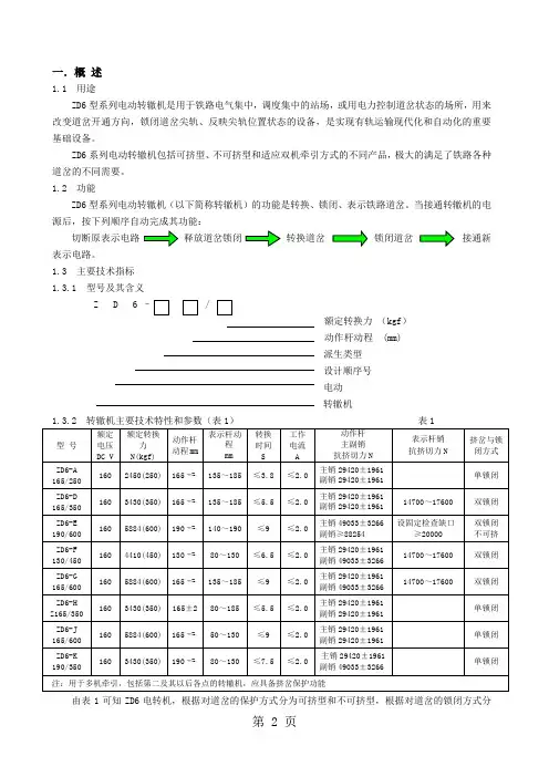
2.主要技术参数见型号额定电压DCV额定转换力N(kgf)动作杆动程mm表示杆动程mm转换时间S工作电流A动作杆主副销抗挤切力N表示杆销抗挤切力N挤岔与锁闭方式ZD6-A 165/250 160 2450(250)1652+135~185 ≤3.8 ≤2.0主销29420±1961副销29420±1961单锁闭ZD6-D 165/350 160 3430(350)1652+135~185 ≤5.5 ≤2.0主销29420±1961副销29420±196114700~17600 双锁闭ZD6-E 190/600 160 5884(600)1902+140~190 ≤9 ≤2.0主销49033±1961副销≥88254设固定检查缺口≥20000双锁闭不可挤ZD6-F 130/450 160 4410(450)1302+80~130 ≤6.5 ≤2.0主销29420±1961副销49033±196114700~17600 双锁闭ZD6-G 165/600 160 5884(600)1652+135~185 ≤9 ≤2.0主销29420±1961副销49033±196114700~17600 双锁闭ZD6-H Z165/350 160 3430(350) 165+280~185 ≤5.5 ≤2.0主销29420±1961副销29420±1961单锁闭ZD6-J 165/600 160 5884(600)1652+50~130 ≤9 ≤2.0主销29420±1961副销29420±1961单锁闭ZD6-K 190/350 160 3430(350)1902+80~130 ≤7.5 ≤2.0主销29420±1961副销49033±1961单锁闭注:用于多机牵引,包括第二及其以后各点的转辙机,应具备挤岔保护功能3.安装3.1转辙机安装配置:转辙机整机1台,防尘板1套,绝缘胶管弯头组1套。
陕西交通职业技术学院专业:铁道通信信号制作成员:严振平、杨朝、李梦序言ZD6电动转辙机是目前用量最大的转辙机之反映道岔的位置状态。
ZD6系列电动转辙机广泛应用于国家铁路、城市轨道交通、地方铁路,ZD6系列电动转辙机适用于时速120km/h以下的普通单开道岔和复式交分道岔,根据对道岔的保护方式分为可挤和不可挤型两种;根据对道岔的锁闭方式又可分为单锁闭和双锁闭。
它可以单机牵引道岔,也可以通过系列中不同型号转辙机的相互匹配实现双机牵引道岔,从而满足不同道岔的需要。
本手册适用于ZD6电动转辙机维护,学习关于ZD6电动转辙机的基本知识,安装调试和维护方法,以及检修和检修作业程序。
目录一、ZD6电动转辙机概述 (4)1、用途 (4)2、作用 (4)3、工作环境 (5)4、结构 (5)二、安装和调试 (7)三、保养及维护 (11)1、巡视 (11)2、日检查 (12)3、月检查 (14)4、季检查 (15)5、年检查 (15)四、ZD6电动转辙机检修作业程序 (17)一、工具 (17)二、材料 (17)一、ZD6电动转辙机概述转辙机是道岔控制系统的执行机构.用于转换锁闭道岔尖轨或心轨,表示监督联锁区内道岔尖轨或心轨的位置和状态。
1、用途ZD6系列电动转辙机是用于铁路电气集中站场,用来改变道岔开通方向,锁闭道岔尖轨,反映道岔尖轨位置状态的设备.2、作用(1)转换道岔的位置,根据需要转换至定位或反位;(2)转换道岔至所需位置而且密贴后,实现锁闭,为防止外力转换道岔;(3)正确的反应道岔的实际位置,道岔的尖轨密贴于基本轨后,给出相应的表示;(4)道岔被挤或因故处于“四开”(两侧尖轨均不密贴)位置时,及时给出报警及表示。
3、工作环境(1)大气压力不低于70Kpa(海拔高度不超过3000m);(2)周围空气温度-40℃~70℃;(3)空气相对湿度不大于90%(25℃)4、结构ZD6电动转辙机:由电动机、减速器、自动开闭器、表示杆、动作杆、主轴、锁闭齿轮、齿条块、机盖、移位接触器、底壳等。
第二节-ZD6系列电动转辙机教学教材ZD6型直流电动转辙机一、ZD6-D型转辙机1、结构电动机:为转辙机提供动力,采用直流串激电动机减速器:降低转速以换取足够的转矩,并完成传动。
由第一级齿轮、第二级行星传动式减速器组成。
摩擦联结器:用弹簧和摩擦制动板,组成输出轴与主轴之间的摩擦连接,以防止尖轨受阻时损坏机件。
主轴:由输出轴通过起动片带动旋转,主轴上安装锁闭齿轮、由锁闭齿轮和齿条块相互动作,将转动运动变为平动,通过动作杆带动尖轨运动,并完成锁闭作用。
动作杆:与齿条块之间用挤切销相连,正常动作时,齿条块带动动作杆,挤岔时,挤切销折断,动作杆与齿条块分离,避免机件损坏。
表示杆:由前后表示杆以及两个检查块组成。
随着尖轨移动,只有当尖轨密贴且锁闭后,自动开闭器的检查柱才能落入表示杆的缺口之中,接通表示电路。
挤岔时,表示杆被推动,顶起检查柱,从而断开表示电路。
移位接触器:监督挤切削的受损状态,道岔被挤或挤切削折断时,断开道岔表示电路。
自动开闭器:由动静接点、速动爪、检查柱组成,用来表示道岔尖轨所在的位置。
安全接点:(遮断开关)用来保证维修安全。
外壳:固定各部件,防止内部器件受机械损坏和雨水、尘土等的侵入。
2、ZD6---D型转辙机各主要部件及作用(1)电动机要求具有足够的功率,以获得必要的转矩和转速。
电动机要有较大的起动转矩,以克服尖轨与滑床板之间的静摩擦。
同时,道岔需要定反位转换,要求电动机能够逆转。
通过改变定子绕组中或电枢(转子)中的电流的方向来实现。
两个定子绕组通过公共端子分别与转子的绕组串联。
额定电压160v;额定电流2.0A,摩擦电流2.3—2.9A;额定转速2400r/m;额定转矩0.8826N,单定子工作电阻(2.85±0.14)×2Ω,刷间总电阻4.9±0.245Ω。
电机接线图(2)、减速器为了得到足够的转矩要求将电机的高速旋转降下来。
其由两级组成:第一级小齿轮带动大齿轮,减速比103:27,第二级为行星传动式,减速比为41:1,总的减速比为103/27×41/1=156.4行星减速器中内齿轮靠摩擦联结器的摩擦作用“固定”在减速器壳内,内齿轮里装有外齿轮。
ZD6系列电动转辙机保养维护手册西安铁路信号工厂ZD6系列电动转辙机保养维护手册目录1 概论 (2)2 维护工作 (2)3 维修工作 (3)4 保养工作的技术说明 (3)4.1 转辙机的内部状态检查 (3)4.2 配线线束的状态检查 (3)4.3 检查零件是否受损 (3)4.4 手摇把连板及手动开关功能检查 (3)4.5 检查转辙机的固定 (3)4.6 减速器的注油 (3)4.7 动作杆涂润滑脂(TR-1) (3)4.8 表示杆(锁闭杆)涂润滑脂及(TR-1)注润滑油 (4)4.9 锁闭杆缺口状态检查 (4)5.维修工作的技术说明 (4)5.1 电动机的拆卸(安装) (4)5.2 自动开闭器的拆卸(安装) (4)5.3 减速器的拆卸(安装) (4)5.4 主轴组的拆卸(安装) (4)5.5 动作杆的拆卸(安装) (4)5.6 表示杆(锁闭杆)的拆卸 (4)5.7 接点组的拆卸 (4)1.概论ZD6系列转辙机的维护工作量很少。
它的轴承长时间内不需加油而保持高效的工作,它的机壳是耐油、耐脂,不易被弄脏的,而渗入的水在卸下排水螺栓后就能被排出。
本资料详细地说明了维护方式以及在故障时所应采取的措施。
大多数保养工作是在短时间内即可完成的,这些工作使转辙机一直处于完美的工作状态,例如:每两个月由专职人员对道岔锁闭检查一次。
在每一次作业后,都应经过多次转换试验来验证转辙机的完美状态及其与道岔的准确配合。
润滑脂请用转辙机专用TR-1润滑脂。
2.维护工作为了使转辙机始终处于正常状态以及能及时地进行必要的维护工作,就必须按下表所列保养措施及保养间隔进行工作。
表中的每一项都注有该项工作的技术说明所在的章节。
ZD6系列电动转辙机的维护:2.1整机的维护要作到出厂包装,搬运要轻放,露天存放时要将盖子压紧,以防止内部受潮及发生侵蚀现象。
2.2在现场使用过程中要注意以下各项维护要求:a)不要将重物砸伤机盖以免机盖变形,若壳体或机盖漆皮和涂层脱落要及时补漆。
第一章ZD6 系列电动转辙机第一节 ZD6 系列电动转辙机结构电动转辙机作为电气集中站场的主要控制设备之一,在全路得到广泛的应用。
ZD6系列电动转辙机在我国应用的较多。
在现场,道岔转换设备运用一定时间后,由于可动部分的磨耗及电气元部件的老化等一系列物理的变化,会引起器材的机械特性和电气特性变化,引发器材故障,严重时会危及行车安全。
而器材机械特性和电气特性的变化,仅依靠现场日常养护维修是难以修复的,必须对这类设备按周期或运用状态实行入所修,对其进行整修、补强和恢复工作,以保证电气性能和机械强度符合技术标准,保证信号设备安全可靠、不间断地运用。
下面以ZD6-A 型电动转辙机为例进行讲解。
ZD6 系列电动转辙机入所修周期一般为 5 ~10 年,根据现场的实际情况,可具体制定。
一、电动转辙机的用途及主要技术指标(一)电动转辙机的用途电动转辙机将电能转变为机械能后牵引转换道岔,改变道岔开通位置,在牵引道岔尖轨或可动部分与基本轨密贴后,将道岔锁闭在规定位置,并给出道岔开通位置状态。
电动转辙机主要完成转换道岔的功能。
(二)ZD6 系列电动转辙机主要技术指标1. 工作环境:(1)环境温度为-40℃~+60℃;空气相对湿度不大于90%(+25℃)。
(2)周围环境中无发生爆炸危险,无足以腐蚀金属以及破坏绝缘的有害气体或导电尘埃。
2. 转辙机接通电源后的动作过程应符合下列程序:(1)切断原表示电路;(2)解锁道岔;(3)转换道岔;(4)锁闭道岔;(5)接通新表示电路。
3. ZD6 系列电动转辙机主要技术指标见表1—1。
由表1—1 可知,ZD6 系列电动转辙机,根据对道岔的保护方式分为可挤型和不可挤型;根据对道岔的锁闭方式分为单锁闭和双锁闭。
对于单锁闭的电动转辙机(A,J)其表示杆采用双片结构,单片与接头铁连接,单片承担作用力。
对于双锁闭的电动转辙机(D,F),采用锁闭表示杆,前部为实心方棒体,与接头铁连接,后部可调整。
一.概 述1.1 用途ZD6型系列电动转辙机是用于铁路电气集中,调度集中的站场,或用电力控制道岔状态的场所,用来改变道岔开通方向,锁闭道岔尖轨、反映尖轨位置状态的设备,是实现有轨运输现代化和自动化的重要基础设备。
ZD6系列电动转辙机包括可挤型、不可挤型和适应双机牵引方式的不同产品,极大的满足了铁路各种道岔的不同需要。
1.2 功能ZD6型系列电动转辙机(以下简称转辙机)的功能是转换、锁闭、表示铁路道岔。
当接通转辙机的电源后,按下列顺序自动完成其功能:切断原表示电路释放道岔锁闭转换道岔锁闭道岔接通新表示电路。
1.3 主要技术指标 1.3.1 型号及其含义Z D 6 额定转换力 (kgf ) 动作杆动程 (mm) 派生类型 设计顺序号 电动 转辙机由表1可知ZD6电转机,根据对道岔的保护方式分为可挤型和不可挤型,根据对道岔的锁闭方式分为单锁闭和双锁闭。
●对于单锁闭的电转机(A、H、J、K型)采用表示杆不带锁闭销的加强型表示杆,前、后杆同时与接头铁联接,双杆同时承担作用力。
●对于双锁闭的电转机(D、F、G型),采用带锁闭销的加强型表示杆。
●对于不可挤电转机(E型),采用的加强型锁闭表示杆。
1.3.3工作环境转辙机能在下列条件下可靠地工作:a) 大气压力:不低于74.8 kPa(海拔高度不超过2500m)b) 周围空气温度:-40℃~+60℃c) 空气相对湿度:不大于90%(+25℃)d) 周围无引起爆炸危险,足以腐蚀金属以及破坏绝缘的有害气体或导电尘埃。
二.结构及传动原理2.1 转辙机整机的结构设计采用了模块化设计,分为几个相对独立的部件:电动机,减速器,主轴,自动开闭器,表示杆,动作杆,齿条块,移位接触器,安全接点,底座及机盖等。
这些部件可单独安装,拆卸,互不影响,以便检修、保养、维护。
2.2 转辙机的传动原理传动原理图中各机件所处的位置是动作杆由右向左移动后的停止状态。
为使动作杆向右移动,其传动过程如下:图 1 转辙机的传动原理图1.来自道岔控制电路的电源,经由图1中的自动开闭器的第一排接点,接至电动机,使电动机按逆时针方向旋转(从电机后端看)。
专业:铁道通信信号制作成员:严振平、朝、梦序言ZD6电动转辙机是目前用量最大的转辙机之一,它的用途是改变道岔开通方向,锁闭道岔,反映道岔的位置状态。
ZD6系列电动转辙机广泛应用于国家铁路、城市轨道交通、地方铁路,ZD6系列电动转辙机适用于时速120km/h以下的普通单开道岔和复式交分道岔,根据对道岔的保护方式分为可挤和不可挤型两种;根据对道岔的锁闭方式又可分为单锁闭和双锁闭。
它可以单机牵引道岔,也可以通过系列中不同型号转辙机的相互匹配实现双机牵引道岔,从而满足不同道岔的需要。
本手册适用于ZD6电动转辙机维护,学习关于ZD6电动转辙机的基本知识,安装调试和维护方法,以及检修和检修作业程序。
目录一、ZD6电动转辙机概述 (3)1、用途 (3)2、作用 (3)3、工作环境 (4)4、结构 (4)二、安装和调试 (6)三、保养及维护 (10)1、巡视 (10)2、日检查 (11)3、月检查 (13)4、季检查 (14)5、年检查 (14)四、ZD6电动转辙机检修作业程序 (16)一、工具 (16)二、材料 (16)一、ZD6电动转辙机概述转辙机是道岔控制系统的执行机构。
用于转换锁闭道岔尖轨或心轨,表示监督联锁区道岔尖轨或心轨的位置和状态。
1、用途ZD6系列电动转辙机是用于铁路电气集中站场,用来改变道岔开通方向,锁闭道岔尖轨,反映道岔尖轨位置状态的设备。
2、作用(1)转换道岔的位置,根据需要转换至定位或反位;(2)转换道岔至所需位置而且密贴后,实现锁闭,为防止外力转换道岔;(3)正确的反应道岔的实际位置,道岔的尖轨密贴于基本轨后,给出相应的表示;(4)道岔被挤或因故处于“四开”(两侧尖轨均不密贴)位置时,及时给出报警及表示。
3、工作环境(1)大气压力不低于70Kpa(海拔高度不超过3000m);(2)周围空气温度-40℃~70℃;(3)空气相对湿度不大于90%(25℃)4、结构ZD6电动转辙机:由电动机、减速器、自动开闭器、表示杆、动作杆、主轴、锁闭齿轮、齿条块、机盖、移位接触器、底壳等。
第一章ZD6型电动转辙机ZD-6型电动转辙机在丹东车间管内分单机牵引道岔河双机牵引道岔两种方式,电路动作分为单动、双动、三动。
本次培训旨在让大家对电转辙机电路有比较简单的认识和初步分析能力,所以选择了单机、单动电路作为模版,希望能起到举一反三的作用。
我把ZD6型电动转辙机按其工作性质及故障判断方式分为三个部分,这和教科书里说得有些异样,但就我个人而言这样更有利于对这个电路进行分析和对故障的判断。
第一讲开关控制电路开关控制电路既室内控制部分,如图所示;该电路电源为KZ、KF和条件电源。
选排进路进路时,由DCJ 或FCJ 经选路电路提供KF 电源,这里就不一一赘述。
单操道岔时受控制台ZDA(J)、ZFA(J)控制,提供KF-ZDJ、KF-ZFJ电源。
整个电路器材为两台继电器:1DQJ、2DQJ。
受控条件:1、该道岔区段SJ(强制条件);##道岔按钮在定位(未拔出)。
2、选路时:DCJ 或FCJ ;3、单操时:AJ 、ZDJ /ZFJ 。
1、1 开关控制电路的器材运用1DQJ:JWJXC-125/0.44 双线圈单独使用;线圈:3--4 、125Ω,ф0.2mm;电压控制24V。
缓放时间0.35s—0.4s.线圈:1---2、在该电路不起作用。
2DQJ:JYJXC-135/220 双线圈单独使用;残圈:1.2 、135Ω,ф0.23mm;残圈:3.4 、220Ω,ф0.21mm。
2、3为KZ电源、1、4为KF电源。
极性保持型,即通电时动作后,停电时保持状态,另一线圈不通电将一直保持在该位置,不得同时供电。
当3、4线圈供电道岔在定位时,继电器在吸合状态(检修所称为反位)。
当1、2线圈供电道岔在反位时,继电器在落下状态(检修所称为定位)。
1DQJ在整个电路中起开关作用;1、为2DQJ提供动作电源KZ。
2、控制电机启动电源DZ/DF220V。
记住,只管启动,不管断电。
2DQJ在电路中起控制方向的作用1、控制电机转动方向,因为直流电机1或2受电会改变电机的转动方向,而控制谁受电则是2DQJ接通接点和转辙机所处位置的共同作用。
电动转辙机及安装装置技术规格书1.概述1.1 适用范围本技术规格书是铁路专用线直流电动转辙机及安装装置的制造、试验、开通、验收的有关规定,并为投标人制定技术建议书的依据。
1.2 招标范围2.总则2.1道岔转辙设备是道岔控制的重要设备,它必须具有长寿命、高安全性、高可靠性。
★2.2道岔转辙设备原则上应满足国家标准和铁道部有关的行业标准及技术条件。
TB /T1477-1998 ZD-6系列电动转辙机TB /T 2614-1994《转辙机通用技术条件》TB /T 2613-1994《转辙机试验方法》TB /T1433 《铁路信号产品正常环境工作条件》TB /T2846-1997《铁路地面信号产品振动试验方法》GB 5171-1991 《小功率电动机通用技术条件》★2.3 道岔转辙设备必须通过所在国有关权威机构的认证和质量检测。
★2.4 道岔转辙设备应采用先进技术和成熟经验,并在一定时期内保持技术的先进性。
2.5本技术规格书为洛张电化武汉铁路局管内道岔转辙设备的基本要求,卖方可以对此提出更为优化、先进的技术方案,且详细阐述其建议能够满足安全、可靠等要求的具体实现措施。
3.技术规格3.1 转辙设备通用技术条件★3.1.1 转辙机应在下列环境条件下可靠的工作:—大气压力:不低于74.8kPa(海拔高度不超过2500m);—周围空气温度:-40-+60℃;—空气相对湿度:不大于90%(25℃);—周围无引起爆炸危险的有害气体。
★3.1.2 转辙机在接通电源后应准确动作并符合下列程序:a切断原表示接点;b转辙机解锁;c转辙机转换;d转辙机锁闭;e接通表示接点。
快速转辙机和有外锁闭的转辙机d和e条允许同步实现。
★3.1.3 转辙设备的所有零部件须经检查合格,标准件及外购件必须符合各自的技术条件,方可进行装配。
★3.1.4 转辙机安装装置应满足如下要求●必须保证机车、车辆的安全通过,道岔锁闭后不得因外力影响而改变道岔位置。
Z D6转辙机原理及故障处理一ZD6转辙机原理及故障处理ZD—6道岔故障一、基本概念1、什么叫道岔、什么是单动道岔、双动道岔、复示交分?由一条线路分岐为两条线路,在分岐点上铺设的转辙线路叫道岔。
作用:供机车辆从一股道岔转入另一股道。
单动道岔:一组电动机操动一组道岔。
比动道岔:二组电动机操纵二组道岔。
复式交分道岔:八根尖轨、八根合拢轨、四个辙叉组成。
2、道岔定位位置是如何规定的?(1)双线车站各道岔均以开通直线为定位;(2)单线车站进路道岔由车站两端向不同线路开通的位置为定位;(3)区间道岔以开通正线为定位;(4)引向安全线、避难线的道岔以开通安全线避难线为定位;(5)其它由车站负责管理的道岔由车站自已规定。
3、道岔的编号:从列车到达方向起顺序编号,上行列车进站端为双号,下行端为单号。
从两端进站处顺序向站内编号,尽头线向线路终端编号。
多个场的用百位数字表示在场号码。
4、什么叫电动转辙机及分类?电动转辙机:用电力带动转换道岔的一种设备。
分类:四线、三线、五线、六线。
5、电动转辙机组成:电动转辙机组成:电机、减速器、自动开闭器、移位接触器、主轴、动作杆、表示杆、底壳、底盖。
(1)怎样进行道岔的密贴调整?调整道岔密贴,主要是调整密贴调整杆袖套两边的轴套螺母,(左边不密贴调整袖套、右边螺母,右边不密贴调整袖套,左边的螺母。
压力大时螺母往后松,压力小、不密贴时往前紧)用手摇皀摇动转辙机,当尖轨完全靠拢基本轨后,继续摇动轨辙机2.5—3转,道岔完全密贴并已有一定压力,动接点打入静接点内,定、反位密贴,达到一压力,并保持密贴调整杆轴套与轴套螺母之间应有10—18mm游间。
(2)表示杆及其缺口的调整先调主杆(即:电动转辙机在伸出位置),后调副杆(即:电动转辙机在拉入位置)表示杆主杆调整,调整尖端杆舌铁两侧大螺母,调整活节螺栓两侧螺母即可。
(面对尖轨,转辙机在左边,缺口大时,紧舌铁右边螺母。
缺口小时紧舌铁左边螺母)。
ZD6系列电动转辙机使用说明及安装维护手册目录1. 引言 (3)2. 概述 (3)3. 转辙机结构及动作原理 (3)4.转辙机的主要技术参数. (4)5. 转辙机的主要功能介绍 (5)6. 安装及外形尺寸 (7)7. 转辙机调试 (8)8. 维护、保养与储存 (10)9. 常见故障分析与处理 (14)10. 安全警示 (15)11. 重要告知 (17)12. 随机附件 (17)1.引言本说明书编写的目的在于详细说明在现场如何正确使用ZD6系列电动转辙机,以及有关该转辙机的相关文件。
如:产品规格、使用、安装及产品维护保养、包装、运输、储存方法以及安全提示、质量服务承诺等。
现场工作人员在进行操作之前,必须认真阅读本说明书并接受适当的培训。
2.概 述2.1 ZD6系列电动转辙机的用途ZD6系列电动转辙机的用途是:★ 适用于列车行车速度≤120km/h 线路; ★ 转换铁路道岔,改变道岔开通方向; ★ 锁闭道岔尖轨(心轨);★ 反映道岔尖轨(心轨)位置状态。
2.2 转辙机型号及含义Z D 6 /额定转换力 (KN ) 动作杆动程 (mm ) 派生类型 设计顺序号 电动 转辙机2.3转辙机工作的环境条件ZD6系列电动转辙机应在下列环境条件下正常工作:大气压力 不低于70.1 kPa (相当于海拔高度3000m 以下) 周围空气温度 -40 ~ +70℃ 空气相对湿度不大于90%(25℃)周围无引起爆炸危险的有害气体及腐蚀性气体。
3. 转辙机结构及动作原理3.1 转辙机的结构(见图1)13.2 转辙机的动作原理 ① 转换及锁闭道岔原理电机旋转 减速器减速 锁闭齿轮解锁带动齿条块动作 动作杆运动 转换道岔 锁闭齿轮锁闭 锁闭动作杆电机减速器安全接点接点座移位接触器主轴组齿条块表示杆 动作杆即锁闭道岔。
②反映道岔位置状态原理减速器输出轴带动起动片速动片转动速动爪抬升或落下动接点组在静接点组中转换表示电路与动作电路进行切换。
同时表示杆与尖轨(心轨)连接并同步运动,当道岔密贴后检查柱落入表示杆缺口中,表示电路接通。
4.转辙机的主要技术参数4.1 主要技术参数见表1表1 主要技术参数产品系列型号额定电压DC V额定转换力N(kgf)动作杆动程mm表示杆动程mm转换时间S工作电流A动作杆主副销抗挤切力N表示杆销抗挤切力N挤岔与锁闭方式ZD6-A 165/250 160 2450(250) 1652+135~185 ≤3.8 ≤2.0主销29420±1961副销29420±1961单锁闭ZD6-D 165/350 160 3430(350) 1652+135~185 ≤5.5 ≤2.0主销29420±1961副销29420±196114700~17600 双锁闭ZD6-E 190/600 160 5884(600) 1902+140~190 ≤9 ≤2.0主销49033±1961副销≥88254设固定检查缺口≥20000双锁闭不可挤ZD6-F 130/450 160 4410(450) 1302+80~130 ≤6.5 ≤2.0主销29420±1961副销49033±196114700~17600 双锁闭ZD6-G 165/600 160 5884(600) 1652+135~185 ≤9 ≤2.0主销29420±1961副销49033±196114700~17600 双锁闭ZD6-H 165/350 160 3430(350) 1652+80~185 ≤5.5 ≤2.0主销29420±1961副销29420±1961单锁闭ZD6-J 165/600 160 5884(600) 1652+50~130 ≤9 ≤2.0主销29420±1961副销29420±1961单锁闭ZD6-K 190/350 160 3430(350) 1902+80~130 ≤7.5 ≤2.0主销29420±1961副销49033±1961单锁闭注:用于多机牵引,包括第二及其以后各点的转辙机,应具备挤岔保护功能4.2 摩擦电流指标见表2表2 摩擦电流指标序号机型及使用状况摩擦电流值(A)1 A、D、F、G、H、K型转辙机单机使用 2.3~2.92 E、J型转辙机双机配套使用单机摩擦电流2.0~2.55.转辙机的主要功能介绍5.1机内锁闭功能(见图2)当道岔转换到位后,锁闭齿轮和齿条块上的锁闭圆弧处于重合位置,当水平力作用在动作杆上时,锁闭齿轮与齿条块锁闭齿轮齿条块在锁闭圆弧处的相互作用力通过圆弧圆心,使得锁闭齿 轮不能旋转,因此,保证了齿条块与动作 杆不会反向水平移动,即为机内锁闭。
图25.2到位表示功能(见图3)道岔转换到位后,检查柱应落 动接点旋转并打入静接点内, 接通表示电路,给出到位表示信号。
5.3 挤岔表示功能(见图4、图5) 图3对于可挤型转辙机,当挤岔事故发生时,转辙机能够正确的给出电信号。
其方法有两种: ①挤岔发生时,动作杆将其所受到的水平外力传递到主挤切销上使其受剪切而变形,这时动作杆发生横向位移,导致齿条块中的顶杆上升,将位于其正上方的移位接触器中的触头顶起,移位接触器中的常闭接点断开,实现挤岔报警。
图4 图5 ②尖轨的移动会带动表示杆移动,表示杆将检查柱向上顶起,带动接点座中的支架摆动,使支架上的动接点从静接点中退出,表示电路断开。
(见图3) 5.4系统过载保护功能(如图6)齿条块 顶杆 触头常闭接点移位接触器主挤切销顶杆动作杆动作杆检查柱 检查块表示杆锁闭圆弧检查缺口 动接点静接点接点座支架图6在减速器的输出端装有一对镶有摩擦带的夹板,正常工作时在弹簧力的作用下它们将内齿轮抱紧使之不得旋转。
当负载过大或道岔转换过程中遇阻使减速器输出轴不能旋转时,电机的输出转矩将克服摩擦带对内齿轮的摩擦力驱动内齿轮旋转,避免因过载导致电机烧毁或其它零部件的损坏,并且这个摩擦力可根据不同机型的标准值进行调整。
5.5手动操作功能(见图7)☺ZD6系列转辙机具有开盖或手动操作时自动断电功能,该功能可以确保操作者的人身安全,即使是操作者忘记取出手摇把,由于电路不能接通,也不会误伤操作者。
手动操作的具体步骤如下:① 将堵孔板顺时针旋转,使钥匙孔及摇把孔露出,在堵孔板旋转的同时已经将位于机内的安全接点断开,将电路切断。
② 将手摇把通过底壳端面的孔插入并套在减速器的输入轴上,摇动手摇把就可以轻松的操纵转辙机了。
③ 将钥匙插入钥匙孔向右旋转并同时将机盖向上抬起,机盖可以打开。
④ 当完成所有手动操作后,将手摇把取出,左手将带帽螺钉向上提起,右手同时将堵孔板逆时针转动 并将橡胶堵塞紧在孔内,此时电路已接通。
⑤ 将机盖稍用力向下压,使锁舌插入暗锁中,机盖被锁住。
图7△!注意向上抬起堵孔板时必须是在带帽螺钉提起的状态下进行,否则强行抬起或敲砸堵孔板将输出轴夹板内齿轮摩擦带堵孔板钥匙孔安全接点暗锁弹簧 底壳带帽螺钉减速器输入轴会使相关零件变形失效。
5.6挤切销防意外切断功能(见图8) 转辙机内的挤切销由于其在转辙机 工作过程中始终处在受力状态,因此有 可能出现不挤自断现象。
而挤切销防护装 置就是安装在转辙机内,起到保护挤切销 避免其不挤自断的作用,其结构见图8。
该装置的工作原理及安装调试等详见《挤切销防护装置使用说明书》。
图86. 安装及外形尺寸转辙机安装前必须保证道岔铺设状态符合《客运专线有砟轨道道岔铺设暂行技术条件》及道岔铺设有关技术要求。
6.1安装① 转辙机安装应符合《铁路信号维护规则》技术标准Ⅰ中“3 道岔转换与锁闭设备 3.1通则”的相关规定。
② ZD6转辙机的安装方式主要是角钢安装。
(见图9)如无明确要求,转辙机组装时均以满足在 图9 道岔左侧安装方式进行组装。
如果在现场要进行安装方向的变更时,可按下列程序 操作:(见图10)★ 将罩筒、调整盖、调整筒拆下; ★ 将防水板拆下;★ 将动作杆、表示杆抽出再从另一侧插入;★ 将上述拆下的其它件重新安装在相应的对称侧。
图10△!注意转辙机安装时应注意在满足标准的基础上,要保证动作杆与表示杆沿其轴线方向 靠近基本轨一端略低于远离基本轨一端,以避免雨水沿杆件回流到箱体内。
齿条块挤脱柱大螺堵罩筒调整盖、调整筒动作杆表示杆防水板检查柱表示缺口为,先调整伸出位的表示缺口,再调整拉入位的表示缺口。
图12 图137.2表示杆动程调试(见图14)F、H、J、K型转辙机的前表示杆设有两个孔,孔1与孔2,根据需要将调整母安装在不同的孔内以调整表示杆动程。
F 、K 型转辙机:调整母安装在前表示杆孔1时表示杆动程范围80mm ~115mm ;调整母安装在前表示杆孔2时表示杆动程范围105mm ~130mm ;H 型转辙机:调整母安装在前表示杆孔1时表示杆动程范围80mm ~135mm ;调整母安装在前表示杆孔2时表示杆动程范围135mm ~185mm ;J 型转辙机: 调整母安装在前表示杆孔1时表示杆动程范围50mm ~100mm ;调整母安装在前表示杆孔2时表示杆动程范围85mm ~130mm ;A 、D 、E 、G 型转辙机前表示杆只有一个调整母安装孔。
图147.3 摩擦电流的调试(见图15)转辙机在出厂时,摩擦电流已 按照出厂标准调试完毕,但现场 使用时允许根据现场情况重新调 试,调试方法为:拧紧或松开图中所示两侧的螺 母。
拧紧螺母时摩擦电流上升,松开 螺母时摩擦电流下降。
△!注意摩擦电流直接反映的是摩擦带与内齿轮之间的摩擦力,它是一个范围,在 图15调整时应根据道岔的状态确定摩擦电流的大小。
当转换中转辙机的工作电流很小时,说明道岔状态好,转换顺畅,负载远远小于转辙机的额定值,此时应在满足道岔正常转换的前提下,将摩擦电流调整至接近标准值的下限,否则可能会出现在道岔转换到位电机停止转动时,由于转辙机内部的转动惯量大且无法瞬间靠摩擦带与内齿轮表面的滑动摩擦来吸收,而导致减速器反弹簧螺母夹板摩擦带内齿轮输出轴调整杆调整母孔2孔1后表示杆前表示杆向旋转,引起接点断开,影响正常行车。
7.4.移位接触器调试(见图16)移位接触器调试的内容是调整移位接触器触头与顶杆之间的距离使之符合标准要求。
具体方法为:① 按下按杆,常闭接点闭合;② 在顶杆上加一厚度为1.5mm 的垫片,手摇转辙机使顶杆位于移位接触器 触头下方,此时常闭接点必须仍处 于闭合状态;③ 手摇使齿条块退出,将1.5mm 的垫片换为2.5mm 的垫片;④ 再次手摇转辙机使顶杆位于移位接触器触头下方,此时常闭接点应可靠断开,按杆上升。
图16⑤ 调整时可以松开固定螺栓,调整好后必须将 固定螺栓拧紧并将按杆按下。