细菌内毒素干扰试验记录鲎试剂灵敏度复核记录
- 格式:doc
- 大小:94.50 KB
- 文档页数:3
正文规范鲎试剂灵敏度复核的操作过程和要求,确保鲎试剂灵敏度复核结果的可靠性。
适用于质监处药理室对鲎试剂灵敏度的复核。
质监处药理室分析人员负责本规程的实施和完成相关记录。
USP版附录85;CP版附录Ⅺ E 。
细菌内毒素检查法:本法系利用从鲎的变形细胞中提取的试剂来检测或量化由革兰阴性菌产生的细菌内毒素,以判断供试品中细菌内毒素的含量是否符合规定的一种方法。
细菌内毒素的量用内毒素单位(EU)表示。
鲎试剂:是鲎变形细胞的溶出物经提取而成。
鲎试剂灵敏度:在本检查法规定的条件下能检测出内毒素标准溶液或供试品溶液中的最低内毒素浓度,用EU/ml表示。
细菌内毒素检查用水(BET水):系指与灵敏度为0.03EU/ml 或更高灵敏度的鲎试剂在37 1 C 条件下24小时不产生凝集反应的灭菌注射用水。
细菌内毒素标准品:USP细菌内毒素参考标准品(RSE)或已标定的细菌内毒素工作标准品(CSE)。
反应终点浓度:是指系列递减的内毒素浓度中最后一个呈现阳性结果的浓度。
一、试剂、材料与仪器设备试剂:鲎试剂批号、灵敏度、规格、生产商。
细菌内毒素检查用水(BET水) 批号、规格、生产商。
细菌内毒素标准品批号、效价、生产商。
材料及仪器设备:电热恒温水箱型号、设备编号。
电热鼓风干燥箱型号、设备编号。
漩涡混合器型号。
无热原试管规格:1075mm。
正文无热原玻璃瓶规格:25ml。
无热原玻璃吸管规格:1ml、2ml、5ml、10ml。
试管架、无热原封口膜、洗耳球、酒精棉球、砂轮片。
二、试验准备试验所用的容器、用具都必须经过处理,250C以上干烤至少1小时,以去除外源性内毒素。
试验操作过程应避免微生物的污染。
三、内毒素溶液配制细菌内毒素标准品系列溶液配制取RSE或CSE 1瓶,按照使用说明书加入规定量的细菌内毒素检查用水使溶,并用漩涡混合器间歇混匀30分钟,然后用细菌内毒素检查用水进一步稀释至2.0、、 0.5、 0.25四个浓度的内毒素标准溶液,每一步稀释应混匀至少30秒钟。
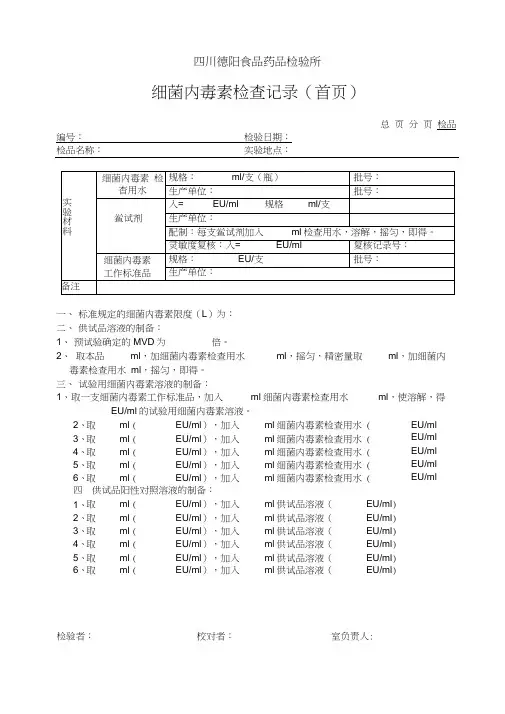
细菌内毒素检查记录(首页)总 页 分 页 检品编号: 检验日期: 检品名称:实验地点:一、 标准规定的细菌内毒素限度(L )为: 二、 供试品溶液的制备: 1、 预试验确定的MVD 为 倍。
2、 取本品 ml ,加细菌内毒素检查用水 ml ,摇匀,精密量取 ml ,加细菌内 毒素检查用水 ml ,摇匀,即得。
三、 试验用细菌内毒素溶液的制备: 1、取一支细菌内毒素工作标准品,加入 ml 细菌内毒素检查用水 ml ,使溶解,得EU/ml 的试验用细菌内毒素溶液。
2、 取 ml ( EU/ml ),加入 ml 细菌内毒素检查用水 (EU/ml ) 3、 取 ml ( EU/ml ),加入 ml 细菌内毒素检查用水 (EU/ml ) 4、 取 ml ( EU/ml ),加入 ml 细菌内毒素检查用水 (EU/ml ) 5、 取 ml ( EU/ml ),加入 ml 细菌内毒素检查用水 (EU/ml ) 6、 取 ml ( EU/ml ),加入 ml 细菌内毒素检查用水 (EU/ml ) 四、 供试品阳性对照溶液的制备:1、取 ml ( EU/ml ),加入 ml 供试品溶液( EU/ml )2、 取 ml (EU/ml ),加入 ml 供试品溶液( EU/ml )3、 取 ml ( EU/ml ),加入 ml 供试品溶液( EU/ml )4、 取 ml ( EU/ml ),加入 ml 供试品溶液( EU/ml )5、 取 ml ( EU/ml ),加入 ml 供试品溶液( EU/ml )6、 取 ml ( EU/ml ),加入 ml 供试品溶液( EU/ml )检验者: 校对者: 室负责人:细菌内毒素检查记录(附页)检品编号. 检验日期:总分页页检品名称: 实验地点:仪器设备: 恒温箱(型号)保温温度:保温时间: 自至加样量及试验结果:结论:本品按《中国药典》2005年版二部附录XI E检验依据检验,结果检验者: 校对者: 室负责人:。
鲎试剂干扰试验检查记录
1.0 干扰试验预试验
将内毒素检查阴性的供试品进行一系列倍数的稀释,但最大稀释倍数不得超过MVD= C*L/λ0.03(0.03EU/ml为现今我国市售鲎试剂的最高灵敏度)。
使用鲎试剂对每一稀释倍数进行检验。
每一稀释倍数下做2支供试品管和2支供试品阳性对照管(即用该浓度的供试品稀释液将内毒素标准品制成2λ浓度)。
另取2支加入细菌内毒素检查用水作为阴性对照,2支加入2λ浓度的内毒素标准溶液作为阳性对照。
2.0 干扰试验
检验人:检验日期:复核人:复核日期:。
细菌内毒素检测方法验证方案起草人__________起草日期________审核人__________审核日期________批准人__________批准日期________西安力邦制药有限公司细菌内毒素检测方法验证方案目的范围责任人内容1.实验材料及用具2实验准备3.具体验证步骤3.1.鲎试剂灵敏度复核3.2..干扰实验33供试品细菌内毒素检查4. 验证结附: 表1.鲎试剂灵敏度复核记录表2.干扰试验记录表3.细菌内毒素检查记录细菌内毒素检测方法验证方案目的:为确保盐酸罗哌卡因一水合物细菌内毒素检测方法的专属性、灵敏度,保证检测结果可符合质量标准要求,特制定此方案。
范围:盐酸罗哌卡因一水合物细菌内毒素检测方法责任人:细菌内毒素检验员、QC主管内容:1.实验材料及用具1.1.电子天平12电热干燥箱13恒温水浴箱14水银温度计1.5.旋涡混合器16 鲎试剂(具有国家主管部门的批准文号)1.7.细菌内毒素工作标准品(由中国药品生物制品检定所统一发放的标准品)1.8.细菌内毒素检查用水1.9.实验用具:移液管、凝集管、三角瓶、试管、试管架、洗耳球、时钟、75%酒精棉、剪刀、砂轮。
2实验准备2.1.玻璃器皿的洗涤将玻璃器皿放入铬酸洗液或其他热原灭活剂或清洗液中充分浸泡,然后取出将洗液空干,用自来水将残留洗液彻底洗净,再用蒸馏水反复冲洗三遍以上,空干后放入适宜的密闭金属容器中或用锡箔纸包好后再放入金属容器内,放置入烤箱。
2.2.除去玻璃器皿表面可能存在的外源性内毒素玻璃器皿置烤箱后,将烤箱调至250C,待烤箱温度升至设定的温度后开始计时,干烤至少1小时。
达到规定时间后,关断电源,待烤箱温度自然降至室温。
在不打开金属容器的情况下,可在两天内使用;如果玻璃器皿用锡箔纸包装,在不打开包装的情况下可在两周内使用,否则须再次干烤除去可能存在的外源性内毒素。
3.具体验证步骤3.1.鲎试剂灵敏度复核3.1.1.实验操作3.1.1.1.细菌内毒素标准溶液的制备取细菌内毒素工作标准品一支,轻弹瓶壁,使粉末落入瓶底,然后用砂轮在瓶颈上部轻轻划痕,75%酒精棉球擦拭后启开,启开过程中应防止玻璃屑落入瓶内。
鲎试剂灵敏度复核SOP1.目的为规范鲎试剂标示灵敏度复核的操作,确保鲎试剂试验的准确性,特制定此操作规程。
2.范围本标准操作规程适用于新批号鲎试剂使用前对标示灵敏度的复核以及试验条件发生任何可能影响检验结果的改变时,对鲎试剂标示灵敏度的复核。
3.定义无4.职责4.1QC负责本规程的起草、修订、培训及执行。
4.2QA、QC组长、质量管理部经理负责本规程的审核。
4.3质量总监负责批准本规程。
4.4QA负责本规程执行的监督。
5.引用标准《中华人民共和国药典》2020年版二部6.材料见8.程序。
7.流程图无8.程序8.1试剂:细菌内毒素工作标准品、鲎试剂溶解水、待复核灵敏度的鲎试剂。
8.2仪器与设备:恒温水浴箱、烤箱、小试管、中管、半中管。
8.3操作步骤8.3.1试验前准备试验用吸管、小管等玻璃器皿应在试验前1~2天内包好,经200℃干烤2小时除内毒素备用。
8.3.2鲎试剂灵敏度复核根据鲎试剂灵敏度的标示值(λ),将细菌内毒素国家标准品或细菌内毒素工作标准品用细菌内毒素检查用水溶解,在漩涡混合器上混匀15分钟,然后制成2λ、λ、0.5λ和0.25λ四个浓度的内毒素标准溶液,每稀释一步均应在漩涡混合器上混匀30秒钟;取分装有0.1ml鲎试剂溶液的10mm×100mm试管18支,其中16管分别加入0.1ml不同浓度的内毒素标准溶液,每一个内毒素浓度平行做4管;另外2管加入0.1ml细菌内毒素检查用水作为阴性对照;将试管中溶液轻轻混匀后,封闭管口,垂直放入37℃±1℃的恒温器中,保温60分钟±2分钟。
8.4结果判定8.4.1将试管从恒温器中轻轻取出,缓缓倒转180°,若管内形成凝胶,并且凝胶不变形、不从管壁滑脱者为阳性;未形成凝胶或形成的凝胶不坚实、变形并从管壁滑脱者为阴性。
保温和拿取试管过程应避免受到振动造成假阴性结果。
8.4.2当最大浓度2λ管均为阳性,最低浓度0.25λ管均为阴性,阴性对照管为阴性,试验方为有效。
细菌内毒素挑战性试验记录
验证对象设备编号安置位置
验证起止日期
实验记录:
1.验证标的物的制备:标的物的细菌内毒素含量为Eu 。
1.1细菌内毒素工作标准品冻干品效价Eu 批号生产单位1.2制备方法:
2.设备装载内容:
3.验证标的物的放置位置:标的物用量支,编号
4.工艺:加热至℃,保温分钟。
5.检验:
5.1细菌内毒素工作标准品冻干品效价Eu,批号,生产单位
细菌内毒素检查用水(BET)批号规格ml/支生产单位鲎试剂灵敏度Eu/ml批号规格ml/支生产单位5.2将验证标的物取出,分别加入1ml细菌内毒素检查用水,振荡溶解。
5.3按细菌内毒素检查的标准操作规程对验证标的物进行检查。
细菌内毒素工作标准品的稀释
验正标的物溶解液的处理
合格标准:验正标的物的细菌内毒素含量应下降3个log。
结论:
检验人复核人。
目的---------------------------------------------------------------------------------------------------------范围---------------------------------------------------------------------------------------------------------责任人-----------------------------------------------------------------------------------------------------内容--------------------------------------------------------------------------------------------------------1.实验材料及用具-------------------------------------------------------------------------------------2.具体验证步骤-----------------------------------------------------------------------------------------2.1. 鲎试剂灵敏度复核------------------------------------------------------------------------------2.2..干扰实验---------------------------------------------------------------------------------------------2.3.供试品细菌内毒素检查--------------------------------------------------------------------------3. 验证结论----------------------------------------------------------------------------------------------附:表1.鲎试剂灵敏度复核记录表2.干扰试验预实验表3.干扰试验记录表4.细菌内毒素检查记录目的:为确保注射用重组抗Her2单克隆抗体细菌内毒素检测方法的专属性、灵敏度,保证检测结果可符合质量标准要求,特制定此方案。
文件编号:版本:鲎试剂灵敏度复核试验作业指导书修订历史记录[至多存五版的历史修订记录]1.0 目的对细菌内毒素检查试验所用的鲎试剂的灵敏度进行复核。
2.0 职责质量与法规部负责本规程的起草,QC及相关人员执行本规程。
3.0 范围适用于本公司细菌内毒素检查法。
4.0 参考文件2010年版《中国药典》二部附录ⅪE细菌内毒素检查法2010年版《中国药品检验标准操作规范》细菌内毒素检查法《细菌内毒素检查法及其应用》第一版,气象出版社5.0 定义鲎试剂灵敏度复核试验:在细菌内毒素检查法规定的条件下,使鲎试剂产生凝集的内毒素的最低浓度即为鲎试剂的标示灵敏度(λ),用EU/ml表示。
当使用新批号的鲎试剂或试验条件发生了任何可能影响检验结果的改变时,应进行鲎试剂灵敏度复核试验。
反应终点浓度:指鲎试剂灵敏度复核试验中,系列递减的内毒素浓度中最后一个呈阳性结果的浓度。
6.0 设备/工具及物料6.1 设备/工具6.2 物料6.2.1 细菌内毒素工作标准品除另有规定外,使用由中国药品生物制品检定所统一发放的标准品。
6.2.2 细菌内毒素检查用水指内毒素含量小于0.015EU/ml(凝胶法)且对内毒素试验无干扰的灭菌注射用水。
6.2.3 鲎试剂规格一般选用0.25 EU/ml。
7.0 操作步骤7.1 提前30 min开启超净工作台,试验操作过程中不要开启风机,完毕后用75%乙醇擦拭超净工作台。
试验操作过程应防止微生物和细菌内毒素污染。
7.2 制备细菌内毒素标准溶液7.2.1 取细菌内毒素工作标准品1支,轻弹瓶壁使粉末落入瓶底,用砂轮在瓶颈上部划痕,用75%乙醇擦拭后启开,避免玻璃屑落入瓶内。
7.2.2 按照工作标准品说明书,加入细菌内毒素检查用水溶解。
封口膜封口,置漩涡混合器上混匀15 min后用细菌内毒素检查用水进行稀释,制成2.0 λ、1.0 λ、0.5 λ、0.25 λ四个浓度的内毒素标准溶液。
每稀释一步均应在漩涡混合器上混匀30 s。
河南省华隆生物技术有限公司质控中心鲎试剂干扰实验记录实验依据:_《细菌内毒素检测(凝胶法)标准操作规程》(G-SOP-QD-QC-002)供试品:名称编号送检部门细菌内毒素工作标准品:批号规格生产单位待检鲎试剂:批号灵敏度规格生产单位细菌内毒素检查用水:批号规格生产单位一、内毒素标准品稀释:(1)取 ml检查用水溶解标准品在漩涡混合器上混匀 min,为 E0(EU/ml);(2)取E0 ml+ ml检查用水在漩涡混合器上混匀30s,为E1 (EU/ml);(3)取E1 ml+ ml检查用水在漩涡混合器上混匀30s,为E2 (EU/ml);(4)取E2 ml+ ml检查用水在漩涡混合器上混匀30s,为E3 (EU/ml);(5)取E3 ml+ ml检查用水在漩涡混合器上混匀30s,为E4 (EU/ml);其中,E1~E4为2λ~0.25λ内毒素标准浓度二、供试品阳性液稀释:(1)取 ml供试品稀释液溶解内毒素标准品,并在混悬仪上混匀 min,得到溶液为 E0*(EU/ml);(2)取E0* ml+ ml供试品稀释液在漩涡混合器上混匀30s,为E1*(EU/ml);(3)取E1* ml+ ml供试品稀释液在漩涡混合器上混匀30s,为E2*(EU/ml);(4)取E2* ml+ ml供试品稀释液在漩涡混合器上混匀30s,为E3*(EU/ml);(5)取E3* ml+ ml供试品稀释液在漩涡混合器上混匀30s,为E4*(EU/ml);其中,E1*~E4*为供试品阳性标准浓度。
1 / 3溶液A:准备进行检查并且未检出内毒素的供试品溶液溶液B:干扰实验系列溶液C:鲎试剂标示灵敏度的对照系列溶液D:检查用水做的阴性对照放入℃水浴箱/生化培养箱中,保温 min,取出倒转180°观察结果。
三、结果:2 / 3四、计算:Es=Lg-1(∑Xs/4)=Et=Lg-1(∑Xt/4)=Xs为C溶液的反应终点浓度的对数值;Xt为B溶液的反应终点浓度的对数值;Es为C溶液的反应终点浓度的几何平均值;Et为B溶液的反应终点浓度的几何平均值;五、结论:备注:实验人员:实验日期:核对人员:核对日期:3 / 3。
鲎试剂灵敏度复核及供试品干扰试验记录
实验日期年月日室温℃试验依据:
供试品名称批号规格
鲎试剂批号标示灵敏度(λ)规格生产厂家
细菌内毒素工作标准品批号效价 EU 生产厂家
细菌内毒素检查用水(BET水)批号规格生产厂家
1.供试品溶液的制备:
2.内毒素系列溶液的制备:
1)以BET水稀释:
2)以供试液稀释:
4.计算:
1)系列溶液C的反应终点浓度的几何平均值(Es)
Es =lg-1(ΣXs/4)=
判断:是否Es∈(0.5λ,2λ) Y/N 0.5 Es = Eu/ml ,2 Es = Eu/ml
2)系列溶液B的反应终点浓度的几何平均值(Et)
Et=lg-1(ΣXt/4)=
判断:是否 Et∈(0.5 Es,2 Es)
结论:本批鲎试剂灵敏度规定;供试品稀释至对该鲎试剂无干扰。
检验人检验日期复核人复核日期。