元器件降额标准(参考)(材料特制)
- 格式:doc
- 大小:260.00 KB
- 文档页数:7
元器件降额使用参考一、集成电路因为集成电路的复杂性和保密性,一般我们只能根据半导体结温来推断集成电路的可靠性了。
我们通常规定:1,最大工作电压,不超过额定电压80%2,最大输出电流,不超过额定电流75%3,结温,最大85摄氏度,或不超过额定最高结温的80%二、二极管二极管种类繁多,特性不一。
故而,有通用要求,也有特别要求:通用要求:长期反向电压<70%~90%×V RRM(最大可重复反向电压)最大峰值反向电压<90%×V RRM正向平均电流<70%~90%×额定值正向峰值电流<75%~85%×I FRM正向可重复峰值电流对于工作结温,不同的二极管要求略有区别:信号二极管< 85~150℃玻璃钝化二极管< 85~150℃整流二极管和快恢复、超快恢复二极管(<1000V)<85~125℃整流二极管和快恢复、超快恢复二极管(≥1000V)<85~115℃肖特基二极管< 85~115℃稳压二极管(<0.5W)<85~125℃稳压二极管(≥0.5W)<85~100℃T case(外壳温度)≤0.8×T jmax-2×θjc×P,2×θjc×P<15℃,θjc是从结到壳的热阻,P是功率损耗。
这是一个可供参考的经验值三、功率MOSV GS<85%×V GSmax(最大栅极驱动电压)I D_peak<80%×I D_M(最大漏极脉冲电流)V DS<80~90%×额定电压dV/dt<50%~90%×额定值结温<85℃~80%×T jmax(最大工作结温)T case(外壳温度)≤0.8×T jmax-2×θjc×P,2×θjc×P<15℃,θjc是从结到壳的热阻,P是功率损耗。
元器件降额准则一览表
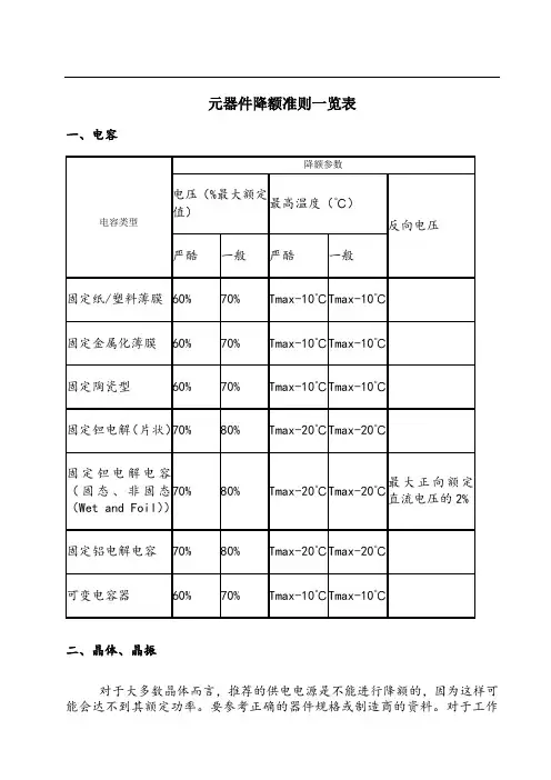
一、电容
二、晶体、晶振
对于大多数晶体而言,推荐的供电电源是不能进行降额的,因为这样可能会达不到其额定功率。
要参考正确的器件规格或制造商的资料。
对于工作
温度,要保证晶体在最高的温度和最低的温度限制范围之内,这样才能保证得到正确的额定频率值。
最高工作温度需小于器件最高允许工作温度10度以上。
最低工作温度需大于器件最低允许工作温度10度以上。
对于恒温晶振,只需考虑机箱内晶振周围的空气温度小于晶振运行的最高工作环境温度10度,最低工作温度高10度。
三、电阻
四、二极管
五、晶极管
六、磁性器件:变压器和电感的降额要求:
七、微电路
*商业等级微电路的主要降额因素是温度。
八、保险丝:UL/IEC保险丝降额要求
九、连接器
十、开关
十一、电源。
电路设计元器件降额标准1、晶体管/MOSFET:反向电压:0.7 0.8MOSFET栅源电压:0.6 0.7三极管集电极、发射机电压:0.7 0.8三极管集电极电流:0.7 0.8正反向电流:0.7 0.8温湿度0.7 0.82、二极管正向电压:10%稳定电压(稳压二极管):反向漏电流+200%恢复开关时间+20%反向电压0.7 0.8电流0.7 0.8功率0.65浪涌电压、电流0.7 0.8温湿度0.7 0.83、断路器熔断电流:0.75 0.9 阻/容性负载0.4 0.5 感性负载0.2 0.35 电机温度:Tmax-204、保险丝电流>0.5A 0.45~0.5电流<0.5A 0.2~0.4环境温度超过25度时,按0.005/oC增加降额5、可控硅,闸流管控制极正向压降10%漏电流+200%开关时间+20%其它指标同二极管6、光电器件指标同二极管7、电阻/电阻网络电压0.75功率0.6 0.7封装2512 2010 1206 0805 0603 0402 0201 功率 1 1/2 1/4,1/8 1/10 1/16 1/16 1/32最大电压200 200 200 100 50 50类型片式金属氧化膜水泥电阻功率1/4 1W/2W/5W 5W及以上8、绕线电阻电压0.75功率0.45 0.6 精密型0.6 0.7 功率型9、热敏电阻电压:电源电压80%功率:0.5 0.5温度:TMax-1510、压敏电阻电压:0.75功率:0.6 0.7不靠近发热可燃器件,离开其它器件3mm11、非绕线电位器电压0.75功率0.45 0.6 精密型0.6 0.7 功率型12、电容器固定纸、塑料薄膜电容/玻璃铀/固定云母/固定陶瓷/ 电流、电压0.6 0.7温度Tmax-10铝电解电压、电流0.6 0.7钽电解电压、电流0.5 0.7温度Tmax-20钽固体电解电压电流0.8 0.9 20V以下0.7 0.8 25V以上温度Tmax-20可变电容器电流、电压0.5浪涌电流电压0.6 0.7温度Tmax-1013、电感热点温度Tmax-10~25 Tmax-15~0工作电流0.6~0.7瞬态电压电流0.9介质耐压0.5~0.6电压0.714、磁珠工作电流0.6~0.7瞬态电压0.915、继电器<100mW不降额电阻负载:0.75~0.90电容负载(最大浪涌电流):0.75~0.90电感负载0.75 0.9 电感额定电流0.4 0.75 电阻额定电流电机负载0.75 0.9 电感额定电流0.2 0.75 电阻额定电流0.1 0.3 灯丝0.5 0.7 水印继电器(VA)线圈释放电压0.9最小~1.1最大温度额定-20振动额定60%16、开关<100mW不降额电阻负载:0.75~0.90电容负载(最大浪涌电流):0.75~0.90电感负载0.75 0.9 电感额定电流0.4 0.75 电阻额定电流电机负载0.75 0.9 电感额定电流0.2 0.75 电阻额定电流0.1 0.3 灯丝触点额定电压0.5 0.7功率0.5 0.717、电连接器电压0.7 0.8电流0.7 0.85温度Tmax-25 Tmax-2018、晶体温度:最低+10,最高-1019、光学器件光纤光源:峰值输出功率0.5峰值电流0.5结温设法降低光纤:温度:低温+20,高温-20张力:光纤20%拉力,光缆50%拉升值弯曲半径:最小允许值200%光纤连接器:温度:Tmax-25 Tmax-20。
元器件降额使用参考一、集成电路因为集成电路的复杂性和保密性,一般我们只能根据半导体结温来推断集成电路的可靠性了。
我们通常规定:1,最大工作电压,不超过额定电压80%2,最大输出电流,不超过额定电流75%3,结温,最大85摄氏度,或不超过额定最高结温的80%二、二极管二极管种类繁多,特性不一。
故而,有通用要求,也有特别要求:通用要求:长期反向电压<70%~90%×V RRM(最大可重复反向电压)最大峰值反向电压<90%×V RRM正向平均电流<70%~90%×额定值正向峰值电流<75%~85%×I FRM正向可重复峰值电流对于工作结温,不同的二极管要求略有区别:信号二极管< 85~150℃玻璃钝化二极管< 85~150℃整流二极管和快恢复、超快恢复二极管(<1000V)<85~125℃整流二极管和快恢复、超快恢复二极管(≥1000V)<85~115℃肖特基二极管< 85~115℃稳压二极管(<0.5W)<85~125℃稳压二极管(≥0.5W)<85~100℃T case(外壳温度)≤0.8×T jmax-2×θjc×P,2×θjc×P<15℃,θjc是从结到壳的热阻,P是功率损耗。
这是一个可供参考的经验值三、功率MOSV GS<85%×V GSmax(最大栅极驱动电压)I D_peak<80%×I D_M(最大漏极脉冲电流)V DS<80~90%×额定电压dV/dt<50%~90%×额定值结温<85℃~80%×T jmax(最大工作结温)T case(外壳温度)≤0.8×T jmax-2×θjc×P,2×θjc×P<15℃,θjc是从结到壳的热阻,P是功率损耗。
元器件降额准则元器件降额准则概述元器件降额是指在保证电路性能稳定的前提下,将电子元器件的额定数值减小一定比例,用更小的元器件来实现同样的功能。
元器件降额的工程应用主要是针对电源电路和信号处理电路,通过降低元器件的容值、电阻值、电感值等参数,使得相应的电路成本减少,同时对整个系统的运行稳定性没有影响。
在电子设计中,通常采用元器件降额的方法来缩小电路的体积、降低成本和提高效率。
而与此相应的,元器件降额准则就成了电子工程师需了解的重要知识之一。
元器件降额准则1. 电容器降额准则电容器降额准则是指将标称容量为C1的电容器,根据电路实际工作要求,选用容量为C2的电容器代替,C2 < C1。
一般的,当C2<0.1C1时,不会对电路性能产生显著的影响。
当C2<0.01C1时,可能会影响电路的稳定性,因此需要进行适当的补偿和设计。
2. 电阻器降额准则电阻器降额准则是指选用电阻值小于标称值的电阻器,来代替标称值为R的电阻器。
一般来说,选用与标称值相比小于10%的电阻器不会影响电路性能。
但是需要注意的是,如果电阻值太小会降低电路负载能力,导致电路不稳定,因此选用时需要根据具体情况进行权衡。
3. 电感器降额准则电感器降额准则是指选用低于标称值的电感器,来代替标称值为L的电感器。
一般来说,选用电感值小于标称值10%的电感器不会对电路性能产生明显的影响。
但是,对于高频电路或对电感器性能有严格要求的场景,需要进行详细的电路仿真和测试,以确保电路的稳定性和性能。
4. 半导体器件降额准则半导体器件降额准则是指选用与标称值相比小于10%的电流、电压值的半导体器件替换标称值为I或V的器件。
但是,需要注意的是,在选用低于标称值的半导体器件时,也需要考虑其安装和工作温度等特殊因素,以保证电路的可靠性。
5. 变压器降额准则变压器降额准则是指将标称值为N1:N2的变压器,选用变比N3:N4的变压器代替,通常有N3/N1=n4/N2。
元器件降额标准(参考)元器件降额准则(参考件)元器件种类降额参数降额等级ⅠⅡⅢ集成电路模拟电路放大器电源电压0.70 0.80 0.80输入电压0.60 0.70 0.70输出电流0.70 0.80 0.80功率0.70 0.75 0.80最高结温(℃)80 95 105比较器电源电压0.70 0.80 0.80输入电压0.70 0.80 0.80输出电流0.70 0.80 0.80功率0.70 0.75 0.80最高结温(℃)80 95 105电压调整器电源电压0.70 0.80 0.80输入电压0.70 0.80 0.80输出输入电压差0.70 0.80 0.85输出电流0.70 0.75 0.80功率0.70 0.75 0.80 最高结温(℃)80 95 105模拟开关电源电压0.70 0.80 0.85输入电压0.80 0.85 0.90输出电流0.75 0.80 0.85 功率0.70 0.75 0.80 最高结温(℃)80 95 105数字电路双极频率0.80 0.90 0.90型电路输出电流0.80 0.90 0.90最高结温(℃)85 100 115MOS 型电路电源电压0.70 0.80 0.80输出电流0.80 0.90 0.90 功率0.80 0.80 0.90 最高结温(℃)85 100 115混和集成电路厚模集成电路(W/cm2)7.5薄模集成电路(W/cm2)6.5最高结温(℃)85 100 115大规模集成电路最高结温(℃)改进散热方式降低结温分离半导体器件晶体管方向电压一般晶体管0.60 0.70 0.80功率MOSFET的栅源电压0.50 0.60 0.70电流0.60 0.70 0.80功率0.50 0.65 0.75功率管安全工作区集电极-发射极电压0.70 0.80 0.90集电极最大允许电流0.60 0.70 0.80最高结温Tjm(℃)200 115 140 160175 100 125 145≤150 Tjm-65Tjm-4Tjm-2微波晶体管最高结温同晶体管二极管(基准管除外)电压(不适用于稳压管)0.60 0.70 0.80电流0.50 0.65 0.80功率0.50 0.65 0.80 最高结温Tjm(℃)200 115 140 160175 100 125 145≤150 Tjm-65Tjm-4Tjm-2微波二极管最高结温同二极管基准二极管可控硅/半电压0.60 0.70 0.80电流0.50 0.65 0.80 最高结温200 115 140 160175 100 125 145导体光电器件Tjm(℃)≤150 Tjm-65Tjm-4Tjm-2固定电阻器合成型电阻器电压0.75 0.75 0.75功率0.50 0.60 0.70 环境温度按元件负荷特性曲线降额薄膜型电阻器电压0.75 0.75 0.75功率0.50 0.60 0.70 环境温度按元件负荷特性曲线降额电阻网络电压0.75 0.75 0.75功率0.50 0.60 0.70 环境温度按元件负荷特性曲线降额线绕电阻电压0.75 0.75 0.75 功率精密型0.25 0.45 0.60功率型0.50 0.60 0.70 环境温度按元件负荷特性曲线降额电位器非线绕电位器电压0.75 0.75 0.75 功率合成、薄膜微调0.30 0.45 0.60精密塑料型不采用0.50 0.50 环境温度按元件负荷特性曲线降额线绕电位器电压0.75 0.75 0.75 功率普通型0.30 0.45 0.50非密封功率型--0.70微调线绕型0.30 0.45 0.50环境温度按元件负荷特性曲线降额热敏功率0.50 0.50 0.50电阻器最高环境温度(℃)T AM-15T AM-15T AM-15电容器固定玻璃釉型直流工作电压0.50 0.60 0.70最高额定环境温度T AM(℃)T AM-1T AM-1T AM-1固定云母型直流工作电压0.50 0.60 0.70最高额定环境温度T AM(℃)T AM-1T AM-1T AM-1固定陶瓷型直流工作电压0.50 0.60 0.70最高额定环境温度T AM (℃)T AM-1T AM-1T AM-1固定纸/塑料薄膜直流工作电压0.50 0.60 0.70最高额定环境温度T AM(℃)T AM-1T AM-1T AM-1电解电容器铝电解直流工作电压--0.75最高额定环境温度T AM(℃)--T AM-2钽电解直流工作电压0.50 0.60 0.70最高额定环境温度T AM (℃)T AM-2T AM-2T AM-2微调电容器直流工作电压0.30~0.400.50 0.50最高额定环境温度T AM(℃)T AM-1T AM-1T AM-1电感元件热点温度T HS(℃)(简写T)T-40~25T-25~1T-15~0 工作电流0.60~0.700.60~0.700.60~0.70瞬间电压/电流0.9 0.9 0.9 介质耐压0.5~0.6 0.5~0.6 0.5~0.6 扼流圈工作电压0.7 0.7 0.7继电器连续触小功率负荷(<100mW)不降额电阻负载0.50 0.75 0.90点电流电容负载(最大浪涌电流)0.50 0.75 0.90电感负载电感额定电流的0.50 0.75 0.90电阻额定电流的0.35 0.40 0.75电机负载电机额定电流的0.50 0.75 0.90电阻额定电流的0.15 0.20 0.35灯丝负载灯泡额定电流的0.50 0.75 0.90电阻额定电流的0.07~0.080.10 0.30触点功率(用于舌簧水银式)0.40 0.50 0.70线圈吸合电压最小维持电压0.90 0.90 0.90最小线圈电压1.10 1.10 1.10线圈释放电压最大允许值1.10 1.10 1.10最小允许值0.90 0.90 0.90最高额定环境温度T AM(℃)T AM-2T AM-2T AM-2振动极限0.60 0.60 0.60 工作寿命(循环次数)0.50开关连续触点电流小功率负荷(<100mW)不降额电阻负载0.50 0.75 0.90 电容负载(电阻额定电流的)0.50 0.75 0.90电感负载电感额定电流的0.50 0.75 0.90电阻额定电流的0.35 0.40 0.75电机负载电机额定电流的0.50 0.75 0.90电阻额定电流的0.15 0.20 0.35灯丝负载灯泡额定电流的0.50 0.75 0.90电阻额定电流的0.07~0.080.10 0.15触点电压0.40 0.50 0.70 触点功率0.40 0.50 0.70连接器工作电压0.50 0.70 0.80工作电流0.50 0.70 0.80 最高接触对额定温度T M(℃)T M-40 T M-20 T M-15电最高工作温度(℃)T-40 T-20 T-15机最低极限(℃)0 0 0 轴承载荷额定值0.75 0.90 0.90灯泡白炽灯工作电压(如可行)0.94 0.94 0.94 氖/氩灯工作电压(如可行)0.94 0.94 0.94电路断路器电流阻性负载0.75 0.75 0.90容性负载0.75 0.75 0.90感性负载0.40 0.40 0.50电机负载0.20 0.20 0.35灯丝负载0.10 0.10 0.15最高额定环境温度T AM(℃)T AM-20保险电流额定值>0.5A 0.45~0.50.45~0.50.45~0.5丝≤0.5A 0.2~0.4 0.2~0.4 0.2~0.4 T>25℃时,增加降额1/℃0.005 0.005 0.005晶体最低温度(℃)T L+10 T L+10 T L+10 最高温度(℃)T U-10 T U-10 T U-10微波管最高额定环境温度(℃)T AM-2T AM-2T AM-20 输出功率0.80 0.80 0.80反射功率0.50 0.50 0.50占空比0.75 0.75 0.75声表面波器件输入功率(f>100MHz)降低+10dBm输入功率(f<100MHz=降低+20dBm纤维光学器件光纤光源峰值光输出功率0.50(适用于ILD)电流0.50(适用于ILD)结温设法降低光纤探测器PIN反向压降0.60结温设法降低光纤与光缆温度上限额定值-20;下限额定值+20张力光纤耐拉试验的0.20光缆拉伸额定值的0.50 弯曲半径最小允许值的0.20核辐射按产品详细规范降额或加固导线与电缆最大应用电压最大绝缘电压规定值的0.50最大应用电流(A)线规A VG30/28/26/24/22/20/18/16单根导线电流I SV1.3/1.8/2.5/3.3/4.5/6.5/9.2/13.0线规A VG14/12/10/8/6/4单根导线电流I SV17.0/23.0/33.0/44.0/60.0/81.0双极型数字电路降额准则降额参数降额等级ⅠⅡⅢ电源电容容限±3%±5%见技术条件频率0.80 0.90 0.95 输出电流0.80 0.90 0.90 最高结温(C)85 100 115HP电压降额标准器件型号正常状态最差状态电阻峰值电压(%) 功率(%)温度峰值电压(%)功率(%)温度碳膜、金属膜50 50PCB的标50 80PCB的标准≥100 Ko ≤1/4W1/2W50 50 50 80hm ≥ 1W 40 50 准焊接温度≤85°C40 80 焊接温度≤100°C< 100 Ko hm ≤1/4W80 50 80 801/2W80 50 80 80 1 W 80 60 80 80 ≥ 2W80 50 80 60玻璃釉电阻70 60压敏电阻80 50 80 80不同功率下的峰值电压:1/6 W-200(150)V;1/4 W-250V;1/2 W-350 V;1W-350 V;2W-350V;3W-500 V;5W-500V器件型号Isteady(%)Im (%) Isteady(%)Im (%)NTC-电阻PTC-电阻80 80电容VDC(%) VCP(%)Vpeak(%)Irms(%)Ip-p(%)Temp(%)VDC(%)VCP(%)Vpeak(%)Irms(%)Ip-p(%)Temp(%)薄膜电容85 85PEMPE 90 85 MPP 85 85 85 Ceramicfixed陶瓷电容75 80 90 90Electrolytic(85° C,2000 h)80 80 85 60 90 95 90 70Electrolytic(105° C,2000 h)80 80 90 60 90 95 90 70ComponentTypNormal Case Worst CaseInductors CoreTemp(°C)CoreTemp(%)CoreTemp(°C)CoreTemp(%)ChokeCoil80TransformerSemico nductorsTj min. = 150°CNote: Tj to Tcase has to be calculated for verification in any caseDiode Vrm(%)Io(%)Ifsm(%)Tcase(°C)Vrm(%)Io(%)Ifsm(%)Tcase(°C)90 50 70 90Zener Diode Pd(%)Iz(%)IFM(%)Tcase(°C)Pd(%)Iz(%)IFM(%)Tcase(°C)50 50 80 90Damp/ Modula tion Diode Vrm(%)Io(%)Ifsm(%)Tcase(°C) 90 50 70 90Transist ors Vce(%)Veb(%)IC(%)Tcase(°CVce(%)Veb(%)IC(%)Tcase(°C 85 85 85 85 85 85 90MOSF ET Vpss(%)Ip(%)IDM(%)VGS(%)Vpss(%)Ip(%)IDM(%)VGS(%) 85 80 80 85 90 85 80 85IC Vpeak (%) Pd(%)Tcase(°C)Vpeak (%)Pd(%)Tcase(°C)80 80 90 85 80 90 PCB( SolderTemp)≤ 85°C ≤ 100°CSpecial Parts Vpeak (%)Irms(%)Tcase(°C)Vpeak (%)Irms(%)Tcase(°C)Switch Power MOSF ET85 90 85 100DC-DC booster MOSF ET DC- DC booster rectifier Hor.- output器件型号Normal Case Worst CaseSpecial Parts Vpeak(%) Irms(%)Tcase(%)Vpeak(%)Irms(%)Tcase(%)H-Driver/Vertical行场驱动80 80 75 85 80 80。
元器件降额准则一览表
二、晶体、晶振
对于大多数晶体而言,推荐的供电电源是不能进行降额的,因为这样可能会达不到其额定功率。
要参考正确的器件规格或制造商的资料。
对于工作温度,要保证晶体在最高的温度和最低的温度限制范围之内,这样才能保证得到正确的额定频率值。
最高工作温度需小于器件最高允许工作温度10度以上。
最低工作温度需大于器件最低允许工作温度10度以上。
对于恒温晶振,只需考虑机箱内晶振周围的空气温度小于晶振运行的最高工作环境温度10度,最低工作温度高10度。
*商业等级微电路的主要降额因素是温度。
修订记录目录修订记录 (1)1、目的 (3)2、范围 (3)3、组织与权责 (3)3.1、设计工程 (3)3.2、验证工程 (3)3.3、零件工程 (3)4、名词解释 (3)4.1、降额 (3)4.2、最大额定值 (3)4.3、应力 (3)4.4、应力比率 (3)5、降额标准 (4)5.1、电阻器降额使用规范 (4)5.2、保险丝使用规范 (4)5.3、整流管降额使用规范 (5)5.3.1、信号/开关, 普通型二极体 (5)5.3.2、桥整 (5)5.3.3、肖特基二极体 (5)5.3.4、稳压二极管 (5)5.4 晶体管降额使用规范 (6)5.4.1、晶体管(双极,普通) (6)5.4.2、晶体管(功率) (6)5.4.3、MOSFET(Small Signal) (6)5.4.4、MOSFET(Power) (6)5.4.5、晶闸管, 可控硅 (7)5.5、电容降额使用规范 (7)5.6、光电耦合器 (8)5.7、微电路IC降额使用规范 (8)5.7、变压器和电感降额使用规范 (8)6、SAGEMCOM Component derating: (8)7、参考文件 (9)8、附录 (9)1、目的通过执行降额标准等效补偿零件关键特性参数降低来自于零件和生产变异造成的品质冲击而导致的不良率,改善产品设计可靠性提高产品运行余量从而达成稳定的设计目标要求。
2、范围冠德科技有限公司SPS研发部。
3、组织与权责3.1、设计工程设计开发之前,设计工程人员需要了解熟悉零件应用和零件降额使用标准。
开发设计调试过程中设计工程人员有责任量测零件实际工作中的承受应力,如果检测结果达不到相应的零件降额要求,设计人员有责任研究分析根本原因并妥善解决。
如果没有成本效率(包括品质改善)可以实现,设计人员有责任提供与条款存在异议部分并提供报告做相应解释。
3.2、验证工程验证工程人员有责任参与降额标准的应用说明并与相关人员作答,并担当该文件的维护工作。
1、晶体管/MOSFET:反向电压:0.7 0.8MOSFET栅源电压:0.6 0.7三极管集电极、发射机电压:0.7 0.8三极管集电极电流:0.7 0.8正反向电流:0.7 0.8温湿度0.7 0.82、二极管正向电压:10%稳定电压(稳压二极管):反向漏电流+200%恢复开关时间+20%反向电压0.7 0.8电流0.7 0.8功率0.65浪涌电压、电流0.7 0.8温湿度0.7 0.83、断路器熔断电流:0.75 0.9 阻/容性负载0.4 0.5 感性负载0.2 0.35 电机温度:Tmax-204、保险丝电流>0.5A 0.45~0.5电流<0.5A 0.2~0.4环境温度超过25度时,按0.005/oC增加降额5、可控硅,闸流管控制极正向压降10%漏电流+200%开关时间+20%其它指标同二极管6、光电器件指标同二极管7、电阻/电阻网络电压0.75功率0.6 0.7封装2512 2010 1206 0805 0603 0402 0201 功率 1 1/2 1/4,1/8 1/10 1/16 1/16 1/32最大电压200 200 200 100 50 50类型片式金属氧化膜水泥电阻功率1/4 1W/2W/5W 5W及以上8、绕线电阻电压0.75功率0.45 0.6 精密型0.6 0.7 功率型9、热敏电阻电压:电源电压80%功率:0.5 0.5温度:TMax-1510、压敏电阻电压:0.75功率:0.6 0.7不靠近发热可燃器件,离开其它器件3mm11、非绕线电位器电压0.75功率0.45 0.6 精密型0.6 0.7 功率型12、电容器固定纸、塑料薄膜电容/玻璃铀/固定云母/固定陶瓷/电流、电压0.6 0.7温度Tmax-10铝电解电压、电流0.6 0.7钽电解电压、电流0.5 0.7温度Tmax-20钽固体电解电压电流0.8 0.9 20V以下0.7 0.8 25V以上温度Tmax-20可变电容器电流、电压0.5浪涌电流电压0.6 0.7温度Tmax-1013、电感热点温度Tmax-10~25 Tmax-15~0工作电流0.6~0.7瞬态电压电流0.9介质耐压0.5~0.6电压0.714、磁珠工作电流0.6~0.7瞬态电压0.915、继电器<100mW不降额电阻负载:0.75~0.90电容负载(最大浪涌电流):0.75~0.90电感负载0.75 0.9 电感额定电流0.4 0.75 电阻额定电流电机负载0.75 0.9 电感额定电流0.2 0.75 电阻额定电流0.1 0.3 灯丝0.5 0.7 水印继电器(VA)线圈释放电压0.9最小~1.1最大温度额定-20振动额定60%16、开关<100mW不降额电阻负载:0.75~0.90电容负载(最大浪涌电流):0.75~0.90电感负载0.75 0.9 电感额定电流0.4 0.75 电阻额定电流电机负载0.75 0.9 电感额定电流0.2 0.75 电阻额定电流0.1 0.3 灯丝触点额定电压0.5 0.7功率0.5 0.717、电连接器电压0.7 0.8电流0.7 0.85温度Tmax-25 Tmax-2018、晶体温度:最低+10,最高-1019、光学器件光纤光源:峰值输出功率0.5峰值电流0.5结温设法降低光纤:温度:低温+20,高温-20张力:光纤20%拉力,光缆50%拉升值弯曲半径:最小允许值200%光纤连接器:温度:Tmax-25 Tmax-20。
元器件降额准则(参考件)元器件种类降额参数降额等级ⅠⅡⅢ集成电路模拟电路放大器电源电压0.70 0.80 0.80输入电压0.60 0.70 0.70输出电流0.70 0.80 0.80功率0.70 0.75 0.80最高结温(℃)80 95 105比较器电源电压0.70 0.80 0.80输入电压0.70 0.80 0.80输出电流0.70 0.80 0.80功率0.70 0.75 0.80最高结温(℃)80 95 105电压调整器电源电压0.70 0.80 0.80输入电压0.70 0.80 0.80输出输入电压差0.70 0.80 0.85输出电流0.70 0.75 0.80功率0.70 0.75 0.80最高结温(℃)80 95 105 模拟开关电源电压0.70 0.80 0.85输入电压0.80 0.85 0.90输出电流0.75 0.80 0.85功率0.70 0.75 0.80最高结温(℃)80 95 105数字电路双极型电路频率0.80 0.90 0.90输出电流0.80 0.90 0.90最高结温(℃)85 100 115MOS型电路电源电压0.70 0.80 0.80输出电流0.80 0.90 0.90功率0.80 0.80 0.90最高结温(℃)85 100 115 混和集成电路厚模集成电路(W/cm2)7.5薄模集成电路(W/cm2) 6.5最高结温(℃)85 100 115 大规模集成电路最高结温(℃)改进散热方式降低结温分离半导体器件晶体管方向电压一般晶体管0.60 0.70 0.80功率MOSFET的栅源电压0.50 0.60 0.70电流0.60 0.70 0.80功率0.50 0.65 0.75 功率管安全工作区集电极-发射极电压0.70 0.80 0.90集电极最大允许电流0.60 0.70 0.80 最高结温200 115 140 160Tjm(℃)175 100 125 145≤150 Tjm-65 Tjm-40 Tjm-20 微波晶体管最高结温同晶体管二极管(基准管除外)电压(不适用于稳压管)0.60 0.70 0.80电流0.50 0.65 0.80功率0.50 0.65 0.80最高结温Tjm(℃)200 115 140 160175 100 125 145≤150 Tjm-65 Tjm-40 Tjm-20微波二极管最高结温同二极管基准二极管可控硅/半导体光电器件电压0.60 0.70 0.80电流0.50 0.65 0.80最高结温Tjm(℃)200 115 140 160175 100 125 145≤150 Tjm-65 Tjm-40 Tjm-20固定电阻器合成型电阻器电压0.75 0.75 0.75功率0.50 0.60 0.70环境温度按元件负荷特性曲线降额薄膜型电阻器电压0.75 0.75 0.75功率0.50 0.60 0.70环境温度按元件负荷特性曲线降额电阻网络电压0.75 0.75 0.75功率0.50 0.60 0.70环境温度按元件负荷特性曲线降额线绕电阻电压0.75 0.75 0.75功率精密型0.25 0.45 0.60功率型0.50 0.60 0.70环境温度按元件负荷特性曲线降额电位器非线绕电位器电压0.75 0.75 0.75 功率合成、薄膜微调0.30 0.45 0.60精密塑料型不采用0.50 0.50环境温度按元件负荷特性曲线降额线绕电位器电压0.75 0.75 0.75 功率普通型0.30 0.45 0.50非密封功率型--0.70微调线绕型0.30 0.45 0.50环境温度按元件负荷特性曲线降额热敏电阻器功率0.50 0.50 0.50 最高环境温度(℃)T AM-15 T AM-15 T AM-15电容器固定玻璃釉型直流工作电压0.50 0.60 0.70最高额定环境温度T AM(℃)T AM-10 T AM-10 T AM-10固定云母型直流工作电压0.50 0.60 0.70 最高额定环境温度T AM(℃)T AM-10 T AM-10 T AM-10固定陶瓷型直流工作电压0.50 0.60 0.70 最高额定环境温度T AM(℃)T AM-10 T AM-10 T AM-10固定纸/塑料薄膜直流工作电压0.50 0.60 0.70 最高额定环境温度T AM(℃)T AM-10 T AM-10 T AM-10电解电容器铝电解直流工作电压--0.75 最高额定环境温度T AM(℃)--T AM-20 钽电解直流工作电压0.50 0.60 0.70 最高额定环境温度T AM(℃)T AM-20 T AM-20 T AM-20微调电容器直流工作电压0.30~0.40 0.50 0.50 最高额定环境温度T AM(℃)T AM-10 T AM-10 T AM-10电感元件热点温度T HS(℃)(简写T) T-40~25 T-25~10 T-15~0 工作电流0.60~0.70 0.60~0.70 0.60~0.70 瞬间电压/电流0.9 0.9 0.9 介质耐压0.5~0.6 0.5~0.6 0.5~0.6 扼流圈工作电压0.7 0.7 0.7继电器连续触点电流小功率负荷(<100mW)不降额电阻负载0.50 0.75 0.90 电容负载(最大浪涌电流)0.50 0.75 0.90 电感负载电感额定电流的0.50 0.75 0.90电阻额定电流的0.35 0.40 0.75 电机负载电机额定电流的0.50 0.75 0.90电阻额定电流的0.15 0.20 0.35 灯丝负载灯泡额定电流的0.50 0.75 0.90电阻额定电流的0.07~0.08 0.10 0.30 触点功率(用于舌簧水银式)0.40 0.50 0.70 线圈吸合电压最小维持电压0.90 0.90 0.90最小线圈电压 1.10 1.10 1.10 线圈释放电压最大允许值 1.10 1.10 1.10最小允许值0.90 0.90 0.90 最高额定环境温度T AM(℃)T AM-20 T AM-20 T AM-20 振动极限0.60 0.60 0.60 工作寿命(循环次数)0.50开关连续触点电流小功率负荷(<100mW)不降额电阻负载0.50 0.75 0.90 电容负载(电阻额定电流的)0.50 0.75 0.90 电感负载电感额定电流的0.50 0.75 0.90电阻额定电流的0.35 0.40 0.75 电机负载电机额定电流的0.50 0.75 0.90电阻额定电流的0.15 0.20 0.35 灯丝负载灯泡额定电流的0.50 0.75 0.90电阻额定电流的0.07~0.08 0.10 0.15 触点电压0.40 0.50 0.70 触点功率0.40 0.50 0.70连接器工作电压0.50 0.70 0.80工作电流0.50 0.70 0.80 最高接触对额定温度T M(℃)T M-40 T M-20 T M-15电机最高工作温度(℃)T-40 T-20 T-15 最低极限(℃)0 0 0 轴承载荷额定值0.75 0.90 0.90灯泡白炽灯工作电压(如可行)0.94 0.94 0.94 氖/氩灯工作电压(如可行)0.94 0.94 0.94电路断路器电流阻性负载0.75 0.75 0.90容性负载0.75 0.75 0.90感性负载0.40 0.40 0.50电机负载0.20 0.20 0.35灯丝负载0.10 0.10 0.15 最高额定环境温度T AM(℃)T AM-20保险丝电流额定值>0.5A 0.45~0.5 0.45~0.5 0.45~0.5≤0.5A 0.2~0.4 0.2~0.4 0.2~0.4 T>25℃时,增加降额1/℃0.005 0.005 0.005晶体最低温度(℃)T L+10 T L+10 T L+10 最高温度(℃)T U-10 T U-10 T U-10微波管最高额定环境温度(℃)T AM-20 T AM-20 T AM-20 输出功率0.80 0.80 0.80反射功率0.50 0.50 0.50占空比0.75 0.75 0.75声表面波器件输入功率(f>100MHz)降低+10dBm 输入功率(f<100MHz=降低+20dBm纤维光学器件光纤光源峰值光输出功率0.50(适用于ILD)电流0.50(适用于ILD)结温设法降低光纤探测器PIN反向压降0.60结温设法降低光纤与光缆温度上限额定值-20;下限额定值+20 张力光纤耐拉试验的0.20光缆拉伸额定值的0.50弯曲半径最小允许值的0.20核辐射按产品详细规范降额或加固导线与电缆最大应用电压最大绝缘电压规定值的0.50 最大应用电流(A)线规A VG30/28/26/24/22/20/18/16单根导线电流I SV 1.3/1.8/2.5/3.3/4.5/6.5/9.2/13.0线规A VG14/12/10/8/6/4。