公路工程试验检测仪器设备检定校准指导手册(ppt 35张)
- 格式:ppt
- 大小:3.20 MB
- 文档页数:36
公路工程试验检测仪器设备校准指南常用非强检设备校准方法目录1.4 电动击实仪校准方法(JTJZ 01-04) (2)1.7 CBR试验装置校准方法(JTJZ 01-07) (4)2.8容量筒校准方法(JTJZ 02-08) (6)3.1透气比表面积仪校准方法(JTJZ 03-01) (8)3.2水泥负压筛析仪校准方法(JTJZ 03-02) (10)3.4量水器校准方法(JTJZ 03-04) (12)3.6雷氏夹校准方法(JTJZ 03-06) (15)3.13坍落度测定仪校准方法(JTJZ 03-13) (17)3.16水泥混凝土抗渗仪校准方法(JTJZ 03-16) (19)3.18水泥砂浆分层度仪校准方法(JTJZ 03-18) (22)3.19水泥混凝土试模、砂浆试模校准方法(JTJZ 03-19) (24)5.1 灌砂筒校准方法(JTJZ 05-01) (27)5.6玻璃器皿校准方法(JTJZ 05-06) (29)游标卡尺:最大量程不小于200 mm,分度值0.02 mm。
钢直尺:量程不少于500 mm,分度值1 mm。
塞尺:0.02~2 mm。
电子天平:量程不小于2000g,感量为0.01g。
电子天平:量程不小于5000g,感量为1g。
电子天平:量程不小于15kg,感量为1g。
分析天平:量程不小于100g,感量为0.0001g。
电子秤或磅秤:量程不小于50kg,感量为5g。
1.4 电动击实仪校准方法(JTJZ 01-04)1 适用范围本方法适用于电动击实仪的校准,参照《土工击实仪检定规程》[JJG(交通)058-2004]编制。
2 技术要求2.1 仪器应带有名牌(包括仪器名称、型号规格、出厂编号、出厂日期、制造厂等)、合格证、使用说明书。
3 校准项目3.1 外观检查。
3.2 击实锤质量。
3.3 击实锤落高。
3.4 击实锤锤头直径。
3.5 击实锤体的侧母线与击实筒内壁的间隙。
3.6 击实筒几何尺寸。
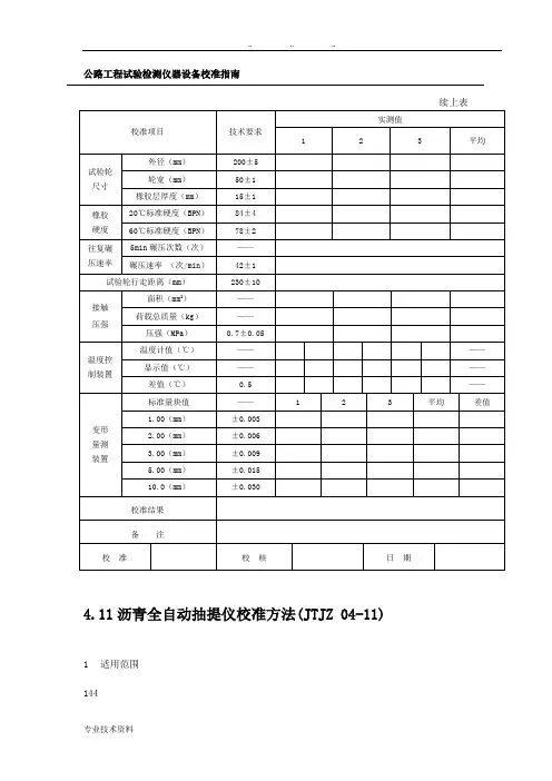
公路工程试验检测仪器设备校准指南续上表4。
11沥青全自动抽提仪校准方法(JTJZ 04—11)1适用范围144第二部分校准/检查方法/4沥青及沥青混合料类仪器设备校准方法本方法适用于沥青全自动抽提仪的校准.2 技术要求2.1 仪器应带有铭牌(包括仪器名称、型号规格、出厂编号、出厂日期、制造厂等)、合格证、灌吏用说明书.2.2 仪器外表不应有明显的损伤、缺陷和锈蚀,仪器应安装水平,溶剂供给、回收系统、冷却水循环系统应连接密封、完好。
2.3 筛分、过滤系统:筛网应完好不得有孔洞、裂口等并通过校准各筛能够密封套合,喷淋盖能够密闭,喷淋孔应畅通,电磁振动系统应有效运行。
2。
4 回收系统:由溶剂室、溶剂回收室、冷凝箱等组成,溶剂室设有冷却管、直读液位计、溶剂排放阀。
2.5 抽提精度:油石比差值≤2,矿粉筛余百分率差值≤0.2。
3 校准项目3.1 外观检查.3.2 抽提精度。
4 校准环境及校准器具4.1 校准环境:校准工作应在室内进行,环境温度为(25士10)℃相对湿度不大于85%,校准现场应洁净,周围无影响校准结果的振动、污染、腐蚀性气体.4.2 校准器具:电子天平量程不小于2000g,感量为0.01g。
5 校准方法5。
1 外观检查:按照本方法2.1一2。
5条要求进行目测检查.5。
2 抽提精度:采用经校准的没备自制已知配比的沥青混合料,进行抽提试验,重复进行3次,取平均值;计算油石比及矿料筛余百分率。
6 校准周期校准周期一般下赶过12个月.7 结果处理填写校准记录表(表B04—11),提交审核确认。
全自动抽提仪校准记录表(表B04-11)145公路工程试验检测仪器设备校准指南续上表4.12 马歇尔试模校准方法(JTJZ 04—12)1 适用范围本方法适用于马歇尔试模的校准.2 技术要求2。
1 试模及套模应由高碳钢或工具钢制成,有足够的厚度和刚度,以保证使用中不产生变形;外观应圆整,无明显的变形、锈蚀、严重附着污染物等缺陷。
公路工程试验检测仪器设备校准指南一、前言公路工程试验检测仪器设备校准是保证试验数据准确性、可靠性和可比性的重要环节。
准确的仪器设备校准可以有效提高试验结果的可信度和实用性,为公路工程建设提供科学、准确的数据依据。
本指南旨在规范公路工程试验检测仪器设备的校准流程和要求,确保仪器设备校准工作的有效实施。
二、校准流程1.校准前准备(1)选择合适的校准机构:校准机构应有相关资质和能力,具备仪器设备校准的技术和经验。
(2)查阅校准规范和要求:校准前应详细了解仪器设备的校准规范和要求,包括校准方法、校准标准和校准周期等。
(3)清洁和检查仪器设备:校准前应对仪器设备进行清洁和检查,确保仪器设备没有损坏或污染。
(4)校准记录准备:准备校准记录表格和校准标记,用于记录和标识校准结果。
2.校准执行(1)按照校准规范进行操作:根据校准规范的要求,按照规定的步骤和方法进行校准操作,确保校准的准确性和可靠性。
(2)校准数据记录:校准过程中应及时、准确地记录校准数据,包括仪器设备的初始状态、调整参数和校准结果等。
(3)校准结果判定:根据校准规范对校准结果进行判定,判定合格则进行下一步操作,不合格则按照规范要求进行修复或更换。
3.校准报告(1)校准数据整理:校准完成后,应对校准数据进行整理和归档,确保数据完整、准确。
(2)校准报告编制:根据校准规范要求,编制校准报告,包括校准日期、校准机构信息、校准结果和仪器设备使用建议等。
(4)校准报告存档:校准报告应及时存档,建立完整的校准记录和档案,备查和追溯。
三、校准要求1.仪器设备的校准周期:根据仪器设备的使用频率和重要性,确定校准的周期,一般不超过12个月。
2.校准标准的选用:选择与仪器设备测量范围和精度相匹配的校准标准,确保校准的准确性和可靠性。
3.校准环境的要求:在校准过程中,应确保校准环境的稳定和适宜,包括温度、湿度和电磁环境等。
4.校准人员的要求:校准人员应具备相关专业知识和技能,熟悉校准规范和要求,严格按照规范进行校准操作。
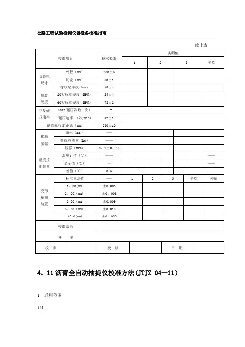
公路工程试验检测仪器设备校准指南续上表4.11沥青全自动抽提仪校准方法(JTJZ 04-11)1适用范围144第二部分校准/检查方法/4沥青及沥青混合料类仪器设备校准方法本方法适用于沥青全自动抽提仪的校准。
2 技术要求2.1 仪器应带有铭牌(包括仪器名称、型号规格、出厂编号、出厂日期、制造厂等)、合格证、灌吏用说明书。
2.2 仪器外表不应有明显的损伤、缺陷和锈蚀,仪器应安装水平,溶剂供给、回收系统、冷却水循环系统应连接密封、完好。
2.3 筛分、过滤系统:筛网应完好不得有孔洞、裂口等并通过校准各筛能够密封套合,喷淋盖能够密闭,喷淋孔应畅通,电磁振动系统应有效运行。
2.4 回收系统:由溶剂室、溶剂回收室、冷凝箱等组成,溶剂室设有冷却管、直读液位计、溶剂排放阀。
2.5 抽提精度:油石比差值≤2,矿粉筛余百分率差值≤0.2。
3 校准项目3.1 外观检查。
3.2 抽提精度。
4 校准环境及校准器具4.1 校准环境:校准工作应在室内进行,环境温度为(25士10)℃相对湿度不大于85%,校准现场应洁净,周围无影响校准结果的振动、污染、腐蚀性气体。
4.2 校准器具:电子天平量程不小于2000g,感量为0.01g。
5 校准方法5.1 外观检查:按照本方法2.1一2.5条要求进行目测检查。
5.2 抽提精度:采用经校准的没备自制已知配比的沥青混合料,进行抽提试验,重复进行3次,取平均值;计算油石比及矿料筛余百分率。
6 校准周期校准周期一般下赶过12个月。
7 结果处理填写校准记录表(表B04-11),提交审核确认。
全自动抽提仪校准记录表(表B04-11)145公路工程试验检测仪器设备校准指南续上表4.12 马歇尔试模校准方法(JTJZ 04-12)1 适用范围本方法适用于马歇尔试模的校准。
2 技术要求2.1 试模及套模应由高碳钢或工具钢制成,有足够的厚度和刚度,以保证使用中不产生变形;外观应圆整,无明显的变形、锈蚀、严重附着污染物等缺陷。
公路工程试验检测仪器设备校准指南常用非强检设备校准方法目录1.4 电动击实仪校准方法(JTJZ 01-04) (2)1.7 CBR试验装置校准方法(JTJZ 01-07) (4)2.8容量筒校准方法(JTJZ 02-08) (6)3.1透气比表面积仪校准方法(JTJZ 03-01) (8)3.2水泥负压筛析仪校准方法(JTJZ 03-02) (10)3.4量水器校准方法(JTJZ 03-04) (12)3.6雷氏夹校准方法(JTJZ 03-06) (15)3.13坍落度测定仪校准方法(JTJZ 03-13) (17)3.16水泥混凝土抗渗仪校准方法(JTJZ 03-16) (19)3.18水泥砂浆分层度仪校准方法(JTJZ 03-18) (22)3.19水泥混凝土试模、砂浆试模校准方法(JTJZ 03-19) (24)5.1 灌砂筒校准方法(JTJZ 05-01) (27)5.6玻璃器皿校准方法(JTJZ 05-06) (29)游标卡尺:最大量程不小于200 mm,分度值0.02 mm。
钢直尺:量程不少于500 mm,分度值1 mm。
塞尺:0.02~2 mm。
电子天平:量程不小于2000g,感量为0.01g。
电子天平:量程不小于5000g,感量为1g。
电子天平:量程不小于15kg,感量为1g。
分析天平:量程不小于100g,感量为0.0001g。
电子秤或磅秤:量程不小于50kg,感量为5g。
1.4 电动击实仪校准方法(JTJZ 01-04)1 适用范围本方法适用于电动击实仪的校准,参照《土工击实仪检定规程》[JJG(交通)058-2004]编制。
2 技术要求2.1 仪器应带有名牌(包括仪器名称、型号规格、出厂编号、出厂日期、制造厂等)、合格证、使用说明书。
3 校准项目3.1 外观检查。
3.2 击实锤质量。
3.3 击实锤落高。
3.4 击实锤锤头直径。
3.5 击实锤体的侧母线与击实筒内壁的间隙。
3.6 击实筒几何尺寸。
公路工程试验检测仪器设备校准指南续上表沥青全自动抽提仪校准方法(JTJZ 04-11)1适用范围144第二部分校准/检查方法/4沥青及沥青混合料类仪器设备校准方法本方法适用于沥青全自动抽提仪的校准。
2 技术要求仪器应带有铭牌(包括仪器名称、型号规格、出厂编号、出厂日期、制造厂等)、合格证、灌吏用说明书。
仪器外表不应有明显的损伤、缺陷和锈蚀,仪器应安装水平,溶剂供给、回收系统、冷却水循环系统应连接密封、完好。
筛分、过滤系统:筛网应完好不得有孔洞、裂口等并通过校准各筛能够密封套合,喷淋盖能够密闭,喷淋孔应畅通,电磁振动系统应有效运行。
回收系统:由溶剂室、溶剂回收室、冷凝箱等组成,溶剂室设有冷却管、直读液位计、溶剂排放阀。
抽提精度:油石比差值≤2,矿粉筛余百分率差值≤。
3 校准项目外观检查。
抽提精度。
4 校准环境及校准器具校准环境:校准工作应在室内进行,环境温度为(25士10)℃相对湿度不大于85%,校准现场应洁净,周围无影响校准结果的振动、污染、腐蚀性气体。
校准器具:电子天平量程不小于2000g,感量为。
5 校准方法外观检查:按照本方法一条要求进行目测检查。
抽提精度:采用经校准的没备自制已知配比的沥青混合料,进行抽提试验,重复进行3次,取平均值;计算油石比及矿料筛余百分率。
6 校准周期校准周期一般下赶过12个月。
7 结果处理填写校准记录表(表B04-11),提交审核确认。
全自动抽提仪校准记录表(表B04-11)公路工程试验检测仪器设备校准指南续上表马歇尔试模校准方法(JTJZ 04-12)1 适用范围本方法适用于马歇尔试模的校准。
2 技术要求试模及套模应由高碳钢或工具钢制成,有足够的厚度和刚度,以保证使用中不产生变形;外观应圆整,无明显的变形、锈蚀、严重附着污染物等缺陷。
试模:标准试模内径± ) mm、高(87± )mm;大型试模内径± ) mm、高(115± )mm。
公路工程试验检测仪器设备校准指南常用非强检设备校准方法目录1.4 电动击实仪校准方法(JTJZ 01-04) (2)1.7 CBR试验装置校准方法(JTJZ 01-07) (5)2.8容量筒校准方法(JTJZ 02-08) (7)3.1透气比表面积仪校准方法(JTJZ 03-01) (10)3.2水泥负压筛析仪校准方法(JTJZ 03-02) (13)3.4量水器校准方法(JTJZ 03-04) (15)3.6雷氏夹校准方法(JTJZ 03-06) (19)3.13坍落度测定仪校准方法(JTJZ 03-13) (22)3.16水泥混凝土抗渗仪校准方法(JTJZ 03-16) (24)3.18水泥砂浆分层度仪校准方法(JTJZ 03-18) (28)3.19水泥混凝土试模、砂浆试模校准方法(JTJZ 03-19) (31)5.1 灌砂筒校准方法(JTJZ 05-01) (35)5.6玻璃器皿校准方法(JTJZ 05-06) (38)游标卡尺:最大量程不小于200 mm,分度值0.02 mm。
钢直尺:量程不少于500 mm,分度值1 mm。
塞尺:0.02~2 mm。
电子天平:量程不小于2000g,感量为0.01g。
电子天平:量程不小于5000g,感量为1g。
电子天平:量程不小于15kg,感量为1g。
分析天平:量程不小于100g,感量为0.0001g。
电子秤或磅秤:量程不小于50kg,感量为5g。
1.4 电动击实仪校准方法(JTJZ 01-04)1 适用范围本方法适用于电动击实仪的校准,参照《土工击实仪检定规程》[JJG(交通)058-2004]编制。
2 技术要求2.1 仪器应带有名牌(包括仪器名称、型号规格、出厂编号、出厂日期、制造厂等)、合格证、使用说明书。
3 校准项目3.1 外观检查。
3.2 击实锤质量。
3.3 击实锤落高。
3.4 击实锤锤头直径。
3.5 击实锤体的侧母线与击实筒内壁的间隙。
3.6 击实筒几何尺寸。