公路工程试验检测仪器设备检定校准指导手册(陈广军)
- 格式:ppt
- 大小:3.29 MB
- 文档页数:35
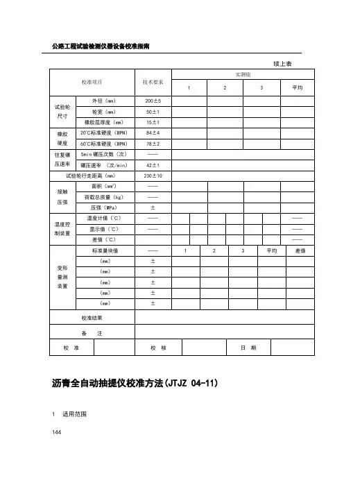
公路工程试验检测仪器设备校准指南续上表沥青全自动抽提仪校准方法(JTJZ 04-11)1适用范围144第二部分校准/检查方法/4沥青及沥青混合料类仪器设备校准方法本方法适用于沥青全自动抽提仪的校准。
2 技术要求仪器应带有铭牌(包括仪器名称、型号规格、出厂编号、出厂日期、制造厂等)、合格证、灌吏用说明书。
仪器外表不应有明显的损伤、缺陷和锈蚀,仪器应安装水平,溶剂供给、回收系统、冷却水循环系统应连接密封、完好。
筛分、过滤系统:筛网应完好不得有孔洞、裂口等并通过校准各筛能够密封套合,喷淋盖能够密闭,喷淋孔应畅通,电磁振动系统应有效运行。
回收系统:由溶剂室、溶剂回收室、冷凝箱等组成,溶剂室设有冷却管、直读液位计、溶剂排放阀。
抽提精度:油石比差值≤2,矿粉筛余百分率差值≤。
3 校准项目外观检查。
抽提精度。
4 校准环境及校准器具校准环境:校准工作应在室内进行,环境温度为(25士10)℃相对湿度不大于85%,校准现场应洁净,周围无影响校准结果的振动、污染、腐蚀性气体。
校准器具:电子天平量程不小于2000g,感量为。
5 校准方法外观检查:按照本方法一条要求进行目测检查。
抽提精度:采用经校准的没备自制已知配比的沥青混合料,进行抽提试验,重复进行3次,取平均值;计算油石比及矿料筛余百分率。
6 校准周期校准周期一般下赶过12个月。
7 结果处理填写校准记录表(表B04-11),提交审核确认。
全自动抽提仪校准记录表(表B04-11)公路工程试验检测仪器设备校准指南续上表马歇尔试模校准方法(JTJZ 04-12)1 适用范围本方法适用于马歇尔试模的校准。
2 技术要求试模及套模应由高碳钢或工具钢制成,有足够的厚度和刚度,以保证使用中不产生变形;外观应圆整,无明显的变形、锈蚀、严重附着污染物等缺陷。
试模:标准试模内径± ) mm、高(87± )mm;大型试模内径± ) mm、高(115± )mm。
公路工程试验检测仪器设备校准指南常用非强检设备校准方法目录1.4 电动击实仪校准方法(JTJZ 01-04) (2)1.7 CBR试验装置校准方法(JTJZ 01-07) (4)2.8容量筒校准方法(JTJZ 02-08) (6)3.1透气比表面积仪校准方法(JTJZ 03-01) (8)3.2水泥负压筛析仪校准方法(JTJZ 03-02) (10)3.4量水器校准方法(JTJZ 03-04) (12)3.6雷氏夹校准方法(JTJZ 03-06) (15)3.13坍落度测定仪校准方法(JTJZ 03-13) (17)3.16水泥混凝土抗渗仪校准方法(JTJZ 03-16) (19)3.18水泥砂浆分层度仪校准方法(JTJZ 03-18) (22)3.19水泥混凝土试模、砂浆试模校准方法(JTJZ 03-19) (24)5.1 灌砂筒校准方法(JTJZ 05-01) (27)5.6玻璃器皿校准方法(JTJZ 05-06) (29)游标卡尺:最大量程不小于200 mm,分度值0.02 mm。
钢直尺:量程不少于500 mm,分度值1 mm。
塞尺:0.02~2 mm。
电子天平:量程不小于2000g,感量为0.01g。
电子天平:量程不小于5000g,感量为1g。
电子天平:量程不小于15kg,感量为1g。
分析天平:量程不小于100g,感量为0.0001g。
电子秤或磅秤:量程不小于50kg,感量为5g。
1.4 电动击实仪校准方法(JTJZ 01-04)1 适用范围本方法适用于电动击实仪的校准,参照《土工击实仪检定规程》[JJG(交通)058-2004]编制。
2 技术要求2.1 仪器应带有名牌(包括仪器名称、型号规格、出厂编号、出厂日期、制造厂等)、合格证、使用说明书。
3 校准项目3.1 外观检查。
3.2 击实锤质量。
3.3 击实锤落高。
3.4 击实锤锤头直径。
3.5 击实锤体的侧母线与击实筒内壁的间隙。
3.6 击实筒几何尺寸。
公路工程试验检测仪器设备校准指南一、校准前的准备工作1. 确保测试仪器设备处于良好的工作状态,无损坏或失效的零部件。
2. 查看测试仪器设备的校准记录和使用手册,了解校准的要求和步骤。
3. 准备校准所需的标准器和标准物质,确保其准确度和可靠性。
二、校准步骤1. 根据使用手册和校准记录,按照标准器和标准物质的规定进行调整和设置,确保测试仪器设备的准确度和稳定性。
2. 使用标准器和标准物质对测试仪器设备进行校准,记录校准结果和误差值,对于超出允许范围的误差,需要进行调整或修正。
3. 在校准完成后,对测试仪器设备进行稳定性和重复性的检验,确保仪器设备的测量结果准确可靠。
三、校准记录和报告1. 校准完成后,填写校准记录和报告,记录校准的时间、地点、人员和结果等信息。
2. 校准记录和报告要存档保存,作为仪器设备使用和维护的重要参考,以及日后的追溯和证明。
四、校准的周期性1. 测试仪器设备的校准需要按照规定的周期进行,一般为每年一次。
2. 在日常使用中,应定期进行仪器设备的自检和校准检定,及时发现问题并进行处理。
以上是公路工程试验检测仪器设备校准的一般指南,根据具体的仪器设备和试验检测要求,可能会有所不同,因此在进行校准前需要仔细阅读使用手册和相关规定,确保校准的准确性和有效性。
公路工程试验检测仪器设备校准的重要性不言而喻。
校准过程是确保仪器设备测量准确性的关键步骤,也是保证测试数据可靠性和有效性的重要环节。
一个准确可靠的测试仪器设备,可以有效保障公路工程质量和安全,因此校准工作至关重要。
以下是一些需要特别注意的内容。
五、校准的要求和标准1. 在进行测试仪器设备校准时,需要严格遵守相关的标准和规范要求,确保校准的准确性和可靠性。
2. 校准应该在符合国家标准或行业标准规定的检定机构或实验室进行,确保校准结果的权威性和可信度。
3. 校准和检定机构应具备相关资质和信誉,能够提供准确可靠的校准服务。
六、校准的注意事项1. 在进行校准前,需要将测试仪器设备充分预热和稳定,确保测试数据的准确性。
公路工程试验检测仪器设备校准指南(常用非强检设备校准方法)-副本1.1 土工类仪器设备校准方法(JTJZ 01-04)1 适用范围本方法适用于土工标准筛的校准,参考《金属穿孔板试验筛》(GB/ T6003、2—1997)编制。
2 技术要求2.1 土工标准筛应带有铭牌(包括仪器名称、型号规格、出厂编号、出厂日期、制造厂等)、合格证、使用说明书。
2.2筛框平整光滑,并能方便地与其他相同尺寸的标准筛、钙、接料盘等套在一起。
2.3筛网与筛框间的连接要牢固,能防止待筛物料泄漏。
2.4土工试验筛的筛孔标称直径及允许偏差应符合表101-1的规定。
3 校准项目3.1 外观检查。
3.2筛孔尺寸。
4. 标准环境及标准器具。
4.1 校准环境:环境温度为(25±10)℃,相对湿度不大于85%,校准现场应洁净,周围无影响结果的振动、污染、腐蚀性气体。
4.2 校准器具:4.2.1游标卡尺:量程不小于300mm,分度值为0.02mm。
4.2.2专用通止规。
4.2.3刻度放大镜:放大倍数不小于40倍,测量精度优于0.01mm。
5 校准方法5.1 外观检查:按本方法2.1~2.3条要求对土工标准筛进行外观检查。
5.2筛孔尺寸标准:5.2.1用游标卡尺测量60~5mm 筛的筛孔直径,单个测量与筛孔标称直径之差为直径偏差;2mm及1mm筛用专用通止规直接进行校准;孔径0.5mm及其以下筛的校准参照《标准筛校准方法》。
(JTJZ02-01).5.2.2校准时,对每一个筛孔用游标卡尺在筛孔内沿着不同的方向进行量测,读取直径最大值。
60mm、40mm试验筛应对所有筛孔全部进行测量;20mm试验筛在筛面上选定的任一区域,沿着不同方向的两条直线全部测量;20mm以下试验筛,在筛面上选定任一区域,沿着不同方向的两条直线(每条直线至少100mm)进行测量。
6校准周期校准周期一般不超过12个月。
7 结果处理填写校准记录表,提出审核确认。
1.2电热鼓风干燥箱校准方法(JTJZ 01-02)1 适用范围本方法适用于各种电热鼓风干燥箱的校准。
公路工程试验检测仪器设备校准指南常用非强检设备校准方法目录1.4 电动击实仪校准方法(JTJZ 01-04) (2)1.7 CBR试验装置校准方法(JTJZ 01-07) (4)2.8容量筒校准方法(JTJZ 02-08) (6)3.1透气比表面积仪校准方法(JTJZ 03-01) (8)3.2水泥负压筛析仪校准方法(JTJZ 03-02) (10)3.4量水器校准方法(JTJZ 03-04) (12)3.6雷氏夹校准方法(JTJZ 03-06) (15)3.13坍落度测定仪校准方法(JTJZ 03-13) (17)3.16水泥混凝土抗渗仪校准方法(JTJZ 03-16) (19)3.18水泥砂浆分层度仪校准方法(JTJZ 03-18) (22)3.19水泥混凝土试模、砂浆试模校准方法(JTJZ 03-19) (24)5.1 灌砂筒校准方法(JTJZ 05-01) (27)5.6玻璃器皿校准方法(JTJZ 05-06) (29)游标卡尺:最大量程不小于200 mm,分度值0.02 mm。
钢直尺:量程不少于500 mm,分度值1 mm。
塞尺:0.02~2 mm。
电子天平:量程不小于2000g,感量为0.01g。
电子天平:量程不小于5000g,感量为1g。
电子天平:量程不小于15kg,感量为1g。
分析天平:量程不小于100g,感量为0.0001g。
电子秤或磅秤:量程不小于50kg,感量为5g。
1.4 电动击实仪校准方法(JTJZ 01-04)1 适用范围本方法适用于电动击实仪的校准,参照《土工击实仪检定规程》[JJG(交通)058-2004]编制。
2 技术要求2.1 仪器应带有名牌(包括仪器名称、型号规格、出厂编号、出厂日期、制造厂等)、合格证、使用说明书。
3 校准项目3.1 外观检查。
3.2 击实锤质量。
3.3 击实锤落高。
3.4 击实锤锤头直径。
3.5 击实锤体的侧母线与击实筒内壁的间隙。
3.6 击实筒几何尺寸。
公路水运工程试验检测仪器设备检定校准指南In the field of highway and waterway engineering, thetesting and calibration of instruments and equipment are crucial aspects. These processes ensure the accuracy and reliability of various measurements taken duringconstruction projects or when monitoring infrastructure. Therefore, it is essential to follow a comprehensive guide for carrying out the testing and calibration of instruments used in such projects.公路和水路工程领域中,仪器设备的测试和校准是至关重要的环节。
这些过程确保了在建设项目或基础设施监测过程中所采集的各种测量数据的准确性和可靠性。
因此,在执行这些项目中使用的仪器设备的测试和校准时,遵循一份全面指南是非常必要的。
Firstly, it is important to understand the purpose andscope of the testing and calibration process. This involves identifying the specific instruments and equipment that require testing, as well as determining the parameters that need to be measured or calibrated. Clear guidelines shouldbe established for each instrument, specifying the acceptable range or tolerance levels that should be achieved.理解测试和校准过程的目的和范围至关重要。
公路工程试验检测仪器设备校准指南常用非强检设备校准方法目录1.4 电动击实仪校准方法(JTJZ 01-04) (2)1.7 CBR试验装置校准方法(JTJZ 01-07) (4)2.8容量筒校准方法(JTJZ 02-08) (6)3.1透气比表面积仪校准方法(JTJZ 03-01) (8)3.2水泥负压筛析仪校准方法(JTJZ 03-02) (10)3.4量水器校准方法(JTJZ 03-04) (12)3.6雷氏夹校准方法(JTJZ 03-06) (15)3.13坍落度测定仪校准方法(JTJZ 03-13) (17)3.16水泥混凝土抗渗仪校准方法(JTJZ 03-16) (19)3.18水泥砂浆分层度仪校准方法(JTJZ 03-18) (22)3.19水泥混凝土试模、砂浆试模校准方法(JTJZ 03-19) (24)5.1 灌砂筒校准方法(JTJZ 05-01) (27)5.6玻璃器皿校准方法(JTJZ 05-06) (29)游标卡尺:最大量程不小于200 mm,分度值0.02 mm。
钢直尺:量程不少于500 mm,分度值1 mm。
塞尺:0.02~2 mm。
电子天平:量程不小于2000g,感量为0.01g。
电子天平:量程不小于5000g,感量为1g。
电子天平:量程不小于15kg,感量为1g。
分析天平:量程不小于100g,感量为0.0001g。
电子秤或磅秤:量程不小于50kg,感量为5g。
1.4 电动击实仪校准方法(JTJZ 01-04)1 适用范围本方法适用于电动击实仪的校准,参照《土工击实仪检定规程》[JJG(交通)058-2004]编制。
2 技术要求2.1 仪器应带有名牌(包括仪器名称、型号规格、出厂编号、出厂日期、制造厂等)、合格证、使用说明书。
3 校准项目3.1 外观检查。
3.2 击实锤质量。
3.3 击实锤落高。
3.4 击实锤锤头直径。
3.5 击实锤体的侧母线与击实筒内壁的间隙。
3.6 击实筒几何尺寸。
公路工程试验检测仪器设备校准指南.公路工程试验检测仪器设备校准指南常用非强检设备校准方法目录1.4 电动击实仪校准方法(JTJZ 01-04)21.7 CBR试验装置校准方法(JTJZ 01-07)42.8容量筒校准方法(JTJZ 02-08)63.1透气比表面积仪校准方法(JTJZ 03-01)83.2水泥负压筛析仪校准方法(JTJZ 03-02)103.4量水器校准方法(JTJZ 03-04)123.6雷氏夹校准方法(JTJZ 03-06)153.13坍落度测定仪校准方法(JTJZ 03-13)173.16水泥混凝土抗渗仪校准方法(JTJZ 03-16)193.18水泥砂浆分层度仪校准方法(JTJZ 03-18)223.19水泥混凝土试模、砂浆试模校准方法(JTJZ 03-19)245.1 灌砂筒校准方法(JTJZ 05-01)275.6玻璃器皿校准方法(JTJZ 05-06)29游标卡尺:最大量程不小于200 mm,分度值0.02 mm。
钢直尺:量程不少于500 mm,分度值1 mm。
塞尺:0.02~2 mm。
电子天平:量程不小于2000g,感量为0.01g。
电子天平:量程不小于5000g,感量为1g。
电子天平:量程不小于15kg,感量为1g。
分析天平:量程不小于100g,感量为0.0001g。
电子秤或磅秤:量程不小于50kg,感量为5g。
1.4 电动击实仪校准方法(JTJZ 01-最大量程不小于200 mm,分度值0.02 mm。
钢直尺:量程不少于500 mm,分度值1 mm。
塞尺:0.02~2 mm。
电子天平:量程不小于2000g,感量为0.01g。
电子天平:量程不小于5000g,感量为1g。
电子天平:量程不小于15kg,感量为1g。
分析天平:量程不小于100g,感量为0.0001g。
电子秤或磅秤:量程不小于50kg,感量为5g。
1.4 电动击实仪校准方法(JTJZ 01:环境温度为(25±10)℃,相对湿度不大于85%,校准现场应洁净,周围无影响结果的振动、污染、腐蚀性气体。
公路工程试验检测仪器设备校准指南续上表沥青全自动抽提仪校准方法(JTJZ 04-11)1适用范围144第二部分校准/检查方法/4沥青及沥青混合料类仪器设备校准方法本方法适用于沥青全自动抽提仪的校准。
2 技术要求仪器应带有铭牌(包括仪器名称、型号规格、出厂编号、出厂日期、制造厂等)、合格证、灌吏用说明书。
仪器外表不应有明显的损伤、缺陷和锈蚀,仪器应安装水平,溶剂供给、回收系统、冷却水循环系统应连接密封、完好。
筛分、过滤系统:筛网应完好不得有孔洞、裂口等并通过校准各筛能够密封套合,喷淋盖能够密闭,喷淋孔应畅通,电磁振动系统应有效运行。
回收系统:由溶剂室、溶剂回收室、冷凝箱等组成,溶剂室设有冷却管、直读液位计、溶剂排放阀。
抽提精度:油石比差值≤2,矿粉筛余百分率差值≤。
3 校准项目外观检查。
抽提精度。
4 校准环境及校准器具校准环境:校准工作应在室内进行,环境温度为(25士10)℃相对湿度不大于85%,校准现场应洁净,周围无影响校准结果的振动、污染、腐蚀性气体。
校准器具:电子天平量程不小于2000g,感量为。
5 校准方法外观检查:按照本方法一条要求进行目测检查。
抽提精度:采用经校准的没备自制已知配比的沥青混合料,进行抽提试验,重复进行3次,取平均值;计算油石比及矿料筛余百分率。
6 校准周期校准周期一般下赶过12个月。
7 结果处理填写校准记录表(表B04-11),提交审核确认。
全自动抽提仪校准记录表(表B04-11)145公路工程试验检测仪器设备校准指南续上表马歇尔试模校准方法(JTJZ 04-12)1 适用范围本方法适用于马歇尔试模的校准。
2 技术要求试模及套模应由高碳钢或工具钢制成,有足够的厚度和刚度,以保证使用中不产生变形;外观应圆整,无明显的变形、锈蚀、严重附着污染物等缺陷。
试模:标准试模内径± ) mm、高(87± )mm;大型试模内径± ) mm、高(115± )mm。