电话机的振铃电路详解
- 格式:ppt
- 大小:2.28 MB
- 文档页数:38
主机通话和振铃电路该话机主机振铃和通话电路如图所示。
1.振铃和检测电路(1)组成主机的振铃电路由ICU6(TA31002)完成,振铃检测由ICU5光电耦合器及相关元件构成。
(2)振铃检测信号流程外电话线送来的振铃信号经R96限流→VDZ4与VDZ5双向限幅→C76电容耦合→ICU5 1、2脚内的发光二极管工作,通过光耦合,使光电三极管中产生与振铃铃流同步变化的电平,这一信号经ICU3的37脚进入IC内,微电脑检测到该信号后,判断为外线呼叫,使启动调制电路进入工作状态,并从36脚(见射频电路)输出预定的振铃编码至调制电路,然后通过天线发射提供给手机。
(3)振铃电路外线送来的振铃信号经由VD15、VD16、VD14以及ICU5 1、2脚内的二极管共同构成的整流电路整流,得到的DC电压经C83电容滤波,VDZ3稳压后加到ICU6的1、2脚(经R65)内,使该振铃电路得电工作,其8脚输出的再生振荡信号,由C99、T7进行阻抗变换后→R152电阻C97电容→SPK被推动发声。
ICU6的3、4脚外接的R67和C77为低频振铃频率设定元件;ICU6的6、7脚向外接的RS1和C78为高频振铃频率设定元件。
2.摘机和挂机控制电路当主机接收到控制信号后,由ICU1接收数据放大器23脚送到ICU3的44脚内。
微电脑根据数据的特点进行判定后,按预定程序产生相应控制动作。
如果是手机的摘机信号,则ICU 的3脚输出低电平使VTS管导通为发射调制电路供电(见射频电路);同时ICU3的9脚输出的高电平使VT9管导通,致使VT8管也导通,使外线摘机。
ICU3的33脚输出的高电平加至ICU8电子开关13、12脚,使其1脚与2脚、11脚与10脚之间等效接通。
这样,ICU1的20脚输出的手机送话信号经R128与R129电阻分压后→ICU8的1脚与2脚→C106电容耦合→ICU9的6脚、7脚(经C9011R64),经处理后从1脚输出→R115电阻→VT8→VD10~VD13极性转换电路→L4、L5外线。
[电话机振铃电路详解]电话振铃问题篇一: 电话振铃问题固定电话的振铃信号是局端程控机提供的,在电话机内部通过阻容隔离直流后,经过全桥电路将交流电压整流成直流27V,给振铃集成块供电,由振铃集成块输出振铃信号,所以,工频电压也可以工作,不必转换成25HZ,只要电压达到40V以上就可以.常用电话振铃集成电路型号生产厂家器件名称兼容型号ML8204ST电话振铃集成电路KA2410ML8205ST电话振铃集成电路KA2411KA2410SAMSUNG电话振铃集成电路KIA6401KA2411SAMSUNG电话振铃集成电路UTC9106KA2418SAMSUNG电话振铃集成电路LS124[]0ACSC2410CHIAN电话振铃集成电路KA2410CSC2411CHIAN电话振铃集成电路KA2411SCS1240ACHIAN电话振铃集成电路LG6840ADG2411CHIAN电话振铃集成电路KA2411LS1240AST电话振铃集成电路DBL5010KIA6401KEC电话振铃集成电路KA2410UTC9106UTC电话振铃集成电路KA2411UTC2410UTC电话振铃集成电路KA2410UTC2411UTC电话振铃集成电路UTC9106UTC1240AUTC电话振铃集成电路LS1240AUTC31002UTC 电话振铃集成电路KA2411HA31002PHUM电话振铃集成电路KA2411TA31001TOSHIBA电话振铃集成电路KA2410TA31002TOSHIBA电话振铃集成电路UTC31002DBL5001DAEWOO电话振铃集成电路KA2410DBL5002DAEWOO电话振铃集成电路KA2411DBL5010DAEWOO电话振铃集成电路LS1240AMC34017MOTOROLA电话振铃集成电路LS1240A篇二: 电话机电子振铃电路的代用振铃电路是自动电话机的一个重要组成部分。
[]其功能是,当有其他用户给你打来电话时,电话交换机就自动向你的话机发送一个90VPP、25Hz的铃流信号,电话机中的振铃电路收到铃流就开始工作,并发出振铃声,提醒你及时摘机应答。
振铃电路计算振铃电路是一种常见的电路,常用于电话、传真机等通信设备中。
它的作用是在接收到来电或传真时,通过振铃装置发出响铃信号,提醒用户有新的通信消息。
本文将从振铃电路的原理、组成部分和计算方法三个方面进行介绍。
一、振铃电路的原理振铃电路的原理基于电磁感应。
当外部输入信号引起电路中的电流变化时,会产生磁场,进而激活振铃装置,使其发出声音。
具体来说,振铃电路包括电源、振铃装置、电感线圈和开关等组成部分。
当来电或传真信号进入电路时,会引起电感线圈中的电流变化,从而产生磁场,激活振铃装置发出声音。
二、振铃电路的组成部分1. 电源:振铃电路需要一个稳定的电源来提供电能,一般使用交流电源或直流电源。
电源的电压和电流要与振铃装置匹配,以保证正常工作。
2. 振铃装置:振铃装置是振铃电路的核心部件,它通过声音的振动来提醒用户。
常见的振铃装置有电铃、蜂鸣器等,其工作原理是利用电磁感应或电磁震动产生声音。
3. 电感线圈:电感线圈是振铃电路中的一个重要元件,它能够产生磁场,从而激活振铃装置。
电感线圈的参数需要根据实际情况进行选取,以保证振铃装置能够正常工作。
4. 开关:开关用于控制振铃电路的开关状态,当来电或传真信号进入电路时,开关会闭合,使电流通过电感线圈,从而激活振铃装置发出声音。
三、振铃电路的计算方法振铃电路的计算方法主要涉及到电感线圈的参数选择和电流计算。
在实际应用中,电感线圈的参数需要根据振铃装置的特性和工作要求进行选取。
一般来说,电感线圈的电感值、电流和电阻值等参数需要根据实际情况进行计算。
需要确定振铃装置的工作电压和电流。
根据振铃装置的规格书或数据手册,可以得到其额定电压和电流数值。
然后,根据电源的电压和电流,结合振铃装置的参数,可以计算出电感线圈的电感值和电阻值。
需要计算电感线圈中的电流。
电感线圈中的电流大小与振铃装置的工作要求和电感线圈的参数有关。
一般来说,电感线圈的电流应该在振铃装置的额定电流范围内,以保证振铃装置能够正常工作。
受话、送话和振铃电路故障分析与维修2007年03月19日 11:30受话、送话和振铃电路故障分析与维修一、受话电路的检修受话电路故障主要是听不到对方声音,检修时,首先用示波器测受话器触点的波形(拨打“112”,),若有2-3Vp—p的波形,则受话器坏,更换即可。
若没有波形,则进一步检查音频解码电路和CPU。
查到哪一级若有输入信号而没有输出信号,则说明该级电路不良。
根据维修经验,此故障多发生于受话器损坏或接触不良。
受话器是否正常可以利用万用表进行简单的判断。
一般受话器有一个直流电阻,而且电阻值一般在几十欧,如果直流电阻明显变得很小或很大,则需更换受话器。
另外,软件故障也可能造成手机无送话故障。
若送话噪声大,则大多为受话器接触不良或语送话电路虚焊或损坏。
机型:诺基亚5110手机故障现象:打电话时,机主听不见对方的声音。
分析与检修:故障一定是发生在从天线到听筒通路中的某一部分。
一般这样的故障都来源于逻辑/音频部分,大多是听筒与电路板接触不良,元件虚焊、断路,接插口接触不良、音频处理芯片损坏等造成。
拆机后,测听筒及电路连接均正常,可能是音频处理芯片5脚、6脚虚焊,补焊音频处理芯片的5、6脚,故障排除。
如果故障依旧存在,则测音频处理芯片5脚,6脚两端正反向电阻及两端对地的正反向电阻值,正常情况下二者应对称,若两端对地阻值相差很大,可判断音频处理芯片输出电路损坏。
机型:摩托罗拉8088手机故障现象:入水后听筒有交流声。
分析与检修:拆开机壳,用无水酒精清洗电路板,烘干后装机,发现能正常开机,但通话时听筒交流声很大。
换上了听筒(原装)和好的电源IC(U900),故障依旧。
分析该故障可能是话音放大、滤波不良或音频输入回路有干扰引起的。
由于己更换听筒和U900,所以重点检查一下听筒和U900之间的相关电容和电阻有无缺少、虚焊或变质。
对照电路图测量,发现U900的J6、H6脚之间相连的电容C921已变质漏电,从而增加了U900音频放大器的噪音。
振铃检测电路如图2所示。
二极管V1~V4有2种作用:(1)将不确定的线路供电正负变为固定的正负输出;(2)将交流的振铃信号变换为脉动直流以供检测。
当没有振铃信号时,线路上的供电电压为48 V(老式交换机为60 V),经二极管V1~V4整流后不足以使稳压管V5导通,振铃信号输出端电压接近0 V,当振铃信号到来时,线路上的90 V交流振铃信号经过二极管V1~V4整流变换成为峰值90 V的脉动直流电,其峰值足以击穿稳压管V5,经R1对C1充电,振铃输出端电压升高,CPU可以根据振铃信号的高低检测有无振铃。
电路中稳压管V6限制振铃信号的幅度不超过CPU端口的允许电压,保护CPU。
2.2 电话自动摘机电路自动摘机电路如图3所示。
当CPU检测到系统设定的振铃次数之后,送出摘机信号,驱动三极管V7导通,电阻R2接入电路,实现摘机。
当CPU检测到正确的密码,并按照用户设定要求工作后;或者检测到密码错误,CPU取消摘机信号,三极管截止,系统挂机。
2.3 双音多频解码电路解码电路是将用户所按电话的密码信号解码后送入单片机,单片机实现对家电的控制。
双音多频解码电路如图4所示。
系统采用常用的双音多频解码芯片MT8870[3],该芯片外围电路简单、功耗小、抗干扰能力强。
由电话线送进来的双音多频(DTMF)信号经电容隔直后送到入MT8870,由MT8870内部放大后送入两级滤波器,第一级为拨号音滤波器,滤除350 Hz和440 Hz的信号,防止拨号音干扰电路正确解码,然后将信号送入高频群和低频群信号滤波器,取出高频音和低频音,送入数字计数电路解调出高频音和低频音的频率,当检测到正确的高频音和低频音信号后,解调出对应按键并将解调值锁存,置STD信号为高,输入到单片机中,单片机将TOE置高并通过Q1~Q4引脚读入指令代码。
收到代表拨号值的4位数值后对信号进行处理。
2.4 家用电器电源控制电路家用电器电源控制电路如图5所示,在该遥控装置中有多路电源控制电路。
电话机振铃电路快速检修法普通电话机的振铃电路一般分为两类:一类是外桥式振铃电路,另一类是内桥式振铃电路。
只有熟悉这两类振铃电路的工作原理,才能更好理解它们的维修方法。
这里介绍KA2410及KA1240的典型应用电路及其维修方法,并列举维修实例进行分析。
一、外桥式振铃电路外桥式振铃电路的代表芯片有KA2410、CSC8204、HY9106、YL2411、UTC31002、TA31001P、TA31002等,这些芯片除第2脚的用法不同之外,其余各引脚的功能都相同,可以相互替换。
图1为KA2410的内部框图及引脚外形。
表1为KA2410引脚功能,图3为KA2410的典型应用电路。
表1KA2410集成电路引脚功能在图3中,交换机送来的频率为25Hz、电压峰-峰值为90±15V的铃流信号由外线送入,经输入耦合电容C1、限流电阻R1、桥式整流VD1~VD4、C2滤波后,给振铃集成电路KA2410第1脚提供25V~27V直流工作电源,使其内部振荡器起振,并由超低频振荡器产生的一个超低频频率去控制音频振荡器产生的两个音频频率,经合成放大后,由第8脚输出两个频率交替变换的音频信号,通过输出耦合电容C5、衰减电阻R5、R6,由阻抗匹配器T1耦合至扬声器发出铃声。
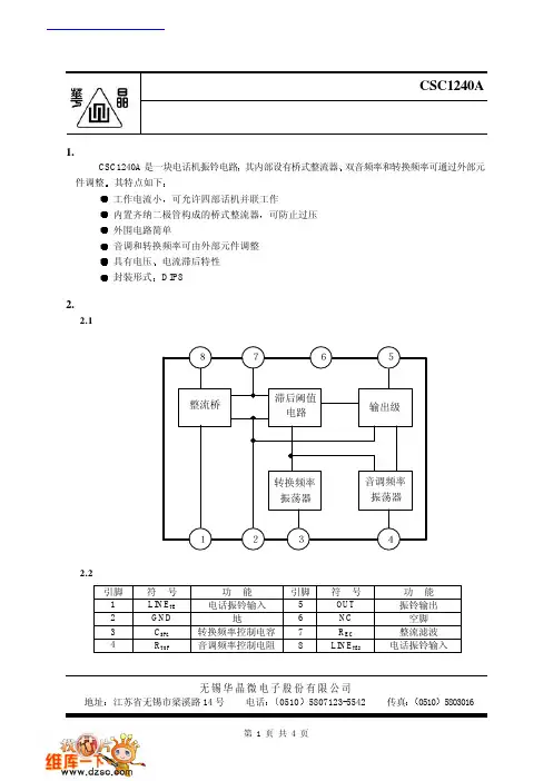
二、内桥式振铃电路代表芯片有KA1240、LH1240、LS1240、GF1240、CSC1240等,可以相互替代。
图4为KA1240的内部框图,图5为KA1240的引脚外形图,表2为KA1240的引脚功能,图6为KA1240的典型应用电路。
在图6中,交换机送来的铃流信号由外线X1、X2经C1耦合,R1限流降压在第1、8脚之间得到24V~28V的交流电压。
此交流电压经内部电桥整流、稳压,再经第7脚外接的C2滤波后,在第7、2脚间得到24V~27V左右的直流电压,使芯片内部超低频振荡器起振,产生的超低频信号去控制第4脚内接的音频振荡器交替输出两个高、低音频信号,经输出放大器合成放大后从第5脚输出振铃信号,经C4耦合,R3衰减并由T1耦合至扬声器,发出悦耳的铃声。