各种工程图纸折叠方法资料
- 格式:doc
- 大小:130.00 KB
- 文档页数:11
建筑工程图纸备案折叠方案1. 简介在建筑工程中,图纸备案是一个必需的步骤。
为了方便保存、查阅和传递,建筑工程图纸通常被折叠起来,并按照一定的规则进行折叠。
本文档将介绍一种常用的建筑工程图纸备案折叠方案,说明其步骤和注意事项。
2. 折叠方案步骤2.1 准备工作在开始折叠图纸之前,需要先进行准备工作:1.确保图纸清洁整齐,没有褶皱或污渍。
2.准备好适用的折纸工具,如刀具、折纸尺等。
2.2 折叠步骤按照以下步骤进行建筑工程图纸的折叠:1.将图纸铺平在平整的桌面上,确保没有褶皱或起皱。
2.根据图纸大小和折叠要求,确定折纸线的位置。
3.使用折纸尺或直尺,沿着确定的折纸线,用轻轻的力量将图纸对折。
4.在对折的位置用刀具轻轻划一道线,以方便折叠。
5.沿着划线的位置,将图纸折叠起来,使其成为一个小而紧凑的矩形。
6.按照图纸的页数和需要,重复以上步骤,将所有图纸都折叠好。
7.将折好的图纸按照备案编号或文件夹等进行分类和整理。
8.使用橡皮筋或绳子等固定图纸,以防止其散乱或松散。
9.将整理好的图纸放入合适的文件袋或文件夹中,以便存储和传递。
3. 注意事项在进行建筑工程图纸备案折叠时,需要注意以下事项:•折纸过程应轻柔,避免给图纸带来额外的损伤。
•在折纸前,应确保图纸表面干燥和清洁,以免污渍影响折叠效果。
•确保图纸折叠好后的尺寸和形状符合要求,方便存储和传递。
•在分类和整理图纸时,可以使用不同颜色的文件袋或标签进行区分,以便快速查找和辨识。
•考虑图纸的使用频率和保存需求,合理安排备案方案,确保图纸的长期保存和保护。
4. 结论建筑工程图纸备案折叠方案是一个重要的工作步骤,通过合理折叠和整理,可以方便地存储和传递图纸。
在实施折叠方案时,需要注意图纸的状态和要求,并确保操作轻柔、准确。
折叠后的图纸应分类整理,并采取合适的措施保护和保存。
这样可以提高工作效率,减少图纸损失,并为工程的顺利进行提供便利。
希望本文档能对建筑工程图纸备案折叠方案有所帮助,确保图纸的安全和方便使用。
大纸张的装订折叠方法在平时的生活中,我们经常使用印刷品,而常见的印刷品大部分都是用大纸张印制而成的,这就需要我们对大纸张的装订折叠方法进行一定的了解和学习。
大纸张的装订方法:1、钻孔装订法这种方法适用于大幅面的画册和其他装订品,如工程图纸、地图等。
首先需要用打孔机钻出一定数量的孔,然后用针线把孔连成线,再将线的一头穿过孔中心,拉直后在最后一个孔中打了一根结,就可以进行装订了。
2、铁环装订法铁环装订法适用于资料简单、内容不多的图册、目录册等印刷品。
使用这种方法,需要先准备一些铁环,将纸张用钻孔机等工具钻出一定数量的孔,然后用铁环穿过孔进行装订即可。
3、胶装法胶装法是一种常见的装订方法,这种方法适用于印刷内容繁多、页数较多的的画册和其他装订品。
使用这种方法,需要将书页的背面涂上胶水,再将几页粘在一起,最后将所有粘合的页数放在书壳里,等胶水干透后,就能形成完整的印刷品。
大纸张的折叠方法:1、平面折叠法平面折叠法适用于大小相对较小的一些图册、手册等。
首先需要将大纸张分别折叠成两半,然后将每一张纸都反折两次,再按照折痕将所有的纸都叠在一起,就可以形成完整的印刷品了。
2、倍数折叠法倍数折叠法适用于一些较大、较厚的印刷品装订。
首先需要将大纸张分别折叠成两半,再将折痕处对齐,将纸张沿对称线对折,然后再次将对称线两侧的纸张沿中线对折,这样每一张纸都被折叠成4页。
如此重复折叠数次,最后将所有的纸都依次叠好,完成装订。
那么,在使用这些方法时,我们需要注意什么呢?首先,需要严格按照要求的步骤进行装订和折叠,同时还需要注意折痕的位置和方向;其次,在进行胶装时,需要注意胶水的均匀涂布,以及涂胶的量要适量,否则容易影响印刷品的美观和质量。
综上所述,大纸张的装订折叠方法虽然看起来较为复杂,但只要按照要求进行操作,就能轻松地制作出美观、实用的印刷品,为我们生活、工作带来更多的方便。
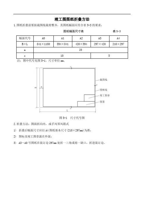
竣工图图纸折叠方法
1.图纸折叠前要按裁图线裁剪整齐,其图纸幅面应符合表5-3的要求:
图纸幅面尺寸表表5-3
注:图中代号见图5-1,尺寸单位mm。
图5-1 尺寸代号图
2.折叠方法:图面折向内,成手风琴风箱式
1)折叠后幅面尺寸应以A4图纸基本尺寸(210×297mm)为准;
2)图标及竣工图章露在外面;
3)A3~A0号图纸在装订边297mm处折一三角或剪一缺口,折进装订边。
图5-2 A3图纸折叠示意图
图5-3 A2图纸折叠示意图
图5-4 A1图纸折叠示意图
图5-5 A0图纸折叠示意图
1)A4图纸不折叠
2)A3图纸折叠如图5-2(图中序号表示折叠次序,虚线表示折起的部分,下同);
3)A2图纸折叠如图5-3;
4)A1图纸折叠如图5-4;
5)A0图纸折叠如图5-5;
3.工具的使用:图纸折叠前,准备好一块略小于4号图纸尺寸(一般为292×205mm)的模板。
折叠时,先图纸放在规定的位置,然后按照折叠方法的编号顺序依次折叠。
4.向城建档案馆报送的工程档案应按交城建档案馆工程档案内容与组卷要求进行组卷。
1)文字材料和图纸材料原则上不能混装在同一个装具内,当资料较少如需放在同一装
具内时,文字材料和图纸材料必须混合装订,其中文字材料排前,图样材料排后。
2)单位工程档案总案卷数超过20卷的,应编辑总目录卷。
工程图纸装订折叠方法工程图纸是工程设计和施工中必不可少的重要文件,它记录了工程的各项设计参数和施工要求。
在工程施工过程中,工程图纸需要频繁地使用和查阅,因此对于工程图纸的装订和折叠方法就显得尤为重要。
本文将介绍几种常见的工程图纸装订折叠方法,希望能够为工程设计和施工人员提供一些参考。
首先,我们来看一下工程图纸的装订方法。
工程图纸的装订一般采用订书机或者装订机进行,这样可以使图纸整齐、美观,并且方便查阅。
在使用订书机进行装订时,需要将图纸按照顺序放入订书机中,然后用订书机将图纸固定在一起,最后将订好的图纸整理好,放入文件夹或者文件盒中。
而使用装订机进行装订时,只需要将图纸放入装订机中,机器会自动完成装订的过程,非常方便快捷。
其次,我们来介绍一下工程图纸的折叠方法。
工程图纸一般比较大,为了方便携带和存放,需要将其进行折叠。
常见的折叠方法有三折和四折两种。
三折是将图纸先横向折叠,再纵向折叠,最后再次横向折叠,这样可以将大幅的图纸折叠成较小的尺寸,方便存放和携带。
而四折则是将图纸先横向折叠,再纵向折叠,再次横向折叠,最后再次纵向折叠,这样可以将图纸折叠得更加紧凑。
在进行折叠时,需要注意折叠线要整齐,不要出现歪斜或者重叠的情况,以免影响图纸的使用和查阅。
除了常见的三折和四折方法外,还有一些特殊的折叠方法,比如工程图纸的“工字折叠法”。
这种折叠方法将图纸先横向折叠,然后再次横向折叠,最后再次纵向折叠,形成一个“工”字形状,这样可以使图纸折叠得更加紧凑,方便携带和存放。
总的来说,工程图纸的装订和折叠方法对于工程设计和施工人员来说是非常重要的。
合理的装订和折叠方法可以使图纸整齐、美观,并且方便查阅和携带。
希望本文介绍的几种方法能够为大家在工程施工中提供一些帮助,使工程图纸的管理更加方便高效。
各种工程图纸折叠法一、图纸要求装订的折叠法折叠成A4:1、A0折叠成A4,需装订,留边:按下图中的顺序和尺寸,慢慢体会。
折完后图号在上,有装订边。
附® 1,1 A0拓成阳2、A1折叠成A4的法见下图。
注意折叠顺序和尺寸。
附® L2 Al拥成A43、A2图纸折叠成A4尺寸的标准法见下图5944、A3图纸折叠成A4大小的标准成法:Q回,185 ]附SL4 AS A4折叠成A35、各种尺寸的图折成A3的法与A4类似,但A3般横向装订,尺寸有所不同:4 5CMT5~«, -「*・°1541 16CJ” —-打*CJ■■410 ”384 .3951189附图1.5 A&^ASLOD6CJ厂70 /1/门 3 V?a口□ 1 1236210I*, 39E.384]1附图止6 Al新成岂32附SL7 A2二、不需要装订的图纸折叠法:不需要装订的图纸折起来要简单一些,各种尺寸图纸折叠法如下: 1、A0折叠成A4,需装订,留边:按下图中的顺序和尺寸折完后图号在上,有装订边。
2、A1折叠成A4的法见下图。
注意折叠顺序和尺寸。
4、A3图纸折叠成A4大小的标准成法:3、A2图纸折叠成A4尺寸的标准法见下图:1 3□D[ 4^附SL11直3新成A4(不装订)白图、蓝图,一般都要折叠成A3或A4的大小。
折叠的法也不完全一样,一般把图纸折成A3, A4的尺寸,并把图号等折在外面看得到就行了。
对于有格要求的来说:其实折叠图纸是有标准的,呵呵!不知道了吧!一、要求装订归档的:1、A0折叠成A4,需装订,留边:按下图中的顺序和尺寸,慢慢体会。
折完后图号在上,有装订边。
附圏:Ll盘0祈成®I2、A1折叠成A4的法见下图。
注意折叠顺序和尺寸。
6 s U ------------------ 0-LD 亠附團直1护成直43、A2图纸折叠成A4尺寸的标准法见下图:CZ!附® 1.4 A3 M5、各种尺寸的图折成A3的法与A4类似,但A3 一般横向装订,尺寸有所不同:附KL5鱼0新成姒、不需要装订的图纸折叠法:不需要装订的图纸折起来要简单一些, 图纸折叠法如下图:附ELS Al 折成岂3 各种尺寸1 3 5-t r Q c ----------f-CM“1 J I c T7生CM j Et—0 CJ1----- 1 i?g,210 2 10r2 10 2 1 0” 21 D1i 65附mL8 A0S^A4 {不篆订)-<iQZI210=^210.210.210附EL9 Al#i^A4 (不装订)附SL11直3新成A4(车装订)。
档案图纸折叠方法
在工程设计和施工中,图纸是一种非常重要的文件,而正确的折叠方法可以有
效地保护图纸,方便存放和携带。
本文将介绍几种常用的档案图纸折叠方法,希望对大家有所帮助。
首先,我们来讲一下最常见的折叠方法之一——三折折叠法。
这种方法适用于
较大的图纸,首先将图纸横向折叠成三等分,然后再纵向折叠成三等分,最后再将图纸按照需要的大小进行折叠。
这种方法折叠后的图纸比较整齐,容易存放和携带,但在展开时需要小心,以免图纸变形。
其次,还有一种叠页折叠法。
这种方法适用于多页图纸,首先将图纸叠在一起,然后按照需要的大小进行横向和纵向折叠。
这种方法折叠后的图纸比较厚实,可以有效地保护图纸,但在展开时需要格外小心,以免影响图纸的使用。
除了以上两种方法,还有一种简单的折叠方法——对折折叠法。
这种方法适用
于较小的图纸,只需要将图纸对折即可。
这种方法简单方便,适合于临时存放和携带,但在长时间存放时容易造成图纸边缘磨损,需要格外注意。
除了以上介绍的几种折叠方法外,还有一些其他的折叠方法,比如Z字折叠法、N字折叠法等,每种方法都有其适用的场合和注意事项。
在实际使用中,可以根据图纸的大小和厚度选择合适的折叠方法,以保护图纸,方便存放和携带。
总的来说,正确的档案图纸折叠方法可以有效地保护图纸,方便存放和携带。
在选择折叠方法时,需要根据图纸的大小和厚度进行合理选择,并在折叠过程中小心操作,以避免图纸的损坏。
希望本文介绍的折叠方法对大家有所帮助,谢谢阅读!。
档案图纸折叠方法在日常工作中,我们经常需要处理各种各样的档案和图纸,而正确的折叠方法不仅可以节省空间,还可以保护文件不被破坏。
下面将介绍一些常见的档案图纸折叠方法,希望能对大家有所帮助。
首先,我们来讨论一下普通文件的折叠方法。
对于一般的文件,我们可以采用“三折”或“四折”方法。
首先将文件平铺在桌面上,然后根据文件的大小和厚度,确定折叠的次数。
接着,将文件的一端向内折叠,再将另一端向内折叠,最后将两端对折即可。
这样折叠后的文件会更加整齐,不易破损。
对于较大的图纸,我们可以采用“Z字折叠”或“门折叠”方法。
首先将图纸平铺在桌面上,然后将图纸的一端向内折叠成Z字形状,接着将另一端向内折叠,最后将两端对折即可。
这样折叠后的图纸可以有效地减小体积,方便存放和携带。
除了以上介绍的方法,还有一些特殊文件的折叠方法。
比如,对于地图类文件,我们可以采用“十字折叠”方法,将地图依次向内折叠,最后形成一个小正方形。
对于长条形文件,我们可以采用“对角折叠”方法,将文件的一端向内对折,再将另一端向内对折,最后将两端对折成一个小正方形。
需要注意的是,无论采用何种折叠方法,我们都应该注意保持文件的整洁和平整。
在折叠过程中,要尽量避免出现折痕和皱纹,以免影响文件的使用和保存。
另外,在折叠完成后,最好使用夹子或橡皮筋将文件固定好,避免在携带和存放过程中出现散落或损坏的情况。
总的来说,正确的档案图纸折叠方法可以帮助我们更好地管理和保护文件,提高工作效率。
希望以上介绍的方法能够对大家有所帮助,也希望大家在日常工作中能够重视文件的整理和保护工作,让工作更加顺利和高效。
工程图纸装订折叠方法工程图纸在施工过程中起着至关重要的作用,它是指导施工人员进行施工的重要依据,因此,对工程图纸的保存和保护显得尤为重要。
而图纸的装订和折叠方法,直接关系到图纸的保存和使用效果。
本文将介绍工程图纸装订折叠的方法,希望对大家有所帮助。
首先,我们来谈谈图纸的装订方法。
图纸的装订一般有两种方式,一种是用订书机进行装订,另一种是用胶合纸进行装订。
对于小幅面的图纸,我们可以选择使用订书机进行装订,将图纸的左侧对齐,然后使用订书机进行订书,这样可以确保图纸的整齐和方便翻阅。
对于大幅面的图纸,我们可以选择使用胶合纸进行装订,首先将图纸放在平整的桌面上,然后将胶合纸均匀地覆盖在图纸的两侧,再使用压条将图纸和胶合纸进行压紧,待干燥后即可完成装订。
这样可以有效地保护图纸,防止图纸的折损和污损。
其次,我们来谈谈图纸的折叠方法。
折叠是为了便于携带和保存图纸,正确的折叠方法可以有效地延长图纸的使用寿命。
首先,我们要根据图纸的尺寸确定折叠的方式,一般来说,我们可以选择将图纸按照等分的方式进行折叠,这样可以确保图纸在折叠后不易出现皱纹和破损。
其次,在折叠图纸时,要注意将图纸的边缘对齐,这样可以确保折叠后的图纸整齐美观。
最后,在折叠完成后,我们可以使用透明胶带将图纸的边缘进行封口,这样可以有效地防止图纸的折损和污损。
总的来说,工程图纸的装订和折叠方法对于图纸的保存和使用至关重要。
正确的装订和折叠方法可以有效地延长图纸的使用寿命,提高图纸的使用效果。
因此,在施工过程中,我们要重视图纸的保存和保护工作,合理选择装订和折叠方法,确保图纸的完整和清晰,这样可以为施工工作提供有力的支持。
希望本文的介绍对大家有所帮助,谢谢阅读!。
国家标准图纸折叠方法
国家标准图纸折叠方法是工程施工中非常重要的一环,正确的折叠方法不仅可以保护图纸的完整性,还可以提高施工效率。
下面将介绍国家标准图纸折叠方法的具体步骤和注意事项。
首先,选择合适的折叠台,确保台面平整,避免图纸在折叠过程中受到损坏。
在折叠之前,要先将图纸展开,确保图纸表面干净整洁,没有折痕和污渍。
接下来,将图纸按照国家标准的要求进行折叠。
一般来说,大型图纸是采用对折的方式进行折叠,先将图纸的两边对折,然后再将上下对折,直至折叠成符合要求的尺寸。
小型图纸可以采用多次对折的方式进行折叠,确保图纸能够被轻松地携带和存放。
在折叠过程中,要特别注意保持图纸的边缘对齐,避免出现偏差和不整齐的折叠。
同时,要轻柔地进行折叠,避免用力过猛导致图纸破裂或折痕。
另外,折叠完成后,要将图纸的折叠线用尺子压平,确保折叠线整齐清晰,避免影响后续施工的准确性。
同时,要检查图纸的折叠是否符合国家标准的要求,确保图纸能够被准确地展开和阅读。
最后,将折叠完成的图纸进行编号和记录,确保每份图纸都能够被准确地归档和管理。
在存放和携带图纸时,要注意避免图纸受到挤压和污染,保持图纸的清洁和完整性。
总之,国家标准图纸折叠方法是工程施工中必不可少的一项工作,正确的折叠方法可以保护图纸的完整性,提高施工效率。
只有严格按照国家标准的要求进行折叠,才能确保图纸在施工过程中起到准确指导和参考的作用。
希望大家在工作中能够重视图纸折叠的重要性,严格按照国家标准进行操作,确保施工的顺利进行。
图纸折叠方法图纸折叠是工程施工中常见的操作,正确的折叠方法可以提高施工效率,减少错误和浪费。
本文将介绍几种常见的图纸折叠方法,希望能对大家有所帮助。
首先,我们来介绍最基本的图纸折叠方法。
在折叠图纸之前,我们需要准备好必要的工具,比如折叠板或者折叠尺。
将图纸平铺在桌面上,然后根据需要将图纸对折,确保对折线是直的,角度是准确的。
接着,用手或者折叠板将图纸按照对折线进行折叠,注意力要集中,力度要均匀,避免出现折痕不整齐或者偏斜的情况。
最后,将折叠好的图纸按照需要进行整理,可以使用夹子或者橡皮筋固定,以免在搬运或者使用过程中出现散失或者混乱。
除了基本的折叠方法,还有一些特殊的图纸折叠技巧,比如平行折叠和交叉折叠。
平行折叠是将图纸按照平行线进行多次折叠,可以将大幅度的图纸折叠成小巧的尺寸,便于携带和存放。
而交叉折叠则是将图纸按照交叉线进行折叠,可以将图纸折叠成多层,便于查阅和比对。
在实际工程中,图纸折叠的方法也会因为图纸的尺寸和内容而有所不同。
比如对于大幅度的图纸,可以采用多次平行折叠的方法,将其折叠成小块,便于携带和使用。
而对于需要频繁查阅的图纸,可以采用交叉折叠的方法,将其折叠成多层,方便快速翻阅。
除了折叠方法,图纸的标识和整理也是非常重要的。
在折叠图纸之前,我们需要在图纸上标注清楚内容和编号,避免折叠后出现混乱和错误。
折叠好的图纸也需要进行整理,可以按照工程阶段或者使用频率进行分类和标记,方便快速查找和使用。
总的来说,图纸折叠是工程施工中不可或缺的一环,正确的折叠方法可以提高工作效率,减少错误和浪费。
希望大家能够在实际工作中灵活运用各种折叠方法,提高工作效率,确保施工质量。
以上就是关于图纸折叠方法的介绍,希望能对大家有所帮助。
如果还有其他问题,欢迎大家留言讨论。
祝大家工作顺利!。
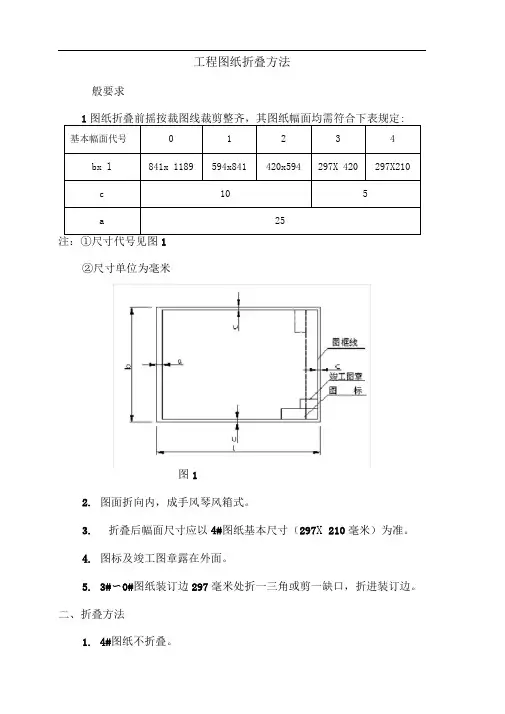
工程图纸折叠方法
一、一般要求
1.图纸折叠前摇按裁图线裁剪整齐,其图纸幅面均需符合下表规定:
注:①尺寸代号见图1。
②尺寸单位为毫米。
图1
2.图面折向内,成手风琴风箱式。
3.折叠后幅面尺寸应以4#图纸基本尺寸(297×210毫米)为准。
4.图标及竣工图章露在外面。
5.3#~0#图纸装订边297毫米处折一三角或剪一缺口,折进装订边。
二、折叠方法
1.4#图纸不折叠。
2.3#图纸折叠如图2(图中序号表示折叠次序,虚线表示折起的部分,以下同)。
(a)
(b)
图2
3.2#图纸折叠如图3。
(a)
(b)
图3
4.1#图纸折叠如图4。
(a)
(b)
图4 5.0#图纸折叠如图5。
(a)
(b)
图5 示范成品图:。
各种工程图纸折叠方法(一)
一、图纸要求装订的折叠方法
折叠成A4:
1、A0折叠成A4,需装订,留边:按下图中的顺序和尺寸,慢慢体会。
折完后图号在上,有装订边。
2、A1折叠成A4的方法见下图。
注意折叠顺序和尺寸。
3、A2图纸折叠成A4尺寸的方法见下图:
4、A3图纸折叠成A4大小的成方法:
折叠成A3
5、各种尺寸的图折成A3的方法与A4类似,但A3一般横向装订,尺寸有所不同:
二、不需要装订的图纸折叠方法:不需要装订的图纸折起来要简单一些,各种尺寸图纸折叠方法如下:
1、A0折叠成A4,需装订,留边:按下图中的顺序和尺寸折完后图号在上,有装订边。
2、A1折叠成A4的方法见下图。
注意折叠顺序和尺寸。
3、A2图纸折叠成A4尺寸的方法见下图:
4、A3图纸折叠成A4大小的成方法:
白图、蓝图,一般都要折叠成A3或A4的大小。
折叠的方法也不完全一样,一般把图纸折成A3,A4的尺寸,并把图号等折在外面看得到就行了。
对于有严格要求的来说:其实折叠图纸是有国家的,呵呵!不知道了吧!
一、要求装订归档的:
1、A0折叠成A4,需装订,留边:按下图中的顺序和尺寸,慢慢体会。
折完后图号在上,有装订边。
2、A1折叠成A4的方法见下图。
注意折叠顺序和尺寸。
3、A2图纸折叠成A4尺寸的方法见下图:
5、各种尺寸的图折成A3的方法与A4类似,但A3一般横向装订,尺寸有所不同:
二、不需要装订的图纸折叠方法:不需要装订的图纸折起来要简单一些,各种尺寸图纸折叠方法如下图:。
图纸折叠标准图纸折叠是工程设计和施工中常见的操作,正确的折叠方式不仅可以保护图纸,还可以方便使用和存储。
本文将介绍图纸折叠的标准方法,希望对大家有所帮助。
首先,折叠图纸前需要准备好干净整洁的桌面或者平整的地面。
确保图纸表面没有灰尘或者杂物,以免影响折叠效果。
接下来,将图纸平铺在桌面上,确保图纸的四边对齐。
然后按照以下步骤进行折叠:1. 首先将图纸的上边和下边对折,使得上下边重合。
用手指轻轻压平折线,确保折线整齐清晰。
2. 然后将图纸的左边和右边对折,使得左右边重合。
同样要用手指压平折线,确保折线整齐清晰。
3. 接着将图纸按照设计要求进行进一步的折叠。
一般来说,可以按照比例尺进行折叠,或者按照设计图纸上的标注进行折叠。
4. 最后,将折叠好的图纸进行整理,可以使用图纸夹或者橡皮筋固定好,以免在携带或存放时出现散乱。
需要注意的是,折叠图纸时要轻柔细致,避免出现折痕不整齐或者纸张破损的情况。
另外,在折叠过程中要注意保持手部清洁,以免污染图纸表面。
除了以上介绍的基本折叠方法,还有一些特殊图纸的折叠方式需要特别注意。
比如大幅图纸的折叠,需要至少两人合作进行,以确保图纸不会在折叠过程中出现破损或者变形。
又如复杂结构的图纸,可能需要按照特定的步骤和顺序进行折叠,以确保最终的折叠效果符合设计要求。
总的来说,图纸折叠标准是工程设计和施工中必不可少的一环,正确的折叠方式可以保护图纸,方便使用和存储。
希望大家在工程设计和施工中能够按照标准的图纸折叠方法进行操作,确保图纸的完整性和清晰度,提高工作效率和质量。
通过本文的介绍,相信大家对图纸折叠标准有了更清晰的认识,希望能够在实际操作中加以运用,提高工作效率,保护好每一份图纸。
竣工图—图纸折叠方法
1、图纸折叠前应按裁图线裁剪整齐,其图纸幅面应符合下表规定:
2、图面应折向内,成手风琴箱式
3、折叠后幅面尺寸就以4#图纸基本尺寸为标准
4、图纸及竣工图章应露在外面
5、3-0号图纸应在装订边297处折一三角或剪一缺口,拆进装订边
折叠方法
1、4号图纸不折叠
2、3号图纸折叠如图2(序号为折叠次序,虚线表示折起部分)
3、2号图纸折叠如图3
4、1号图纸折叠如图4
5、0号图纸折叠如图5
工具使用
图纸折叠前,准备好一块略小于4号图纸尺寸(292*205)的模板。
折叠时,应先把图纸放在规定位置,然后按照折叠方法的编号顺序依次折叠。
竣工图—图纸折叠方法
1、图纸折叠前应按裁图线裁剪整齐,其图纸幅面应符合下表规定:
2、图面应折向内,成手风琴箱式
3、折叠后幅面尺寸就以4#图纸基本尺寸为标准
4、图纸及竣工图章应露在外面
5、3—0号图纸应在装订边297处折一三角或剪一缺口,拆进装订边
折叠方法
1、4号图纸不折叠
2、3号图纸折叠如图2(序号为折叠次序,虚线表示折起部分)
3、2号图纸折叠如图3
4、1号图纸折叠如图4
5、0号图纸折叠如图5
工具使用
图纸折叠前,准备好一块略小于4号图纸尺寸(292*205)的模板。
折叠时,应先把图纸放在规定位置,然后按照折叠方法的编号顺序依次折叠.。
各种工程图纸折叠方法
一、图纸要求装订的折叠方法
折叠成A4:
1、A0折叠成A4,需装订,留边:按下图中的顺序和尺寸,慢慢体会。
折完后图号在上,有装订边。
2、A1折叠成A4的方法见下图。
注意折叠顺序和尺寸。
3、A2图纸折叠成A4尺寸的标准方法见下图:
4、A3图纸折叠成A4大小的标准成方法:
折叠成A3
5、各种尺寸的图折成A3的方法与A4类似,但A3一般横向装订,尺寸有所不同:
二、不需要装订的图纸折叠方法:不需要装订的图纸折起来要简单一些,各种尺寸图纸折叠方法如下:
1、A0折叠成A4,需装订,留边:按下图中的顺序和尺寸折完后图号在上,有装订边。
2、A1折叠成A4的方法见下图。
注意折叠顺序和尺寸。
3、A2图纸折叠成A4尺寸的标准方法见下图:
4、A3图纸折叠成A4大小的标准成方法:
白图、蓝图,一般都要折叠成A3或A4的大小。
折叠的方法也不完全一样,一般把图纸折成A3,A4的尺寸,并把图号等折在外面看得到就行了。
对于有严格要求的来说:其实折叠图纸是有国家标准的,呵呵!不知道了吧!
一、要求装订归档的:
1、A0折叠成A4,需装订,留边:按下图中的顺序和尺寸,慢慢体会。
折完后图号在上,有装订边。
2、A1折叠成A4的方法见下图。
注意折叠顺序和尺寸。
3、A2图纸折叠成A4尺寸的标准方法见下图:
5、各种尺寸的图折成A3的方法与A4类似,但A3一般横向装订,尺寸有所不同:
二、不需要装订的图纸折叠方法:不需要装订的图纸折起来要简单一些,各种尺寸图纸折叠方法如下图:
11。