试验五全站仪的认识与使用
- 格式:doc
- 大小:37.34 KB
- 文档页数:3
全站仪的认识与使用通过本实验,熟悉测距仪、全站仪的主要部件,功能键,掌握测距仪、全站仪的操作方法。
一、实验目的与要求1.了解全站仪的基本结构与性能、各操作部件、螺旋的名称和作用。
2. 熟悉面版主要功能。
3. 掌握全站仪的基本操作方法。
二、实验内容1.认识仪器的主要部件、螺旋的名称和作用。
2.认识面版的主要操作功能。
3.练习全站仪进行角度测量、距离测量、坐标测量等基本工作。
三、实验步骤简要1、认识全站仪的构造、部件名称和作用全站仪的基本构造主要包括:光学系统、光电测角系统、光电测距系统、微处理机、显示控制/键盘、数据/信息存储器、输入/输出接口、电子自动补偿系统、电源供电系统、机械控制系统等部分。
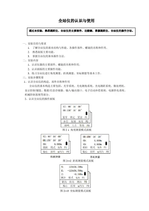
2、认识全站仪的操作面版图2-1 角度测量模式面板图2—2 距离测量模式面板图2—3 坐标测量模式面板3、熟悉全站仪的基本操作功能.全站仪的基本测量功能是测量水平角、竖直角和斜距,借助机内固化软件,组成多种测量功能,如计算并显示平距、高差以及镜站点的三维坐标,进行偏心测量、对边测量、悬高测量和面积测量计算等功能。
4、练习并掌握全站仪的安置与观测方法。
在一个测站上安置全站仪,选择两个目标点安置反光镜,练习水平角、竖直角、距离及三维坐标的测量,观测数据记入实验报告相应表中。
①水平角测量:在角度测量模式下,每人用测回法测两镜站间水平角1个测回,同组各人所测角值之差应满足相应的限差要求。
②竖直角测量:在角度测量模式下,每人观测1个目标的竖直角1测回,要求各人所测同一目标的竖直角角值之差应满足相应的限差要求。
③距离测量:在距离测量模式下,分别测量测站至两镜站的斜距、平距以及两镜站间距离。
④三维坐标的测量:在坐标测量模式下,选一个后视方向,固定仪器,输入后视方位角、测站坐标、测站高程和仪器高,转动仪器,测量两镜站坐标,分别输入反光镜高得各镜站高程。
四、仪器与工具全站仪1套、反光镜2套、记录板1块五、注意事项1.全站仪是目前结构复杂、价格较贵的先进仪器之一,在使用时必须严格遵守操作规程,注意爱护仪器.2.在阳光下使用全站仪测量时,一定要撑伞遮阳,严禁用望远镜对准太阳。
全站仪的操作要领一、全站仪的基本概念和组成部分全站仪是一种测量仪器,主要用于测量地面上建筑物、道路、桥梁、隧道等工程建设中的各种尺寸和角度。
其主要组成部分包括:望远镜、电子测距仪、倾斜传感器等。
二、全站仪的操作前准备1.检查设备:在使用全站仪前,需要检查设备是否完好无损,电池是否充足。
2.选择测点:在进行测量之前,需要选择好测点,并清理好周围环境,确保能够正常进行观测。
3.安装三脚架:将三脚架按照说明书上的要求安装好,并确保其稳定性。
4.安装全站仪:将全站仪放置在三脚架上,并调节好高度和水平度。
5.连接电源:将电源线插入全站仪的接口上,并连接到电源插座上。
三、全站仪的操作步骤1.开机:按下开机键,等待系统启动完成后进入待机状态。
2.设置参数:根据具体需求设置相应参数,如单位制、坐标系等。
3.观测目标:将望远镜对准目标,并使用电子测距仪进行测距。
4.记录数据:将观测到的数据记录下来,并进行计算和处理。
5.结束观测:在观测完成后,关闭全站仪并拆卸设备。
四、全站仪的注意事项1.避免强光干扰:在使用全站仪时,需要避免强烈的阳光直射或其他强光干扰,以免影响观测结果。
2.保护设备:全站仪是一种比较精密的测量设备,需要注意防水、防震和防尘等措施,以保护设备不受损坏。
3.正确使用三脚架:在安装和使用三脚架时,需要按照说明书上的要求进行操作,并确保其稳定性。
4.注意安全:在操作过程中需要注意自身安全和周围环境安全,避免发生意外事故。
五、总结全站仪是一种非常重要的工程测量设备,在使用过程中需要严格按照操作要领进行操作,并注意相关注意事项。
只有这样才能够保证其准确性和稳定性,为工程建设提供可靠的数据支持。
实验五全站仪的认识与使用一、实验目的1、了解全站仪的基本构造及性能,熟悉各操作键的名称及其功能,并熟悉使用方法。
2、掌握全站仪的安置方法与角度测量、距离测量与坐标测量的基本使用方法。
二、计划与设备1、每组全站仪1套(含脚架1个、目标杆1根,棱镜1套),记录板1 块,自备:铅笔。
三、实验方法及步骤1.全站仪的构造(1)通过教师讲解与全站仪使用说明书,了解全站仪的基本结构及各操作部件的名称与作用。
(2)了解全站仪键盘上各按键的名称及其功能、显示符号的含义并熟悉角度测量、距离测量与坐标测量模式间的切换。
2、全站仪的操作步骤(1)装电池(2)开机定标(照准部水平方向旋转一周,望远镜绕横轴旋转一周)(3)安置仪器(同经纬仪的)粗略对中,精确对中,粗平,精平,精确对中(4)瞄准(5)读数垂直角与水平角的倾斜改正当启动倾斜传感器功能时,将显示由于仪器不严格水平而需对垂直角与水平角自动施加的改正数。
为确保精密测角,必须启动倾斜传感器。
当系统显示仪器补偿对话框时,表示仪器倾斜已超过自动补偿范围(±3、5′),必须人工整平仪器。
WinCE(R)系列全站仪的补偿设置有:关闭补偿、单轴补偿与双轴补偿三种选项。
双轴补偿:改正垂直角指标差与竖轴倾斜对水平角的误差。
当任一项超限时,系统会出现仪器补偿对话框,提示用户必须先整平仪器。
单轴补偿:改正垂直角指标差。
当垂直角补偿超限时,系统才出现补偿对话框。
关闭补偿:补偿器关闭。
3.全站仪测量(1)角度测量1)首先从显示屏上确定就是否处于角度测量模式,如果不就是,则按操作转换为距离模式。
2)盘左瞄准左目标A,按置零键,使水平度盘读数显示为0°00′00〃,顺时针旋转照准部,瞄准右目标B,读取显示读数。
3)同样方法可以进行盘右观测。
4)如果测竖直角,可在读取水平度盘的同时读取竖盘的显示读数。
(2)距离测量1)首先从显示屏上确定就是否处于距离测量模式,如果不就是,则按操作键转换为坐标模式。
一、实验目的1. 熟悉全站仪的基本构造、操作原理及操作流程。
2. 掌握全站仪的架设、对中、整平、测距、测角等基本操作方法。
3. 了解全站仪在工程测量中的应用,提高实际操作能力。
二、实验原理全站仪是一种集角度测量、距离测量和数据处理于一体的测量仪器。
其基本原理是利用电磁波在空气中传播的速度为已知这一特性,测定电磁波在被测距离上往返传播的时间来求得距离值。
同时,通过角度测量和数据处理,可得到所需的角度、距离和高程等信息。
三、实验仪器与工具1. 全站仪一台2. 三脚架一个3. 棱镜一个4. 测量点若干5. 记录本一本6. 铅笔一支四、实验步骤1. 全站仪的架设- 将三脚架放置在需要进行测量的点上,调整脚架使其稳定平衡。
- 将全站仪固定在三脚架上,确保仪器与脚架连接牢固。
2. 对中与整平- 使用对中器对准全站仪的测站点,调整三脚架的高度,使对中器指针指向测站点。
- 调整全站仪的倾斜度,使水平度盘指示在水平位置。
3. 测距- 使用全站仪的测距功能,对目标点进行测距。
- 读取测距结果,记录在记录本上。
4. 测角- 使用全站仪的测角功能,对目标点进行角度测量。
- 读取测角结果,记录在记录本上。
5. 数据处理- 根据测距和测角结果,进行数据处理,得到所需的角度、距离和高程等信息。
五、实验数据(此处列出实验过程中所测得的数据,包括测距、测角和数据处理结果)六、实验结果与分析通过对全站仪的操作,我们成功完成了测距、测角和数据处理等任务。
实验结果表明,全站仪在实际工程测量中具有很高的精度和效率。
七、实验总结与心得1. 全站仪是一种功能强大、操作简便的测量仪器,在实际工程测量中具有广泛的应用。
2. 在操作全站仪时,应注意对中、整平、测距、测角等基本操作步骤,确保测量结果的准确性。
3. 通过本次实验,我们提高了对全站仪的认识和操作能力,为今后从事工程测量工作打下了基础。
八、注意事项1. 操作全站仪时,应注意安全,防止仪器损坏。
全站仪的认识和使用实验报告全站仪的认识和使用实验报告一、实验目的本实验旨在让学生了解和掌握全站仪的基本结构、功能和使用方法,通过实践操作,熟悉全站仪在测量工作中的实际应用。
二、实验设备实验所使用的全站仪为市面上广泛使用的智能全站仪,具有自动目标识别和测量功能。
设备包含全站仪主体、三脚架、反射棱镜、测距仪、储存卡等组成部分。
三、实验步骤与内容1、全站仪的基本结构认知:了解全站仪的各部分名称和功能,如望远镜、水平仪、操作面板、显示屏等。
2、全站仪的基本操作:按照设备说明书的步骤,进行全站仪的开机、关机、瞄准、测量等基本操作。
3、实验场地准备:选择一处室外实验场地,选取合适的测量点,并设置反射棱镜。
4、测量实验:利用全站仪进行实际测量,包括距离测量、角度测量、高程测量等。
将测量数据记录在实验记录表中。
5、数据处理:将测量数据进行分析和处理,计算出实验结果,对比理论值,评估测量精度。
四、实验结果与分析1、实验结果:记录实验测量数据,整理成表格,并绘制相应的图形。
2、结果分析:对比实际测量值与理论值,分析测量误差,评估测量精度。
了解全站仪测量的误差来源,如大气折射、仪器精度误差等。
五、实验总结通过本次实验,我们了解了全站仪的基本结构、功能和使用方法,掌握了全站仪的测量操作。
我们也认识到测量误差的存在和影响,了解了提高测量精度的途径和方法。
在实际工程应用中,全站仪具有重要作用,能够提高测量效率和精度,为工程建设提供可靠的数据支持。
本次实验让我们对全站仪有了更深入的了解和掌握,对于今后从事测量工作有很大的帮助。
今后我们应继续学习和实践,提高自己的测量技能和专业知识。
全站仪的使用方法和步骤一、什么是全站仪?全站仪是一种测量仪器,主要用于工程测量和建筑测量,以确定地表和建筑物的坐标、高程、平面形状等参数。
它是现代测绘和建筑行业的重要工具,能够提高测量的精度和效率。
二、全站仪的组成和功能全站仪由观测仪、测距仪、角度测量系统、数据处理系统等部分组成。
它的主要功能包括:1.角度测量:全站仪能够精确测量水平角和垂直角,通过测量仪器内部的角度传感器实现。
2.距离测量:全站仪能够测量测站和目标物之间的距离,可以使用激光测距或者电子测距的方式。
3.高度测量:全站仪可以准确测量目标物的高程,通过仪器上的高度传感器实现。
4.数据处理:全站仪可以自动记录和处理测量数据,并生成测量报告。
三、使用全站仪的步骤使用全站仪进行测量需要按照一定的步骤进行操作,下面将详细介绍全站仪的使用方法。
1. 准备工作在开始使用全站仪之前,需要确保仪器的完好,并进行相应的校准。
同时,还需准备好以下工具和设备:•支架:用于固定全站仪,确保测量的稳定性和准确性。
•快拨杆:用于调节全站仪观测仪的望远镜。
•三脚架:用于支撑全站仪。
•测量棒:用于目标物的反射。
2. 设定基准点在进行具体测量之前,需要确定一个基准点,该点的坐标和高程将作为其他测量的参考值。
首先,用全站仪观测仪测量基准点的坐标和高程,并进行记录。
3. 设置全站仪3.1 放置全站仪将全站仪放置在支架上,并使用快拨杆调节观测仪的望远镜,确保望远镜的准直。
3.2 设置仪器参数按照实际测量的需要,设置全站仪的测量模式、距离单位、水平定轴方式等参数。
3.3 水平仪检查通过调节三脚架上的水平脚螺丝,使全站仪水平仪的气泡位于中央位置,确保全站仪的水平度。
3.4 校准进行全站仪的校准,包括望远镜的调焦校准、角度传感器的校准等。
4. 进行测量4.1 点选和测量使用全站仪的观测仪,选择需要测量的目标点,并记录其坐标和高程。
全站仪会自动测量当前观测点和基准点之间的水平角、垂直角和距离。
全站仪的使用说明全站仪是一种用于土木工程、测绘和建筑工程的测量仪器。
它的主要功能是测量地面上点的水平和垂直角度,以及距离。
全站仪由以下组件组成:望远镜、自动跟踪系统、测量棚、电子测角仪、电子读数显示器和电子读数保存器等。
使用全站仪进行测量之前,需要进行一些基本的准备工作,包括仪器校准、基准标记等。
1.仪器校准:首先,需要将全站仪安装在三脚架上。
然后,使用水平仪将全站仪调平。
调整水平仪的水平气泡,使其位于中央刻度线之间。
接下来,使用调焦器将望远镜调焦,使目标物清晰可见。
2.建立基准:在测量之前,需要在测量区域建立基准。
可以使用钉子或其他可固定的物体,将其固定在地面上,作为参考点。
3.设置目标点:使用偏离点功能,设置需要测量的目标点。
通过输入点的坐标或在现场测量来确定目标点的位置。
4.进行测量:将全站仪对准目标点,并使用自动跟踪系统使望远镜对准目标。
然后,可以使用测量棚进行测角和测距。
在测角时,望远镜会自动测量垂直和水平方向的角度,并将结果显示在电子读数显示器上。
在测距时,将测距棚对准目标点,并使用测距仪测量距离。
5.数据记录和保存:全站仪通常配备了电子读数保存器,可以将测量数据保存在其中。
在测量完成后,可以将保存器连接到计算机上,将数据导入到计算机中进行进一步的处理和分析。
6.结束测量:在测量完成后,需要将全站仪关机,并将其从三脚架上拆卸下来。
在拆卸前,可以使用检测仪器水平度的功能,检查全站仪是否处于水平状态。
全站仪的使用方法与技巧引言:全站仪是一种测量仪器,广泛应用于土木工程、建筑工程、道路工程等领域。
本文将介绍全站仪的使用方法与技巧,帮助读者更好地掌握全站仪的操作技能。
一、全站仪的基本概念与构成全站仪是一种通过测量角度和距离来确定地面上某一点坐标的测量工具。
全站仪主要由测角部分、测距部分和数据处理部分组成。
测角部分主要包括水平角和垂直角测量功能,测距部分可通过红外线或电磁波等方式进行测距。
二、全站仪的使用步骤1. 设置全站仪:首先,打开全站仪并将其放置在稳固的三脚架上。
调平全站仪,通过调整三脚架螺丝使全站仪水平。
然后,使用激光瞄准器校准测距仪。
2. 设定测量参数:在全站仪的操作界面上,根据具体测量需要选择相应的测量模式。
设置测量单位、角度单位和水平仪灵敏度等参数。
3. 目标点测量:使用全站仪瞄准目标点并进行测量。
在确定目标点后,全站仪会自动记录水平和垂直角度,并通过测距部分测量目标点与全站仪之间的距离。
4. 数据处理与记录:全站仪可以将测量数据实时传输到计算机或数据收集设备上。
使用数据处理软件对测量数据进行处理,并生成地形图和测量报告。
同时,将测量数据存档用于后续分析和比较。
三、全站仪的注意事项1. 保护全站仪:使用全站仪时要注意避免碰撞或摔落,避免长时间暴露在高温、潮湿或恶劣环境中。
在不使用时,应将全站仪放置在干燥、通风的地方。
2. 定期校准:全站仪应定期校准以确保测量精度。
校准包括水平校正和垂直校正,通过校准能够提高测量的准确性。
3. 数据保护:在测量过程中,要注意及时备份测量数据,避免数据丢失或损坏。
同时,使用密码或加密功能保护数据的隐私和安全。
四、全站仪的应用技巧1. 多基准点测量:在大范围测量时,可以选择多个基准点进行测量,以提高测量的准确性和可靠性。
2. 使用激光点:在瞄准目标点时,可以使用激光点辅助瞄准,提高目标点定位的准确性。
3. 水平仪的使用:利用全站仪上的水平仪进行调平操作,可以确保全站仪的水平度,从而提高测量结果的准确性。
实验5-全站仪的认识及使用实验五全站仪的认识及使用、目标和要求(1)认识全站仪的构造及功能键。
(2)熟悉全站仪的一般操作。
、仪器和工具全站仪1套,棱镜1套,测伞1把,记录板1 块、实验内容练习使用南方NTS全站仪。
(一)全站仪的构造粗瞄器物镜管水准器显示屏圆水准器底板仪器中心标志光学对中器整平脚螺旋BBCw1距离 键盘符测号量: POWE R F1^F4 S- Q按键 名称功能ANG角度测 量键 进入角度测量模式(▲上 移键)日距离测 量键进入距离测量模式(F 下 移键)口坐标测 量键进入坐标测量模式(V 左 移键) MENU菜单键 进入菜单模式 (》右移键)ESC退出键返回上一级状态或返回 测量模式P OWER.电源开 关键电源开关字数 H &星 电 源 出退 ”遊aANG 坐 标 _____MENU显示符号:V% HR HL HD VD SD N E Z * m ft fi(三个界面菜V : 90 ° 10,20〃HR : 122 ° 09 ' 30"置零 锁定置盘 P1 J功能键FUF3JH-蜂鸣R/L 竖角 P3 J角度测量模式倾斜 --- V% P2 J距离测量模式(两个界面菜单)1—偏心一放样m/f/i P2 J坐标测量模式(三个界面菜单)| 镜高仪高测站P2 Jq—m/f/i P3 JFU 空F3J 巴(三)全站仪的基本测量全站仪基本测量分为角度测量、距离测量和三维坐标测量。
1.角度测量角度测量是测定测站至两目标间的水平夹角,同时可测定相应视线的天顶距。
具体步骤为:(1)在测站点安置仪器,开机并进行度盘设一置。
(2)将仪器望远镜瞄准起始目标1。
(3)在测量模式第二页菜单下按【置零】,在【置零】闪动时再次按下该键。
此时目标点1方向值已设置为零。
(4)瞄准目标点2,所显示的"HAR即为两目标点间的夹角。
2.将水平方向设置成所需方向值利用水平角设置功能“置角”,可将照准方向设置为所需值,然后进行角度测量。
全站仪使用方法步骤全站仪是一种用于测量地面上各点空间坐标的仪器,广泛应用于土木工程、建筑工程、道路工程等领域。
正确的使用全站仪可以提高测量的准确性和效率,下面将介绍全站仪的使用方法步骤。
1. 设置全站仪。
首先,将全站仪放置在平稳的地面上,确保其稳固不会晃动。
然后打开仪器,并根据仪器的说明书进行基本设置,包括校准仪器、调整仪器的水平、设置测量单位等。
2. 建立基准点。
在使用全站仪进行测量之前,需要建立基准点。
基准点通常是由测量员在地面上选定的固定点,可以是地面上的标志物、固定的建筑物等。
在建立基准点时,需要使用测量尺和其他测量工具来确保基准点的准确性和稳定性。
3. 目标点测量。
在进行目标点测量时,需要将全站仪对准目标点,并进行测量。
在测量过程中,需要注意保持仪器的稳定,避免外界干扰,并确保测量过程中不移动全站仪。
4. 数据处理。
测量完成后,需要对测量得到的数据进行处理。
这包括将测量数据导入计算机软件中进行处理,计算出目标点的空间坐标,并生成测量报告。
5. 仪器保养。
在使用全站仪之后,需要对仪器进行保养。
这包括清洁仪器表面、保持仪器的稳定性、定期校准仪器等。
保养工作可以延长仪器的使用寿命,并保证测量的准确性。
6. 安全注意事项。
在使用全站仪时,需要注意安全。
避免在恶劣的天气条件下使用仪器,避免在危险的地形环境中使用仪器,避免对仪器进行不当操作等。
通过以上步骤,可以正确地使用全站仪进行测量工作,提高测量的准确性和效率。
在实际使用中,需要根据具体情况灵活运用,并结合实际操作经验,不断提高测量技术水平。
全站仪的认识与使用实验报告.doc
总体认识
全站仪是一种数据采集系统,由旋转阵列角度传感器、水平仪、高度计和水平单元组成,最主要的是它的测量应用,功能多样式,可以应用于测绘、建筑、航海、结构物等各
种工程项目中,十分方便。
全站仪可以采集、存储多种数据,如高程测量、方位测量、绝
对重力测量等,它对地形、高程、磁力场、气压波形、绝对重力、吃水等均具有间接测量
能力,准确度可达分米级,可以实现大区域的一次性、多分量测量,以及反复垂直投影的
动态测量。
使用实验
实验中,我们使用的是Petro-Instek兰克斯全站仪,它有先进的测量系统,可以对
各种测量量进行采集、存储和处理,有完善的系统功能,可以基于机器视觉实现自动检测,数据有效性高,准确度也极高。
要进行全站仪测量,首先要把全站仪安装到基准柱上,全站仪中有三个重要特性,即
水平、垂直和旋转。
当配置完成后,开始按规定的方法对数据进行测量,首先要将全站仪
调整至水平架,然后由水平仪覆盖会射区域,将工作站衍射出晕圈,并实现垂直方向的阵
列发射,接着等待接收站接收到信号,再利用旋转仪覆盖类似的晕圈,然后重复上述步骤,直到收集到足够的数据,以便满足测量需求。
最后,数据将经处理后,用于后续分析应用。
实验结果
通过实验,我们发现,使用全站仪进行测量可以很好的满足高精度、定位和测绘的所
有需求,由此可以看出,它非常适合制作图表和写作报告,可以起到良好的参考作用。
在
实验中,数据采集部分表现良好,全站仪仪器的精度和准确性得到了很好的体现,数据处
理部分的性能也有所提升,得到了实验组的一致认可。
全站仪使用方法及使用步骤一、全站型电子速测仪简称全站仪,它是一种可以同时进行角度(水平角、竖直角)测量、距离(斜距、平距、高差)测量和数据处理,由机械、光学、电子元件组合而成的测量仪器.由于只需一次安置,仪器便可以完成测站上所有的测量工作,故被称为“全站仪"。
二、全站仪上半部分包含有测量的四大光电系统,即水平角测量系统、竖直角测量系统、水平补偿系统和测距系统。
通过键盘可以输入操作指令、数据和设置参数。
以上各系统通过I/O接口接入总线与微处理机联系起来。
三、微处理机(CPU)是全站仪的核心部件,主要有寄存器系列(缓冲寄存器、数据寄存器、指令寄存器)、运算器和控制器组成。
微处理机的主要功能是根据键盘指令启动仪器进行测量工作,执行测量过程中的检核和数据传输、处理、显示、储存等工作,保证整个光电测量工作有条不紊地进行。
输入输出设备是与外部设备连接的装置(接口),输入输出设备使全站仪能与磁卡和微机等设备交互通讯、传输数据。
四、目前,世界上许多著名的测绘仪器生产厂商均生产有各种型号的全站仪.不同型号的全站仪,其具体操作方法会有较大的差异。
下面简要介绍全站仪的基本操作与使用方法。
(一)全站仪的操作与使用1.全站仪的基本操作与使用方法(1)测量前的准备工作1)电池的安装(注意:测量前电池需充足电)①把电池盒底部的导块插入装电池的导孔。
②按电池盒的顶部直至听到“咔嚓”响声.③向下按解锁钮,取出电池。
2)仪器的安置。
①在实验场地上选择一点,作为测站,另外两点作为观测点.②将全站仪安置于点,对中、整平。
③在两点分别安置棱镜。
3)竖直度盘和水平度盘指标的设置。
①竖直度盘指标设置.松开竖直度盘制动钮,将望远镜纵转一周(望远镜处于盘左,当物镜穿过水平面时),竖直度盘指标即已设置。
随即听见一声鸣响,并显示出竖直角。
②水平度盘指标设置。
松开水平制动螺旋,旋转照准部360,水平度盘指标即自动设置。
随即一声鸣响,同时显示水平角.至此,竖直度盘和水平度盘指标已设置完毕.注意:每当打开仪器电源时,必须重新设置和的指标。
一、前言全站仪是一种集光、机、电、计算机技术于一体的高精度测量仪器,广泛应用于工程测量、地籍测量、地形测量等领域。
为了提高学生的实际操作能力,加深对工程测量知识的理解,本次实训以全站仪为主要设备,通过一系列的测量实践,使学生掌握全站仪的使用方法、测量原理及数据处理技能。
二、实训目的1. 熟悉全站仪的结构、原理及操作方法。
2. 掌握全站仪在工程测量中的应用。
3. 学会使用全站仪进行角度、距离、高程等测量。
4. 培养学生的团队协作精神和严谨的科学态度。
三、实训内容1. 全站仪的认识与操作(1)全站仪的结构:全站仪主要由照准头、电子测距仪、电子经纬仪、微处理器、存储器、显示器等组成。
(2)全站仪的操作方法:包括开机、设置、测量、数据传输、关机等步骤。
2. 全站仪角度测量(1)角度测量的原理:利用全站仪照准头照准目标,通过电子经纬仪测量水平角和竖直角。
(2)角度测量的步骤:对中、整平、瞄准、读数、记录。
3. 全站仪距离测量(1)距离测量的原理:利用全站仪的电子测距仪,根据测量距离的往返时间计算距离。
(2)距离测量的步骤:对中、整平、瞄准、测量、记录。
4. 全站仪高程测量(1)高程测量的原理:利用全站仪进行三角高程测量,根据已知控制点的高程和视线高计算待测点的高程。
(2)高程测量的步骤:对中、整平、瞄准、读数、记录。
5. 全站仪数据采集与处理(1)数据采集:将测量数据通过全站仪的存储器传输到计算机。
(2)数据处理:利用测量软件对采集到的数据进行处理,包括角度、距离、高程的计算,以及图形的绘制。
四、实训过程1. 实训前,学生分组,每组配备一台全站仪。
2. 指导老师讲解全站仪的结构、原理及操作方法。
3. 学生进行分组练习,熟悉全站仪的操作。
4. 学生分组进行实际测量,包括角度、距离、高程等测量。
5. 指导老师对学生的测量结果进行审核,并对出现的问题进行解答。
6. 学生将测量数据传输到计算机,进行数据处理。
7. 学生根据处理后的数据绘制地形图,并对测量结果进行分析。
全站仪的使用和操作说明1. 简介全站仪是一种测量仪器,用于测量地面上点的三维坐标及其角度。
它被广泛应用于土地测量、建筑工程、道路工程和矿山工程等领域。
全站仪具有高度自动化的特点,能够快速精确地测量和记录数据。
本文将介绍全站仪的基本使用和操作方法。
2. 仪器准备在使用全站仪之前,需要进行以下准备工作: - 确保全站仪已经安装好稳定的三脚架,并调整使其水平。
- 检查全站仪电池电量是否充足,必要时更换电池。
-确保全站仪和相关设备(例如控制器、电脑)之间的连接线路正确连接。
3. 仪器设置在开始测量之前,需要进行以下设置: - 打开全站仪电源,等待其自检完成。
- 在控制器或电脑上选择相应的测量模式,例如水平角、垂直角、坐标测量等。
- 根据需要设置测量的参考系,例如选择大地水准面或自定义局部坐标系。
- 设置测量的精度要求,例如选择高精度模式或普通模式。
4. 测量操作4.1 角度测量进行角度测量时,需要注意以下操作: - 使用全站仪的望远镜对准目标点,并通过调节细动螺旋钮使目标点位于准星中心。
- 按下角度测量按钮,全站仪将自动记录当前的水平角和垂直角。
4.2 坐标测量进行坐标测量时,需要注意以下操作: - 使用全站仪的望远镜对准目标点,并通过调节细动螺旋钮使目标点位于准星中心。
- 按下坐标测量按钮,全站仪将自动记录当前的水平角、垂直角和斜距。
- 根据需要,可以进行连续测量或单次测量,并在记录测量值后移动到下一个目标点。
4.3 数据记录与导出全站仪能够将测量数据实时显示在控制器或电脑上,并可以将数据保存或导出到外部设备。
为了确保数据的准确性和完整性,建议在每次测量之后进行数据的备份和校验。
5. 仪器维护为了保持全站仪的正常运行和延长其使用寿命,需要进行以下维护工作: - 定期清洁全站仪的镜头、传感器和接口,避免灰尘和污染物对测量结果的影响。
- 注意防护全站仪的电源线和连接线,避免损坏和断裂。
- 在潮湿环境中使用全站仪时,应加强防护措施,避免水汽对仪器的腐蚀和损害。
实验五全站仪的认识与使用引言:全站仪是一种先进的测量仪器,广泛应用于工程测量、建筑测量、城市规划、道路建设等领域。
全站仪具有高精度、高效率、全自动测量的特点,大大提高了测量工作的准确性和效率。
本实验旨在通过对全站仪的认识和使用,提高我们的实际测量能力。
一、全站仪的基本构造和原理。
全站仪由主机、三脚架和测量杆组成。
主机包含光学系统、控制系统、显示系统等部分。
光学系统由目标镜、望远镜和距离测量装置组成,实现了对目标的测量和观测。
控制系统采用计算机控制,可以实现对全站仪的各个参数进行调节和设置。
显示系统用于显示测量结果和操作提示。
全站仪的工作原理是基于光学测量原理和电子计算原理。
通过测量目标镜的位置和角度,再结合距离测量,可以计算出目标点的坐标。
全站仪可以自动进行水平调整、垂直调整和角度调整,以保证测量的准确性。
通过计算机的处理,可以实现各种测量数据的计算和存储。
二、全站仪的使用方法。
1.设置全站仪首先,将全站仪放置在三脚架上,并使用水平仪将其调平。
然后,根据测量需要,调整全站仪的参数,如单位、坐标系、测量模式等。
2.设置基准点在测量前,需要设置一些基准点,作为测量的参考点。
这些基准点可以是已知的、具有高度的点,也可以是人工设置的点。
通过对基准点的测量,可以确定全站仪的坐标系和基准方向。
3.进行测量使用全站仪进行测量时,需要将测量杆上的反光板对准目标点,并观测目标点的位置和角度。
根据测量需要,可以选择不同的测量模式,如坐标测量、角度测量、距离测量等。
4.数据处理测量完成后,可以将测量数据导入计算机进行数据处理。
通过计算机软件,可以进行数据的计算、绘图和分析,得到最终的测量结果。
三、实验注意事项。
1.使用全站仪时,要注意保持清洁干燥,避免灰尘和水分进入仪器。
2.在使用过程中,要注意保护全站仪免受碰撞和振动。
3.在进行测量时,要准确对准目标点,保持测量杆垂直。
4.在处理数据时,要注意选择合适的计算方法和精度,避免误差的累积。
全站仪的使用实验报告篇一:全站仪综合试验报告一、实验题目全站仪的应用二、实验目的1、测距综合试验实验报告熟知全站仪的基本构造、操作原理、操作流程、主要功能等,旨在加强同学们理论联系实践的动手能力,为毕业出去工作打下坚实的基础。
三、实验基本原理(1)光电测距仪发出红外光束到目标点位处调平后的棱镜经反射回来,全站仪计算发出光束的时间点到返回的时间点,从而计算光束运行轨迹的长度,因为光在不同介质中的运行速度的不同,所以要求精确测量时应避免大雾、高温、和空气潮湿的天气,全站仪中有测温度和测气压的装置,测得温度和气压后生成一个改正系数,在全站仪每次测距时都参与计算,尽管如此,全站仪仍然不能把所有气象因素都计算在内,所以在进行要求精度较高的测量时应选在晴朗、空气质量较好的天气进行。
(2)大气折光对测距的影响:光越靠近地面时折光越大,仪器支起应高出地面1m以上,特别在高温天气,靠近地面处的气浪非常大,造成的折射率也非常大,要避免在这种天气进行高精度测量。
(适用所有仪器)(3)棱镜常数:光在玻璃中的折射率为1.5-1.6,在空气中近似等于1,光在玻璃中传播比空气中慢很多,所以光经过棱镜中所用时间较空气中长,测得距离会比实际增大一定的距离,增大的部分为棱镜常数,这个在说明书中有所标注。
2、测角3、误差与经纬仪的原理是一样的仍旧采用度盘,从度盘采用电扫描和电子元件进行自动读数和液晶显示,以便把测得的角度生成电子数据,为全站仪内部计算提供数据。
因为常用全站仪的光电测距测距中误差为±5mm左右,(我国现行城市测量规范将测距仪划分为两级,即,一级:为中误差小于5mm,二级为中误差大于5mm小于10mm),梭镜对中的高度误差,以及竖直角测量误差等各项因素的影响,所累积的误差是很大的,所以不宜用全站仪进行要求高程精度比较高的测量工作。
4、全站仪内部运算在进行坐标放样和坐标测量工作中,全站仪在已知点建站后,用另一通视的已知点做为后视,然后测距,测距后全站仪根据这两个已知点自动进行内部运算,计算出这条边的坐标方位角,此时以这条边为起始边就可以进行测量工作了。
全站仪的基本操作与使用方法全站仪是一种用于测量地面上的点的仪器,主要用于建筑、土木工程、测量、道路建设等领域。
下面是全站仪的基本操作和使用方法的详细介绍。
1.准备工作在开始使用全站仪之前,需要进行一些准备工作。
首先,确保全站仪的电池已经充满电,并将其安装在仪器中。
然后,打开仪器的电源开关,并等待仪器启动完成。
最后,将三脚架安装在地面上,并通过调整螺丝将其固定。
2.连接和校准附属设备全站仪通常需要与其它设备一起使用,例如激光测距仪或GPS接收器。
在使用它们之前,需要确保这些设备已经正确连接,并进行校准。
3.设定坐标参数在进行测量之前,需要设定全站仪的坐标参数。
可以根据实际情况选择使用直角坐标或者极坐标系。
通过调整仪器的设置菜单来设定这些参数。
4.设置基准点在进行测量之前,需要确定一个基准点作为参考。
可以使用全站仪的自动测定功能来测量出一个具有较高精度的基准点,并进行记录。
5.测量在进行测量之前,需要通过改变全站仪的位置和朝向来对准需要测量的目标点。
全站仪通常具有磁罗盘和倾斜传感器,可以帮助测量员准确地定位仪器。
当全站仪对准目标点时,通过查看仪器显示屏上的信息,确认仪器的朝向和位置是否准确。
6.读取数据当全站仪准确对准目标点后,可以开始读取数据。
根据需要,可以测量水平角度、垂直角度、水平距离、垂直高度等。
在读取数据之前,需要确保仪器与目标点之间没有遮挡物,并合理调整仪器的焦距。
7.数据处理和导出测量完成后,可以将数据导出到电脑或相关软件中进行进一步处理和分析。
在导出数据之前,最好做一下数据的备份,以防数据丢失。
8.仪器维护在使用全站仪之后,需要对仪器进行适当的维护,以保持其正常工作。
这包括清洁仪器的镜头、传感器和显示屏,并检查仪器的电池和存储器是否正常。
总之,全站仪的基本操作和使用方法包括准备工作、连接和校准附属设备、设定坐标参数、设置基准点、测量、读取数据、数据处理和导出以及仪器维护。
通过熟练掌握这些操作和方法,可以精确、高效地进行测量工作。
实验五全站仪的认识与使用
一、实验目的
1、了解全站仪的基本构造及性能,熟悉各操作键的名称及其功能,并熟悉使用方法。
2、掌握全站仪的安置方法和角度测量、距离测量与坐标测量的基本使用方法。
二、计划与设备
1、每组全站仪1套(含脚架1个、目标杆1根,棱镜1套),记录板1 块,自备:铅笔。
三、实验方法及步骤
1.全站仪的构造
(1)通过教师讲解和全站仪使用说明书,了解全站仪的基本结构及各操作部件的名称和作用。
(2)了解全站仪键盘上各按键的名称及其功能、显示符号的含义并熟悉角度测量、距离测量和坐标测量模式间的切换。
供参考.
、全站仪的操作步骤2 (照准部水平方向旋转一周,望远镜绕横轴旋转一周)开机定标)装电池(2)(1 3)安置仪器(同经纬仪的)粗略对中,精确对中,粗平,精平,精确对中()读数4)瞄准(5(垂直角和水平角的倾斜改正当启动倾斜传感器功能时,将显示由于仪器不严格水平而需对垂直角和水平角自动施加的改正数。
表示仪,为确保精密测角,必须启动倾斜传感器。
当系统显示仪器补偿对话框时器,必须人工整平仪器。
倾斜已超过自动补偿范围(±3.5′)
供参考.。
WinCE(R)系列全站仪的补偿设置有:关闭补偿、单轴补偿和双轴补偿三种选项。
系双轴补偿:改正垂直角指标差和竖轴倾斜对水平角的误差。
当任一项超限时,统会出现仪器补偿对话框,提示用户必须先整平仪器。
单轴补偿:改正垂直角指标差。
当垂直角补偿超限时,系统才出现补偿对话框。
关闭补偿:
补偿器关闭。
.全站仪测量3 1()角度测量)首先从显示屏上确定是否处于角度测量模式,如果不是,则按操作转换为距1 离模式。
顺时针旋转〃,按置零键,使水平度盘读数显示为0°00′00)2盘左瞄准左目标A, B,读取显示读数。
照准部,瞄准右目标)同样方法可以进行盘右观测。
3 )如果测竖直角,可在读取水平度盘的同时读取竖盘的显示读数。
4 )距离测量(2供参考.
1)首先从显示屏上确定是否处于距离测量模式,如果不是,则按操作键转换为坐标模式。
2)照准棱镜中心,这时显示屏上能显示箭头前进的动画,前进结束则完成坐标测量,得出距离,HD为水平距离,VD为倾斜距离。
(3)坐标测量
1)首先从显示屏上确定是否处于坐标测量模式,如果不是,则按操作键转换为坐标模式。
2)输入本站点O点(536.273,328.748,123.657)及后视点坐标(612.199,415.257,145.368),以及仪器高、棱镜高。
3)瞄准棱镜中心,这时显示屏上能显示箭头前进的动画,前进结束则完成坐标测量,得出点的坐标。
四、注意事项
(1)全站仪使用时必须严格遵守操作规程,爱护仪器。
(2)仪器对中完成后,应检查连接螺旋是否使仪器与脚架牢固连接,以防仪器摔落。
(3)在阳光下使用全站仪测量时,一定要撑伞遮掩仪器,严禁用望远镜正对阳光。
(4)当电池电量不足时,应立即结束操作,更换电池。
在装卸电池时,必须先关闭电源。
(5)迁站时,即使距离很近,也必须取下全站仪装箱搬运,并注意防震。
(6)部分全站仪因开机方式不同,观测前需要对仪器初始化,即仪器对中、整平后,打开
供参考.
仪器开关,照准部水平旋转3~4 周,望远镜在垂直面内转3~4 周。
五、上交资料
实验结束后将测量实验报告(全站仪观测记录表)。
水平角竖直距坐高差观测观
水平竖直方向竖xyH
或角
读读
供参考.。