地铁排流柜装置试验工艺
- 格式:doc
- 大小:81.50 KB
- 文档页数:7
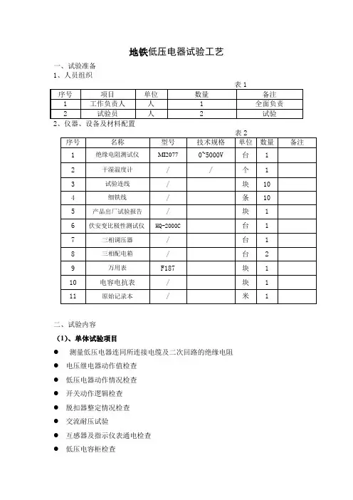
地铁低压电器试验工艺一、试验准备1、人员组织二、试验内容(1)、单体试验项目●测量低压电器连同所连接电缆及二次回路的绝缘电阻●电压继电器动作值检查●低压电器动作情况检查●开关动作逻辑检查●脱扣器整定情况检查●交流耐压试验●互感器及指示仪表通电检查●低压电容柜检查●事故电源柜功能检查●避雷器检查●电力监控系统检查●核相a)测量低压电器连同所连接电缆及二次回路的绝缘电阻一、意义开关柜主回路、辅助回路绝缘电阻测量主要是对开关柜回路绝缘的检查,绝缘受潮或有故障,例如各种短路、接地、绝缘子破裂等都能有效的反应出来。
二、操作程序1、试验流程图三、试验步骤1、试验准备该项试验应在开关设备安装就位后进行。
试验时应按表1、表2做准备。
2、选择仪器绝缘电阻测试选择MI2077型绝缘电阻测试仪,该仪器测试电压可选。
3、测试主回路、辅助回路的绝缘电阻的测试。
使用1000V兆欧表进行,持续时间为1min,应无闪络及击穿现象。
绝缘电阻均不小于1 MΩ。
在比较潮湿的地方,可不小于0.5 MΩ。
二次回路绝缘测量时应注意回路中是否有数字仪表或PLC等电子设备,试验时应将插件拔出或两端短路。
b)电压继电器动作值检查一、意义电压继电器动作值检查可以有效检查电压继电器在各个电压值下的动作情况,检查其是否满足规程要求。
二、操作程序1、试验流程图三、试验步骤 1、试验准备该项试验应在开关设备安装就位后进行。
试验时应按表1、表2做准备。
2、选择仪器电压继电器动作值检查可使用三相调压器进行。
3、测试用三相调压器输出电压连接在三相电压线圈端子,缓慢升压至线圈吸合,记录吸合电压值与85%额定电压值比较。
缓慢降压至线圈释放,记录释放电压值与5%额定电压值比较。
由于继电器检查电压的同时还检测三相电压的相序,所以同时应注意所加电压相序是否正确。
测量时应先加额定工作电压,如继电器非正常工作状态(红灯常亮或红灯闪烁,其中红灯常亮为定值不对,红灯闪烁为相序不对),调节继电器定值旋钮或改变相序,直至继电器正常工作,然后再进行其他电压值的动作检查。
北京地铁1、2号线供电系统改造工程技术标目录第一章编制说明 (4)1.1编制说明 (4)1.2编制依据 (4)第二章工程概况 (6)2.1工程总体概述 (6)2.2各系统简介 (6)2.3主要工程量 (7)2.4本工程的特点、难点分析 (14)第三章施工总体策划及部署 (16)3.1施工总体策划 (16)3.2项目管理的目标 (17)3.3施工组织机构及管理职责 (17)3.4时间部署 (17)3.5施工段划分 (19)3.6施工准备 (19)第四章过渡方案及风险分析 (32)4.1地铁1、2号线改造过渡方案 (32)4.2过渡方案的风险分析及应对措施 (50)第五章主要施工方法及技术措施 (53)5.1电缆敷设施工方法 (53)5.2变配电所施工方法 (61)5.3综合监控系统改造施工 (76)5.4牵引网工程施工方法 (79)5.5750V直流电缆的敷设及电缆终端的制作 (81)5.6杂散电流防护系统安装 (83)5.7试验及调试 (86)第六章与监理、设计及其他专业承包人的配合措施 (119)6.1与供电局接口的划分及配合 (119)6.2与轨道施工接口的划分及配合 (119)6.3与通讯施工接口的划分及配合 (119)6.4供电系统相关各专业之间的配合 (119)6.5与供货厂商之间的配合 (120)6.6与设计单位之间的配合 (120)6.7与业主、施工监理单位之间的配合 (121)第七章质量保证措施及创优计划 (121)7.1质量目标 (121)7.2质量保证体系及组织机构 (121)7.3创优工程体系及保证措施 (139)第八章施工总体进度计划及保证措施 (147)8.1施工总工期控制目标 (147)8.2施工总进度计划 (147)8.3主要工期控制点 (147)8.4确保工程工期的各项保障措施 (148)第九章安全防护及文明施工措施 (154)9.1本工程安全文明施工条件概述 (154)9.2安全保证体系及保证措施 (154)9.3文明施工保证体系及保证措施 (172)9.4施工机械和人员交通管理措施 (174)9.5消防治安措施 (175)9.6环境保护措施 (176)第十章紧急预案及措施 (178)10.1消防措施及火险应急预案 (178)10.2防汛措施及应急预案 (178)10.3突发公共卫生事件应急预案 (179)10.4触电事件应急预案 (180)10.5中毒事件应急预案 (180)10.6大件设备的运输预案·············错误!未定义书签。
地铁建设给排水及消防专业施工工艺流程及操作要点1.给排水及消防专业施工工序流程给水及消防系统施工工序流程排水系统施工工序流程区间消防水系统施工工序流程2.给排水及消防专业施工要点1)施工准备:熟悉图纸,做好施工准备工作。
参照有关专业图和建筑结构图,以及综合管线图纸,核对管道的坐标,标高是否交叉,管道排列所用的空间是否合理,并协同相关人员及时进行处理。
对施工用材料和工机具进行清点、核对。
2)施工定位及测量:a)施工定位和测量工作应在各专业图纸会审工作完成后进行,会同结构施工单位对结构的标高进行复合检查。
b)根据给排水管线设计施工图纸及车站综合管线图,对施工现场的管线实际安装位置进行结构尺寸的测量工作,对给排水管线的线路走向在纵、横向,以及标高等方面进行详细的测量并记录。
按实际测量的结果画出管路、管径、变径、预留管口、阀门位置等施工草图,并在实际安装的结构位置做上标记,按标记分段量出实际安装的标准尺寸,记录在施工草图上,然后按草图测量的尺寸预制、加工、校对且编号。
c)绘制的施工草图须按规定的相关程序进行审核、批准;并经施工现场监理工程师及其它相关专业进行核对、确认。
若存在与设计图纸有较大的变动、变更时,还应取得设计部门以及业主相关部门的认定、批准。
3)管支架制作及防腐a)给排水及消防系统管道支架的材料一般采用A3F钢,管道支、吊架在制作下料、钻孔时均不得采用火焰切割方法,型钢的下料采用切割机,孔位的加工采用台式钻床;支吊架的焊接材料采用T420-T425。
b)支架的管卡采用标准镀锌件,支架在制作完毕后采用热镀锌工艺进行防腐处理;支架的结构形式见图12、图13所示,做作尺寸参见表4;支架在制作焊接完毕后,焊缝表面应进行外观打磨处理,清除焊接时产生的焊瘤、焊渣等物;并对支架进行边角毛刺打磨至光滑。
c)支架在制作完毕后均须做热镀锌防腐处理,热镀锌层厚度不小于80μ。
支架在镀锌前应进行外观检查;表面应整洁无毛刺,相对尺寸应符合要求,对热镀锌处理后的支架不得再进行任何切割修改工作,否则必须重新进行热镀锌处理。
实现与计算机端上位机管理信息系统的实现。
堆垛机是自动化立体仓库执行任务的主要器械,同时也是仓库搬运的主要劳动力,它的运行受到了地面主柜控制系统和上位机管理信息系统的共同作用。
对于控制系统设计而言,PLC控制器和外围扩展设备都是有各种功能模块组成,只需通过编程就可实现模块功能,唯一需要考虑的是它们之间的相互兼容性,因此需根据子系统的功能要求进行编程,明确模块化思想。
参考文献[1]尤晓玲,陈宏希,张治军,段晓燕.PLC在堆垛机控制系统中的应用[J].兰州石化职业技术学院学报,2010,10(1):30-32.[2]周晓光,付莹.基于PC-BASE PLC的自动化立体仓库堆垛机控制系统设计[J].起重运输机械,2006(2):37-39.[3]徐菱,劳扬健,王金诺.基于PLC的堆垛机控制系统设计[J].组合机床与自动化加工技术,2005(1):72-73,75.[4]田峰,韩绍军.PLC在堆垛机控制系统中的应用[J].国内外机电一体化技术,2001,4(2):50-52.作者简介:哈贵庭(1961—),男,回族,宁夏灵武人,大学本科,宁夏职业技术学院教授,主要研究方向:计算机网络、计算机过程控制。
浅谈一款新型地铁排流柜的设计西安市地下铁道有限责任公司 路春莲【摘要】地铁排流柜作为地铁杂散电流腐蚀防护系统中的一款重要设备,其控制方式的不同会得到不同的防腐蚀效果,本文将一款新型排流柜与传统排流柜控制方式进行对比,提出了新型排流柜的设计方案,通过实际应用,验证该新型排流柜具有响应速度快,排流效果理想的优点。
【关键词】排流柜;杂散电流;IGBT;单片机;实时控制1.杂散电流的概念在世界各地的地铁中,普遍采用直流电作为地铁车辆的电源,且大多数采用走行钢轨作为牵引电流的回流通道。
随着地铁运行时间的延长,车辆与钢轨之间摩擦产生的金属粉尘在地下潮湿环境的作用下,使钢轨与大地之间的绝缘电阻不断减小,致使一部分牵引回流电流流向大地形成杂散电流(也称“迷流”)。
浅谈一款新型地铁排流柜的设计作者:路春莲来源:《电子世界》2013年第02期【摘要】地铁排流柜作为地铁杂散电流腐蚀防护系统中的一款重要设备,其控制方式的不同会得到不同的防腐蚀效果,本文将一款新型排流柜与传统排流柜控制方式进行对比,提出了新型排流柜的设计方案,通过实际应用,验证该新型排流柜具有响应速度快,排流效果理想的优点。
【关键词】排流柜;杂散电流;IGBT;单片机;实时控制1.杂散电流的概念在世界各地的地铁中,普遍采用直流电作为地铁车辆的电源,且大多数采用走行钢轨作为牵引电流的回流通道。
随着地铁运行时间的延长,车辆与钢轨之间摩擦产生的金属粉尘在地下潮湿环境的作用下,使钢轨与大地之间的绝缘电阻不断减小,致使一部分牵引回流电流流向大地形成杂散电流(也称“迷流”)。
杂散电流在流经地下金属结构时会产生电化学腐蚀,尤其对地铁沿线的输油管道、煤气管道、自来水管道及沿线建筑物结构钢等危害极大。
[1]目前对杂散电流的防护一般采取“以防为主、以排为辅”的防护措施。
“以防为主”,即首先应从源头着手,尽量减少杂散电流泄露,这要求设置合理的牵引供电系统并加强走行轨对地绝缘,在轨道与轨枕之间进行绝缘,即在轨道与混凝土之间、扣件与混凝土轨枕之间采取绝缘措施,以减少钢轨的泄漏电流;同时要加强可能被腐蚀的管道、结构钢筋等的腐蚀防护,这样做在地铁运行初期可收到良好的效果。
所谓“排”即是排流法,在道床内铺设钢筋网并进行电气连接,使之构成道床钢筋收集网。
新建地铁大都将各段道床的结构钢筋焊成一个电气整体,称之为道床排流网(主排流网),把隧道壁的结构钢筋焊结成电气整体,称侧壁排流网(辅助排流网),并将各段排流网通过电缆相连,使道床和侧壁内形成低电阻杂散电流通道,[2]使该电流通过排流柜装置回流至牵引变电所整流器负极,避免泄漏到地下造成危害。
2.地铁排流柜简介排流柜是组成地铁杂散电流腐蚀防护系统的一个重要的设备,通常安装在牵引变电所内,电气连接于排流网与负极柜之间。
杂散电流监测系统(含排流柜)、单向导通装置技术规格书(一)杂散电流监测系统(含排流柜)1. 适用范围本技术要求适用于重庆轨道交通一号线朝沙段杂散电流监测系统,并作为投标方制定投标技术文件和供货设备的技术依据。
2. 环境条件1)环境温度:-5C~+44.5C2)污秽等级:重污区3)相对湿度:日平均:95%月平均:90%有凝露发生4)海拔高度:1000m5)雷电日:60D/年6)地震烈度:7度3. 供货规格型号序号名称规格型号备注1 排流柜FM3022 参比电极MHC3 传感器FM301A4 信号转接器FM301Z5 监测装置FM3056 管理软件4. 采用标准(但不限于此)地铁杂散电流自动监测系统有关设备所涉及的产品标准、规范;工程标准、规范;验收标准、规范等完全满足所有中华人民共和国的条例及规范,包括:《地铁杂散电流腐蚀防护技术规程》CJJ49-92《低压电器外壳防护等级》GB4942.2-85《电工电子产品基本环境试验规程》GB2423-81《电磁兼容试验和测量技术》GB/T 17626《煤矿通信、检验、控制用电工电子产品基本试验方法》MT 210《交流电气装置的接地》DL/T621-1997《地铁设计规范》GB50157-2003《地铁直流牵引供电系统》GB10411-895. 系统构成本工程杂散电流监测系统采用车站(变电所)监测和控制中心集中监测二级监测系统。
杂散电流监测装置通过变电所内通信网络与电力监控系统接口,并将处理和统计后的数据传至监控中心。
杂散电流监测系统由参比电极、整体道床测防端子、地下结构测防端子、测量线、传感器、通信电缆、信号转接器、监测装置组成。
6. 系统功能杂散电流监测装置的输入端与从沿线各传感器引入的通信电缆连接,通过各监测点传感器实时采集监测分区内的结构钢筋的极化电位,参比电极自然本体电位,并对数据进行A/D转换,计算、存贮、统计并通过变电所内通信网络,将统计结果传送到变电所自动化系统,本监测系统具备以下几种功能:6.1 通信功能每个供电区间内的监测装置定期向传感器发出数据采集命令,数据按指定的格式上传到监测装置。
杂散电流监测系统(含排流柜)、单向导通装置技术规格书(一)杂散电流监测系统(含排流柜)1. 适用范围本技术要求适用于重庆轨道交通一号线朝沙段杂散电流监测系统,并作为投标方制定投标技术文件和供货设备的技术依据。
2. 环境条件1)环境温度:-5︒C~+44.5︒C2)污秽等级:重污区3)相对湿度:日平均:95%月平均:90%有凝露发生4)海拔高度:≤1000m5)雷电日:60D/年6)地震烈度:7度3. 供货规格型号4. 采用标准(但不限于此)地铁杂散电流自动监测系统有关设备所涉及的产品标准、规范;工程标准、规范;验收标准、规范等完全满足所有中华人民共和国的条例及规范,包括:《地铁杂散电流腐蚀防护技术规程》CJJ49-92《低压电器外壳防护等级》GB4942.2-85《电工电子产品基本环境试验规程》GB2423-81《电磁兼容试验和测量技术》GB/T 17626《煤矿通信、检验、控制用电工电子产品基本试验方法》MT 210《交流电气装置的接地》DL/T621-1997《地铁设计规范》GB50157-2003《地铁直流牵引供电系统》GB10411-895. 系统构成本工程杂散电流监测系统采用车站(变电所)监测和控制中心集中监测二级监测系统。
杂散电流监测装置通过变电所内通信网络与电力监控系统接口,并将处理和统计后的数据传至监控中心。
杂散电流监测系统由参比电极、整体道床测防端子、地下结构测防端子、测量线、传感器、通信电缆、信号转接器、监测装置组成。
6. 系统功能杂散电流监测装置的输入端与从沿线各传感器引入的通信电缆连接,通过各监测点传感器实时采集监测分区内的结构钢筋的极化电位,参比电极自然本体电位,并对数据进行A/D转换,计算、存贮、统计并通过变电所内通信网络,将统计结果传送到变电所自动化系统,本监测系统具备以下几种功能:6.1 通信功能每个供电区间内的监测装置定期向传感器发出数据采集命令,数据按指定的格式上传到监测装置。
地铁变电所各个设备的作⽤(1)⼀.1500V直流开关柜概述直流1500V供电系统中,由1500V直流开关柜、整流变压器、整流器、排流柜等主要设备组成。
1500V直流开关柜为具有标准防护等级的⾦属封闭结构,包含正极柜(进线柜)、馈线柜和负极柜。
断路器或电动隔离开关的操作设备和控制、测量、保护元件,以及母排、电源和辅助连接等⼆次元件。
这些设备除完成当地控制、测量保护功能所需的必要元件外,还装设为实现远⽅监控所必须的各种转换开关和数据传输、电光转换所必须的元件,如协议转换和光电转换模块等。
直流快速断路器均提供直接瞬时过电流脱扣器和间接快速脱扣器,装于断路器本体内,由综合测控保护装置或机械装置操控。
每个直流断路器所有辅助接点均接到低压室端⼦排上,且具有“运⾏”、“试验”、“移开”三个明显的位置和标志。
⼿车⼊柜后有两个机械定位:试验位和运⾏位,两个位置均能由带扭转弹簧的机械锁定/解锁连杆可靠锁定。
1. 1500V直流开关柜(1) 馈线柜馈线柜是安装于1500V直流正极母线与接触⽹上⽹隔离开关之间的设备,其内配置1500V正极母线、直流快速断路器、分流器以及微机综合保护控制装置Sitras Pro (该装置为多CPU结构⽅式,实现保护、监视、控制、测量、通信等功能),实现向牵引⽹直流馈电的控制和保护。
(2) 进线柜(正极柜)进线柜是⽤于连接整流器阀侧正极与1500V正极母线间的开关设备,实现整流机组向1500V直流正极母线馈电的控制。
进线柜采⽤电动隔离开关,其合/分操作与35KV整流变开关有硬接线的电⽓联锁。
还有⼀组PLC S7-200,可对正极柜内的电动隔离开关进⾏控制,并实现各柜信号收集、电流采集及正极电动隔离开关的控制功能。
(3) 负极柜负极柜是连接于整流器阀侧负极与回流钢轨之间的开关设备,柜内装设⼿动隔离开关,开关柜前部设可锁住的⾦属门,上部有⼀个低压元件室。
负极柜内还设置⼀套Simatic S7-300 PLC,⽤于框架故障保护、信息(隔离开关位置等)采集和变电所综合⾃动化系统进⾏通信,具有与当地PC机和所内综合⾃动化SCADA系统进⾏通信的两个独⽴的标准通信接⼝。
地铁杂散电流监测系统工作原理及调试河南邦信防腐材料有限公司技术部2017年5月河南邦信防腐材料有限公司结合北京地铁十号线对杂散电流监测系统的构成进行介绍,对监测系统参比电极、氧化钼参比电极、传感器、信号转接器、监测装置等主要部件的功能进行说明,并针对该线设备现场安装具体情况对监测系统主要部件的施工方法进行介绍,为今后地铁杂散电流监控系统的施工和运营管理提供了参考。
概述北京地铁十号线一期工程是北京轨道交通线网中一条先东西走向,后南北走向的半环线。
线路起点在北京市西北部的海淀区万柳车站,终点到达劲松车站。
线路全长24.585,全部为地下线路,共设22个车站。
地铁十号线一期工程杂散电流防护采取了正线走行轨绝缘安装,利用道床设置杂散电流收集网、变电所设置排流柜的综合防护措施。
设置杂散电流监测系统通过监测道床和地下结构杂散电流收集网极化电位等数据,实现对地铁十号线一期工程的杂散电流分布的综合监测,为运营维护部门判断杂散电流防护系统状况提供依据。
1系统构成地铁十号线杂散电流监测系统采用车站(变电所)监测和控制中心集中监测二级监测系统。
杂散电流防护系统主要由氧化钼参比电极、整体道床测防端子、地下结构测防端子、测量线、传感器、通信电缆、信号转接器、变电所监测装置组成。
2系统各部分部件功能及施工方法全线在各车站混合变电所内分别设置1台杂散电流监测装置,全线共13台。
该装置经过通信电缆与该站及该站两端各半个区间内的转接器相连,转接器下连传感器,各监测点传感器经由测量线与该点结构钢和整体道床测防端子(地下结构测防端子)对应的氧化钼参比电极相连,实现对该分区结构和整体道床结构钢筋的极化电位数据采集,数据统计并上传至转接器,再由转接器将数据整合后上传至监测装置处理。
杂散电流监测装置通过变电所内通信网络与电力监控系统接口,将处理和统计后的数据传至监控中心。
如图:在每个车站的有效站台两端以及车站边缘约200m的隧道外墙及道床上设置杂散电流测量端子,上下行各16处。
地铁试验室测试流程一、前期准备。
要开始地铁试验室测试啦,这前期准备可不能马虎哦。
咱得先把试验场地收拾得利利索索的,就像给自己家大扫除一样,各种设备得摆放得整整齐齐。
那些试验仪器呀,得先检查检查,看看有没有哪里坏了或者不好使的。
这就好比出门前要检查自己的包包,手机、钥匙啥的都得带齐喽。
还有就是相关的资料文件得准备好。
比如说试验的标准啦,之前类似试验的一些数据记录之类的。
这就像是出门旅游要带上地图一样重要,要是没有这些,在试验过程中遇到问题都不知道该咋解决呢。
二、样本采集。
接下来就是样本采集这一环节啦。
采集样本可有趣也有点小麻烦呢。
就拿地铁的某些部件来说吧,要找到合适的采样点可不容易。
有时候感觉就像在玩寻宝游戏一样,要在那么大的地铁设备里找到最能代表整体情况的小部分。
而且采样的时候还得小心翼翼的,就像对待小宝贝一样。
要是不小心把样本弄坏了或者采得不准确,那后面的试验可就全都白搭了。
这就要求我们采样的人得有一双巧手,就像那些心灵手巧的手工艺人一样精准。
三、试验操作。
到了试验操作这个重头戏啦。
操作试验设备的时候,那可得打起十二分的精神。
每个按钮、每个操作步骤都得特别熟悉。
就好像你玩游戏的时候,每个技能的释放顺序都得牢记于心,不然就达不到最佳效果。
不同的试验项目有不同的操作要求。
比如说有的试验要严格控制温度,那我们就得像守着小火炉的小厨师一样,时刻盯着温度的变化,一点也不能放松。
还有的试验对压力有要求,那就得小心地调节压力装置,就像给气球打气一样,多一点少一点都不行。
四、数据记录。
在试验进行的过程中,数据记录可不能忘呀。
这数据就像是我们的小账本一样,每一笔都很重要。
我们得把试验过程中出现的各种数值,不管是大的还是小的,都准确无误地记下来。
可别小看这个数据记录哦。
有时候一个小数点的错误,可能就会让整个试验结果变得完全不一样。
所以我们记录的时候,要像小学生写作业一样认真,一笔一划地把数据写清楚。
而且记录完了还得再检查检查,就像考试做完题后要检查答案一样。
XXX地铁X号线BAS设备检修工艺工序步骤及规范要求吴剑凯2014年9月24日目录1.系统控制柜季检 (1)2.车站控制箱季检 (5)3. IBP盘控制柜季检 (8)4.区间控制箱及管线季检 (12)5.UPS主机及蓄电池半年检 (16)6.传感器半年检 (21)7.冷冻水流量调节控制器及其附件半年检 (24)8.车站系统功能测试年检 (26)9.系统工作站及外围设备年检 (29)1.系统控制柜季检检修工艺:控制柜体完好无破损、无刮花、无腐蚀现象,门校门锁完好图示:1.2.检查柜内控制器模块、电源模块、通信模块、IO设备外观及安装稳固情况。
检修工艺:柜内各模块完好无破损、安装稳固。
图示:1.3. 检查柜内控制器模块、电源模块、通信模块、IO设备发热情况。
检修工艺:无过热现象。
图示:1.4. 检查柜内控制器模块、电源模块、通信模块、IO设备运行情况。
检修工艺:柜内控制器模块、电源模块、通信模块、IO设备各状态指示灯显示正常图示:1.5. 检查端子排接线是否松脱,如有松脱则对其进行紧固。
检修工艺:各设备接线无松脱、锈化、破皮,接线标记清晰,端子排接线螺丝紧固。
图示:1.6. 测量开关电源输入电压。
检修工艺:输入电压应为220VAC(±5%)图示:1.7. 测量开关电源输出电压。
检修工艺:输出电压应为24VDC(±5%)图示:1.8. 检查开关电源接地线是否与柜体连接牢固。
检修工艺:接地牢固。
图示:1.9. 检查所有交换机外观及指示灯状态。
检修工艺:交换机硬件开关及软件参数设置正确。
图示:1.10. 对柜体、柜内各模块进行清洁除尘。
检修工艺:柜体、柜内各模块清洁无尘。
图示:2.车站控制箱季检2.1.检查控制柜外观及门校、门锁。
检修工艺:控制箱体完好无破损、无刮花、无腐蚀现象,门校门锁完好 图示:2.2.检查箱内控制器模块、电源模块、通信模块、IO设备外观及安装稳固情况。
检修工艺:箱内各模块完好无破损、安装稳固。
地铁直流开关柜线路测试装置原理下载提示:该文档是本店铺精心编制而成的,希望大家下载后,能够帮助大家解决实际问题。
文档下载后可定制修改,请根据实际需要进行调整和使用,谢谢!本店铺为大家提供各种类型的实用资料,如教育随笔、日记赏析、句子摘抄、古诗大全、经典美文、话题作文、工作总结、词语解析、文案摘录、其他资料等等,想了解不同资料格式和写法,敬请关注!Download tips: This document is carefully compiled by this editor. I hope that after you download it, it can help you solve practical problems. The document can be customized and modified after downloading, please adjust and use it according to actual needs, thank you! In addition, this shop provides you with various types of practical materials, such as educational essays, diary appreciation, sentence excerpts, ancient poems, classic articles, topic composition, work summary, word parsing, copy excerpts, other materials and so on, want to know different data formats and writing methods, please pay attention!地铁直流开关柜线路测试装置是用于地铁直流开关柜线路的检测和维护的重要设备,它能够帮助工作人员快速、准确地定位线路故障,并进行及时修复。
地铁工程检验试验方案1. 概述地铁工程作为一项大型的城市基础设施建设工程,其工程质量直接关乎到人民群众的生命财产安全。
因此,对于地铁工程的检验试验工作尤为重要。
本文将结合地铁工程的特点,制定适合的检验试验方案。
2. 检验试验内容地铁工程检验试验内容包括:地铁隧道、车站、站台、线路等部分的结构、材料、设备、工艺等方面的检验。
2.1 结构检验结构检验是地铁工程检验的重要环节。
其内容包括:•隧道结构–隧道的各项尺寸–构造、砌体和混凝土的工艺质量•车站结构–车站的长度、宽度、高度等尺寸–钢结构和混凝土结构的工艺质量•站台结构–站台的长度、宽度、高度等尺寸–钢结构和混凝土结构的工艺质量•线路结构–线路公差要求–轨道和轨枕的材料、工艺质量2.2 材料检验钢材、混凝土、管材、线缆等地铁工程所用的各类材料均需要进行检验。
其要求如下:•钢材检验–金相组织、化学成分的检验–强度、硬度、塑性和韧性的检验•混凝土检验–抗压强度、抗拉强度、受挤强度的检验–压缩变形、抗冻性、渗透性、耐久性的检验•管材检验–管径、壁厚、强度、硬度、韧性等检验–抗腐蚀性、耐冲击性、耐温性等检验•线缆检验–电绝缘性、屏蔽性、引丝和燃烧性能检验–导体电阻、绕阻、电感等检验2.3 设备检验地铁工程所用的设备包括:列车、信号设备、通风设备等。
设备检验内容如下:•列车检验–车辆整体外形检验–绝缘性能、高低电压测试、电动机功率等检验•信号设备检验–能否准确反映列车位置及控制列车运行的功能是否正常•通风设备检验–排风量、排风速度的检验–排氧量、排烟量的检验2.4 工艺检验工艺检验是地铁工程检验中的重要环节。
工艺检验采用现场检查和取样分析相结合的方法,重点关注施工现场有无合理的安全措施、垃圾和淤泥的处理、调试设备是否按照要求进行等问题。
3. 检验试验方法地铁工程检验试验方法主要包括现场检查和实验室检测两种。
3.1 现场检查现场检查主要针对施工现场的安全措施、淤泥、垃圾的治理和设备的调试,需要施工单位配合。
南宁地铁轨道交通2号线站后机电工程直流短路试验方案编制:审核:审批:二〇一七年八月目录一工程概况 (1)二、试验目的 (1)三编制依据 (1)四试验组织安排 (1)1 试验领导小组机构 (2)2 现场试验小组 (3)3 协调组织及配合 (4)五测试设备及机具 (4)六安全防护措施 (5)1 人员安全 (5)2 接触网短路点的技术安全措施 (6)2.1 接触网与架空地线短接 (6)2.2 接触网与钢轨短接 (7)2.3 接地线及短接线接、拆顺序 (8)3 防拒动保护措施 (8)3.1 自动延时切除装置 (8)3.2 人工后备切除措施 (10)七短路试验的基本条件 (10)八短路试验 (10)1 短路点选择 (10)2 短路试验种类选 (11)2.1 单边供电方式下接触网对远端架空地线短路 (11)2.2 单边供电方式下接触网对近端钢轨短路 (12)3 试验监测接线示意图 (13)3.1 试验馈线柜内监测示意图 (13)3.2 短路试验开关处监测示意图 (13)九短路试验程序 (14)1 小组进行准备的工作 (14)2 时间安排 (15)3 现场人员安排 (15)4 单边供电方式下接触网对远端架空地线短路试验程序 (15)4.1 试验前的检查准备工作 (15)4.2 接触网对架空地线短路试验程序 (16)5 单边供电方式下接触网对近端钢轨短路试验程序 (18)5.1 试验前的检查准备工作 (18)5.2 接触网对钢轨短路试验程序 (19)十短路试验结束 (21)十一附件 (21)1 设计院计算短路电流预测值 (21)2 直流短路试验辅助工作记录表 (21)3 直流短路试验原始记录表 (21)4 影像资料 (21)附表2 南宁地铁轨道交通2号线供电系统直流短路试验原始记录表 (23)南宁地铁轨道交通2号线供电系统直流短路试验方案一工程概况南宁市轨道交通2号线工程(玉洞-西津)线路全长约21km,共设置18座车站,均为地下站,其中6座为换乘站,平均站间距1.183km,其中南宁剧场-朝阳广场区间下穿邕江。
牵引整流机组联调试验方案大纲一、试验目的联调试验的试验目的是为了验证整流机组电路的各个环节(输出电压、触发控制电路、信号装置、保护装置等)和辅助设备、主电路其他元件是否相互协调正常工作。
整流机组的所有电气性能参数是否符合合同要求。
二、试验依据、原理及接线图1 试验依据GB/T13422-1992 半导体电力变流器电气试验方法GB/T3859-1993 半导体电力变流器JB/T10693-2007 城市轨道交通用干式牵引整流变压器GB1094.11-2007 电力变压器第11部分:干式变压器2 试验原理及接线图2.1 功能试验(轻载试验)(试验线路附图一)轻载试验的目的是为了验证电气线路的所有部分以及冷气系统的连接是否正常,能否与主电路一起正常工作,设备的静态特性是否能满足规定要求。
试验期间,应检查控制、辅助、保护装置等的性能,应能与主电路协调工作。
测量程序a.调整输入电压至额定值,调节变流器的压仓电阻使输出直流电压符合合同规定;测量轻载损耗PQ(整流器损耗+变压器空载损耗)、直流电压。
b.调整输入电压至1.05倍额定值,直流输出电压符合合同规定。
2.2 额定电流试验(低压大电流试验) (试验线路附图二、四)低压电流试验的目的在于检验变流器能否在额定电流下正常工作。
试验程序a.将变流器输出端子直接短路,变流器的输入端子通过调压器施加交流电压;b.用调压器调节电压,使额定直流电流连续通过输出端子;2.2.1短路损耗的测定试验时,应在1.1IdN及IdN两种电流下进行测量。
此处,IdN为额定直流电流:首先在直流电流1.1IdN下,测量整流机组的输入功率P2,然后将电流减至IdN,并尽快测量整流机组的输入功率P1。
在额定直流电流下工作时,装置的短路功率损耗为:P=1.91P2-1.1P1直流侧短路连接导线和分流器中的损耗功率应尽量小,否则,应予单独测定,并从P1、P2中扣除。
2.2.2 电流均衡度(均流系数)测定测量电流均衡度的目的是为了检查变流器并联连接的电力半导体器件的瞬态和稳态电流均衡度是否符合产品技术条件的规定。
深圳地铁二号线排流柜技术方案西安永电气有限责任公司二零零八年五月二十日排流柜技术方案1.概述排流柜安装于牵引变电所内,排流柜的一端接负极柜内的直流负母排,另一端接隧道结构钢筋(或高架桥梁结构钢筋)、整体道床结构钢筋、牵引变电所的地母排。
使结构钢筋中的杂散电流单方向回流到牵引变电所内的负极柜,防止杂散电流对结构钢筋的腐蚀。
本排流柜主回路采用1接地+4排流的联结形式.将这5个支路所收集的杂散电流通过汇流母排进行收集,最终回流至牵引所排流柜负极。
四个排流二极管支路电气参数完全一致,杂散电流经排流柜进线排进入,依次流经二极管、熔断器、电流传感器,负荷开关,进入四个支路共用的可调电阻,再流入汇流母排。
接地二极管支路由二极管、电流传感器、和负荷开关组成,电流通过接地支路专用可调电阻汇流至汇流母排。
排流柜所选用的熔断器为直流快速熔断器,有别于交流快速熔断器,由于交流电有过零点,产生的电弧容易在过零点时熄灭,直流电拉弧因无过零点,对器件本身的消弧能力较交流快熔有所提高.所以对于根据地铁直流供电的实际情况,我公司选用国内知名品牌的直流快速熔断器以满足地铁实际运行工况。
排流柜内各器件都有明显的标识,方便施工和检查维修。
排流柜采用1200mm×1000mm×2000mm的GGD金属屏柜,柜体无焊接,全部采用不锈钢螺栓连接。
防护等级为IP20,柜体前后开门,以方便检修。
在柜体的前后门下部开有进气网孔,上部设有散热通风孔,两侧封盖。
柜体经电镀锌处理,表面静电塑料喷粉,防腐性强。
2。
主要技术参数2.1 型号 YGP2Q46I2.2 系统额定电压 1500V DC2.3 系统最高电压 1800V DC2.4 额定排流电流 200A2.5 额定短路电流100kA(200ms)2.6 主回路工频耐压 5kV(1min)2.7 辅助回路工频耐压 2kV(1min)2.8 电流不平衡度≤10%2。
9 外形尺寸 1200mm×1000mm×2000mm(宽×深×高)2.10 安装形式户内安装2。
地铁排流柜试验工艺
排流柜的主要作用是减少杂散电流对金属结构的腐蚀和对人身的危害,利用排流柜内二极管的单向导通性能为杂散电流提供一条从结构钢到负母线的通路。
调试内容:排流柜投入运行是否正常;电流采集量是否准确;故障信号(IGBT故障、熔断器故障、通信故障)上传是否准确;排流控制装置运行是否正常,通讯及上传量是否正确。
一、试验准备
1、人员组织
表1
2、仪器、仪表及材料配置
表2
二、操作程序
试验流程图如下
1、试验准备
该组试验应在被试物安装就位后进行。
试验现场应有稳定的交流电源和可靠的接地点。
2、选择仪器
干湿温度计,继电器保护测试仪,兆欧表,万用表。
3、仪器检查
由于仪器设备到达现场,经过长途运输和装卸,所以试验前必须对仪器作必要的检查工作,保证仪器设备状态良好。
首先检查外观应完好无损,然后作通电检查.将干湿温度计,放置于通风阳光不能直射的地方。
4、接线
接线前应拆除被试设备的外部连线,拆前应做好标记,防止错误恢复。
5、测试
由一名试验员操作仪器,另一名试验员负责记录数据。
6、记录
测试时应作详细记录。
记录内容包括:试验时间、试验地点、温度、湿度、仪器型号、编号、被试设备铭牌、测试数据。
记录使用墨水笔,字迹要清晰。
7、测试完毕
(1)测试完毕后,检查仪器,检查完后对仪器断电,放好。
(2)如被试设备不做其他项目测试,应准确恢复拆除的所有外
部引线,并经工作负责人确认。
(3)测试完毕后,工作负责人应对原始记录进行审核,内容包括:记录内容是否漏项、测试数据有效数字、单位是否正
确、记录人、试验人签字是否完整,检查无误后,审核人
签字。
8、填写报告
测试完毕后,应及时填写试验报告。
试验报告应用计算机打印,应妥善保管磁盘。
试验报告应由技术负责人签发。
并保存试验报告发放记录。
三、试验项目
A、测试主电路回路、辅助电路回路的绝缘电阻
1原理:测量设备的绝缘电阻,能够有效的检查出设备本身的绝缘整体受潮,部件表面受潮或赃污,以及贯穿性的集中性缺陷,如引线接壳、金属接地等缺陷。
2试验设备选择
电气设备绝缘电阻测试选择A VO兆欧表,该仪器测试电压可选。
兆欧表的电压等级应按下列规定执行:
(1)500V以下至100V的电气设备或回路,采用500V;
(2)10000V以下至500V的电气设备或回路,采用2500V;
(3)10000V以上的电气设备或回路,采用5000V。
3、试验方法:
先用2500V兆欧表测试主电路对柜体外壳的绝缘电阻,(同时记录试验时的环境温度、湿度),应无闪络及击穿现象,阻值应大于5M Ω。
使用500V兆欧表测试辅助回路对柜体外壳绝缘电阻1 min,阻值应大于1MΩ。
比较潮湿的地方可大于0.5 MΩ.
使用500V兆欧表测试柜体框架对地的绝缘电阻1 min,阻值应大于1MΩ。
B、主回路、辅助回路的工频耐压
试验方法:
主回路相互绝缘的带电体之间对地施以工频3000V电压,当回路绝缘电阻值在10MΩ以上时,可采用2500V兆欧表代替,试验持续时间为1min。
辅助回路试验电压1000V,当绝缘电阻值在10MΩ以上时,可采用2500V兆欧表代替,试验持续时间为1min。
应把IGBT等电力电子元件短接,控制线拆开或短接。
C、基本检查
排流柜上电后,电源指示灯亮起,检查面板上的显示是否正确、正常。
观察排流控制装置与上位机通讯是否正常。
D、确定排流回路是否对应
试验方法:
可以先合上“1#接地投入”开关,其所属回路开关变位,依次合开关1#接地退出、2#上行道床投入、2#上行道床退出、3#下行道床投入、3#下行道床退出、4#上行道床投入、4#上行道床退出、5#下行道床投入、5#下行道床退出,就可以确定出排流控制装置上的排流回路编号和实际的排流回路及指示灯是否对应。
同时与上传值核对。
将转换开关打到远方位,让后台依次摇合、摇分各个排流回路。
E、仪表检查
试验方法
排流回路中,我们可以把5个回路分别叫做A、B、C、D和E。
使用三相继保议输出直流电压两根线分别加到回路A的电压取
样线VA+和-V上,查看电压表量程,然后加直流电压,转动面板上数字电压表转换开关到1(即第1排流回路),观察其指针指示是否准确。
依次从回路B、C、D、E的电压采样线VB+、-V;VC+、-V;VD+、-V;VE+、-V上加电压,同时转动数字电压表转换开关到相应回路,观察指针指示是否准确。
分别将各回路电流传感器的两根电流检测线拆开,5回路分别为A-11+、A-11-;B-11+、B-11-;C-11+、C-11-;D-11+、D-11-;E-11+、E-11-,同时查看电流表量程和变比,使用毫伏发生器分别加量,转动数字电流表转换开关分别观察面板上各回路电流表指针指示是否
准确,上传数值是否准确。
F、各排流回路定值校验
试验方法:
通过排流控制器显示屏的“基本状态屏”----“主菜单”-----“采样”可以查看各个排流回路的排流设定值、排流电流值和开入量、开出量的状态。
ipi为排流电流实时采样值
Di为排流回路各开关量输入的实时状态
Do为排流回路各开关量输出的实时状态
可以通过“基本状态屏”----“主菜单”-----“排流设定”来修改排流设定值。
使用毫伏发生器分别从各个回路的电流采样线上根据整定值加量,检查各个排流回路动作值是否与定值一致。
G、排流回路故障信号核对
试验方法:
分别模拟各排流回路IGBT故障、熔断器故障,排流柜面板上各回路对应的故障指示灯应该变亮,同时排流控制器面板上的红色故障指示灯应该变亮,核对故障信号上传是否准确。
H、排流控制器信号核对
试验方法:
首先观察面板上的绿色运行指示灯是否在正常状态下,黄色通讯指示灯通讯正常时闪烁(如果常亮或常灭,表明装置没有接受到上位
机数据或接收数据不正确),并与后台核对。
模拟排流控制器通讯故障,与上传信号核对。
模拟IPM模块故障报警和熔断器熔断报警,观察面板故障指示灯是否亮起,上传信号是否正确。
G、杂散电流监测装置信号核对
试验方法:
给装置上电同样观察面板上的绿色运行指示灯是否在正常状态下,黄色通讯指示灯通讯正常时闪烁(如果常亮或常灭,表明装置没有接受到上位机数据或接收数据不正确),并与后台核对。
模拟杂散电流检测装置通讯故障,与上传信号核对。
通过显示屏的“基本显示屏”-----“主菜单”-----“电压”可以查看监测点的实时电位和相对电位。
从参考电极接线盒处加模拟电压(电压范围是-8V到+8V),观察监测装置监测点实时电位值是否与所加电压值相符,同时核对上传得实时电位值是否与监测装置上的相符。