表面粗糙度符号及意义 (3)
- 格式:doc
- 大小:342.00 KB
- 文档页数:2
粗糙度符号Ra是粗糙度基本符号。
1基本符号、表示表面可用任何方法获得。
2.基本符号加一短划,表示表面是用去除材料的方法获得,如车、铣等。
3.基本符号加一小圆,表示表面是用不去除材料的方法获得,或者是用于保持原供应状况的表面。
4.三个符号的长边上均可加一横线,用于标注有关参数和说明。
5.三个符号上均可加一小圆,表示所有表面具有相同的表面粗糙度要求。
6.用任何方法获得的表面粗糙度,Ra的上限值为3.2μm。
7.用去除材料方法获得的表面粗糙度,Ra的上限值为3.2μm。
8.用不去除材料方法获得的表面粗糙度,Ra的上限值为3.2μm。
9.用去除材料方法获得的表面粗糙度,Ra的上限值为3.2μm,Ra的下限值为$’*!)。
10.用任何方法获得的表面粗糙度,Ry的上限值为3.2μm。
11.用不去除材料方法获得的表面粗糙度,Rz的上限值为200μm。
12.用去除材料方法获得的表面粗糙度,Rz的上限值为3.2μm,下限值为1.6μm。
13.用去除材料方法获得的表面粗糙度,Ra的上限值为3.2μm,Ry的下限值为$(’,!)。
14.用任何方法获得的表面粗糙度,Ra的最大值为3.2μm。
15.用去除材料方法获得的表面粗糙度,Ra的最大值为3.2μm。
16.用不去除材料方法获得的表面粗糙度,Ra的最大值为3.2μm。
17.用去除材料方法获得的表面粗糙度,Ra的最大值为3.2μm,Ra的最小值为$’*!)。
18.用任何方法获得的表面粗糙度,Ry的最大值为3.2μm。
19.用不去除材料方法获得的表面粗糙度,Rz的最大值为200μm。
20.用去除材料方法获得的表面粗糙度,"Ra的最大值为3.2μm,Ry的最大值为3.2μm。
表面粗糙度的三种符号引言表面粗糙度是指物体表面的不平整程度。
在工程学、物理学和材料科学等领域,表面粗糙度是一个重要的参数,它对于物体的摩擦、光学性质、材料疲劳等方面具有重要影响。
表面粗糙度可以用一些符号来描述,本文将介绍三种常用的表面粗糙度符号及其含义。
一、Ra1. 定义Ra是指表面粗糙度参数中的一个,它代表了物体表面在一个给定长度范围内的平均偏差值。
Ra是根据一条基准线在轮廓度曲线上测量的。
基准线是一条与轮廓度曲线相切的线,位于轮廓度曲线上方和下方的所有面积的总和等于零。
2. 测量方法测量Ra的常用方法是通过表面粗糙度仪来实现。
仪器在物体表面上滑动,并记录下每个点的高度变化。
然后,使用数学算法计算出所有点的高度的平均偏差值,即Ra。
3. 应用Ra广泛应用于各种工程领域,特别是在需要确保物体表面光滑度和一致性的行业中。
例如,制造业中的零件加工、汽车制造、电子设备等。
精确控制Ra值可以确保产品的质量,降低摩擦损失,提高产品的性能和寿命。
1. 定义Rz是表面粗糙度参数中的另一个重要指标,它代表了物体表面在一个给定长度范围内的峰值和谷值之间的差异。
峰值是指曲线上最高点到基准线的距离,谷值是指曲线上最低点到基准线的距离。
2. 测量方法测量Rz的方法与测量Ra类似,使用表面粗糙度仪在物体表面上滑动,记录下每个点的高度变化。
然后,通过计算最高点和最低点之间的差异,得到Rz值。
3. 应用Rz常用于需要考虑物体表面的峰谷结构的领域。
例如,金属材料的防腐处理、涂层的附着性能等。
控制Rz值可以提高涂层的附着力,减少腐蚀的风险。
三、Rq1. 定义Rq是表面粗糙度参数中的另一个符号,它代表了物体表面在一个给定长度范围内的均方根高度值。
Rq的计算方法是先计算出所有测量点的高度的均方根值,然后取该均方根值的平方根。
2. 测量方法测量Rq的方法与测量Ra和Rz类似,使用表面粗糙度仪在物体表面上滑动,记录下每个点的高度变化。
然后,通过计算所有点高度的均方根值,得到Rq值。
表面粗糙度符号及意义表面粗糙度高度参数的标注符号意义及说明R a R z、R y代号意义代号意义基本符号,表示表面可用任何方法获得。
当不加注粗糙度参数值或有关说明(例如:表面处理、局部热处理状况等)时,仅适用于简化代号标注用任何方法获得的表面粗糙度,R a的上限值为3.2μm用任何方法获得的表面粗糙度,R y的上限值为3.2μm 用去除材料方法获得的表面粗糙度,R a的上限值为3.2μm用不去除材料方法获得的表面粗糙度,R z的上限值为200μm基本符号加一短划,表示表面是用去除材料的方法获得。
例如:车、铣、钻、磨、剪、切、抛光、腐蚀、电火花加工、气剖等用不去除材料方法获得的表面粗糙度,R a的上限值为3.2μm用去除材料方法获得的表面粗糙度,R z的上限值为3.2μm,下限值为1.6μm基本符号加一小圆,表示表面是用不去除材料的方法获得。
例如:铸、锻、冲压变形、热轧、冷轧、粉末冶金等。
或者是用于保持原供应状况的表面(包括保持上道工序的状况)用去除材料方法获得的表面粗糖度,R a的上限值为3.2μm,R a的下限值为1.6μm用去除材料方法获得的表面粗糙度,R a的上限值为3.2μm,R y的上限值为12.5μm用任何方法获得的表面粗糙度,R a的最大值为3.2μm用任何方法获得的表面粗糙度,R y的最大值为3.2μm在上述三个符号的长边上均可加一横线,用于标注有关参数和说明用去除材料方法获得的表面粗糙度,R a的最大值为3.2μm用不去除材料方法获得的表面粗糙度,R y的最大值为200μm用不去除材料方法获得的表面粗糙度,R a 的最大值为3.2μm用去除材料方法获得的表面粗糖度,R z的最大值为3.2μm,最小值为1.6μm在上述三个符号上均可加一小圆,表示所有表面具有相同的表面粗糙度要求用去除材料方法获得的表面粗糙度,R a的最大值为3.2μm,R a的最小值为1.6μm用去除材料方法获得的表面粗糙度,R a的最大值为3.2μm,R y的最大值为12.5μm表面粗糙度数值及其有关规定在符号中注写的位置a1、a2──粗糙度高度参数代号及其数值(μm)b──加工要求、镀覆、涂覆、表面处理或其他说明等c──取样长度(mm)或波纹度(μm)d──加工纹理方向符号e──加工余量(mm)f──粗糙度间距参数值(mm)或轮廓支承长度率注:当允许在表面粗糙度参数的所有实测值中超过规定值的个数少于总数的16%时,应在图样上标注表面粗糙度参数的上限值或下限值,当要求在表面粗糙度参数的所有实测值中不得超过规定值时。
粗糙度符号含义全解粗糙度符号是用来表征缺陷在表面形状、深度或尺寸方面的程度的一种特殊的形式水准,它可以帮助我们定位、分析、确定某一种缺陷的级别,从而可以选择最佳的处理方法。
粗糙度符号有以下几类:一、平整度符号:主要包括外表面形状缺陷和表面粗糙度缺陷。
1. 抛光性缺陷——表面余光:SP(Smooth Polished);2. 抛光回缩缺陷——毛刷痕迹:BR(Brushed);3. 活动痕迹——划痕、口子、折返边等:F(Fluted);4. 非抛光痕迹——交叉痕迹、锐角痕迹、晶粒痕迹等:MP (Mechanically Polished).二、尺寸变化符号:主要包括垂直变形、水平变形和同时出现垂直水平变形的缺陷。
1. 垂直变形——缩短、拉长:LV(Length Over Variation);2. 水平变形——宽度变形:TW(Thickness Over Variation);3. 同时出现垂直和水平变形:DV(Diagonal Variation)。
三、深度变化符号:指表面凹起、凹陷的程度,可以用数字表示。
1. 深度变化——深度凹陷:Dp(Depth of Pit);2. 深度变化——深度凸起:Dw(Depth of Wave)。
四、平整度测量符号:主要包括两种:抛光等级和RMax/R95等级。
1. 抛光等级:指表面光洁度等级,用中文标注为225、75、15、5、1——其数字值指可被人类眼睛看见的最小的细小的点的最大的视角(最小的弧度),表示抛光度的增加,其数字越小,光洁度越高;2. RMax/R95等级:结合出现在曲率上的Nmax和N95的表达形式,分别用RMax(Radius Maximum)和R95(Radius 0.95)表示,其数字表示曲率半径(弧度)的变化,数字越小,表面弧度越强。
概况粗糙度符号及其标注说明宇文皓月粗糙度是衡量零件概况粗糙程度的参数,它反映的是零件概况微观的几何形状误差,必须借助放大镜等进行丈量。
它是由于零件加工过程中刀具与加工概况之间的摩擦、挤压以及加工时的高频振动等方面的原因造成的。
概况粗糙度对零件的工作精度、耐磨性、密封性、耐蚀性以及零件之间的配合都有着直接的影响。
粗糙度的评定经常使用轮廓算术平均偏差Ra、轮廓最大高度Ry、微观不服度十点高度Rz三个参数暗示。
数值越小,零件的概况越光滑,数值越大零件的概况越粗糙。
1、轮廓算术平均偏差Ra取样长度:取样长度是指具有粗糙度几何特征的一段长度,在取样长度内应该具有几个波峰和波谷。
丈量时可选5倍的取样长度作为丈量长度进行丈量。
Ra是指在取样长度内,轮廓偏距绝对值的算术平均值,可以暗示为:关于概况粗糙度的数值和概况特征、获得方法、应用举例请拜见下表。
从上图中也可以看出,粗糙度参数的数值.基本上成倍数的关系。
标注时应当选用这些数值,不克不及选用其他的数值。
2、轮廓最大高度Ry3、轮廓不服度十点高度Rz标注2.1代号及意义粗糙度代号可以分为:符号,粗糙度项目及数值。
经常使用标注参数是Ra, 标注Ra时Ra可以省略,标注Rz 和Ry时,在粗糙度数值前加对应的符号Rz和Ry。
2.2 标注原则1)、在同一图样上每一概况只注一次粗糙度代号,且应注在可见轮廓线、尺寸界线、引出线或它们的延长线上,并尽可能靠近有关尺寸线。
2)、当零件的大部分概况具有相同的粗糙度要求时,对其中使用最多的一种,代(符)号,可统一注在图纸的右上角。
并加注“其余”二字。
3)、在分歧方向的概况上标注时,代号中的数字及符号的方向必须下图的规定标注。
4)、代号中的数字方向应与尺寸数字的方向一致。
5)、符号的尖端必须从资料外指向概况。
标注举例:6)、齿轮、蜗轮齿面对于齿轮、蜗轮齿面的粗糙度,应标注在暗示分度圆的点画线上。
如果图形中的位置有限,粗糙度也可以引出标注或注在尺寸线的延长线上。
表面粗糙度的代号表面粗糙度的代号是指用于描述物体表面粗糙程度的符号或代码。
这些代号通常由一位或多位数字组成,代表了不同级别的表面粗糙度。
表面粗糙度是指物体表面的不平整程度或凹凸度,它直接影响着物体的外观、质感和功能。
下面将介绍一些常见的表面粗糙度代号及其含义。
1. N代号N代号是指物体表面粗糙度的一种常见标志,在机械加工中经常使用。
N代号后面跟着一个数字,表示了表面粗糙度的具体数值。
例如,N4代表表面粗糙度为4微米。
N代号适用于各种材料和加工方式,如车削、铣削、磨削等。
2. Ra值Ra值是一种国际通用的表面粗糙度参数,代表了表面粗糙度的平均值。
Ra值通常以微米(μm)为单位,用于描述金属、塑料、陶瓷等材料的表面质量。
例如,Ra0.8表示表面粗糙度为0.8微米。
3. Rz值Rz值是表征表面粗糙度的另一种参数,代表了表面最大峰值高度和最大谷值深度之间的差值。
Rz值通常以微米(μm)为单位,用于评估表面的凹凸度。
例如,Rz10表示表面最大峰值高度和最大谷值深度之间的差值为10微米。
4. AA值AA值是指铝材表面粗糙度的一种代号,用于描述铝材的表面质量。
AA值后面跟着一个数字,表示了表面粗糙度的具体数值。
例如,AA25代表铝材表面粗糙度为25微米。
5. RMS值RMS值是一种用于描述表面粗糙度的有效参数,代表了表面粗糙度的均方根值。
RMS值通常以微米(μm)为单位,用于评估表面的平滑度和凹凸度。
例如,RMS0.5表示表面粗糙度的均方根值为0.5微米。
6. CLA值CLA值是一种用于描述表面粗糙度的参数,代表了表面粗糙度的平均峰谷高度。
CLA值通常以微米(μm)为单位,用于评估表面的光滑度和凹凸度。
例如,CLA1.6表示表面平均峰谷高度为1.6微米。
7. Rmax值Rmax值是一种用于描述表面粗糙度的参数,代表了表面最大峰谷高度。
Rmax值通常以微米(μm)为单位,用于评估表面的平滑度和凹凸度。
例如,Rmax20表示表面最大峰谷高度为20微米。
1、表面粗糙度符号及意义符号意义表面粗糙度参数和各项规定注写的位置基本符号,单独使用这符号是没有意义的α1、α2——粗糙度高度参数的允许值(μm ); b ——加工方法、镀涂或其他表面处理; c ——取样长度(mm );d ——加工纹理方向符号;e ——加工余量(mm );f ——粗糙度间距参数值(mm )或轮廊支承长度率基本符号上加一短划,表示表面粗糙度是用去除材料方法获得。
例如:车、铣、钻、磨、剪切、抛光、腐蚀、电火花加工等基本符号加一小圆,表示表面粗糙度是用不去除材料的方法获得。
例如:铸、锻、冲压变形、热轧、冷轧、粉末冶金等或者是用于保持原供应状况的表面(包括保持上道工序的状况)以上三个符号的长边可加一横线,用于标注参数;在长边与横线间可加一小圆,表示所有表面具有相同的表面粗糙度要求。
2、表面粗糙度高度参数的标注R a 值R z ,R y 值代号意义代号意义用任何方法获得的表面,R a 的最大允许值为3.2μm用任何方法获得的表面,R Y 的最大允许值为3.2μm用去除材料获得的表面,R a 的最大允许值为3.2μm用不去除材料方法获得的表面,R z 的最大允许值为200μm用不去除材料获得的表面,R a 的最大允许值为3.2μm用去除材料方法获得的表面,R z 的最大允许值(R zmax )为3.2μm ,最小允许值(R zmin )为1.6μm 用去除材料方法获得的表面,R a 的最大允许值(R amax )为3.2μm ,最小的允许值(R amin )为1.6μm用去除材料方法获得的表面,R a 的最大允许值为3.2μm ,R Y 的最大允许值为12.5μm3、表面粗糙度符号的画法d′=h/10;H=1.4h;h——为字体高度。
1、表面粗糙度的概念
零件加工时,由于刀具在零件表面上留下的刀痕及切削时金属表面的塑性变形等影响,使零件存在着间距较小的轮廓峰谷。
这种表面上具有较小间距的峰谷所组成的微观几何形状特性,称为表面粗糙度。
表面粗糙度是衡量零件质量的标志之一,它对零件的配合、耐磨性、抗腐蚀性、密封性和外观都有影响。
因此,零件表面的粗糙度的要求与使用要求、加工方法、加工成本紧密相关,因此,在满足使用要求的前提下,合理选用表面粗糙度参数。
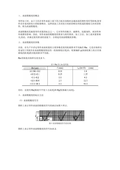
2、表面粗糙度的参数
目前,在生产中评定零件表面质量的主要参数是使用轮廓算术平均偏差Ra。
它是在取样长度l(用于判别具有表面粗糙度特征的一段基准线长度)内,轮廓偏距y(表面轮廓上的点至基准线的距离)绝对值的算术平均值。
Ra的取值及取样长度见表1。
表1 Ra及l, ln选用值
有时,还使用Rz(微观不平度十点高度)和Ry(轮廓最大高度)。
3、表面粗糙度的标注方法
(1)表面粗糙度代号
图样上表示零件表面的粗糙度符号的画法如图1所示。
图1 表面粗糙度符号的比例
图样上表示零件表面粗糙度的符号如表2。
表2 表面粗糙度符号
(2)表面粗糙度代号的标注方法
代号和参数的注写方向如图2所示。
当零件大部分表面具有相同的表面粗糙度时,对其中使用最多的一种符号、代号可统一标注在图样的右上角,并加注“其余”两字,统一标注的代号及文字高度,应是图形上其它表面所注代号和文字的1.4倍。
图2 表面粗糙度代号的基本标注方法
不同位置表面代号的注法,符号的尖端必须从材料外指向表面,代号中数字的方向与尺寸数字方向一致,如图3所示。
图3 不同位置表面上表面粗糙度代号的标注。
1、表面粗糙度符号及意义符号意义表面粗糙度参数和各项规定注写的位置基本符号,单独使用这符号是没有意义的1、2——粗糙度高度参数的允许值(m );b ——加工方法、镀涂或其他表面处理;c ——取样长度(mm );d ——加工纹理方向符号;e ——加工余量(mm );f ——粗糙度间距参数值(mm )或轮廊支承长度率基本符号上加一短划,表示表面粗糙度是用去除材料方法获得。
例如:车、铣、钻、磨、剪切、抛光、腐蚀、电火花加工等基本符号加一小圆,表示表面粗糙度是用不去除材料的方法获得。
例如:铸、锻、冲压变形、热轧、冷轧、粉末冶金等或者是用于保持原供应状况的表面(包括保持上道工序的状况)以上三个符号的长边可加一横线,用于标注参数;在长边与横线间可加一小圆,表示所有表面具有相同的表面粗糙度要求。
2、表面粗糙度高度参数的标注R a 值R z ,R y 值代号意义代号意义用任何方法获得的表面,R a 的最大允许值为3.2m用任何方法获得的表面,R Y 的最大允许值为3.2m用去除材料获得的表面,R a 的最大允许值为3.2m用不去除材料方法获得的表面,R z 的最大允许值为200m用不去除材料获得的表面,R a 的最大允许值为3.2m用去除材料方法获得的表面,R z 的最大允许值(R zmax )为3.2m ,最小允许值(R zmin )为1.6m 用去除材料方法获得的表面,R a 的最大允许值(R amax )为3.2m ,最小的允许值(R amin )为1.6m用去除材料方法获得的表面,R a 的最大允许值为3.2m ,R Y 的最大允许值为12.5m3、表面粗糙度符号的画法d′=h/10;H=1.4h;h——为字体高度。
如有侵权请联系告知删除,感谢你们的配合!。
表面粗糙度符号含义
表面粗糙度符号是用来表示物体表面的粗糙程度的标记,采用英文字母加数字或符号组合来表示。
其主要符号有 Ra(表示表面粗糙度),Rz (表示最大高度差),Rt(表示峰值和谷值之间的平均值),Rmax(表示峰值和谷值之间的最大值),Rq(表示表面特征的总体参数)以及Rsk (表示表面特征的形状参数)。
Ra是表示表面的粗糙度的指标,它是从欧拉计算出的标准坐标系上的表面粗糙度均值(简称均值粗糙度),它表示表面所有细小毛刺组成的均值向量,它是表示表面粗糙度的最小量度。
Rz是一种表面最大高度差指数(称做表面最大异常),它是通过测量几何特征的高度差求出的,它表示表面粗糙度的最大量度。
Rt是表示峰值和谷值之间的平均值,它表示表面谷值和峰值的平均差值,它的大小表示表面的粗糙度,它与Ra不同之处在于,它反映的是一种相对于普遍存在的细小毛刺的粗糙度。
Rmax是峰值和谷值之间的最大值,它是以表面峰值和谷值之间的最大值来表示表面粗糙度,是表示表面相对粗糙度的指标。
Rq是表面特征的总体参数,它是以表面特征的概率分布范围来表示表面粗糙度的指标,它反映的是表面所。
表面粗糙度的符号一、引言表面粗糙度是一个重要的工程质量指标,它可用于表征物体表面的平滑程度和粗糙程度,对零件的功能性能和寿命有着重要影响。
因此,在工业生产中,对于表面粗糙度的测量和评价显得尤为重要。
而在对表面粗糙度进行测量时,需要使用符号来表示不同类型的表面特征。
本文将详细介绍表面粗糙度符号及其含义。
二、ISO 1302标准ISO 1302标准是国际上通用的关于表面粗糙度符号的标准。
该标准规定了一系列基本符号和附加符号,用于表示不同类型的表面特征。
1. 基本符号(1)Ra:平均粗糙度Ra是最常见的基本符号之一,它表示单位长度内实际轮廓线与参考线之间的平均距离。
Ra值越小,则表示表面越光滑。
(2)Rz:最大峰值高度Rz指单位长度内最大峰值高度与最小谷底深度之间的距离。
Rz值越小,则表示表面越光滑。
(3)Ry:最大峰值高度Ry表示单位长度内最大峰值高度与参考线之间的距离。
Ry值越小,则表示表面越光滑。
(4)Rq:均方根粗糙度Rq是指单位长度内实际轮廓线与参考线之间的平均平方根值。
Rq值越小,则表示表面越光滑。
2. 附加符号除了基本符号外,ISO 1302标准还规定了一些附加符号,用于描述表面轮廓的其他特征。
(1)Rp:峰谷平均间距Rp指的是单位长度内相邻峰和谷之间的平均距离。
Rp值越小,则表示表面更加密集,粗糙度更高。
(2)Rt:总深度Rt是指在一个测量长度范围内所有峰和谷的深度之和。
Rt值越大,则表示表面粗糙度更高。
三、ANSI标准除了ISO 1302标准外,美国国家标准学会(ANSI)也制定了一些关于表面粗糙度符号的标准。
这些标准通常与ISO 1302相似,但也有一些差异。
1. 基本符号(1)AA:平均粗糙度AA与ISO 1302中的Ra相同,表示单位长度内实际轮廓线与参考线之间的平均距离。
AA值越小,则表示表面越光滑。
(2)BB:峰谷高度差BB指的是单位长度内最大凸起高度与最大凹陷深度之间的距离。
表面粗糙度的三种符号
表面粗糙度是一个描述物体表面粗糙程度的物理量,它是指在一定区
域内,表面高低起伏的程度。
在工业生产和科学研究中,表面粗糙度
是非常重要的参数之一。
因为它直接影响到物体的摩擦、密封、润滑、磨损等性能。
为了更好地描述和控制表面粗糙度,人们发明了三种符
号来表示不同类型的表面粗糙度。
一、Ra值
Ra值是最常见的表面粗糙度符号之一。
它代表着平均粗糙度高低起伏的大小。
Ra值越小,表示表面越光滑;反之则表示表面越粗糙。
Ra
值通常用微米(μm)作单位来表示。
二、Rz值
Rz值也是一种用来描述表面粗糙度的符号。
它代表着最大峰与最大谷之间的距离大小。
Rz值越小,表示峰谷差距越小,即表面越平滑;反之则表示峰谷差距越大,即表面越粗糙。
Rz值通常也用微米(μm)
作单位来表示。
三、Rmax值
Rmax值是用来描述表面最高峰与最低谷之间的距离大小。
它代表着表面粗糙度的最大值。
Rmax值越小,表示表面越平滑;反之则表示表面越粗糙。
Rmax值通常也用微米(μm)作单位来表示。
总结:
以上三种符号分别从不同角度描述了表面粗糙度的高低起伏程度,它们各自有其适用范围和优缺点。
在实际应用中,需要根据具体情况选择合适的符号来描述和控制表面粗糙度。
同时,在进行表面粗糙度测量时,还需要注意测量方法和仪器的选择,以确保测量结果的准确性和可靠性。
粗糙度指示符号粗糙度指示符号是用于表示金属表面粗糙度参数的符号,它在金属加工、工程领域以及制造业中具有重要的意义。
粗糙度指示符号主要包括字母、数字和符号等,用于表达表面粗糙度的等级、加工工艺以及验收标准等信息。
本文将探讨粗糙度指示符号的定义、分类、应用以及在金属加工中的重要性,并讨论如何提高其可读性和实用性。
1.粗糙度指示符号的定义和作用粗糙度指示符号是金属表面粗糙度参数的图形表示,它反映了金属表面的微观几何形状、结构和纹理特征。
在金属加工过程中,粗糙度指示符号的作用主要体现在以下几个方面:(1)指导加工工艺:根据粗糙度指示符号,工艺人员可以选择合适的加工方法和参数,以达到预定的表面粗糙度要求。
(2)控制加工质量:粗糙度指示符号用于监控加工过程中的表面质量,确保产品符合设计要求。
(3)评估表面性能:粗糙度指示符号可用于评估金属表面的耐磨性、抗疲劳性、导电性等性能。
2.粗糙度指示符号的分类粗糙度指示符号可分为以下几类:(1)字母型:采用字母表示表面粗糙度等级,如G、Ra、Rz等。
(2)数字型:用数字表示表面粗糙度数值,如10μm、20μm等。
(3)符号型:采用符号表示表面粗糙度参数,如箭头、斜线等。
3.粗糙度指示符号在工程领域的应用粗糙度指示符号在工程领域具有广泛的应用,如机械制造、航空航天、电子电器等。
这些领域对金属表面的质量要求较高,粗糙度指示符号有助于确保产品性能和可靠性。
4.粗糙度指示符号在金属加工中的重要性金属加工过程中,粗糙度指示符号的重要性体现在以下几个方面:(1)提高产品性能:合适的粗糙度指示符号可确保金属表面具有优良的性能,提高产品的使用寿命和可靠性。
(2)优化加工工艺:通过分析粗糙度指示符号,可以优化加工工艺,降低生产成本。
(3)保证产品质量:粗糙度指示符号有助于监控金属加工过程,确保产品符合设计要求。
5.提高粗糙度指示符号可读性和实用性的方法(1)采用标准化:制定统一、规范的粗糙度指示符号,提高其可读性。
表面粗糙度符号及意义表面粗糙度高度参数的标注
符号意义及说明
R a R z、R y
代号意义代号意义
基本符号,表示表面可用任何方法获得。
当不加注粗糙度参数值或有关说明(例如:表面处理、局部热处理状况等)时,仅适用于简化代号标注
用任何方法获得
的表面粗糙度,R a
的上限值为3.2μm
用任何方法获
得的表面粗糙
度,R y的上限值为
3.2μm
用去除材料方法
获得的表面粗糙
度,R a的上限值为
3.2μm
用不去除材料
方法获得的表面
粗糙度,R z的上限
值为200μm
基本符号加一短划,表示表面是用去
除材料的方法获得。
例如:车、铣、钻、磨、剪、切、抛光、腐蚀、电火花加工、气剖等
用不去除材料方
法获得的表面粗糙
度,R a的上限值为
3.2μm
用去除材料方
法获得的表面粗
糙度,R z的上限值
为3.2μm,下限值
为1.6μm
基本符号加一小圆,表示表面是用不
去除材料的方法获得。
例如:铸、锻、冲压变形、热轧、冷轧、粉末冶金等。
或者是用于保持原供应状况的表面(包括保持上道工序的状况)
用去除材料方法
获得的表面粗糖
度,R a的上限值为
3.2μm,R a的下限
值为1.6μm
用去除材料方
法获得的表面粗
糙度,R a的上限值
为3.2μm,R y的上
限值为12.5μm 用任何方法获得
的表面粗糙度,R a
的最大值为3.2μm
用任何方法获
得的表面粗糙度,
R y的最大值为3.2
μm
在上述三个符号的长边上均可加一
横线,用于标注有关参数和说明
用去除材料方法
获得的表面粗糙
度,R a的最大值为
3.2μm
用不去除材料
方法获得的表面
粗糙度,R y的最大
值为200μm 用不去除材料方
法获得的表面粗糙
度,R a的最大值为
3.2μm
用去除材料方
法获得的表面粗
糖度,R z的最大值
为3.2μm,最小值
为1.6μm
在上述三个符号上均可加一小圆,表
示所有表面具有相同的表面粗糙度要求
用去除材料方法
获得的表面粗糙
度,R a的最大值为
3.2μm,R a的最小
值为1.6μm
用去除材料方
法获得的表面粗
糙度,R a的最大值
为3.2μm,R y的最
大值为12.5μm
表面粗糙度数值及其有关规定在符号中注写的位置
a1、a2──粗糙度高度参数代号及其数值(μm)b──加工要求、镀覆、涂覆、表面处理或其他说明等
c──取样长度(mm)或波纹度(μm)
d──加工纹理方向符号
e──加工余量(mm)
f──粗糙度间距参数值(mm)或轮廓支承长度率
注表面粗糙度参数的上限值或下限值,当要求在表面粗糙度参数的所有实测值中不得超过规定值时,应在图样上标注表面粗糙度参数的最大值或最小值。