表面粗糙度符号
- 格式:pdf
- 大小:815.78 KB
- 文档页数:21
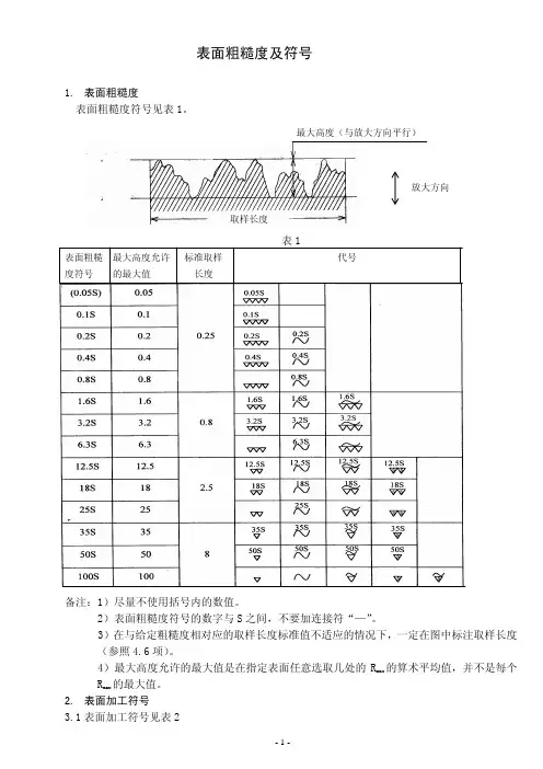
表面粗糙度及符号1. 表面粗糙度表面粗糙度符号见表1。
表1表面粗糙 最大高度允许 标准取样 代号 度符号 的最大值 长度备注:1)尽量不使用括号内的数值。
2)表面粗糙度符号的数字与S 之间,不要加连接符“—”。
3)在与给定粗糙度相对应的取样长度标准值不适应的情况下,一定在图中标注取样长度(参照4.6项)。
4)最大高度允许的最大值是在指定表面任意选取几处的R max 的算术平均值,并不是每个R max 的最大值。
2. 表面加工符号3.1表面加工符号见表2最大高度(与放大方向平行)取样长度备注:1)三角符号,三角S符号和三角S波形符号的三角形为正三角形。
2)三角S符号“ ”在砂型时需要加工余量,三角S波符号“ ”不需要加工余量,但须去除超过三角“S”波符号所指示的极限尺寸的部分。
3)当应用一般制造方法时(例如压铸),三角S符号“ ” 和三角S波形符号“ ”表示不去除材料加工(图纸指示的三角S符号及三角S波符号为表面粗糙度)。
造方法中,3.2 非去除加工的(~)表示的粗糙度值见表34. 在图样上的表示(制图上的细节应符合HES A 2122)。
4.1去除加工面1)一般表示 例2)指定表面粗糙度的情况 例4.2非去除加工面1)一般表示,一定要同时标注表面粗糙度符号。
例2)表面粗糙度在100S以下时,表面粗糙度符号 例可省略。
4.3去除加工面或非去除加工面均可时:1)表面粗糙度小于或等于6.3S 例2)表面粗糙度小于或等于25S 例3)表面粗糙度小于或等于100S 例4)特别指定表面粗糙度 例4.4特殊去除加工面1)一般表示 2) 特殊指定表面粗糙度情况4.5去除超过极限尺寸的部分 4.6规定非标准取样长度的表示方法如下 不取与指定粗糙度相符合的标准取样 长度时,在指定面能保证长度的范围 内,应清楚地标注取样长度。
各种机械加工方法所能达到的零件表面粗糙度加工方法 表面粗糙度Ra[μm]加工方法表面粗糙度Ra[μm]圆片锯割断 80~20 零件的端面或槽的内侧面:车削外圆: 一次行程 20粗车 20~10 二次行程 10~5半精车: 镗孔:金属 10~5 粗镗 20~10非金属 5~2.5 半精镗:精车: 金属 10~5金属 10~2.5 非金属 10~2.5非金属 5~1.25 精镗:细车(或金刚石车): 金属 5~1.25金属 1.25~0.32 非金属 10~2.5非金属 0.63~0.16 细镗(或金刚石镗):车削端面: 金属 1.25~0.32 粗车 20~10 非金属 1.25~0.63 半精车: 钻和扩钻 20~2.5金属 10~5 扩孔:非金属 10~2.5 粗(有表皮) 20~10精车: 精 10~2.5金属 10~2.5 锪倒角(孔的) 5~2.5非金属 10~2.5 铰孔:细车: 半精铰(一次铰孔):金属 1.25~0.63 钢 10~5非金属 1.25~0.32 黄铜 10~2.5割槽和切断: 精铰(第二次铰):铸铁 5~1.25 细 0.32~0.16 钢、轻合金 2.5~1.25 推削:黄铜、青铜 1.25~0.63 精 1.25~0.32 细铰: 细 0.63~0.04 钢 1.25~0.32 螺纹加工:轻合金 1.25~0.63 切削:黄铜、青铜 0.32~0.16 板牙、丝锥、自开式板牙头 5~1.25圆柱铣刀铣削: 车刀或梳刀车、铣 10~1.25 粗 20~5 磨 1.25~0.32 精 5~1.25 研磨 1.25~0.08 细 1.25~0.63 滚轧:套式面铣刀铣削: 搓丝模 2.5~1.25 粗 20~5 滚丝模:精 5~0.63 在机床上用手动进给 2.5~0.63 细 1.25~0.32 在机床上用机械进给 0.63高速铣削: 在机床上用液压进给 0.63~0.32 粗 2.5~1.25 齿轮及花键加工:精 0.63~0.32 切削:刨削: 粗滚 5~2.5 粗 20~10 精滚 2.5~1.25 精 10~2.5 精插 2.5~1.25 细(光整加工) 1.25~0.32 精刨 5~1.25 槽的表面 10~5 拉 5~2.5 插削 20~5 剃齿 1.25~0.32 拉削: 磨 1.25~0.16 精 2.5~0.63 研 0.63~0.32 滚轧: 研磨:磨齿的轧辊 1.25~0.63 粗 0.63~0.32 冷轧 0.32~0.16 精 0.32~0.08 外圆磨、内圆磨: 细(光整加工) 0.08~0.01 半精(一次加工) 10~1.25 精整研磨:精 1.25~0.32 手工 1.25~0.01 细 0.32~0.16 机械 0.32~0.16 用精密修整的磨轮磨削 0.08~0.04 砂轮清理 80~10 平面磨: 砂布抛光(无润滑油):精 5~0.32 原始粗糙度 砂布粒度细 0.32~0.08 ≤Ra10 24 2.5~1.25 珩磨: ≤Ra5 36 1.25粗(一次加工) 1.25~0.32 Ra5~Ra2.5 60 0.63精(细) 0.32~0.04 Ra5~Ra2.5 80 0.63~0.32 超级加工: ≤Ra2.5 100 0.32精 1.25~0.16 Ra2.5~Ra1.25 140 0.32~0.16 细 0.16~0.08 ≤Ra1.25 180~250 0.16镜面的(两次加工) 0.04~0.02 钳工锉制: 20~1.25 研磨膏研磨: 刮削 25×25mm2内点数:精 1.25~0.32 8~10 1.25细 0.32~0.01 >10~13 0.63抛光: >13~16 0.32精 1.25~0.16 >16~20 0.16细(镜面的) 0.16~0.04 >20~25 0.08砂带抛光 0.32~0.16电抛光 2.5~0.02备注1)箭头的线宽为0.3~0.8mm。
表面粗糙度符号、代号1.图样上所标注的表面粗糙度符号、代号是该表面完工后的要求。
或不去除材料的方法)但对表面粗糙度的其他规定没有要求时,允许只注表面粗糙度 符号。
4. 表面粗糙度参数和各项规定注写的位置。
b ——加工方法、镀涂或其他表面处理;c ----- 取样长度(mm );d ——加工纹理方向符号;e ----- 加工余量(mm );f ——粗糙度间距参数值(mm )或轮廓支撑长度率al 、a2 al a2 c(f)粗糙度高度参数的允许值(H m );5. 图样上表示零件表面粗糙度的符号6. 当允许在表面粗糙度参数的所有实测值中超过规定值的个数少丁总数的16%时,应在图样上标注表面粗糙度参数的上限值或下限值。
7. 当要求在表面粗糙度参数的所有实测值中不得超过规定值时,应在图样上标注表面粗糙度参数的最大值或最小值。
8. 表面粗糙度高度参数轮廓算术平■均偏差 R a 值的标注见下表,Ra在代号中用数值表小 (单位为微米K m ),参数值前可不标注参数代号。
9. 表面粗糙度高度参数轮廓微观不平■度十点高度 R z 、轮廓最大高度R y 值(单位为微米卜 m )的标注见下表,前需标注出相应的参数代号。
10. 取样长度应标注在符号长边的横线下面,见图 1若按GB 1061卜1989第6.1条中表1、表2的有关规定选用对应的取样长度时,在图样上可省略标注11. 若需要标注表面粗糙度间距参数轮廓的单峰平■均间距S值、轮廓微观不平■度的平均问距S m值或轮廓支承长度率tp时,应注在符号长边的横线下面,数值写在相应代号的后面。
图2a 是轮廓微观不平度的平均间距S m上限值的标注示例。
图2b是轮廓支承长度率t p的标注示例,表示水平■截距C在轮廓最大高度R y的50%位置上,支承长度率为70%,给出的t p为下限值。
图2c 为S m最大值的标注示例。
图2d为t p最小值的标注示例。
图212. 如该表面的粗糙度要求由指定的加工方法获得时,可用文字标注在符号长边的横线上面,见图3。
表面粗糙度的符号、代号
在图件上对零件表问质量的要求,用表面粗糙度符号、代号表示。
国家标准(GB131-93)规定了表面粗糙度的符号、代号及其注法。
同时指出,图样上所标注的粗糙度符号、代号是指该表面加工后的要求。
(l)表面粗糙度的符号。
图样上表示表面粗糙度的符号,如表3所示。
表面粗糙度参数值的注写
表面粗糙度高度参数轮廓算术平均偏差r值的标注见表4 r在代号中用数值表示(单位为微米),参数值前可不标注参数代号。
表面粗糙度高度参数轮廓微观不平度十点高度r、轮廓最大高度r值(单位均为um)的标注见表5
如果允许在表面粗糙度参数的所有实测值中超过规定值的个数少于总数的16%时,应在图样上标注表面粗糙度参数的上限值或下限值。
当要求在表面粗糙度参数的所有实测值中不得超过规定值时,应在图样上标注表面粗糙度的最大值或最小值。
(3)表面粗糙度其它各项规定
根据零件表面的功能需要和表面粗糙度高度参数值的测量要求等,还可以对表面粗糙度的标注作出其它一些规定,包括取样长度、指定加工方法、表面粗糙度间距参数轮廓的单峰平均间距、轮廓微观不平度的平均间距、轮廓支承长度率、加工纹理方向的控制和加工余量等,标注代号及其意义示例,见表6
表面粗糙度数值及其有关规定在符号中的注写位置的比例,如图2所示。
.表面粗糙度代号GB/T131-93规定,表面粗糙度代号是由规定的符号和有关参数组成,表面粗糙度符号的画法和意义如下表所示表13-3 表面粗糙度的符号和画法序号 符号 意义 1基本符号,表示表面可用任何方法获得。
当不加注粗糙度参数值或有关说明时,仅适用于简化代号标注。
2表示表面是用去除材料的方法获得,如车、铣、钻、磨等。
3表示表面是用不去除材料的方法获得,如铸、锻、冲压、冷轧等。
4在上述三个符号的长边上可加一横线,用于标注有关参数或说明。
5在上述三个符号的长边上可加一小圆,表示所有表面具有相同的表面粗糙度要求。
6 当参数值的数字或大写字母的高度为2.5mm 时,粗糙度符号的高度取8mm,三角形高度取3.5mm,三角形是等边三角形。
当参数值不是2.5时,粗糙度符号和三角形符号的高度也将发生变化。
4.常用表面粗糙度Ra 的数值与加工方法表面特征表面粗糙度(Ra)数值 加工方法举例 明显可见刀痕粗车、粗刨、粗铣、钻孔 微见刀痕精车、精刨、精铣、粗铰、粗磨 看不见加工痕迹,微辩加工方向精车、精磨、精铰、研磨 暗光泽面研磨、珩磨、超精磨 5.表面粗糙度的选择表面粗糙度的选择,既要考虑零件表面的功能要求,又要考虑经济性,还要考虑现有的加工设备。
一般应遵从以下原则:(1) 同一零件上工作表面比非工作表面的参数值要小;(2) 摩擦表面要比非摩擦表面的参数小。
有相对运动的工作表面,运动速度越高,其参数值越小;(3) 配合精度越高,参数值越小。
间隙配合比过盈配合的参数值小;(4) 配合性质相同时,零件尺寸越小,参数值越小;(5) 要求密封、耐腐蚀或具有装饰性的表面,参数值要小。
一.表面粗糙度的符号注意:极限值表示参数的实测值中允许少于总数的16%的实测值超过规定值,高度参数常用Ra,在图中标注时常省略。
无max min则表示是上极限或下极限,如果有则表示最大值和最小值,单位为微米基本符号,表示可使用任何方法获得基本符号加一短划,表示表面用去除材料的方法获得表示用不去除材料方法获得(铸锻冲压等)表示所有表面具有相同的表面粗糙度要求二.表面粗糙度的代号1.d' =h/10;H=1.4h;h为字体高度a1、a2--粗糙度高度参数的允许值(mm);b 加工方法、镀涂或其他表面处理;c 取样长度(mm);d 加工纹理方向符号;e 加工余量(mm);f 粗糙度间距参数值(mm)或轮廊支承长度率。
2.零件的加工表面的粗糙度要求由指定的加工方法获得,用文字标注在符号上边的横线,加工方法也可在图样的技术要求中说明3.加工纹理方向:=纹理平行于标注符号的视图的投影面⊥纹理垂直于标注符号的视图的投影面x纹理呈两相交的方向M纹理呈多方向c纹理呈近似同心圆R纹理呈近似的放射状p纹理无方向或凸起的细粒状4.加工余量:注在符号的左侧,标注时数值要加上括号,单位为毫米5.参数S Sm Tp l的标注,应标注在符号长边的横线下面,并且必须在参数值前注写参数的符号三。
表面粗糙度符号、代号在图样上的标注一般标注在可见轮廓线、尺寸界线、引出线或它们的延长线上,符号的尖端必须从材料外指向表面,代号中数字及符号的注写方向必须与尺寸数字方向一致标准规定在同一图样上,每一表面一般只标注一次。
当零件的大部分表面具有相同的表面粗糙度要求时,对其中使用最多的一种代号可以统一注在图样的右上角,并加注“其余”两字当零件所有表面具有相同的表面粗糙度要求时,其代号可在图样的右上角统一标注欢迎您的下载,资料仅供参考!致力为企业和个人提供合同协议,策划案计划书,学习资料等等打造全网一站式需求。
表面粗糙度符号及意义
a1、a2--粗糙度高度参数
的允许值(mm);
b 加工方法、镀涂或其
他表面处理;
c 取样长度(mm);
d 加工纹理方向符号;
e 加工余量(mm);
f 粗糙度间距参数值(mm)
或轮廊支承长度率。
基本符号上加一短划,表示表面粗糙度是用去
除材料方法获得。
例如:车、铣、钻、磨、
基本符号加一小圆,表示表面粗糙度用不去除
材料的方法获得。
例如铸、锻、冲压变形、
冷轧、粉末冶金等,或者是用于保持原供应
以上三个符号的长边可加一横线,用于标注参
数;在长边与横线间可加一小圆,表示所有
用任何方法获得的表面,
用不去除材料方法获得的表面,
用去除材料方法获得的表面,
大允许值为
的最大允许值为最小的允
用去除材料方法获得的表面,。
一.表面粗糙度的符号注意:极限值表示参数的实测值中允许少于总数的16%的实测值超过规定值,高度参数常用Ra,在图中标注时常省略。
无max min则表示是上极限或下极限,如果有则表示最大值和最小值,单位为微米基本符号,表示可使用任何方法获得基本符号加一短划,表示表面用去除材料的方法获得表示用不去除材料方法获得(铸锻冲压等)表示所有表面具有相同的表面粗糙度要求二.表面粗糙度的代号1.d' =h/10;H=1.4h;h为字体高度a1、a2--粗糙度高度参数的允许值(mm);b加工方法、镀涂或其他表面处理;c取样长度(mm);d加工纹理方向符号;e加工余量(mm);f粗糙度间距参数值(mm)或轮廊支承长度率。
2.零件的加工表面的粗糙度要求由指定的加工方法获得,用文字标注在符号上边的横线,加工方法也可在图样的技术要求中说明3.加工纹理方向:= 纹理平行于标注符号的视图的投影面⊥纹理垂直于标注符号的视图的投影面x 纹理呈两相交的方向M 纹理呈多方向c 纹理呈近似同心圆R 纹理呈近似的放射状p 纹理无方向或凸起的细粒状4.加工余量:注在符号的左侧,标注时数值要加上括号,单位为毫米5.参数S Sm Tp l的标注,应标注在符号长边的横线下面,并且必须在参数值前注写参数的符号三。
表面粗糙度符号、代号在图样上的标注一般标注在可见轮廓线、尺寸界线、引出线或它们的延长线上,符号的尖端必须从材料外指向表面,代号中数字及符号的注写方向必须与尺寸数字方向一致标准规定在同一图样上,每一表面一般只标注一次。
当零件的大部分表面具有相同的表面粗糙度要求时,对其中使用最多的一种代号可以统一注在图样的右上角,并加注“其余”两字当零件所有表面具有相同的表面粗糙度要求时,其代号可在图样的右上角统一标注序号标注规定及说明图例1当零件的大部分表面具有相同的表由粗糙度要求时,对其中使用最多的一种代(符)号可统一注在图样的右上角,并加注‘其余”两字,且应是图样上其它代(符)号高度的1.4倍2代号中数字注写方向应与尺寸数字方向一致;倾斜表面的代号及数字标控方向应符合图右规定3带有横线的表面粗糙度应按右图方式标注4当地位狭小不使标注时.可引出标注;细线相连的不连续同一表面.只要标注5零件所在表面具有相同的表面粗糙度要求,在右上角统一标注代号6简化注法;为了简化标注方法,或标注位置受到限制时.可以标注简化代号,但必须在标题栏附近说明这些简化代号的意义7省略注法当仅有同一种表而粗糙度的去除材料加工的在面.以及不会除材料的表面时,可采用省略注法,但必须在标题附近说明这些省略代号的意义8零件上重复素(孔,槽,齿等)的表面只标注其中一个。
1、表面粗糙度符号及意义符号意义表面粗糙度参数和各项规定注写的位置基本符号,单独使用这符号是没有意义的α1、α2——粗糙度高度参数的允许值(μm ); b ——加工方法、镀涂或其他表面处理; c ——取样长度(mm );d ——加工纹理方向符号;e ——加工余量(mm );f ——粗糙度间距参数值(mm )或轮廊支承长度率基本符号上加一短划,表示表面粗糙度是用去除材料方法获得。
例如:车、铣、钻、磨、剪切、抛光、腐蚀、电火花加工等基本符号加一小圆,表示表面粗糙度是用不去除材料的方法获得。
例如:铸、锻、冲压变形、热轧、冷轧、粉末冶金等或者是用于保持原供应状况的表面(包括保持上道工序的状况)以上三个符号的长边可加一横线,用于标注参数;在长边与横线间可加一小圆,表示所有表面具有相同的表面粗糙度要求。
2、表面粗糙度高度参数的标注R a 值R z ,R y 值代号意义代号意义用任何方法获得的表面,R a 的最大允许值为3.2μm用任何方法获得的表面,R Y 的最大允许值为3.2μm用去除材料获得的表面,R a 的最大允许值为3.2μm用不去除材料方法获得的表面,R z 的最大允许值为200μm用不去除材料获得的表面,R a 的最大允许值为3.2μm用去除材料方法获得的表面,R z 的最大允许值(R zmax )为3.2μm ,最小允许值(R zmin )为1.6μm 用去除材料方法获得的表面,R a 的最大允许值(R amax )为3.2μm ,最小的允许值(R amin )为1.6μm用去除材料方法获得的表面,R a 的最大允许值为3.2μm ,R Y 的最大允许值为12.5μm3、表面粗糙度符号的画法d′=h/10;H=1.4h;h——为字体高度。
表面粗糙度符号表面粗糙度符号、代号1. 图样上所标注的表面粗糙度符号、代号是该表面完工后的要求。
2. 表面粗糙度的画法。
3. 有关表面粗糙度的各项规定应按功能要求给定。
若仅需要加工(采用去除材料的方法或不去除材料的方法)但对表面粗糙度的其他规定没有要求时,允许只注表面粗糙度符号。
4. 表面粗糙度参数和各项规定注写的位置。
a1、a2 —— 粗糙度高度参数的允许值(μm );b —— 加工方法、镀涂或其他表面处理;c —— 取样长度(mm );d —— 加工纹理方向符号;e —— 加工余量(mm );f —— 粗糙度间距参数值(mm )或轮廓支撑长度率a1a2e dbc(f)用不去除材料方法获得的表面粗糙度,m用不去除材料方法获得的表面粗糙度,粗糙度,,R糙度,R5.表面粗糙度高度参数轮廓微观不平度十点高度R z、轮廓最大高度R y值(单位为微米μm)的标注见下表,前需标注出相应的参数代号。
用任何方法获得的表面粗糙度,粗糙度,μ用不去除材料方法获得的表面粗糙度,200μ的表面粗糙度,为用去除材料方法获得的表面粗糙度,m表面粗糙度,3.2用去除材料方法获得的表面粗糙度,m表面粗糙度,为12.56.取样长度应标注在符号长边的横线下面,见图1。
图1若按GB 10610—1989第6.1条中表1、表2的有关规定选用对应的取样长度时,在图样上可省略标注。
7.若需要标注表面粗糙度间距参数轮廓的单峰平均间距S值、轮廓微观不平度的平均间距S m值或轮廓支承长度率tp时,应注在符号长边的横线下面,数值写在相应代号的后面。
图2a是轮廓微观不平度的平均间距S m上限值的标注示例。
图2b是轮廓支承长度率t p的标注示例,表示水平截距C在轮廓最大高度R y的50%位置上,支承长度率为70%,给出的t p为下限值。
图2c为S m最大值的标注示例。
图2d为t p最小值的标注示例。
图28.如该表面的粗糙度要求由指定的加工方法获得时,可用文字标注在符号长边的横线上面,见图3。
表面粗糙度符号及标注方法表面粗糙度是机械加工中一个重要的参数,它影响着机械零件的摩擦、磨损、密封以及疲劳寿命等性能。
在机械设计和制造领域,准确标注表面粗糙度至关重要。
本文将详细介绍表面粗糙度的符号及标注方法。
一、表面粗糙度符号表面粗糙度的符号通常由两个部分组成:图形符号和粗糙度值。
图形符号是一个矩形框,框内有一条波浪线,表示表面粗糙度。
粗糙度值通常位于图形符号的下方或右侧,表示表面粗糙度的具体数值。
表面粗糙度符号示例:```Ra 3.2| || ||___|```其中,Ra表示采用算术平均偏差(Arithmetic Mean Deviation)的表面粗糙度评定方法,3.2表示表面粗糙度的数值,单位为微米(μm)。
二、表面粗糙度标注方法1.直接标注法直接标注法是将表面粗糙度符号直接标注在零件图上的相应表面上。
标注时,符号的放置位置应尽量靠近被标注的表面,便于阅读。
2.引线标注法当零件图上的空间有限或需要详细说明表面粗糙度时,可以采用引线标注法。
引线标注法将表面粗糙度符号放置在图样的一角,并通过一条引线与被标注表面相连。
3.集中标注法对于多个相同表面粗糙度的表面,可以采用集中标注法。
将表面粗糙度符号集中标注在图样的一角,并在符号下方注明所有被标注表面的编号。
4.标注顺序在标注表面粗糙度时,应遵循以下顺序:(1)先标注加工难度较大的表面;(2)然后标注加工难度较小的表面;(3)最后标注未注明的表面。
三、注意事项1.表面粗糙度符号和数值应清晰、规范,避免出现模糊、错误或遗漏的情况;2.标注表面粗糙度时,应根据零件的实际使用要求、加工工艺和材料性能等因素进行合理选择;3.在零件图上,应尽量避免重复标注相同的表面粗糙度。
通过以上介绍,相信大家对表面粗糙度符号及标注方法有了更深入的了解。
soildwoks表面粗糙度符号
在SolidWorks中,要表示表面粗糙度,可以使用一些标准的符号。
以下是一些常用的符号和它们的表示方式:
1. Ra:平均粗糙度指数,以微米(μm)为单位。
使用一个平等号“=”和一个数值来表示,例如Ra=0.8μm。
2. Rz:压缩峰高度指数,以微米(μm)为单位。
使用一个平等号“=”和一个数值来表示,例如Rz=4.5μm。
3. Rmax:最大峰高度指数,以微米(μm)为单位。
使用一个平等号“=”和一个数值来表示,例如Rmax=6.2μm。
4. Ry:峰高度指数,以微米(μm)为单位。
使用一个平等号“=”和一个数值来表示,例如Ry=2.3μm。
5. Rt:杂散峰高度指数,以微米(μm)为单位。
使用一个平等号“=”和一个数值来表示,例如Rt=3.6μm。
这些符号可以在SolidWorks的注释或备注中使用,以表示零件或装配体的表面粗糙度要求。
粗糙度指示符号
粗糙度指示符号是一种通常用于描绘和评估表面质量的符号标记系统。
它通常在技术图纸和工程图纸上使用,用于指示工件的表面粗糙度要求。
粗糙度指示符号由一系列垂直的短横线组成,它们的长度、密度和间隔有特定的含义。
常见的粗糙度指示符号有以下几种:
- Rz表示平均峰-谷度,是从轮廓线与中间线之间的垂直差异
的平均值。
- Ra表示平均粗糙度,是表面微高度和微低度之间的平均值。
- Rt表示峰谷高度,是测量从最高峰到最低谷的距离。
- Rp表示最大峰高度,是从最高峰到基准线之间的距离。
这些指示符号通常与数值一起使用,以表示具体的尺寸或要求。
例如,一个粗糙度指示符号可能是Rz 6.3,表示要求的平均峰-谷度为6.3微米。
使用粗糙度指示符号可以帮助制造商和工程师准确地了解和传达表面质量要求,确保生产出符合要求的工件。
同时,也方便了检测和测量工件的表面粗糙度。
1、概况粗糙度符号及意义之南宫帮珍创作符 号 意 义概况粗糙度参数和各项规定注写的位置基本符号,单独使用这符号是没有意义的。
α1、α2--粗糙度高度参数的允许值(μm);b 加工方法、镀涂或其他概况处理;c 取样长度(mm);d 加工纹理方向符号;e 加工余量(mm);f 粗糙度间距参数值(mm)或轮廊支承长度率。
基本符号上加一短划,暗示概况粗糙度是用去 除资料方法获得。
例如:车、铣、钻、磨、剪切、 抛光、腐蚀、电火花加工等。
基本符号加一小圆,暗示概况粗糙度用不去除 资料的方法获得。
例如铸、锻、冲压变形、热轧、 冷轧、粉末冶金等,或者是用于坚持原供应状况的概况(包含坚持上道工序的状况)。
以上三个符号的长边可加一横线,用于标注参 数;在长边与横线间可加一小圆,暗示所有概况具 有相同的概况粗糙度要求。
2、概况粗糙度高度参数的标注R a 值R z 、R y 值代号意 义 代号意 义 用任何方法获得的概况,R a μm 。
用任何方法获得的概况,R y μm 。
用去除资料获得的概况,R a μm 。
用不去除资料方法获得的概况,R z 的最大允许值为200μm 。
用不去除资料获得的概况,R a μm 。
用去除资料方法获得的概况,R z μμm 。
用去除资料方法获得的概况,R a μμm 。
用去除资料方法获得的概况,R y μm ,R y μm 。
3、概况粗糙度符号的画法d' =hh;h为字体高度。