监控量测技术交底
- 格式:ppt
- 大小:545.50 KB
- 文档页数:32
一、交底对象本次技术交底针对隧道监控安全测量工作的全体工作人员,包括测量员、技术人员、现场施工人员等。
二、交底时间[具体时间]三、交底内容1. 隧道监控安全测量目的为确保隧道施工过程中的安全,及时发现和处理安全隐患,保障施工人员生命财产安全,提高施工质量,特进行隧道监控安全测量。
2. 隧道监控安全测量范围(1)隧道围岩稳定性监测(2)隧道支护结构变形监测(3)隧道渗漏水监测(4)隧道通风、照明、排水系统监测(5)隧道施工环境监测3. 隧道监控安全测量方法(1)围岩稳定性监测:采用地质雷达、地震波反射法等手段进行。
(2)支护结构变形监测:采用全站仪、水准仪、测斜仪等手段进行。
(3)渗漏水监测:采用水位计、渗漏水监测仪等手段进行。
(4)通风、照明、排水系统监测:采用风压计、照度计、流量计等手段进行。
(5)施工环境监测:采用噪声计、粉尘计、温度计等手段进行。
4. 隧道监控安全测量注意事项(1)严格遵守国家相关法律法规和行业标准。
(2)认真执行测量方案,确保测量数据的准确性。
(3)加强现场安全防护,防止意外事故发生。
(4)定期对测量仪器进行校准、维护,确保仪器精度。
(5)做好测量数据的记录、整理和分析工作。
5. 隧道监控安全测量报告编制(1)报告内容应包括:测量时间、地点、仪器设备、测量方法、测量结果、分析评价等。
(2)报告格式应符合相关规定,确保报告的规范性和可读性。
6. 隧道监控安全测量工作要求(1)各岗位人员应明确自己的职责,严格遵守操作规程。
(2)加强沟通与协作,确保隧道监控安全测量工作的顺利进行。
(3)定期对隧道监控安全测量工作进行总结和改进,不断提高工作质量。
四、交底结束本次隧道监控安全测量技术交底至此结束,请全体人员认真领会并执行。
五、备注1. 请各岗位人员认真阅读并签字确认。
2. 如有疑问,请及时向项目负责人或技术负责人咨询。
[签名][职务][日期]。
监控量测安全技术交底监控量测安全技术是指对于监控系统所需要的各种监控量测信息进行处理、管理、传输和存储的技术。
保障监控系统的数据安全往往是对于数据使用者的一种安心要求。
而在实际中,监控量测安全技术也存在着重要的作用和难点问题。
监控量测信息的定义监控量测信息包含了多方面的内容。
其中主要包括了监测对象的形态、状态、特征以及对应的环境等多种信息。
通过对这些信息的分析和处理,我们可以了解到监测对象的具体状态,并得出对应的评价和预测结果。
更进一步的,监控量测技术可以在实现和发布过程中帮助我们查找防范和隐患问题的根源,并找到相应的治理措施。
监控量测技术的作用监控量测技术主要的作用是对于监测对象的形态和状态信息进行处理和分析。
通过对这些信息的处理,我们不仅可以了解到监测对象的具体状态,还能够得出相应的分析和评价结果。
从而,我们可以对于其进行了解并做较为精准的预测和判断。
具体来说,监控量测技术主要可以在以下几个方面发挥作用:对于关键场所的安全监控关键场所的安全监控是目前较为重视的方面。
这主要是指对于一些公共场所、重点区域以及关键路段进行监控和警告。
通过对于这些场所的监控量测信息进行处理分析,我们可以及时发现和处理各种安全隐患问题。
对于环境监测的处理环境监测是一个多方面的领域,其中涵盖了各种气象、污染、地质和水文等信息。
通过对于环境监控量测信息的分析和处理,我们可以了解到环境的实际状况,并得出针对性的防范和保护措施,以促进外部环境的持续健康发展。
对于工程量测的处理工程量测是指对于各种工程建设过程中所需要的相关量测信息进行处理和分析。
通过对于这些信息的分析和处理,我们可以了解到工程项目的实际情况,并得出针对性的治理措施。
对于信息汇聚的维护监控量测技术还可以对于各方面的信息汇聚进行维护。
通过对于信息的维护和更新,我们可以及时了解到最新的信息变化并作出相应的调整。
监控量测技术存在的难点问题尽管监控量测技术可以在多方面发挥作用,但在实践中往往也存在着各种难点问题。
一、交底目的为确保监控量测工作的顺利进行,保障施工人员生命财产安全,特制定本安全措施交底。
二、交底内容1. 人员安全(1)参与监控量测的人员必须经过专业培训,具备相应的操作技能和安全意识。
(2)施工人员必须佩戴安全帽、安全带等个人防护用品。
(3)高空作业人员必须使用安全绳,并系好安全带。
(4)禁止酒后作业,作业人员应保持精力充沛。
2. 设备安全(1)监控量测设备必须符合国家相关标准和规定,定期进行检测和维护。
(2)设备操作人员应熟悉设备性能和操作规程,确保设备正常运行。
(3)使用设备前,应检查设备电源、电缆等是否完好,防止触电事故。
3. 施工环境安全(1)施工区域应设置明显的警示标志,禁止无关人员进入。
(2)施工现场应保持整洁,及时清理废弃物品,防止滑倒事故。
(3)施工过程中,应密切关注天气变化,遇有大风、暴雨等恶劣天气,应暂停施工。
4. 监测数据安全(1)监测数据应及时记录、整理和分析,确保数据的准确性。
(2)监测数据应定期备份,防止数据丢失。
(3)监测数据应保密,不得泄露给无关人员。
5. 应急处置(1)发生安全事故时,应立即停止施工,启动应急预案。
(2)迅速组织人员救援,并及时报告相关部门。
(3)对事故原因进行调查,采取有效措施防止类似事故再次发生。
三、交底要求1. 施工单位应将本安全措施交底给所有参与监控量测的人员。
2. 施工人员应认真学习并严格遵守本安全措施。
3. 施工单位应定期对安全措施执行情况进行检查,确保安全措施落实到位。
四、附件1. 监控量测设备清单2. 监控量测操作规程3. 监控量测应急预案五、交底日期年月日六、接受交底人员签名(此处请填写接受交底人员姓名及职务)。
监控技术交底在当今社会,监控系统在保障安全、管理秩序、预防犯罪等方面发挥着至关重要的作用。
无论是在公共场所、企业单位还是住宅小区,监控技术的应用越来越广泛。
为了确保监控系统的有效运行和发挥最大作用,进行监控技术交底是必不可少的环节。
一、监控系统的组成及工作原理监控系统通常由前端设备、传输设备、后端设备和显示设备四大部分组成。
前端设备包括摄像机、镜头、防护罩、支架等,其主要作用是采集图像和声音信息。
摄像机是核心部件,根据不同的应用场景和需求,有枪型摄像机、半球摄像机、球型摄像机等多种类型。
镜头的选择则取决于拍摄范围和清晰度的要求。
传输设备负责将前端设备采集到的信号传输到后端设备。
常见的传输方式有有线传输(如网线、同轴电缆)和无线传输(如 WiFi、4G 等)。
有线传输稳定可靠,但布线较为复杂;无线传输则安装方便,但可能受到信号干扰。
后端设备包括录像机、服务器、存储设备等,用于对传输过来的信号进行处理、存储和管理。
录像机可以实现对图像的实时录制和回放,服务器则承担着系统的控制和管理任务,存储设备用于保存大量的监控数据。
显示设备通常为监视器或显示屏,用于实时显示监控画面,以便工作人员进行观察和监控。
监控系统的工作原理是前端设备采集到图像和声音信息后,通过传输设备将信号传输到后端设备进行处理和存储,最后在显示设备上显示出来。
同时,用户可以通过操作后端设备,对前端设备进行控制,如调整摄像机的角度、焦距等。
二、监控系统的安装要点1、摄像机的安装位置摄像机的安装位置应根据监控区域的特点和需求进行选择。
一般来说,应安装在能够覆盖重要区域、视野开阔、不易被遮挡的位置。
例如,在出入口应安装能够清晰拍摄人脸和车辆牌照的摄像机;在通道和走廊应安装能够全面监控人员活动的摄像机。
2、布线规划布线是监控系统安装中的重要环节。
应根据现场环境和传输方式,合理规划线缆的走向和布局。
线缆应尽量避免与强电线路并行或交叉,以减少干扰。
同时,要预留一定的余量,以便后期维护和扩展。
主送单位隧道各工区日期2010.9.1
工程名称监控量测点布置根据图号
5、当拱顶下沉、水平收敛速率达5mm/d或位移累计达1OOmm时,应暂停掘进,并及时分析原因,采取处理措施。
6、当采用接触量测时,测点挂钩应做成闭合三角形,保证牢固不变形。
三、监控量测点的布置
⑴周边水平位移、净空量测:开挖后12小时内,风枪钻眼,用1:1水泥砂浆填满后再插入测点固定杆,尽量使两边的测点固定杆在量测方向的同一轴线上。
台阶法布设两条净空水平收敛量测线,全断面至少布置一条,具体视围岩情况和实际需要情况而定。
接触量测点具体制作如下:前端(喷锚后外露部分)采用Φ6.5或Φ8圆钢做成边长为5cm的等边闭合三角形,测点固定杆钢筋采用Φ18~Φ22螺纹钢,固定杆长度在40~50cm。
具体如下图:
⑵拱顶下沉量测:拱顶下沉量测测点、水平净空量测点和地表下沉量测断面在同一里程处。
编制者复核者
接收单位隧道各工区接收人
工程技术交底书。
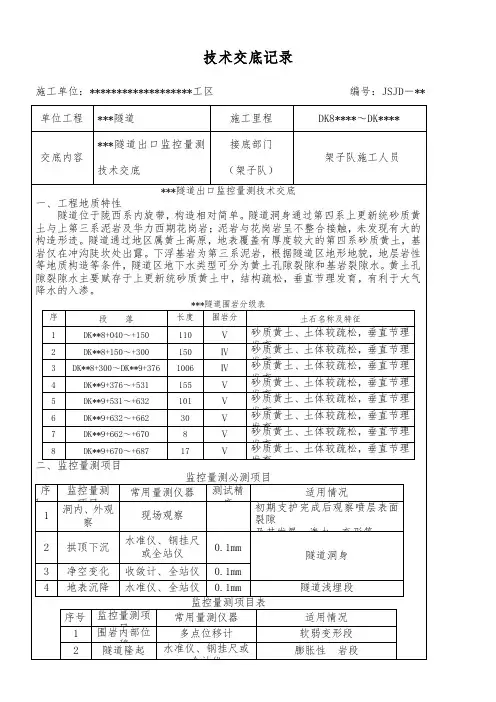
技术交底书一、技术交底范围本技术交底为三级技术交底,XXXX+XXX-XXXX+XXX段XXXXX出口V级用岩监控量测。
二、设计情况XXXX隧道出口洞身xxxx+xxx-XXXX+XX段为V级圉岩、开挖方法为台阶法加临时仰拱, 监控量测点埋设参数看下表:三、开始施工的条件及施工准备工作3.1、内业准备图纸审核已完成、施工组织设计审批已完成、施工方案审批已完成,相关技术人员、现场人员已经熟悉技术交底内容,并掌握技术要求、把控重点。
3. 2外业准备控制点满足要求、测量设备校验完成,满足测量要求。
监控量测点位埋设齐全,满足施工条件。
四、施工进度(指标)要求监控量测工作应随施工工序及时进行,测点在开挖后及时埋设,支护后2h内读取初始数据五-施工工艺5.1.工艺流程5. 2监控量测点位布置和量测断面(1)地表监测点宜与拱顶下沉、净空收敛监测点设在同一断面上。
为掌握地表沉降范围,在与隧道中线垂直的横断面上布置测点,间距2〜5m,在一个断面上布置7〜11个点,靠近中线位置测点适当加密,量测范圉为中线两侧不小于HO+B,地表有控制性建(构)筑物时,测量范圉应适当加宽。
明挖段量测范圉为基坑开挖边线两侧不小于3倍开挖深度。
地表有控制性建筑物时,测量范圉应适当加宽。
其测点布置如下图所示。
地表下沉量测测点纵向间距按下表执行:注:HO为隧道埋深;H为隧道开挖高度;B为隧道开挖宽度。
洞内观测开挖后及初支后及时采用肉眼观察和地质罗盘仪对开挖面揭示的地质情况进行描述,包括围岩岩性、岩质、断层破碎带、节理裂隙发育程度和方向、有无松散坍塌、剥落掉块现象、有无渗漏水等;初期支护状态包括喷层是否产生裂隙、剥离和剪切破坏、钢支撑是否压屈进行观察分析。
详细描述、记录、并予以评佔,作为支护参数选择的参考及量测等级选择的依据。
净空收敛量测点距开挖面应小于1〜2m,在每次开挖后尽早埋设,初始读数应在支护后2h内读取,并应根据现场情况及时调整监控量测项LI和内容;而且在下一循环前必须完成初期支护变形的读数。
一、交底目的为确保隧道施工过程中的监控量测工作顺利进行,预防安全事故的发生,提高施工质量和效率,特进行本次安全技术交底。
二、交底内容1. 监控量测工作概述(1)监控量测工作是指对隧道围岩、支护结构、地下水位、地面沉降等参数进行实时监测和评估,以便及时发现问题、采取措施,确保隧道施工安全。
(2)监控量测工作分为现场监控和远程监控两部分。
2. 监控量测项目及方法(1)监控量测项目:包括围岩变形、支护结构变形、地下水位、地面沉降等。
(2)监控量测方法:1)围岩变形:采用收敛计、多点位移计、地质雷达等设备进行监测。
2)支护结构变形:采用钢卷尺、位移计、全站仪等设备进行监测。
3)地下水位:采用水位计、地下水监测井等设备进行监测。
4)地面沉降:采用全站仪、GPS等设备进行监测。
3. 监控量测工作要求(1)严格按照设计要求和技术规范进行监控量测工作。
(2)确保监控量测设备性能良好,数据准确可靠。
(3)监控量测人员应具备相关专业知识,熟悉设备操作。
(4)监控量测数据应及时整理、分析、上报。
4. 安全注意事项(1)监控量测现场应设置安全警示标志,确保施工人员安全。
(2)监控量测设备操作人员应佩戴安全帽、防护眼镜等防护用品。
(3)高空作业时,必须系好安全带,确保安全。
(4)地下水位监测井等设备操作人员应避免接触有害气体,确保人身安全。
(5)监控量测设备应定期进行维护、保养,确保设备正常运行。
三、交底责任1. 施工单位负责组织监控量测工作,确保监控量测质量。
2. 监控量测人员负责现场监控量测数据的采集、整理、分析、上报。
3. 施工单位应定期对监控量测工作进行监督检查,确保监控量测工作顺利进行。
四、交底时间及地点1. 时间:[具体时间]2. 地点:[具体地点]五、其他事项1. 施工单位应将本次安全技术交底内容纳入施工记录,作为施工过程的重要依据。
2. 施工单位应加强对监控量测工作的宣传和教育,提高全体施工人员的安全意识。
(二级)交底单位名称:中国建筑第六工程局有限公司编号:SD- 工程名称椴树凹隧道设计文件图号S5-4施工部位监控量测交底日期技术交底目录:1、技术交底范围;2、设计情况;3、开始施工的条件及施工准备工作;4、施工工艺;5、质量标准;6、安全、环保、文明施工等技术措施;7、成品保护措施;8、其他应注意的问题。
附件及附图:1、技术交底书;2、交底签到表编号:SD-单位:中国建筑第六工程局有限公司主送单位一工区编号SD-工程名称椴树凹隧道日期交底正文:1、技术交底范围三淅高速LXTJ-7标椴树凹隧道监控量测施工。
2、设计情况椴树凹隧道所在地位于卢氏县五里川镇。
隧道进出口无道路通往,交通条件极为不便。
采用小净距隧道,隧道左线起讫桩号:ZK33+835-ZK34+290,长455米,最大埋深约84m;右线起讫桩号:YK33+810-YK34+290,长480米,最大埋深约84米。
3、开始施工的条件及施工准备工作3.1、准备好相应的量测仪器。
3.2、准备好相应的辅助工具:爬梯、手电筒及其它辅助工具。
4.、施工工艺4.2监控量测内容 4.2.1隧道洞门观测一般情况,在洞门顶原地面布设至少两个断面,围岩较差的或者原地面纵断面方向坡度较缓的至少3个断面,每个断面7个观测点,沿隧道中线均匀布置,断面间距5米,点间距5米。
隧道洞门开挖后每天观测一次,二衬完成后2天观测一次,仰拱及填充完成后一周观测一次,隧道完成后一个月观测一次,直至完工后三个月。
4.2.2隧道洞内观测(1)拱顶下沉及水平净空变化量测拱顶下沉及水平净空变化量测在同一断面进行量测,并采用相同的量测频率。
如位移出现异常时应加大量测频率。
修改管理基准值满足 监控量测项目制定管理基准的设定隧道开挖初期支护施工测点埋设量测数据采集量测数据分析安全分析已施工段支护加强措施施工建议监测总结结束人员、仪器准备 修改支护设计参数不满足隧道中线内轨顶面约2.5m隧道中线内轨顶面约2.5m两台阶法测点布置示意图双侧壁导坑法测点布置示意图约2.5m隧道中线内轨顶面隧道中线内轨顶面约3.5m 全断面法测点布置示意图三台阶法测点布置示意图图5.1-40 测点布置示意图周边收敛测点拱顶下沉测点图例:注:Ⅱ级围岩地段50m 布置一监测断面,Ⅲ级围岩30m 布置一监测断面,Ⅳ级围岩20m 布置一监测断面,Ⅴ级围岩10m 布置一监测断面约2.5m测点应牢固可靠,易于识别并妥为保护,拱顶量测观测点必须埋设在稳定的岩面上,并和洞内水准点建立联系。
主送单位隧道各工区日期.9.1
工程名称监控量测点部署依据图号
5、当拱顶下沉、水平收敛速率达5mm/d或位移累计达1OOmm时,应暂停掘进,并立刻分析原因,采取处理方法。
6、当采取接触量测时,测点挂钩应做成闭合三角形,确保牢靠不变形。
三、监控量测点部署
⑴周围水平位移、净空量测: 开挖后12小时内, 风枪钻眼, 用1:1水泥砂浆填满后再插入测点固定杆, 尽可能使两边测点固定杆在量测方向同一轴线上。
台阶法布设两条净空水平收敛量测线, 全断面最少部署一条, 具体视围岩情况和实际需要情况而定。
接触量测点具体制作以下: 前端(喷锚后外露部分)采取Φ6.5或Φ8圆钢做成边长为5cm等边闭合三角形, 测点固定杆钢筋采取Φ18~Φ22螺纹钢, 固定杆长度在40~50cm。
具体以下图:
⑵拱顶下沉量测: 拱顶下沉量测测点、水平净空量测点和地表下沉量测断面在同一里程处。
编制者复核者
接收单位隧道各工区接收人
工程技术交底书。
技术交底书工程项目:进行夯实处理。
平整夯实后铺设50mm的沙垫层后再放管。
布管前,对沟底尺寸、高程、坡度、地基及基础进行检查,并报监理检验合格后才能放管。
镀锌钢管连接牢固,密封良好,对口准确,套接的短套管或带螺纹的管接头长度不少于电缆管外径的2.2倍;塑料管在套接或插接时,其插入深度为管子内径的1.1〜1.8倍,在插接面上涂以胶合剂密封,采用套接时套管两端应封好。
道路管线坑回填石粉,不能用余土回填,人行横道管坑回填50mm沙后回填余土,回填夯实后应及时清理现场。
3)若管道需要加固时,应会同设计单位、管理部门共同商定,当采用砼或钢筋砼等加固措施。
(4)电缆敷设1)本工程所采用的各款电缆线上报甲方批准后,才用于现场进行安装。
2)电源电缆应采用多支铜芯、聚氯乙烯绝缘聚氯乙烯护套园型平行连接软电线RVV,线芯标称面积不小于4mm的双芯(三芯)线。
电缆在灯杆,灯臂中不允许有接头。
3)控制电缆应采用多支铜芯,聚氯乙烯绝缘聚氯乙烯护套软电线RVV:线芯标称面积不小于1.0mm的多芯线。
4)车辆检测线圈传输电缆应采用多支铜芯、镀锡、聚氯乙烯红外线、密编镀锡铜网屏蔽、耐热型(RVVP28/0.15)线芯标称面积不少于0.75mm的双芯绞合线。
5)车辆检测线圈采用多支铜芯、聚氯乙烯红外线软电线(BVR)线芯标称面积不少于2.5mm的单芯线。
6)冲红灯违章摄影仪电源电缆和控制电器,一般采用地下加保护管埋设,到上线敷设在立杆内。
(5)线槽封装回填:1)环形线圈施工下线后但未封装前,应测试各项技术参数,以确保符合要求。
2)环形线圈绕敷后,必须将封装材料完全嵌入槽内,不得有气泡和漏封,并保证凝固时间内,封装完毕的线圈不会被车辆碾过或有任何松动。
3)应从线圈槽的一端开始,顺序灌入封装材料(环氧树脂或沥青)。
(9)布线:布线是指控制机(器)与各设备、闪光灯、摄像仪、电源入口之间的连接和管道放线。
布线施工应按施工图和有关规范进行。