气缸圆度圆柱度测量详案
- 格式:doc
- 大小:18.04 KB
- 文档页数:4
第四部分发动机气缸、曲轴的测量工艺规程(一)测量曲轴轴颈连杆轴颈1、型号:解放CH6102型(或东风E46100型)发动机曲轴1) 曲轴轴颈(主轴颈):标准直径D=75mm曲轴销颈(连杆轴颈):标准直径D=62mm。
2) 技术要求:①圆度○不大于0.025mm ;②圆柱度不大于0.025mm ;③最大磨损不大于0.12mm ;④弯曲度不大于0.15mm ;⑤不得有任何形式的裂纹;⑥其它技术状况完好。
3) 修理级别:共八级,每级-0.25mm,其八级为-0.25、-0.5、-0.75、-1.0、-1.25、-1.50、-1.75、-2.0,常用等级前四级。
2、使用量具:外径千分尺(外径千分尺)规格50-75mm,精度等级0.01mm1)外径千分尺常用规格(mm):0-25、25-50、50-75、75-100、100-125、125-150、150-175………2)外径千分尺的结构组成如图所示:图1外径千分尺1-尺架;2-砧座;3-测轴螺杆;4-套管;5-固定套管;6-活动套管;7-固定螺帽;8-顶帽;9-旋钮;10-棘轮;11-锁紧装置;12-隔热装置。
图2千分尺刻度的读法3)外径千分尺的分格原理:①在螺杆后面有精密螺纹是右旋的,螺距一般为0.5mm(也有1mm的)。
螺杆露在外面的圆柱形部分,全部淬硬并磨光,装在弓架上的固定套管内,它的顶面与钻座的顶面须磨成相互平行的平面和清楚的棱角;②固定套管一端与弓架相连,另一端有内螺纹,可与螺杆螺纹相啮合,使螺杆在旋转中能同时获得轴向移动;③活动套管套在固定套管上,并与测轴螺杆相连,当螺杆旋转时,活动套管可在固定套管上移动;④在固定套管直线长度方向有尺寸刻线,上线每格为1mm,下线每格也为1mm,上下线每格相距0.50mm,在活动套管的沿圆周方向的锥面上,也有尺寸刻线,一周刻有50条刻线分成50 等分,由于螺距是0.5mm,所以活动套管每格为0.50÷50=0.01mm;⑤固定套管的刻度相当于主尺,活动套管上的刻度相当于副尺。
如何测定发动机气缸的圆度偏差和圆柱度偏差
发动机气缸的圆度偏差和圆柱度偏差,常用量缸表测量。
1、测量方法和步骤
(1)根据气缸的公称尺寸选择合适的接杆,固定在量缸表的下端。
接杆固定好后与活动测杆的总长度应大于被测气缸的公称尺寸。
(2)将百分尺校准到被测气缸的公称尺寸,再用百分尺将量缸表的活动测杆校正到该尺寸,并使伸缩杆有2毫米左右的压缩行程,旋转表盘使表针对正“0”位。
(3)在气缸距气缸体上平面约25毫米的某一截面上,沿气缸壁内圆周作多点测量,所测得的最大数值为该截面上的长轴数值,在同一截面上,与长轴成垂直方向测出该截面的最小直径,该直径数值为短轴数值。
(4)在气缸全长的中间部位用相同方法测出该截面的长轴和短轴数值。
(5)在距气缸下沿10毫米范围内测出同一截面的长轴和短轴数值。
(6)以最大磨损截面处长轴和短轴差值的一半为所测气缸的圆度偏差;以气缸全长范围内所测全部6个数值中,最大直径与最小直径差值的一半为该气缸的圆柱度偏差。
2、注意事项
(1)用量缸表进行测量时,应注意使测杆与气缸轴线保持垂直,以确保测量的准确性。
当摆动量缸表时,其指针指示到最小读数时,即表示测杆已垂直于气缸轴线,此时才能记录读数。
(2)大多数气缸发动机前后2缸磨损最为严重。
这是因为前后2缸冷却强度大,在低温条件下工作时间长,腐蚀磨损严重的缘故。
因此,量缸的目的如果是为了确定是否修理,应重点测量前后2缸。
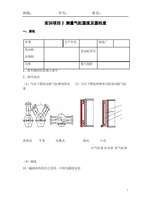
实训项目2 测量气缸圆度及圆柱度
一、资讯
1、将车辆的信息填入表中
(1)写出下图发动机气缸排列形式(2)写出下图是两种形式的发动机气缸套
直列式 V型对置式湿式干式
1-气缸套2-水套 3-气缸体
(3)圆度
同一截面内两直径之差的一半即为圆度误差
(4)圆柱度
同一汽缸上中下三个截面横向纵向测量出来总共6个数值,最大与最小之差再除以2,则为此缸的圆柱度误差
二、决策
1.每6人一组,每组选出一名负责人,负责人对小组任务进行分配。
组员按负责人要求完成相关任务内容,并将自己所在小组及个人任务内容填入表中。
2.每一小组安排2名学生并编号,在实训过程中严格站位职责。
1号站位职责:严格按规范拆装活塞连杆组,正确使用工具。
2号站位职责:准备实训并接收或传递1号站位拆装过程中的将零部件或工具规范摆放。
3.打分安排:1队给第2团队打分,2队给第3团队打分,3团队给4团队打分,4团队给第1团队打分。
三、制定计划
查询维修手册,找出检测的步骤和各项标准值,根据项目内容制定工作计划,简要说
1、实践准备
2、记录检测数据并计算分析完成下表
五、检查。
测量气缸的实验报告测量气缸的实验报告引言:气缸是内燃机中的重要组成部分,它承载着活塞的往复运动,并通过气缸壁与活塞环之间的密封,确保燃气的压力和热能被转化为机械能。
为了确保气缸的质量和性能,我们进行了一系列的实验测量。
实验目的:本次实验的目的是测量气缸的内径、外径和圆度,以评估气缸的质量,并为进一步的加工和装配提供参考。
实验步骤:1. 准备工作:清洁气缸表面,确保无杂质影响测量结果。
2. 内径测量:使用内径测量仪器,将测量头插入气缸内,轻轻旋转并观察读数,取多个测量值的平均数。
3. 外径测量:使用外径测量仪器,在气缸外表面均匀测量多个点,并取平均值。
4. 圆度测量:将气缸放置在测量仪器上,旋转气缸并记录不同位置的测量值,通过比较这些值来评估气缸的圆度。
实验结果:经过多次测量和计算,我们得到了如下的实验结果:1. 气缸的内径为XX毫米,外径为XX毫米。
2. 气缸的圆度误差在可接受范围内,表明气缸的形状较为规整。
讨论与分析:通过实验结果的分析,我们可以得出以下结论:1. 气缸的内径和外径符合设计要求,表明气缸的加工质量较高。
2. 气缸的圆度误差较小,这对于活塞的正常运动和密封起到了积极的作用。
3. 在实验过程中,我们发现气缸的表面有一些微小的瑕疵,但并不影响气缸的使用寿命和性能。
结论:综上所述,本次实验测量了气缸的内径、外径和圆度,并对实验结果进行了分析与讨论。
实验结果表明,气缸的加工质量较高,符合设计要求,能够满足内燃机的正常运行需求。
然而,我们也应该意识到气缸表面的微小瑕疵,这可能会对气缸的密封性和使用寿命产生一定的影响,因此,在实际应用中,我们需要采取相应的措施来保护气缸的表面和提高其使用寿命。
展望:本次实验虽然对气缸进行了基本的测量和评估,但仍有一些局限性。
未来,我们可以进一步探索其他测量方法和技术,以提高测量的准确性和精度。
同时,也可以研究气缸材料的改进和加工工艺的优化,以进一步提高气缸的质量和性能。
1实训项目2 测量气缸圆度及圆柱度一、资讯1、将车辆的信息填入表中2、相关知识(1)写出下图发动机气缸排列形式(2)写出下图是两种形式的发动机气缸套直列式 V型对置式湿式干式1-气缸套2-水套 3-气缸体(3)圆度同一截面内两直径之差的一半即为圆度误差车型生产年代制造厂发动机识别码发动机型号功率最大扭距(4)圆柱度同一汽缸上中下三个截面横向纵向测量出来总共6个数值,最大与最小之差再除以2,则为此缸的圆柱度误差2、决策1.每6人一组,每组选出一名负责人,负责人对小组任务进行分配。
组员按负责人要求完成相关任务内容,并将自己所在小组及个人任务内容填入表中。
2.每一小组安排2名学生并编号,在实训过程中严格站位职责。
1号站位职责:严格按规范拆装活塞连杆组,正确使用工具。
2号站位职责:准备实训并接收或传递1号站位拆装过程中的将零部件或工具规范摆放。
3.打分安排:1队给第2团队打分,2队给第3团队打分,3团队给4团队打分,4团队给第1团队打分。
项目内容检测活塞环间隙序号小组任务个人职责(任务)负责人1布置现场、准备工、量具2安装、调试量缸表3根据技术要求检测气缸内径4整理工具、清理场地三、制定计划2查询维修手册,找出检测的步骤和各项标准值,根据项目内容制定工作计划,简要说明任务实施过程的步骤及注意事项。
并将计划内容等填入表中。
车型:工作内容:序号工作步骤工具/辅具注意事项1将工、量具摆放在工具台量缸表、外径千分尺、抹布与其内径相适应的外径千分尺、量缸表2准备气缸体一台实训台将气缸孔内表面擦试洁净3安装、校对量缸表、校对外径千分尺量缸表、外径千分尺轻拿轻放4测量气缸第一道活塞环上止点的横、纵向直径量缸表在同一截面内垂直的直径,记入检测记录5测量气缸孔第一道活塞环上止点至最后一道活塞环下止点行程的中部,横、纵向直径量缸表同上6测量距气缸孔下端以上30mm左右处横截面横、纵向直径量缸表同上7清洁并整理工、量具量缸表、外径千分尺轻拿轻放8清洁工位抹布、拖把等6S4、实施1、实践准备场地准备工量(备件)具准备资料准备346人用实习场地一块、对应数量的课桌椅、黑板一块、发动机台架。
气缸圆周度测量方法步骤
测量汽缸的圆度和圆柱度前要先把汽缸内用干净布擦干净,把百分表装好并校好,测量时每个汽缸要测N个面,每个面至少3个数,测量完成后用每个面里最大的减最小的除以2就是圆度。
N个面里最大的圆度为这个缸的圆度,用N个面里所有的数中最大的减最小除以2就是这个缸的圆柱度。
测量方法
1、两点法
测出各给定横截面内零件回转一周过程指示表的最大示值与最小示值,并以所有各被测截面示值中的最大值与最小值的一半作为圆柱度误差值。
2、三点法
测出各给定横截面内零件回转一周过程指示表的最大示值与最小示值的一半作为圆柱度误差值。
扩展资料
按公差等级,可划分以下应用:
1、高精度量仪主轴、高精度机床主轴、滚动轴承滚珠和滚柱等。
2、精密量仪主轴、外套、阀套、高压油泵柱塞及套、纺锭轴承、高速柴油机进、排气门、精密机床主轴轴颈、针阀圆柱表面、喷油泵柱塞及柱塞套。
3、小工具显微镜套管外圆、高精度外圆磨床轴承、磨床砂轮主轴套筒、喷油嘴针阀体、高精度微型轴承内、外圈。
4、较精密机床主轴、精密机床主轴箱孔、高压阀门活塞、活塞销、阀体孔、小工具显微镜顶针、高压油泵柱塞、较高精度滚动轴承配合的轴、铣床动力头箱体孔。
发动机气缸测量(一)气缸圆度测量步骤1.使用量缸表在气缸体顶面以下10毫米处测量气缸推力面直径(垂直于曲轴轴线),并记录测量值。
注意:a.测量时,应使量缸表的指针有1-2毫米的余量。
b.使用量缸表时,应保证量缸表基座紧贴气缸内壁,且沿接杆1方向来回推动摇杆3进行测量。
c.使用选用量缸表时,必须使量缸表与气缸的轴线保持垂直,并前后摇动摇杆进行测量。
2.使用量缸表在气缸体顶面以下10毫米处测量气缸非推力面直径(与曲轴轴线平行)。
计算两个测量值的差值除以2,计算结果就是气缸上端的圆度。
同样按照相同的方法在气缸中部(气缸顶面以下40-50毫米处)和下部(气缸顶面以下100毫米处)测量并计算其圆度。
(二)气缸圆柱度测量步骤1.垂直于曲轴中心线,在气缸顶面以下10mm处测量气缸直径,并记录测量结果。
2.垂直于曲轴中心线在气缸顶面以下100mm处测量气缸直径,并记录测量结果。
3.计算两个测量值的差值除以2,结果就是气缸的圆柱度。
(三) 考核方式及评分标准1.本工位检测气缸体。
2.本试卷由四部分组成:工量具清点和校准、零件测量、数据处理和判断、工位整顿。
3.请按照试卷要求,由前往后完成规定操作,并将操作结果以及测量数据填写在试卷对应位置。
A.工量具清点和校准1.清点操作台上的工量具,将工量具的名称、规格、数量填写到下表。
序号工量具名称规格数量序号工量具名称规格数量1 62 73 84 95 102.将以上需要校零的量具名称记录在以下留白处,并完成量具的校零,记录校零后的误差。
B.零件测量气缸体的测量,为计算气缸体的圆柱度:请根据下表的提示,确定合适的测量位置,选用正确的测量工具完成测量,并将测量数据记录下表。
数据名称测量项目第缸气缸直径测量标准值测量位置气缸上部面气缸中部面气缸下部面位置1 位置2 位置1 位置2 位置1 位置2测量数值第缸的气缸直径C.数据处理和判断请结合上表中所测得的数据,按照以下题目的要求进行数据处理、分析和判断。
活塞圆柱度圆度的检查操作流程下载温馨提示:该文档是我店铺精心编制而成,希望大家下载以后,能够帮助大家解决实际的问题。
文档下载后可定制随意修改,请根据实际需要进行相应的调整和使用,谢谢!并且,本店铺为大家提供各种各样类型的实用资料,如教育随笔、日记赏析、句子摘抄、古诗大全、经典美文、话题作文、工作总结、词语解析、文案摘录、其他资料等等,如想了解不同资料格式和写法,敬请关注!Download tips: This document is carefully compiled by theeditor. I hope that after you download them,they can help yousolve practical problems. The document can be customized andmodified after downloading,please adjust and use it according toactual needs, thank you!In addition, our shop provides you with various types ofpractical materials,such as educational essays, diaryappreciation,sentence excerpts,ancient poems,classic articles,topic composition,work summary,word parsing,copy excerpts,other materials and so on,want to know different data formats andwriting methods,please pay attention!活塞圆柱度圆度的检查操作流程活塞是内燃机中的重要部件之一,其圆柱度圆度的精度直接影响到发动机的性能和寿命。
《气缸圆度、圆柱度测量》教案齐齐哈尔市第八职业高级中学王学峰《气缸圆度、圆柱度测量》教案课题:气缸圆度、圆柱度测量单位:齐齐哈尔市第八职业高级中学教者:王学峰计划课时:1课时授课时间:xxxx年xx月xx日授课班级:xxxx教学目标:知识目标:掌握气缸圆度、圆柱度的检查方法;熟悉巩固内径百分表(量缸表、内径千分尺)、外径螺旋千分尺等的正确使用;能力目标:培养学生的实际动手操作能力德育目标:培养学生按工艺要求文明操作的良好习惯教学重点:气缸圆度、圆柱度的检查步骤教学难点:内径百分表的正确使用教学方法:演示法、实验法教具:发动机、内径百分表、外径螺旋千分尺、游标卡尺等课型:综合课教学过程及内容:一、复习提问:(3分钟)1、气缸磨损规律;2、圆度、气缸圆度、发动机圆度;3、圆柱度、气缸圆柱度、发动机圆柱度;二、导入新课:(1分钟)气缸圆度、圆柱度是如何测量的呢?我们本节课将具体的来实践操作,首先我对同学们在实习期间做点小小的要求……三、讲授新课:(15分钟)(一)文明操作:(3分钟)1、爱护工具:我们本节使用的量具、工具都是精密仪器,任何操作不当都有可能影响测连精度,甚至损坏工具,所以必须严格按照使用规范操作,严禁粗暴作业。
(素质教育内容:渗透德育素质教育,促进学生对人、事、物的呵护致爱护,使其有一个平和的心态;)2、保持清洁:要养成良好的卫生习惯,我们要随时保持工件的清洁、量具的清洁、场地的清洁,减少垃圾的产生、将垃圾带走,无论是在这里、教室、家里、或以后的工作单位以及其它公共场所我们都应做到这一点,这将是我们终身都要遵守的准则,也是评价一个人素质修养的一个标准。
3、工作有序:用什么,拿什么,使什么;用完及时放回原处,不要怕麻烦,这可以大大减少犯错的机率。
(素质教育内容:巩固学生的审美素质,以整洁干净为美、以有序和理为美,以文明操作为美,多动手、动脑为美)4、理论与实际:动手的同时要动脑,多问几个为什么,和理论学习是否相同,对你看到的,测量的数据理论上能不能解释通?我期待你们的答案。
第1篇一、实验目的1. 熟悉气缸检查测量工具的使用方法;2. 掌握气缸直径、圆柱度、磨损度等参数的测量方法;3. 了解气缸磨损对发动机性能的影响;4. 提高对发动机维修保养的实践操作能力。
二、实验原理气缸是发动机的重要组成部分,其直径、圆柱度、磨损度等参数直接影响到发动机的性能和寿命。
本实验通过使用气缸检查测量工具,对气缸进行直径、圆柱度、磨损度等参数的测量,以评估气缸的磨损情况,为发动机维修保养提供依据。
三、实验仪器与材料1. 气缸检查测量工具:外径千分尺、量缸表、游标卡尺、气缸体、气缸等;2. 气缸实验样品;3. 夹具、支撑架等辅助工具。
四、实验步骤1. 准备工作:检查气缸检查测量工具是否完好,调整量缸表至标准尺寸。
2. 气缸直径测量:(1)将气缸体放置在支撑架上,确保气缸体平稳;(2)将量缸表的活动侧头以一定的角度放进气缸中,然后用手压住量缸表的杆身,慢慢地移动杆身使其与气缸的轴线平行;(3)左右(或上下)移动量缸表寻找最大直径值,读取数据。
3. 气缸圆柱度测量:(1)将气缸体放置在支撑架上,确保气缸体平稳;(2)将量缸表的活动侧头以一定的角度放进气缸中,然后用手压住量缸表的杆身,慢慢地移动杆身使其与气缸的轴线平行;(3)在气缸直径范围内,依次测量不同位置的数据,求平均值。
4. 气缸磨损度测量:(1)将气缸体放置在支撑架上,确保气缸体平稳;(2)将游标卡尺夹具固定在气缸体内壁,调整游标卡尺至标准尺寸;(3)在气缸直径范围内,依次测量不同位置的数据,求平均值。
5. 数据处理与分析:(1)将测量数据与标准尺寸进行对比,分析气缸磨损情况;(2)评估气缸磨损对发动机性能的影响;(3)根据测量结果,提出维修保养建议。
五、实验结果与分析1. 实验数据:| 气缸直径(mm) | 气缸圆柱度(mm) | 气缸磨损度(mm) ||--------------|--------------|--------------|| 100.00 | 0.02 | 0.01 |2. 结果分析:(1)气缸直径与标准尺寸相比,存在0.01mm的偏差,属于正常范围;(2)气缸圆柱度偏差为0.02mm,略大于标准值,但仍在可接受范围内;(3)气缸磨损度为0.01mm,说明气缸磨损情况良好。
课题名称圆度、圆柱度的测量授课时间可空缺授课班级可空缺授课地点可空缺第 17、18 课时教学目标知识与能力目标:1.掌握圆度、圆柱度的含义和应用范围;2.会选择检测圆度、圆柱度的工量具;3.会用百分表按二点法原理检测轴套类零件的圆度误差;4. 会用百分表等工量具检测轴套类零件的圆柱度误差;5. 会根据圆度、圆柱度测量值计算圆度、圆柱度误差;6.会收集并处理测量数据。
方法与过程目标:通过教师讲授、引导,学生课堂练习、小组讨论,培养发现问题、分析问题、解决问题的能力。
情感态度与价值观目标:会在教师引导下开展自主学习或与同伴协作学习,从而产生爱学习、爱工作、爱同伴的积极情感。
教学重点圆度、圆柱度误差的测量步骤教学难点会用百分表检测圆度、圆柱度误差并进行数据处理教学准备1. 教学场所:测量实验室 2.量具:百分表、表座、表架、偏摆仪、被测件等3.小组安排:同桌为一组教学资源1.配套课件 2.教材教学文件1.工作任务书2.工作指导书实施阶段:资讯/决策/计划/实施/检查/评价教学过程教学内容教学方法教师活动学生活动时间分配复习回顾1、作业点评讲授提问点评提问引导听讲思考回答5min学习情境自行车是日常生活中比较常用的交通工具(如图1),假若自行车的车轮制成图2所示的正三棱的棱圆形状,自行车是否还能正常行驶?图1图2这个轮子的直径虽然处处相等,但圆周各点到中心的距离(半径)却并不相等,所以轮子不圆,也就无法正常行驶。
那么在生产中如何控制零件圆不圆呢?回答:用圆度和圆柱度来衡量。
情境导入播放PPT讲解提问倾听观察思考回答5min学习情境图3如图3零件的圆度和圆柱度误差怎么测量呢?活动一测量圆度误差资讯1.圆度的定义:控制圆柱面、圆锥面的截面和球面零件任意截面圆的程度的指标。
2.图中圆度公差含义:外圆表面任意正截面的圆度误差不得大于公差值0.005。
3.圆度误差的近似测量方法:两点法、三点法。
4.二点法、三点法的适用范围:二点是圆上各点对固定一点的变化量(偶数棱);三点是圆上各点对固定两点(V型块)的变化量(奇数棱)。
气缸的测量(一)试题类别检测(二)考核时间20分钟(三)考核方法现场实物操作(四)技术要求及操作步骤1.技术要求规定使用极限:对于桑塔纳JV发动机:当实际尺寸超过标准尺寸0.08mm时,必须进镗削。
2.操作步骤气缸的测量:1)根据气缸直径,选择合适的测量推杆固定在量缸表的下端,使整个测杆长度与被测气缸长度相适应。
2)校正量缸表的尺寸。
将千分尺调到气缸的标准尺寸,再将量缸表通过千分尺校正到气缸的标准尺寸(使测杆有2mm左右的压缩量),旋转表盘使表针对准零位。
3)测量气缸上、中、下三个位置的纵向和横向上的气缸直径。
测量时应摆动量缸表,指针指示的最小值即为被测值,并将测得的值逐一记录下来。
计算气缸的圆度误差和圆柱度:圆度=(同一截面内最大直径—同一截面内最小直径)/2圆柱度=(全部测量值中最大直径—全部测量值中最小直径)/24)修理尺寸及修理级别的确定:气缸直径除标准尺寸外,通常还有6级修理尺寸,每加大0.25mm为一级,递增至加大1.5mm。
桑塔纳JV发动机的标准缸径为φ81.01mm。
修理尺寸为:φ81.26mm、φ81.51mm、φ82.01mm。
磨损最大气缸的最大直径+加工余量,其数值再与修理尺寸对照,如计算出的修理尺寸与某一级数相近,可按该级修理。
(加工余量取0.10-0.20mm)(五)考前准备1.工具准备:量缸表千分尺。
2.考件准备:桑塔纳JV发动机气缸体。
(六)考核要求1.校表要正确2.能正确检测出气缸的磨损量,确定修理尺寸(七)注意事项1.测杆选择要与所测气缸相适应。
2.注意读表的正确方法。
(八)配分、评分标准1、测量数据与标准相差±0.01mm不扣分;2、超过±0.01mm,每相差0.01mm扣一分;3、测量数据与标准相差±0.05mm,此项数据错误。
气缸的测量班级姓名学号开始时间_____ ___结束时间_____ ___得分________量缸考核记录表班级姓名学号监考老师考试日期。
气缸圆度和圆柱度测量方法摘要:气缸圆度和圆柱度是汽车发动机性能优良的关键因素。
本文首先介绍了气缸圆度和圆柱度的测量原理,然后介绍了气缸圆度和圆柱度测量的仪器和方法,最后给出了测量气缸圆度和圆柱度的一些具体步骤。
关键词:气缸圆度;圆柱度;测量1. 介绍气缸圆度和圆柱度是汽车发动机的关键参数,对发动机性能的影响是很大的。
气缸圆度和圆柱度的测量是汽车发动机品质检验的关键环节之一。
2.测量原理气缸圆度是指气缸上面和下面两个平面与中间线的偏差,它表示的是气缸的精度。
圆柱度是指气缸侧面顶点和中间线的偏差,它表示的是气缸的尺寸精度。
3.测量方法(1)气缸圆度测量方法采用拉伸式测量仪可以测量气缸圆度。
拉伸式测量仪是一种测量气缸圆度的仪器,它由一个调节螺杆、一个传感器、一个激活器和一个显示器组成。
它利用传感器来测量气缸圆度,当传感器感应到偏差时,传感器会将信号传递给激活器,激活器会将信号传递给显示器,显示器会将偏差显示出来,从而可以得到气缸圆度的测量结果。
(2)圆柱度测量方法采用三坐标测量仪可以测量气缸圆柱度,三坐标测量仪是一种测量气缸圆柱度的仪器,它由一个测量头、一个放大器、三个传感器和一个显示器组成。
它可以测量气缸圆柱度,当传感器感应到偏差时,传感器会将信号传递给放大器,放大器会将信号传递给显示器,显示器会将偏差显示出来,从而可以得到气缸圆柱度的测量结果。
4.具体步骤(1)气缸圆度测量步骤:a) 将拉伸式测量仪固定到气缸上;b) 调节螺杆,将传感器靠近气缸表面;c) 打开仪器,读取偏差值;d) 根据偏差值,检验气缸圆度是否合格。
(2)圆柱度测量步骤:a) 将三坐标测量仪固定到气缸上;b) 调节传感器,将测量头放置在气缸上;c) 打开仪器,读取偏差值;d) 根据偏差值,检验气缸圆柱度是否合格。
结论:本文介绍了气缸圆度和圆柱度的测量原理,介绍了气缸圆度和圆柱度测量的仪器和方法,并给出了测量气缸圆度和圆柱度的一些具体步骤。
《气缸圆度、圆柱度测量》教案
齐齐哈尔市第八职业高级中学
王学峰.
《气缸圆度、圆柱度测量》教案
课题:气缸圆度、圆柱度测量
单位:齐齐哈尔市第八职业高级中学
王学峰者:教课时计划课时:1xx月xx日授课时间:xxxx年xxxx 授课班级:教学目标:知识目标:掌握气缸圆度、圆柱度的检查方法;、外径螺旋千分尺等的熟悉巩固内径百分表(量缸表、内径千分尺)正确使用;能力目标:培养学生的实际动手操作能力德育目标:培养学生按工艺要求文明操作的良好习惯
教学重点:气缸圆度、圆柱度的检查步骤
教学难点:内径百分表的正确使用
教学方法:演示法、实验法
教具:发动机、内径百分表、外径螺旋千分尺、游标卡尺等
课型:综合课
教学过程及内容:3分钟)一、复习提问:(、气缸磨损规律;1 、圆度、气缸圆度、发动机圆度;2 、圆柱度、气缸圆柱度、发动机圆柱度;3 分钟)(1二、导入新课:气缸圆度、圆柱度是如何测量的呢?我们本节课将具体的来实践操作,首先我对同学们在实习期间做点小小的要求……
三、讲授新课:(15分钟)
(一)文明操作:(3分钟)
1、爱护工具:我们本节使用的量具、工具都是精密仪器,任何操作不当都有可能影响测连精度,甚至损坏工具,所以必须严格按照使用规范操作,严禁粗暴作业。
(素质教育内容:渗透德育素质教育,促进学生对人、事、物的呵护致爱护,使其有一个平和的心态;)
2、保持清洁:要养成良好的卫生习惯,我们要随时保持工件的清洁、量具的清洁、场地的清洁,减少垃圾的产生、将垃圾带走,无论是在这里、教室、家里、或以后的工作单位以及其它页1 第5/ 1
公共场所我们都应做到这一点,这将是我们终身都要遵守的准则,也是评价一个人素质修养的一个标准。
3、工作有序:用什么,拿什么,使什么;用完及时放回原处,不要怕麻烦,这可以大大减少犯错的机率。
(素质教育内容:巩固学生的审美素质,以整洁干净为美、以有序和理为美,以文明操作为美,多动手、动脑为美)
4、理论与实际:动手的同时要动脑,多问几个为什么,和理论学习是否相同,对你看到的,测量的数据理论上能不能解释通?我期待你们的答案。
(素质教育内容:引导提高学生的智力素质教育,提示多思考)
(二)讲解演示:(12分钟)
教师边操作,边讲解,随机提出问题,学生观看操作过程,用心记录,并回答教师提出的问题,中间提出本节重点和难点。
(素质教育内容:随机题问可加强学生的智力素质的培养,巩固理论知识,提高其反应能力,提高学生的注意力和思考力。
)
1、用游标卡尺测量气缸直径。
(1)游标卡尺内卡钳的正确使用;(注意外卡钳和深度尺的使用)
(2)游标卡尺的正确读法。
(提问:游标卡尺精度)
2、外径螺旋千分尺调整
(1)选择合适的外径螺旋千分尺;(提问:分类)
(2)外径螺旋千分尺的正确使用;(提问:快速调整和微调分别调整的位置)
(3)外径螺旋千分尺的校正与修正;
(4)调整外径螺旋千分尺,调整到游标卡尺所测气缸直径的整数值。
(4舍5入)
3、内径百分表的组装
(1)百分表表头的安装注意事项:
a、留有一定的量程;(远离量程极限)
b、表头方向调整到便操作位置;
c、要将表头适度锁紧,但不要过紧,导致损坏。
(2)选择适当的加长杆,选入固定端,并适度锁紧;
4、内径百分表长度确定
(1)将内径百分测量端(先放活动端,适当将活动端压入,再放入固定端)放入事先调整好的外径螺旋千分尺内,保持千分尺轴线与测杆轴线平行;
(2)同时转动活动表盘,使大针指向刻度“0”。
(注意小针位置,远离量程极限“0”或“9”)5、测量气缸
页2 第5/ 2
(1)清洁气缸内壁
(2)准确的测量方法(提出难点)
先放活动端,适当将活动端压入,再放入固定端,表架的轴线与孔的轴线保持平行,然后将表架在被测孔轴线的平面内来回偏摆,观察百分表的长指针顺时针摆动至极限位置的读数,由该读数与零刻度时的差值即可推算出被测孔两测量点的直径。
(3)正确的测量位置
在气缸的轴向选取三个横截面:即“上”(活塞处于上止点时第一压缩环所对应的缸壁位置)、“下”(距气缸下边缘10~15 mm处)和“中”(“上”和“下”的中间位置);在同一横截面上进行横、纵测量。
(三)、圆度、圆柱的计算
被测气缸的圆度用三个横截面中每个截面上最大、最小直径差之半的最大值表示;气缸体的圆度用各缸中的最大圆度表示。
被测气缸的圆柱度用其三个横截面上最大直径与最小直径差之半表示。
四、学生实验:(20分钟)
将学生分成四组,每组测量不同的发动机,学生操作,教师指导,充分发挥学生的主导性,边做边填写实验报告。
(将教学重点和教学难点得到突破)
(素质教育内容:培养学生的劳动技能素质,使其技能水平得到提高,使学生理论与实践得到结合。
)
五、实验小结:(5分钟)
学生提出操作时遇到的问题,教师回答。
教师提出以下思考题,让学生思考。
1、气缸的直径横、纵、上、中、下的大小又无规律?为什么?
2、各缸直径是否一致?为什么?
3、为什么会出现“缸肩”?
这些问题大家测量时注意没有?被测气缸是否符合气缸磨损规律?理论和实际是否一致,请大家思考一下,下次回答我。
(素质教育内容:激发学生的智力素质,使其体会何谓学而不思则罔;促进学生劳动技能素质的培养,使其养成在劳动时要观察,多思考,多提问。
学为所用。
)
六、布置作业:(1分钟)
最后给大家留一个问题,你们所测得发动机应如何修理,写出理论依据
(素质教育内容:让学生给发动机做一诊断书,培养学生的价值观念)页3 第5/ 3
七、板书设计
一、文明操作:
1、爱护工具:
2、保持清洁:
3、工作有序:
4、理论与实际:
二、实验步骤:
1、游标卡尺量缸
2、调整外径螺旋千分尺
3、调整内径百分表
4、气缸测量
三、气缸圆度、圆柱度计算
被测气缸的圆度用三个横截面中每个截面上最大、最小直径差之半的最大值表示;气缸体的圆度用各缸中的最大圆度表示。
被测气缸的圆柱度用其三个横截面上最大直径与最小直径差之半表示;气缸体的圆柱度用最大圆柱度气缸的数值表示。
(范文素材和资料部分来自网络,供参考。
可复制、编制,期待你的好评与关注)页4 第5/ 4。