焊钉焊接质量检查记录
- 格式:xls
- 大小:21.50 KB
- 文档页数:1
焊钉焊接工程检验批质量验收记录一、工程概况工程地点:______施工单位:______监理单位:______质检单位:______二、质量验收依据1.《焊接工程质量验收规范》(以下简称《规范》)。
2.相关设计、施工图纸和技术文件。
三、检验依据和标准1.检验依据:根据《规范》和工程设计要求。
2.检验标准:根据相关规范和设计文件中所要求的焊接工艺和质量要求。
四、检验项目及结果序号检验内容检验方法检验结果1 焊接材料检验进货检验焊钉焊接工程所使用的焊条、焊丝等材料应符合标准要求。
检验结果合格。
2 焊缝外观检验目测检验焊缝外观应平整、均匀、无裂纹、挤压、气孔等缺陷。
检验结果合格。
3 焊缝尺寸检验测量检验焊缝尺寸应符合设计要求。
检验结果合格。
4 焊接质量检验非破坏性检验使用超声波、射线等非破坏性检验方法对焊缝进行检验。
检验结果合格。
5 焊缝抗拉强度检验拉力试验对焊缝进行拉力试验,检验焊缝的抗拉强度是否符合要求。
检验结果合格。
五、检验结论经上述检验项目的检验,焊钉焊接工程检验批质量验收结果合格。
六、质量问题与处理1.根据施工单位提供的材料进货检验记录,已无质量问题。
2.焊缝外观检验结果合格,未发现任何缺陷。
3.焊缝尺寸符合设计要求。
4.经非破坏性检验,焊缝无任何缺陷。
5.焊缝抗拉强度符合设计要求。
七、工程质量意见与建议根据本次质量检验情况,焊钉焊接工程质量符合相关规范和设计要求,建议施工单位继续保持施工质量水平,并加强施工过程中的质量控制。
八、相关附件1.焊接材料进货检验记录。
2.相关焊接工艺文件和检验记录。
九、参加质量验收人员施工单位代表、监理单位代表、质检单位代表等。
十、编制人:。
各种焊缝加工质量验收记录焊缝加工质量验收是对焊缝加工过程中的各项指标进行检查和评价,以确保焊接工件具有良好的质量,能够满足使用的要求。
下面是一个焊缝加工质量验收记录的示例,共计1200字以上。
一、焊工质量评估1.焊工证书:检查焊工是否持有相关合格证书,并确认证书的有效性。
2.焊工技术水平评估:评估焊工的技术水平,包括焊缝的外观质量、焊缝的硬度、焊缝的尺寸等指标。
二、焊接设备质量评估1.设备检查:检查焊接设备是否正常工作,包括焊机、电源、焊钳等部件,确保其能够满足工艺要求。
2.设备校准:对焊接设备进行校准,确保焊接设备的稳定性和准确性。
三、焊缝外观质量评估1.焊缝形状:检查焊缝的形状是否符合图纸要求,包括焊缝的宽度、高度、角度等指标。
2.焊缝表面质量:检查焊缝表面是否光滑、平整,无气孔、夹渣、裂纹等缺陷。
3.焊缝边缘质量:检查焊缝边缘是否完整、锐利,无起皮、翘曲等现象。
四、焊缝力学性能评估1.焊缝强度:通过拉伸试验、剪切试验等方法,评估焊缝的强度是否满足要求。
2.焊缝韧性:通过冲击试验、弯曲试验等方法,评估焊缝的韧性和抗变形能力。
3.焊缝硬度:通过硬度测试,评估焊缝的硬度是否在允许范围内。
五、焊缝尺寸评估1.焊缝尺寸:比对焊缝的实际尺寸与图纸要求的尺寸,评估焊缝的尺寸是否符合要求。
2.焊缝交互检验:通过焊缝的交互检验,评估焊缝的尺寸是否符合交互规定要求。
综上所述,焊缝加工质量验收记录对焊缝加工过程中的各项指标进行监督和评估,确保焊接工件具有良好的质量。
各类评估包括焊工质量评估、焊接设备质量评估、焊缝外观质量评估、焊缝力学性能评估和焊缝尺寸评估等方面。
通过这些评估,可以确保焊缝的质量达到或超过设计要求,从而保证焊接工件的性能和可靠性。
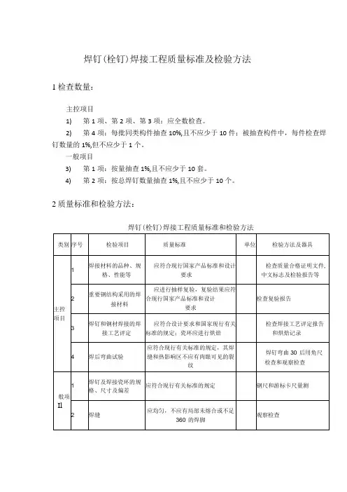
钢结构(钢构件焊接)分项工程检验批质量验收记录钢结构(焊钉焊接)分项工程检验批质量验收记录(GB50205—2001)表J.O.2编号:010902/020402□□□钢结构(普通紧固件连接)分项工程检验批质量验收记录钢结构(高强度螺栓连接)分项工程检验批质量验收记录钢结构(零件及部件加工)分项工程检验批质量验收记录(GB50205-2001)表J.0。
5 编号:010905/020405010905/020405□□□接上表钢结构(构件组装)分项工程检验批质量验收记录(GB50205—2001)表J。
0。
6 编号:020406钢结构(预拼装)分项工程检验批质量验收记录(GB50205-2001)表J.O。
7编号:020407□□□钢结构(单层结构安装)分项工程检验批质量验收记录(GB50205—2001)表J。
0。
8 编号:020408□□□钢结构(多层及高层结构安装)分项工程检验批质量验收记录(GB50205-2001)表J。
0。
9 编号:020409□□□钢结构(网架结构安装)分项工程检验批质量验收记录(GB50205-2001)表J.0。
10 编号:020410续下表钢结构(压型金属板)分项工程检验批质量验收记录(GB50205-2001)表J。
0.11 编号:020411钢结构(防腐涂料涂装)分项工程检验批质量验收记录(GB50205—2001)表J。
0。
12编号:020412□□□钢结构(防火涂料涂装)分项工程检验批质量验收记录(GB50205—2001)表J.0.13编号:020413□□□。
焊钉栓钉焊接工程检验批质量验收记录一、项目基本情况项目名称:焊钉栓钉焊接工程项目位置:XXXXX建设单位:XXXXX监理单位:XXXXX施工单位:XXXXX二、项目质量验收内容1.焊接工艺评定根据焊接工艺文件,对焊钉栓钉焊接工艺进行评定,并进行复试。
复试过程中,检验了焊接材料的质量、焊接工艺参数的合理性以及焊接人员的操作技术等方面。
评定结果符合要求。
2.焊接设备检验对施工现场使用的焊接设备进行了检验,确认设备完好,并进行相应的校正和调试,确保焊接设备的正常运行和可靠性。
3.焊接材料检验对焊钉、栓钉的焊接材料进行了质量检验。
检验项目包括焊接材料的外观质量、化学成分、机械性能等方面。
检验结果符合相关标准要求。
4.焊接工艺检验对焊钉栓钉的焊接工艺进行了检验,确认焊接工艺符合设计要求,焊接工艺参数设置合理,焊接工艺符合焊接规范要求。
5.焊接过程监控对焊接过程进行了监控,通过检查焊接接头的外观质量、焊缝形状和焊缝的尺寸等方面进行评定,确认焊接过程中未出现明显的焊接缺陷和质量问题。
6.非破坏检测采用非破坏检测方法,对焊钉栓钉焊接接头进行了探伤和超声波检测,确认焊接接头的质量符合要求,无焊接缺陷。
7.焊接接头力学性能试验对部分焊接接头进行力学性能试验,检测焊接接头的强度、延伸率、冲击韧性等力学性能指标,验证焊接接头的质量。
8.附属构件安装检验对焊钉栓钉焊接工程的附属构件进行了安装检验,检查构件的安装位置、安装质量等,确认构件的安装符合设计要求。
9.质量验收合格文件编制根据以上各项检验结果,编制质量验收合格文件,记录了焊钉栓钉焊接工程的质量验收情况。
三、质量验收结论经过对焊钉栓钉焊接工程的全面质量检验,结合施工过程中的监理和质量反馈情况,确定该工程的质量验收结论如下:1.焊接工艺评定合格。
2.焊接设备检验合格。
3.焊接材料检验合格。
4.焊接工艺检验合格。
5.焊接过程监控合格。
6.非破坏检测合格。
7.焊接接头力学性能试验合格。
附录J钢结构分项工程检验批质量验收记录表J.0.1钢结构(钢构件焊接)分项工程检验批质量验收应按表J.0.1进行记录。
表J.0.1钢结构(钢构件焊接)分项工程检验批质量验收记录J.0.2钢结构(焊钉焊接)分项工程检验批质量验收应按表J.0.2进行记录。
表J.0.2钢结构(焊钉焊接)分项工程检验批质量验收记录J.O.3钢结构(普通紧固件连接)分项工程检验批质量验收应按表J.O.3进行记录。
表J.0.3钢结构(普通紧固件连接)分项工程检验批质量验收记录J.0.4钢结构(高强度螺栓连接)分项工程检验批质量验收应按表J.0.4进行记录。
表J.0.4钢结构(高强度螺栓连接)分项工程检验批质量验收记录J.0.5钢结构(零件及部件加工)分项工程检验批质量验收应按表J.O.5进行记录。
表J.O.5钢结构(零件及部件加工)分项工程检验批质量验收记录J.O.6钢结构(构件组装)分项工程检验批质量验收应按表J.O.6进行记录。
表J.0.6钢结构(构件组装)分项工程检验批质量验收记录J.0.7钢结构(预拼装)分项工程检验批质量验收应按表J.0.7进行记录。
表J.0.7钢结构(预拼装)分项工程检验批质量验收记录J.0.8钢结构(单层结构安装)分项工程检验批质量验收应按表J.0.8进行记录。
表J.0.8钢结构(单层结构安装)分项工程检验批质量验收记录J.0.9钢结构(多层及高层结构安装)分项工程检验批质量验收应按表J.0.9进行记录。
表J.O.9钢结构(多层及高层结构安装)分项工程检验批质量验收记录J.O.10钢结构(网架结构安装)分项工程检验批质量验收应按表J.O.10进行记录。
表J.O.10钢结构(网架结构安装)分项工程检验批质量验收记录J.0.11钢结构(压型金属板)分项工程检验批质量验收应按表J.O.11进行记录。
表J.0.11钢结构(压型金属板)分项工程检验批质量验收记录J.0.12钢结构(防腐涂料涂装)分项工程检验批质量验收应按表J.0.12进行记录。