砖砌体工程施工质量检查表
- 格式:doc
- 大小:266.00 KB
- 文档页数:44
砖砌体工程检查表单位(子单位)工程名称分部(子分部)工程名称分项工程名称验收部位检查(检验)项目质量标准检查结果是否合格(合格填“1”,反之填“0”)主控项目1砖强度等级、规格和外加剂☆必须符合设计要求和现行有关标准的规定2砂浆品种、强度等级a☆必须符合设计要求和现行有关标准的规定3 斜槎留置☆砖砌体的转角处和交接应同时砌筑,严禁无可靠措施的内外墙分砌施工。
对不能同时砌筑而又必须留置的临时间断处应砌成斜槎,斜槎水平投影长度不小高度的2/34直槎拉结钢筋及接槎处理应符合设计要求和现行有关标准的规定5 水平灰缝砂浆饱满度灰缝横平竖直密实饱满,实心砌体水平灰缝饱满度必须达到80%以上6 基础防潮层应符合设计要求和现行有关标准的规定7 轴线位移≤10(8) mm8垂直度每层≤5(4) mm全高≤10m ≤10(8) mm>10m ≤20(15) mm砖砌体工程检查表检查(检验)项目质量标准检查结果是否合格(合格填“1”,反之填“0”)一般项目1组砌方法c清水墙组砌正确,不应出现通缝,接槎密实、平直混水墙砌体上下错缝每间(处)4皮~6皮砖的通缝小于或等于3处,且不在同一面墙体上砌体接槎每个接槎部位水平灰缝厚度小于5mm或透亮缺陷不超过3个2水平灰缝厚度和竖缝宽度宜为10mm,但不应大于12mm,也不应小于8mm3基础顶面和楼面标高偏差d±15(10)mm4表面平整度清水墙、柱≤5(4)mm混水墙、柱、基础≤8(6)mm5门窗洞口高度、宽度偏差±5(4)mm6 外墙上下窗偏移≤20(15)mm7水平灰缝平直度清水墙≤7(5)mm混水墙≤10(8)mm8 清水墙游丁走缝≤20(15)mm9水平灰缝厚度偏差(10皮砖累计)±8(6)mm10预留洞中心位移≤10(8)mm截面内部尺寸偏差+10~0mm施工单位是否同步执行本质量控制点对应的验评标准是□否□结论检查(检验)项目数:合格项数:不合格项数:合格率(检查(检验)项目合格项数检查(检验)项目数×100%)= 等级:合格(优□良□中□)不合格□检查人(签名):年月日注:①检查(检验)项目数是指根据工程进度实际检查(检验)的项目数。
50 备注
砖砌体工程施工质量检查表
xxx 工程楼日期:年月日序号检查项目允许偏差检查方法检查情况
评分
()
1 水平灰缝砂浆饱满度≥80 百格网检查,每处检测 3 块砖,取其
平均值。
(6 分)
2 垂直度(每层)≤5mm
2m靠尺(8 分)
3 表面平整度8mm 2m靠尺和楔形塞尺( 6 分)
水平灰缝尺量10 皮砖高度折算;竖
向灰缝尺量2m折算。
(6 分)
以底层窗口为准,用经纬仪或吊线检
查(5 分)
尺检查(5 分)
7 组砌方法砌体上下错缝
观测(8 分)
8
水平灰缝平直度≤10mm 拉线绳(6 分)检查人员:
如以各项未按照规定及规范施工的,将按照圣唐丽都现场管理办法给予
处罚
4 水平、竖向灰缝厚度8-12mm
5 外墙上下窗口偏移20mm
6 门窗洞口高度宽±5mm
砌体工程观感检查表
xxxx 一期工程 楼 日期:
年 月 日
序号
检查项目
检查情况
评 分
备注
( 50)
1
灰缝横平竖直、厚薄均
匀( 12)
2
构造柱与墙体与马牙
槎连接 (10)
3
作业人员安全帽佩戴
(8)
4
现场材料堆放( 10)
5
门口过梁压入长度
(10)
检查人员:
如以各项未 按照规定及 规范施工的, 将按照圣唐 丽都现场管 理办法给予
处罚。
砖砌体工程施工质量检查表(GB50203-2011)钢筋混凝土结构工程施工质量检查表(GB50204-2015)(一)钢筋安装工程施工质量检查表钢筋安装位置的偏差检查数量:同一检验批内,对梁、柱和独立基础,应抽查构件数量的10%,且不少于3件;对墙和板,应按有代表性的自然间抽查10%,且不少于3间;对大空间结构,墙可按相邻轴线间高度5m左右划分检查面,板可按纵、横轴线划分检查面,抽查构10%,且不少于3面。
梁、板类构件上部纵向受力钢筋保护层的厚度规定:合格点率达到90%及以上,且不得有超过上表数值的1.5倍尺寸偏差。
钢筋混凝土结构工程施工质量检查表(GB50204-2015)(二)现浇结构外观及尺寸偏差质量检查表现浇结构外观质量缺陷:漏筋、蜂窝、孔洞、夹渣、疏松、裂缝、连接部位缺陷(连接部位处混凝土有缺陷及连接钢筋、连接件有松动)、外形缺陷(缺棱掉角、棱角不直、翘曲不平、飞边凸肋)、外表缺陷(麻面、掉皮、起砂、沾污)钢筋混凝土结构工程施工质量检查表(GB50204-2015)模板工程的专项施工方案滑模、爬模、高大模板支架工程的专项施工方案应进行技术论证。
高大模板:支模高度超过8m,或构件跨度超过18m,或施工总荷载超过15KN/m2,或施工总荷载超过20KN/m专项施工方案的内容:模板及支架的类型;模板及支架的材料要求;模板及支架的计算书和施工图;模板及支架安装、拆除相关技术措施;施工安全及应急措施(预案)、文明施工、环境保护等技术要求。
(三)模板安装工程施工质量检查表模板工程安全检查表(JGJ59-2011)扣件式钢管脚手架施工(搭设)质量检查表(JGJ130-2011)扣件式钢管脚手架施工安全检查表(JGJ59-2011)地面地板砖铺贴工程施工质量检查表(GB50209-2010)饰面砖(墙面釉面砖)粘贴工程施工质量检查表(GB50210-2001)一般抹灰工程施工质量检查表(GB50210-2001)。
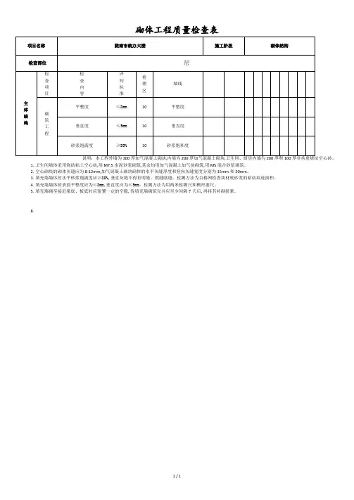
砌体工程质量检查表
说明:本工程外墙为300厚加气混凝土砌块,内墙为200厚加气混凝土砌块,卫生间、厨房内墙为200厚和100厚非承重烧结空心砖。
1.卫生间墙体采用烧结粘土空心砖,用M7.5水泥砂浆砌筑,其余均用加气混凝土加气块砌筑,用M5混合砂浆砌筑。
2.空心砌块的砌体灰缝应为8-12mm,加气混凝土砌块砌体的水平灰缝厚度和竖向灰缝宽度分别为15mm和20mm。
3.填充墙墙体的水平砂浆饱满度应≥80%,垂直灰缝不得有明缝、假缝瞎缝。
检测方法为百格网检查块材底砂浆的粘结痕迹面积。
4.填充墙墙体的表面平整度应为≤8mm,垂直度应为≤5mm。
检测方法为用两米检测尺和楔形塞尺。
5.填充墙砌至接近梁底、板底时应留置一定的空隙,待填充墙砌筑完并应至少间隔7天后,再将其补砌挤紧。
6.知识改变命运
7.
8.
1 / 1。
一、工程名称:____________________________二、施工单位:____________________________三、施工部位:____________________________四、施工日期:____________________________五、检查人员:____________________________一、检查内容:1. 施工材料:(1)混凝土小型空心砌块:检查砌块尺寸、强度等级、外观质量等是否符合设计要求和国家标准。
(2)砂浆:检查砂浆配合比、强度等级、稠度等是否符合设计要求和国家标准。
(3)钢筋:检查钢筋的规格、等级、直径、间距等是否符合设计要求和国家标准。
2. 施工工艺:(1)砌筑前,检查施工平面布置、轴线、标高、基础处理等是否符合设计要求。
(2)砌筑过程中,检查砌块排列、灰缝饱满度、砂浆强度、垂直度、水平度等是否符合规范要求。
(3)砌筑完成后,检查墙体垂直度、水平度、轴线位移、门窗洞口位置等是否符合设计要求。
3. 施工质量:(1)检查墙体外观质量,如砌块表面是否平整、垂直、水平,灰缝是否饱满、均匀。
(2)检查墙体尺寸偏差,如墙体厚度、高度、门窗洞口尺寸等是否符合设计要求。
(3)检查墙体结构安全性,如墙体拉结筋、构造柱、圈梁等是否符合设计要求。
二、检查结果:1. 材料检查:(1)混凝土小型空心砌块:符合设计要求和国家标准。
(2)砂浆:符合设计要求和国家标准。
(3)钢筋:符合设计要求和国家标准。
2. 施工工艺:(1)施工平面布置、轴线、标高、基础处理等符合设计要求。
(2)砌筑过程中,砌块排列、灰缝饱满度、砂浆强度、垂直度、水平度等符合规范要求。
(3)砌筑完成后,墙体垂直度、水平度、轴线位移、门窗洞口位置等符合设计要求。
3. 施工质量:(1)墙体外观质量:砌块表面平整、垂直、水平,灰缝饱满、均匀。
(2)墙体尺寸偏差:墙体厚度、高度、门窗洞口尺寸等符合设计要求。
砖砌体工程检验批质置验收记录表检验规定和说明适用范围:本表适用于明(盖)挖车站、暗挖车站的框架结构砌体工程施工质量验收。
监理单位验收结论专业监理工程师:年月日检验批的划分:按施工作业段划分。
主控项目:1、砖和砂浆的强度等级必须符合设计要求。
抽检数量:每一生产厂家的砖到现场后,按烧结砖15万块、多孔砖5万块、灰砂砖及粉煤灰砖10万块各为一验收批,抽检数量为1组。
砂浆试块的抽检数量每一检验批且不超过25(⅛3砌体的各种类型及强度等级的砌筑砂浆,每台搅拌机应至少抽检一次。
检验方法:查砖和砂浆试块试验报告。
2、砌体水平灰缝的砂浆饱满度不得小于80%。
抽检数量:每检验批抽查不应少于5处。
检验方法:用百格网检查砖底面与砂浆的粘结痕迹面积。
每处检测3块砖,取其平均值。
3、砖砌体的转角处和交接处应同时砌筑,严禁无可靠措施的内外墙分砌施工。
对不能同时砌筑而又必须留置的临时间断处应砌成斜槎,斜槎水平投影长度不应小于高度的2/3。
抽检数量:每检验批抽20%接槎,且不应少于5处。
检验方法:观察检查。
4、非抗震设防及抗震设防烈度为6度、7度地区的临时间断处,当不能留斜槎时,除转角处外,可留直槎,但直槎必须做成凸槎。
留直槎处应加设拉结钢筋,拉结钢筋的数量为每120mm墙厚放置1f6拉结钢筋(120mm厚墙放置2$6拉结钢筋),间距沿墙高不应超过500mm;埋人长度从留槎处算起每边均不应小于500mm,对抗震设防烈度6度、7度的地区,不应小于1000mm;末端应有90弯钩。
抽检数量:每检验批抽20%接槎,且不应少于5处。
检验方法:观察和尺量检查。
合格标准:留槎正确,拉结钢筋设置数量、直径正确,竖向间距偏差不超过Ioomm,留置长度基本符合规定。
5、砖砌体的位置及垂直度允许偏差应符合检验批表中数值的规定。
检验方法:轴线位置偏移用经纬仪和尺检查或用其他测量仪器检查。
垂直度用2m托线板检查,或用经纬仪、吊线和尺检查,或用其他测量仪器检查。
砌体工程质量检查表
说明:本工程外墙为300厚加气混凝土砌块,内墙为200厚加气混凝土砌块,卫生间、厨房内墙为200厚和100厚非承重烧结空心砖。
1. 卫生间墙体采用烧结粘土空心砖,用M7.5水泥砂浆砌筑,其余均用加气混凝土加气块砌筑,用M5混合砂浆砌筑。
2. 空心砌块的砌体灰缝应为8-12mm,加气混凝土砌块砌体的水平灰缝厚度和竖向灰缝宽度分别为15mm和20mm。
3. 填充墙墙体的水平砂浆饱满度应≥80%,垂直灰缝不得有明缝、假缝瞎缝。
检测方法为百格网检查块材底砂浆的粘结痕迹面积。
4. 填充墙墙体的表面平整度应为≤8mm,垂直度应为≤5mm。
检测方法为用两米检测尺和楔形塞尺。
5. 填充墙砌至接近梁底、板底时应留置一定的空隙,待填充墙砌筑完并应至少间隔7天后,再将其补砌挤紧。
砖砌体单元工程质量评定表
项目基本信息
- 工程名称:(填写工程名称)
- 项目地点:(填写项目地点)
- 施工单位:(填写施工单位)
- 监理单位:(填写监理单位)
- 施工期限:(填写施工期限)
评定标准
1. 强度评定
- 砌筑强度:(填写砌筑强度评定情况)
- 砌体垂直度:(填写砌体垂直度评定情况)
- 砌体水平度:(填写砌体水平度评定情况)
2. 外观评定
- 砌体表面平整度:(填写砌体表面平整度评定情况)- 砌体颜色:(填写砌体颜色评定情况)
- 砌体开裂:(填写砌体开裂评定情况)
3. 尺寸与偏差评定
- 砌体尺寸:(填写砌体尺寸评定情况)
- 砌体垂直度偏差:(填写砌体垂直度偏差评定情况)
- 砌体水平度偏差:(填写砌体水平度偏差评定情况)
4. 砌筑工序评定
- 砌筑接缝:(填写砌筑接缝评定情况)
- 保温层施工:(填写保温层施工评定情况)
- 砌筑质量控制:(填写砌筑质量控制评定情况)
总结与建议
根据以上评定情况,综合判断该砖砌体单元工程质量的合格程度:
- 合格
- 基本合格
- 不合格
建议施工单位针对不合格部分进行整改,并加强质量控制措施,以确保工程的质量达标。
以上评定结果仅供参考,具体评定情况应由相关专业人员进行准确的测量和判断。
砖砌体工程施工质量检查表(GB50203-2011)
钢筋混凝土结构工程施工质量检查表(GB50204-2015)(一)钢筋安装工程施工质量检查表
钢筋安装位置的偏差检查数量:
同一检验批内,对梁、柱和独立基础,应抽查构件数量的10%,且不少于3件;对墙和板,应按有代表性的自然间抽查10%,且不少于3间;对大空间结构,墙可按相邻轴线间高度5m左右划分检查面,板可按纵、横轴线划分检查面,抽查构10%,且不少于3面。
梁、板类构件上部纵向受力钢筋保护层的厚度规定:
合格点率达到90%及以上,且不得有超过上表数值的1.5倍尺寸偏差。
钢筋混凝土结构工程施工质量检查表(GB50204-2015)
(二)现浇结构外观及尺寸偏差质量检查表
现浇结构外观质量缺陷:
漏筋、蜂窝、孔洞、夹渣、疏松、裂缝、连接部位缺陷(连接部位处混凝土有缺陷及连接钢筋、连接件有松动)、外形缺陷(缺棱掉角、棱角不直、翘曲不平、飞边凸肋)、外表缺陷(麻面、掉皮、起砂、沾污)
钢筋混凝土结构工程施工质量检查表(GB50204-2015)模板工程的专项施工方案
滑模、爬模、高大模板支架工程的专项施工方案应进行技术论证。
高大模板:
支模高度超过8m,或构件跨度超过18m,或施工总荷载超过15KN/m2,或施工总荷载超过20KN/m
专项施工方案的内容:
模板及支架的类型;模板及支架的材料要求;模板及支架的计算书和施工图;模板及支架安装、拆除相关技术措施;施工安全及应急措施(预案)、文明施工、环境保护等技术要求。
(三)模板安装工程施工质量检查表
模板工程安全检查表(JGJ59-2011)
扣件式钢管脚手架施工(搭设)质量检查表(JGJ130-2011)
扣件式钢管脚手架施工安全检查表(JGJ59-2011)
地面地板砖铺贴工程施工质量检查表(GB50209-2010)
饰面砖(墙面釉面砖)粘贴工程施工质量检查表(GB50210-2001)
一般抹灰工程施工质量检查表(GB50210-2001)。