路面构造深度试验(手工铺砂法)
- 格式:doc
- 大小:28.50 KB
- 文档页数:2
手工铺砂法是一种常用的测定路面构造深度的方法,主要用于评估路面磨损情况和确定路面维护和修理的需求。
该方法通过在路面上铺撒一层标准颗粒大小的砂子,然后再利用砂磨机对路面进行磨损,最后通过测量砂子与路面之间的深度差来确定路面的构造深度。
本文将详细介绍手工铺砂法测定路面构造深度的操作流程。
二、准备工作1. 装备准备准备好砂磨机、砂子、铲子、工具箱、安全帽、手套等必要的工具和装备。
2. 路面检查在进行测定操作前,需要对路面进行全面检查,确保路面没有明显的裂缝、坑洞或其他损坏情况,以免影响后续的测量工作。
三、操作流程1. 准备工作戴好安全帽和手套,将砂磨机接通电源,并调整磨削深度为零,安装好砂子。
2. 铺砂用铲子将砂子均匀地铺撒在待测路面上,确保砂子的厚度均匀且覆盖3. 砂磨启动砂磨机,将其沿着路面进行磨损,直到砂子与路面的颜色一致或者达到一定的时间。
4. 停机清理关闭砂磨机,清除砂子和路面上的残渣,同时检查砂磨机的工作状态和磨损情况。
5. 测量深度用测量工具测量砂子和路面之间的深度差,记录下测量结果。
6. 数据处理将测量得到的数据进行整理和分析,得出路面的构造深度及相关评估结果。
四、注意事项1. 安全第一在操作时需严格遵守安全操作规程,保证个人安全。
2. 精准测量在测量过程中需保持仪器的精准度,避免因操作不慎或仪器故障导致测量结果出现偏差。
3. 路面选择选择较为平整的路面进行测量,应尽量避免在大坑洞、凹凸不平的路面进行测定。
五、总结手工铺砂法测定路面构造深度是一种简单易行且精准的测量方法,适用于各类路面的磨损评估工作。
通过本文对操作流程的详细介绍,希望能够帮助读者更好地掌握手工铺砂法测定路面构造深度的操作技巧,提高工作效率和测量准确度。
六、案例分析为了更好地理解手工铺砂法测定路面构造深度的操作流程,以下将对一个实际案例进行分析。
某城市部分主干道路出现了路面磨损情况,需要进行构造深度的测定,以确定路面的维护和修理需求。
手工铺砂法测定路面构造深度试验方法1 目的与适用范围本方法适用于测定沥青路面及水泥混凝土路面表面构造深度,用以评定路面表面的宏观构造。
2 仪具与材料本方法需要下列仪具与材料1)人工铺砂仪:由圆筒、推平板组成。
a.量砂筒:形状尺寸满足设计要求,一端是封闭的,容积为25±0.15mL,可通过称量砂筒中水的质量以确定其容积V,并调整其高度,使其容积符合规定要求。
带一专门的刮尺将筒口量砂刮平。
b.推平板:形状尺寸满足设计要求,推平板应为木制或铝制,直径50mm,底面粘一层厚1.5mm的橡胶片,上面有一圆柱把手。
c.刮平尺:可用30cm钢板尺代替。
2)量砂:足够数量的干燥洁净的匀质砂,粒径0.15-0.3mm。
3)量尺:钢板尺、钢卷尺,或采用已按式8.1.4将直径换算成构造深度作为刻度单位的专用的构造深度尺。
其它:装砂容器(小铲)、扫帚或毛刷、挡风板等。
3 方法与步骤3.1准备工作1)量砂准备:取洁净的细砂晾干、过筛,取0.15-0.3mm 砂置适当的容器中备用。
量砂只能在路面上使用一次,不宜重复使用。
回收砂必须经干燥、过筛处理后方可使用。
2)按本规程的方法,对测试路段按随机取样选点的方法,决定测点所在横断面位置。
测点应选在行车道的轮迹带上,距路面边缘不应小于1m 。
3.2 试验步骤1)用扫帚或毛刷子将测点附近的路面清扫干净,面积不小于30cm ×30cm 。
2)用小铲装砂沿筒向圆筒中注满砂,手提圆筒上方,在硬质路表面上轻轻地叩打3次,使砂密实,补足砂面用钢尺一次刮平。
注:不可直接用量砂筒装砂,以免影响量砂密度的均匀性。
XXXX 作业指导书 文件编号:XXXX-03-3.57第2页 共 2 页主题:手工铺砂法测定路面构造深度试验方法 第B 版 第0次修订 颁布日期:2017年8月15日3)将砂倒在路面上,用底面粘有橡胶片的推平板,由里向外重复做摊铺运动,稍稍用力将砂细心地尽可能的向外摊开,使砂填入凹凸不平的路面的空隙中,尽可能将砂摊成圆形,并不得在表面上留有浮动余砂。
手工铺沙法测定路面构造深度试验方法1目的与适用范围本方法适用于测定沥青路面及水泥混凝土路面表面构造深度,用以评定路面表面的宏观构造。
2 仪具与材料技术要求本方法需要下列仪具与材料:⑴人工铺砂仪:由圆筒、推平板组成。
①量砂筒:一端是封闭的,容积为25mL±0.15mL,可通过称量砂筒中水的质量以确定其容积V,并调整其高度,使其容积符合规定。
带一专门的刮尺,可将筒口量砂刮平。
②推平板:推平板应为木制或铝制,直径50mm,底面粘一层厚1.5mm的橡胶片,上面有一圆柱把手。
③刮平尺:可用30cm钢板尺代替。
⑵量砂:足够数量的干燥洁净的匀质砂,粒径0.15~0.3mm。
⑶量尺:钢板尺、钢卷尺,或采用已按式(T 0961)将直径换算成构造深度作为刻度单位的专用的构造深度尺。
⑷其他:装砂容器(小铲)、扫帚或毛刷、挡风板等。
3 方法与步骤3.1 准备工作⑴量砂准备:取洁净的细砂,晾干过筛,取0.15~0.3mm 的砂置适当的容器中备用。
量砂只能在路面上使用一次,不宜重复使用。
⑵按本规程附录A的方法,对测试路段按随机取样选点的方法,决定测点所在横断面位置。
测点应选在车道的轮迹带上,距路面边缘不应小于1m。
3.2 测试步骤⑴用扫帚或毛刷子将测点附近的路面清扫干净,面积不小于30mm×30mm。
⑵用小铲装砂,沿筒壁向圆筒中注满砂,手提圆筒上方,在硬质路表面上轻轻地叩打3次,使砂密实;补足砂面用钢尺一次刮平。
注:不可直接用量砂筒装砂,以免影响量砂密度的均匀性。
⑶将砂倒在路面上,用底面粘有橡胶片的推平板,由里向外重复作旋转摊铺运动,稍稍用力将砂细心地尽可能地向外摊开,使砂填入凹凸不平的路表面的空隙中,尽可能将砂摊成圆形,并不得在表面上留有浮动余砂。
注意,摊铺时不可用力过大或向外推挤。
⑷用钢板尺测量所构成圆的两个垂直方向的直径,取其平均值,准确至5mm。
⑸按以上方法,同一处平行测定不小于3次,3个测点均位于轮迹带上,测点间距3~5m。
T0961-1995 手工铺砂法测定路面构造深度试验方法1 目的与适用范围本方法适用于测定沥青路面及水泥混凝土路面表面构造深度,用以评定路面表面的宏观结构。
2 仪具与材料技术要求本方法需要下列仪具与材料:(1)人工铺砂仪:由圆筒、推平板组成。
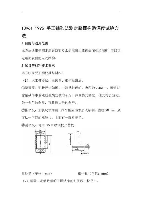
①量砂筒:形状尺寸如图。
一端是封闭的,容积为25mL±,可通过称量砂筒中的水质量确定其容积V,并调整其高度,使其符合规定。
带一专门的刮尺,可将筒口量砂刮平。
②推平板:形状尺寸如图。
推平板应为木质或铝制,直径50mm,底面粘一层厚的橡胶片,上面有一圆柱把手。
③刮平尺:可用30cm厚钢板尺替代。
量砂筒(单位:mm)推平板(单位:mm)(2)量砂:足够数量的干燥洁净的匀质砂,粒径~。
(3)量尺:钢板尺、钢卷尺,或采用已按公式将直径换算成构造深度作为刻度单位的专用的构造深度尺。
.(4)其他:装砂容器(小铲)、扫帚或毛刷、挡风板。
3 方法与步骤准备工作(1)量砂准备:取洁净的细砂,晾干过筛,取~的砂置适当的容器中备用。
量砂只能在路面上使用一次,不宜重复使用。
(2)按规程的方法,对测定路段按随机取样选点的方法,决定测点所在横断面位置。
测点应选在车道的轮迹带上,距路面边缘不应小于1m。
测试步骤(1)用扫帚或毛刷将测点附近的路面清扫干净,面积不小于30cm*30cm。
(2)用小铲装砂,沿筒壁向圆筒中注满砂,手提圆筒上方,在硬质路表面上轻轻地叩打3次,使砂密实,补足砂面用钢尺一次刮平。
(不可直接用量砂筒装砂,以免影响筒内量砂的密度均匀性。
)(3)将砂倒在路面上,用底面粘有橡胶板的推平板,由里向外重复作旋转摊铺运动,稍稍用力将砂细心的尽可能向外摊开,使砂填入凹凸不平的路表面的空隙中,尽可能将砂摊成圆形,并不得在表面留有浮动砂砾。
注意摊铺时不可用力过大或向外推挤。
(4)用钢板尺测量所构成圆的两个垂直方向的直径,取其平均值,精确至5mm。
(5)按以上方法,同一处平行测定不少于3次,3个测点均位于轮迹带上,测点间距3~5m。
T0961—1995 手工铺砂测定路面构造深度试验方法1 目的与适用范围本方法适用于测定沥青路面及水泥混凝土路面表面构造深度,用以评定路面表面的宏观构造。
2 主要检测设备2.1人工铺砂仪:由圆筒、推平板组成。
0961-1,一端是封闭的,容积为25mL±0.15mL,可通过称量砂筒中水的质量以确定其容积V,并调整其高度,使其容积符合规定。
带一专门的刮尺,可将筒口量砂刮平。
0961-2。
推平板应为木制或铝制,直径50mm,底面粘一层厚1.5mm的橡胶片,上面有一圆柱把手。
图T 0961-1 量砂筒(单位:mm)图T 0961-2 推平板(单位:mm)2.2量砂:足够数量的干燥洁净的匀质砂,粒径0.15mm~0.3mm。
2.3量尺:钢板尺,钢卷尺,或采用将直径换成构造深度作为刻度单位的专用构造深度尺。
2.4其他:装砂容器(小铲)、扫帚或毛刷、挡风板等。
3 试验准备3.1量砂准备:取洁净的细砂,晾干过筛,取0.15mm~0.3mm的砂置适当的容器中备用。
量砂只能在路面上使用一次,不宜重复使用。
3.2对试验路段按随机取样选点的方法,决定测点所在的横断面位置。
测点应选在车道的轮迹带上,距路面边缘不应小于1m。
14.1用扫帚或毛刷将测点附近的路面清扫干净,面积不小于30cm ×30cm 。
4.2用小铲装砂,沿筒壁向量砂筒中注满砂,手提量砂筒上方,在硬质路表面上轻轻地叩打3次,使砂密实,补足砂面用钢尺一次刮平。
4.3将砂倒在地面上,用底面粘有橡胶片的推平板,由里向外重复做旋转摊铺运动,稍稍用力将砂细心地尽可能地向外摊开,使砂填入凹凸不平的路表面的空隙中,尽可能将砂摊成圆形,并不得在表面留有浮动余砂。
注意摊铺时不可用力过大或向外推挤。
4.4用钢板尺测量所构成圆的两个垂直方向的直径,取其平均值,准确至5mm 。
4.5按以上方法,同一处平行测定不少于3次,3个测点均位于轮迹带上,测点间距3m ~5m 。
手工铺沙法测定路面构造深度试验方法1目的与适用范围本方法适用于测定沥青路面及水泥混凝土路面表面构造深度,用以评定路面表面的宏观构造。
2 仪具与材料技术要求本方法需要下列仪具与材料:⑴人工铺砂仪:由圆筒、推平板组成。
①量砂筒:一端是封闭的,容积为25mL±0.15mL,可通过称量砂筒中水的质量以确定其容积V,并调整其高度,使其容积符合规定。
带一专门的刮尺,可将筒口量砂刮平。
②推平板:推平板应为木制或铝制,直径50mm,底面粘一层厚1.5mm的橡胶片,上面有一圆柱把手。
③刮平尺:可用30cm钢板尺代替。
⑵量砂:足够数量的干燥洁净的匀质砂,粒径0.15~0.3mm。
⑶量尺:钢板尺、钢卷尺,或采用已按式(T 0961)将直径换算成构造深度作为刻度单位的专用的构造深度尺。
⑷其他:装砂容器(小铲)、扫帚或毛刷、挡风板等。
3 方法与步骤3.1 准备工作⑴量砂准备:取洁净的细砂,晾干过筛,取0.15~0.3mm 的砂置适当的容器中备用。
量砂只能在路面上使用一次,不宜重复使用。
⑵按本规程附录A的方法,对测试路段按随机取样选点的方法,决定测点所在横断面位置。
测点应选在车道的轮迹带上,距路面边缘不应小于1m。
3.2 测试步骤⑴用扫帚或毛刷子将测点附近的路面清扫干净,面积不小于30mm×30mm。
⑵用小铲装砂,沿筒壁向圆筒中注满砂,手提圆筒上方,在硬质路表面上轻轻地叩打3次,使砂密实;补足砂面用钢尺一次刮平。
注:不可直接用量砂筒装砂,以免影响量砂密度的均匀性。
⑶将砂倒在路面上,用底面粘有橡胶片的推平板,由里向外重复作旋转摊铺运动,稍稍用力将砂细心地尽可能地向外摊开,使砂填入凹凸不平的路表面的空隙中,尽可能将砂摊成圆形,并不得在表面上留有浮动余砂。
注意,摊铺时不可用力过大或向外推挤。
⑷用钢板尺测量所构成圆的两个垂直方向的直径,取其平均值,准确至5mm。
⑸按以上方法,同一处平行测定不小于3次,3个测点均位于轮迹带上,测点间距3~5m。
手工铺砂法测定路面构造深度试验方法1. 什么是手工铺砂法?说到路面构造深度试验,不知道大家有没有想过,这种事儿其实也可以像玩儿沙子一样简单。
手工铺砂法,顾名思义,就是用砂子来测量路面的深度。
别看名字很简单,其实这是一种很实用的检测方法,特别适合那些不愿意花大钱买高科技设备的地方。
手工铺砂法的核心就是“铺”和“量”,简单来说,就是把一定量的细砂均匀地铺在路面上,然后用工具量出砂子的厚度,从而间接测量路面的构造深度。
听上去是不是有点像在玩沙子?不过可别小看了这玩意儿,它可是很讲究技巧的哦。
2. 手工铺砂法的步骤2.1 准备工作在正式开始之前,我们得先做好准备工作。
这就像做饭前得备齐所有的材料一样,少了哪个步骤都会出乱子。
首先,你需要准备好细砂,这种砂子最好颗粒均匀,别用那种粗砂,不然会影响测量的准确性。
还有就是准备一个标准的量具,比如量尺或者专门的深度尺。
哦,对了,还需要一个扫帚,用来把铺上的砂子弄平整。
2.2 测量过程好了,准备工作做得差不多了,我们就可以进入正题了。
首先,把准备好的细砂均匀地撒在路面上,记住要撒得均匀哦,像铺面包屑一样,这样才能保证测量结果的准确性。
然后,用扫帚把砂子扫平,使其表面与路面平齐。
接下来,就是用量具来测量砂子的厚度。
这里有个小窍门,测量的时候要注意砂子表面的平整度,别让砂子堆在某个地方,这样会影响测量结果。
测量的时候,一定要把砂子和路面的距离量得准确无误,这样才能得出可靠的数据。
2.3 数据记录与分析测量完毕后,就该记录数据了。
这一步也很关键,记录的时候要仔细,最好把每一个点的数据都写下来,然后做个平均值。
这样的话,误差就能减少很多。
然后,根据这些数据,我们就可以计算出路面的构造深度了。
这个过程可能会稍微复杂一点,但只要按照步骤来,就不会出问题。
3. 手工铺砂法的优缺点3.1 优点说到手工铺砂法的优点,那真是多得数不清。
首先,它简单易操作,不需要高科技设备,只要有砂子和量具就能搞定。
手工铺砂法测定路面构造深度试验方法1 目的与适用范围本方法适用于测定沥青路面及水泥混凝土路面表面构造深度,用以评定路面表面的宏观构造。
2 仪具与材料本方法需要下列仪具与材料1)人工铺砂仪:由圆筒、推平板组成。
a.量砂筒:形状尺寸满足设计要求,一端是封闭的,容积为25±0.15mL,可通过称量砂筒中水的质量以确定其容积V,并调整其高度,使其容积符合规定要求。
带一专门的刮尺将筒口量砂刮平。
b.推平板:形状尺寸满足设计要求,推平板应为木制或铝制,直径50mm,底面粘一层厚1.5mm的橡胶片,上面有一圆柱把手。
c.刮平尺:可用30cm钢板尺代替。
2)量砂:足够数量的干燥洁净的匀质砂,粒径0.15-0.3mm。
3)量尺:钢板尺、钢卷尺,或采用已按式8.1.4将直径换算成构造深度作为刻度单位的专用的构造深度尺。
其它:装砂容器(小铲)、扫帚或毛刷、挡风板等。
3 方法与步骤3.1准备工作1)量砂准备:取洁净的细砂晾干、过筛,取0.15-0.3mm 砂置适当的容器中备用。
量砂只能在路面上使用一次,不宜重复使用。
回收砂必须经干燥、过筛处理后方可使用。
2)按本规程的方法,对测试路段按随机取样选点的方法,决定测点所在横断面位置。
测点应选在行车道的轮迹带上,距路面边缘不应小于1m。
3.2 试验步骤1)用扫帚或毛刷子将测点附近的路面清扫干净,面积不小于30cm×30cm。
2)用小铲装砂沿筒向圆筒中注满砂,手提圆筒上方,在硬质路表面上轻轻地叩打3次,使砂密实,补足砂面用钢尺一次刮平。
注:不可直接用量砂筒装砂,以免影响量砂密度的均匀性。
3)将砂倒在路面上,用底面粘有橡胶片的推平板,由里向外重复做摊铺运动,稍稍用力将砂细心地尽可能的向外摊开,使砂填入凹凸不平的路面的空隙中,尽可能将砂摊成圆形,并不得在表面上留有浮动余砂。
注意摊铺时不可用力过大或向外推挤。
4)用钢板尺测量所构成圆的两个垂直方向的直径,取其平均值,准确至5mm。
简述手工铺砂法测定路面构造深度的步骤手工铺砂法是一种常用的测定路面构造深度的方法。
它通过手工将砂浆铺于路面上,然后测量砂浆的厚度,从而确定路面的构造深度。
下面将以步骤的形式详细介绍手工铺砂法的操作过程。
步骤一:准备工作首先需要准备好必要的工具和材料。
主要的工具包括:铺砂工具(如砂浆刮板、直尺等)、测量工具(如卷尺、测量尺等)、清洁工具(如刷子、拖把等)。
而材料方面主要是砂浆,根据实际需求选择合适的砂浆类型和配比。
步骤二:清洁路面在进行铺砂操作之前,需要将路面进行彻底清洁。
清除路面上的杂物、尘土等,确保路面干净整洁。
步骤三:确定铺砂区域根据需要测定的路面构造深度,确定铺砂的区域。
可以根据实际情况选择合适的区域进行铺砂操作。
步骤四:铺砂将准备好的砂浆均匀地铺于路面上。
可以使用砂浆刮板将砂浆平整地铺在路面上,并且保持一定的厚度。
在铺砂过程中要注意控制铺砂的厚度,以达到准确测量的目的。
步骤五:等待砂浆干燥铺砂完成后,需要等待砂浆完全干燥。
干燥的时间根据砂浆类型和厚度的不同而有所差异,一般需要等待数小时至一天。
步骤六:测量砂浆厚度在砂浆完全干燥后,使用测量工具(如卷尺、测量尺等)测量砂浆的厚度。
将测量工具垂直放置于砂浆表面,记录下测量结果。
为了获得更准确的测量结果,可以在砂浆表面进行多次测量,然后取平均值。
步骤七:计算路面构造深度根据测量得到的砂浆厚度,结合砂浆的密度,可以计算出路面的构造深度。
通过这个数值可以了解路面的结构情况,对于道路维护和改进具有重要的参考价值。
手工铺砂法是一种简单直观的测定路面构造深度的方法。
它不需要复杂的仪器设备,只需准备简单的工具和材料即可。
然而,由于其操作的依赖性较强,结果可能受到操作人员技术水平和主观因素的影响。
因此,在实际应用中需要注意操作的规范性和准确性,以保证测量结果的可靠性。
手工铺砂法是一种常用的测定路面构造深度的方法。
通过准备工作、清洁路面、确定铺砂区域、铺砂、等待砂浆干燥、测量砂浆厚度和计算路面构造深度等步骤,可以获取到路面的结构情况,为道路的维护和改进提供重要的参考依据。
T0961-1995手工铺砂法测定路面构造深度试验方法1目的与适用范围本方法适用于测定沥青路面及水泥混凝土路面表面构造深度,用以评定路面表面的宏观结构。
2仪具与材料技术要求本方法需要下列仪具与材料:(1)人工铺砂仪:由圆筒、推平板组成。
①量砂筒:形状尺寸如图。
一端是封闭的,容积为25mL±0.15mL,可通过称量砂筒中的水质量确定其容积V,并调整其高度,使其符合规定。
带一专门的刮尺,可将筒口量砂刮平。
②推平板:形状尺寸如图。
推平板应为木质或铝制,直径50mm,底面粘一层厚1.5mm的橡胶片,上面有一圆柱把手。
③刮平尺:可用30cm厚钢板尺替代。
量砂筒(单位:mm)推平板(单位:mm)(2)量砂:足够数量的干燥洁净的匀质砂,粒径0.15~0.3mm。
(3)量尺:钢板尺、钢卷尺,或采用已按公式将直径换算成构造深度作为刻度单位的专用的构造深度尺。
(4)其他:装砂容器(小铲)、扫帚或毛刷、挡风板。
3方法与步骤3.1准备工作(1)量砂准备:取洁净的细砂,晾干过筛,取0.15~0.3mm的砂置适当的容器中备用。
量砂只能在路面上使用一次,不宜重复使用。
(2)按规程的方法,对测定路段按随机取样选点的方法,决定测点所在横断面位置。
测点应选在车道的轮迹带上,距路面边缘不应小于1m。
3.2测试步骤(1)用扫帚或毛刷将测点附近的路面清扫干净,面积不小于30cm*30cm。
(2)用小铲装砂,沿筒壁向圆筒中注满砂,手提圆筒上方,在硬质路表面上轻轻地叩打3次,使砂密实,补足砂面用钢尺一次刮平。
(不可直接用量砂筒装砂,以免影响筒内量砂的密度均匀性。
)(3)将砂倒在路面上,用底面粘有橡胶板的推平板,由里向外重复作旋转摊铺运动,稍稍用力将砂细心的尽可能向外摊开,使砂填入凹凸不平的路表面的空隙中,尽可能将砂摊成圆形,并不得在表面留有浮动砂砾。
注意摊铺时不可用力过大或向外推挤。
(4)用钢板尺测量所构成圆的两个垂直方向的直径,取其平均值,精确至5mm。
T0961-1995 手工铺砂法测定路面构造深度试验方法1 目的与适用范围本方法适用于测定沥青路面及水泥混凝土路面表面构造深度,用以评定路面表面的宏观结构。
2 仪具与材料技术要求本方法需要下列仪具与材料:(1)人工铺砂仪:由圆筒、推平板组成。
①量砂筒:形状尺寸如图。
一端是封闭的,容积为25mL±,可通过称量砂筒中的水质量确定其容积V,并调整其高度,使其符合规定。
带一专门的刮尺,可将筒口量砂刮平。
②推平板:形状尺寸如图。
推平板应为木质或铝制,直径50mm,底面粘一层厚的橡胶片,上面有一圆柱把手。
③刮平尺:可用30cm厚钢板尺替代。
量砂筒(单位:mm)推平板(单位:mm)(2)量砂:足够数量的干燥洁净的匀质砂,粒径~。
(3)量尺:钢板尺、钢卷尺,或采用已按公式将直径换算成构造深度作为刻度单位的专用的构造深度尺。
(4)其他:装砂容器(小铲)、扫帚或毛刷、挡风板。
3 方法与步骤准备工作(1)量砂准备:取洁净的细砂,晾干过筛,取~的砂置适当的容器中备用。
量砂只能在路面上使用一次,不宜重复使用。
(2)按规程的方法,对测定路段按随机取样选点的方法,决定测点所在横断面位置。
测点应选在车道的轮迹带上,距路面边缘不应小于1m。
测试步骤(1)用扫帚或毛刷将测点附近的路面清扫干净,面积不小于30cm*30cm。
(2)用小铲装砂,沿筒壁向圆筒中注满砂,手提圆筒上方,在硬质路表面上轻轻地叩打3次,使砂密实,补足砂面用钢尺一次刮平。
(不可直接用量砂筒装砂,以免影响筒内量砂的密度均匀性。
)(3)将砂倒在路面上,用底面粘有橡胶板的推平板,由里向外重复作旋转摊铺运动,稍稍用力将砂细心的尽可能向外摊开,使砂填入凹凸不平的路表面的空隙中,尽可能将砂摊成圆形,并不得在表面留有浮动砂砾。
注意摊铺时不可用力过大或向外推挤。
(4)用钢板尺测量所构成圆的两个垂直方向的直径,取其平均值,精确至5mm。
(5)按以上方法,同一处平行测定不少于3次,3个测点均位于轮迹带上,测点间距3~5m。
T0961-1995 手工铺砂法测定路面构造深度试验方法1 目的与适用范围本方法适用于测定沥青路面及水泥混凝土路面表面构造深度,用以评定路面表面的宏观结构。
2 仪具与材料技术要求本方法需要下列仪具与材料:(1)人工铺砂仪:由圆筒、推平板组成。
①量砂筒:形状尺寸如图。
一端是封闭的,容积为25mL±0.15mL,可通过称量砂筒中的水质量确定其容积V,并调整其高度,使其符合规定。
带一专门的刮尺,可将筒口量砂刮平。
②推平板:形状尺寸如图。
推平板应为木质或铝制,直径50mm,底面粘一层厚1.5mm的橡胶片,上面有一圆柱把手。
③刮平尺:可用30cm厚钢板尺替代。
量砂筒(单位:mm)推平板(单位:mm)(2)量砂:足够数量的干燥洁净的匀质砂,粒径0.15~0.3mm。
(3)量尺:钢板尺、钢卷尺,或采用已按公式将直径换算成构造深度作为刻度单位的专用的构造深度尺。
(4)其他:装砂容器(小铲)、扫帚或毛刷、挡风板。
3 方法与步骤3.1准备工作(1)量砂准备:取洁净的细砂,晾干过筛,取0.15~0.3mm的砂置适当的容器中备用。
量砂只能在路面上使用一次,不宜重复使用。
(2)按规程的方法,对测定路段按随机取样选点的方法,决定测点所在横断面位置。
测点应选在车道的轮迹带上,距路面边缘不应小于1m。
3.2测试步骤(1)用扫帚或毛刷将测点附近的路面清扫干净,面积不小于30cm*30cm。
(2)用小铲装砂,沿筒壁向圆筒中注满砂,手提圆筒上方,在硬质路表面上轻轻地叩打3次,使砂密实,补足砂面用钢尺一次刮平。
(不可直接用量砂筒装砂,以免影响筒内量砂的密度均匀性。
)(3)将砂倒在路面上,用底面粘有橡胶板的推平板,由里向外重复作旋转摊铺运动,稍稍用力将砂细心的尽可能向外摊开,使砂填入凹凸不平的路表面的空隙中,尽可能将砂摊成圆形,并不得在表面留有浮动砂砾。
注意摊铺时不可用力过大或向外推挤。
(4)用钢板尺测量所构成圆的两个垂直方向的直径,取其平均值,精确至5mm。
构造深度试验(手动铺沙法、电动铺沙法、激光法)一)手工铺砂法1.目的与适用范围本方法适用于测定沥青路面及水泥混凝土路面表面构造深度,用以评定路面表面的宏观粗糙度、路面表面的排水性能及抗滑性能。
2.仪具与材料(1)人工铺砂仪:由圆筒、推平板组成。
①量砂筒:一端是封闭的,容积为(25土0.15)mL,可通过称量砂筒中水的质量以确定其容积V,并调整其高度,使其容积符合要求。
带一专门的刮尺将筒口量砂刮平。
2推平板:推平板应为木制或铝制,直径50mm, 底面粘一层厚1.5mm的橡胶片,上面有一圆柱把手。
③刮平尺:可用30cm钢尺代替。
(2)量砂:足够数量的干燥洁净的匀质砂,粒径为0.15~0.3mm。
(3)量尺;钢板尺、钢卷尺,或采用将直径换算成构造深度作为刻度单位的专用的构造深度尺。
(4)其他:装砂容器(小铲)、扫帚或毛刷、挡风板等。
3.方法与步骤1)准备工作(1)量砂准备:取洁净的细砂晾干、过筛,取0.15~0.3mm的砂置适当的容器中备用。
量砂只能在路面上使用一次,不宜重复使用。
回收砂必须经干燥、过筛处理后方可使用。
(2)对测试路段按随机取样选点的方法,决定测点所在横断面位置。
测点应选在行车道的轮迹带上,距路面边缘不应小于1m。
2)试验步骤①用扫帚或毛刷子将测点附近的路面清扫干净;面积不小于30cmx30cm。
②用小铲装砂沿筒向圆筒中注满砂,手提圆筒上方,在硬质路面上轻轻地叩打3次,使砂密实,补足砂面用钢尺一次刮平。
不可直接用量砂筒装砂,以免影响量砂密度的均匀性。
③将砂倒在路面上,用底面粘有橡胶片的推平板,由里向外重复做摊铺运动,稍稍用力将砂细心地尽可能地向外摊开;使砂填人凹凸不平的路表面的空隙中,尽可能将砂摊成圆形,并不得在表面上留有浮动余砂。
注意摊镭时不可用力过大或向外推挤。
④用钢板尺测量所构成圆的两个垂直方向的直径,取其平均值,准确至5mm。
⑤按以上方法,同一处平行测定不少于3次,3个测点均位于轮迹带上,测点间距3~5m。