不饱和聚酯树脂生产工艺的危险、有害因素分析
- 格式:doc
- 大小:23.50 KB
- 文档页数:2
不饱和聚酯树脂生产工艺分析发布时间:2021-07-27T14:46:15.773Z 来源:《基层建设》2021年第13期作者:李丁[导读] 摘要:本文对不饱和聚酯树脂的生产工艺进行了分析,主要分为两个部分内容。
天津渤化环境修复股份有限公司天津市 300041摘要:本文对不饱和聚酯树脂的生产工艺进行了分析,主要分为两个部分内容。
其一为概述生产工艺,包括通用型生产工艺简介、生产工艺流程以及产品质量指标。
其二为原材料对不饱和聚酯树脂性能影响状况的分析。
关键词:不饱和聚酯;树脂;生产工艺随着玻璃钢行业的蓬勃发展,我国对不饱和聚酯树脂的需求量亦呈不断扩大的趋势。
生产不饱和聚酯树脂,需要生产者较为准确地把握生产工艺的各个环节,并透彻了解各类因素可能对不饱和聚酯树脂性能的影响,以此探索出高质量聚酯树脂的生产技术。
本文即由此入手展开了对不饱和聚酯树脂生产工艺的分析,希望能够为相关生产实践提供一定的借鉴参考。
1 不饱和聚酯树脂生产工艺概述1.1 通用型生产工艺简介通用型不饱和聚酯树脂主要由丙二醇、苯酐、顺酐等按照科学的配比,并在特定的温度(160~210℃之间)进行缩聚制得,随机再向其中加入阻聚剂、石蜡、苯乙烯、光稳定剂等,让它们在70~80℃的温度下混溶,由此而得到的具备一定粘度的液体树脂成品。
此类树脂的耐温性与耐腐蚀性较强,可以在工业生产的很多领域得到应用。
1.2 生产工艺流程生产工艺控制参数的具体情况如下表1所示:表1 生产工艺控制参数1.3 产品质量指标产品质量指标的具体数据如下:外观方面主要呈淡黄色,属于较为透明的液体;酸值方面,具体参数为27~37mgKOH/g;粘度方面,此处以25℃条件为标准,具体参数为2~5p;胶凝时间方面,此处仍以25℃为准,具体参数为12~30min;固体含量方面,具体参数为59%~67%;热稳定性方面,若处在80℃以下主要是24h,若处在25℃以下则为6个月。
2 原材料对不饱和聚酯树脂性能的影响2.1 二元酸对不饱和聚酯树脂性能的影响(1)不饱和二元酸(酐),顺丁烯二酸酐、反丁烯二酸属于工业中较为常见的类型,此类不饱和二元酸可以将不饱和双键提供给聚酯,如此便可在一定条件下使之同苯乙烯单体进行交联共聚。
不饱和聚酯树脂车间现场处置方案1、事故特征1.1风险分析不饱和聚酯树脂是二元酸与二元醇经酯化和缩聚反应的一种线型聚合物,再以单体苯乙烯稀释而成。
由于不饱和聚酯的缩聚反应是熔融缩聚反应,反应过程在加热条件下进行。
如果升温速度过快,或温度过高,缩聚反应速度加快,有可能因升温过快而发生物料溢锅。
兑稀过程如没有控制物料最高温度,温度过高可使物料自聚凝胶。
若苯乙烯等易燃液体泄漏可与空气形成爆炸性混合气体。
1.2 事故类型1.3 事故发生的季节该事故四季均有发生。
1.4 事故发生的征兆1)导热油炉温度过高2)反应釜冷却水流量过小3)突然性停电。
4)搅拌速度和惰性气体流量不正常。
1.5 事故发生的区域及地点树脂车间。
2、应急组织与职责现场处置方案以树脂车间负责人为基层应急救援组织的组长。
应急组织人员的主要职责:组员:1)负责紧急状态下的现场处置,及时控制危险源。
2)疏散周边无关人员,设立警戒区;3)查看周边情况,排除险情。
3、应急处置一、酯化初期物料溢锅(冲料事故)1)立即停止搅拌。
2)关闭加热油阀,停止加热,开冷热油阀,开始冷却。
3)将冷凝器冷却水开到最大。
4)尽量将所溢物料收集到废水桶里,可以重新回收使用;泄漏到地面上的,要构筑围堤或挖坑收容,再送到废水处理装置集中处理。
二、聚酯自聚凝胶1)立即关闭加热油阀,停止加热,开冷热油阀,开始冷却。
2)将二甘醇直接注入酯化釜中,强制物料冷却。
注入的二甘醇量,根据具体情况,不要满出,以达到稀释冷却的目的为准。
3)打开酯化釜底阀,迅速将物料放到包装桶中。
放毕,注水入酯化釜中,将釜清洗干净。
4)物料经技术人员小试后,采用合适的方式再回收处理或报废。
三、兑稀釜树脂凝胶1)立即开大兑稀釜冷却水阀门,增强冷却效果。
2)将冷却水直接注入兑稀釜中,强制物料冷却。
注入冷却水的量,根据具体情况,不要满出,以达到稀释冷却的目的为准。
3)打开兑稀釜底阀,迅速将物料放到包装桶中。
放毕,注水入兑稀釜中,将釜清洗干净。
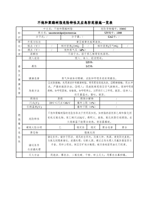
不饱和聚酯树脂安全技术说明书纯品混合物√化学品名称:不饱和聚酯树脂危险性类别:第3.3类,高闪点易燃液体。
侵入途经:吸入、食入、经皮吸收。
健康危害:对眼和上呼吸道粘膜有刺激和麻醉作用。
急性中毒:高浓度时,立即引起眼及上呼吸道粘膜的刺激,出现眼痛、流泪、流涕、喷嚏、咽痛、咳嗽等,继之头痛、头晕、恶心、呕吐、全身乏力等;严重者可有眩晕、步态蹒跚。
眼部受苯乙烯液体污染时,可致灼伤。
慢性影响:常见神经衰弱综合征,有头痛、乏力、恶心、食欲减退、腹胀、忧郁、健忘、指颤等。
对呼吸道有刺激作用,长期接触有时引起阻塞性肺部病变。
皮肤粗糙、皲裂和增厚。
环境危害:对环境有害,应特别注意对水体的污染。
爆炸危险:易燃,遇明火、高热极易燃烧爆炸。
与空气能形成爆炸性混合物。
皮肤接触:脱去被污染的衣着,用肥皂水和清水彻底冲洗皮肤。
情形严重时应就医。
眼睛接触:立即提起眼睑,用大量流动的清水或生理盐水彻底冲洗至少15分钟。
就医。
吸入:迅速脱离现场至空气新鲜处。
保持呼吸道通畅。
如呼吸困难,给输氧。
如呼吸停止,立即进行人工呼吸。
就医。
食入:不要催吐,否则可能会进入肺部。
马上喝两杯水或牛奶。
立即就医。
危险特性:其蒸气与空气可形成爆炸性混合物。
遇明火、高热或氧化剂接触,有引起燃烧爆炸的危险。
遇酸性催化剂如路易斯催化剂、齐格勒催化剂、硫酸、氯化铁、氯化铝等都能产生猛烈聚合,放出大量热量。
其蒸气比空气重,能在较低处扩散到相当的地方,遇明火会引着回燃。
有害燃烧产物:一氧化碳、二氧化碳灭火方法及灭火剂:灭火方法:尽可能将容器从火场移至空旷处。
喷水保持火场容器冷却,直至灭火结束。
灭火剂:泡沫、干粉、二氧化碳、砂土。
用水灭火无效。
遇大火,消防人员须在有防护掩蔽处操作。
应急处理:迅速撤离泄漏污染区工作人员至安全区,并进行隔离,严格限制出入。
切断火源。
建议处理人员戴自给式正压呼吸器,穿消防服。
尽可能切断泄漏源,防止进入下水道、排洪沟等限制空间。
小量泄漏:用活性炭或其它惰性材料吸收。
不饱和聚酯树脂有毒有害物质限量标准
不饱和聚酯树脂中的有毒有害物质限量标准主要包括以下几点:
1. 挥发性有机化合物(VOCs):在生产和应用过程中,不饱
和聚酯树脂可能会释放VOCs,如苯、甲苯、二甲苯等有毒有
害物质。
因此,对于不饱和聚酯树脂中的VOCs含量,相关部门制定了限量标准。
2. 重金属元素:不饱和聚酯树脂中可能含有铅、镉、汞等重金属元素,这些元素对人体和环境都具有较强毒性。
因此,针对这些重金属元素,相关部门也制定了严格的限量标准。
3. 可挥发性含浸剂(VCI): 不饱和聚酯树脂中的VCI可能会
挥发到环境中,对人体和环境都可能造成危害。
因此,对于这些VCI也制定了限量标准。
总之,限量标准的目的是为了保护人体健康和环境的安全,同时保证不饱和聚酯树脂的应用质量和安全性。
不饱和聚酯树脂事故案例在过去的几十年里,不饱和聚酯树脂事故案例屡见不鲜。
不饱和聚酯树脂是一种广泛应用于建筑、汽车、航空航天和船舶等领域的重要材料,它具有优异的物理性能和化学稳定性。
然而,由于其在加工和使用过程中存在一定的风险,不饱和聚酯树脂事故时有发生。
一、厂内事故1.爆炸事故2012年,某化工厂发生一起不饱和聚酯树脂爆炸事故,造成多人伤亡和严重财产损失。
据初步调查,事故是由于操作人员在进行聚酯树脂储罐内部清理时,由于未能及时排空储罐内残留的挥发性物质导致的。
聚酯树脂的挥发物在高温和高压下会产生大量蒸汽,一旦遇到火源就可能引发爆炸。
2.中毒事故2015年,某化工厂的一名工人在进行聚酯树脂的搅拌作业时,由于未采取有效的通风措施,吸入了大量挥发性有机物质,导致中毒。
该工人被紧急送往医院抢救,幸运的是最终脱离了生命危险。
二、运输事故1.道路事故2018年,在某个城市的一条高速公路上,一辆载有大量不饱和聚酯树脂的卡车发生了侧翻事故。
由于聚酯树脂属于易燃易爆物质,事故现场迅速产生了大面积火灾,给当地居民和消防人员的生命财产造成了重大威胁。
2.铁路事故2019年,某铁路公司一列运输聚酯树脂的货运列车发生了侧翻事故,一些货车的货物散落在铁轨上。
由于聚酯树脂的易燃性,事故现场很快引燃了大面积火灾,给附近的居民和环境带来了巨大风险。
三、使用过程中的事故1.聚酯树脂泄漏2017年,在某汽车制造厂的涂装车间,一台用于喷涂汽车的设备发生泄漏,导致大量聚酯树脂溅落到地面,形成较大的火灾隐患。
由于过去的安全管理不到位,事故现场没有设立防护措施,导致了泄漏的扩散。
2.聚酯树脂着火2016年,某船舶制造厂的一个车间着火,大火很快蔓延到了存放聚酯树脂的仓库。
由于聚酯树脂具有较高的燃烧性,火势很快失控,给消防救援带来了很大的困难。
以上只是一些不饱和聚酯树脂事故案例的一部分,事实上,由于人为操作不当、缺乏安全设施和管理等原因,类似的事故每年都在发生。
涂料树脂工艺过程中的危险特性及有害因素分析张小冬一、树脂合成工艺过程的危险特性聚合反应的危险性来自物料本身、环境因素及人为因素。
根据聚合的实际情况,现将工艺过程的主要危险特性分析如下:(1)溢锅一般出现在酯化前期,聚氨酯含羟基组份的物料在真空脱水阶段因操作失控也时有出现。
其主要原因是:①原料含水分超标,升温过快过急。
②酯化升温速度过快,导致回流甲苯、酯化水大量蒸发,超过了冷凝器的冷却能力。
③反应过程中意外停水或冷却水量不足也可能引起涨锅。
④对稀温度超过稀料沸点温度等。
⑤丙烯酸树脂合成时单体滴加速度过快或滴加湾前后的自升温现象剧烈等,易造成物料上升或釜压升高而涨料。
其危险性是反应物溢锅跑料后,产生大量可燃气体蒸气,一旦遇上点火源即会发生火灾,甚至爆炸事故。
反应过程中,发生溢锅时可采取添加适量甲基硅油、停止加热或降温等措施。
根据需要停止搅拌。
(2)胶化①属于缩合聚合型的醇酸树脂、氨基树脂、聚酯树脂来说,造成胶化的主要原因是:配方设计不合理或配料错误;因搅拌效果欠佳,造成局部物料温度过高,局部产生胶化;反应物酯化温度过高致使酸值的降低与粘度的增长不匹配而造成;反应釜内测温点不足或设置不合理;超时反应。
②属于逐步加成聚合型的聚氨酯来说,造成胶化原因主要如下:原材料含水分或含催化性的碱性杂质;投料配比失调或异氰酸酯投料不足;投料速度过快;超温或超时反应;放热反应过程中意外停电、停水或冷却水量不足。
③以上两者危险特性比较,缩合聚合反应需加温以促进酯化,反应过程是可逆反应,需要将酯化反应产生的水除去,以保证反应的持续进行。
在反应釜中若发现有胶化迹象时,尚可及时加入解聚剂应急解聚;而逐步加成聚合则是放热反应,且一般是不可逆的。
故聚氨酯固化剂的制造远比缩合聚合型树脂敏感,稍有不慎,即引发胶化事故的发生。
一旦发生胶化,整釜物料报废,并可能在胶凝瞬间导致电机烧毁产生火花,引发火灾事故。
而清理反应釜内胶凝物的过程,毒气易造成对人体伤害。
不饱和聚酯树脂生产工艺的危险、有害因素分析不饱和聚酯树脂生产工艺的危险、有害因素分析【摘要】不饱和聚酯树脂是热固性树脂中最常用的一种,它是由饱和二元酸、不饱和二元酸和二元醇缩聚而成的线形聚合物,经过交联单体或活性溶剂稀释形成的具有一定黏度的树脂溶液,而缩聚化反应也是缩聚反应是合成高分子化合物的基本反应之一,在有机高分子化工领域有重要应用,因此,对不饱和聚酯树脂生产中危险有害因素进行辨识,对于确保不饱和聚酯树脂的安全生产十分重要。
【关键词】不饱和聚酯树脂;危险有害因素在不饱和聚酯树脂生产过程中,涉及的危险物料有丙二醇、乙二醇、二丙二醇、二乙二醇、邻苯二甲酸酸酐、顺丁二烯酸酐、交联剂苯乙烯、溶剂丙酮,添等品种;涉及的主要工艺单元缩聚、稀释、调和、灌装等四个单元。
反应中的深度聚合反应温度达到190~220℃,因此在不饱和聚酯树脂的生产过程中必须注意生产过程中有关物料的危害性,预防火灾和爆炸事故、中毒事故以及灼伤事故的发生,以保证人身安全。
针对不饱和聚酯树脂装置涉及的物料危险特性,有必要辨识出生产过程中的主要危险、有害因素,为企业的安全管理提供依据和参考。
以下以某年产10万吨不饱和聚酯树脂装置为例,分析其中存在的危险有害因素。
1.缩聚单元的危险、有害因素分析(1)缩聚在高温下进行,通常反应温度为160~220℃。
按《石油化工企业设计防火规范》(GB50160-2008)分类,操作温度高于其闪点的乙二醇、顺丁二烯酸酐火灾危险类别为“乙A类类可燃液体”,操作温度高于其闪点的丙二醇、邻苯二甲酸酸酐火灾危险类别为“乙B类类可燃液体”,它们的蒸气与空气混合都能形成爆炸性气体。
顺丁二烯酸酐的闪点为110℃,邻苯二甲酸酸酐的闪点为151.7℃,乙二醇的闪点为111.1℃,丙二醇的的闪点为180℃。
邻苯二甲酸酸酐的爆炸极限为1.7~10.4%,顺丁二烯酸酐的爆炸极限为3.4~7.1%。
由于反应温度高,如有不慎,温度猛升,可能反应过猛造成溢料现象,一旦酿成反应釜中的温度处于闪点以上区域的物料泄漏、外溢,其高温蒸气与空气中氧形成爆炸性混合物,就可能酿成火灾、爆炸事故。
基于危险以及有害因素在不饱和聚酯树脂生产工艺中的分析摘要:本文阐述不饱和聚酯树脂生产工艺中对危险以及有害因素控制的重要性,对不饱和聚酯树脂生产工艺中危险以及有害因素产生的原因进行说明,做出不饱和聚酯树脂生产工艺危险以及有害因素控制措施的分析,希望对我国不饱和聚酯树脂生产工艺中危险以及有害因素防控的发展有所帮助。
关键词:危险有害因素;不饱和聚酯树脂;生产工艺一、不饱和聚酯树脂生产工艺中对危险以及有害因素控制的重要性随着经济社会的不断发展,不饱和聚酯树脂生产工艺在现代社会具有重要的作用,不饱和聚酯树脂是独特的热固性材料,在生产工艺中最为常见,其组成主要由饱和二元酸、不饱和二元酸、二元醇等。
不饱和聚酯树脂生产过程中因其会产生不同的化学物质,比如交联单体和活性溶剂稀释物,而这些物质产生之后相互连接会产生树脂溶液。
不饱和聚酯树脂生产中会根据缩聚化反应将其形成高分子的化合物,并且根据其化工领域的情况,对不饱和聚酯树脂生产中产生的危险和有害物质进行判断,分析其生产产生的原因,并且逐步减少有害物质的产生,提高化合物结合的精度。
不饱和聚酯树脂生产中会产生多种有害物质,其中这些有害物质包括丙二醇、乙二醇、二丙二醇等,这些物质涉及的品类较多,主要在生产中产生在缩聚、稀释、调和、灌装等部位,反应是其生产温度会得到瞬时提高,温度提高后不饱和聚酯树脂生产要注意相关材料的危险性,注意防御一些大型事故、中毒事故、灼伤事故等,严格对人身危险进行控制,注意相关安全的防控。
不饱和聚酯树脂生产缩聚反应中是在高压高温条件进行的,反应的温度最低可以达到160度,最高温度能达到220度,按照相关物质燃点的分析,燃点温度包括乙二醇、顺丁二烯酸酐火灾,并且根据燃点的可燃液体的划分,将混合物质称之为爆炸气体。
不同不饱和聚酯树脂生产中产生的物质不同,其燃点也存在差异,反应温度如果太高就会造成温度迅猛升高的情况,严重时还会出现材料满溢的状况。
一旦反应过程中出现温度过高的区域物料泄露,就会根据其高温的情况出现氧气泄露爆炸的状况。
不饱和聚酯树脂事故案例事故概述:在工业生产和化学实验过程中,不饱和聚酯树脂被广泛应用。
然而,由于其特殊的化学性质和安全隐患,不饱和聚酯树脂事故频发。
本文将通过分析一个具体的不饱和聚酯树脂事故案例,探讨其事故原因、应急处置和事故教训。
事件背景:2018年6月,某化工厂发生了一起不饱和聚酯树脂事故。
该厂生产过程中使用的储罐中存有大量不饱和聚酯树脂,由于操作人员疏忽和多环节事故连锁反应,导致不饱和聚酯树脂泄漏并发生剧烈燃烧。
事故原因分析:1. 操作人员疏忽:操作人员在执行工作任务时疏忽大意,没有严格按照操作规程进行操作,未能及时发现不饱和聚酯树脂储罐内部温度异常升高的信号,并采取相应的应对措施。
2. 设备维护不到位:由于设备维护保养不到位,不饱和聚酯树脂储罐内的防腐层和保温层出现老化剥落情况,造成温度上升、泄漏和燃烧的风险逐渐增加。
3.缺乏紧急响应机制:事故发生后,厂方缺乏紧急响应机制和应急演练经验,导致对事故的应急处置不当,失去了事故扩散和发展的最佳时机。
应急处置:1. 安全疏散:事故发生后,首要任务是保障人员安全疏散,将工作区域的人员迅速转移至安全区域,避免人员伤亡。
2. 抗灭火处理:对于发生剧烈燃烧的不饱和聚酯树脂,可以采用干粉灭火器进行灭火处理,避免热源继续提供燃料。
3. 预防扩散:及时启动安全装置,如喷淋系统,将周围环境进行防护,避免事故的进一步蔓延。
事故教训:1. 加强操作规程和安全教育培训:加强对操作人员的安全意识教育和培训,明确操作规程和操作要求,并进行定期检查,确保操作人员的操作行为符合标准。
2. 定期检查和维护设备:加强对不饱和聚酯树脂储罐及相关设备的定期检查和维护,尤其是防腐层和保温层的检修,确保设备的完好性和安全性。
3. 建立应急响应机制:制定完善的应急响应计划,明确责任分工和应对流程,进行定期演练和培训,提高员工的应急处置能力。
4. 总结事故经验教训:事故发生后,应及时进行事故原因分析和总结,总结经验教训,完善和改进管理措施,并进行知识分享和培训,提高全厂人员的安全意识和防范能力。
不饱和聚酯树脂生产中的几个问题摘要:采用直接熔融法,以间歇式方式生产不饱和聚酯树脂时,选择合适的报料方式,控制合适的工艺参数,可生产出质量优等的产品.关键词:不饱和聚酯树脂;熔融法;间歇式生产:工艺参数中图分类号:TQ320.6 文献标识码:A 文章编号:ISSN1008—3332(2002)03—0057—03不饱和聚酯树脂的生产工艺,目前仍以间歇式生产为主,采用直接熔融缩聚法,即把二元醇、二元酸或酸酐等反应物投入缩聚釜中,在惰性气体保护下,高温反应,生成的聚酯放人盛有稀释剂和阻聚剂的釜中,于一定温度下混合,制得粘稠的液态不饱和聚酯树脂.要生产质量稳定的产品,必须对生产过程中的有关工艺参数加以控制.1 投料方法对产品质量的影响在投料方法中分为一步法和两步法两种.所谓一步法就是根据配方将不饱和酸或酸酐、饱和酸或酸酐和二元醇一次投入反应釜内进行反应.所谓两步法是根据配方先将饱和二元酸或酸酐和二元醇投入反应釜中进行反应,当反应进行到一定程度时,再投入不饱和二元酸或酸酐,该法的优点是分子中的双键排列比较均匀规整,有利于性能的提高.例如生产191#树脂时用一步法和两步法作比较:如表1表1 一步法与二步法树脂性能比较实验数据表明,两步法生产的树脂,由于结构上排列比较对称,因此性能较一步法生产的2 反应时间对聚酯性能的影响一般生产中,通过测定反应体系的酸值或粘度来控制反应进程,判断反应终点,所谓酸值是1克反应混合物所消耗的KOH 的毫克数.随着反应的进行,羧基不断和羟基进行酯化反应,使体系中羧基浓度不断下降,酸值不断降低,反应程度不断加深,聚酯的分子量不断提高,不饱和聚酯树脂的物理性能不断提高.缩聚反应时间取决于所用各原料组分的性质及转化程度,而转化率又取决于不饱和酸的用量,反应混合物中不饱和酸量越多,则反应时间越短.由表2可以看出反应时间越短,则聚酯的酸值越高,粘度越低.从而导致树脂固化后的性能变差.实际生产中,该聚酯的反应时间应控制在10—14小时范围内.3 反应温度酯化反应加热升温是一个重要因素,不达到一定温度,酯化反应速度很小,但到达可觉察的反应速度的温度时,几乎任何一个二元醇分子,都可能与二元酸分子缩合成酯,而且酯化反应本身是一个放热反应,倘若继续加热升温会造成反应过于猛烈而溢锅,所以反应到此阶段应停止升温,保温预聚半小时.升高温度增加了分子的运动速度,可促使酯化反应迅速达到平衡,有利于聚合物分子量的增大.但并不是温度越高越好,若温度高于250~C,就会发生下列现象:(1)聚酯分子链中不饱和双键打开,发生聚酯胶凝固釜的危险.(2)发生羧酸脱羧作用,聚酯分子的热裂解反应,造成产品质量变坏.(3)沸点较低的原料挥发损失.(4)反应过于猛烈,造成溢锅事故.(5)产品颜色变深.因此,生产中必须将反应温度控制在一定范围内,通常为160~2l0℃.根据生产实践,反应的升温方式以逐步升温法为好.反应开始后,升温至160~C,停止加热,预聚半小时,当缩水量达到理论总量的2/3时,再升温到200+5~C,直到酸值降到合格为止.为了提高聚酯的活应,必须在反应后期将反应温度升高到195℃以上,保温1h以上,这样可使聚酯内的顺(式)丁烯双键转变为反(式)丁烯双键.4 稀释剂一苯乙烯用量固化前的聚酯是具有不饱和双键的线型结构,稀释剂苯乙烯也具有一个不饱和双键.不饱和聚酯树脂形成最终产品固化时,稀释剂与聚酯之间发生了交联聚合反应,形成了不2002年齐双春:不饱和聚酯树脂生产中的几个问题第3期溶、不熔的具有体型结构的固体.因此不饱和聚酯树脂中稀释剂的量要适当.稀释剂过少,不饱和聚酯树脂形成最终产品时,引起固化不足;稀释剂过多,不饱和聚酯树脂形成最终产品时,稀释剂本身形成长链,影响最终产品的强度及其它性能.通常不饱和聚酯树脂中含有约35%重量的苯乙烯.表3所示为通用树脂以改变苯乙烯含量时对产品性能的影响.表3 苯乙烯不同含量(质量百分数)对通用树脂性能的影响5 结束语不饱和聚酯树脂生产中,要严格控制工艺操作及工艺参数,只有严格控制工艺操作及工艺参数才能生产出质量优等,质量稳定的产品.。
不饱和聚酯树脂生产工艺的危险、有害因素分析
【摘要】不饱和聚酯树脂是热固性树脂中最常用的一种,它是由饱和二元酸、不饱和二元酸和二元醇缩聚而成的线形聚合物,经过交联单体或活性溶剂稀释形成的具有一定黏度的树脂溶液,而缩聚化反应也是缩聚反应是合成高分子化合物的基本反应之一,在有机高分子化工领域有重要应用,因此,对不饱和聚酯树脂生产中危险有害因素进行辨识,对于确保不饱和聚酯树脂的安全生产十分重要。
【关键词】不饱和聚酯树脂;危险有害因素
在不饱和聚酯树脂生产过程中,涉及的危险物料有丙二醇、乙二醇、二丙二醇、二乙二醇、邻苯二甲酸酸酐、顺丁二烯酸酐、交联剂苯乙烯、溶剂丙酮,添等品种;涉及的主要工艺单元缩聚、稀释、调和、灌装等四个单元。
反应中的深度聚合反应温度达到190~220℃,因此在不饱和聚酯树脂的生产过程中必须注意生产过程中有关物料的危害性,预防火灾和爆炸事故、中毒事故以及灼伤事故的发生,以保证人身安全。
针对不饱和聚酯树脂装置涉及的物料危险特性,有必要辨识出生产过程中的主要危险、有害因素,为企业的安全管理提供依据和参考。
以下以某年产10万吨不饱和聚酯树脂装置为例,分析其中存在的危险有害因素。
1.缩聚单元的危险、有害因素分析
(1)缩聚在高温下进行,通常反应温度为160~220℃。
按《石油化工企业设计防火规范》(GB50160-2008)分类,操作温度高于其闪点的乙二醇、顺丁二烯酸酐火灾危险类别为“乙A类类可燃液体”,操作温度高于其闪点的丙二醇、邻苯二甲酸酸酐火灾危险类别为“乙B类类可燃液体”,它们的蒸气与空气混合都能形成爆炸性气体。
顺丁二烯酸酐的闪点为110℃,邻苯二甲酸酸酐的闪点为151.7℃,乙二醇的闪点为111.1℃,丙二醇的的闪点为180℃。
邻苯二甲酸酸酐的爆炸极限为1.7~10.4%,顺丁二烯酸酐的爆炸极限为3.4~7.1%。
由于反应温度高,如有不慎,温度猛升,可能反应过猛造成溢料现象,一旦酿成反应釜中的温度处于闪点以上区域的物料泄漏、外溢,其高温蒸气与空气中氧形成爆炸性混合物,就可能酿成火灾、爆炸事故。
(2)如果反应釜的搅拌设施不能正常运行,一旦出现“因反应不均匀引起的局部过热”现象,就也可能引发冲料事故。
(3)整个反应是在有惰性气体氮气的保护下进行的,惰性气体保护不仅有利于改善成品的外观光泽、帮助排掉水分、提高反应速率、起到气流搅拌作用,还排除了氧气,避免了正常操作环境下形成爆炸性混合物。
一旦因失误、故障,失去氮气保护,有可能酿成火灾、爆炸事故。
(4)缩聚反应的最后阶段在真空下进行,抽真空时如果真空度升得过快过高,有可能造成溢料。
2.稀释单元的危险、有害因素分析
(1)稀释通常在70~80℃下进行。
按《石油化工企业设计防火规范》(GB50160-2008)分类,苯乙烯的火灾危险类别为“乙A类类可燃液体”,其蒸气与空气混合都能形成爆炸性气体。
苯乙烯的爆炸极限为1.1~6.1%。
在稀释过程中,应注意通过调节反应釜投料阀的开启程度和稀释釜夹套的冷却水,聚酯和苯乙烯混合成树脂的最佳温度不得超过80℃。
操作温度超过85℃时,会发生苯乙烯自聚。
(2)为达到不饱和聚酯树脂最佳混合,在稀释过程中需要不断地向釜中通入贫氧气体。
各种失误、故障,造成的贫氧环境的破坏,形成苯乙烯的爆炸性混合气,就可能酿成火灾、爆炸事故。
3.调和单元主要危险、有害因素分析
(1)调和通常在常温下进行。
按《石油化工企业设计防火规范》(GB50160-2008)分类,丙酮的火灾危险类别为“甲B类类可燃液体”,不饱和聚酯树脂的火灾危险类别为““乙A类类可燃液体”,它们蒸气与空气混合都能形成爆炸性气体。
丙酮的爆炸极限为1.1~6.1%。
调和操作主要涉及丙酮、不饱和聚酯树脂,如果不能有效防止物料泄漏,可能发生燃烧甚至爆炸。
(2)注意控制搅拌器的速度,如果不采取静电释放措施,过快的搅拌速度产生静电可能引燃调和釜内的物料燃烧甚至爆炸。
4.灌装单元主要危险、有害因素分析
(1)灌装通常在常温下进行。
按《石油化工企业设计防火规范》(GB50160-2008)分类,不饱和聚酯树脂的火灾危险类别为““乙A类类可燃液体”,它们蒸气与空气混合都能形成爆炸性气体。
灌装桶过程中如果装成品的桶倾倒,可能导致人员砸伤及物料流失。
如果易燃不饱和树脂遇到点火源,即可能发生燃烧甚至爆炸事故。
(2)灌装槽罐过程中如果作业人员放置好接料桶,一旦超装接料桶倾倒,其可能导致人员砸伤及物料流失。
如果易燃不饱和树脂遇到点火源,即可能发生燃烧爆炸事故。
[科]。