重庆市建筑工程安全资料检查清单
- 格式:pdf
- 大小:98.13 KB
- 文档页数:6
重庆渝祺建筑工程有限公司
年度安全资金投入计划和实施情况
为了保证2014年安全资金投入准确及时到位,公司安全生产投入计划领导小组经过商讨研究,年初制定了如下安全资金投入计划明细表:
安全资金投入计划明细表(一)
安全资金实施情况明细表(二)
分管经理(签字):财务负责人签字:
全年安全资金计划投入为51000元,截止8月底公司已投入安全资金11465元,完成所制定计划22.5%。
针对下余计划任务,我公司正准备加大安全投入经费,抽调相关人员解决目前存在的技术难点,努力确保年度安全资金投入计划顺利完成。
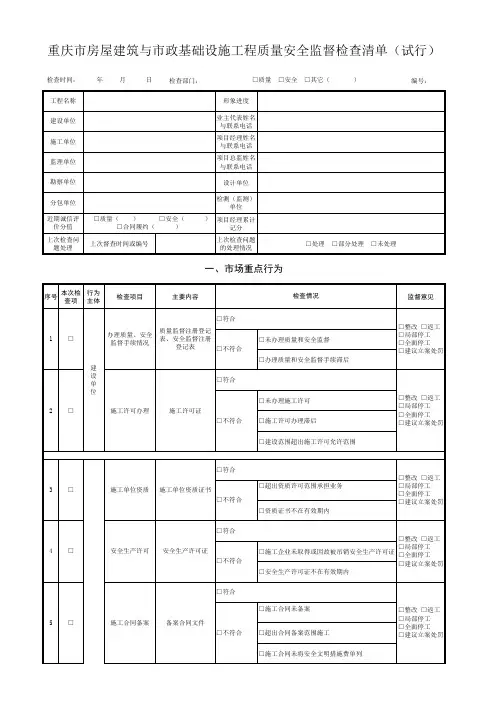
重庆市城乡建设委员会关于印发《重庆市房屋建筑和市政基础设施工程质量安全监督检查清单(试行)》的通知文章属性•【制定机关】重庆市住房和城乡建设委员会•【公布日期】2017.09.06•【字号】渝建〔2017〕488号•【施行日期】2017.09.06•【效力等级】地方规范性文件•【时效性】现行有效•【主题分类】建筑市场监管正文重庆市城乡建设委员会关于印发《重庆市房屋建筑和市政基础设施工程质量安全监督检查清单(试行)》的通知渝建〔2017〕488号各区县(自治县)城乡建委,两江新区、高新区、经开区、万盛经开区、双桥经开区建设局,有关单位:为规范工程质量安全日常巡查、抽查行为,落实参建单位主体责任,促进工程质量安全形势稳定向好,我委编制了《重庆市房屋建筑和市政基础设施工程质量安全监督检查清单》(以下简称《清单》),现印发给你们,并将有关事宜一并通知如下,请遵照执行:一、《清单》主要用于规范全市房屋建筑和市政基础设施工程质量安全日常巡查、抽查行为,实现质量安全监督检查标准化管理,减少监督人员工作的随意性,推动参建各方主体责任落实,促进全市工程质量安全形势稳定向好。
二、《清单》坚持“突出重点、提高效能”原则,包括市场重点行为、质量重点行为、安全重点行为、质量安全共性重点行为等四部分主要内容,检查以“四不两直”方式进行。
三、《清单》主要供各区县质量安全监督机构日常巡查、抽查时参考使用,不取代各单位正常开展的质量安全监督工作(包括诚信综合评价)。
四、各区县应建立《清单》联席处置工作机制,应明确牵头科室和成员单位,指派专人,定期召开联席会议,共同研究处置重点、难点问题。
五、《清单》检查系质量安全监督工作创新,难免疏漏,尚需在实施中不断修改完善。
请各区县在实施过程中,注意收集各方意见,适时向市城乡建委反馈。
联系人:建管处黄刚、罗杰,联系电话:63670076、63656515;质监总站谷军,联系电话:63672011;安管总站徐岩,联系电话:63675602。
重庆市新的建筑工地安全台账目录
一、安全生产责任制
二、目标管理
三、施工组织设计及专项施工方案
四、分部(分项)工程安全技术交底
五、安全检查
六、安全教育
七、班前安全活动
八、特种作业持证上岗
九、用工档案
十、施工用电
十一、机械设备管理
十二、安全标志
十三、工伤事故处理
增加的七本安全台账:
十四、在建工程安全监督及相关证件(施工许可证、管理人员资质复印件)
十五、文明施工
十六、应急救援
十七、消防安全管理
十八、劳动防护用品
十九、安全验收
二十、上级文件及检查记录
重庆市建筑工地专职安全员名单
工程名称:施工单位:重庆市建筑工程有限公司。
检查部门:
编号:
一、市场重点行为
重庆市房屋建筑与市政基础设施工程质量安全监督检查清单(试行)
检查时间: 年 月 日
□质量 □安全 □其它( )
□局部停工□全面停工□建议立案处罚
资质证书、人员资
格证书
施工单位
二、质量重点行为
□局部停工□全面停工□建议立案处罚、资料证明文件以
及报验表
验
□局部停工□全面停工□建议立案处罚工序旁站监理
位Array
三、安全重点行为
□局部停工□全面停工
□局部停工□全面停工制及落实
检测与工程施工
安全监测
任制测、监测
四、质量安全共性重点行为。
南鸿建筑公司施工现场安全管理资料安全管理资料说明一、安全管理基础资料应包括下列内容:1、施工单位应对项目管理人员进行管理,收集项目经理部组建文件、人员任命文件及相关证件的复印件。
2、施工单位安全管理人员或特种作业人员发生变化时,应填写表SA-C1-1.报送给项目监理部,并收集相关证件的复印件。
3、施工单位应建立安全组织保证体系,绘制项目经理部安全管理组织机构图。
4、项目经理部应建立各项安全管理规章制度,填写表SA-C1-1.2,相关资料附后备查。
5、项目经理部应及时整理国家、行业、有关部门的安全生产文件、各工种的安全生产操作规程并存档。
6、项目经理部应收集保险保单、缴费凭证复印件。
二、安全生产责任制应包括下列内容:1、项目经理部应制定安全生产责任制度。
2、项目经理部、施工班组应逐层签订安全生产责任书,填写表SA-C1-2.1 以及表SA-C1-2.2。
3、项目经理部应制定安全生产责任制考核办法,每季度根据各岗位责任落实情况考核结果填写表SA-C1-2.3。
项目负责人应由上级单位进行考核。
三、安全目标管理应包括下列内容:1、项目经理部在施工前应确定安全管理目标。
2、项目经理部应将确定的安全实施目标进行分解、落实到人。
3、项目经理部应制定安全管理目标考核办法,每季度进行目标考核,根据考核结果填写SA-C1-3.1。
四、施工组织设计及专项施工方案管理应包括下列内容:1、项目经理部应编制施工组织设计及专项施工方案,按规定进行审批。
项目经理部应根据审批和论证情况填写表SA-C1-4.1。
2、项目经理部应根据工程的情况填写表SA-C1-4.2。
3、项目经理部应根据工程的情况填写表SA-C1-4.3。
五、危险源辨识与监控管理主要包括下列内容:1、施工单位应按有关规定对工程项目进行危险源的辨识和评价,可采用作业条件危险性评价法对危险源进行评价,填写表SA-C1-5.1。
2、项目经理部应按危险源辨别及评价表中确定的重大危险源,填写表SA-C1-5.2,并由项目负责人批准发布。
表3。
0。
1建筑施工安全检查评分汇总表企业名称:经济类型:资质等级:年月日续表3。
0。
2安全管理检查评分表续表3.0.3文明施工检查评分表续表3。
0。
3文明施工检查评分表2、保证项目有一项不得分或保证项目小计得分不足40分的,检查评分表计零分;3、该表换算到3.0。
1后得分=续表3。
0.4-1落地式外脚手架检查评分表续表3.0.4-1落地式外脚手架检查评分表注:1、发现脚手架钢木、钢竹混合搭设或竹脚手架搭设单排架,检查评分表计零分;2、每项最多扣减分数不大于该项目应得分数;3、保证项目有一项不得分或保证项目小计得分不足40分的,检查评分表计零分;4、该表换算到3.0。
1后得分=表3。
0。
4-2悬挑式外脚手架检查评分表注:1、发现脚手架钢木、钢竹混合搭设,检查评分表计零分;2、每项最多扣减分数不大于该项目应得分数;3、保证项目有一项不得分或保证项目小计得分不足40分的,检查评分表计零分;4、该表换算到3。
0。
1后得分=表3.0。
4-3门型脚手架检查评分表2、保证项目有一项不得分或保证项目小计得分不足40分的,检查评分表计零分;3、该表换算到3。
0.1后得分=表3。
0.4—4挂脚手架检查评分表注:1、发现脚手架钢材木、钢竹混合搭设,检查评分表计零分;2、每项最多扣减分数不大于该项应得分数;3、保证项目有一项不得分或者保证项目小计得分不足40分的,检查评分表计零分;4、该表换算到表3.0。
1后得分=。
表3.0.4-5吊篮脚手架检查评分表2、保证项目有一项不得分或保证项目小计得分不足40分的,检查评分表计零分;3、该表换算到3。
0。
1后得分=表表注:1、每项最多扣减分数不大于该项目应得分数;2、保证项目有一项不得分或保证项目小计得分不足40分的,检查评分表计零分;3、该表换算到3。
0。
1后得分=表3.0。
5基坑支护安全检查评分表注:1、每项最多扣减分数不大于该项目应得分数;2、保证项目有一项不得分或保证项目小计得分不足40分的,检查评分表计零分;3、该表换算到3。
重庆市建设工程施工现场安全资料管理标准重庆市建设工程施工现场安全资料管理标准一、引言在建设工程施工现场,安全是至关重要的。
为了保障工人和施工环境的安全,重庆市制定了建设工程施工现场安全资料管理标准。
本文通过对这一主题的探讨,旨在全面分析重庆市建设工程施工现场安全资料管理标准的深度和广度,并为读者提供有价值的信息。
二、评估重庆市建设工程施工现场安全资料管理标准1. 管理标准的基础重庆市建设工程施工现场安全资料管理标准是基于国家有关法律法规和标准的基础上制定的。
这些法律法规和标准包括《建设工程安全生产管理条例》等文件,这些法规不仅适用于全国范围,还要求各地方根据当地情况进行细化和补充。
重庆市的标准是建立在国家标准的基础上,符合相关法律法规的要求。
2. 标准的适用范围重庆市建设工程施工现场安全资料管理标准适用于全市范围内的建筑工程施工现场。
无论是房屋建筑、市政工程还是基础设施建设,都需要遵守这一标准。
这一特点使得标准具有较强的适用性和操作性,有利于统一全市建设工程施工现场的安全管理标准和要求。
3. 标准的内容和要求标准涵盖了建设工程施工现场安全资料的管理范围、内容、格式、备案要求等方面的规定。
其中包括《施工现场安全资料管理规定》、《安全资料的保管与利用》、《安全资料的备案和报送》等内容。
这些规定既包括了基本的管理要求,也对施工现场的安全资料管理进行了细化和明确。
4. 标准的实施和监督重庆市建设工程施工现场安全资料管理标准的实施和监督由相关部门负责。
重庆市建设工程施工现场安全监督管理处、建设工程安全生产监督管理站等单位,对施工现场的安全资料管理进行监督检查,并及时发现并整改存在的问题。
这样的举措有助于将标准真正落实到施工现场,并保障施工现场的安全。
三、总结与展望重庆市建设工程施工现场安全资料管理标准的制定和实施,对于全市的建设工程安全管理具有重要意义。
该标准的深度和广度兼具,在内容和要求方面都做到了全面和细化,有助于提高施工现场的安全管理水平。
施工现场安全管理监理单位资料工程名称:施工单位:监理单位:目录第一章:安全生产管理制度 (3)(一)施工组织设计与专项施工方案审批制度 (3)(二)、安全技术措施计划执行制度: (5)(三)、安全检查制度 (5)(四)、安全教育培训制度 (6)(五)考核奖罚制度 (6)第二章:监理安全管理资料 (7)说明: (7)监理安全例会记录表 (13)安全专项施工方案报审表 (16)安全专项施工方案审批表 (17)起重机械安装/拆卸报审表 (18)起重机械验收核查表 (19)安全文明施工措施费支付审核表 (20)监理通知回复 (21)监理报告 (22)工程暂停令 (23)监理通知单 (25)工程复工令 (26)安全监理日志 (27)第一章:安全生产管理制度(一)施工组织设计与专项施工方案审批制度1、审核施工组织设计中安全技术措施的编写、审批;①、安全技术措施应由施工企业工程技术人员编写;②、安全技术措施应由施工企业技术、质量、安全、工会、设备等有关部门进行联合会审;③、安全技术措施应由具有法人资格的施工企业技术负责人批准;④、安全技术措施应由施工企业报建设单位审批认可;⑤、安全技术措施变更或修改时,应按原程序由原编制审批人员批准;⑥审核施工组织设计中安全技术措施或专项施工方案是否符合工程建设强制性标准。
土方工程:①地上障碍物的防护措施是否齐全完整;②地下隐蔽物的保护措施是否齐全完整;③相邻建筑物的保护措施是否齐全完整;④场区的排水防洪措施是否齐全完整;⑤土方开挖时的施工组织及施工机械的安全生产措施是否齐全完整;⑥基坑的边坡的稳定支护措施和计算书是否齐全完整;⑦基坑四周的安全防护措施是否齐全完整;脚手架:①脚手架设计方案(图)是否齐全完整可行;②脚手架设计验算书是否正确齐全完整;③脚手架施工方案及验收方案是否齐全完整;④脚手架使用安全措施是否齐全完整;⑤脚手架拆除方案是否齐全完整。
模板施工①模板结构设计计算书的荷载取值是否符合工程实际,计算方法是否正确;②模板设计应包括支撑系统自身及支撑模板的楼、地面承受能力的强度等;③模板设计图包括结构构件大样及支撑系统体系,连接件等的设计是否合理,图纸是否齐全;④模板设计中安全措施是否周全。
施工现场安全管理施工单位资料目录一、工程项目安全管理资料 51.1工程概况表 61.2项目部组建文件及人员资格证明 71。
3项目部安全管理组织机构图 81。
4.1安全生产责任书 91.4。
1。
1 项目经理安全生产责任书 91.4。
1。
2 各岗位安全生产责任书 101。
4。
2安全生产责任制考核 181。
4。
2.1项目经理安全生产责任制考核表 191.4。
2。
2项目技术人员安全生产责任制考核表 201.4。
2。
3项目施工员安全生产责任制考核表 211.4。
2.4项目安全员安全生产责任制考核表 221。
4。
2.5项目材料员安全生产责任制考核表 231.4。
2。
6项目机械员安全生产责任制考核表 241。
4。
2.7项目质检员安全生产责任制考核表 251.4。
2。
8项目预算员安全生产责任制考核表 261.4.2.9项目资料员安全生产责任制考核表 271。
4.2.10项目班组长安全生产责任制考核表 281.4。
2.11项目门卫安全生产责任制考核表 291.4.2.12项目炊事员安全生产责任制考核表 301.4。
2.13项目卫生员安全生产责任制考核表 311。
5项目部安全生产管理制度汇总表及附件 321。
6适用法律法规和其他要求清单 331。
7危险源辨识及评价记录 341.7。
1危险源辨识及评价记录表 371.7。
2 危险性较大分部分项工程清单 381。
8 施工组织设计、安全专项方案汇总表 401。
9.1安全隐患整改通知单及回复 411.9。
2 安全检查记录表 451.9。
3安全检查项目指导清单 461.10。
1安全文明施工费使用计划表 501.10.2安全文明施工费月度使用台账 521。
11。
1 安全防护设备、材料、用品需用计划表 54 1。
11。
2 安全防护材料用品进场验收记录 551.11。
3安全防护材料用品出厂合格证粘贴表 561.11。
4 安全防护用品发放(领用)记录 571.12.1 分包单位安全资质审查表 581.12。
工程建筑工程安全工作日常检查明细表二零年月目录一、总体检查明细 ........................................................................... - 2 -二、施工准备阶段明细.................................................................... - 6 -三、基础施工阶段明细.................................................................... - 6 -四、主体施工阶段明细.................................................................... - 7 -五、装饰装修阶段明细.................................................................... - 8 -一、总体检查明细1、施工组织设计中,必须要有详细的安全施工组织设计,或单独编制安全施工组织设计,内容包括这样几方面:1)施工现场平面布置图;2)安全技术措施和临时用电方案;3)脚手架施工方案;4)模板施工方案;5)基坑支护方案与土方开挖工程和降水工程的施工方案;6)起重吊装作业方案;7)塔吊、物料提升机及其他垂直运输设备组、拆装方案(组、拆装单位必须提供组、拆装资质证书送监理处审查);8)内容既要全面又要有针对性,并经过施工企业技术负责人审批,加盖单位公章后报监理处审查,同意后方可实施;9)对专业性较强的施工项目,应单独编制专项安全施工组织设计,安全措施要全面,要有针对性,在施工前必须落实。
2、施工单位建立建全安全生产责任制,并将目标分解到班组、个人。
跟踪各班组、个人执行情况,必须严格执行,在经济承包中必须有安全生产指标,并制定各工种安全技术操作规程。
建设工程安全竣工技术资料归档目录项目执行经理安全生产责任书项目生产经理安全生产任书项目技术总工安全生产责任书项目安全员安全生产责任书项目施工员安全生产责任书项目质量员安全生产责任书项目材料管理安全生产责任书项目班组长安全生产责任书项目电工安全生产责任书项目塔吊(司机、指挥)安全生产责任书员工安全生产责任书为贯彻“安全第一、预防为主,综合治理”的方针,明确各生产人安全责任,有效落实安全生产责任制,减少生产过程中的安全事故,根据国家有关法律法规,结合项目自身情况,特制订了本责任书。
一、安全控制目标:1、无重伤事故、死亡事故,无爆炸、环境污染事故、重大设备事故、重大生产事故、一般以上火灾事故;年度无新发职业病病例;年度轻伤率低于5‰。
2、认真执行职业安全健康管理体系、环境管理体系文件,体系运行无严重不符合项。
3、无甲方、监理业主及上级各部门进行的处罚和相关方投诉事件。
4、按时参加公司、项目部、班组长组织开展的安全教育或安全活动。
5、无违法违章违纪行为。
认真执行公司、项目部的安全管理制度。
6、安全、文明、环保隐患整改率100%;按要求落实各项安全措施。
7、按要求完成公司各级管理人员布置的安全生产工作。
8、生产活动无违反相关法律及项目部各项安全规定。
二、责任要求:1、安全生产工作以“安全第一、预防为主,综合治理“为方针,坚持生产经营服从安全需要的原则,确保实现安全生产和文明生产;2、员工必须有能证明自己身份的真实有效资料(身份证、户口簿、信息卡、暂住证、操作证、驾驶证等),如证件不符合要求的,项目部有权拒绝用工,员工向项目部提供的证明资料确保真实、有效,如有虚假信息所有后果自负;3、各员工本人为安全生产责任人,全面负责自身的安全生产工作,认真贯彻落实和学习公司、项目部安全生产规章制度。
严格执行安全操作规程,积极参与公司、项目部、班组组织的各项安全活动;4、上岗前配合各班组长组织的安全讲评活动,并在安全技术交底书上亲笔签字;5、遵守施工现场“安全十二大纪律”、“操作规程”、“用工规范”等;6、员工上班必须戴好安全帽,必须将下颚帽带扣好;员工穿着必须得体,整洁、统一。