最新整理质量管理小组活动成果评审表.doc
- 格式:doc
- 大小:29.50 KB
- 文档页数:1
质量管理小组活动准则TCAQ10201-2020质量协会团体标准T/CAQ 10201—2020代替T/CAQ 10201—2016质量管理小组活动准则Criteria for quality control circle activity2020-06-06 实施2020-03-06 发布中国质量协会发布T/CAQ 10201—2020目次前言......................................................................................... i n 引言. (IV)1范围 (1)2规范性引用文件 (1)3术语和定义 (1)4活动程序要求 (1)4.1问题解决型课题 (1)4.1.1总则 (1)4.1.2选择课题 (2)4.1.2.1课题来源 (2)4.1.2.2选题要求 (2)4.1.3 现状调査 (2)4.1.4设定目标 (3)4.1.4.1目标来源 (3)4.1.4.2目标设定依据 (3)4.1.4.3目标设定要求 (3)4.1.5目标可行性论证 (3)4.1.6 原因分析 (3)4.1.7确定主要原因 (3)4.1.8制定对策 (4)4.1.9对策实施 (4)4.1.10 效果检査 (4)4.1.11制定巩固措施 (4)4.1.12总结和下一步打算 (4)4.2创新型课题 (4)4.2.1总则 (4)4.2.2选择课题 (5)4.2.2.1课题来源 (5)4.2.2.2选题要求 (5)4.2.3设定目标及目标可行性论证 (5)4.2.3.1 设定目标 (5)4.2.3.2目标可行性论证 (5)T/CAQ 10201—20204.2.4提出方案并确定最佳方案 (6)4.2.4.1提出方案 (6)4.2.4.2确定最佳方案 (6)4.2.5制定对策 (6)4.2.6对策实施 (6)4.2.7 效果检査 (6)4.2.8标准化 (6)4.2.9总结和下一步打算 (6)附录A(资料性附录)质量管理小组活动常用统计方法汇总表 (7)附录B (资料性附录)质量管理小组活动评审表 (8)参考文献 (11)T/CAQ 10201—2020本标准按GB/T 1.1—2009给出的规则起草。
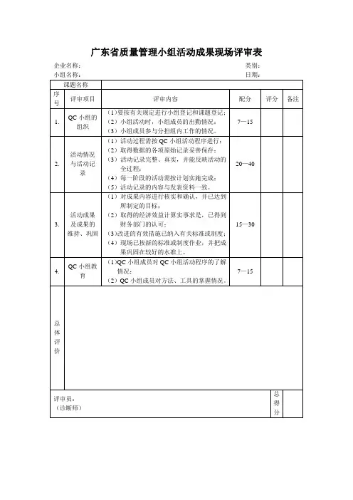
附件2
质量管理小组活动成果评审表
(企业自评用)
质量管理小组活动现场评审项目、方法、内容及分值见表1。
问题解决型课题成果发表评审项目、内容及分值见表2。
创新型课题成果发表评审项目、内容及分值见表3。
表1 质量管理小组活动现场评审表
小组名称:课题名称:
主任评委:
注:主任评委,是指企业质量管理小组活动成果评审委员会负责人。
表2 问题解决型课题成果发表评审表小组名称:课题名称:
主任评委:
注:主任评委,是指企业质量管理小组活动成果评审委员会负责人。
表3 创新型课题成果发表评审表小组名称:课题名称:
主任评委:
注:主任评委,是指企业质量管理小组活动成果评审委员会负责人。
质量管理体系评审表
一、公司信息
•公司名称:
•公司地址:
•成立时间:
•质量管理体系认证情况:
二、评审信息
•评审日期:
•评审地点:
•评审人员:
三、评审内容
1.质量方针和目标
–公司质量方针是否明确?
–公司是否设定了质量目标?目标是否具体、可衡量、可实现?
2.组织结构
–公司的组织结构是否合理?
–各部门之间是否有明确的职责和权限划分?
3.文件控制
–公司是否建立了适当的文件控制程序?
–文件版本是否得到有效控制?
4.过程控制
–公司的生产/服务过程是否符合预定的要求?
–是否有跟踪、检查、纠正措施?
5.内审
–公司是否定期组织内审?内审是否有记录?
–是否发现了不符合要求的情况并采取了纠正措施?
6.管理评审
–公司的管理层是否定期进行管理评审?
–是否对质量管理体系进行了持续改进的讨论和决策?
四、评审结论
根据以上评审内容,评审人员得出以下结论:
•公司质量管理体系执行情况良好,得到了有效落实和改进;
•存在部分不符合要求的地方,需要引起重视并及时改进;
•经评审,质量管理体系有效运行,值得肯定和继续完善。
五、改进计划
针对评审中发现的不足之处,制定相应的改进计划,并明确责任人、时间节点和跟踪措施。
以上为本次质量管理体系评审表内容,希望公司能够不断提升质量管理水平,确保产品/服务质量持续改进和客户满意度提升。
管理评审计划编号: T560101序号:
管理评审
目的
管理评审
围
管理评审
依据
管理评审
容
评审时间
安排
备注
批准编制
/ /
日期日期
管理评审会议通知
编号: T560102序号:评审
时间
评审
地点
评审
容
评总经理
审
资管理者代表
料
准人事部
备
要生产部
求
质管部
参加
人员
传阅者
签名
/时间
1 .本通知由编制人员交参加人员传阅后签名。
编制/日期
2 .传阅顺序总经理管理者代表品管部技术部
说明
生产部营销部事务部编制者收存。
3 .传阅时限为 1 小时。
管理评审报告
编号: T560103序号:
评审目的
评审围
评审时间
参加人员
评审依据
评审状况概括
评审容资料分析评审结果(措施、责任人、期限)质量方针
质量目标
审核结果
顾客反馈
过程业绩
产品符合
性
纠正措施
状况
预防措施
状况
以往管理
评审跟踪
措施执行
状况
影响质量
管理体系
的各种变
化因素
对改进
的建议
报告分发
部门
批准审核编制/ / / 日期日期日期。