土质路基施工(2)
- 格式:ppt
- 大小:13.59 MB
- 文档页数:75
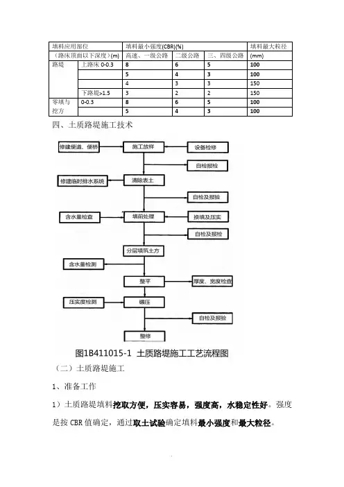
填料应用部位填料最小强度(CBR)(%) 填料最大粒径(路床顶面以下深度)(m) 高速、一级公路二级公路三、四级公路(mm)路堤上路床0-0.3 8 6 5 1005 4 3 1004 3 3 150下路堤>1.5 3 2 2 150零填与挖方0-0.3 8 6 5 1005 4 3 100四、土质路堤施工技术(二)土质路堤施工1、准备工作1)土质路堤填料挖取方便,压实容易,强度高,水稳定性好。
强度是按CBR值确定,通过取土试验确定填料最小强度和最大粒径。
(1)石质土由粒径大于2mm的碎(砾)石,其含量由25%〜50%与大于50%两部分组成。
如碎(砾)石土,空隙度大,透水性强,压缩性低,内摩擦角大,强度高,属于较好的路基填料。
(2)砂性土是良好的路基填料,既有内摩擦力,又有粘聚力。
(3)砂土路基强度高,水稳定性好。
但砂土粘性小,易于松散,受水流冲刷和风蚀易损坏,在使用时可掺入粘性大的土改善质量。
(4)粉质土不宜直接填筑于路床,必须掺入较好的土体后才能用作路基填料,且在高等级公路中,只能用于路堤下层(距路槽底0.8m 以下)。
(5)轻、重粘土不是理想的路基填料,规范规定:液限大于50%、塑性指数大于26、含水量不适宜直接压实的细粒土,不得直接作为路基填料,需要使用时,必须采取技术措施进行处理,经检查满足设计要求后方可使用。
(6)黄土、盐渍土、膨胀土等特殊土体不得已必须用作路基填料时,应严格按其特殊的施工要求进行施工。
(7)泥炭、淤泥、冻土、有机质土、强膨胀土、含草皮土、生活垃圾、树根和含有腐殖物质的土不得用作路基填料。
3)施工放样(36-39)(1)常用测量仪器与其作用①水准仪a.微倾水准仪使用步骤:安置仪器和粗略整平(粗平)、调焦和照准、精确整平(精平)和读数。
b.自动安平水准仪操作程序:粗平→照准→读数。
②经纬仪的使用包括对中、整平、照准和读数四个步骤。
③全站仪与其作用测量水平角、竖直角和斜距,借助于机内固化的软件,可以组成多种测量功能。
路基填土施工方法要点1、填筑路堤宜采用水平分层填筑法施工。
即按照行车道和人行道横断面全宽分成水平层次逐层向上填筑。
如原地面不平,应由最低处分层填起,每填一层,经过压实符合规定要求之后,再填上一层。
原地面纵坡大于12%的地段,可采用纵向分层法施工,沿纵坡分层,逐层填压密实。
2、用10~20t振动式压路机碾压,分层填土虚铺厚度为30cm。
3、压路机碾压路基时应按下列规定进行:(1)碾压前应对填土层的松铺厚度、平整度和含水量进行检查,符合要求后方可进行碾压。
(2)每层碾压遍数应根据设计要求的密实度,回填土土质及压路机压实功能等因素,在现场试压取得数据后确定不能少于4~8遍,要求轮迹重叠1/3~1/2轮宽,碾压无明显轮迹,同时土壤密实度要达到质量标准方可进行上一层土的摊铺。
如果未达到质量标准,则增加碾压遍数直至合乎标准为止。
(3)路基填土压实采用振动压路机进行。
使用振动压路机碾压时,第一遍应不振动而静压,宜先慢后快,由弱至强振动。
(4)各种压路机的碾压行驶速度开始时宜用慢速,最大速度不宜超过4km/h,碾压时直线段由两边向中间,小半径曲线段由内侧向外侧,给合进退式进行;横向接头对振动压路机一般重叠0.4~0.5m,应达到无漏压、无死角,确保碾压均匀。
对于大型压路机碾压不到的地方,采用手扶振动压路机或平板振动器进行压实。
4、摊铺时现场测定回填土含水量,将含水量控制在最佳含水量的±2%范围内,过干的洒水,过湿的晾晒后方可用于摊铺。
5、回填土土质不同时,要分段分层填筑,不得混填,透水性差的土壤如粘土等填在下层时,其表面应做成4%的双向横坡,以便将来自上层填土的水分排出;同一层次不同土类填筑时,做成斜面或错台相接的形式,以免产生不均匀变形,并将透水性差的土壤填在斜面或错台的下部。
6、地下管线或构筑物顶部50cm范围以内,宜用人工夯实。
7、在圬工强度达到90%以上方可分层填筑,以确保路基稳定性。
8、路堤边缘往往压不到,故在两侧加度50cm,压实工作完成后再按设计宽度和坡度予以修齐整平。
路基土石方工程施工方案和施工方法清晨的阳光透过窗帘,洒在我的笔记本上,笔尖在纸上舞动,仿佛已经迫不及待要倾诉那些关于路基土石方工程施工方案和施工方法的点滴心得。
一、工程概述二、施工方案1.施工前期准备(1)组织施工队伍,明确各岗位职责。
(2)对施工人员进行技术培训,确保施工技能达标。
(3)提前做好施工材料、设备的采购和准备工作。
2.施工现场布置(1)设立施工指挥部,统一协调施工现场各项工作。
(2)划分施工区域,明确各施工段的施工任务。
(3)设置临时设施,如休息区、仓库、临时办公室等。
3.施工过程(1)土方开挖采用机械开挖与人工开挖相结合的方式,按照设计图纸进行土方开挖。
在开挖过程中,注意保持土体稳定,防止坍塌。
(2)石方开挖采用爆破与机械开挖相结合的方式,按照设计图纸进行石方开挖。
在爆破过程中,严格遵守爆破安全规程,确保施工安全。
(3)路基填筑根据设计图纸,采用分层填筑的方法,确保路基填筑质量。
在填筑过程中,注意控制填筑厚度、压实度等参数。
(4)路基防护针对路基边坡,采用植被防护、砌石防护等措施,确保路基稳定。
4.施工后期(1)清理施工现场,确保环境整洁。
(2)对施工设备进行维修、保养,确保设备正常运行。
三、施工方法1.土方开挖(1)采用挖掘机、装载机等机械进行土方开挖,提高施工效率。
(2)在开挖过程中,对土体进行临时支护,防止坍塌。
(3)对开挖后的土方进行合理堆放,便于后续施工。
2.石方开挖(1)采用爆破技术进行石方开挖,减少施工难度。
(2)在爆破过程中,严格遵守爆破安全规程,确保施工安全。
(3)对爆破后的石方进行破碎、清运,便于后续施工。
3.路基填筑(1)采用分层填筑的方法,确保路基填筑质量。
(2)在填筑过程中,采用压实机械进行压实,提高路基压实度。
(3)对填筑后的路基进行检测,确保满足设计要求。
4.路基防护(1)采用植被防护、砌石防护等措施,确保路基稳定。
(2)对路基边坡进行绿化,提高生态环境质量。
路基施工技术(二)(总分192, 做题时间90分钟)一、单项选择题1.以下( )特点不属于深孔爆破的特点。
SSS_SINGLE_SELA 孔径大于75mm、深度在5m以上B 是采用延长药包的一种爆破方法C 需用大型的凿岩穿孔机钻孔D 在综合爆破中是一种改造地形,为其他炮型服务的辅助炮型该题您未回答:х该问题分值: 1答案:D2.下面哪个路基施工项目不能在冬期进行施工( )。
SSS_SINGLE_SELA 整修路基边坡B 泥沼地带的换填土C 河滩地段开挖基坑修建防护工程D 含水量高的流动土质、流沙地段的路堑开挖该题您未回答:х该问题分值: 1答案:A3.关于冬期填筑路堤说法错误的是( )。
SSS_SINGLE_SELA 冬期填筑路堤,应按横断面全宽平填,每层松厚应按正常施工增加20%~30%,且最大松铺厚度不得超过30cmB 当路堤高距路床底面lm时,应碾压密实后停止填筑C 挖填方交界处,填土低于lm的路堤都不应在冬期填筑D 需在路堤附近取土时,取土坑内侧到填方坡脚的距离应不得小于正常施工护坡道的1.5倍该题您未回答:х该问题分值: 1答案:A4.下面哪种排水设施主要作用是将可能停滞在路基范围内的地面水迅速排除( )。
SSS_SINGLE_SELA 渗沟B 暗沟C 暗管D 边沟该题您未回答:х该问题分值: 1答案:D5.炮洞直径为0.2~0.5m,洞穴成水平或略有倾斜,深度小于5m,用集中药于炮洞中进行爆炸的方法称为( )。
SSS_SINGLE_SELA 钢钎炮B 猫洞炮C 药壶炮D 深孔爆破该题您未回答:х该问题分值: 1答案:B6.下面关于渗井施工描述错误的是( )。
SSS_SINGLE_SELA 填充料含泥量应小于5%B 填充料按单一粒径分层填筑C 井壁和填充料之间应设封闭层D 上层不透水范围内宜填砂或砾石该题您未回答:х该问题分值: 1答案:C7.雨期填筑路堤时,路堤应分层填筑,每一层的表面应( )。
路基施工方案路基施工方案(一)(1)换填这是最常用的方法。
这种方法最大有效处理深度3米。
采用人工或机械挖除路堤下全部软土,换填强度较高的粘性土或砂、砾、卵石、片石等渗水性材料。
换填的深度要根据承载力确定。
(2)抛石填筑就是在有软土或弹簧土以及有积水的路段填石头,填石的高度以露出要处理的路段原有土层(或积水)高度为宜。
在填石的过程中注意一定要用推土机把石块压实,不能出现软弹现象。
然后再填筑土方。
(3)盲沟就是在要处理的路段根据要处理的路段的长度,在横向或纵向挖盲沟,盲沟通常用渗水性大孔隙填料或片石砌筑而成。
也可以填入不同级配的石块起到排水的功能。
注意盲沟的出口要与排水沟连接,以便把路基中的水排出路基。
(4)排水砂垫层排水砂垫层是在路堤底部地面上铺设一层砂层,作用是在软土顶面增加一个排水面,在填土的过程中,荷载逐渐增加,促使软土地基排水固结渗出的水就可以从砂垫层中排走。
为确保砂垫层能通畅排水,要采用渗水性良好的材料。
砂垫层一般的厚度为0、6-1、0米。
为了保证砂垫层的渗水作用,在砂垫层上应该填一层粘性土封住水不让水返上路基。
在路基两侧要修好排水沟,通过砂垫层渗出的水通过排水沟排出路基外,保持路基的稳定。
(5)石灰浅坑法由于粘性土含水量影响,施工中经常出现“弹簧土”松软现象。
一般较轻的可以采用挖土晒干,敲碎回填:“石灰浅坑法”可以用于各种不同面积的路段(就是说大面积可以使用,小面积也可以使用)。
具体做法是:挖40cm-50cm方形或圆形,深一般1m 上下的坑,清除坑内的渗水(最好挖好坑后,第二天清除渗水),放入深为坑深1/3生石灰,即可回填碾压。
坑的行距和坑距在轻度弹簧路段为5-6m,在严重弹簧路段为3-4m、以上介绍的几种工地常用的处理软基础以及弹簧土的方法,还要根据工地的具体情况选用那种方法施工,有时几种方法可以交替或一起使用。
目的主要是要保证工程质量,保证工期。
三、施工机械公路路基路面施工的主要机械包括铲土运输、挖掘、拌和、摊铺、碾压等机械。
路基施工要点1)填土路基(1)排除原地面积水,清除树根、杂草、淤泥等。
应妥善处理坟坑、井穴、树根坑的坑槽,分层填实至原地面高。
(2)填方段内应事先找平,当地面横向坡度陡于1:5时,需修成台阶形式,每层台阶高度不宜大于300mm,宽度不应小于1.0m。
(3)根据测量中心线桩和下坡脚桩,分层填土、压实。
(4)碾压前检查铺筑土层的宽度、厚度及含水量,合格后即可碾压,碾压遵循“先轻后重”原则,最后碾压应采用不小于12t 级的压路机。
(5)填方高度内的管涵顶面填土500mm 以上才能用压路机碾压。
(6)路基填方高度应按设计标高增加预沉量值。
填土至最后一层时,应按设计断面,高程控制填土厚度并及时碾压修整。
(7)性质不同的填料应分类、分层填筑、压实;路基高边坡施工应制定专项施工方案。
2)挖土路基(1)路基施工前,应将现况地面上积水排除、疏干,将树根坑、坟坑、井穴等部位进行技术处理。
(2)根据测量中线和边桩开挖。
(3)挖土时应自上向下分层开挖,严禁掏洞开挖。
机械开挖时,必须避开构筑物、管线,在距管道边1m范围内应采用人工开挖;在距直埋缆线2m范围内必须采用人工开挖。
挖方段不得超挖,应留有碾压到设计标高的压实量。
(4)压路机不小于12t 级,碾压应自路两边向路中心进行,直至表面无明显轮迹为止。
(5)碾压时,应视土的干湿程度而采取洒水或换土、晾晒等措施。
(6)过街雨水支管沟槽及检查井周围应用石灰土、石灰粉煤灰砂砾或设计要求的材料填实。
3)石方路基(1)修筑填石路堤应进行地表清理,先码砌边部,然后逐层水平填筑石料,确保边坡稳定。
(2)先修筑试验段,以确定松铺厚度、压实机具组合、压实遍数及沉降差等施工参数。
(3)填石路堤宜选用12t以上的振动压路机、25t 以上轮胎压路机或2.5t的夯锤压(夯)实。
(4)路基范围内管线、构筑物四周的沟槽宜回填土。
4)路基压实作业要点城市道路路基压实作业要点主要应掌握:依据工程的实际情况,合理调节压实机具、压实方法与压实厚度三者的关系,达到所要求的压实密度。
路基工程土方施工安全要点1.开挖土方前,必须了解图纸,地下水的情况,查清地下埋设的管道,电缆和有毒有害气体等危险物及文物古迹、古墓的位置、深度走向,加设标记、设置防护栏杆。
现场技术负责人在开工前必须对作业工人进行详细安全交底。
2.开挖深度超过2m时,特别是在街道、居民区、行车道附近开挖土方时,无论开挖深浅都应视为高处作业,并设置警告标志和高度不低于1.2m的双道防护栏,夜间还要设红色警示灯。
3.在靠近建筑物,电杆、脚手架附近挖土时,必须采取安全防护措施。
4.开挖沟槽坑时,应根据土质情况进行放坡或支撑防护。
挖掘深度超过1.5m,且不加支撑时,应按规定确定放坡度。
若施工区域狭窄不能放坡时,应采取围壁措施。
5.在开挖的沟槽坑边沿1m以内不许堆土或堆放物料;距沟槽坑边沿1~3m间堆土高度不得超过1.5m;距沟槽坑边沿3~5m间堆土高度不得超过2.5m;在沟槽坑边沿停置车辆,起重机械、振动机械时距离不少于4m。
6.人工挖掘土方时,作业人员之间必须保持足够的安全距离,横向间距不小于2m,纵向间距不小于3m;土方开挖必须自上而下顺序放坡进行,严禁挖空底脚。
7.高边坡开挖土方时,作业人员要戴安全帽,并安排专职人员对上边坡进行监视,防止物体坠落和塌方。
边坡开挖中若遇地下水涌出,应先排水,后开挖。
8.开挖工作应与装运作业面相互错开,严禁上、下双重作业;弃土下方和有滚石危及的区域,应设警告标志;下方有道路时,严禁车辆通行。
边坡上方有人作业时,下方不许站人;清理路基边坡上的突石和整修边坡时,应从上而下进行,严禁在危石下方作业、休息和存放机具。
9.滑坡地段的开挖,应从滑坡体两侧向中部自上而下进行,禁止全面拉槽开挖;在岩溶地区施工,应认真处理岩溶水的涌出,以免突发性的坍陷;在泥沼地段施工时,应制定防止人、机下陷的安全措施,挖出的废土应堆置在合适的地方,以防止汛期造成人为的泥石流危害。
1O.施工中如遇土质不稳,山体有滑动,发生坍塌危险时,应暂停施工,撤出人员和机具;当工作面出现陷机或不足以保证人员安全时,应立即停工,确保人员安全。
土质路基施工流程
一、前期准备工作
1. 查勘现场,了解地形地貌条件,为后续作业提供参考依据。
2. 设计路基基准面,确定挖土深度和路基厚度。
3. 挖土施工图纸。
二、清理淤泥及臭水
根据设计图纸,在预设路基基准面以下一定深度范围内清理淤泥、臭水等污物。
三、挖土作业
采用挖土机或手工按设计图纸的要求进行掘削作业,将地面原土清除形成一定形状的挖土壕。
四、填塞软质基础
针对下层软质土壤,采取加固措施,如:压实、加固或更换软土等方法。
五、路基铺筑
根据设计需求,采用安全、高效的作业方式进行组填土、夯实等工序,将路基层层筑成规定形状和高度。
六、保养与监测
采取适当的保护和维护措施,例如排水沟的建设,定期监测路基的防護效果以保证路基质量。
以上就是土质路基施工的常见流程,施工前需要具备详尽的设计图纸以指导全过程的开展。
各个步骤的执行都需要结合实际情况进行必要的调整与优化。
路基施工方法及施工工艺一、路基填方(一)路基土方填筑施工土方路堤填筑采用全幅路面分段、水平、分层填筑法。
施工流程如下:1、清理与掘除施工清理与掘除施工,采取人机配合作业,施工机械有挖掘机、推土机、自卸汽车、压实机械,必要时配备吊车作业,作业内容如下:清理场地:通过现场测量放线,清除施工范围内的拆迁残留物、树木、灌木、垃圾、有机物残渣、树根及原地面以下100~300mm内的草皮和表土,并在指定地点堆放。
掘除:在施工范围内对于原有结构物的地下部分,按设计图纸进行拆除,需超出处理部分按监理工程师指令进行。
所有拆除工作在开工之前完成。
回填处理:除取土场外,树根、障碍物及建筑物移去之后的坑穴,用监理工程师批准的材料分层回填至周围标高。
场地清理、拆除及回填压实后,重测地面标高,并将填挖断面土方调配图提交监理工程师审核,取得监理工程师认可后进入下一道工序施工。
2、通俗地基处理施工1)水塘路段挖淤泥及排水施工施工前沿公路用地两侧筑围堰,先排干堰内水,再在围堰内挖纵、横向排水沟,沟底坚持不小于0.5%的坡度并接通出水口,沟深包管能及时排除地面水。
在水塘比力深时,装备污水泵抽水。
地表疏干后,用机械挖除淤泥。
按设计要求回填,平地机整平,压路机压实,填筑至设计高度,使之成为稳定土加固层,基底处理完毕,及时进行路基填筑施工。
2)耕地填前夯实施工采用推土机清除施工范围内的有机土、种植土,平整后按规定要求压实。
在深耕地段,将松土翻挖,土块打碎。
然后回填、整平、压实。
3)地基挖台阶处理施工自然地面横坡或纵坡陡于1:5时,将原地面挖成台阶,保证填土土体稳定,台阶宽度满足摊铺和压实设备操作的需要且不小于1m,每级台阶高度按压实机具一层压实厚度的整数倍设置,台阶顶作成2%-4%的内倾斜坡。
3、修筑路基填筑尝试路段施工前选择不少于50m全幅路基长,填土高度不小于1m 的路段,并对基底、填料进行尝试,获得监理工程师的认可后填筑尝试路段,通过尝试肯定机器最佳组合方式、碾压遍数、碾压速率、松铺厚度、填料最佳含水量等技术参数。
土质路基施工方法一、施工准备1.1 现场勘查:了解施工场地的地形、地貌、水文、气候等条件,确定施工范围和施工限制因素。
1.2 设备准备:根据施工需要,准备必要的施工设备,如挖掘机、压路机、运土车辆等。
1.3 人员准备:确定施工队伍,进行人员组织和调配,确保施工人员的技能和素质符合施工要求。
二、材料选择与处理2.1 材料选择:根据设计要求和施工实际情况,选择符合标准的土质材料,如砂土、粘土等。
2.2 材料处理:对选择的土质材料进行处理,如粉碎、筛选、掺配等,以满足施工要求。
三、路基施工3.1 基底处理:对施工范围内的基底进行必要的处理,如清除杂物、整平场地、排水等。
3.2 土方开挖:使用挖掘机等设备进行土方开挖,按照设计要求进行开挖深度和宽度的控制。
3.3 土方填筑:将处理后的土方按照设计要求进行填筑,注意填筑厚度和压实度的控制。
3.4 排水设施:在路基范围内设置必要的排水设施,如边沟、排水沟等,以确保排水顺畅。
四、质量控制4.1 施工过程控制:施工过程中,要对各项参数进行实时监测和记录,如填筑厚度、压实度等,确保施工符合设计要求。
4.2 验收控制:在完成每一层填筑后,要进行验收,对不合格的地方进行整改和补救。
五、安全措施5.1 安全教育培训:对施工人员要进行必要的安全教育培训,提高安全意识。
5.2 安全设施设置:在施工现场设置必要的安全设施,如安全警示牌、安全带等。
5.3 安全操作规程:制定安全操作规程,要求施工人员严格按照规程进行操作。
六、环境保护6.1 扬尘控制:在施工过程中,要采取措施控制扬尘,如洒水、覆盖等。
6.2 噪声控制:在施工过程中,要采取措施控制噪声,如使用低噪声设备、避免夜间施工等。
6.3 废弃物处理:对于产生的废弃物,要按照环保要求进行处理和处置。
简述土质路基开挖中应注意的问题题目:开挖土质路基时需注意的问题与解决方案导语:土质路基开挖是道路建设中的重要环节之一,对整个工程的质量和持久性起着至关重要的作用。
在进行土质路基开挖时,我们需要注意一系列问题,以确保施工的顺利进行和工程的质量。
本文将从简单到复杂、由浅入深地讨论土质路基开挖中需要注意的问题,并提供解决方案,帮助读者更全面、深入地理解和应用于实际工程中。
一、土质路基开挖前的必要准备1.1 了解现场土质状况在进行土质路基开挖前,首先需要了解现场土质的组成、性质和厚度等情况。
这有助于确定施工方法、使用的施工设备和材料的选择。
还需要进行土壤的力学性质测试,如土壤密度、含水量和剪切强度等。
1.2 制定合理的施工方案根据现场土质状况和工程要求,制定合理的施工方案是土质路基开挖的重要步骤。
施工方案应包含开挖的深度、宽度和坡度等要素,并考虑到排水、防止边坡塌方和施工的安全等因素。
二、土质路基开挖中的常见问题及解决方案2.1 边坡稳定性问题土质路基开挖常伴随着边坡的形成,边坡的稳定性是开挖过程中需要特别注意的问题。
当遇到边坡不稳定的情况时,可以采取以下解决方案:(1)进行边坡支护:根据边坡高度和坡度选择适当的支护措施,如设置钢筋混凝土护坡、喷射混凝土锚杆等;(2)合理排水:边坡上的积水是边坡破坏的重要原因之一,保持边坡良好的排水状态有助于提高边坡的稳定性;(3)加强监测:采用倾斜仪、雷达测距仪等监测设备对边坡进行实时监测,及时发现异常情况并采取相应措施。
2.2 地下管线问题土质路基开挖时,可能会遇到埋藏在地下的管线,如自来水管道、电缆等。
为了避免对这些管线造成破坏,我们可以采取以下措施:(1)进行地下管线勘察:在开挖前进行地下管线的勘察和标记,确保开挖时不会对管线造成伤害;(2)采用手工开挖:当管线较深且位置明确的情况下,可采用手工开挖的方式,以避免使用挖掘机等大型设备对管线造成破坏。
2.3 地质灾害风险开挖土质路基时,地质灾害风险是需要引起重视的问题。