平键的标记及选用
- 格式:ppt
- 大小:390.00 KB
- 文档页数:5
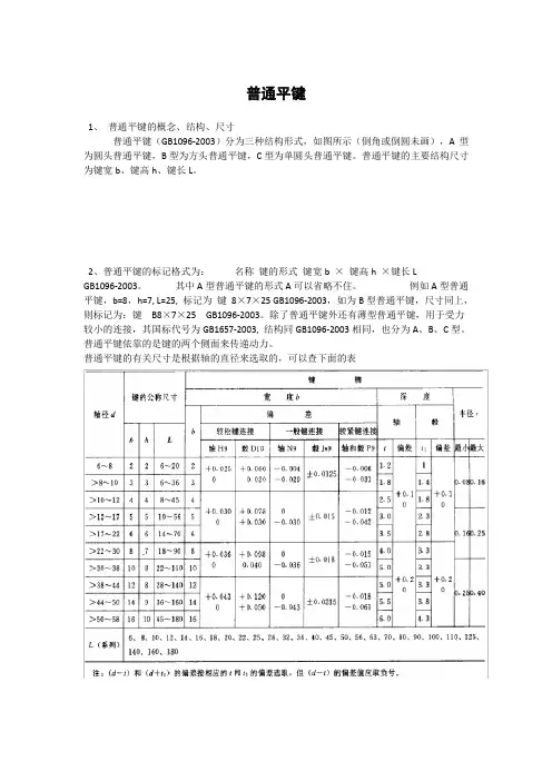
平键介绍、分类及尺寸一、普通平键1、普通平键的概念、结构、尺寸普通平键(GB1096-2003)分为三种结构形式,如图所示(倒角或倒圆未画),A型为圆头普通平键,B型为方头普通平键,C型为单圆头普通平键。
普通平键的主要结构尺寸为键宽b、键高h、键长L。
2、普通平键的标记格式为:名称键的形式键宽b ×键高h ×键长L GB1096-2003。
其中A型普通平键的形式A可以省略不住。
例如A型普通平键,b=8,h=7, L=25, 标记为键8×7×25 GB1096-2003,如为B型普通平键,尺寸同上,则标记为:键B8×7×25 GB1096-2003。
除了普通平键外还有薄型普通平键,用于受力较小的连接,其国标代号为GB1657-2003, 结构同GB1096-2003相同,也分为A、B、C型。
普通平键依靠的是键的两个侧面来传递动力。
普通平键的有关尺寸是根据轴的直径来选取的,可以查下面的表:绘图时与键有关的数据,如槽深、槽宽必须查上面的表画图。
3、画法3.1 键槽的画法其中如标注偏差,应该按照上面标中的要求和说明进行标注。
3.2普通平键连接画法二、普通平键型式与尺寸标准:摘自GB/T 1095-1979,GB/T 1096-1979(1990年确认有效)模型(M) GB1096.CATPart GB1096.SLDPRTl(系列):6,8,10,12,14,16,18,20,22,25,28,32,36,40,45,50,56,63,70,80,90,100,110,125,140,160,180,200,220,250,280,320,360,400,450,500三、薄型平键、键槽的剖面尺寸及公差标准:摘自GB/T 1566-2003,GB/T 1567-2003模型(M):GB1567.CATPart GB1567.SLDPRTl(系列):10,12,14,16,18,20,22,25,28,32,36,40,45,50,56,63,70,80,90,100,110,125,140,160,180,200,220,250,280,320,360,400四、描述(D)1、在工作图中,轴槽深用t或(d-t)标注,毂槽深用(d+t1)标注。
《机械基础》教案(2013 ~201 4 学年第一学期)适用机电专业
教学部高职教学部
班级_____________________ 教师李伟
教案首页
教学设计
教学内容
平键连接的选用 一、平键连接的标记方法
键(A )BC bxL GB/T 1096 b 为键宽,L 为键长 二、平键连接的选用
1、选择键连接的类型
2、根据轴的公称直径,选择键的截面尺寸bxh
3、根据轮毂长度L1选择键长L L=L1-(5-10)mm
4、校核平键连接的强度
[]
p
p dhl
T σσ≤=4
如果强度不足,在结构允许时可以适当增加轮毂的长度和键长,或者间隔180°布置两个键。
双键连接按1.5个键进行强
度校核。
5、选择并标注键连接的轴毂公差。
键的规定标记-1979
标记示例:圆头普通平键(A型) b=16mm、h=10mm、L=100mm 标记: 键16×100 GB/T 1096-1979
同尺寸(B型)、(C型) 标记: 键B16×100 GB/T 1096-1979、标记: 键C16×100 GB/T 1096-1979
6,8,10,12,14,16,18,20,22,25,28,32,36,40,45,50,56,63,70, 80,90,100,110,125,140,160,180,200,220, 250,280,320,
360,400,500,公差带为h14,括号内的数值(相应h9)适用于B型键。
普通平键键槽的尺寸标注及装配画法:轴上的键槽用铣刀铣出,轮毂上的键槽一般用插刀插出。
注意轴上键槽深应标注d一般用于螺纹连接时锁紧螺栓和螺母。
为此需使用螺杆末端带孔的螺栓,在拧紧槽形螺母时,使开槽与螺杆上的孔对正,穿入适当规格
的开口销并分开尾部,即可阻止螺母与螺杆相对转动在机器震。
画平键联接装配图前先要知道轴的直径和键的型式,然后查有关标准确定键的公称尺寸b和h及轴和轮子的键槽尺寸,并选定键的标准长度L。
例如:已知轴的直径为24,采用A型普通平键,由标准GB/T 1095-1979查得键的尺寸b=8,h=7;轴和轮(毂)上键槽尺寸t=4,t 1l =3.3,键长L应小于轮厚B=25,从标准GB/T1096-1979中选取键长L=22。
普通平键1、普通平键的概念、结构、尺寸普通平键(GB1096-2003)分为三种结构形式,如图所示(倒角或倒圆未画),A型为圆头普通平键,B型为方头普通平键,C型为单圆头普通平键。
普通平键的主要结构尺寸为键宽b、键高h、键长L。
2、普通平键的标记格式为:名称键的形式键宽b×键高h×键长L GB1096-2003。
其中A型普通平键的形式A可以省略不住。
例如A型普通平键,b=8,h=7,L=25,标记为键8×7×25GB1096-2003,如为B型普通平键,尺寸同上,则标记为:键B8×7×25GB1096-2003。
除了普通平键外还有薄型普通平键,用于受力较小的连接,其国标代号为GB1657-2003,结构同GB1096-2003相同,也分为A、B、C型。
普通平键依靠的是键的两个侧面来传递动力。
普通平键的有关尺寸是根据轴的直径来选取的,可以查下面的表:绘图时与键有关的数据,如槽深、槽宽必须查上面的表画图。
3、画法3.1键槽的画法其中如标注偏差,应该按照上面标中的要求和说明进行标注。
3.2 普通平键连接画法名称:普通平键型式与尺寸2009-01-2023:15标准:摘自 GB/T1095-1979,GB/T1096-1979(1990年确认有效)模型(M)GB1096.CATPart GB1096.SLDPRT轴键键槽公称尺寸宽度b公称直极限偏差公称径d c或b(h9)h(h11)L(h14) 尺寸较松键联结r(max)b 轴H9 毂D10B 型键每 深度半径r100mm重量一般键联结 较紧键联结轴t毂t1(kg)≈轴N9毂Js9 轴和毂P9 公称极限偏公称极限偏最小最大 尺寸差 尺寸差- 宽度高度名义长倒角高- - -- - - - - - - - - - (PB)(PH) 度(NLG) 度(PHH)6~8 2 2 6~20 0.25 2 +0.025~+0.060~-0.004 ~-0.006 ~+0.1 ~+0.1~00.080.160.003 +0.020-0.029±0.0125-0.0311.218~10 3 3 6~36 0.25 3 +0.025~+0.060~-0.004 ~-0.006 ~+0.1 ~+0.1~00.080.160.007 +0.020-0.029±0.0125-0.0311.81.410~12 4 4 8~45 0.25 4 +0.030~+0.078~-0.000 ~-0.012 ~+0.1 ~+0.1~00.080.160.013 +0.030-0.030±0.015-0.0422.51.812~17 5 5 10~56 0.4 5 +0.030~+0.078~-0.000 ~-0.012 ~+0.1 ~+0.1~00.160.25 0.02+0.030-0.030±0.015-0.04232.317~22 6 6 14~70 0.4 6 +0.030~+0.078~-0.000 ~-0.012 ~+0.1 ~+0.1~00.160.250.028 +0.030-0.030±0.015-0.0423.52.822~30 8 7 18~90 0.4 8 +0.036~+0.098~-0.000 ~-0.015 ~+0.2 ~+0.2~00.160.250.044 +0.040-0.036±0.018-0.05143.330~38 10 8 22~110 0.6 10 +0.036~+0.098~-0.000 ~-0.015 ~+0.2 ~+0.2~00.25 0.40.063 +0.040-0.036±0.018-0.05153.338~44 12 8 28~140 0.6 12 +0.043~+0.120~-0.000 ~-0.018 ~+0.2 ~+0.2~00.25 0.40.075 +0.050-0.043±0.0215-0.06153.344~50 14 9 36~160 0.6 14 +0.043~+0.120~-0.000 ~-0.018 ~+0.2 ~+0.2~00.25 0.40.099 +0.050-0.043±0.0215-0.0615.53.850~58 16 10 45~180 0.6 16 +0.043~+0.120~-0.000 ~-0.018 ~+0.2 ~+0.2~00.25 0.40.126 +0.050-0.043±0.0215-0.06164.358~65 18 11 50~200 0.6 18 +0.043~+0.120~-0.000 ~-0.018 ~+0.2 ~+0.2~00.25 0.40.155 +0.050-0.043±0.0215-0.06174.465~75 20 12 56~220 0.8 20 +0.052~0+0.149 ~-0.000 ~±0.026 -0.022 ~7.5+0.2 ~4.9+0.2~00.4 0.60.188+0.065-0.052 -0.074 075~85 22 14 63~250 0.8 22 +0.052~0 +0.149~-0.000 ~±0.026 -0.022 ~9+0.2 ~5.4+0.2 ~00.4 0.60.242 +0.065-0.052 -0.074 085~95 25 14 70~280 0.8 25 +0.052~+0.149~-0.000 ~-0.022 ~9+0.2 ~5.4+0.2 ~00.4 0.60.275 +0.065-0.052±0.026-0.074 095~11028 16 80~320 0.8 28 +0.052~+0.149~-0.000 ~-0.022 ~10+0.2 ~6.4+0.2 ~00.4 0.60.352 +0.065-0.052±0.026-0.074 0110 ~32 18 90~360 0.8 32 +0.062~+0.180~-0.000 ~-0.026 ~11+0.2 ~7.4+0.2 ~00.4 0.60.452130 +0.080-0.062 ±0.031-0.088 0130 ~36 20 100 ~1.2 36+0.062~+0.180~-0.000 ~-0.026 ~12+0.3 ~8.4+0.3 ~00.7 10.565150 400 +0.080-0.062 ±0.031-0.088 0150 ~40 22 100 ~1.2 40 +0.062~0 +0.180~-0.000 ~±0.031 -0.026 ~13+0.3 ~9.4+0.3 ~00.7 10.691170 401 +0.080-0.062 -0.088 0170 ~45 25 110 ~1.2 45+0.062~+0.180~-0.000 ~-0.026 ~15+0.3 ~10.4+0.3 ~00.7 10.883200 450 +0.080-0.062 ±0.031-0.088 0200 ~50 28 125 ~1.2 50 +0.062~+0.180~-0.000 ~-0.026 ~17 +0.~11.+0.~00.7 1 1.10 3 4 3230 500 +0.080-0.062 ±0.031-0.088 0230 ~56 32 140 ~2 56+0.074~+0.220~-0.000 ~-0.032 ~20+0.3 ~12.4+0.3 ~01.2 1.61.407260 500 +0.100-0.074 ±0.037-0.106 0260 ~63 32 160 ~2 63+0.074~+0.220~-0.000 ~-0.032 ~20+0.3 ~12.4+0.3 ~01.2 1.61.583290 500 +0.100-0.074 ±0.037-0.106 0290 ~70 36 180 ~270 +0.074~0 +0.220~-0.000 ~±0.037 -0.032 ~22+0.3 ~14.4+0.3 ~01.2 1.61.978330 500 +0.100-0.074 -0.106 0330 ~80 40 200 ~3 80+0.074~+0.220~-0.000 ~-0.032 ~25+0.3 ~15.4+0.3 ~02 2.52.512380 500 +0.100-0.074 ±0.037-0.106 0380 ~90 45 220 ~390 +0.087~0+0.260 ~-0.000 ~±0.0435-0.037 ~28+0.3 ~17.4+0.3 ~02 2.53.179440 500 +0.120-0.087 -0.124 0440 ~10050 250 ~3100+0.087~0 +0.260~-0.000 ~±0.0435-0.037 ~31 +0.3~19.4+0.3~022.53.925 500 500 +0.120-0.087 -0.124 0l(系列):6,8,10,12,14,16,18,20,22,25,28,32,36,40,45,50,56,63,70,80,90,100,110,125,140 ,160,180,200,220,250,280,320,360,400,450,500名称:薄型平键、键槽的剖面尺寸及公差标准:摘自GB/T1566-1979,GB/T1567-1979 (1990 年确认有效)模型(M)GB1567.CATPart GB1567.SLDPRT轴键键槽公称尺寸宽度b深度半径r B型键每极限偏差100mm 公称直公称较松键联结一般键联结较紧键联结轴t 毂t1 重量径d b(h9) h(h11) c或rL(h14)(kg)≈尺轴H9 毂D10 轴N9 毂Js9公称极限偏公称极限偏寸b 轴和毂P9 最小最大尺寸差尺寸差倒角高名义长宽度高度度度—————————————(PB) (PH)(PHH) (NLG)自12 ~0.25~10~565 3170.4>17 ~0.25~14~706 4220.4>22 ~0.25~18~908 5300.4>30 ~0.4~22~10 6110 380.6>38 ~0.4~28~12 6140 440.6>44 ~0.4~36~14 6160 500.6>50 ~0.4~45~16 7180 580.6>58 ~0.4~50~18 7 200650.6>65 ~0.6~56~20 8220 750.8>75 ~0.6~63~22 9250 850.8+0.030 ~ +0.078 ~ 0~-0.012 ~ +0.1 ~ +0.1 ~ 0.25 0.0125 0 +0.030 -0.030 ±0.015 1.8 1.4 0.16 -0.042 0 0+0.030 ~ +0.078 ~ 0~-0.012 ~ +0.1 ~ +0.1 ~ 0.25 0.0196 0 +0.030 -0.030 ±0.015 2.5 1.8 0.16 -0.042 0 0+0.036 ~ +0.098 ~ 0~-0.015 ~ +0.1 ~ +0.1 ~ 0.25 0.0318 0 +0.040 -0.036 ±0.018 3 2.3 0.16 -0.051 0 0+0.036 ~ +0.098 ~ 0~-0.015 ~ +0.1 ~ +0.1 ~ 0.4 0.04710 0 +0.040 -0.036 ±0.018 3.5 2.8 0.25 -0.051 0 0+0.043 ~ +0.120 ~ 0~-0.018 ~ +0.1 ~ +0.1 ~ 0.40.0565 12 0 +0.050 -0.043 ±0.0215 3.5 2.8 0.25 -0.061 0 0+0.043 ~ +0.120 ~ 0~-0.018 ~ +0.1 ~ +0.1 ~ 0.4 0.06614 0 +0.050 -0.043 ±0.0215 3.5 2.8 0.25 -0.061 0 0+0.043 ~ +0.120 ~ 0~-0.018 ~ +0.2 ~ +0.2 ~ 0.4 0.08816 0 +0.050 -0.043 ±0.0215 4 3.3 0.25 -0.061 0 0+0.043 ~ +0.120 ~ 0~-0.018 ~ +0.2 ~ +0.2 ~ 0.4 0.09918 0 +0.050 -0.043 ±0.0215 4 3.3 0.25 -0.061 0 0+0.052 ~ +0.149 ~ 0~-0.022 ~ +0.2 ~ +0.2 ~ 0.6 0.12620 0 +0.065 -0.052 ±0.026 5 3.3 0.4 -0.074 0 0+0.052 ~ +0.149 ~ 0~-0.022 ~ +0.2 ~ +0.2 ~ 0.6 0.15522 0 +0.065 -0.052 ±0.026 5.5 3.8 0.4 -0.074 0 0>85 ~ 25 0.6 ~ 70~+0.052 ~ +0.149~ 0~-0.022 ~ +0.2 ~ +0.2 ~ 0.6 0.17795 9280 25 0 +0.065 -0.052 ±0.026 5.5 3.8 0.4 0.8 -0.074 0 0 >95 ~280.6 ~ 80~+0.052 ~ +0.149~ 0~-0.022 ~ +0.2 ~ +0.2 ~ 0.6 0.22110 10320 28 0 +0.065 -0.052 ±0.0266 4.3 0.4 0.8-0.0740 0> 0.6 ~ 90~+0.062 ~ +0.180~ 0~ -0.026 ~ +0.2 ~ +0.2 ~110~ 320.6 0.27611 360 32 0 +0.080 -0.062 ±0.031 7 4.4 0.4 130 0.8 -0.088 0 0> 1.0 ~ 100~ +0.062 ~ +0.180~ 0~ -0.026 ~ +0.2 ~ +0.2 ~130~361 0.33912 400 36 0 +0.080 -0.062 ±0.031 7.5 4.9 0.7 150 1.2 -0.088 0 0l (系列):10,12,14,16,18,20,22,25,28,32,36,40,45,50,56,63,70,80,90,100,110,125,140,160,180,200,220,250,280,320,360,400相关链接(提供) 设计手册网相关企业(申请)机械设计网描述(D)1.在工作图中,轴槽深用t或(d-t)标注,毂槽深用(d+t1)标注。
普通平键
1、普通平键的概念、结构、尺寸
普通平键(GB1096-2003)分为三种结构形式,如图所示(倒角或倒圆未画),A型为圆头普通平键,B型为方头普通平键,C型为单圆头普通平键。
普通平键的主要结构尺寸为键宽b、键高h、键长L。
2、普通平键的标记格式为:名称键的形式键宽b ×键高h ×键长L
GB1096-2003。
其中A型普通平键的形式A可以省略不住。
例如A型普通平键,b=8,h=7, L=25, 标记为键8×7×25 GB1096-2003,如为B型普通平键,尺寸同上,则标记为:键B8×7×25 GB1096-2003。
除了普通平键外还有薄型普通平键,用于受力较小的连接,其国标代号为GB1657-2003, 结构同GB1096-2003相同,也分为A、B、C型。
普通平键依靠的是键的两个侧面来传递动力。
普通平键的有关尺寸是根据轴的直径来选取的,可以查下面的表。
普通平键1、普通平键的概念、结构、尺寸普通平键(GB1096-2003)分为三种结构形式,如图所示(倒角或倒圆未画),A 型为圆头普通平键,B型为方头普通平键,C型为单圆头普通平键。
普通平键的主要结构尺寸为键宽b、键高h、键长L。
2、普通平键的标记格式为:名称键的形式键宽b ×键高h ×键长L GB1096-2003。
其中A型普通平键的形式A可以省略不住。
例如A型普通平键,b=8,h=7, L=25, 标记为键8×7×25 GB1096-2003,如为B型普通平键,尺寸同上,则标记为:键B8×7×25 GB1096-2003。
除了普通平键外还有薄型普通平键,用于受力较小的连接,其国标代号为GB1657-2003, 结构同GB1096-2003相同,也分为A、B、C型。
普通平键依靠的是键的两个侧面来传递动力。
普通平键的有关尺寸是根据轴的直径来选取的,可以查下面的表:绘图时与键有关的数据,如槽深、槽宽必须查上面的表画图。
3、画法3.1 键槽的画法其中如标注偏差,应该按照上面标中的要求和说明进行标注。
3.2 普通平键连接画法名称:普通平键型式与尺寸2009-01-20 23:15标准:摘自GB/T 1095-1979,GB/T 1096-1979(1990年确认有效)模型(M)轴 键 键槽 B 型键每100mm 重量(kg)≈公称直径d 公称尺寸宽度b深度半径rb(h9) h(h11) L(h14) c 或r(max)公称尺寸b 极限偏差较松键联结 一般键联结 较紧键联结 轴t 毂t1轴H9 毂D10轴N9毂Js9轴和毂P9公称尺寸 极限偏差 公称尺寸 极限偏差最小 最大-宽度(PB)高度(PH)名义长度(NLG)倒角高度(PHH)-------------6~8226~200.252+0.025~0+0.060~+0.020-0.004~-0.029±0.0125-0.006~-0.0311.2+0.1~01+0.1~00.080.160.0038~10336~360.253+0.025~0+0.060~+0.020-0.004~-0.029±0.0125-0.006~-0.0311.8+0.1~01.4+0.1~00.080.160.00710~12448~450.254+0.030~0+0.078~+0.030-0.000~-0.030±0.015-0.012~-0.0422.5+0.1~01.8+0.1~00.080.160.01312~175510~560.45+0.030~0+0.078~+0.030-0.000~-0.030±0.015-0.012~-0.0423+0.1~02.3+0.1~00.160.250.0217~226614~700.46+0.030~0+0.078~+0.030-0.000~-0.030±0.015-0.012~-0.0423.5+0.1~02.8+0.1~00.160.250.02822~308718~900.48+0.036~0+0.098~+0.040-0.000~-0.036±0.018-0.015~-0.0514+0.2~03.3+0.2~00.160.250.04430~3810822~1100.610+0.036~0+0.098~+0.040-0.000~-0.036±0.018-0.015~-0.0515+0.2~03.3+0.2~00.250.40.06338~4412828~1400.612+0.043~0+0.120~+0.050-0.000~-0.043±0.0215-0.018~-0.0615+0.2~03.3+0.2~00.250.40.07544~5014936~1600.614+0.043~0+0.120~+0.050-0.000~-0.043±0.0215-0.018~-0.0615.5+0.2~03.8+0.2~00.250.40.09950~58161045~1800.616+0.043~0+0.120~+0.050-0.000~-0.043±0.0215-0.018~-0.0616+0.2~04.3+0.2~00.250.40.12658~65181150~2000.618+0.043~0+0.120~+0.050-0.000~-0.043±0.0215-0.018~-0.0617+0.2~04.4+0.2~00.250.40.15565~75201256~2200.820+0.052~0+0.149~-0.000~±0.026-0.022~7.5+0.2~04.9+0.2~00.40.60.188+0.065 -0.052 -0.07475~85 22 14 63~250 0.8 22 +0.052~0+0.149~+0.065 -0.000~-0.052 ±0.026-0.022~-0.0749 +0.2~0 5.4 +0.2~0 0.4 0.6 0.242 85~95 25 14 70~280 0.8 25 +0.052~0+0.149~+0.065 -0.000~-0.052 ±0.026-0.022~-0.0749 +0.2~0 5.4 +0.2~0 0.4 0.6 0.275 95~110 28 16 80~320 0.8 28 +0.052~0+0.149~+0.065 -0.000~-0.052 ±0.026-0.022~-0.07410 +0.2~0 6.4 +0.2~0 0.4 0.6 0.352 110~130 32 18 90~360 0.8 32 +0.062~0+0.180~+0.080 -0.000~-0.062 ±0.031-0.026~-0.08811 +0.2~0 7.4 +0.2~0 0.4 0.6 0.452 130~150 3620 100~400 1.236 +0.062~0+0.180~+0.080 -0.000~-0.062 ±0.031-0.026~-0.08812 +0.3~0 8.4 +0.3~0 0.7 1 0.565 150~170 4022 100~401 1.240 +0.062~0+0.180~+0.080 -0.000~-0.062 ±0.031-0.026~-0.08813 +0.3~0 9.4 +0.3~0 0.7 1 0.691 170~200 4525 110~450 1.2 45 +0.062~0+0.180~+0.080 -0.000~-0.062 ±0.031-0.026~-0.08815 +0.3~0 10.4 +0.3~0 0.7 1 0.883 200~230 5028 125~500 1.2 50 +0.062~0+0.180~+0.080 -0.000~-0.062 ±0.031-0.026~-0.08817 +0.3~0 11.4 +0.3~0 0.7 11.1230~260 5632 140~500 256 +0.074~0+0.220~+0.100 -0.000~-0.074 ±0.037-0.032~-0.10620 +0.3~0 12.4 +0.3~0 1.2 1.6 1.407 260~290 6332 160~500 263 +0.074~0+0.220~+0.100 -0.000~-0.074 ±0.037-0.032~-0.10620 +0.3~0 12.4 +0.3~0 1.2 1.6 1.583 290~330 7036 180~500 270 +0.074~0+0.220~+0.100 -0.000~-0.074 ±0.037-0.032~-0.10622 +0.3~0 14.4 +0.3~0 1.2 1.6 1.978 330~3808040 200~500380 +0.074~0+0.220~+0.100-0.000~-0.074 ±0.037-0.032~-0.10625 +0.3~0 15.4 +0.3~0 22.5 2.512 380~9045220~390+0.087~0 +0.260~-0.000~±0.0435 -0.037~28 +0.3~0 17.4 +0.3~0 22.53.179440 500 +0.120 -0.087 -0.124440~50010050250~500 3100 +0.087~0+0.260~+0.120 -0.000~-0.087 ±0.0435-0.037~-0.12431 +0.3~0 19.4 +0.3~0 2 2.5 3.925l (系列):6,8,10,12,14,16,18,20,22,25,28,32,36,40,45,50,56,63,70,80,90,100,110,125,140,160,180,200,220,250,280,320,360,400,450,500名称:薄型平键、键槽的剖面尺寸及公差标准:摘自GB/T 1566-1979,GB/T 1567-1979(1990年确认有效)模型(M)l(系列):10,12,14,16,18,20,22,25,28,32,36,40,45,50,56,63,70,80,90,100,110,125,140,160,180,200,220,250,280,320,360,400相关链接()相关企业()描述(D)1. 在工作图中,轴槽深用t或(d-t)标注,毂槽深用(d+t1)标注。
普通平键1、普通平键的概念、结构、尺寸普通平键(GB1096-2003)分为三种结构形式,如图所示(倒角或倒圆未画),A型为圆头普通平键,B型为方头普通平键,C型为单圆头普通2、普通平键的标记格式为:名称键的形式键宽b ×键高h ×键长L GB1096-2003。
其中A型普通平键的形式A可以省略不住。
例如A型普通平键,b=8,h=7, L=25, 标记为键8×7×25 GB1096-2003,如为B型普通平键,尺寸同上,则标记为:键B8×7×25 GB1096-2003。
除了普通平键外还有薄型普通平键,用于受力较小的连接,其国标代号为GB1657-2003, 结构同GB1096-2003相同,也分为A、B、C型。
普通平键依靠的是键的两个侧面来传递动力。
普通平键的有关尺寸是根据轴的直径来选取的,可以查下面的表:绘图时与键有关的数据,如槽深、槽宽必须查上面的表画图。
3、画法3.1 键槽的画法其中如标注偏差,应该按照上面标中的要求和说明进行标注。
3.2 普通平键连接画法名称:普通平键型式与尺寸2009-01-20 23:15标准:摘自GB/T 1095-1979,GB/T 1096-1979(1990年确认有效)模型(M)GB1096.CATPart GB1096.SLDPRT轴键键槽B型键每100mm 公称直公称尺寸宽度b深度半径r重量径db(h9)h(h11)L(h14)c或r(max)公称尺寸b极限偏差(kg)≈较松键联结一般键联结较紧键联结轴t毂t1轴H9毂D10轴N9毂Js9轴和毂P9公称尺寸极限偏差公称尺寸极限偏差最小最大-宽度(PB)高度(PH)名义长度(NLG)倒角高度(PHH)-------------6~8226~200.252+0.025~0+0.060~+0.020-0.004~-0.029±0.0125-0.006~-0.0311.2+0.1~01+0.1~00.080.160.0038~10336~360.253+0.025~0+0.060~+0.020-0.004~-0.029±0.0125-0.006~-0.0311.8+0.1~01.4+0.1~00.080.160.00710~12448~450.254+0.030~0+0.078~+0.030-0.000~-0.030±0.015-0.012~-0.0422.5+0.1~01.8+0.1~00.080.160.01312~175510~560.45+0.030~0+0.078~+0.030-0.000~-0.030±0.015-0.012~-0.0423+0.1~02.3+0.1~00.160.250.0217~226614~700.46+0.030~0+0.078~+0.030-0.000~-0.030±0.015-0.012~-0.0423.5+0.1~02.8+0.1~00.160.250.02822~308718~900.48+0.036~0+0.098~+0.040-0.000~-0.036±0.018-0.015~-0.0514+0.2~03.3+0.2~00.160.250.04430~3810822~1100.610+0.036~0+0.098~+0.040-0.000~-0.036±0.018-0.015~-0.0515+0.2~03.3+0.2~00.250.40.06338~4412828~1400.612+0.043~0+0.120~+0.050-0.000~-0.043±0.0215-0.018~-0.0615+0.2~03.3+0.2~00.250.40.07544~5014936~1600.614+0.043~0+0.120~+0.050-0.000~-0.043±0.0215-0.018~-0.0615.5+0.2~03.8+0.2~00.250.40.09950~58161045~1800.616+0.043~0+0.120~-0.000~±0.0215-0.018~6+0.2~04.3+0.2~00.250.40.126+0.050 -0.043 -0.06158~65 18 11 50~200 0.6 18 +0.043~0+0.120~+0.050 -0.000~-0.043 ±0.0215 -0.018~-0.061 7+0.2~0 4.4 +0.2~0 0.25 0.4 0.15565~75 20 12 56~220 0.8 20 +0.052~0+0.149~+0.065 -0.000~-0.052 ±0.026 -0.022~-0.074 7.5 +0.2~0 4.9 +0.2~0 0.4 0.6 0.188 75~85 22 14 63~250 0.8 22 +0.052~0+0.149~+0.065 -0.000~-0.052 ±0.026 -0.022~-0.074 9 +0.2~0 5.4 +0.2~0 0.4 0.6 0.242 85~95 25 14 70~280 0.8 25 +0.052~0+0.149~+0.065 -0.000~-0.052 ±0.026 -0.022~-0.074 9+0.2~0 5.4 +0.2~0 0.4 0.6 0.27595~110 28 16 80~320 0.8 28 +0.052~0+0.149~+0.065 -0.000~-0.052 ±0.026 -0.022~-0.074 10 +0.2~0 6.4 +0.2~0 0.4 0.6 0.352 110~130 32 18 90~360 0.8 32 +0.062~0+0.180~+0.080 -0.000~-0.062 ±0.031 -0.026~-0.088 11 +0.2~0 7.4 +0.2~0 0.4 0.6 0.452 130~150 36 20 100~400 1.236 +0.062~0+0.180~+0.080 -0.000~-0.062 ±0.031 -0.026~-0.088 12 +0.3~0 8.4 +0.3~0 0.7 1 0.565 150~170 40 22 100~401 1.240 +0.062~0+0.180~+0.080 -0.000~-0.062 ±0.031 -0.026~-0.088 13 +0.3~0 9.4 +0.3~0 0.7 1 0.691 170~200 45 25 110~450 1.2 45 +0.062~0+0.180~+0.080 -0.000~-0.062 ±0.031 -0.026~-0.088 15 +0.3~0 10.4 +0.3~0 0.7 1 0.883 200~230 50 28 125~500 1.2 50 +0.062~0+0.180~+0.080 -0.000~-0.062 ±0.031 -0.026~-0.088 17 +0.3~0 11.4 +0.3~0 0.7 11.1230~260 56 32 140~500 2 56 +0.074~0+0.220~+0.100 -0.000~-0.074 ±0.037 -0.032~-0.106 20 +0.3~0 12.4 +0.3~0 1.2 1.6 1.407 260~290 63 32 160~500 2 63 +0.074~0+0.220~+0.100-0.000~-0.074 ±0.037-0.032~-0.106 20 +0.3~0 12.4 +0.3~0 1.2 1.6 1.583 290~7036180~270+0.074~0 +0.220~-0.000~±0.037 -0.032~22 +0.3~0 14.4 +0.3~0 1.2 1.6 1.978330 500 +0.100 -0.074 -0.106330~380 8040 200~500 380 +0.074~0+0.220~+0.100 -0.000~-0.074 ±0.037-0.032~-0.10625 +0.3~0 15.4 +0.3~0 2 2.5 2.512 380~440 9045 220~500 390 +0.087~0+0.260~+0.120 -0.000~-0.087 ±0.0435-0.037~-0.12428 +0.3~0 17.4 +0.3~0 2 2.5 3.179 440~50010050250~500 3100 +0.087~0+0.260~+0.120 -0.000~-0.087 ±0.0435-0.037~-0.12431 +0.3~0 19.4 +0.3~0 22.53.925l (系列):6,8,10,12,14,16,18,20,22,25,28,32,36,40,45,50,56,63,70,80,90,100,110,125,140,160,180,200,220,250,280,320,360,400,450,500描述(D)1. 在工作图中,轴槽深用t 或(d-t)标注,毂槽深用(d+t1)标注。
\\平键介绍、分类及尺寸一、普通平键1、普通平键的概念、结构、尺寸普通平键(GB1096-2003)分为三种结构形式,如图所示(倒角或倒圆未画),A型为圆头普通平键,B型为方头普通平键,C型为单圆头普通平键。
普通平键的主要结构尺寸为键宽b、键高h、键长L。
2、普通平键的标记格式为:名称键的形式键宽b ×键高h ×键长L GB1096-2003。
其中A型普通平键的形式A可以省略不住。
例如A型普通平键,b=8,h=7, L=25, 标记为键8×7×25 GB1096-2003,如为B型普通平键,尺寸同上,则标记为:键B8×7×25 GB1096-2003。
除了普通平键外还有薄型普通平键,用于受力较小的连接,其国标代号为GB1657-2003, 结构同GB1096-2003相同,也分为A、B、C型。
普通平键依靠的是键的两个侧面来传递动力。
普通平键的有关尺寸是根据轴的直径来选取的,可以查下面的表:\\\\绘图时与键有关的数据,如槽深、槽宽必须查上面的表画图。
3、画法3.1 键槽的画法其中如标注偏差,应该按照上面标中的要求和说明进行标注。
3.2普通平键连接画法二、普通平键型式与尺寸标准:摘自GB/T 1095-1979,GB/T 1096-1979(1990年确认有效)模型(M) GB1096.CATPart GB1096.SLDPRT\\l(系列):6,8,10,12,14,16,18,20,22,25,28,32,36,40,45,50,56,63,70,80,90,100,110,125,140,160,180,200,220,250,280,320,360,400,450,500三、薄型平键、键槽的剖面尺寸及公差标准:摘自GB/T 1566-2003,GB/T 1567-2003模型(M):GB1567.CATPart GB1567.SLDPRTl(系列):10,12,14,16,18,20,22,25,28,32,36,40,45,50,56,63,70,80,90,100,110,125,140,160,180,200,220,250,280,320,360,400四、描述(D)1、在工作图中,轴槽深用t或(d-t)标注,毂槽深用(d+t1)标注。
普通平键1、普通平键的概念、结构、尺寸普通平键(GB1096-2003)分为三种结构形式,如图所示(倒角或倒圆未画),A型为圆头普通平键,B型为方头普通平键,C型为单圆头普通平键。
普通平键的主要结构尺寸为键宽b、键高h、键长L。
2、普通平键的标记格式为:名称键的形式键宽b ×键高h ×键长L GB1096-2003。
其中A型普通平键的形式A可以省略不住。
例如A型普通平键,b=8,h=7, L=25, 标记为键8×7×25 GB1096-2003,如为B型普通平键,尺寸同上,则标记为:键B8×7×25 GB1096-2003。
除了普通平键外还有薄型普通平键,用于受力较小的连接,其国标代号为GB1657-2003, 结构同GB1096-2003相同,也分为A、B、C型。
普通平键依靠的是键的两个侧面来传递动力。
普通平键的有关尺寸是根据轴的直径来选取的,可以查下面的表:绘图时与键有关的数据,如槽深、槽宽必须查上面的表画图。
3、画法3.1 键槽的画法其中如标注偏差,应该按照上面标中的要求和说明进行标注。
3.2 普通平键连接画法名称:普通平键型式与尺寸2009-01-20 23:15标准:摘自GB/T 1095-1979,GB/T 1096-1979(1990年确认有效)模型(M)GB1096.CATPart GB1096.SLDPRT轴键键槽B型键每100mm 公称直公称尺寸宽度b深度半径r重量径db(h9)h(h11)L(h14)c或r(max)公称尺寸b极限偏差(kg)≈较松键联结一般键联结较紧键联结轴t毂t1轴H9毂D10轴N9毂Js9轴和毂P9公称尺寸极限偏差公称尺寸极限偏差最小最大-宽度(PB)高度(PH)名义长度(NLG)倒角高度(PHH)-------------6~8226~200.252+0.025~0+0.060~+0.020-0.004~-0.029±0.0125-0.006~-0.0311.2+0.1~01+0.1~00.080.160.0038~10336~360.253+0.025~0+0.060~+0.020-0.004~-0.029±0.0125-0.006~-0.0311.8+0.1~01.4+0.1~00.080.160.00710~12448~450.254+0.030~0+0.078~+0.030-0.000~-0.030±0.015-0.012~-0.0422.5+0.1~01.8+0.1~00.080.160.01312~175510~560.45+0.030~0+0.078~+0.030-0.000~-0.030±0.015-0.012~-0.0423+0.1~02.3+0.1~00.160.250.0217~226614~700.46+0.030~0+0.078~+0.030-0.000~-0.030±0.015-0.012~-0.0423.5+0.1~02.8+0.1~00.160.250.02822~308718~900.48+0.036~0+0.098~+0.040-0.000~-0.036±0.018-0.015~-0.0514+0.2~03.3+0.2~00.160.250.04430~3810822~1100.610+0.036~0+0.098~+0.040-0.000~-0.036±0.018-0.015~-0.0515+0.2~03.3+0.2~00.250.40.06338~4412828~1400.612+0.043~0+0.120~+0.050-0.000~-0.043±0.0215-0.018~-0.0615+0.2~03.3+0.2~00.250.40.07544~5014936~1600.614+0.043~0+0.120~+0.050-0.000~-0.043±0.0215-0.018~-0.0615.5+0.2~03.8+0.2~00.250.40.09950~58161045~1800.616+0.043~0+0.120~-0.000~±0.0215-0.018~6+0.2~04.3+0.2~00.250.40.126+0.050 -0.043 -0.06158~65 18 11 50~200 0.6 18 +0.043~0+0.120~+0.050 -0.000~-0.043 ±0.0215 -0.018~-0.061 7+0.2~0 4.4 +0.2~0 0.25 0.4 0.15565~75 20 12 56~220 0.8 20 +0.052~0+0.149~+0.065 -0.000~-0.052 ±0.026 -0.022~-0.074 7.5 +0.2~0 4.9 +0.2~0 0.4 0.6 0.188 75~85 22 14 63~250 0.8 22 +0.052~0+0.149~+0.065 -0.000~-0.052 ±0.026 -0.022~-0.074 9 +0.2~0 5.4 +0.2~0 0.4 0.6 0.242 85~95 25 14 70~280 0.8 25 +0.052~0+0.149~+0.065 -0.000~-0.052 ±0.026 -0.022~-0.074 9+0.2~0 5.4 +0.2~0 0.4 0.6 0.27595~110 28 16 80~320 0.8 28 +0.052~0+0.149~+0.065 -0.000~-0.052 ±0.026 -0.022~-0.074 10 +0.2~0 6.4 +0.2~0 0.4 0.6 0.352 110~130 32 18 90~360 0.8 32 +0.062~0+0.180~+0.080 -0.000~-0.062 ±0.031 -0.026~-0.088 11 +0.2~0 7.4 +0.2~0 0.4 0.6 0.452 130~150 36 20 100~400 1.236 +0.062~0+0.180~+0.080 -0.000~-0.062 ±0.031 -0.026~-0.088 12 +0.3~0 8.4 +0.3~0 0.7 1 0.565 150~170 40 22 100~401 1.240 +0.062~0+0.180~+0.080 -0.000~-0.062 ±0.031 -0.026~-0.088 13 +0.3~0 9.4 +0.3~0 0.7 1 0.691 170~200 45 25 110~450 1.2 45 +0.062~0+0.180~+0.080 -0.000~-0.062 ±0.031 -0.026~-0.088 15 +0.3~0 10.4 +0.3~0 0.7 1 0.883 200~230 50 28 125~500 1.2 50 +0.062~0+0.180~+0.080 -0.000~-0.062 ±0.031 -0.026~-0.088 17 +0.3~0 11.4 +0.3~0 0.7 11.1230~260 56 32 140~500 2 56 +0.074~0+0.220~+0.100 -0.000~-0.074 ±0.037 -0.032~-0.106 20 +0.3~0 12.4 +0.3~0 1.2 1.6 1.407 260~290 63 32 160~500 2 63 +0.074~0+0.220~+0.100-0.000~-0.074 ±0.037-0.032~-0.106 20 +0.3~0 12.4 +0.3~0 1.2 1.6 1.583 290~7036180~270+0.074~0 +0.220~-0.000~±0.037-0.032~22 +0.3~0 14.4 +0.3~0 1.2 1.6 1.978330 500 +0.100 -0.074 -0.106330~380 8040 200~500 380 +0.074~0+0.220~+0.100 -0.000~-0.074 ±0.037-0.032~-0.10625 +0.3~0 15.4 +0.3~0 2 2.5 2.512 380~440 9045 220~500 390 +0.087~0+0.260~+0.120 -0.000~-0.087 ±0.0435-0.037~-0.12428 +0.3~0 17.4 +0.3~0 2 2.5 3.179 440~50010050250~500 3100 +0.087~0+0.260~+0.120 -0.000~-0.087 ±0.0435-0.037~-0.12431 +0.3~0 19.4 +0.3~0 22.53.925l (系列):6,8,10,12,14,16,18,20,22,25,28,32,36,40,45,50,56,63,70,80,90,100,110,125,140,160,180,200,220,250,280,320,360,400,450,500描述(D)1. 在工作图中,轴槽深用t 或(d-t)标注,毂槽深用(d+t1)标注。
平键介绍、分类及尺寸一、普通平键1、普通平键的概念、结构、尺寸普通平键(GB1096-2003)分为三种结构形式,如图所示(倒角或倒圆未画),A型为圆头普通平键,B型为方头普通平键,C型为单圆头普通平键。
普通平键的主要结构尺寸为键宽b、键高h、键长L。
2、普通平键的标记格式为:名称键的形式键宽b ×键高h ×键长L GB1096-2003。
其中A型普通平键的形式A可以省略不住。
例如A型普通平键,b=8,h=7, L=25, 标记为键8×7×25 GB1096-2003,如为B型普通平键,尺寸同上,则标记为:键B8×7×25 GB1096-2003。
除了普通平键外还有薄型普通平键,用于受力较小的连接,其国标代号为GB1657-2003, 结构同GB1096-2003相同,也分为A、B、C型。
普通平键依靠的是键的两个侧面来传递动力。
普通平键的有关尺寸是根据轴的直径来选取的,可以查下面的表:文案大全绘图时与键有关的数据,如槽深、槽宽必须查上面的表画图。
3、画法3.1 键槽的画法其中如标注偏差,应该按照上面标中的要求和说明进行标注。
3.2普通平键连接画法二、普通平键型式与尺寸标准:摘自GB/T 1095-1979,GB/T 1096-1979(1990年确认有效)模型(M) GB1096.CATPart GB1096.SLDPRT文案大全文案大全文案大全l(系列):6,8,10,12,14,16,18,20,22,25,28,32,36,40,45,50,56,63,70,80,90,100,110,125,140,160,180,200,220,250,280,320,360,400,450,500三、薄型平键、键槽的剖面尺寸及公差标准:摘自GB/T 1566-2003,GB/T 1567-2003模型(M):GB1567.CATPart GB1567.SLDPRT文案大全l(系列):10,12,14,16,18,20,22,25,28,32,36,40,45,50,56,63,70,80,90,100,110,125,140,160,180,200,220,250,280,320,360,400四、描述(D)1、在工作图中,轴槽深用t或(d-t)标注,毂槽深用(d+t1)标注。
v1.0 可编辑可修改平键介绍、分类及尺寸一、普通平键1、普通平键的概念、结构、尺寸普通平键(GB1096-2003)分为三种结构形式,如图所示(倒角或倒圆未画),A型为圆头普通平键,B型为方头普通平键,C型为单圆头普通平键。
普通平键的主要结构尺寸为键宽b、键高h、键长L。
2、普通平键的标记格式为:名称键的形式键宽b ×键高h ×键长L GB1096-2003。
其中A型普通平键的形式A可以省略不住。
例如A型普通平键,b=8,h=7, L=25, 标记为键8×7×25 GB1096-2003,如为B型普通平键,尺寸同上,则标记为:键B8×7×25 GB1096-2003。
除了普通平键外还有薄型普通平键,用于受力较小的连接,其国标代号为GB1657-2003, 结构同GB1096-2003相同,也分为A、B、C型。
普通平键依靠的是键的两个侧面来传递动力。
普通平键的有关尺寸是根据轴的直径来选取的,可以查下面的表:v1.0 可编辑可修改2绘图时与键有关的数据,如槽深、槽宽必须查上面的表画图。
3、画法键槽的画法其中如标注偏差,应该按照上面标中的要求和说明进行标注。
普通平键连接画法二、普通平键型式与尺寸标准:摘自GB/T 1095-1979,GB/T 1096-1979(1990年确认有效)模型(M)5678v1.0 可编辑可修改l(系列):6,8,10,12,14,16,18,20,22,25,28,32,36,40,45,50,56,63,70,80,90,100,110,125,140,160,180,200,220,250,280,320,360,400,450,500三、薄型平键、键槽的剖面尺寸及公差标准:摘自GB/T 1566-2003,GB/T 1567-2003模型(M):1011l(系列):10,12,14,16,18,20,22,25,28,32,36,40,45,50,56,63,70,80,90,100,110,125,140,160,180,200,220,250,280,320,360,400四、描述(D)1、在工作图中,轴槽深用t或(d-t)标注,毂槽深用(d+t1)标注。
普通平键1、普通平键的概念、结构、尺寸普通平键(GB1096-2003)分为三种结构形式,如图所示(倒角或倒圆未画),A型为圆头普通平键,B型为方头普通平键,C型为单圆头普通平键。
普通平键的主要结构尺寸为键宽b、键高h、键长L。
2、普通平键的标记格式为:名称键的形式键宽b ×键高h ×键长L GB1096-2003。
其中A型普通平键的形式A可以省略不住。
例如A型普通平键,b=8,h=7, L=25, 标记为键8×7×25 GB1096-2003,如为B型普通平键,尺寸同上,则标记为:键B8×7×25 GB1096-2003。
除了普通平键外还有薄型普通平键,用于受力较小的连接,其国标代号为GB1657-2003, 结构同GB1096-2003相同,也分为A、B、C型。
普通平键依靠的是键的两个侧面来传递动力。
普通平键的有关尺寸是根据轴的直径来选取的,可以查下面的表:绘图时与键有关的数据,如槽深、槽宽必须查上面的表画图。
3、画法3.1 键槽的画法其中如标注偏差,应该按照上面标中的要求和说明进行标注。
3.2 普通平键连接画法名称:普通平键型式与尺寸2009-01-20 23:15标准:摘自GB/T 1095-1979,GB/T 1096-1979(1990年确认有效)模型(M)GB1096.CATPart GB1096.SLDPRT轴键键槽B型键每100mm 公称直公称尺寸宽度b深度半径r重量径db(h9)h(h11)L(h14)c或r(max)公称尺寸b极限偏差(kg)≈较松键联结一般键联结较紧键联结轴t毂t1轴H9毂D10轴N9毂Js9轴和毂P9公称尺寸极限偏差公称尺寸极限偏差最小最大-宽度(PB)高度(PH)名义长度(NLG)倒角高度(PHH)-------------6~8226~200.252+0.025~0+0.060~+0.020-0.004~-0.029±0.0125-0.006~-0.0311.2+0.1~01+0.1~00.080.160.0038~10336~360.253+0.025~0+0.060~+0.020-0.004~-0.029±0.0125-0.006~-0.0311.8+0.1~01.4+0.1~00.080.160.00710~12448~450.254+0.030~0+0.078~+0.030-0.000~-0.030±0.015-0.012~-0.0422.5+0.1~01.8+0.1~00.080.160.01312~175510~560.45+0.030~0+0.078~+0.030-0.000~-0.030±0.015-0.012~-0.0423+0.1~02.3+0.1~00.160.250.0217~226614~700.46+0.030~0+0.078~+0.030-0.000~-0.030±0.015-0.012~-0.0423.5+0.1~02.8+0.1~00.160.250.02822~308718~900.48+0.036~0+0.098~+0.040-0.000~-0.036±0.018-0.015~-0.0514+0.2~03.3+0.2~00.160.250.04430~3810822~1100.610+0.036~0+0.098~+0.040-0.000~-0.036±0.018-0.015~-0.0515+0.2~03.3+0.2~00.250.40.06338~4412828~1400.612+0.043~0+0.120~+0.050-0.000~-0.043±0.0215-0.018~-0.0615+0.2~03.3+0.2~00.250.40.07544~5014936~1600.614+0.043~0+0.120~+0.050-0.000~-0.043±0.0215-0.018~-0.0615.5+0.2~03.8+0.2~00.250.40.09950~58161045~1800.616+0.043~0+0.120~-0.000~±0.0215-0.018~6+0.2~04.3+0.2~00.250.40.126+0.050 -0.043 -0.06158~65 18 11 50~200 0.6 18 +0.043~0+0.120~+0.050 -0.000~-0.043 ±0.0215 -0.018~-0.061 7+0.2~0 4.4 +0.2~0 0.25 0.4 0.15565~75 20 12 56~220 0.8 20 +0.052~0+0.149~+0.065 -0.000~-0.052 ±0.026 -0.022~-0.074 7.5 +0.2~0 4.9 +0.2~0 0.4 0.6 0.188 75~85 22 14 63~250 0.8 22 +0.052~0+0.149~+0.065 -0.000~-0.052 ±0.026 -0.022~-0.074 9 +0.2~0 5.4 +0.2~0 0.4 0.6 0.242 85~95 25 14 70~280 0.8 25 +0.052~0+0.149~+0.065 -0.000~-0.052 ±0.026 -0.022~-0.074 9+0.2~0 5.4 +0.2~0 0.4 0.6 0.27595~110 28 16 80~320 0.8 28 +0.052~0+0.149~+0.065 -0.000~-0.052 ±0.026 -0.022~-0.074 10 +0.2~0 6.4 +0.2~0 0.4 0.6 0.352 110~130 32 18 90~360 0.8 32 +0.062~0+0.180~+0.080 -0.000~-0.062 ±0.031 -0.026~-0.088 11 +0.2~0 7.4 +0.2~0 0.4 0.6 0.452 130~150 36 20 100~400 1.236 +0.062~0+0.180~+0.080 -0.000~-0.062 ±0.031 -0.026~-0.088 12 +0.3~0 8.4 +0.3~0 0.7 1 0.565 150~170 40 22 100~401 1.240 +0.062~0+0.180~+0.080 -0.000~-0.062 ±0.031 -0.026~-0.088 13 +0.3~0 9.4 +0.3~0 0.7 1 0.691 170~200 45 25 110~450 1.2 45 +0.062~0+0.180~+0.080 -0.000~-0.062 ±0.031 -0.026~-0.088 15 +0.3~0 10.4 +0.3~0 0.7 1 0.883 200~230 50 28 125~500 1.2 50 +0.062~0+0.180~+0.080 -0.000~-0.062 ±0.031 -0.026~-0.088 17 +0.3~0 11.4 +0.3~0 0.7 11.1230~260 56 32 140~500 2 56 +0.074~0+0.220~+0.100 -0.000~-0.074 ±0.037 -0.032~-0.106 20 +0.3~0 12.4 +0.3~0 1.2 1.6 1.407 260~290 63 32 160~500 2 63 +0.074~0+0.220~+0.100-0.000~-0.074 ±0.037-0.032~-0.106 20 +0.3~0 12.4 +0.3~0 1.2 1.6 1.583 290~7036180~270+0.074~0 +0.220~-0.000~±0.037-0.032~22 +0.3~0 14.4 +0.3~0 1.2 1.6 1.978330 500 +0.100 -0.074 -0.106330~380 8040 200~500 380 +0.074~0+0.220~+0.100 -0.000~-0.074 ±0.037-0.032~-0.10625 +0.3~0 15.4 +0.3~0 2 2.5 2.512 380~440 9045 220~500 390 +0.087~0+0.260~+0.120 -0.000~-0.087 ±0.0435-0.037~-0.12428 +0.3~0 17.4 +0.3~0 2 2.5 3.179 440~50010050250~500 3100 +0.087~0+0.260~+0.120 -0.000~-0.087 ±0.0435-0.037~-0.12431 +0.3~0 19.4 +0.3~0 22.53.925l (系列):6,8,10,12,14,16,18,20,22,25,28,32,36,40,45,50,56,63,70,80,90,100,110,125,140,160,180,200,220,250,280,320,360,400,450,500描述(D)1. 在工作图中,轴槽深用t 或(d-t)标注,毂槽深用(d+t1)标注。
普通平键1、普通平键的概念、结构、尺寸普通平键(GB1096-2003)分为三种结构形式,如图所示(倒角或倒圆未画),A型为圆头普通平键,B型为方头普通平键,C型为单圆头普通平键。
普通平键的主要结构尺寸为键宽b、键高h、键长L。
2、普通平键的标记格式为:名称键的形式键宽b ×键高h ×键长L GB1096-2003。
其中A型普通平键的形式A可以省略不住。
例如A型普通平键,b=8,h=7, L=25, 标记为键8×7×25GB1096-2003,如为B型普通平键,尺寸同上,则标记为:键B8×7×25 GB1096-2003。
除了普通平键外还有薄型普通平键,用于受力较小的连接,其国标代号为GB1657-2003, 结构同GB1096-2003相同,也分为A、B、C型。
普通平键依靠的是键的两个侧面来传递动力。
普通平键的有关尺寸是根据轴的直径来选取的,可以查下面的表:绘图时与键有关的数据,如槽深、槽宽必须查上面的表画图。
3、画法3.1 键槽的画法其中如标注偏差,应该按照上面标中的要求和说明进行标注。
3.2 普通平键连接画法名称:普通平键型式与尺寸2009-01-20 23:15标准:摘自GB/T 1095-1979,GB/T 1096-1979(1990年确认有效)模型(M)GB1096.CATPart GB1096.SLDPRT轴 键 键槽 B 型键每100mm 重量(kg)≈公称直径d 公称尺寸宽度b深度半径rb(h9) h(h11) L(h14) c 或r(max)公称尺寸b极限偏差较松键联结 一般键联结 较紧键联结 轴t毂t1轴H9 毂D10轴N9毂Js9 轴和毂P9公称尺寸 极限偏差 公称尺寸 极限偏差最小 最大-宽度(PB)高度(PH)名义长度(NLG)倒角高度(PHH)-------------6~8226~200.252+0.025~0+0.060~+0.020-0.004~-0.029±0.0125-0.006~-0.0311.2+0.1~1+0.1~00.080.160.0038~10336~360.253+0.025~0+0.060~+0.020-0.004~-0.029±0.0125-0.006~-0.0311.8+0.1~1.4+0.1~00.080.160.00710~12448~450.254+0.030~0+0.078~+0.030-0.000~-0.030±0.015-0.012~-0.0422.5+0.1~1.8+0.1~00.080.160.01312~175510~560.45+0.030~0+0.078~+0.030-0.000~-0.030±0.015-0.012~-0.0423+0.1~2.3+0.1~00.160.250.0217~226614~700.46+0.030~0+0.078~+0.030-0.000~-0.030±0.015-0.012~-0.0423.5+0.1~2.8+0.1~00.160.250.02822~308718~900.48+0.036~0+0.098~+0.040-0.000~-0.036±0.018-0.015~-0.0514+0.2~3.3+0.2~00.160.250.04430~3810822~1100.610+0.036~0+0.098~+0.040-0.000~-0.036±0.018-0.015~-0.0515+0.2~3.3+0.2~00.250.40.06338~4412828~1400.612+0.043~0+0.120~+0.050-0.000~-0.043±0.0215-0.018~-0.0615+0.2~3.3+0.2~00.250.40.07544~5014936~1600.614+0.043~0+0.120~+0.050-0.000~-0.043±0.0215-0.018~-0.0615.5+0.2~3.8+0.2~00.250.40.09950~58161045~1800.616+0.043~0+0.120~+0.050-0.000~-0.043±0.0215-0.018~-0.0616+0.2~4.3+0.2~00.250.40.12658~65181150~2000.618+0.043~0+0.120~+0.050-0.000~-0.043±0.0215-0.018~-0.0617+0.2~4.4+0.2~00.250.40.15565~75201256~2200.820+0.052~0+0.149~-0.000~±0.026-0.022~7.5+0.2~4.9+0.2~00.40.60.188+0.065 -0.052-0.0740 75~85 22 14 63~250 0.8 22 +0.052~0+0.149~+0.065 -0.000~-0.052 ±0.026-0.022~-0.0749 +0.2~0 5.4 +0.2~0 0.4 0.6 0.242 85~95 25 14 70~280 0.8 25 +0.052~0+0.149~+0.065 -0.000~-0.052 ±0.026-0.022~-0.0749 +0.2~0 5.4 +0.2~0 0.4 0.6 0.275 95~110 28 16 80~320 0.8 28 +0.052~0+0.149~+0.065 -0.000~-0.052 ±0.026-0.022~-0.07410 +0.2~0 6.4 +0.2~0 0.4 0.6 0.352 110~130 32 18 90~360 0.8 32 +0.062~0+0.180~+0.080 -0.000~-0.062 ±0.031-0.026~-0.08811 +0.2~0 7.4 +0.2~0 0.4 0.6 0.452 130~150 36 20 100~400 1.2 36 +0.062~0+0.180~+0.080 -0.000~-0.062 ±0.031-0.026~-0.08812 +0.3~0 8.4 +0.3~0 0.7 1 0.565 150~170 40 22 100~401 1.2 40 +0.062~0+0.180~+0.080 -0.000~-0.062 ±0.031-0.026~-0.08813 +0.3~0 9.4 +0.3~0 0.7 1 0.691 170~200 45 25 110~450 1.2 45 +0.062~0+0.180~+0.080 -0.000~-0.062 ±0.031-0.026~-0.08815 +0.3~0 10.4 +0.3~0 0.7 1 0.883 200~230 50 28 125~500 1.2 50 +0.062~0+0.180~+0.080 -0.000~-0.062 ±0.031-0.026~-0.08817 +0.3~0 11.4 +0.3~0 0.7 11.1230~260 56 32 140~500 2 56 +0.074~0+0.220~+0.100 -0.000~-0.074 ±0.037-0.032~-0.10620 +0.3~0 12.4 +0.3~0 1.2 1.6 1.407 260~290 63 32 160~500 2 63 +0.074~0+0.220~+0.100 -0.000~-0.074 ±0.037-0.032~-0.10620 +0.3~0 12.4 +0.3~0 1.2 1.6 1.583 290~330 70 36 180~500 2 70 +0.074~0+0.220~+0.100 -0.000~-0.074 ±0.037-0.032~-0.10622 +0.3~0 14.4 +0.3~0 1.2 1.6 1.978 330~380 80 40 200~500 3 80 +0.074~0+0.220~+0.100-0.000~-0.074 ±0.037-0.032~-0.10625 +0.3~0 15.4 +0.3~0 2 2.5 2.512 380~9045220~390+0.087~0 +0.260~-0.000~±0.0435 -0.037~28+0.3~17.4 +0.3~02 2.5 3.179440 500 +0.120 -0.087 -0.1240 440~500 100 50250~500 3100 +0.087~0+0.260~+0.120 -0.000~-0.087 ±0.0435-0.037~-0.124 31 +0.3~019.4 +0.3~0 22.53.925l (系列):6,8,10,12,14,16,18,20,22,25,28,32,36,40,45,50,56,63,70,80,90,100,110,125,140,160,180,200,220,250,280,320,360,400,450,500名称:薄型平键、键槽的剖面尺寸及公差标准:摘自GB/T 1566-1979,GB/T 1567-1979(1990年确认有效)模型(M)GB1567.CATPart GB1567.SLDPRTl(系列):10,12,14,16,18,20,22,25,28,32,36,40,45,50,56,63,70,80,90,100,110,125,140,160,180,200,220,250,280,320,360,400相关链接(提供)相关企业(申请)描述(D)1. 在工作图中,轴槽深用t或(d-t)标注,毂槽深用(d+t1)标注。
平键介绍、分类及尺寸一、普通平键1、普通平键的概念、结构、尺寸普通平键(GB1096-2003)分为三种结构形式,如图所示(倒角或倒圆未画),A型为圆头普通平键,B型为方头普通平键,C型为单圆头普通平键。
普通平键的主要结构尺寸为键宽b、键高h、键长L。
2、普通平键的标记格式为:名称键的形式键宽b × 键高h ×键长L GB1096-2003。
其中A型普通平键的形式A可以省略不住。
例如A型普通平键,b=8,h=7, L=25, 标记为键8×7×25 GB1096-2003,如为B型普通平键,尺寸同上,则标记为:键B8×7×25 GB1096-2003。
除了普通平键外还有薄型普通平键,用于受力较小的连接,其国标代号为GB1657-2003, 结构同GB1096-2003相同,也分为A、B、C型。
普通平键依靠的是键的两个侧面来传递动力。
普通平键的有关尺寸是根据轴的直径来选取的,可以查下面的表:绘图时与键有关的数据,如槽深、槽宽必须查上面的表画图。
3、画法键槽的画法其中如标注偏差,应该按照上面标中的要求和说明进行标注。
普通平键连接画法二、普通平键型式与尺寸标准:摘自GB/T 1095-1979,GB/T 1096-1979(1990年确认有效)模型(M)l(系列):6,8,10,12,14,16,18,20,22,25,28,32,36,40,45,50,56,63,70,80,90,100,110,125,140,160,180,200,220,250,280,320,360,400,450,500三、薄型平键、键槽的剖面尺寸及公差标准:摘自GB/T 1566-2003,GB/T 1567-2003模型(M):l(系列):10,12,14,16,18,20,22,25,28,32,36,40,45,50,56,63,70,80,90,100,110,125,140,160,180,200,220,250,280,320,360,400四、描述(D)1、在工作图中,轴槽深用t或(d-t)标注,毂槽深用(d+t1)标注。
.平键介绍、分类及尺寸一、普通平键1、普通平键的概念、结构、尺寸普通平键(GB1096-2003)分为三种结构形式,如图所示(倒角或倒圆未画),A型为圆头普通平键,B型为方头普通平键,C型为单圆头普通平键。
普通平键的主要结构尺寸为键宽b、键高h、键长L。
2、普通平键的标记格式为:名称键的形式键宽b ×键高h ×键长L GB1096-2003。
其中A型普通平键的形式A可以省略不住。
例如A型普通平键,b=8,h=7, L=25, 标记为键8×7×25 GB1096-2003,如为B型普通平键,尺寸同上,则标记为:键B8×7×25 GB1096-2003。
除了普通平键外还有薄型普通平键,用于受力较小的连接,其国标代号为GB1657-2003, 结构同GB1096-2003相同,也分为A、B、C型。
普通平键依靠的是键的两个侧面来传递动力。
普通平键的有关尺寸是根据轴的直径来选取的,可以查下面的表:.;.绘图时与键有关的数据,如槽深、槽宽必须查上面的表画图。
3、画法3.1 键槽的画法其中如标注偏差,应该按照上面标中的要求和说明进行标注。
3.2普通平键连接画法二、普通平键型式与尺寸标准:摘自GB/T 1095-1979,GB/T 1096-1979(1990年确认有效)模型(M) GB1096.CATPart GB1096.SLDPRT;.;.;..l(系列):6,8,10,12,14,16,18,20,22,25,28,32,36,40,45,50,56,63,70,80,90,100,110,125,140,160,180,200,220,250,280,320,360,400,450,500三、薄型平键、键槽的剖面尺寸及公差标准:摘自GB/T 1566-2003,GB/T 1567-2003模型(M):GB1567.CATPart GB1567.SLDPRT;.;.l(系列):10,12,14,16,18,20,22,25,28,32,36,40,45,50,56,63,70,80,90,100,110,125,140,160,180,200,220,250,280,320,360,400四、描述(D)1、在工作图中,轴槽深用t或(d-t)标注,毂槽深用(d+t1)标注。