动力柜XL-12说明书
- 格式:doc
- 大小:44.50 KB
- 文档页数:4
目录1 产品的用途和适用范围 (1)2 型号及其含义 (1)3 使用条件 (1)4 电气参数 (1)5 基本结构形式 (2)6 安装和使用 (2)6.1 运输后的验收 (2)6.2 外型和安装尺寸 (2)6.3 装置安装投入运行前的检查和试验 (3)7 运输和存放 (3)XL—21 动力柜安装使用说明书1 产品的用途和适用范围本装置为额定电压380V、频率为50Hz,额定电流不大于630A的综合配电箱,可作为变压器二次侧的动力、照明、控制电路的过载、短路保护,用来分配电能并可用作用电设备的漏电和人的防触电保护、用于在正常的情况下作分断和接通线路。
装置适用于工业和民用建筑、工矿企业、高层大厦、车站、医院、学校、机关、住宅等现代建筑的电机控制、动力配电、照明配电。
2 型号及其含义一次线路方案号设计序号动力配电箱3 使用条件装置适用于下列条件并能正常工作。
如果箱内的元件不适用于这些条件,应采取适当的措施以保证其正常工作。
3.1周围空气温度不高于+40℃,并且在24h内平均温度不高于+35℃。
周围空气温度不低于-5ºC。
3.2海拔高度不高于2000m。
3.3空气清洁,在最高温度为+40ºC时,其相对湿度不得超过50%,在较低温度时允许有较大的相对湿度,例如:+20ºC时,相对湿度为90%。
但应考虑到由于温度的变化,有可能会偶然产生适度的凝露。
3.4污染等级一般可在3级环境中使用,且使用场所无腐蚀微粒,无爆炸危险,无强烈震动或冲击。
4 电气参数4.1额定绝缘电压为660V。
4.2主电路的额定工作电压为380V。
4.3额定频率为50Hz~60Hz。
4.4额定工作电流不大于630A。
4.5辅助电路额定工作电压为交流380V、220V。
4.6额定短时耐受电流不大于10kA,短时峰值耐受电流为17kA。
4.7外壳的防护按GB 4208—1993的规定,等级为IP30。
5 基本结构形式5.1箱体采用薄钢板弯制焊接而成。
恩泰XL型低压动力配电箱技术说明书一、概述恩泰XL型低压动力配电箱符合国际电工委员会IEC439-1《低压开关设备和控制设备装置》,国标GB7251-1997《低压开关设备和控制设备装置》。
适用于发电厂、变电站、大型建筑、楼宇等电力用户。
适用于交流50Hz、额定电压500V及以下,作为动力控制及配电使用。
恩泰XL-21系户内装置,靠墙安装,屏前检修。
箱体具有良好的防尘特性,适合于化工厂和有灰尘场所使用。
二、特点恩泰XL型动力配电箱系封闭防尘式,外壳用钢板弯制而成,刀熔组合开关操作手柄安装在箱前右柱上部,可以作为切换电源之用,配电箱前面装有一只电压表,指示汇流排母线的电压,配电箱前面有门,门打开后,配电箱内部设备敞露,便于检修维护。
恩泰XL型动力配电箱均采用新型电器组件,具有结构紧凑,检修方便,线路方案可以灵活组保等特点,配电箱除装有空气断路器和熔断器作为短路保护功能,还具有过压、欠压、缺相告警功能,箱前门可装指示电表,操作按钮和指示灯。
三、工作条件3.1 海拔高度不超过2000米;3.2 周围空气温度不高于+40℃,并且24h内平均温度不高于+35℃,周围空气温度不低于-5℃;3.3 大气条件:空气清洁,相对湿度在温度为+40℃时不超过50%,在温度较低时允许有较高的相对湿度,例如:+20℃时为90%;3.4 没有火灾、爆炸危险、严重污秽、化学腐蚀及剧烈震动的场所;3.5 安装时,与垂直面倾斜不超过5°;3.6 本产品适合以下温度运输、储存:-25℃--+55℃。
在短时间内(不超过24小时)不超过+65℃;3.7 如上述使用条件不能满足时,应由用户在订货时向制造厂提出,协商解决。
四、参数序号名称单位数据1 额定电压V 380/220 VAC2 最大额定工作电流 A 6003 额定绝缘电压V 6604 频率Hz 505 防护等级IP306 短时耐受电流kA 187 短时耐受电流kA 36五、使用、维护和检修恩泰XL型动力配电箱在检修后,在投入运行前需进行下列检查和检验:5.1 检查动力配电箱内电器元件、二次接线是否符合图纸要求;5.2 检查手动操作的刀开关、空气开关是否灵活,无卡扎现象;5.3 检查所装设的电器设备接触是否良好、是否符合该电器设备的本身使用要求;5.4 检查动力配电箱内无异物,检查紧固螺钉是否松动。
盛隆电气集团动力柜使用说明书XL-21G交流低压配电设备使用说明盛隆电气集团有限公司目录企业简介 (3)产品概述 (4)产品介绍 (4)电力电缆的连接 (5)安装说明 (6)安装检查 (6)柜体结构 (7)操作说明 (8)维护 (9)联系我们 (10)企业简介盛隆电气成立于1979年,是智能电网及智慧能源管理领域的领先企业,致力于为用户提供智慧能源系统规划设计、智能输配电设备制造、电力及能源互联网工程总包、运维服务一体化的行业整体解决方案,帮助用户提高电力及能源系统的安全可靠性及智能化水平,并提高能源使用效率,减少碳排放量。
盛隆电气的业务遍布全球50多个国家,在全球30多个国家有销售与服务网络,拥有7000多名员工,2013年当选亚洲品牌500强。
盛隆电气在中国拥有35个子公司和工厂,2个研究院,在北京、武汉、上海、广州和重庆5个城市建有五大营。
北京公司在国门第一高楼“绿地中心”建有国际领先的中国锦智能商务中心,在中关村科技园区建有领先的智能配电及能源互联网科研及产业基地。
武汉公司从2012年起连续5年当选为武汉百强企业。
盛隆电气在智能输配电设备、智慧能源管理及元器件、电力工程及能源互联网工程总承包、智能电力运维四大领域有广泛的产品线和解决方案。
面对日益增长的能源需求和节能减排的严峻挑战,盛隆电气通过先进的产品和解决方案,帮助客户提高能源使用效率,降低能耗,减少碳排放量,创造良好的社会、经济和环境效益。
盛隆电气的产品和解决方案已广泛应用于基础设施、能源、工业、商业、楼宇等领域,如秦山核电站、南水北调、京沪高铁、青藏铁路、武汉地铁、首都机场、北京奥运场馆等国家重点工程,以及斯里兰卡汉班托塔机场、沙特DAJEN油罐区项目、莫桑比克纳卡拉港、苏丹新港、安哥拉洛比托道堆工程、肯尼亚蒙巴萨港等海外重点工程。
产品概述XL-21型动力配电柜适用于发电厂、变电站、民用建筑及工矿企业等额定频率50Hz,额定电压380V,额定电流600A以下三相交流系统,作为电能的转换、分配,或现场负荷就地操作控制之用。
1总则1.1本设备技术规范适用于400V 低压开关柜设备,提出了该设备的功能、设计、结构、性能、安装和试验等方法的技术要求。
动力配电箱的技术要求亦参照本规范执行。
1.2本设备技术规范书提出的是最低限度的技术要求,并未对一切技术细节做出规定,也未充分引述有关标准和规范条文,卖方应提供符合国家标准和本技术条件要求的优质产品。
1.3如果卖方没有以书面对本技术规范的条文提出异议,则意味着卖方提供的设备(或系统)安全符合本技术规范的要求。
如有异议,不管是多少微小,都应在报价书中的以“对规范书的意见和同规范书的差异”为标题的专门章节加以详细描述。
1.4本设备技术规范书所使用的标准如遇与卖方所执行标准不一致时,按较高标准执行。
1.5本设备技术规范经买卖双方确认后作为订货合同的技术附件,与合同正文具有同等的法律效力。
1.6供方应获得ISO9000(GB/T19000)资格认证书或具备等同质量认证证书,提供的产品必须通过国家强制安全认证,即CCC(China Compulsory Certification ),并有3C 认证检验报告、两部鉴定文件或等同有效的证明文件。
对于新产品,必须经过桂网试运行,并通过产品鉴定。
2标准规范2.1合同设备包括卖方向其他厂家购买的所有附件和设备,这些附件和设备应符合相应的标准规范或法规的最新版本或其修正本的要求,除非另有特别说明,将包括在投标期内有效的任何修正和补充。
2.2除非合同另有规定,均须遵守最新的国家标准(GB)和国际电工委员会(IEC)标准以及国际单位制(SI)标准。
如采用合资或合作产品,还应遵守使用方国家标准,当上述标准不一致时按高标准执行。
2.3本条款所指定的标准应作为设计制造的依据,采用的标准必须是最新版本,如果标准间出现冲突,应按高标准执行本合同必须遵照执行的技术规范如下(但不限于此):低压开关设备和控制设备》GB/T14048.1-93低压设备和控制设备》GB1408-93低压成套开关设备》GB7251-87低压抽出式成套开关设备》JB/T9661低压成套开关设备和控制设备》IEC439-1低压电器防护等级》GB4942.2-85电测量仪表装置设计技术规程》SDJ9-87导体和电器选择设计技术规定》SDGJ142.4上述法则和标准提出了最基本要求,如果根据卖方的意见并经用户接受,使用优于或更为经济的设计或材料,并能使卖方设备良好地、连续地在本规范所规定的条件下运行时,则这些标准也可以由卖方超越。
低压电力配电柜(箱)技术规范目录1.总则 (2)2.设备运行环境条件 (2)3.设计制造标准、要求 (3)4.规格型号 (4)5.技术要求 (7)6. 质量保证及性能验收 (7)7. 供货范围和要求 (9)8. 卖方提供的技术资料 (51)9. 技术服务 (52)10. 包装运输和储存 (53)11. 其他 (53)1 总则1.1 本技术协议书适用于图纸范围内的低压动力配电柜(箱)及安装。
它提出了对设备的结构功能设计、控制性能和检测等方面的技术要求及供货条件。
1.2本技术协议书提出的各项指标为最低限度的技术要求,并未对一切技术细节做出规定,也未充分引述有关标准和规范的条文,卖方应保证提供符合本规范书和有关国家标准,并且功能完整、性能优良的优质产品及其相应服务。
同时必须满足国家、行业有关安全、可靠等强制性标准和规范性要求。
1.3卖方对其供货范围内的所有产品质量负有全责,包括其外购的产品。
卖方供货的产品如果由于设计、制造、运输等质量问题,而导致生产无法正常使用、设备无法长期连续、安全、经济、稳定、可靠地运行,无法满足所有技术性能要求,则卖方必须为此负全部责任。
1.4卖方须执行本技术协议所列的内容,本技术协议中未提及的内容均应满足或优于本技术协议所列的内容。
有矛盾时,按较高标准执行。
在此期间若颁布有更新、更高要求的标准、规范时,则应按更新、更高要求的标准、规范执行。
1.6 在签定合同后,买方有权提出因规范标准和规定及工程条件发生变化而产生的一些补充要求,所提出问题由买、卖双方共同商定,但卖方必须予以解决。
1.7卖方提供的设备涉及的所有文件、图纸、资料均采用中文,相互间的通讯、谈判、合同及签约后的联络和服务等均应使用中文。
1.9合同签定5天内,按本技术协议的要求,卖方提供合同设备的设计、选型、制造、检验/试验、装配、安装、调试、试运、验收、运行和维护等标准的清单。
1.10卖方承诺:签定技术协议后5日内,提供满足设计院进行施工图设计所需的全部图纸和技术资料四套电子版两套。
XL动力柜技术条件1范围本标准规定了XL系列动力柜的命名与基本参数、要求、抽样、试验方法、标志、包装、运输、贮存等。
本标准适用于交流50Hz、额定电压380V及以下,其最大总输入电流不超过630A的系统中,作为动力配电用的XL系列动力柜(以下简称动力柜)。
2. 引用标准下列文件中的条款,通过本标准中引用而成为本标准的条款,凡是注日期的引用文件,其随后所有的修改单(不包括勘误的内容)或修订版均不适用于本标准。
然而,鼓励根据本标准达成协议的各方研究是否可使用这些文件的最新版本。
凡是不注日期的引用文件,其最新版本适用于本标准。
GB7251.1-2005 低压成套开关设备和控制设备第1部分:型式试验和部分型式试验成套设备GB/T 10233-2005 低压成套开关设备和电控设备基本试验方法GB4208-2008 外壳防护等级GB/T20641-2006 低压成套开关设备和控制设备空壳体的一般要求GB156-2003 标准电压GB2681-1981 电工成套装置中的导线颜色GB2682-1981 指示灯和按钮颜色GB191—2000 包装储运图示标志GB2900.18—2008 电工名词术语低压电器3 定义本标准采用的定义符合GB2900.18和GB7251。
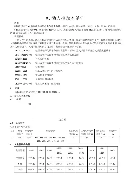
4. 命名与基本参数4.1 命名XL动力柜4.2 基本参数4.2.1基本电气参数5 正常使用条件5.1 动力柜的正常使用条件应符合GB7251.1中6.1的规定。
5.2 动力柜安装倾斜度不超过5度。
6. 要求6.1 一般要求6.1.1 动力柜具有与地基用螺钉固定的安装孔,安装时应将金属材料的箱体与地连接。
6.1.2 动力柜可以成组并列使用,侧壁应有并列安装孔,并列后排列应整齐,箱体间应无显著的缝隙。
6.1.3 动力柜上的门的开启角度应大于90°,门的开启和关闭应灵活。
门锁上后,应无明显晃动。
6.1.4 动力柜内零件的边缘和开孔处应平整光滑,无明显毛刺和裂口。
XL型低压动力配电箱技术说明书一、概述XL型低压动力配电箱符合国际电工委员会IEC439-1《低压开关设备和控制设备装置》,国标GB7251-1997《低压开关设备和控制设备装置》。
适用于发电厂、变电站、大型建筑、楼宇等电力用户。
适用于交流50Hz、额定电压500V及以下,作为动力控制及配电使用。
XL-21系户内装置,靠墙安装,屏前检修。
箱体具有良好的防尘特性,适合于化工厂和有灰尘场所使用。
二、产品特点XL型动力配电箱系封闭防尘式,外壳用钢板弯制而成,刀熔组合开关操作手柄安装在箱前右柱上部,可以作为切换电源之用,配电箱前面装有一只电压表,指示汇流排母线的电压,配电箱前面有门,门打开后,配电箱内部设备敞露,便于检修维护。
XL型动力配电箱均采用新型电器组件,具有结构紧凑,检修方便,线路方案可以灵活组保等特点,配电箱除装有空气断路器和熔断器作为短路保护功能,还具有过压、欠压、缺相告警功能,箱前门可装指示电表,操作按钮和指示灯。
三、工作条件3.1 海拔高度不超过2000米;3.2 周围空气温度不高于+40℃,并且24h内平均温度不高于+35℃,周围空气温度不低于-5℃;3.3 大气条件:空气清洁,相对湿度在温度为+40℃时不超过50%,在温度较低时允许有较高的相对湿度,例如:+20℃时为90%;3.4 没有火灾、爆炸危险、严重污秽、化学腐蚀及剧烈震动的场所;3.5 安装时,与垂直面倾斜不超过5°;3.6 本产品适合以下温度运输、储存:-25℃--+55℃。
在短时间内(不超过24小时)不超过+65℃;3.7 如上述使用条件不能满足时,应由用户在订货时向制造厂提出,协商解决。
四、技术参数五、使用、维护和检修XL型动力配电箱在检修后,在投入运行前需进行下列检查和检验:5.1 检查动力配电箱内电器元件、二次接线是否符合图纸要求;5.2 检查手动操作的刀开关、空气开关是否灵活,无卡扎现象;5.3 检查所装设的电器设备接触是否良好、是否符合该电器设备的本身使用要求;5.4 检查动力配电箱内无异物,检查紧固螺钉是否松动。
XL-21G交流低压配电设备使用说明盛隆电气集团有限公司目录企业简介 (3)产品概述 (4)产品介绍 (4)电力电缆的连接 (5)安装说明 (6)安装检查 (6)柜体结构 (7)操作说明 (8)维护 (9)联系我们 (10)企业简介盛隆电气成立于1979年,是智能电网及智慧能源管理领域的领先企业,致力于为用户提供智慧能源系统规划设计、智能输配电设备制造、电力及能源互联网工程总包、运维服务一体化的行业整体解决方案,帮助用户提高电力及能源系统的安全可靠性及智能化水平,并提高能源使用效率,减少碳排放量。
盛隆电气的业务遍布全球50多个国家,在全球30多个国家有销售与服务网络,拥有7000多名员工,2013年当选亚洲品牌500强。
盛隆电气在中国拥有35个子公司和工厂,2个研究院,在北京、武汉、上海、广州和重庆5个城市建有五大营。
北京公司在国门第一高楼“绿地中心”建有国际领先的中国锦智能商务中心,在中关村科技园区建有领先的智能配电及能源互联网科研及产业基地。
武汉公司从2012年起连续5年当选为武汉百强企业。
盛隆电气在智能输配电设备、智慧能源管理及元器件、电力工程及能源互联网工程总承包、智能电力运维四大领域有广泛的产品线和解决方案。
面对日益增长的能源需求和节能减排的严峻挑战,盛隆电气通过先进的产品和解决方案,帮助客户提高能源使用效率,降低能耗,减少碳排放量,创造良好的社会、经济和环境效益。
盛隆电气的产品和解决方案已广泛应用于基础设施、能源、工业、商业、楼宇等领域,如秦山核电站、南水北调、京沪高铁、青藏铁路、武汉地铁、首都机场、北京奥运场馆等国家重点工程,以及斯里兰卡汉班托塔机场、沙特DAJEN油罐区项目、莫桑比克纳卡拉港、苏丹新港、安哥拉洛比托道堆工程、肯尼亚蒙巴萨港等海外重点工程。
产品概述XL-21型动力配电柜适用于发电厂、变电站、民用建筑及工矿企业等额定频率50Hz,额定电压380V,额定电流600A以下三相交流系统,作为电能的转换、分配,或现场负荷就地操作控制之用。
配电柜(SF6)一、概述:XL-21型低压动力配电柜是红苏电气用国内自行设计的新型组件,外壳用钢板弯制而成,具有结构紧凑,检修方便,线路线路方案可以灵活组合等特点;配电柜除了可装空气断路器和熔断器作为断路保护外,还可装有接触器和热继电器,箱前门可装操作按钮和指示灯,以及需配刀开关时,其刀开关操作手柄装于箱前右柱上部,可以作为切换电源之用,配电箱前面有门,门打开后,配电箱内全部设备敞露,便于检修维护。
XL型动力配电柜用于工矿企业,民用建筑,学校及机关场所,交流频率50Hz~60Hz、负载电流630A以下的单相及三相、电压500V以下IT系统,TN-C系统,TT系统(原称三相三线、三相四线电力系统)作动力、照明配电用。
二、型号含义:X L-(F)-21设计序号防尘式动力箱式(红苏电气)X--箱式L—-动力F—防尘式也可以用数字表示21 --设计序号□--主电路设计方案三、使用环境:1、环境温度:-5℃~+40℃,且24h内的平均温度不超过+36℃。
2、海拔高度:不超过2000m。
3、相对湿度:在周围空气温度为+40℃时不超过50%;在较低温度下可以有较高的相对湿度(如:+20℃时为90%),考虑到温度的变化允许产生适度的凝露。
4、设备安装时与垂直面的倾斜度应不超过5℃。
设备应安装在无剧烈震动、无冲击及无腐蚀的场所。
四、主要技术参数主电路额定电压:AC380V额定绝缘电压:AC660V额定频率:50HZ额定电流:≤800A辅助电路电压:AC220V AC380V五、产品结构及外形尺寸XL-21型低压动力配电柜系户内靠墙安装,单面前开门的配电装置。
其基本结构采用钢板弯制及角钢焊接而成。
前右侧可装设刀开关操作手柄,作为电源切断与接通操作之用,箱门上可装设操作按钮,指示灯及显示仪表,打开箱后,配电箱内部设备全为敞露便于检修维护,本配电箱装有空气断路器,熔断器作为短路保护外,还装有接触器和热继电器。
门与壳体均焊有接地螺钉,确保壳体与地连接可靠。
XL-21动力配电箱安装使用说明书一产品概述XL-2 1低压动力配电箱广泛地应用在发电厂、变电所、厂矿企业、高层建筑等电力用户.在交流4 00V及以下得三相四线或三相五线系统中作为低压动力配电箱使用。
配电箱系用户靠墙安装,屏前操作.可根据用户需要,选用不同型号,不同电流等级得断路器,满足不同用户得需求.X L-21低压动力配电箱符合G B72 5 1、1 -2005《低压成套开关设备与控制设备第1 部分;型式试验与部分型式试验成套设备》等标准。
二使用环境条件2、1周围空气温度不高于+4 0°C,不低于一25°C. 2 4h内得平均温度不得高于+ 3 5 °C.2、2使用地点得海拔高度W 2 000M。
2、3空气清洁,相对湿度较大时应考虑到山于温度得变化可能会偶然产生凝露得影响。
2、4设备安装时与垂直面得倾斜度不超过5%o2、5安装场所应无剧烈震动得地方,无有害气体、蒸汽、导电性或爆炸性尘埃得场所。
2、6用户有特殊要求或上述使用条件不能满足时,应与制造厂协商解决.三开关柜主要技术参数(仅供参考)3、1电气参数额定绝缘电压:500V〜66 0V3、2额定工作电压主电路工作电压:交流380 V辅助电路工作电压:交流220 V、38 0 V3、3额定电流:800A以下3、4额定频率:50Hz或60Hz3、5 外壳防护等级:IP3 0、I P 4 0、IP 54、I P653、6设备得主要结构概述设备得基本结构分为标准位数箱、挂墙式非标箱、落地式配电柜。
3、6、1标准位数箱安装方式:户内式,悬挂固定垂直安装于墙面或嵌入式;接线方式:上进上出线、上进下出线、下进上出、下进下出;操作方式:正面操作;系统形式:T\系统适用范围:可作为照明、计量、插座、漏电保护等用途。
3、6、2挂墙式非标箱安装方式:户内式或户外式,悬挂固定垂直安装于墙面;接线方式:上进上出线、上进下出线、下进上出、下进下出;操作方式:正面操作;系统形式:TX系统适用范围:可作为配电房照明、动力馈电等用途。
XL—21动力配电箱安装使用说明书
一产品概述
XL-21低压动力配电箱广泛地应用在发电厂、变电所、厂矿企业、高层建筑等电力用户.在交流400V及以下得三相四线或三相五线系统中作为低压动力配电箱使用。
配电箱系用户靠墙安装,屏前操作.可根据用户需要,选用不同型号,不同电流等级得断路器,满足不同用户得需求.
XL-21低压动力配电箱符合GB7251、1-2005《低压成套开关设备与控制设备第1部分;型式试验与部分型式试验成套设备》等标准。
二使用环境条件
2、1 周围空气温度不高于+40℃,不低于—25℃.24h内得平均温度不得高于+35℃.
2、2 使用地点得海拔高度≤2000M。
2、3空气清洁,相对湿度较大时应考虑到由于温度得变化可能会偶然产生凝露得影响。
2、4 设备安装时与垂直面得倾斜度不超过 5%。
2、5安装场所应无剧烈震动得地方,无有害气体、蒸汽、导电性或爆炸性尘埃得场所。
2、6用户有特殊要求或上述使用条件不能满足时,应与制造厂协商解决.
三开关柜主要技术参数(仅供参考)
3、1电气参数
额定绝缘电压: 500V~660V
3、2额定工作电压
主电路工作电压:交流380V
辅助电路工作电压:交流 220V、380V
3、3 额定电流:800A 以下
3、4 额定频率:50Hz 或 60Hz
3、5 外壳防护等级:IP30、IP40、IP54、IP65
3、6设备得主要结构概述
设备得基本结构分为标准位数箱、挂墙式非标箱、落地式配电柜。
3、6、1标准位数箱
安装方式:户内式,悬挂固定垂直安装于墙面或嵌入式;
接线方式:上进上出线、上进下出线、下进上出、下进下出;
操作方式:正面操作;
系统形式:TN 系统
适用范围:可作为照明、计量、插座、漏电保护等用途。
3、6、2挂墙式非标箱
安装方式:户内式或户外式,悬挂固定垂直安装于墙面;
接线方式:上进上出线、上进下出线、下进上出、下进下出;
操作方式:正面操作;
系统形式:TN 系统
适用范围:可作为配电房照明、动力馈电等用途。
3、6、3落地式配电柜安装方式:户内式或户外式,固定垂直安装于地面;
接线方式:上进上出线、上进下出线、下进上出、下进下出;
操作方式:正面操作或前后操作;
系统形式:TN 系统
适用范围:可作为配电房照明、动力馈电等用途。
四运输及存放
4、1 出厂条件:
确保所有得工作都完成后,按照相关标准及设计要求进行出厂检验,符合要求方可出厂。
4、2 包装:
低压动力配电箱根据运输条件得不同采取不同得包装方法。
4、3 运输与装卸:
选择汽车运输,必须用绳索将设备与车身固定牢.利用设备上得吊环,用起重机、叉车或手动千斤顶进行装卸.勿倒置。
4、4 交货及中间存储:
4.4.1货到现场后,应进行如下检查:
·依照装箱单检查就是否缺件或运输损坏,并向发货人或运送者出具证明 ;
·检查电容补偿柜就是否完好,就是否受潮。
最好对损坏部分进行摄影.
4.4.2最适宜得中间存储条件:(依照开关柜与元件所要求得最小条件)
·只需简单包装或不需包装;
·干燥并且通风良好得储藏室,室内温度不低于-5℃,空气质量依照相关标准规定; ·没有其她有害条件得影响;
·竖直摆放开关设备,不能堆放。
确保开关柜通气性良好。
五现场安装
开关柜得现场安装需确保正确得安装顺序及高质量标准.包装由电工打开,要求在现场有责任人进行检查指导.同时应参照产品安装使用说明书。
5、1现场要求:
安装前需对安装场所检查,应满足相关标准得规定。
5、2 产品安装:
5、2、1开关柜应在直立得情况下进入室内。
5、2、2 产品得安装应参照一次系统图及系统布置位置图进行。
基础槽钢与螺栓由用户自备。
将开关柜在基础上正确得位置排成一行(垂直方向安装不平度不得超过2mm,尤其在前面)并用螺栓连接在一起。
当开关柜完全装配好时,可用螺钉或焊接将其与基础框架连接在一起。
表2
5、2、3 单体柜得安装:用水平尺进行检验,应保证横平竖直。
落地型柜得电源管以出地面50mm为宜.
5、2、4 主母线安装时应将搭接面修理平整、处理干净、涂上中性凡士林或采取其它措施然后用螺栓紧固。
用8、8级拉力得螺杆连接母排,其所需扭矩值如上表2。
5、2、5对一些偏离一般规则得扭矩值(比如接触系统与转换终端)需查阅详细得相关技术文件.
5、2、6每组柜接地与接地干线连接应不少于两处,且必须与柜上零母线有可靠得联接。
柜体安装好后由专业人员跟据设计图纸接入一、二次线。
5、3 产品在安装完毕后投入运行前需进行如下项目得检查与试验 :
·检查柜体面漆有无脱落柜内就是否干燥清除柜内所有杂物;
·主要电器元件,主、辅回路接点得通断就是否可靠准确、符合图纸要求;
·母线连接就是否良好,绝缘支撑件安装件及附件就是否安装牢固可靠;
·仪表指示与互感器得变比及极性就是否正确;
·用1000V兆欧表测量绝缘电阻值不得低于1MΩ。
六维护、维修
开关柜得操作与维护、维修等相关工作,应该由熟悉本开关设备并经过培训得供电部门认可得持电工操作证得专业人员进行。
要严格尊守相关安全规则得规定!
6、1 检查与维护:
检查与维护工作应包括下列内容,但不应局限于下列内容!
6、1、1 对新送电运行开关柜应在运行一个月内停电检查一次,对所有母线联接紧固件都需重新紧固一遍.
6、1、2 对有粉尘、纤维环境应定期检查维护。
至少每月对开关柜检查、清理、维护一次。
6、1、3曰常得检查与维护工作应遵循供电部门相关规定。
6、1、4 检查电气联接(如母排)有无过热现象(在可移开部件拉出开关柜得情况下目测),有条件得可用红外测温仪检测。
当系统显示其它损坏或过热时需及时更换部件。
6、1、5 检查所有得开关柜得附件与辅助得设备.
6、1、6 仔细清洁开关柜特别就是绝缘件得表面,当发现其表面含有油污、粉尘、发霉时,需用软布清除污染物。
6、1、7检查回路连接与接地连接得螺钉就是否紧固。
6、2 维修
当发现开关柜得故障时应立即进行维修。
使用与维护请参阅相关得说明书、样本。
维修工作应该由熟悉本设备并持电工操作证得专业人员进行.要严格尊守相关安全规则得规定!或聘请供电部门专业人员、制造商售后服务人员进行!
七本厂供货时提供下列文件及附件
7、1 装箱清单。
7、2 产品合格证、使用说明书、出厂试验报告、有关电气图纸。
7、3柜门钥匙操作手柄及合同单规定得备品备件。
八定货须知
8、1 定货须注明产品名称、型号、数量、提供系统图,设备规格,如有特殊要求须先向本厂说明,从便尽量满足用户要求。
8、2 本厂可代为客户设计一、二次系统方案.
8、3 定货电话:0730-。
8、4技术支持:0730-。
本材料所提供得信息仅供参考,如有更改,恕不另行通知。