教案:车外梯形螺纹
- 格式:docx
- 大小:7.81 MB
- 文档页数:11
车梯形螺纹一、教学目标1、了解梯形螺纹的作用、标注和技术要求。
2、掌握梯形螺纹的基本要素的名称、代号及计算公式3、掌握梯形螺纹车刀的刃磨及修磨。
4、掌握梯形螺纹的车削方法。
5、掌握梯形螺纹的测量、检查方法。
6、了解多线螺纹的概念与标注7、掌握多线螺纹的分线方法二、任务情形描述梯形螺纹是应用很广泛的传动螺纹,与三角螺纹车削相比,其工作长度较长,梯形螺纹螺距大、牙型大、而且导程和螺纹升角较大,切削余量大、切削抗力大,且精度要求较高,所以要比车削三角形螺纹困难。
梯形螺纹车削项目是车工中、高级工训练项目的基本内容之一,为难度较高的训练项目,在车刀刃磨、进刀方方式及螺纹检测方面也有别于三角螺纹,故根据学生情况采用高速钢车刀低速车削方法完成教学项目。
在教材安排上梯形螺纹车削起承上启下作用,既为三角螺纹车削的后继内容,又为难度更高的蜗杆车削作铺垫。
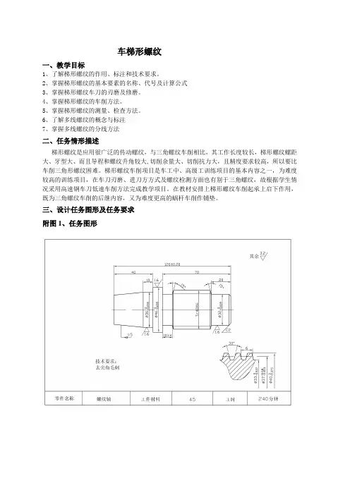
三、设计任务图形及任务要求附图1、任务图形附表2、米制外梯形螺纹车削加工项目任务书 序号 内容1 查工具手册确定梯形螺纹加工相关参数值及计算(附表2)2 确定工件材料、尺寸,刀具材料、规格及车刀刃磨方法3 确定定位加紧方式4 车削加工工艺分析(工艺步骤划分)5 安全注意事项6 填写机械加工工艺卡片7 车削米制外梯形螺纹8 完成工件检测(三针法、单针法) 9 反馈,查找问题所在及原因备注 完成此项任务用时160分钟(不包括自学时间) 附表3、米制梯形外螺纹相关计算 螺纹代号 Tr40×6名称代号计算公式计算结果备注牙型角 a 030a = 牙顶间隙c a6p = 0.5c a =大径 d d = 公称直径基本尺寸 中径 2d 20.5d d P =- 2d =? 基本尺寸 小径 3d332d d h =- 3d =?基本尺寸 牙高3h30.5c h P a =+3h =?基本尺寸牙顶宽 f0.366f P =f =?牙槽底宽 W 0.3660.536c W P a =-W =?备注?表示学生自己计算结果四、任务分析第一个环节:读图,分析零件的用途、结构形状、尺寸、材料、定位加紧方式、技术要求等。
教案车外梯形螺纹
一、教学目标:
1.理解什么是车外梯形螺纹;
2.掌握车外梯形螺纹的基本形状和尺寸;
3.能够根据给定的条件,绘制车外梯形螺纹。
二、教学重点和难点:
1.理解车外梯形螺纹的基本形状和尺寸;
2.掌握车外梯形螺纹的绘制方法。
三、教学内容和教学步骤:
1.通过实物或图示,让学生了解车外梯形螺纹的基本形状和尺寸;
2.讲解车外梯形螺纹的绘制方法,包括以下几个步骤:
2.1确定螺纹的外径和内径;
2.2画出螺纹的截面形状;
2.3根据螺纹的螺距和梯形角,确定螺纹的旋转方向和螺纹的起始点;
2.4通过旋转复制的方法,绘制螺纹的完整图案;
2.5绘制螺纹的其他细节,如螺纹的边界线、顶角等;
3.进行练习,让学生根据给定的条件,绘制车外梯形螺纹。
四、教学辅助工具:
1.实物或图示;
2.黑板或白板;
3.直尺、铅笔、橡皮等绘图工具。
五、教学评价和反馈:
1.教学过程中,观察学生的学习情况,包括对螺纹形状和尺寸的理解以及绘图能力的掌握情况;
2.学生完成绘图练习后,进行互评和教师评价,检查绘图结果的正确性和完整性;
3.针对学生的评价结果,及时给予肯定和指导,帮助他们纠正错误和提高技能。
六、教学参考资料:
1.《机械制图基础教程》;
2.《机械制图学习与实践》;
3.相关网络资源。
思 维 导 图教 室 布 置 图课 后 记域 区 影 投讨论展 示 板工作区域学习讨论区域工具材料柜资料检索区域梯形外螺纹加工过程与方法(怎样教?) 教学对象(教谁?)教学环境(什么时间与地点教?)教学内容(教什么?)教学手段与媒体(用什么教?) 教学目标(为什么教?)演示法学生评价法 任务驱动教学法 小组合作分析法高机制(2+3)14012010年4月车工车间 将其分成四组多媒体教学任务书和评价表 螺纹模型和学习材料专业能力:完成产品加工任务方法能力:评价能力、实践操作能力 社会能力:分工合作、组织统筹能力螺纹加工工艺流程 产品质量检测与监控 制定工作计划和加工方案主讲台课堂授课计划表45产品技术图纸技术要求:1、螺纹牙型侧面表面粗糙度1.62、外圆表面粗糙度1.63、未注倒角1×45°梯形螺纹比例 数量 材料 1:1 1 45钢制图 {自动隐藏-6}审核产品技术图纸781213活动过程评价自评表班级姓名学号日期年月日评价指标评价要素权重等级评定A B C D信息检索能有效利用网络资源、工作手册查找有效信息5% 能用自己的语言有条理地去解释、表述所学知识5% 能对查找到的信息有效转换到工作中5%感知工作是否熟悉你的工作岗位,认同工作价值5% 在工作中,是否获得满足感5%参与状态与教师、同学之间是否相互尊重、理解、平等5% 与教师、同学之间是否能够保持多向、丰富、适宜的信息交流5%探究学习,自主学习不流于形式,处理好合作学习和独立思考的关系,做到有效学习5% 能提出有意义的问题或能发表个人见解;能按要求正确操作;能够倾听、协作分享5% 积极参与,在产品加工过程中不断学习,综合运用信息技术的能力提高很大5%学习方法工作计划、操作技能是否符合规范要求5% 是否获得了进一步发展的能力5%工作过程遵守管理规程,操作过程符合现场管理要求5% 平时上课的出勤情况和每天完成工作任务情况5% 善于多角度思考问题,能主动发现、提出有价值的问题5%思维状态是否能发现问题、提出问题、分析问题、解决问题、创新问题5%自评反馈按时按质完成工作任务5% 较好的掌握了专业知识点5% 具有较强的信息分析能力和理解能力5% 具有较为全面严谨的思维能力并能条理明晰表述成文5%自评等级有益的经验和做法总结反思建议活动过程评价互评表活动过程教师评价量表成果展示与工作反馈评价量表自我评价、小组评价、教师评价三种结合的发展性评价体系:一、展示评价把个人制作好的制件先进行分组展示,再由小组推荐代表作必要的介绍。
xxx中等职业技术学校2017-2018学年度第二学期教案科目:车工工艺与技能实训任课教师:xxx 序号:16课型:实操课教学目标:1、知识与能力目标1)理解螺纹相关的参数计算.2)理解和掌握梯形螺纹的车削方法。
3)正确调整机床。
4)掌握梯形螺纹的加工方法.2、过程与方法目标1)尝试在学习过程中发现问题并形成分析、解决问题的能力。
2)学会观察教师示范操作,并通过思考、训练转换为自己的操作技能。
3、情感态度与价值观目标1)体会按图加工的严谨性、专业俗语表达及现场管理要求培养职业素养,追求零件质量意识。
2)积极参与同组(同台机床)合作学习,学会交流、合作、相互探讨等有效沟通切磋。
3)通过车工知识的培养学生不仅要会做事,能做事、更要会做人,自觉养成吃苦耐劳、勤俭节约的习惯教学重点:1、掌握梯形螺纹加工的正确步骤及操作方法.2、正确安装梯形螺纹车刀的方法.教学难点:1、掌握梯形加工的正确步骤及操作方法教学方法:演示法、理论实践一体化教学法、巡回指导等教学方法和练习法等。
学法:1.理实一体引导学生在观察、巡回指导过程中更好加工好轴套,让学生学有所用。
2.学做合一做中学,学中做,让学生在实践中学习知识,习得技能,获得能力。
3.合作互动应用合作学习方式,为学生营造一个生生互动、师生互动的合作情境,引导学生积极主动学习,从实践中感受学习的乐趣。
教学组织过程:学生集中点名:(约2分钟)检查学生防护用品的穿戴,工作衣穿戴是否整齐,文明安全操作教育。
一、课前复习:外三角螺纹加工方法种类:(约5分钟)1、直进法车外三角螺纹。
2、左右切削法车外三角螺纹。
3、斜进法车外三角螺纹.二、导入:任务导入法,用图纸提出任务,如下图所示。
(约3分钟)三、讲授新课:1、讲解:(约10分钟)梯形螺纹车刀的装夹(1)车刀切削刃必须与工件轴线等高(用弹性刀杆应高于轴线约0。
2mm),同时应和工件轴线平行。
(2)刀头的角平分线要垂直于工件轴线。
斜进法车削梯形外螺纹教案附页一、组织教学 进入实习场地组织学生进入听课位置,点名检查学生出勤、工装、精神状态等情况,填写好考勤簿;对学生进行安全检查,稳定学生情绪并重申安全生产实习的重要性,宣布上课。
二、入门指导 斜进法车削梯形外螺纹任务1斜进法车削梯形外螺纹的工艺准备 (一)相关知识准备梯形外螺纹大径、中径、小径尺寸及牙型高度的确定(二)切削用量的选择 如表所示:工件材料 刀具材料 螺距 mm 切削速度 m/mm 背吃刀量 mm 45钢 P10 6 40-150 精车0.05;粗车1; (视切削速度和工艺系统强度确定 ) (三)梯形外螺纹车刀的正确装夹【课堂演示】教师通过讲解、操作示范与分组练习,以达到教学目的,培养学生观察、思维的能力,提高他们发现、分析问题和解决问题能力,同时要求学生记录好检测中的普遍存在的问题。
通过讲解示范与分组练习达到教学目的,培养学生观察、思维能力,提高他们发现、分析问题和解决问题能力,同时要求学生记录好检测中的普遍存在的问题。
(三)车削梯形外螺纹时的安全技术。
【作业布置】完成《数控车工工艺学》习题集第七章项目一内容 【训练要求】 按要求完成零件图1练习,学生完成练习件。
加工零件图 加工程序(外圆加工程序略):O0001; M3 S800 T0101;M8; G00 X47 Z10;G76 P010130 Q0.1 R-0.05; G76 X39 Z-60 P3500 Q500 F6; M9; G00 X100 Z100; M30;布论作业布堂作业完件同学互检、教做好记录,养协以结力讲台学生自评表:姓名:组号:组长:总分:学生互评表:姓名:组号:组长:总分:第11 页共11 页。
梯形螺纹加工教案专业:机械数控汽修专业部班级:2010级机械2班共 4 页教学过程一、组织教学(5分钟)1.学生集合整队,清点学生人数,了解学生情况。
2.检查学生着装:女生要戴工作帽,工作服穿戴要求领口,袖口扎紧。
3.注意戴好防护镜二、入门指导(10分钟)梯形螺纹的轴向剖面形状是一个等腰梯形,一般作传动用,精度高;如车床上的长丝杠和中小滑板的丝杠等。
1、螺纹的一般技术要求(1)螺纹中径必须与基准轴颈同轴,其大径尺寸应小于基本尺寸。
(2)车梯形螺纹必须保证中径尺寸公差。
(3)螺纹的牙形角要正确。
(4)螺纹两侧面表面粗糙度值要低。
2、梯形螺纹车刀的选择和装夹(1)车刀的选择通常采用低速车削,一般选用高速钢车刀。
(2)车刀的装夹①车刀主切削刃必须与工件轴线等高(用弹性刀杆应高于轴线约0.2mm)同时应和工件轴线平行。
②刀头的角平分线要与工件的轴线垂直。
用样板找正装夹,以免产生螺纹半角误差。
如下图所示3、工件的装夹一般采用两顶尖或一夹一顶装夹。
粗车较大螺距时,可采用四爪卡盘一夹一顶,以保证装夹牢固,同时使工件的一个台阶靠住卡盘平面,固定工件的轴向位置,以防止因切削力过大,使工件移位而车坏螺纹。
4、车床的选择和调整(1)挑选精度较高,磨损较少的机床(2)正确调整机床各处间隙,对床鞍、中小滑板的配合部分进行检查和调整、注意控制机床主轴的轴向窜动、径向圆跳动以及丝杠轴向窜动。
(3)选用磨损较少的交换齿轮。
5、梯形螺纹的车削方法(1)螺距小于4mm和精度要求不高的工件,可用一把梯形螺纹车刀,并用少量的左右进给车削。
(2)螺距大于4mm和精度要求较高的梯形螺纹,一般采用分刀车削的方法。
①粗车、半精车梯形螺纹时,螺纹大径留0.3mm左右余量且倒角成15º②选用刀头宽度稍小于槽低宽度的车槽刀,粗车螺纹(每边留0.25~0.35mm左右的余量)③用梯形螺纹车刀采用左右车削法车削梯形螺纹两侧面,每边留0.1~0.2mm的精车余量,并车准螺纹小径尺寸,见下图a、b。
课题车梯形螺纹参考资料教材、教参《车工工艺与技能训练》教学配套课件教学方法学生讨论,示范,讲解与展示授课节数2节知识与技能目标1.了解梯形螺纹的特点,掌握梯形螺纹基本要素的计算方法2.掌握梯形螺纹的技术要求以及梯形外螺纹车刀的刃磨方法3.掌握梯形外螺纹的三针、单针测量法4.掌握梯形内螺纹孔径的计算方法5.了解梯形内螺纹车刀的特点及安装注意事项6.学会车梯形螺纹知识连接1. 梯形螺纹的标记2.梯形螺纹的基本尺寸3.梯形外螺纹车刀的刃磨要求4.车梯形螺纹的方法5.梯形螺纹的测量6.车梯形螺纹的注意事项7.梯形内螺纹孔径计算8.梯形内螺纹车刀刀杆的选择9.梯形内螺纹车削方法10.梯形内螺纹的测量11.注意事项学习重点1. 梯形螺纹的标记2.梯形螺纹的基本尺寸3.梯形外螺纹车刀的刃磨要求4.车梯形螺纹的方法5.梯形螺纹的测量6.梯形内螺纹孔径计算7.梯形内螺纹车削方法8.梯形内螺纹的测量实施建议1.以普通螺纹为基础,来讲解梯形螺纹2.展示带有梯形螺纹零、部件的实物。
播放车削梯形螺纹和应用梯形螺纹丝杠的视频。
让学生去实习车间,观看CA6140型卧式车床上的进刀丝杠和中、小滑板丝杠。
以加深学生对梯形螺纹的理解,增强感性认识3.从螺纹的牙型开始讲起,展示三角形螺纹和梯形螺纹的牙型,逐渐由三角形螺纹导引到梯形螺纹,并开始讲授新课4.本此课也可按以下思路来讲授:梯形螺纹基本要素的计算→梯形螺纹车刀的几何形状→梯形螺纹的车削方法5.采取比较法来学习效果会更好。
注意比较三角螺纹和梯形螺纹基本要素的计算、标记、几何形状、车削方法和测量的异同。
还要比较外、内梯形螺纹车刀几何形状的异同1。
教案名称:梯形螺纹教案课时安排:2课时教学目标:1. 让学生了解梯形螺纹的定义、特点和应用。
2. 培养学生观察、分析和解决问题的能力。
3. 培养学生动手操作和实践能力。
教学重点:1. 梯形螺纹的定义和特点。
2. 梯形螺纹的应用。
教学难点:1. 梯形螺纹的绘制。
2. 梯形螺纹的实际应用。
教学准备:1. 梯形螺纹的图片和实物。
2. 绘图工具:直尺、圆规、铅笔等。
3. 计算机和投影仪。
教学过程:第一课时:一、导入(5分钟)1. 向学生介绍梯形螺纹的图片和实物,引导学生观察和描述梯形螺纹的特点。
2. 提问:什么是梯形螺纹?它有什么特点和应用?二、新课讲解(15分钟)1. 讲解梯形螺纹的定义:梯形螺纹是一种螺旋形的梯形线条。
2. 讲解梯形螺纹的特点:梯形螺纹的侧面是梯形,底面是圆形,螺纹的间距和高度是固定的。
3. 讲解梯形螺纹的应用:梯形螺纹广泛应用于机械传动、紧固和调节等方面。
三、动手操作(10分钟)1. 让学生分组,每组用直尺、圆规和铅笔绘制一个梯形螺纹的图形。
2. 引导学生观察和分析梯形螺纹的绘制方法,解答学生的问题。
四、课堂小结(5分钟)1. 回顾本节课的内容,让学生复述梯形螺纹的定义、特点和应用。
2. 提问:你们在绘制梯形螺纹的过程中遇到了什么问题?如何解决的?第二课时:五、复习导入(5分钟)1. 复习上节课的内容,提问:梯形螺纹的定义是什么?它有什么特点和应用?2. 引导学生回顾绘制梯形螺纹的过程,提问:你们在绘制过程中学到了什么?六、拓展讲解(15分钟)1. 讲解梯形螺纹的实际应用:通过图片和实例,介绍梯形螺纹在机械传动、紧固和调节等方面的应用。
2. 讲解梯形螺纹的绘制方法:讲解如何使用计算机软件绘制梯形螺纹。
七、课堂练习(10分钟)1. 让学生分组,每组设计一个梯形螺纹的应用实例,并展示给其他同学。
2. 引导学生分析和评价其他同学的设计,提出改进意见。
八、课堂小结(5分钟)1. 回顾本节课的内容,让学生复述梯形螺纹的实际应用和绘制方法。
教学案例十五 车梯形外螺纹知识目标⒈了解梯形外螺纹的作用、种类、标记、牙型。
⒉了解梯形外螺纹各部分名称、代号、计算公式及基本尺寸确定。
⒊了解梯形外螺纹的技术要求。
⒋了解梯形外螺纹车刀的几何形状和角度要求。
⒌学会确定梯形外螺纹的参数。
技能目标⒈掌握梯形外螺纹车刀的刃磨方法; ⒉掌握梯形外螺纹车削方法; ⒊学会梯形螺纹车刀的装夹方法; ⒋掌握梯形螺纹的检测方法。
任务描述车梯形外螺纹,如图15-1所示,毛坯尺寸:10535⨯φmm ,材料:45#钢,分析零件加工工艺,编写工艺卡,加工该零件。
图15-1梯形外螺纹加工图样任务分析如图15-1所示,梯形外螺纹轴材料为45钢,毛坯尺寸为10535⨯φmm ,通过查阅梯形外螺纹相关的国家标准,通过公式,计算主要参数。
知识准备一、梯形外螺纹的尺寸计算梯形螺纹有两种:一种是米制梯形螺纹,它的牙形角是30°;另一种是英制梯形螺纹,它的牙形角是29°。
梯形螺纹的代号用字母“Tr ”表示,记作“代号 公称直径×螺距“来表示,左旋螺纹需要在尺寸之后加注“LH ”,右旋不标注。
米制梯形螺纹的各部分尺寸计算公式,见表15-1。
表15-1 米制梯形螺纹的各部分尺寸计算 单位:mm名称 代号 计算公式 牙型角 α α=30° 螺距P由螺纹标准确定牙顶间隙c aP /mm2~5 6~12 14~44 c a /mm0.250.51外螺纹大径 d 公称直径 中径d 2 d 2=d -0.5P 小径 d 3 d 3=d -2h 3 牙高h 3 h 3=0.5P +α c 内螺纹大径 D 4 D 4=d +2α c 中径 D 2 D 2=d 2 小径 D 1 D 1=d -p 牙高H 4H 4=h 3牙顶宽 f ,f′ f =f′=0.366P 牙槽底宽W ,w′w =w′=0.366P -0.536α c二、梯形螺纹车刀几何形状梯形螺纹车刀分为粗车刀和精车刀两种。
生产实习教学教案首页实习课题图梯形螺纹车刀刃磨课日教案(一)组织教学:1.四大员检查设备交接、安全、卫生和出勤等情况。
2.上课,师生致礼。
入门指导:1.梯形螺纹车刀刃磨练习的加工工艺和技术要求。
2.梯形螺纹车刀刃磨的计算知识:⑴刀头宽计算;⑵左右两侧刃后角的计算。
3.梯形螺纹车刀刃磨步骤和方法。
4.安全事项。
巡回指导:1.巡回指导实录:⑴部分学生刃磨姿势有错,一一纠正。
⑵车刀角度控制、测量辅导、纠错。
⑶车刀刃磨安全指导。
2. 用螺纹样板测量车刀角度方法的示范。
结束指导:下课。
生产实习教学教案首页实习课题图一、相关工艺知识梯形螺纹一般作传动用,如车床的长丝杆和中小滑板的丝杆。
具有制造精度高的特点。
其牙型如右图所示。
1.梯形螺纹的一般技术要求⑴⑵车出的牙型角要正确,牙型半角均为15°±20′⑶必须保证中径的尺寸公差。
⑷螺纹两侧面的表面粗糙度≤Ra1.6。
2.螺纹车刀的装夹⑴车刀主切削刃必须与工件轴线等高,并与工件轴线平行。
⑵刀尖角中分线应垂直于工件轴线,用对刀板细心找正装夹,以免产生螺纹半角误差。
⑶刀杆伸出长度要适当,过短不能切削,过长会影响车刀刚性。
3.工件的装夹工件一般采用一夹一顶装夹,夹紧要牢固,否则工件容易发生打转现象造成刀具折断或车坏螺纹。
另外,夹户处应有台阶,并靠住卡爪平面,以防止车削中工件发生轴向位移而车坏螺纹。
4.车床的调整⑴调整小滑板转盘严格对零,紧固压紧螺母。
⑵调整小滑板、中滑板塞铁的间隙,消除松动现象。
⑶调整摩擦式离合器,使主轴正反转灵活且不松不紧。
⑷调整挂轮和进给箱,按铭牌表调对螺距,并试切试测螺距。
⑸其它调整(如开合螺母松紧、尾架位置、刻度盘定位、冷却液等)。
5.梯形螺纹的车削方法车削梯形螺纹与三角形螺纹相比较,螺距大,牙型大,切削余量大、切削抗力大,而且精度较高,加之工件一般较长,所以加工难度较大。
通常对于精度要求较高的梯形螺纹,一般采用低速切削法,同时此法对初学者来说比较容易掌握。
《车工》梯形螺纹学案项目名称:车梯形螺纹课程名称:《车工技能训练》教师:张伟课标分析:梯形螺纹加工是车工技能训练中的一项基本内容,从刀具准备,螺纹参数的计算,加工方法的选择,加工过程的控制及工件的检验测量均有一定的要求。
特别在对口单招技能考试教学大纲中既是难点,也是重点。
教学建议:课堂教学与实际操作相结合的方式进行教学。
通过教具展示螺纹、螺纹车刀的形状、结构。
通过讲解法讲授螺纹加工、参数的计算及测量方法。
学习重点:掌握车梯形螺纹的加工方法学习目标:1、学习安全文明生产2、学习刀具的选择、使用及刃磨方法3、掌握车梯形螺纹的加工方法4、了解梯形螺纹的检测方法一、安全文明生产安全文明生产注意事项:1、工作时应该穿工作服、戴袖套,女生应将头发盘起戴工作帽2、禁止穿背心、裙子、短裤及戴围巾、穿高跟鞋进入技能训练场地3、严格遵守安全操作规程4、注意防火和安全用电二、基础知识(一)梯形螺纹几何尺寸计算(计算公式见图1)梯形螺纹是应用广泛的一种传动螺纹,车床上的长丝杠和中、小滑板丝杠。
梯形螺纹分米制和英制两种,米制梯形螺纹的牙型角为30°,英制梯形螺纹的牙型角为29°.我国常用的米制梯形螺纹。
Tr42×6的螺纹为例,米制梯形螺纹的牙型角a0为30°螺距p为6mm 牙顶间隙ac为0.5mm。
螺纹牙型高度为h3=0.5P+ac=0.5x6+0.5=3.5mm;三、基本技能1、刀具的选择、使用及刃磨方法(1)高速钢梯形螺纹粗车刀(以车Tr42×6-7h螺纹为例)车梯形螺纹时,径向力较大,为了减小切削力,螺纹车刀分为粗车刀和精车刀两种。
梯形螺纹粗车刀的刀尖角应小于梯形螺纹牙型角,一般取29°。
刀头宽度应小于牙槽底宽W (W=1.93),刀头宽度取1.3mm左右。
径向前角取10°~15°,径向后角取6°~8°,两侧后角进刀方向为(3°~5°)+ψ,背进给方向为(3°~5°)-ψ刀尖处应适当倒圆。
7梯形螺纹预览说明:预览图片所展示的格式为文档的源格式展示,下载源文件没有水印,内容可编辑和复制车工理实一体化教学备课笔记学生人数教研组机电日班期级金忠董金梁耿梦伟张正勇郑晓红、邓玉婷课时数审批日期主讲教师辅导教师课题任务一车梯形螺纹目的要求知识目标:能计算梯形螺纹的相关尺寸。
技能目标:掌握梯形螺纹的车削方法;掌握单针测量、三针测量的方法。
素质目标:正确分析问题,共同商讨对策。
重点能计算梯形螺纹的相关尺寸。
掌握梯形螺纹的车削方法;掌握单针测量、三针测量的方法。
难点掌握梯形螺纹的车削方法;掌握单针测量、三针测量的方法。
工具材料梯形螺纹车刀、公法线千分尺、车床、砂轮机、量具、辅助用具等相关理论知识:一、梯形螺纹基础知识理1、梯形螺纹的术语及计算 1)梯形螺纹的标记:Tr 公称直径× 螺距,例如Tr36× 6 2)梯形螺纹的牙型及尺寸计算实一体化二、进刀方式选择教1、进刀方法有:直进法、斜进法、左右切削法、分层切削法等。
2、进刀时注意防止三面车削而“扎刀” 、“崩刃” 。
三、车削梯形螺纹学(一)车床操作:了解挂轮的搭配、熟悉机床的操纵1.车刀装夹、车床调整、车削动作2.车削方法:直进法、左右切削法、斜进法、高速切削法 3.“乱扣”及避免方法内(二)加工路线描述①车装夹阶台;容②车端面、外圆、槽→倒角→车梯形螺纹;③车外圆→倒角。
(三)梯形螺纹的测量1.866 P 计算 1、三针测量法测量外螺纹中径:测量值 M 按照式:M ? d 2 ? 4.864 d D-求得。
本任务中,选取量针直径 d D 的最佳值 d D =0.5176P=3.1056mm,其可选范围为最大值 d Dmax =0.6563P=3.9378mm,最小值 d Dmin =0.4865P=2.9190mm。
例7.2:用三针测量Tr32×6 梯形螺纹,螺纹中径尺寸为29 ?0.375 mm,选取合适量针直径,并求千分尺读数值 M 值的范围。
课程名称普车加工实训任务十三外梯形螺纹车削主讲教师:数控机电系教学目标:1、掌握梯形外螺纹参数的计算2、理解梯形外螺纹的刀具角度及刃磨刀具的步骤3、掌握梯形螺纹加工的工艺过程教学重点:1、梯形螺纹基本要素的计算方法、梯形螺纹2、车刀的几何形状要素。
教学难点:梯形螺纹的车削步骤与操作方法一、梯形外螺纹的标记:1、牙型角α :英制:牙型角α=29°米制(公制):牙型角α=30°2、螺纹代号:“Tr”如:Tr28X5螺距公称直径代号二、梯形外螺纹要素的计算梯形螺纹基本要素的名称、代号及计算公式名称代号计算公式牙型角αα=30˚螺距P由螺纹标准确定牙顶间隙acP/mm 1.5~56~1214~44ac/mm0.250.51外螺纹大径d公称直径中径d2d2=d -0.5P 小径d3d3=d -2h3牙高h3h3=0.5P + ac内螺纹大径D4D4=d + 2ac 中径D2D2=d2小径D1D1=d-P 牙高H4H4=h3牙顶高f, f’f=f’=0.366P牙槽底宽W, W’W=W’=0.366P-0.536ac举例:车削Tr36X6公制梯形螺纹,试求外螺纹基本要素的尺寸。
解:1、公称直径d=36mm,螺距P=6mm,ac=0.5mm。
2、根据已知条件与表5-12可有:h3=0.5P+ac=0.5X6+0.5mm=3.5mmd2=d-0.5P=36-0.5X6=33mmd3=d-2h3=36-2X3.5mm=29f=0.366P=0.366X6mm=2.196mmW=0.366P-0.536ac=0.366X6-0.536X0.5=1.928mm课程名称实训项目图纸。
课题车梯形螺纹参照资料教材、教参《车工工艺与技术训练》教课配套课件教课方法学生议论,示范,解说与展现讲课节数 2 节1.认识梯形螺纹的特色,掌握梯形螺纹基本因素的计算方法2.掌握梯形螺纹的技术要求以及梯形外螺纹车刀的刃磨方法知识与技3.掌握梯形外螺纹的三针、单针丈量法能目标4.掌握梯形内螺纹孔径的计算方法5.认识梯形内螺纹车刀的特色及安装注意事项6.学会车梯形螺纹1.梯形螺纹的标志2.梯形螺纹的基本尺寸3.梯形外螺纹车刀的刃磨要求4.车梯形螺纹的方法5.梯形螺纹的丈量知识连结6.车梯形螺纹的注意事项7.梯形内螺纹孔径计算8.梯形内螺纹车刀刀杆的选择9.梯形内螺纹车削方法10.梯形内螺纹的丈量11.注意事项1.梯形螺纹的标志2.梯形螺纹的基本尺寸3.梯形外螺纹车刀的刃磨要求4.车梯形螺纹的方法学习要点5.梯形螺纹的丈量6.梯形内螺纹孔径计算7.梯形内螺纹车削方法8.梯形内螺纹的丈量1.以一般螺纹为基础,来解说梯形螺纹2.展现带有梯形螺纹零、零件的实物。
播放车削梯形螺纹和应用梯形螺纹丝杠的视频。
让学生去实习车间,观看CA6140 型卧式车床上的进刀丝杠和中、小滑板丝杠。
以加深学生对梯形螺纹的理解,加强感性认识3.从螺纹的牙型开始讲起,展现三角形螺纹和梯形螺纹的牙型,渐渐由三角形螺纹导引实行建议到梯形螺纹,并开始解说新课4.本此课也可按以下思路来解说:梯形螺纹基本因素的计算→ 梯形螺纹车刀的几何形状→ 梯形螺纹的车削方法5.采纳比较法来学习成效会更好。
注意比较三角螺纹和梯形螺纹基本因素的计算、标志、几何形状、车削方法和丈量的异同。
还要比较外、内梯形螺纹车刀几何形状的异同6.在解说螺纹升角ψ对车刀工作角度的影响时,要注意以下几点:(1)第一讲清车刀刃磨角度和工作角度的差别和联系刃磨角度(静止角度)是指车刀切削部分在静止状态时的几何角度,是假设刀尖瞄准工件中心,进给量f=0 的条件下规定的角度=3°~ 5°工作角度是指车刀切削部分在工作状态时的几何角度,一般工作后角α工计算时,工作后角α工不要简单地取中值4°,而要依据螺纹升角ψ的角度值凑配成刃磨角度为整度数或半度数为原则,取4°左右的度数( 2)车右旋螺纹时,为了除去螺纹升角的影响,粗精车刀的左边切削刃的刃磨后角αoL 应磨得比右边切削刃的刃磨后角α大些(一般选择α =10°~12°,α =6°~8°)oR oL oR(3)基面和工作时的基面、切削平面和工作时的切削平面的关系(4)解说时,以车右旋螺纹的螺纹车刀左边切削刃的刃磨后角α =(3°~5°)+ψ为主,oL类比出其余几种状况(5)以高速钢梯形外螺纹粗车刀为主,对照解说精车刀;以高速钢梯形内螺纹车刀为主,对照解说硬质合金内螺纹车刀7.解说螺纹车刀的背前角γp对螺纹加工和螺纹牙型的影响时,能够采纳实验教课,或利用实物并联合制图投影知识对照解说。
《车工工艺与技能训练》教案
1、梯形螺纹的尺寸计算
梯形螺纹一般作传动用,精度高,如车床上的长丝杠和中、小滑板的丝杠等。
梯形螺纹分米制和英制两种,国家标准规定米制梯形螺纹的牙型角为30°。
英制梯形螺纹(其牙型角为29°)在我国较少采用。
因此,下面只介绍30°牙型角的梯形螺纹。
30°梯形螺纹(以下简称梯形螺纹)的标记,用字母“Tr”及公称直径×螺距表示,单位均为mm。
左旋螺纹需在尺寸规格之后加注“LH”,右旋则不注出。
例如:
梯形螺纹各部分名称、代号及计算公式
教学过程
名称
代
号
计算公式
牙型角αα=30°
螺距P 由螺纹标准确定
牙顶间隙ac
P 1.5~5 6~12 14~44
ac 0.25 0.5 1
外
螺
纹
大径 d 公称直径
中径d2 d2= d-0.5 P
小径d3 d3= d-2 h3
外螺纹
内螺纹
d d
2
d
3
Z
h
3
R1
R1
30°
P
R2
a
c
H
4
D
1
D
2
、
d
2
D
4
梯形螺纹牙型
图8-1-1 梯形螺纹的牙型
牙高h3 h3=0.5 P+ac
内
螺
纹
大径D4 D4= d+2ac
中径D2 D2=d2
小径D1 D1= d- P
牙高H4 H4=h3
牙顶宽
f、
f′
f= f′=0.366P
牙槽底宽
W、
W′
W=W′=0.366P-0.536 ac
2、梯形螺纹车刀
车梯形外螺纹时,径向切削力较大,为了减小切削力,螺纹车刀也应分为粗车刀和精车刀两种。
(1)高速钢梯形螺纹粗车刀。
高速钢梯形螺纹粗车刀如图8-1-2所示。
在加工中采用左右切削并留有精车余量,刀尖角应小于牙型角,刀尖宽度应小于牙型槽底宽W。
(2)高速钢梯形螺纹精车刀。
高速钢梯形螺纹精车刀如图8-1-3所示。
车刀的径向前角为0°,两侧切削刃之间的夹角等于牙型角。
为了保证两侧切削刃切削顺利,在两侧都磨有较大前角( γ0=10°~16°)的卷屑槽,
图8-1-2 高速钢梯形螺纹粗车刀
但车削时,车刀的前端不能参加切削,只能精车牙侧。
3、梯形螺纹车刀刃磨要求
①用样板校对刃磨两刀刃夹角。
如图8-1-4所示。
②有纵向前角的两刃夹角应进行修正。
③车刀刃口要光滑、平直、无虚刃,两侧副刀刃必须对称刀头不能歪斜。
④用油石研磨去各刀刃的毛刺。
4、梯形螺纹车刀刃磨注意事项
(1)刃磨两侧后角时要注意螺纹的左右旋向,然后根据螺纹升角的大小来决定两侧后角的数值。
(2)内螺纹车刀的刀尖角平分线应和刀柄垂直。
(3)刃磨高速钢车刀时,应随时放入水中冷却,以防退火。
图8-1-3 高速钢梯形螺纹精车刀
图8-1-4 样板
三、车削准备
(1)车刀主切削刃必须与工件轴线等高(如用弹性刀杆,如图8-1-5所示,应高于轴线约0.2mm),同时应和工件轴线平行。
(2)刀头的角平分线要垂直于工件轴线。
用样板找正装夹,以免产生螺纹半角误差(见图8-1-6)。
(3)工件的装夹一般采用两顶尖或一夹一顶装夹。
(a)普通弹簧刀排(b)可调节弹簧刀排
1刀体2刀柄3螺钉
图8-1-5弹性刀排
图8-1-6 梯形螺纹车刀的安装
的方法。
适用于测量一些精度要求较高,螺纹升角小于
4
°的螺纹工件。
测量时把三根直径相等的量针放置在螺
纹相对应的螺旋槽中,用千分尺量出两边量针顶点之间的距离M,如图8—1-7所示。
螺纹牙型角M计算公
式
钢针
直径
d D
最大值最佳值最小值
29°(英制蜗杆) M=d2+
4.994d D
-
0.516P
图8-1-7 三针测量螺纹中径
1.933P
30°(梯形螺纹) M=d2+
4.864d D
-
1.866P
0.656P 0.518P 0.486P
40°(蜗杆) M=d1+
3.924d D
-
4.316m x
2.446m x1,675m x 1.61m x
55°(英制螺纹) M=d2+
3.166d D
-
0.961P
0.894P-
0.029
0.564P
0.481P-
0.016
60°(普通螺纹)
M=d2+
3d D-
0.866P
1.01P 0.577P 0.505P 图8-1-8 三针测量螺纹中径示意图
(3)单针测量法。
其特点是只需使用一根测量针放置
在螺旋槽中,用千分尺量出螺纹大径与量针顶点之间的
距离A,如图8-1-9所示。
其计算公式如下:
A=
M+d0
2
(mm)(54)
式中,A——千分尺测得尺寸值,mm;d0——螺纹大径实际尺寸,mm。
作业
根据图8-1-10要求车削训练
件1:
图8-1-9 单针测量法
10。