砖砌泥浆池技术交底
- 格式:docx
- 大小:20.96 KB
- 文档页数:4
技术交底书表格编号1310
项目名称郑阜铁路工程第页
共页交底编号
工程名称郑阜铁路Ⅱ标二分部桩基泥浆池技术交底
设计文件图号
施工部位桩基泥浆池
交底日期
技术交底内容:
1、技术交底范围:
郑阜铁路Ⅱ标二分部桩基泥浆池
2、施工方法及工艺要求:
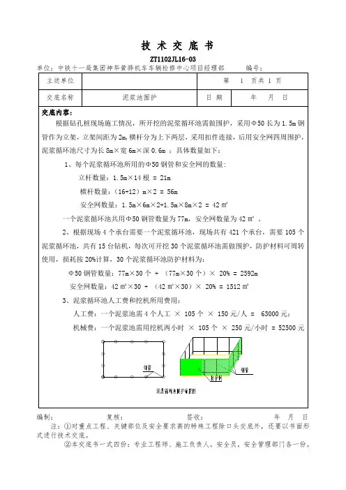
泥浆池由沉淀池和储浆池组成,沉淀池开挖尺寸为长7m×宽6m×深2m,储浆池开挖尺寸为长10m×宽6m×深2m,沉淀池与储浆池间顶部设1m宽隔离带,并设置流水口。
泥浆池基坑采用挖掘机开挖,边坡坡度为1:0.3,开挖土堆置在相邻两墩跨间。
泥浆池内壁应平整,并采用1cm厚砂浆进行抹面收光。
在池顶设置高0.5m、顶宽0.5m挡土埝,挡土埝应平整顺直,表面采用砂浆进行抹面,并进行整平收光。
泥浆池四周采用定制防护栏杆进行围挡,每片防护栏长2m,高1.2m;防护栏底部钢板与长0.3m的[20槽钢采用8*80膨胀螺栓联接,槽钢脚安放在挡土埝顶部,防护栏距离基坑边缘不小于0.5m,上挂警示牌,防护栏为封闭式,预留2m宽进出活动门。
泥浆槽宽度0.5m、深度0.5m。
要求顺直、平缓,满足流浆顺畅。
泥浆池开挖尺寸及位置、槽钢固定位置见附图。
3、安全注意事项
(1)施工人员必须戴安全帽施工,施工场地严禁闲杂人员进入。
(2)严格遵守安全操作规程,按规程进行作业,施工中不蛮干,不违规。
(3)机械作业半径内禁止站人,机械应由专人进行指挥。
(4)泥浆池开挖后应及时安装防护栏杆。
交底人:复核人:接收人:日期:。
泥浆池、三~四级沉淀池布置安全技术交底施工单位:中铁二十五局集团有限公司泥浆池布置安全技术交底1、开挖位置及尺寸泥浆池开挖位置选择在两墩台中间,相对远离便道一侧。
尺寸结合每个钻孔桩的混凝土工程量及现场确定,一般采用400cm(底宽)×600cm(底长)×250cm(深),开挖坡度1:1.2,既满足泥浆的循环和储存使用,又能满足坑壁的稳定之用。
泥浆池600cm长按线路方向布置。
三~四级沉淀池在拌合站隧道口选择合适位置设置。
建议:各隧道、桥涵、拌合站在条件具备的情况下,可根据自身情况增加更多级沉淀池,确保进入河道或排出沉淀池的水是清澈的。
2、开挖土方处理泥浆池、三~四级沉淀池开挖过程中,开挖土方应随挖随运,始终保持现场的干净、整洁、利落。
如因场地限制或弃运土确实困难时,也应将开挖土堆放成梯形,做到有棱有形,整齐划一,并采用绿色网覆盖。
3、安全标识和防护泥浆池、三~四级沉淀池挖好后应立即进行维护并挂明显的标志牌。
泥浆池、三~四级沉淀池采用红白相间的钢管进行围护。
竖管到泥浆池、三~四级沉淀池边的距离为50cm,竖管长150 cm,埋入地面以下50 cm,露出地面100 cm。
距地面40 cm开始安装第一道横管,第二道横管距离第一道横管50 cm。
防护栏杆的顶面应保持高度一致,周边用绿色密目网进行封闭。
泥浆池、三~四级沉淀池标识牌宽40cm高30cm。
泥浆池、三~四级沉淀池围护及标识牌见下图:红色白色地面线泥浆池、三~四级沉淀池围护图(单位:cm)护栏效果图安全标识牌规格:长400mm×宽300mm (注:单位:mm 蓝底白字)请各单位以此为准,在施工之前完成所有泥浆池、三~四级沉淀池的规范管理工作。
备注:三级沉淀池未完工,未作出护栏三级沉淀池备注:三级沉淀池未完工,未作出护栏三级沉淀池备注:护栏未完善洞口十级沉淀池示意图。
工程名称太和特大桥工程部位钻孔桩交底内容:泥浆池维护技术交底一、适用范围本技术交底适用于商合杭铁路商阜段桥涵基础工程钻孔桩泥浆池维护施工。
二、内容:泥浆池标准化1、为保护环境和文明施工,钻孔所用泥浆应由孔内引入泥浆池,再在泥浆池内沉淀后,将好的泥浆循环至孔内重复利用,差的泥浆经沉淀后分离出去。
钻孔弃碴(废泥浆)放置到指定地方,不得任意堆砌在施工场地内或直接向水塘、河流排放,以避免污染环境。
废泥浆用泥浆运输车运送到处理场进行处理;钻碴待沉淀后运到指定的弃土场。
2、泥浆池在靠近大道边及首开工点或迎检重点地段的维护在这些地段泥浆池需加强围护,泥浆池坑壁四周采用水泥砂浆抹面,泥浆池顶面四边采用砖砌围挡,围挡顶宽30cm,高50cm,在围挡顶面内侧设置一排空心砖,便于防护栅栏脚固定。
栅栏网采用标准栅栏片安装连接。
围挡砌筑完成后采用水泥砂浆抹面,要求线型美观,大面平整,内实外光。
在泥浆泥一角设置一道可开启的门,便于抽排泥浆,平时关住,见附图所示。
3、泥浆池在一般地段的维护在每四个承台之间共设一个泥浆池,泥浆池上口尺寸为8×6×2.5m(长×宽×深)。
泥浆池的容积一般是桩孔体积的3-4倍,可根据现场施工需求适当调整。
泥浆池顶面四周设置防护栏杆,防护栏杆距泥浆池边缘不能小于50cm,露出地面工程名称太和特大桥工程部位钻孔桩净高120cm,立杆间距为200cm,要求立杆打入深度不少于50cm,在立杆上设置两道横杆,横竖杆上采用红白色反光油漆涂刷,反光油漆间距50cm交错设置。
为便于施工,防护栏杆可采用2m一节组装式,通过卡扣现场连接。
在防护栅栏搭设完毕后布置安全密目网,见附图所示。
4、须挂设“泥浆池危险请勿靠近”等安全警示牌。
泥浆池四周要设置夜间照明设施。
见附图所示。
5、施工重型机械和运输车辆远离泥浆池边3m以上,倒车时要有专人指挥。
6、要求现场施工队安全员每天对基坑围护进行巡检,对不合标准和被破坏的围护要立即进行整改,对于废弃的泥浆池应利用附近基坑开挖的土方回填、压实、整平处理。
桩长、桩径、施工状态等内容,尺寸40 cm×60cm,白底宋体黑字。
13、导管安装及砼浇注前,井口必须设有导管卡,搭设工作平台(留出导管位置),并且要求能保证人员的安全。
14、遇大雨、大雾和六级以上大风,应停止钻孔作业,当风力超过六级时,应将机架放倒在地面上。
暴风雨雪后,必须进行一次全面检查,发现问题,及时处理。
15、操作人员要遵守桩机冲、钻孔的安全操作规程,严禁违章作业。
16、注意现场文明施工,对不用的泥浆池(地沟)应及时填平;对正在使用的泥浆池(地沟)加强管理,不得任泥浆溢流,捞取的沉渣应及时清走。
各个排污通道必须有标志,夜间有照明设备,以防踩入泥浆,跌伤行人。
施工过程要求:一、钻机就位及钻进成孔安全措施1、钻机在转产行走时,对陡坡等道路进行观察,必要时制定加固措施,防止钻机碰撞结构物、翻车等事故发生。
2、钻机就位后,应有专人指挥对机底枕木填实,保证施工时机械不倾斜、不倾倒。
同时对钻机及配套设施进行全面安全检查。
钻机安设牢固后,对钻架加设斜撑及揽风绳。
钻机上应安装避雷设施。
3、冲、钻孔前要检查各传动箱润滑油是否足量,各联接处是否牢固,泥浆循环系统(离心泵)是否正常,确认各部件性能良好后,才开始作业。
4、冲、钻孔前要检查钢丝绳有无断丝、腐蚀、生绣等,断丝超过10%应报废。
检查钢丝绳锁扣是否牢固,螺帽是否松动。
5、钻孔时应对准桩位,先使钻杆向下,钻头接触地面,再开动钻杆转动,不得晃动钻杆。
操作人员爬上臂杆上面保养时,要注意脚不要粘泥浆,以免打滑摔下来。
6、钻孔施工过程中,非施工人员不得进入施工现场,钻孔施工人员距离钻机不得太近,防止机械伤人。
7、操作期间,操作人员不得擅自离开工作岗位或做其他的事。
钻孔过程中,如遇机架摇晃、移动、偏斜或钻头内发出有节奏的响声时,应立即停钻,查明原因并处理后,方可继续施钻。
8、钻机钻进时紧密监视钻进情况,观察孔内有无异常情况、钻架是否倾斜、各连接部位是否松动、是否有塌孔征兆,有情况立即纠正。
一、工程名称:[填写工程名称]二、交底单位:[填写交底单位名称]三、编号:[填写编号]四、主送单位:[填写主送单位名称]五、日期:[填写日期]六、接收单位:[填写接收单位名称]七、接收人:[填写接收人姓名]八、适用范围:本安全技术交底适用于泥浆池的开挖、防护及日常维护等施工环节。
九、交底内容:一、作业准备1. 技术准备(1)根据设计资料,明确泥浆池的位置、方向、长度、深度等参数。
(2)制定开挖方案,确定合理的施工顺序和泥浆池防护措施,选择适当的施工机械。
(3)熟悉相关规范要求,明确泥浆制备的各项指标,确保粘土性能符合要求。
2. 材料机具准备挖掘机、装载机、钢管、密目网、警示牌、造浆用粘土、泥浆沟槽、沙袋等。
3. 作业条件准备(1)清除施工区域内的地上、地下障碍物。
(2)夜间施工时,合理安排工序,防止错挖或超挖。
施工场地根据需要安装照明设施,危险地段设置明显标志。
(3)进行详细的现场施工调查,摸清施工范围内埋设的光电缆、水管路等走向、位置,并进行拆移或保护。
(4)完成必要的临时设施,包括生产设施、生活设施、机械进出及土方运输道路,夜间施工时准备照明设施。
二、施工工艺流程1. 工艺流程边界放样→ 基坑开挖→ 基坑防护→ 制备泥浆→ 连通桩孔2. 操作工艺(1)边界放样:由工程部技术人员对泥浆池按设计位置进行测量定位。
(2)基坑开挖:采用挖掘机进行开挖,确保开挖深度符合设计要求。
(3)基坑防护:在基坑周围设置防护栏,防止人员、设备意外坠落。
(4)制备泥浆:按照规范要求制备泥浆,确保泥浆性能稳定。
(5)连通桩孔:将泥浆池与桩孔连接,确保泥浆顺利排出。
三、安全技术措施1. 施工人员应佩戴安全帽、防护眼镜、防尘口罩等个人防护用品。
2. 施工现场设置警示标志,提醒人员注意安全。
3. 施工机械操作人员必须持证上岗,严格遵守操作规程。
4. 施工过程中,加强对泥浆池周边的监测,确保泥浆池稳定。
5. 遇到恶劣天气,如大风、大雨等,暂停施工,确保人员安全。
一、技术交底范围本技术交底适应中铁五局二公司衡阳市二环路第三标段项目部二环西路跨长丰大道立交桥泥浆池开挖、使用与安全防护。
二、设计情况二环西路与长丰大道立交桥桩基础采用冲击钻成孔工艺,1~8#墩左右幅承台下均为2根桩。
0#、9#台左右幅承台下均为6根桩。
冲击钻成孔工艺需要,为此现场需制备泥浆池。
1、泥浆池尺寸宽8.5米×深2-3米长度见《桥梁孔桩施工场地平面布置图》,采用留核心土的方案分别开挖分隔为二个小池。
泥浆池上沿口50厘米范围根据地质情况采用M7.5水泥砂浆抹面处理。
2、泥浆池回周采用钢管+密目安全网防护,横竖向钢管上涂刷红白相间油漆(相间尺寸40cm),钢管架高 1.2米,距泥浆池边沿50cm。
详见《桥梁孔桩施工场地平面布置图》:开始施工的条件及施工准备工作1、测量放样施工前,现场测量技术人员对泥浆池具体位置进行放样。
2、场地平整测量放样完后,现场根据泥浆池测量放样位置进行场地平整,转移邻近机械设备与材料。
三、施工工艺泥浆池开挖现场参照泥浆池放样位置点将泥浆池上口边线用石灰线标出,对照设计图纸确认无原有地下电缆电线后开始开挖。
如发现地下有文物,应立即停止开挖,并报项目部,同时保护好现场。
开挖完成后,对边坡进行修整,用挖机对边坡修坡拍紧后,再进行钢管防护施工。
四、质量标准泥浆池上沿口做到顶面平整,四条边线横平竖直,严格按规范施工。
五、安全、环保、文明施工等技术措施工人入场前必须进行三级教育,经考试合格后,方可进入施工现场;所有人员进入施工现场必须戴合格安全帽,系好下颚带,锁好带扣;土方开挖必须严格按照施工组织设计进行;泥浆池内泥浆高度达到距周围地表80cm时,进行泥浆外运。
外运车辆采用专用泥浆罐车,且运输过程中要防止泥浆泄露,造成污染。
泥浆池底钻碴要定期用车运至弃碴场,运输过程要防止弃碴掉落,运碴车顶部要设有封盖,运输路径要有专人负责清理,保持路面清洁。
大型机械使用前应检查机械,确认机械无故障后方可使用,保证连续作业。
泥浆池技术交底一、场地平整施工前先对场地进行平整,清除杂物,以免影响工程质量。
施工场地与便道之间需碾压修整成平面,以便使泥浆池四周高程统一。
及施工车辆能顺利地从施工便道上进出。
在开挖泥浆池时,为减少以后承台开挖量和开挖深度,应有意识的用挖机将承台范围内的场地扒低,开挖后的土方用于填筑施工便道。
二、测量放样首先,对设计院提供的平面与高程控制点进行复核,再根据现场地形及通视条件,拟在两墩之间,居中、横向共设一组泥浆池,用全站仪,水准仪和皮尺配合,放出泥浆池各边线位置,然后再进行泥浆池开挖(由人工配合挖掘机开挖)。
三、施工要求1、根据桩基工程的实际需要设置沉淀池、泥浆池。
陆地平坦地区桩基施工时,拟在两墩之间,居中、横向共设一组泥浆池,尺寸为9m(长)×7m(宽)×2.5m(深),储浆池和沉淀池按1:2比例分配(中间隔墙用二四砖墙或预留厚度大于50cm的土墙),并用循环槽连接,中间设滤网,供两墩共用,水泥砂浆基底,水泥砂浆四周护壁。
2泥浆池原地面四周设宽度为0.5m小平台,高出原地面20cm,顶层砌二四砖,砂浆抹面,横平竖直。
3沿泥浆池四周小平台上设置防护栏杆,采用Φ50钢管,栏杆高1.2M、0.6M处设两道横杆,立柱横向设4根,纵向设置5根,外挂绿色安全网封闭,并张挂安全警示标志(参见成渝铁路客运专线有限责任公司《标准化工地建设实施方案》)宜布置挂设在显眼位置(右侧)“必须戴安全帽、当心触电、当心塌方、禁止跨越、注意安全、泥浆池危险请勿靠近”大小为30cmX40cm 共6个警示牌,夜晚设置警示灯。
4泥浆池必须按照规定进行泥浆比重测试,并做好记录,地质设计与实际地质描述准确,并附上设计地质图,签字完善,技术交底资料齐全,现场必须设置留样碴盒(一般使用木工板制作成1m ×0.1m ×0.1m ,通常布设10个小格盒子)。
5为保证安全,泥浆池里的泥浆必须低于围堰,不少于20cm ,及时清运沉碴。
四、总体施工方法4.1 泥浆池制作总体施工方法4.1.1 旋挖成孔(冲击成孔)灌注桩泥浆池制作总体施工方法1、为满足环保要求,布置泥浆池时在满足使用要求的前提下应遵循尽量少布置、尽量控制泥浆池面积的原则,并且保证不与周围水塘或鱼塘相连。
2、钻孔桩施工时,泥浆池采取直接在墩位中间的红线内场地开挖设置。
3、布置原则:每四个墩位共用一个泥浆池,泥浆池的大小为长×宽×高=10m×6m×2.5m (具体大小可根据施工现场实际情况适当调整)。
4、开挖时采用垂直开挖,个别地质情况不好地段适当放坡开挖,四周延边筑起高50cm、宽40cm土坝围挡,要求横平坚直,有棱有角,且尽量压实,防止泥浆外露。
5、泥浆池内泥浆高度达到距周围地表20cm时,进行泥浆外运。
外运车辆采用专用泥浆罐车,且运输过程中要防止泥浆泄露,造成污染。
6、泥浆池底钻碴要定期用车运至弃碴场,运输过程要防止弃碴掉落,运碴车顶部要设有封盖,运输路径要有专人负责清理,保持路面清洁。
7、泥浆池围护:外围设置三横杆钢管防护栏,红白油漆间隔50cm喷涂,钢管内径50mm,壁厚3mm。
竖杆间距2m、高度1.2m,横杆3道,间距为50+50+20自上而下用扣件将节点连接。
沿泥浆池周边埋设,防护栏埋设距基坑边缘不少于60cm,栏杆竖杆打入地面深度不少于50cm,埋设应牢固可靠,并采用绿色安全网围起来防护,外围设置明显的安全警示标志。
8、要求现场施工队安全员每天对基坑围护进行巡检,对不合标准和被破坏的围护要立即进行整改,对于废弃的泥浆池应采用回填处理。
9利用多台(两台或两台以上,根据泥浆泵功率而定)泥浆泵实现泥浆循环。
不宜开挖地段泥浆池制作施工方法旋挖成孔(冲击成孔)灌注桩泥浆池制作采用“24 墙”砖砌结构,砖砌泥浆池尺寸为:长×宽×高=13m×15m×1m,拟定每墩位砌筑一座。
(具体大小可根据施工现场实际情况适当调整)。
汕汕铁路SSZQ-4标技术交底书单位工程桥梁工程交底编号交底名称泥浆池施工安全技术交底施工工艺及方法交底内容:一、技术标准泥浆池由2个沉淀池和1个储浆池组成,泥浆池顶面标高比护筒顶低0.5m。
以利于泥浆回流沉淀。
储浆池长12m*宽4m*深1.5m,2个沉淀池3m*宽4m*深1.5m,沉淀池与储浆池间设0.4m宽间隔带(间隔带中间顶部往下0.4m*0.4m*0.4m流浆口),每2个墩位共用一个泥浆池,隔跨布置。
由泥浆槽将钻孔桩流出的泥浆导入沉淀池,再有沉淀池流入储浆池,然后循环至孔内。
泥浆池平面图泥浆池四周采用定制防护栏进行防护。
泥浆池悬挂“泥浆池危险,请勿靠近”的警示牌,夜间设红色警示灯。
二.施工方法(1)位置放样:根据测量放样的墩位中心撒开挖的白灰线确定泥浆池位置。
泥浆池设置在两墩中间的外侧,隔跨布置。
(2)基坑开挖:基坑采用挖掘机开挖,开挖土堆置在相邻两墩之间。
(3)基坑侧墙采用长0.4m*宽0.15m*高0.1m砖砌并砂浆抹面,要求线性顺直,平整度±3mm,表面光滑。
(4)在泥浆池顶设置高0.2m,顶宽0.4m的平台并用砂浆抹面(防止泥浆外流),要求线性顺直,平整度±3mm,表面光滑。
(5)防护栏安装:防护栏长2m,高1.2m,露出地面1.4m,防护栏网片与立柱采用螺丝连接,护栏立柱采用膨胀螺丝固定在0.2m高砂浆平台上(砂浆平台比泥浆池顶面高出0.2m,平台采用长0.4m*宽0.15m*高0.1m的砖砌两层,并用水泥砂浆抹面)。
(6)泥浆槽长0.3m*宽0.3m*深0.3m,采用砖砌并砂浆抹面,要求线性顺直,平整度±3mm,表面光滑。
三、标准化泥浆池如下图所示容易出现的问题及应对措施四、施工注意事项(1)施工用电采用漏电保护措施。
(2)泥浆池边角整齐,线性顺直及平顺。
(3)开挖土方集中推放,并修整平齐,保存现场洁净。
(4)不得超过征地界污染农田及林地,做好农田及林地以及引排水保护。
技 术 交 底 记 录工程名称 /施工单位 / 分部分项工程名称中间桩柱的泥浆制备交底时间/交底内容:一、泥浆配合比设计根据在地层、地下水状态及施工条件和天津地区施工经验进行泥浆配合比设计,采用优良的膨润土、纯碱、高纯度的CMC 和自来水作原料,通过清浆冲拌和混合搅拌二次拌合而成。
泥浆配合比及质量指标控制:基坑开挖前,首先制备足够的优质泥浆待用。
泥浆配合比根据所选用的原料先行试配,再检测各项指标,按检测的情况适当增加外加剂,改善泥浆性能,使之符合要求。
粘土使用在工厂已加入纯碱的土粉来制浆,将CMC 事先与水搅拌成液体,加入浆液。
泥浆在循环使用过程中,配备专人检查和管理泥浆,保证泥浆质量,使各项指标达到规范要求:新制泥浆配合比(1m3浆液)膨润土品名材 料 用 量(kg)水膨润土 CMC (M ) Na 2CO 3 其它外加剂 钙土(Ⅱ级) 100080~1000~~4适量二、泥浆的制备方法将水加至搅拌筒1/3后,启动制浆机。
在定量水箱不断加水的同时,加入膨润土粉、碱粉等外加剂,搅拌2min 后,加入CMC 液继续搅拌1min 即可停止搅拌放入新浆池中,待静置膨化24h 后使用。
三、泥浆性能指标检验标准及测定频率护壁泥浆对下列表中的有关指标进行测试,检查新浆、循环泥浆和 废弃泥浆的质量。
交底人复核人接底人注:含设计和施工方案交底。
技 术 交 底 记 录工程名称/ 施工单位/分部分项工程名称中间桩柱的泥浆制备交底时间/ a.根据(DB29-103-2004)(GB50299-1999)新拌制膨润土(粘土)泥浆性能控制指标表序号项目性能指标检验方法1 重度(KN/m3)~泥浆比重称2 粘度(S) 20~24 500ml/700ml漏斗法3 含砂量<3% 含砂量测量计4 失水量(ml/30min)<20 失水量仪5 泥皮厚度(mm/30min) 1~3 失水量仪6 PH值8~PH试纸b.循环使用泥浆性能控制指标表序号项目性能指标检验方法1 重度(KN/m3)< 泥浆比重称2 粘度(S) <25 500ml/700ml漏斗法3 含砂量<4% 含砂量测量计4 PH值<11 PH试纸c.废弃泥浆性能指标:序号项目性能指标检验方法粘性土砂性土1 比重(g/cm3)> > 比重计2 粘度(S)>50 >60 漏斗计3 含砂量(%)>8 >11 洗砂瓶4 PH值>14 >14 试纸交底人复核人接底人注:含设计和施工方案交底。
徐州市三环东路高架快速路建设工程二标桥梁桩基工程泥浆池制作及泥浆配制技术交底书技术交底编号:DSHⅡ-JD-JSB-02001编制人:复核人:审核人:接受人:徐州市三环东路高架快速路建设工程二标项目经理部技术质量部2012 年月日徐州市三环东路高架快速路建设工程泥浆池制作及泥浆配制技术交底书徐州市三环东路高架快速路建设工程二标段项目经理部·技术质量部 1目录一、交底依据 (2)二、交底目的 (2)三、适用范围 (3)四、总体施工方法 (3)4.1 泥浆池制作总体施工方法 (3)4.1.1 旋挖成孔灌注桩泥浆池制作总体施工方法 (3)4.1.2 冲击成孔灌注桩泥浆池制作施工方法 (3)4.2 泥浆配制总体方法 (4)五、具体施工工艺 (4)5.1 施工工艺流程 (4)5.2 施工工艺 (5)六、质量保证措施 (7)七、安全文明施工保证措施 (8)八、工期进度要求 (9)九、其他应说明的事项 (10)一、交底依据1.1 相关规范:《公路工程技术标准》JTG B01-2003《公路桥涵施工技术规范》JTG/T F50-2011《城市桥梁工程施工与质量验收规范》(CJJ2-2008)《城市桥梁工程施工与质量验收手册》1.2 本工程桥梁专业通用图:(1)第一册·《说明与主线上部》;(2)第二册·《下部结构与匝道上部结构》。
1.3 本工程桥梁专业施工图:(1)子项四:响山路~三环北路施工图·桥梁工程第一分册《说明、总体与下部结构》;(2)子项五:三环北路立交施工图·桥梁工程第一分册《说明与总体》;(3)子项五:三环北路立交施工图·桥梁工程第三分册《上部结构(二)与下部结构》。
1.4 本工程《详细工程地质勘察报告》第一、二、三册。
1.5 设计单位下发的《桥梁施工技术交底》。
1.6 本工程《工程技术管理体系》、《工程质量管理体系》、《钻孔灌注桩试桩方案》、《桥梁桩基溶洞处理方案》、《桥梁桩基钻孔灌注桩专项施工方案》。
1.7 项目部会议中各职能部门商议的决定。
二、交底目的1.1 规范、指导徐州市三环东路高架快速路建设工程二标段桥梁桩基础工程泥浆池制作及泥浆配制,明确其施工方法、施工工艺、质量控制措施、安全文明施工保证措施及工期进度要求等。
1.2 使参加施工的管理人员、技术人员和施工作业班组人员对工程及其技术要求做到心中有数,以便科学地组织施工,并按合理的工序、工艺进行作业。
三、适用范围适用于温州市域S1线SG3标段k9+299.5~k13+074.5桥梁桩基础工程泥浆池制作及泥浆配制施工。
四、总体施工方法4.1 泥浆池制作总体施工方法4.1.1 旋挖成孔(冲击成孔)灌注桩泥浆池制作总体施工方法1、为满足环保要求,布置泥浆池时在满足使用要求的前提下应遵循尽量少布置、尽量控制泥浆池面积的原则,并且保证不与周围水塘或鱼塘相连。
2、钻孔桩施工时,泥浆池采取直接在墩位中间的红线内场地开挖设置。
3、布置原则:每四个墩位共用一个泥浆池,泥浆池的大小为长×宽×高=10m×6m×2.5m (具体大小可根据施工现场实际情况适当调整)。
4、开挖时采用垂直开挖,个别地质情况不好地段适当放坡开挖,四周延边筑起高50cm、宽40cm土坝围挡,要求横平坚直,有棱有角,且尽量压实,防止泥浆外露。
5、泥浆池内泥浆高度达到距周围地表20cm时,进行泥浆外运。
外运车辆采用专用泥浆罐车,且运输过程中要防止泥浆泄露,造成污染。
6、泥浆池底钻碴要定期用车运至弃碴场,运输过程要防止弃碴掉落,运碴车顶部要设有封盖,运输路径要有专人负责清理,保持路面清洁。
7、泥浆池围护:外围设置三横杆钢管防护栏,红白油漆间隔50cm喷涂,钢管内径50mm,壁厚3mm。
竖杆间距2m、高度1.2m,横杆3道,间距为50+50+20自上而下用扣件将节点连接。
沿泥浆池周边埋设,防护栏埋设距基坑边缘不少于60cm,栏杆竖杆打入地面深度不少于50cm,埋设应牢固可靠,并采用绿色安全网围起来防护,外围设置明显的安全警示标志。
8、要求现场施工队安全员每天对基坑围护进行巡检,对不合标准和被破坏的围护要立即进行整改,对于废弃的泥浆池应采用回填处理。
9利用多台(两台或两台以上,根据泥浆泵功率而定)泥浆泵实现泥浆循环。
不宜开挖地段泥浆池制作施工方法旋挖成孔(冲击成孔)灌注桩泥浆池制作采用“24 墙”砖砌结构,砖砌泥浆池尺寸为:长×宽×高=13m×15m×1m,拟定每墩位砌筑一座。
(具体大小可根据施工现场实际情况适当调整)。
(2)砖砌泥浆池现场砌筑,砌筑于新建道路中央分隔带范围内,泥浆池内面采用防水砂浆抹面,防止泥浆渗漏。
(3)利用多台(两台或两台以上,根据泥浆泵功率而定)泥浆泵实现泥浆循环。
( 4)一个墩位的桩基施工完毕且泥浆完全排放后,即可拆除泥浆池,将拆除的材料运至下一个需制作泥浆池的墩位,进行新泥浆池砌筑。
( 5)废弃泥浆利用泥浆车抽排,运送至指定地点排放。
4.2 泥浆配制总体方法(1)选择并备足良好的造浆粘土,保证满足钻孔内泥浆顶标高始终高于地下水位2.0m,使泥浆的压力超过静水压力,在井孔壁上形成一层泥皮,阻隔孔外渗流,保护孔壁免于坍塌。
(2)造浆粘土需至取土场进行选择,以膨润土、粉质粘土为主,不含砂、石、腐植、垃圾等杂质,自卸汽车运送至场。
(3)造浆水采用施工现场的施工用水。
(4)泥浆拌制采用泥浆搅拌机进行均匀拌制。
五、具体施工工艺5.1 施工工艺流程见图5-1 泥浆池制作及泥浆配制施工工艺流程图。
5.2 施工工艺(1)施工准备及材料进场②冲击成孔灌注桩施工采用砖砌结构砌筑泥浆池,所用砖块为普通粘土砖,运送至场后人工卸料至不影响施工现场交通的位置。
③泥浆池砌筑所用的砌筑砂浆、抹面所用的防水砂浆均采用现场拌制,人工持抹子的方法进行施工,施工前根据现场实际情况确定砂浆配合比,并组织原材进场。
④砌筑泥浆池的路面在施工前需清楚泥土、浮尘,以免砖砌结构体与路面连接不牢固而产生漏浆。
( 2)测量放样①砖砌泥浆池位置定于中央隔离带范围内,以中央隔离带中线为中线,砌筑尺寸为:长×宽×高=10m×6m×1.5m。
②施工前严格按照本工程技术管理体系中技术交底制度的要求,由技术人员向测量人员进行书面交底,明确所放桩位的里程及距线路中线的支距。
③测量人员按交底内容进行测量放样,放样结束后测量人员需以书面形式向技术人员进行交底,明确测量放样情况并附带各桩位的高程。
( 3)挂线定位现场技术人员根据测量人员所放桩位,组织施工作业班组人员采用弹墨线的方式进行砌筑范围定位,并在砌筑范围的四个顶角埋设垂直钢筋,每根钢筋之间水平绑挂红色尼龙绳以控制砌筑水平高程及整体线形。
( 4)泥浆池制作①旋挖成孔施工所用泥浆箱采用 5 块 8mm 钢板按要求尺寸成 90°直角焊接,焊缝处采用角钢补焊加强以防止泥浆外漏。
②结合施工现场实际情况,泥浆箱焊制作业选择在场外焊接,拖车运送至场。
③冲击成孔施工所用砖砌泥浆池按定位线进行砌筑,砌筑砂浆现场拌制。
( 5)泥浆池修整砖砌泥浆池砌筑完成后采用防水砂浆进行内面抹灰,结构体与路面及结构体内角处应加大防水砂浆的抹灰量,以防止泥浆外漏。
( 6)注水检查泥浆池修整完毕后,进行注水(砖砌泥浆池需待防水砂浆凝固达到 70%强度后注水),检测其密封性,发现透水处进行修补。
( 7)泥浆配制①经综合考虑,本工程拟选用膨润土泥浆。
建议泥浆配合比(重量比)为膨润土: CMC:纯碱:水=100: 0.28: 3.3: 700。
施工过程根据具体情况进行调整,使用膨润土(粉质粘土)提高比重;添加 CMC、纯碱来增大粘度。
②泥浆搅拌采用装载机上料,架设泥浆搅拌机进行搅拌,搅拌时间至少持续 30min,搅拌均匀无泥芯。
( 8)安装泥浆泵①我部施工现场泥浆池底高程均高于孔口高程,施工过程中采用至少 2 台泥浆泵实现泥浆循环、清孔等施工工序的完成,泥浆泵的数量及功率根据现场实际情况进行选择。
②泥浆泵与泥浆管的连接采用对接套环或钢丝拧绑,连接完毕后进行抽水试验,发现漏水处及时加固处理。
( 9)进行施工使用施工前进行泥浆循环试验,得出抽浆与送浆的时间、功率等参数,在施工过程中按试验得出的参数进行泥浆的使用。
六、质量保证措施 6.1 选择符合要求的材料,旋挖成孔施工所用的钢板焊制泥浆箱采用8mm 钢板要求钢板为 5 整块进行焊接,不得采用边角料拼接,以免箱内泥浆侧压力过大导致焊缝开裂;砖砌泥浆池采用的砖块要有一定的强度,不得缺棱掉角。
6.2 泥浆箱焊制要求整条接缝均匀对焊,不得点焊或出现缺焊现象。
焊缝处采用角钢补焊加强前需将焊渣清理干净,以免影响焊接质量。
8 6.3 砖砌泥浆池在砌筑施工过程中,现场技术员对施工作业班组进行施工过程监控,挂线施工,接缝平整,砂浆饱满。
6.4 砖砌泥浆池内面抹灰采用配比不得低于 1: 3 的防水砂浆,严格控制其砂浆配合比,以免达不到防水效果,结构体与路面及结构体内角处应加大防水砂浆的抹灰量。
6.5 泥浆配合比必须满足相关标准、规则和技术规范的规定。
新制泥浆的各项指标如下: a.泥浆比重:入孔泥浆比重为 1.1~1.3。
b.黏度( s):一般地层 16~22,松散易坍地层 19~28。
c.含砂率(%):新制泥浆不大于 4%。
d.PH 值:应大于 6.5。
e.胶体率(%):不小于 98%。
七、安全文明施工保证措施7.1 在泥浆搅拌前需对泥浆池四周粘贴交通反光带,以免夜间施工现场车辆人员无法识别泥浆池位置,并悬挂或粘贴安全警示标语,如“泥浆池危险,禁止靠近”、“泥浆池,注意安全”等。
7.2 所有施工人员进入施工现场必须安全防护用品佩戴齐全,不得饮酒、赤脚进入施工现场。
7.3 特殊工种人员须持证上岗,并报送项目部备案,操作证过期未年审不准进行施工作业。
7.4 施工前对施工作业班组进行安全教育,告知施工中应注意的安全事项。