自动喷水灭火系统水压试验、气压试验质量验收记录表(最新版)
- 格式:xlsx
- 大小:12.04 KB
- 文档页数:1
自动喷淋灭火系统验收记录表样表自动喷淋灭火系统验收记录表设施名称自动喷水灭火系统服务区域主机位置设计单位生产单位施工单位检验依据《房屋接管验收标准》监理单位《自动喷水灭火系统设计规范》《自动喷水灭火系统施工及验收规范》《水喷雾灭火系统设计规范》项目标准要求检验情况处理意见备注一、资料1、系统图2、设备布置平面图、安装图3、产品合格证4、设计变更记录5、竣工检验报告(包括隐蔽工程验收报告)6、主要设备备品备件清单7、公安消防部门提供的使用许可证8、调试、试运行记录三、阀门与检验报警装置1、报警阀距地高1.2m,且有排水措施2、水力警铃装在报警阀附近,连接管用镀锌钢管3、水力警铃启动压力P≥4.9×104Pa(0.5kg/cm2)4、采用闭式喷头时,系统有无延迟器和防误报装置5、闭式喷头的自动喷水灭火系统每个报警阀控制喷头数四、监测装置1、控制阀开启时状态应正确2、消防水泵电源供应和工作情况显示应正确3、水池、水箱的水位显示正确4、报警阀、水流指示器动作情况良好五、管道1、每根配水支管直径φ≤25mm2、配水支管带喷头数应符合要求六、减压孔板和节流管1、设在直径φ≥50mm的水平管段上2、孔口直径φ≥50%管直径3、孔板距转弯处2倍管直径4、节流管长L≤1m项目标准要求检验情况处理意见备注5、节流管与平管直径平管 50 70 80 100 125 200 250mm节流管 25 32 40 50 70 80 100 125mm七、管材外观检查1、表面无裂纹,缩孔,折迭和皱皮2、螺纹密封面完整、无损伤、无毛刺3、镀锌层不得脱落八、喷头现场检验1、型号、规格符合设计要求2、商标、公称动作温度、制造厂、日期标志齐全3、外观无加工缺陷和机械损伤4、螺纹密封面无伤痕、毛刺、缺丝、断丝现象5、闭式喷头密封试验P=3.0MPa T≥3min九、阀门现场检查1、型号、规格符合设计要求2、附件配备齐全,不得有损伤3、报警阀商标、型号、规格标志齐全,且有水流方向永久性标志4、报警阀、控制阀操作机构动作灵活、阀体内清洁5、水力警铃的铃锤转动灵活6、报警阀渗漏试验 P=2倍额定压力 T=5min十、消防水箱、水池1、容积、位置符合设计要求2、主要通道宽度不小于1.0m3、检修通道不小于0.7m4、水箱顶部至楼板或梁的距离不小于0.6m5、水池、水箱溢流管、泄水管不得与生活用水的排水系统连接十一、消防气压给水设备1、四周检修通道不小于0.7m2、设备顶部至楼板,梁底距离d≥1.0m十二、水泵接合器1、安装在消防车便于接近的人行道或非机动车行驶地段2、地下消防水泵接合器应有明显标志3、墙壁消防水泵接合器高度1.1m,距门、窗、孔、洞d≥2.0m4、地下安装时,进水口与井盖底面距离d≤0.4m检查结果及意见房产工程管理部监理单位代表设计单位代表物业公司代表施工单位代表检测日期。
自动喷水灭火系统安装检验批质量验收记
录模板
1. 项目基本信息
- 项目名称:
- 项目地址:
- 项目负责人:
- 安装单位:
2. 安装检验批信息
- 日期:
- 检验批编号:
- 检验员:
3. 安装质量验收内容
- 验收项目:
- 系统设备部分:
- 喷头安装情况
- 喷头布置是否合理
- 喷头与防护盖板的连接情况
- 喷头维护阀门的安装情况
- 管道连接情况
- 控制装置部分:
- 控制面板、按钮和指示灯是否安装正确- 控制线路的接线是否准确
- 控制面板操作是否正常
- 电气部分:
- 电缆敷设是否规范
- 电缆接线是否牢固可靠
- 电源接线箱是否符合规范
- 电源线和信号线是否分开布置
- 其他部分(根据具体系统特点列出)
4. 安装质量验收结果
- 合格数量:
- 不合格数量:
- 相关问题及处理情况:
5. 安装质量验收结论
- 经过初步验收,安装质量符合相关要求。
- 经过技术人员现场检查,系统设备和控制装置符合设计、图纸要求。
- 经过试运行,系统各部件正常工作,喷头布置合理,系统稳定可靠。
6. 改进建议
- 验收过程中发现的问题及改进意见:
7. 验收人员签字
验收单位:__________________
验收人:__________________
日期:__________________。
自动喷水灭火系统系统调试质量验收记录表
自动喷水灭火系统消防水泵安装质量验收记录表
自动喷水灭火系统消防气压给水设备和稳压泵安装质量验收记录表
自动喷水灭火系统消防水箱安装和消防水池施工质量验收记录表
自动喷水灭火系统消防水泵接合器安装质量验收记录表
自动喷水灭火系统管网安装质量验收记录表
自动喷水灭火系统报警阀组安装质量验收记录表
自动喷水灭火系统其他组件安装质量验收记录表
自动喷水灭火系统水压试验、气压试验质量验收记录表
GB50261-2005
100301
工程质量监督站监制自动喷水灭火系统冲洗质量验收记录表。
自动喷水灭火系统工程验收记录3(可以直接使用,可编辑优秀版资料,欢迎下载)自动喷水灭火系统工程验收记录自动喷水灭火系统工程质量控制资料检查记录自动喷水灭火系统联动试验记录自动喷水灭火系统管网冲洗记录自动喷水灭火系统试压记录自动喷水灭火系统施工过程质量检查记录施工现场质量管理检查记录自动喷水灭火系统工程验收记录自动喷水灭火系统工程验收记录(续表01)二、能耗计量系统2。
1 系统概述为能对节约能源的有效管理,本项目要求组建远程能耗计量系统,对各种能耗进行远程采集、监视、记录和打印,系统应能与BMS联网,将收集的数据集成在统一的管理平台上。
能耗计量系统由工作站、采集器、计量表设备组成,本系统采用集中供电UPS电源。
酒店管理中心设置在二层的IT机房内.2。
2 基本要求对各主要能源中心如各厨房及餐厅,洗衣房,大宴会厅及其厨房的电,水,蒸汽,空调,燃气等相关能源消耗进行监控并计量.所有非酒店管理区域的能耗也都要求进行计量,以便进行成本分摊.能源的管理程序将包括收集能源记录,定期的对每个用户和“成本"中心进行能源审计,持续地监督和检讨所收集到的能耗数据以便核算成本和相关的运营费用。
所收集的数据应该能把所消耗的能源通过图标和曲线图的方法表现出来,这样有助于把这方面的信息向使用部门介绍能耗的情况.所有不在酒店管理范围内的其他设施,商店,餐厅,SPA,办工区,或其他区域,都必须安装独立的计量设施。
如,冷冻及采暖流量表,电能表,冷热水表,煤气表,蒸汽表,进行有效计量。
2。
3 系统点表详见抄表点表。
2。
4 技术要求2。
4。
1 能源管理功能应采用简体中文图形操作界面;采用SQL Server 2000数据库;实现对计量数据的采集、统计、分析、报表功能.应具有计费管理、报警管理、历史记录、密码保护等管理软件模块。
预付费管理:应具有用户单元预付费管理功能,用户单元按分类别、汇总管理,并可对每笔费用的存入、扣除等进行记录,实现对费用的动态管理。
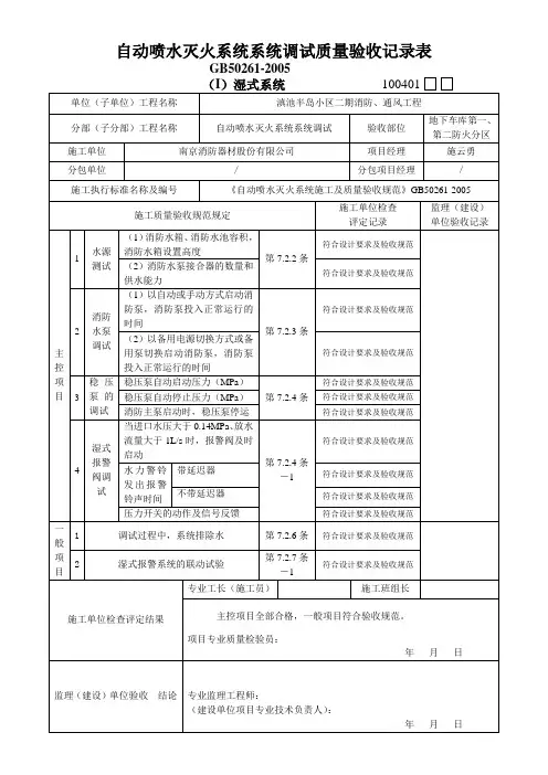
自动喷水灭火系统系统调试质量验收记录表GB50261-2005(I)湿式系统100401 单位(子单位)工程名称滇池半岛小区二期消防、通风工程分部(子分部)工程名称自动喷水灭火系统系统调试验收部位地下车库第一、第二防火分区施工单位南京消防器材股份有限公司项目经理施云勇分包单位/分包项目经理/施工执行标准名称及编号《自动喷水灭火系统施工及质量验收规范》GB50261-2005施工质量验收规范规定施工单位检查评定记录监理(建设)单位验收记录主控项目1水源测试(1)消防水箱、消防水池容积,消防水箱设置高度第7.2.2条符合设计要求及验收规范(2)消防水泵接合器的数量和供水能力符合设计要求及验收规范2消防水泵调试(1)以自动或手动方式启动消防泵,消防泵投入正常运行的时间第7.2.3条符合设计要求及验收规范(2)以备用电源切换方式或备用泵切换启动消防泵,消防泵投入正常运行的时间符合设计要求及验收规范3稳压泵的调试稳压泵自动启动压力(MPa)第7.2.4条符合设计要求及验收规范稳压泵自动停止压力(MPa)符合设计要求及验收规范消防主泵启动时,稳压泵停运符合设计要求及验收规范4湿式报警阀调试当进口水压大于0.14MPa、放水流量大于1L/s时,报警阀及时启动第7.2.4条-1符合设计要求及验收规范水力警铃发出报警铃声时间带延迟器符合设计要求及验收规范不带延迟器符合设计要求及验收规范压力开关的动作及信号反馈符合设计要求及验收规范一般项目1 调试过程中,系统排除水第7.2.6条符合设计要求及验收规范2 湿式报警系统的联动试验第7.2.7条-1符合设计要求及验收规范施工单位检查评定结果专业工长(施工员)施工班组长主控项目全部合格,一般项目符合验收规范。
项目专业质量检验员:年月日监理(建设)单位验收结论专业监理工程师:(建设单位项目专业技术负责人):年月日。
自动喷水灭火系统系统调试质量验收记录表
自动喷水灭火系统消防水泵安装质量验收记录表
自动喷水灭火系统消防气压给水设备和稳压泵安装质量验收记录表
自动喷水灭火系统消防水箱安装和消防水池施工质量验收记录表
自动喷水灭火系统消防水泵接合器安装质量验收记录表
自动喷水灭火系统管网安装质量验收记录表
自动喷水灭火系统报警阀组安装质量验收记录表
自动喷水灭火系统其他组件安装质量验收记录表
自动喷水灭火系统水压试验、气压试验质量验收记录表
自动喷水灭火系统冲洗质量验收记录表
GB50261-2005。