自动喷水灭火系统安装工艺标准
- 格式:docx
- 大小:22.78 KB
- 文档页数:9
自动喷水灭火系统施工及验收规范自动喷水灭火系统是一种通用的消防设备,它利用水或其他消防媒介、气体等受控实施,通过自动或远程控制的方式,使着火或有燃烧危险的物体受到持续的凉热,从而终止火势,消防人员迅速进入险地,将火势扑灭,拯救一切的生命财产。
目前,自动喷水灭火系统在全国各地得到了广泛的应用,对阻止危险物体的着火、燃烧,以及在现代消防安全工程中,起到了很大的作用。
一、施工规范1、安装自动喷水灭火系统时,应遵守国家和行业的有关规定,严格检查安装场所,检查水系统质量,安装设备严格按照设计要求;2、检查管件的表面,确保管件的表面处于洁净状态,严格检查管件的缝线和拼接处,及时修理损坏的管件;3、在管件或设备安装时,应先将它们固定在设计位置,并固定到墙面,管件之间应可靠地连接,以确保防火能力;4、自动喷水灭火系统安装完成后,应对各项技术参数进行核对,仔细检查设备和管道的连接,确保系统无误;5、安装完成后,应对火源进行模拟试验,测试系统的响应及报警系统的可靠性;二、验收规范1、验收时应首先检查水泵站及管道系统的设计、安装、运行和维护等,检查水泵站的压力是否符合设计要求;2、检查管件及阀门之间的连接,确保规范及可靠性;3、检查自动报警和控制系统,确保系统功能正常,并及时检查报场给系统;4、根据设计文件和现场测试结果,体检所安装的灭火系统;5、根据现场实际情况行发放《自动喷水灭火系统验收报告》;三、总结2、管件及设备应当先固定在设计位置,并固定到墙面;自动喷水灭火系统的正确安装和施工及验收对于消防安全至关重要,因此,施工单位应当严格执行上述规范,确保系统的安全性和可靠性,确保具备有效的防火能力。
自动喷水灭火系统施工及验收规范GB50261—2005中华人民共和国共和国建设部公告第340 号建设部关于发布国家标准《自动喷水灭火系统施工及验收规范》的公告现批准《自动喷水灭火系统施工及验收规范》为国家标准,编号为GB50261—2005,自2005 年7 月1 日起实施。
其中,第 3.1.2、3.2.3、5.2.1、5.2.2、5.2.3、6.1.1、8.0.1、8.0.13条为强制性条文,必须严格执行,原《自动喷水灭火系统施工及验收规范》GB50261—96同时废止。
本规范由建设部标准定额研究所组织中国计划出版社出版发行。
中华人民共和国建设部二OO 五年五月十六日1 总则1.0.1 为保障自动喷水灭火系统(或简称系统)的施工质量和使用功能,减少火灾危害,保护人身和财产安全,制定本规范。
1.0.2 本规范适用于工业与民用建筑中设置的自动喷水灭火系统的施工、验收及维护管理。
1.0.3 自动喷水灭火系统的施工、验收及维护管理,除执行本规范的规定外,尚应符合国家现行的有关标准、规范的规定。
2 术语2.0.1 准工作状态condition of standing by自动喷水灭火系统性能及使用条件符合有关技术要求,发生火灾时能立即动作、喷水灭火的状态。
2.0.2 系统组件system components组成自动喷水灭火系统的喷头、报警阀组、压力开关、水流指示器、消防水泵、稳压装置等专用产品的统称。
2.0.3 监测及报警控制装置equipments for supervisery and alarm control services对自动喷水灭火系统的压力、水位、水流、阀门开闭状态进行监控,并能发出控制信号和报警信号的装置。
2.0.4 稳压泵pressure maintenance pumps能使自动喷水灭火系统在准工作状态的压力保持在设计工作压力范围内的一种专用水泵。
2.0.5 喷头防护罩sprinkler guards and shields保护喷头在使用中免遭机械性损伤,但不影响喷头动作、喷水灭火性能的一种专用罩。
室内消防喷淋系统安装工艺标准(QB-CNCEC J050104-2004)1 适用范围本工艺标准适用于工业及民用建筑的室内消防喷淋系统的安装。
2 施工准备2.1 原材料要求2.1.1 系统组件、管件及其它设备、材料应符合设计要求和国家有关标准,并具有出厂合格证明书。
2.1.2 喷头、报警阀、压力开关、水流指示器等主要系统组件经过国家消防产品质量监督检验中心检测合格。
2.1.3 对阀门进行外观检查,其零部件应齐全完好,阀瓣和操作机构动作灵活,报警阀逐个进行渗漏试验。
2.1.4 管材、管件经外观检查,表面无裂纹、缩孔、夹渣、折叠和重皮,螺纹密封面完整无损伤毛刺。
镀锌钢管表面不得有镀锌层脱落、锈蚀,法兰密封面完整、光洁,符合规定。
2.1.5 现场检查喷头的型号、规格是否与设计相符,其商标、动作温度、型号、制造厂及生产年月标志齐全,外观无损伤和缺陷,喷头螺纹密封面无伤痕、毛刺、断丝、缺丝。
闭式喷头从每批中抽查1%且不少于5只进行密封性能试验,试验压力为3Mpa,试验时间≥3min,无渗漏、无损伤为合格。
1只不合格须加倍抽查,仍有1只不合格该批喷头不准使用。
2.1.6 报警阀、水流指示器应有商标、型号、规格标志和水流方向永久性标志。
报警阀、控制阀和警铃的铃锤应动作和转动灵活。
无卡涩、阻滞,阀内清洁无异物。
报警阀逐个进行渗漏试验,试验压力为2倍额定工作压力,试验时间5min,无渗漏为合格。
2.1.7 压力开关水流指示器及水位气压阀门限位等监视及报警装置应有铭牌安全操作指示标志和说明书,传输信号应灵敏可靠,不合格不得使用。
2.1.8 其他材料:电焊条、聚四氯乙烯生料带、厌氧胶填料、铅油、小线、石(粉)笔、金属垫片、型钢、石棉橡胶板、塑料板、螺母、立管卡,经检验符合质量要求。
各种非金属密封垫片的质地应柔软、无老化变质分层,表面无损折、皱纹。
2.2 作业人员的要求主要工作人员:电气焊、起重、管工、电工,特殊工种持证上岗。
UDC中华人民共和国国家标准P GB50261 – 2017自动喷水灭火系统施工及验收规范Code for installation and commissioningof sprinkler systems2017– 05 –27 发布2018 – 01 –01 实施中华人民共和国住房和城乡建设部中华人民共和国国家质量监督检验检疫总局联合发布中华人民共和国国家标准自动喷水灭火系统施工及验收规范Code for installation and commissioning of sprinkler systemsGB 50261-2017主编部门:中华人民共和国公安部批准部门:中华人民共和国住房和城乡建设部施行日期:2018年1月1日2017北京中华人民共和国住房和城乡建设部公告第1577号住房城乡建设部关于发布国家标准《自动喷水灭火系统施工及验收规范》的公告现批准《自动喷水灭火系统施工及验收规范》为国家标准,编号为GB 50261—2017,自2018年1月1日起实施。
其中,第3.2.7、5.2.1、5.2.2、5.2.3、6.1.1、8.0.1条为强制性条文,必须严格执行。
原国家标准《自动喷水灭火系统施工用验收规范》GB 50261—2005同时废止。
本规范由我部标准定额研究所组织中国计划出版社出版发行。
中华人民共和国住房和城乡建设部2017年5月27日前言根据住房和城乡建设部《关于印发〈2008年工程建设标准规范制订、修订计划(第一批)〉的通知》(建标〔2008〕102号)的要求,本规范编制组经广泛调查研究,认真总结实践经验,并在广泛征求意见的基础上,对《自动喷水灭火系统施工及验收规范》GB 50261—2005进行了修订。
本规范的主要技术内容包括:总则、术语、基本规定、供水设施安装与施工、管网及系统组件安装、系统试压和冲洗、系统调试、系统验收、维护管理以及相关附录。
本次修订主要内容有:1.增加了英文目录;2.增加了早期抑制快速响应喷头(ESFR)的安装要求;3.增加了铜管、不锈钢管、涂覆钢管、氯化聚氯乙烯(PVC-C)管、消防洒水软管的安装要求;4.对流量压力检测装置的设置要求进行了修订;5.修订了干式和预作用系统管道充水时间的要求;6.对规范附录的表格进行修订,使其可操作性更强;7.增加了维护管理的检查方法的内容;8.修改规范中不便操作的一些条款;9.取消了原第3.1.2条,把原第8.0.13条的强制性条文改为非强制性条文;10.协调了与其他规范、标准的关系。
自动喷水灭火系统规范自动喷水灭火系统是一种重要的消防设施,广泛应用于各类建筑物和场所。
为了保证系统的可靠性和有效性,制定了一系列规范来规范其设计、安装、维护和使用。
以下是自动喷水灭火系统规范的一些重要内容,以供参考。
一、设计规范:1. 按照国家消防法和建筑设计规范的要求进行设计,满足建筑物的消防安全需要。
2. 确定系统的设计分类,并根据建筑物的用途、结构和火灾风险等因素,合理确定灭火区域和灭火系统的容量。
3. 选择适当的灭火设备和器材,确保其符合国家标准或行业标准,并具备灭火效果好、操作简便等特点。
4. 确定灭火系统的供水方式和机械设备配置,并保证供水的稳定和充足。
二、安装规范:1. 按照设计要求进行安装,确保系统的各个部件合理布置、连接牢固,并按照正确的安装方法进行。
2. 确保喷头、管道等部件的材料符合规范要求,并进行正确的连接、固定和密封,以确保系统的正常运行。
3. 进行系统的压力测试和试水,确保系统的参数和性能符合设计要求。
4. 按照特定的标识和说明进行系统的标志和示意,以方便人员使用和维护。
三、维护规范:1. 按照规定的周期进行系统的定期检查和维护,确保系统的完好和正常工作。
2. 定期检查系统的灭火器材、电气设备和机械设备等,发现问题及时修复或更换。
3. 针对灭火系统的不同部件和设备,制定相应的维护措施和操作规程,确保其可靠性和有效性。
4. 对系统的水源和供水设备进行定期检查,保证水源的可靠供应和供水设备的正常运行。
四、使用规范:1. 按照消防法和消防管理部门的要求,确保系统的使用人员具备相关的消防知识和技能。
2. 定期进行系统的演练和应急预案的训练,确保在火灾发生时能够正确、迅速地启动系统,并采取有效的灭火措施。
3. 遵守系统的使用规程和操作规定,不擅自更改、损坏或关闭喷水灭火设备。
4. 对系统的使用情况进行记录和监测,及时发现问题并进行处理,确保系统的稳定和可靠。
综上所述,自动喷水灭火系统规范是确保系统正常工作和发挥灭火效果的重要依据。
自动喷水灭火系统施工工艺3.1支架制作安装防晃支架的强度,应能承受管道;配件及管内水的重量和50%的水平方向的推动力而不致损坏或产生永久变形。
当管子穿安装时;若管道再用铁圈紧固于混凝土结构上,则可用为一个防晃支架处理;为确保工程质量,除按常规采用设计规定的支架外,均按国标S161制作安装,所有支架均除锈后刷红丹防锈漆二道,安装调试结束后,对受损部分进行补刷。
管道固定牢固,自动喷水灭火系统的管道支架或吊架之间的距离不应大于规范GB50261-96中的规定,管道支架、吊架、防晃支架的形式、材质、加工尺寸及焊接质量等符合设计要求和国家现行有关标准的规定。
自动喷水灭火系统的管道支架、吊架的安装位置不应妨碍喷头的喷水效果,管道支架、吊架与喷头之间的距离不宜小于300mm,与末端喷头之间的距离不宜大于750mm。
防晃支架的制作参考图,如下图所示:配水支管上每一直管段,相邻两喷头之间的管段设置的吊架均不宜少于1个,当喷头之间距离小于1.8m时,可隔断设置吊架,但吊架的间距不宜大于3.6m,当管子的公称直径等于或大于50mm时,每段配水干管或配水管设置防晃支架不应少于1个。
当管道改变方向时,应增设防晃支架,竖直安装的配水干管应在其始端和终端设防晃支架或采用管卡固定,其安装位置距地面或楼面的距离宜为1.5~1.8m,支吊架的安装位置应不影响检查、通行。
吊装孔下或设备上方若必须敷设管道,应采用管箍或法兰等易于拆卸的连接方式,管道应固定牢固。
管道支架或吊架之间的距离不应大于下表规定:单位:mm3.2管网安装管位确定,了解和确定干管的标高、位置、坡度管径等,正确按图纸和规范的要求制作支、吊架;DN100以下的自动喷水灭火系统镀锌钢管采用丝扣螺纹连接,用机械套丝机套丝。
严禁一次套成,以免产生“硌牙”;管道螺纹连接时,在管子的外螺纹与管件或阀件的内纹之间加适当填料,采用油麻丝加白厚漆或生料胶带。
安装时先将麻丝松成薄而均匀的纤维(或者用生料胶带),然后从螺纹第二扣开始沿螺纹进行缠绕,缠好后表面沿螺纹方向涂白厚漆(生料胶带可不涂白厚漆)然后用手拧上管件,再用管钳收紧。
灭火自动喷水系统设计规范 GB50084-2023设计规范 GB-2023《灭火自动喷水系统设计规范》为我国规范了灭火自动喷水系统的设计和施工要求。
本文档将对该规范进行简要的介绍。
1. 系统概述灭火自动喷水系统是一种用于火灾扑灭和控制的自动喷水系统。
其主要由供水系统、喷水设备、控制系统和监测系统组成。
系统通过自动感应器或手动操作,及时发现火灾,并进行自动喷水以控制和灭火。
2. 设计要求设计灭火自动喷水系统需要符合以下要求:- 系统设计应按照国家建筑设计规范和有关规范进行,并经过专业设计单位的设计和评审。
- 系统应满足不同类型建筑物的灭火需求,包括建筑物的结构、用途、火灾风险等因素。
- 系统设计应考虑火灾扑灭的速度和效果,确保系统能够迅速灭火并控制火势扩散。
- 喷水设备的布置和数量应满足建筑物内部的灭火需求,喷头的设置应根据火灾风险进行合理选择。
- 控制系统应能够实现自动控制和手动操作,并能够与火灾报警系统和建筑物管理系统联动。
- 监测系统应能够实时监测建筑物内部的温度和烟雾等参数,并及时反馈给控制系统。
3. 施工要求在施工灭火自动喷水系统时需要注意以下要求:- 施工单位应具备相应的资质,并按照国家有关规范进行施工。
- 喷水设备和管道应符合相关标准,材料应具有良好的耐火性能和抗腐蚀性能。
- 系统的安装应符合设计要求,并按照相关构件的安装说明进行。
- 系统的电路连接应牢固可靠,并按照相关电气安全规范进行施工。
- 系统验收应由专业单位进行,并对系统的性能进行测试和监测。
4. 使用与维护灭火自动喷水系统的使用和维护需要注意以下事项:- 系统的日常使用和维护应按照相关操作规程进行,并定期进行检查和测试。
- 系统故障或异常应及时修复,并记录系统的维护和维修情况。
- 系统的设备和管道应定期清洗和检修,以确保其正常工作。
- 系统的供水应保持充足,供水设备应经常检查和维护。
- 系统的控制和监测设备应保持正常工作状态,及时更换损坏或老化的设备。
建筑物消防系统施工技术的自动喷水灭火系统布置要求为了保障建筑物的消防安全,自动喷水灭火系统是一项非常重要的设施。
本文将介绍建筑物消防系统施工技术中,自动喷水灭火系统的布置要求。
一、系统布置原则在建筑物消防系统的施工中,自动喷水灭火系统的布置应遵循以下原则:1. 安全可靠:自动喷水灭火系统的布置应确保每个区域都能得到有效的喷水灭火覆盖,以保障人员和财产的安全。
2. 布置合理:根据建筑物的结构、用途和火灾风险评估的结果,合理布置自动喷水灭火系统的设备和管网,使其能够满足灭火需求。
3. 统一管理:自动喷水灭火系统的布置应便于管理和维护,保证系统的可靠性和长期有效性。
二、布置要求1. 设备安装位置:自动喷水灭火系统的设备安装位置应符合以下要求:- 喷头:喷头应布置在每个重要区域和容易发生火灾的区域,如走廊、楼梯间、厨房等。
喷头应安装在高处,以覆盖更大的灭火范围。
- 阀门:阀门应安装在自动喷水灭火系统的供水管网上,以便于控制系统的开启和关闭。
- 水泵:水泵应安装在建筑物的消防泵房内,并符合相关的安装要求。
2. 管网布置:自动喷水灭火系统的管网布置应符合以下要求:- 主干管道:主干管道应穿越建筑物的各个楼层,并沿着走廊或楼梯间布置。
主干管道的直径和材质应符合设计要求。
- 支管管道:支管管道应连接到主干管道,并布置在各个房间或区域内。
支管管道的数量和直径应根据火灾风险评估结果确定。
- 喷头连接管道:喷头连接管道应与支管管道相连,并根据需要延伸到每个喷头位置。
连接管道的长度和直径应符合设计要求。
3. 控制与监测装置:自动喷水灭火系统的控制与监测装置应合理布置,以确保系统的正常运行和及时响应火灾事件。
- 控制器:控制器应安装在易于操作和监控的位置,如消防控制室或管理人员办公室。
- 火灾探测器:火灾探测器应根据建筑物的结构和用途,合理布置在各个区域和房间内,以便及时发现火灾。
- 报警器:报警器应布置在易于听到或看到的位置,以便及时警示人员并采取适当的应对措施。
自动喷淋灭火系统施工安装1. 简介自动喷淋灭火系统是一种常见的灭火设备,主要用于建筑物、仓库等场所的火灾防护。
本文将介绍自动喷淋灭火系统的施工安装过程。
2. 材料准备在施工安装自动喷淋灭火系统之前,需要准备以下材料: - 自动喷头 - 管道 - 控制阀 - 水泵 - 连接件 - 喷淋管道3. 施工流程3.1 软管连接首先,根据设计图纸确定喷淋管道的位置。
然后,进行软管的连接工作,确保软管的长度和位置符合要求。
3.2 安装控制阀在软管连接完成后,需要安装控制阀。
控制阀的安装位置应符合设计要求,并确保其正常运作。
3.3 安装喷头安装喷头是安装过程中的重要环节。
根据设计要求,将喷头安装在适当的位置,并调整喷头的喷淋范围和喷淋角度。
3.4 安装水泵水泵是自动喷淋灭火系统中的关键部件。
在安装水泵时,需注意水泵的安装位置、管道连接等细节,并确保水泵的正常运转。
3.5 系统调试安装完成后,需要对整个系统进行调试。
通过检验控制阀、喷头、水泵等设备的运行情况,确保系统能够正常工作。
4. 安全注意事项在自动喷淋灭火系统的施工安装过程中,需要注意以下安全事项:- 施工人员需佩戴相关防护用具,如手套、安全帽等。
- 施工现场应保持整洁,避免杂物堆放和滑倒。
- 操作时需严格按照设计要求进行,避免操作失误导致事故发生。
5. 总结自动喷淋灭火系统的施工安装是一项重要的工作,需要严格按照设计图纸和施工流程进行操作。
通过合理准备材料、严格遵守安全规范,可以确保系统安装质量,提高系统的可靠性和安全性。
自动喷水灭火系统施工及验收规范 GB50261—20055.2 喷头安装主控项目5.2.1 喷头安装应在系统试压、冲洗合格后进行。
5.2.2 喷头安装时,不得对喷头进行拆装、改动,并严禁给喷头附加任何装饰性涂层。
5.2.3 喷头安装应使用专用扳手,严禁利用喷头的框架施拧;喷头的框架、溅水盘产生变形或释放原件损伤时,应采用规格、型号相同的喷头更换。
5.4.1 水流指示器的安装应符合下列要求:1、水流指示器的安装应在管道试压和冲洗合格后进行,水流指示器的规格、型号应符合设计要求。
2、水流指示器应使电器元件部位竖直安装在水平管道上侧,其动作方向应和水流方向一致;安装后的水流指示器浆片、膜片应动作灵活,不应与管壁发生碰擦。
本条规定水流指示器安装应在管道试压、冲洗合格后进行,是为避免试压和冲洗对水流指示器动作机构造成损伤,影响功能。
其规格应与安装管道匹配,因为水流指示器安装在系统的供水管网内的管道上,避免水流管道出现通水面积突变而增大阻力和出现气囊等不利现象发生。
5.4.6 信号阀应安装在水流指示器前的管道上,与水流指示器之间的距离不宜小于300mm。
5.4.7 排气阀的安装应在系统管网试压和冲洗合格后进行;排气阀应安装在配水干管顶部、配水管的末端,且应确保无渗漏。
5.4.8 节流管和减压孔板的安装应符合规范和图集设计要求。
5.4.9 压力开关、信号阀、水流指示器的引出线应用防水套管锁定。
6.1.1 管网安装完毕后,应对其进行强度试验、严密性试验和冲洗。
6.1.6 系统试压过程中,当出现泄漏时,应停止试压,并应放空管网中的试验介质,消除缺陷后,重新再试。
6.1.7 管网冲冼宜用水进行。
冲洗前,应对系统的仪表采取保护措施。
6.1.8 冲洗前,应对管道支架、吊架进行检查,必要时应采取加固措施。
6.1.10 冲洗直径大于 100mm 的管道时,应对其死角和底部进行敲打,但不得损伤管道。
6.4.2 管网冲洗的水流方向应与灭火时管网的水流方向一致。
自动喷水灭火系统施工及验收规范GB50261—961总则1。
0.1 为保障自动喷水灭火系统(或简称系统)的施工质量和使用功能,减少火灾危害,保护人身和财产安全,制定本规范.1.0.2 本规范适用于建筑物、构筑物设置的自动喷水灭火系统的施工、验收及维护管理.1.0.3 自动喷水灭火系统的施工、验收及维护管理,除执行本规范的规定外,尚应符合国家现行的有关标准、规范的规定。
2术语2。
0.1 准工作状态 condition of prepare operating自动喷水灭火系统设备性能及使用条件符合有关技术要求,发生火灾时,能立即动作、喷水灭火的状态。
2.0。
2 系统组件 system components组成自动喷水灭火系统的喷头、报警阀、水力警铃、压力开关、水流指示器等专用产品的统称。
2.0。
3 监测及报警控制装置 equipments for supervisery and alarm control services对自动喷水灭火系统的某些部位进行监控并能发出控制信号和报警信号的装置。
2。
0。
4 稳压泵 pressure maintenance pumps能使自动喷水灭火系统的压力保持在设计工作压力范围内的一种专用水泵。
2.0。
5 喷头防护罩 sprinkler guards and shields保护喷头在使用中免遭机械性损伤,但不影响喷头动作、喷水灭火性能的一种专用罩。
2.0.6 取消2。
0。
7 末端试水装置 end water-test equipments安装在系统管网或分区管网的末端,检验系统启动、报警或联动功能的装置.3施工准备3.0。
1 自动喷水灭火系统的施工应由通过专业培训、考核合格,并经审核批准的施工队伍承担.3.0.2 自动喷水灭火系统施工前应具备下列条件:3。
0。
2。
1 设备平面布置图、系统图、安装图等施工图及有关技术文件应齐全;3。
0。
2。
2 设计单位应向施工单位进行技术交底;3.0.2。
自动喷水灭火系统安装和调试方案自动喷水灭火系统的施工工艺流程:施工准备→干管安装→报警阀安装→立管安装→喷洒分层干、支管安装→喷洒头支管安装→管道试压→管道冲洗→减压装置安装→报警阀配件及其他组件安装、喷洒头安装→系统通水调试一、施工准备1.根据现场情况对施工图进行复核,核对各管道的坐标,标高是否有交叉或排列位置不当的现象。
2.检查预埋和预留洞是否准确。
3.检查管道、管件、阀门、设备及组件是否符合设计要求和质量标准。
二、干管安装1.管道材料及连接:自动喷水灭火系统的管道,DN<100 时,采用热镀锌钢管;DN≥100 时,采用热镀锌无缝钢管。
DN100 以下采用丝扣连接, DN100 及以上采用沟槽式连接,中压细水雾灭火系统采用不锈钢管焊接安装。
无论何种连接方式,均不得减少管道的流通面积。
螺纹连接的要求:管道应采用机械切割,切割面不得有飞边,毛刺。
加工的管子螺纹封面应完整、光滑,不得有缺丝或断丝,尺寸偏差应符合标准要求。
当管道变径时,应采用异径焊头;在管道变径处不得采用补芯。
如必须采用补芯时,三通上可用1 个,四通上不应超过2 个,大于DN50 的管道不得采用补芯。
螺纹连接的密封填料应均匀附着在管道的螺纹面上,拧紧螺纹时,不得将填料挤入管内。
如果填料采用麻丝时,应在附着在螺纹面加麻丝上涂抹白铅油,管道连接后清除麻头,并在接头处涂防锈漆。
沟槽式连接的要求:①用切割机将钢管按所需长度切割,切口应平整无毛刺。
②将需加工沟槽的钢管架设在滚槽机和滚槽尾架上。
③在钢管上放置水平仪,用水平仪量测,使钢管处于水平位置。
④将钢管端面与滚槽机正面紧贴,使钢管中轴线与滚槽机正面垂直。
⑤启动滚槽机,徐徐压下千斤顶,使上压轮均匀滚压钢管到预设定沟槽深度为止、停机。
⑥用游标卡尺检查沟槽的深度和宽度,确认符合要求。
⑦千斤顶卸荷,取出钢管。
2.管道穿过建筑物时的变形缝时,应设置柔性短管。
穿过墙体或楼板时应加设套管。
三、管道支、吊架的安装1.管道支、吊架的最大允许间距主要是由所承受垂直方向载荷来决定,它应满足强度条件和刚度条件。
中华人民共和国国家标中华人民共和国国家标准自动喷水灭火系统设计规范GBJ84-85中华人民共和国国家标准自动喷水灭火系统设计规范GBJ84—85主编部门:中华人民共和国公安部批准部门:中华人民共和国国家计划委员会施行日期:1986年7月1日关于发布《自动喷水灭火系统设计规范》的通知计标〔1985〕2033号根据国家计委计标发〔1984〕10号文的通知要求,由公安部负责主编的《自动喷水灭火系统设计规范》,已经有关部门会审。
现批准《自动喷水灭火系统设计规范》GBJ84—85为国家标准,自一九八六年七月一日起施行。
本规范由公安部管理,其具体解释等工作由公安部四川消防科学研究所负责。
国家计划委员会一九八五年十二月六日编制说明本规范是根据国家计委计标发〔1984〕10号文的通知,由四川省公安厅会同北京市建筑设计院、城乡建设环境保护部建筑设计院、中国建筑西南设计院、四川省建筑勘测设计院以及公安部四川、天津消防科研所等七个单位派员组成的编制组共同编制的。
本规范共分七章和三个附录,其内容包括总则,建筑物、构筑物危险等级和自动喷水灭火系统设计数据的基本规定,消防给水,喷头布置,系统组件,系统类型和水力计算等。
在编制过程中,我们遵照国家基本建设的有关方针、政策和“预防为主,防消结合”的消防工作方针,进行了调查研究,总结了自动喷水灭火系统设计的实践经验,吸取了有关科研成果,参考了英、美、日、联邦德国、苏联等国家的自动喷水灭火系统设计、安装标准和资料,并征求了有关省、自治区、直辖市和一些部、委所属设计、科研、高等院校以及公安消防等单位的意见,反复讨论修改,最后会同有关部门审查定稿。
各单位在施行过程中,请结合工程实践,注意总结经验,积累资料,如发现需要修改和补充之处,请将有关资料和意见寄公安部四川消防科学研究所(四川省灌县),以便今后进一步修订。
公安部一九八五年十一月目录第一章总则第二章建筑物、构筑物危险等级和自动喷水灭火系统设计数据的基本规定第三章消防给水第一节一般规定第二节消防水池和消防水箱第四章喷头布置第一节一般规定第二节仓库的喷头布置第三节舞台、闷顶等部位的喷头布置第四节边墙型喷头布置第五章系统组件第二节阀门与检验、报警装置第三节监测装置第四节管道第六章系统类型第一节湿式喷水灭火系统第二节干式喷水灭火系统第三节预作用喷水灭火系统第四节雨淋喷水灭火系统第五节水幕系统第七章水力计算第一节设计流量和管道水力计算第二节减压孔板和节流管附录一名词解释附录二建筑物、构筑物危险等级举例附录三本规范用词说明第一章总则第1.0.1条为了保卫社会主义建设和公民生命财产的安全,贯彻“预防为主,防消结合”的方针,合理设计自动喷水灭火系统,减少火灾危害,特制定本规范。
自动喷水灭火系统安装工艺标准1 适用范围本工艺标准适用于建筑物、构筑物设置的自动喷水灭火系统工程的施工。
2 施工准备2.1材料要求:2.1.1 系统组件、管件及其它设备、材料,应符合设计要求和国家现行有关标准的规定,并应具有产品出厂合格证。
2.1.2 喷头、报警阀、压力开关、水流指示器等主要系统组件应经国家消防产品质量监督检验中心检测合格。
2.1.3 管材、管件外观检查应符合下列要求:1) 表面应无裂纹、缩孔、夹渣、折迭和重皮;螺纹密度封面应完整、无损伤、无毛剌。
2) 镀锌钢管内外表面的镀锌层不得有脱落、锈蚀等现象。
3) 法兰密封面应完整光洁,不得有毛剌及径向沟槽;螺纹法兰的螺纹应完整、无损伤。
2.1.4 一般常用材料:型钢,焊条,氧气,乙炔,厚漆,麻,聚四氟乙烯带,膨胀螺栓,密封垫,螺栓,螺母,机油,防腐漆,稀料,小线,铅丝,电池等。
2.2 主要机具:套丝机、砂轮锯、台钻、电锤、手砂轮、手电钻、电焊机、电动试压泵等机械。
套丝板、管钳、压力钳、链钳、手锤、钢锯、扳手、射钉枪、倒链、电气焊等工具。
钢卷尺、钢尺、角尺、油标卡尺、线坠、水平尺等量具。
2.3 作业条件:2.3.1 设备平面布置图、系统图、安装图等施工图及有关技术文件应齐全。
2.3.2 系统组管件及其它设备、材料,应能保证正常施工。
2.3.3 施工现场及施工中使用的水、电、气应满足施工要求,并应保证连续施工。
2.3.4 预留预埋应随结构完成;管道安装所需要的基准线应测定并标明:如吊顶标高、地面标高、内隔墙位置线等。
2.3.5 自动喷水灭火系统的施工应由通过专业培训、考核合格,并经审核批准的施工队伍承担。
3 操作工艺3.1 工艺流程:安装准备→管网安装→喷头安装→报警阀组安装→其他组件安装→系统调试。
3.2 安装准备:3.2.1 熟悉图纸并对现场复核管路、设备位置、标高是否有交叉成排列不当,及时与设计人员研究解决,办理洽商手续。
检查预埋件预留洞是否正确,需临时剔凿应与设计土建协商好。
3.2.2 安装前进埸设备材料检验:进埸设备材料规格、型号应满足设计要求:外观整洁,无缺损、变形及锈蚀;镀锌或涂漆均匀无脱落,法兰密封面应完整光洁,无毛剌及径向沟槽;丝扣完好无损伤;报警阀逐个渗漏试验,阀门、喷头抽样强度、严密性试验结果应满足施工验收规范规定。
3.3 管网安装:3.3.1 管网安装前应校直管子,并应清除管子内部的杂物;安装时应随时清除已安装管道内的杂物。
3.3.2 管子、管件应进行防腐处理。
当管子公称直径小于或等于100mm时,应采用螺纹连接;当管子公称直径大于100mm时,可采用焊接或法兰连接,焊口内外表面应作好防腐处理。
3.3.3 管子宜采用机械切割,切割面不得有飞边、毛剌;螺纹连接的密封填料应均匀附着在管道的螺纹部分;拧紧螺纹时,不得将填料挤入管道内;连接后,应将连接处外部清理干净。
3.3.4 当管道变径时,宜采用异径接头;在管道弯头处不得采用补芯;当需要采用补芯时,三通上可用1 个,四通上不应超过2 个;公称直径大于50mm的管道不宜采用活接头。
3.3.5管道的安装位置应符合设计要求。
当无设计要求时,管道的中心线与梁、柱、楼板等的最小距离应符合下表规定:3.3.6 管道支架、吊架、防晃支架安装应符合下列要求:1) 管道应固定牢固,管道支、吊架之间的距离不应大于下表规定:2) 管道支架、吊架的安装位置不应妨碍喷头的喷水效果;管道支架、吊架与喷头之间的距离不宜小于300mm;与末端喷头之间的距离不宜大于750mm。
3) 配水支管上每一道管段、相邻两喷头之间的管段设置的吊架均不宜少于 1 个;当喷头之间距离小于1.8m时,可隔段设置吊架,但吊架的间距不宜大于3.6 m。
4) 当管子的公称直径等于或大于50 mm时,每段干管或配水管设置防晃支架不应少于1 个;当管道改变方向时,应增设防晃支架。
5) 竖直安装的配水干管应在其始端和终端设防晃支架或采用管卡固定,其安装位置距地面或楼面的距离宜为1.5~1.8 m。
3.3.7 管道空过建筑物的变形缝时,应设柔性短管。
穿过墙体或楼板时应加设套管,套管长度不得小于墙体厚度,或应高出楼面或地面50 mm;管道的焊接环缝不得位于套管内。
套管与管道的间隙应用不燃材料堵塞密实。
3.3.8 横向管道安装宜设0.002~0.005的坡度,且应坡向排水管;当局部区域难以利用排水管将水排净时,应采取相应的排水措施。
当喷头数量小于等于5只时,可在管道低凹处加设堵头;当喷头当量大于5只时,宜装设带阀门的排水管。
3.3.9 配水干管、配水管应做红色或红色环圈标志。
3.3.10 管网在安装中断时,应将管道的敞口封闭。
3.3.11 水压试验:1)水压试验时环境温度不宜低于5℃,当低于+5℃时,水压试验应采取防冻措施。
2) 当系统工作压力小于或等于1Mpa时,水压强度试验压力应为设计工作压力的1.5倍,并不低于1.4Mpa;当系统设计工作压力大于1 Mpa时,水压强度试验压力应为该工作压力加0.4 Mpa。
3) 水压强度试验的测试点应设在系统管网的最低点。
对管网注水时,应将管网内的空气排净,并应缓慢升压,达到试验压力后,稳压30min,目测管网应无泄漏和无变形,且压力降不大于0.05 Mpa。
4)水压严密性试验应在水压强度试验和管网冲洗合格后进行。
试验压力应为工作压力,稳压24h,应无泄漏。
5) 气压严密性试验的试验压力应为0.28 Mpa,且稳压24h,压力降不应大于0.01 Mpa。
3.3.12 冲洗:1)管网冲洗所采用的排水管道,应与排水系统可靠连接,其排放应畅通和安全。
排水管道的截面积不得小于被冲洗管道截面面积的60%。
2)管网冲洗的水流速度不宜小于3m/s,其流量不宜小于下表规定:3) 管网冲洗应连续进行,当出口处水的颜色、透明度与入口处水的颜色基本一致时,冲洗方可结束。
4) 管网冲洗时的水流方向应与灭火时管网的水流方向一致。
5) 管网冲洗结束后,应将管网内的水排除干净,必要时可采用压缩空气吹干。
3.4 喷头安装:3.4.1 喷洒头支管安装:指吊顶型喷洒头的末端一段支管,这段管不能与分支干管同时完成,要与吊顶装修同步进行。
吊顶龙骨装完,根据吊顶材料厚度定出喷洒头的预留标高,按吊顶装修图确定喷洒头的坐标,使支管预留口做到位置准确。
支管管径一律为25mm,末端用25mm ×15mm的异径管箍口,拉线安装。
支管末端的弯头处100mm以内应加卡件固定,防止喷头与吊顶接触不牢,上下错动。
支管装完,预留口用丝堵拧紧。
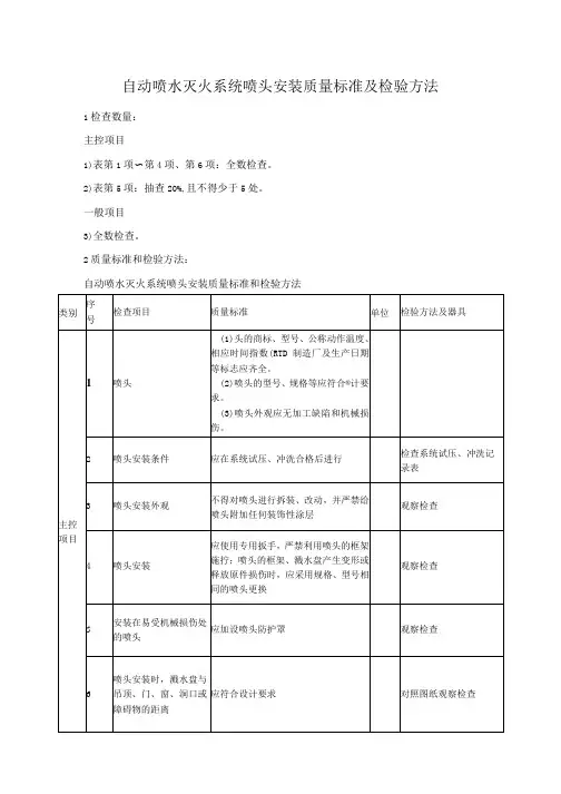
3.4.2 喷头安装:1) 喷头安装应在系统试压、冲洗合格后进行。
2) 喷洒头一般在吊顶面板装完后进行安装,安装时应采用专用扳手。
3) 安装在易受机械损伤处的喷头,应加设喷头防护罩。
4) 当喷的公称直径小于10mm时,应在配水干管或配水管上安装过滤器。
5) 喷头安装时,溅水盘与吊顶、门、窗、洞口或墙面的距离应符合设计要求。
6)当喷头溅水盘高于附近梁底或高于宽度小于1.2m的通风管道腹面时,喷头溅水盘高于梁底、通风管道腹面的最大垂直距离应符合下表规定:7) 当通风管道宽度大于1.2 m时,喷头应安装在其腹面以下部位。
8) 当喷头安装在不到顶的隔断附近时,喷头与隔断的水平距离和最小垂直距离应符合下表规定:3.5 报警阀组安装:3.5.1 报警阀组的安装应先安装水源控制阀、报警阀,然后应再进行报警阀辅助管道的连接。
水源控制阀、报警阀与配水干管的连接应使水流方向一致。
报警阀组安装的位置应符合设计要求;当设计无要求时,报警阀组应安装在便于操作的明显位置,距室内地面高度宜为1.2m;两侧与墙面的距离不应小于0.5m;正面与墙的距离不应小于1.2m。
安装报警阀组的室内地面应有排水设施。
3.5.2 报警阀组附件的安装应符合下列要求:1)压力表应安装在报警上便于观测的位置;2)排水管和试验阀应安装在便于操作的位置;3)水源控制阀安装应便于操作,且应有明显开闭标志和可靠的锁定设施。
3.5.3 湿式报警阀组的安装应符合下列要求:1)应使报警阀前后的管道中能顺利充满水;压力波动时,水力警铃不应发生误报警。
2) 报警水流通路上的过滤器应安装在延迟器前,而且是便于排渣操作的位置。
3.5.4 干式报警阀组的安装应符合下列要求:1)应安装在不发生冰冻的场所。
2)安装完成后,应向报警阀气室注入高度为50~100mm的清水。
3) 充气连接管接口应在报警阀气室充注水位以上部位,且充气连接管的直径不应小于15mm;止回阀、截止阀应安装在充气连接管上。
4) 安全排气阀应安装在气源与报警阀之间,且应靠近报警阀。
5) 加速排气装置应安装在靠近报警阀的位置,且应有防止水进入加速排气装置的措施。
6) 低气压预报警装置应安装在配水干管一侧。
7) 下列部位应安装压力表:报警阀充水一侧和充一侧;空气压缩机的气泵和储气罐上;加速排气装置上。
3.5.5 雨淋阀组的安装应符合下列要求:1) 电动开启、传导开启或手动开启的雨淋阀组,其传导管的安装应按湿式系统有关要求进行;开启控制装置的安装应安全可靠。
2) 预作用系统雨淋阀组后的管道若需充气,其安装应按干式报警阀组有关要求进行。
3) 雨淋阀组的观测仪表和操作阀门的安装位置应符合设计要求,并应便于观察和操作。
4) 雨淋阀组手动开启装置的安装位置应符合设计要求,且在发生火灾时应能安全开启和便于操作。
5) 压力表应装在雨淋阀的水源一侧。
3.6 其它组件安装:3.6.1水力警铃应安装在公共通道或值班室附近的外墙上,且应安装检修测试用的阀门。
水力警铃与报警阀的连接应采用镀锌钢管,当公称直径为15mm时,长度不应大于6m;当公称直径为20mm时,其长度不应大于20m。
安装后的水力警铃启动压力不应小于0.5Mpa。
3.6.2水流指示器的安装应在管道试压和冲洗合格后进行,水流指示器的规格、型号应符合设计要求。
水流指示器应安装在水平管道上侧,其动作方向应和水流方向一致;安装后的水流指示器浆片、膜片应动作灵活,不应与管壁发生碰擦。
3.6.3 信号阀应安装在水流指示器前的管道上,与水流指示器之间的距离不应小于300mm。
3.6.4 排气阀的安装应在系统管网试压和冲洗合格后进行;排气阀应安装在配水干管顶部、配水管的末端,且应确保无渗漏。
3.6.5 控制阀的规格、型号和安装位置应符合设计要求;安装方向应正确,控制阀内应清洁、无堵塞、无渗漏;主要控制阀应加启拳标志;隐蔽处的控制阀应在明显处设有指示其位置的标志。
3.6.6节流装置安装:节流装置应安装在公称直径不小于50mm的水平管段上;减压孔板应安装在管道内水流转弯处下游一侧的直管上,且与转弯处的距离不应小于管子公称直径的2倍。
3.6.7 压力开关应竖直安装在通往水力警铃的管道上,且不应在安装中拆装改动。