文件和资料控制程序
- 格式:docx
- 大小:21.36 KB
- 文档页数:4
德信诚培训网文件和资料控制程序龟形图过程识别:过程 区分顾客导向过程管理过程支持过程过程关联图使用什么方式? (材料/设备/装置) 资料室、档案柜、电脑、打印机、 纸张 资料员由谁进行? (能力/技能/知识/培训)输入 要求是什么? 待管理的文件 文件控制过程 过程名称输出 (要交付的是什么?) 文件、文件和资料登记 帐 、更改单、借阅登记 台账 、发放记录表;资 料销毁登记表如何做? (方法/程序/技术) 文件和资料控制程序使用的关键准则是什么? (测量/评估) 外来文件评审及时率更多免费资料下载请进:好好学习社区德信诚培训网文件和资料控制程序1 目的 确保公司所有内部文件、外部文件、图样与技术资料的准确性和统一性,使 公司所有与质量管理体系有关的文件、图样与技术资料的流通、应用、处理等得 到有效控制, 以控制与本质量管理体系要求有关的所有文件与资料,使所有持有 文件、 图样与技术资料的相关部门、 生产场所能及时获得有效的最新版本的文件、 图样与技术资料。
2 范围 本程序适用于本公司质量管理体系所涉及到的有关产品和原/辅材料的采 购、制造(包括设计/开发、样件生产、试生产、批量生产等) 、检验和试验及校 准、仓储、包装到交付各层段作业的所有文件、图样与技术资料和顾客、供应商 提供的相关文件、图样与技术资料及与国际/国家政府、安全和环保法规有关的 相关外部文件与资料的控制。
3 引用文件 QP-4.2-02 QP-7.1-01 4 术语和定义 体系管理文件:一层文件、二层文件、三层文件和四层文件为操作说明书、 检验标准/检验规程、操作标准/操作规程等。
一层文件:质量手册; 二层文件:程序文件; 三层文件:作业指导书(包括:操作说明书、检验标准/检验规程、操作标 准/操作规程、在过程中所需使用的工艺文件、工序卡片、图样与技术资料等) ; 技术文件: 指本公司内部编制的工程规范、 工程标准、 工作规范、 作业标准、 检查基准、图样、包装标准、工艺技术文件/顾客提供的图样、工程规范、工程 标准/技术标准、技术条件/协议、质量规范、检验规范、检验标准、电脑数据软 盘/软件、样品等和/或本公司与供应商签订的协议等。
1.目的对与质量体系有关的文件及资料的编制、审核、批准、接收、分发、更改、处理的控制,确保各相关场所使用有效版本的文件,并从分发和使用场所及时收回失效的文件以防误用。
2.范围适用于本公司质量体系有关的文件(一、二、三、四级文件)和资料(包括外来文件)的控制(不包括技术文件)。
3.职责3.1 质量部负责文件的审核、编号、发放、更改、废止及保存的管理;确保各部门使用的文件都得到审核与核准;确保各部门目前使用的文件均为最新版的文件;确保所有过期失效文件都及时销毁。
3.2 总经理负责批准一级文件(质量手册)、二级文件(程序文件)及各部门特殊之三级文件。
3.3管理者代表负责审核一、二级文件以及批准各部门之三级文件,各部门技术性文件以及图纸的管理由设计部、制造中心负责人根据《技术文件和资料控制程序》批准发布。
3.4各职能部门是文件和资料控制的配合实施部门,负责各自工作范围内的专用文件和资料收集、编制、使用和保管本部门的文件和资料。
4.名词解释4.1质量手册:对质量体系作概括表述、阐述及指导质量体系实践的主要文件,是企业质量管理和质量保证活动应长期遵循的纲领性文件。
4.2 程序文件:程序是为完成某项活动所规定的方法,描述程序的文件称为程序文件。
4.3作业指导书:为求产品制造标准化,制定其内容作为制造(管理)之依据,定名为作业标准或作业规范,以作为工作人员作业时之依据。
4.4表单:用于记录生产、管理、服务等方面工作的资料格式。
4.5 受控文件:已纳入公司文件系统并盖有“受控文件”红色印章的文件为受控文件。
4.6非受控文件:质量文件的参考资料或与产品品质无直接关系的文件。
分发以及回收时办理登记手续,修订时可不作版本控制,废止后按规定回收销毁。
4.7 外来文件:取自公司外部的法律法规、规范、标准、或客户提供的图片、规定等,被本公司用来作为质量管理体系流程中引用的标准,尤其是与产品要求有关的法律法规、国际国标文件、客户标准文件等。
1.0目的:确保质量体系所使用之文件及资料处理迅速、正确发行,使应用程序得以控制,确保各相关部门能及时获得有效之最新版本文件。
2.0范围:适用于质量管理体系有关之质量手册、程序文件、作业标准、质量记录、其它相关文件及有关外来文件之控制。
3.0定义:文件类别区分:3.1质量手册:对质量体系全面的概略的描述。
3.2程序文件: 具体、详细地说明各项质量活动(如文件控制、内部审核、管理评审等)进行的方法、步骤的管理文件。
3.3作业标准:指导各项具体作业的作业指导书,工艺操作规程、检验规程、技术图纸等技术文件及其他制度、规定等。
3.4质量记录:生产记录、校验记录、检验记录(报告)、运行保养记录等。
3.5外来文件:客户提供之图样、标准,以及本公司程序文件或作业标准所依据并引用之有关国家或行业标准。
4.0 职责:4.1人事行政部文件管理人员负责文件之编号、分发、回收、销毁等综合管理。
4.2各单位负责相关文件之撰写、会审、使用和保管及增修申请。
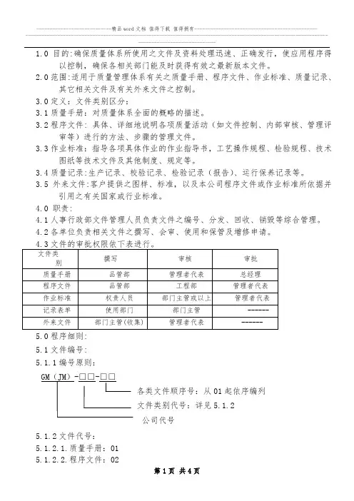
5.0程序细则:5.1文件编号:5.1.1编号原则:各类文件顺序号:从01起依序编列文件类别代号:详见5.1.2公司代号5.1.2文件代号:5.1.2.1.质量手册:015.1.2.2.程序文件:025.1.2.3.作业标准:035.1.2.4.记录表单:04,(各种表单编号、版次及保存期限由文控统一确定)5.1.2.5外来文件:W-□□□序号,从001开始5.2版本/版次:5.2.1第一次制订之原版以A/0表示,A版第一次修订以A/1表示,第二次修订以 A/2表示,依此类推。
5.2.2为避免版次修订次数太多,影响文件之真实内容,凡版次经5次修订后, 原制订单位应变更版本,发行第B版、C版……5.3文件制订、修订、废止作业:5.3.1文件之制订作业:5.3.1.1制定部门指定专人完成提案后视需要召集相关单位会审,无异议后,送人事行政部文件管理人员依文件编号规则予以编号印刷,并依4.3之规定送相关主管审批发行。
文件与资料控制程序心得文件与资料控制程序心得一、前言在现代企业中,文件与资料的管理是非常重要的一项工作。
良好的文件与资料控制程序可以有效地提高企业的生产效率和管理水平,减少不必要的损失和浪费。
本文将从以下几个方面对文件与资料控制程序进行探讨。
二、文件与资料控制程序的定义文件与资料控制程序是指为了确保企业内部各种文件和资料能够被及时、正确地处理和使用而采取的一系列管理活动。
三、文件与资料控制程序的重要性1. 提高工作效率:良好的文件与资料控制程序可以帮助员工及时获取所需信息,从而提高工作效率。
2. 降低成本:通过合理安排存储空间和建立合适的档案系统,可以避免因为过多或过少储存空间而造成不必要的成本支出。
3. 保护机密信息:合理使用密码保护等技术手段可以有效地保护机密信息不被泄露。
4. 遵守法律法规:良好的文件与资料控制程序可以确保企业在遵守相关法律法规方面不出现问题。
四、建立文件与资料控制程序的步骤1. 制定文件与资料控制政策:企业应该根据自身情况制定适合自己的文件与资料控制政策,明确管理目标和管理要求。
2. 设立档案室:档案室是文件与资料控制程序的重要组成部分,应该根据实际需要设立合适大小的档案室。
3. 建立档案系统:建立合适的档案系统可以帮助员工快速准确地找到所需文件和资料。
4. 建立安全保障机制:采取密码保护、备份等技术手段可以有效地保护机密信息不被泄露或丢失。
5. 建立使用规范:建立使用规范可以规范员工对于文件和资料的使用,避免不必要的损失和浪费。
五、文件与资料控制程序的实施1. 文件分类归档:按照一定标准将各种文件进行分类,并且在归档时进行编号、标识等操作,以便于后续查找和管理。
2. 文件检索服务:提供针对各类文献资源的检索服务,让用户能够快速获取所需信息。
3. 文件传输服务:为用户提供文件传输服务,让用户能够在不同的终端设备上进行文件传输和使用。
4. 文件备份服务:对于重要的机密信息,需要进行定期的备份操作,以便于防止信息丢失或泄露。
文件和资料控制程序1 目的对本公司质量管理体系文件和资料的形成、发放、保存进行有效控制,明确管理职责,确保体系运行过程中所使用文件的正确性、统一性和有效性。
2 范围适用于本公司质量管理体系中所有的内/外部文件和资料,包括系统文件、技术文件、表单记录、相关资料的管理和控制。
本程序规定的文件类型不包括公司制定的行政管理类文件(如规章制度、管理规定等),但这些文件可以参考本程序的要求进行管理和控制。
3 职责3.1技术科:对公司内所有受控文件发放、回收、销毁及原稿保存等事项负总责;3.2质检科:对公司内所有表单记录的收集、分类归档、销毁和保存等事项负总责;3.3各部门:负责各部门内部相关文件的编制、使用和管理,详见表1。
4 定义4.1 按管理方式按文件管理方式,可分为“受控文件”和“非受控文件”。
4.1.1受控文件:文件的编制、发放使用、修改、作废等都受到控制的文件,文件的持有者会随时收到该文件的更改信息。
受控文件应有名称、版本号、修改状态、受控标志等。
如:手册、程序文件、管理办法、制度、法规、标准、规范、作业指导书、图纸、流程图、工艺加工卡等。
4.1.2非受控文件:文件发放后不控制其使用、修改、作废、处置的文件,文件的持有者不会收到该文件的更改信息, 非受控文件应有名称、编号等标志。
如:一般的计划、通知、日常记录表单(╳╳登记表、╳╳记录表等)、清单、宣传资料等。
4.2 按类型(内容或来源)按类型可分为“外来文件”、“系统文件”、“技术文件”、“表单记录”、“资料”等,见下表1。
表1 文件和资料类型与职责部门文件类别 制定、变更、废止审核 批准发行编号标准化归档管理系统文件 方针、目标 总经理 高层管理 总经理质检科质检科 手册文件 质检科 高层管理 总经理程序文件 责任部门责任部门负责人总经理相关文件 责任部门责任部门负责人总经理技术文件 产品设计文件 技术科技术/质量负责人总经理技术科技术科 产品工艺文件 技术科技术/质量负责人总经理作业指导书 技术科生产/质量负责人总经理产品规范 技术科 技术负责人 总经理检验标准、规范 技术科生产/质量负责人总经理品质标准文件 质检科(采用)质检科负责人 / / 技术科表1 文件和资料类型与职责部门文件类别 制定、变更、废止审核 批准发行编号标准化归档管理外来文件 客户提供设计文件技术科(采用)技术科负责人 / 供应商提供资料 供应科(采用)供应科负责人 / 法律/法规资料劳资财务科(采用)劳资财务科负责人/相关记录表单 责任部门 责任部门负责人/质检科质检科资料 责任部门 责任部门负责人/责任部门4.2.1外来文件:指取自外部的法规、规范或标准等,被本公司需要用来在质量管理体系运行中引用的文件。
文件和资料控制程序1.目的对与质量体系有关的文件和资料进行控制,确保各有关场所使用的文件均为有效版本。
2.适用范围适用于质量体系有关的文件和资料的控制,包括公司文件资料和部门文件资料的控制活动。
3.职责3.1质量手册和程序文件由总经理组织有关部门进行编写;3.2质量体系的支持性文件(规范)由相关部门编制,部门经理审核,总经理批准。
3.3质量记录模版和技术文件由各职能部门组织编制,各部门经理审核、批准。
3.4办公室负责质量体系文件发放、更改、回收和管理。
3.5办公室负责除顾客提供的技术文件之外的外来文件的收集、保存和借阅。
3.6各职能部门负责顾客提供的技术文件的管理,负责本部门质量记录和技术文件的发放、更改、回收和管理。
4.工作程序4.1受控文件的分类4.1.1本公司受控文件包括:(1)质量体系文件:质量手册、程序文件、规范和其它质量文件;(2)技术文件:项目实施过程中产生的技术性文件;(3)外来技术文件:项目实施过程中所依据的资料。
4.1.2办公室负责质量体系文件的管理;各职能部门负责技术文件的管理;受控质量体系文件必须由办公室在其封面或首页加盖“受控”印章;其他受控文件用【受控文件清单】的形式进行控制。
4.1.3受控文件的编号受控文件的编号参见《文件编号规则》。
4.2文件的编写4.2.1质量手册、程序文件由总经理组织本公司各部门编写;质量体系的支持性文件(规范)由相关部门编写。
4.2.2各职能部门负责组织编写本公司产品所使用的技术文件。
4.3文件的审批4.3.1质量手册由总经理审核、批准;程序文件及支持性文件(规范)由相关部门编制,部门经理审核(如文件编制人为部门经理,则由管理者代表审核),总经理批准。
4.3.2技术文件拟定者对技术文件的准确性、可靠性、安全性、完整性、经济性等方面负责。
4.3.3技术文件由各职能部门经理审核批准并对技术文件的正确性、技术要求的合理性、完整性、齐套性、协调性、形式格式以及贯彻标准法定计量单位使用的正确性等负责;并对技术文件完整性、齐套性、协调性以及形式格式负责。
外来文件和资料控制程序一、目的为了确保公司能够有效地识别、获取、登记、分发、使用、保存和处置与公司业务相关的外来文件和资料,保证其适用性、有效性和完整性,特制定本控制程序。
二、适用范围本程序适用于公司所有部门和场所,包括但不限于办公室、车间、仓库、实验室等,涉及的外来文件和资料包括法律法规、标准规范、客户提供的文件和资料、供应商提供的文件和资料等。
三、职责分工1、综合管理部门负责制定和修订外来文件和资料控制程序,并监督其执行情况。
负责收集、识别和登记国家和地方发布的法律法规、政策文件等外来文件。
负责与相关部门沟通协调,确保外来文件的及时更新和有效传递。
2、技术部门负责收集、识别和登记与产品技术、工艺、质量等相关的标准规范、技术文件等外来文件。
负责对技术类外来文件的适用性进行评估和审核,确保其符合公司的技术要求和生产实际。
3、市场营销部门负责收集、识别和登记客户提供的订单、合同、技术要求、图纸等外来文件和资料。
负责与客户沟通协调,确保客户提供的文件和资料的完整性和准确性,并及时传递给相关部门。
4、采购部门负责收集、识别和登记供应商提供的产品说明书、质量证明文件、检验报告等外来文件和资料。
负责与供应商沟通协调,确保供应商提供的文件和资料的真实性和有效性,并及时传递给相关部门。
5、其他部门负责收集、识别和登记与本部门工作相关的外来文件和资料,并按照规定的程序进行处理和传递。
四、外来文件和资料的分类1、法律法规类国家和地方颁布的与公司业务相关的法律、法规、条例、规章等。
2、标准规范类国际标准、国家标准、行业标准、地方标准等。
与产品技术、工艺、质量、安全、环保等相关的规范、规程、指南等。
3、客户提供类客户订单、合同、技术要求、图纸、样品等。
4、供应商提供类供应商产品说明书、质量证明文件、检验报告、资质证书等。
5、其他类行业协会发布的通知、公告、调研报告等。
专业机构发布的技术报告、研究成果等。
五、外来文件和资料的获取1、各部门应通过以下途径获取外来文件和资料:政府部门网站、行业协会网站、标准发布机构网站等官方渠道。
文件与资料控制程序编号:ZB-QESP-011、目的对管理体系所要求的文件予以控制,确保在使用处可获得适用文件的有关版本,防止使用失效或作废的文件。
2、适用范围适用于公司质量、环境、职业健康安全管理体系有关文件的控制。
3、职责3.1人力行政部为本程序主管部门,负责公司行政文件管理、管理手册、程序文件修改、发放的管理控制。
负责归档文件的管理。
3.2工程部负责技术文件,包括适用标准规范的管理。
3.3工程部负责环境和职业健康安全相关文件,包括适用法律法规和其他要求的管理3.4 各部门负责相关文件的编制、及本部门使用文件的保管。
4、内容与要求4.1文件的分类(1)按文件类别分:见《管理手册》3.3.3;(2)按文件来源分:内部文件、外来文件;(3)按文件受控状态分:受控文件、非受控文件。
4.2文件编号4.2.1文件的编码(1)管理手册的编号ZB-QESM-1XX-XXXXXXXXXXXXXXX有限公司的缩写QESM—质量环境职业健康安全管理手册的英文缩写;1.0—版本号,1.0版。
(2)程序文件的编号例:ZB-ZB-QESP-02ZB-ZB-QESP-02—第二个程序文件;1.0—版本号,1.0版。
(3)三层次文件(国家/行业/地方标准延用原有编号):ZB-WI—XXWI—三层次文件名称中的关键词的拼音缩写。
XX-按顺序编号4.3 文件编制和审批(1)《管理手册》由管理者代表组织有关部门或人员编制并审核,总经理批准;(2)作业指导性文件,由各职能部门组织编制,部门负责人审核,管理者代表批准;(3)行政管理性文件,由各职能部门按管理职责编制,主管领导和人力行政部负责人审核,总经理批准。
4.4 文件发放及控制(1)管理体系文件(手册、程序文件),由人力行政部发放。
发放时标注分发号、受控状态;(2)作业指导文件、各部门编制的专业管理性文件由各部门发放,发放时标注分发号、受控状态;行政管理文件由人力行政部发放;(3)文件发放部门填写“文件发放记录”。
1.0 目的确立文件管理系统,使文件规范化,保证适当的文件发放至相关的部门和使用者,使质量管理体系得以有效运作。
2.0 合用范围与质量相关的所有内外部文件。
3.0 相关文件无4.0 定义内部文件:质量管理手册、程叙文件、作业指导书、工艺卡、表格等。
外部文件:国家标准及客户发放的所有影响产品质量的文件。
QM:质量管理手册,是质量管理体系的第一级文件,是阐述公司的质量文件,并描述质量管理体系的文件。
CP:程叙文件,是质量管理体系的第二级文件,是描述一个部门或者多个部门需共同配合完成某项工作时应遵循的规则性文件。
WI:作业指导书,是质量管理体系的第三级文件,是描述一项工作或者一个工位由何人在何地方采取何方法以达到何效果的指导性文件。
QP:质量计划,是质量体系的第三级文件,是针对特定的产品,项目或者合同,规定专门的质量措施、资源和活动顺序的文件。
DCR:文件更改申请。
5.0 职责5.1 体系部负责人编制 QM,管理者代表审核,总经理批准;5.2 各部门负责人编制 COP,体系部负责人审核,管理者代表批准;5.3 质量计划由品质部/项目负责人编制,副总经理审核,总经理批准;5.4 检验类文件由品质部编制、研发部审核,品质部负责人批准;5.5 生产类作业指导书由研发部编制、生产部审核、研发负责人批准;5.6 部门内部管理类作业指导书由各部门编制,行政部审核,由副总经理批准;5.7 跨部门管理类文件由本部门编制、行政审核,由管理者代表批准;版权所有© 2022XXXX 有限公司,未经许可不得复制,传播5.8 BOM 表是由品质部编制,研发部负责人审核,副总经理批准;5.9 工艺控制流程(QC 工程图),由品质部编制,研发部审核,品质部负责人批准。
5.10 岗位说明书由各部门编制,行政部负责人审核,直属上级批准;5.11 文件发放/更改体系部负责人审核,管理者代表批准;5.12 各相关部门:负责本部门各种文件的拟定,并监督其切实执行;5.13 文控中心:负责全厂所有受控文件的发放、保管、回收、销毁等工作,使各部门能及时得到有效文件的支持。
文件与资料控制程序心得总结文件与资料控制程序心得总结引言:文件与资料控制程序是组织中非常重要的一部分,它可以确保文件和资料的安全性、可用性和有效性。
本文将深入探讨文件与资料控制程序的多个方面并总结各个方面的心得体会。
一、文件与资料控制程序的重要性及背景介绍(100字)文件与资料控制程序在现代组织中扮演着至关重要的角色。
它们有助于确保组织中的文件和资料的完整性、准确性和安全性,并提供及时访问以支持决策和业务运营。
通过合理的控制程序,组织可以降低错误和遗漏的风险,促进知识共享和合作,提高工作效率。
二、文件与资料控制程序的要素(200字)在实施文件与资料控制程序时,以下要素至关重要:1. 文件分类与标识:确保文件有适当的标签和分类,方便存储和查找;2. 存储与保护:选择适当的存储介质和设备,确保文件安全、可靠地存档,并进行定期备份;3. 文件访问权限:为不同角色和职位的员工分配适当的文件访问权限,以保护敏感信息;4. 文件检索与归档:确保文件可以轻松检索和归档,提高工作效率和文件利用率;5. 文件销毁与清理:定期检查过期和无用的文件,并进行安全销毁或清理,以避免信息泄露。
三、文件与资料控制程序实施的挑战(200字)在实施文件与资料控制程序时,组织可能面临以下挑战:1. 技术挑战:选择适当的技术解决方案,并确保其与组织的信息系统和流程相集成;2. 组织文化挑战:改变组织成员的习惯和行为,并建立起正确的文件管理文化;3. 法律合规挑战:遵守相关的法律法规,例如个人隐私保护和数据保护法;4. 知识管理挑战:将文件与资料整合到知识管理系统中,实现知识的共享与传承。
四、文件与资料控制程序的影响与好处(200字)实施有效的文件与资料控制程序会带来以下好处:1. 提高工作效率:文件的分类、存储和检索变得更加高效,减少了浪费时间寻找文件的情况;2. 降低错误和遗漏:通过严格的控制程序,避免了因错误或遗漏造成的风险和损失;3. 促进知识共享与合作:文件的规范化和共享,有助于跨部门之间的知识共享和合作;4. 提升组织形象:建立良好的文件和资料控制程序,可以提升组织形象,增强客户和合作伙伴的信任感。
1.0 目的:为公司质量管理体系运行的相关文件和资料控制提供系统的指导,确保文件控制中心(简称DCC)有效作业。
2.0 范围:此文件适用于公司所有体系文件和资料的控制,涉及生产部,采购部,工程部,工模部,客服等职能部门。
2.1 质量手册2.2 程序文件2.3 工作指引、产品图纸、检验指引2.4 外部文件,如:国家/国际标准、客户图纸/规格及客户要求和标准2.5 质量记录(质量记录控制参照《质量记录控制程序》2.6 电子文件和数据,包括各类软件和系统登陆密码及文件和数据软拷贝2.7 公司内部其他管理文件如: 制度、员工手册3.0 受控方式:4.0 工作流程图受控方式外来文件内部文件受控方式盖“外来文件”章签名/《体系文件批准记录》盖“正本文件”章盖“正本文件”章盖“受控文件”章盖“受控文件”章5.0 工作流程图及职责:5.1 文件新增,修订或废止的发起5.1.1 公司内任何人均可提出新增或修订文件,但必须征得本部门和文件拥有部门负责人的同意;5.1.2 只有文件的拥有部门才可对其所发行的文件提出废止;5.2 文件的新增和修订5.2.1 管理者代表负责质量手册/质量方针/质量目标的修订;5.2.2 使用部门负责所需文件的起草的修订;5.2.3 新增和修订文件时,须确保文件既符合ISO9001要求,又符合公司实际运作要求;5.2.4 文件应使用DCC受控的格式,并在修订时注明修订历史;5.2.5 文件版本格式为:A,B,C,……X,Y,Z等,如Z版还需升级则可重新编制版本为A,依此类推;5.3 文件的批准和受控5.3.1 质量手册/质量方针/质量目标直接由总经理在原件上签名以示批准,按“正本文件”受控;5.3.2 程序文件由主管该程序的部门负责人制定,并填写《体系文件批准记录》表,送交相关部门负责人实施审核,最后由管理者代表或总经理批准,按“正本文件”受控;5.3.3 生产/品质部门制订的产品图纸、工作指引、检验标准、控制计划等操作性指引,制作后直接交相关职能的工程师审核,由发文部门负责人批准;产品图纸和工作指引由品质工程师或以上人员审核,检验标准和控制计划由生产工程师或以上人员审核,直接在原件上签名以示审核/批准;原件按“正本文件”受控,复印件按“受控文件”受控;5.3.4 其它管理职能,如采购,物控,仓储,财务,人事,市场等使用的文件或制度直接由该部门审核,总经理批准;必要时,填写《体系文件批准记录》表,经相关部门负责人实施审核,再予批准;原件按“正本文件”受控,复印件按“受控文件”受控;5.3.5 市场部收到客户图纸及技术规范,交工程部确认,经DCC盖蓝色“外来文件”印章,并签名,以示批准;工程部确认可正式发行的,DCC对原件按“正本文件”受控,复印件按“受控文件”受控;如不可正式发行,仅供样板制作或其它用途,按“参考文件”受控;涉及工程更改,按《工程更改控制程序》执行;5.3.6 其它部门收到的外来文件,如国际或国家标准,由主管的部门确认,经DCC盖蓝色“外来文件批准章”,并签名,以示批准;原件按“正本文件”受控,复印件按“参考文件”受控;5.4 文件的分发和回收5.6.1 所有经批准的文件均由发文部门提交给DCC分发,并在《文件分发一览表》中记录; DCC将文件及时发放到相关部门/人员;5.6.2 质量手册和程序文件不再发放受控文件,使用时可直接在DCC公共磁盘中查看;5.6.3 文件使用部门在接收经更新的文件时,必须将盖有“受控文件”印章的旧文件退回DCC,并做好回收记录;当参考文件涉及版本更新时,也须将旧版本文件退回DCC,并记录;5.6.4 DCC应编制并维护,应包括文件最新版本编号,文件编号及文件名称和发文部门;5.6.5 因破损而重新领用的文件,应收回原来的旧文件;因丢失而补发的文件,在其部门负责人签发后,经管理者代表批准,可重新发放,不得自行复印受控图纸;5.5 文件的保管和维护5.7.1 所有经DCC发放的文件须保留正本,无论是否已作废;已作废的正本应盖“失效文件”印章,在DCC保留3年; 已失效的受控文件及参考文件须以明确的方式识别,如划线/盖章,以防误用;5.7.2 DCC负责正本文件/国际和国家标准的保管和维护;使用部门负责所使用受控文件的保管和维护;5.7.3 文件保管场所应防火防潮防盗;5.7.4 所有文件的电子档案均存放于DCC公共磁盘的分目录中,由DCC随时更新;5.7.5 任何人不得在受控文件上乱涂画改,不准私自外借,确保文件的清晰、易于识别和检索;5.7.6 失效文件的再次启用必须由相关部门重新评审;5.6 文件的培训5.4.1 参加审批的人员和使用部门均可提出培训要求,由文件起草部门负责相关的培训;5.4.2 生产现场的各类工作指引和规范必须在正式生产前完成培训;5.7 文件的评审4.5.1 公司通过持续的内部质量体系审核,以及通过培训和操作中的使用对文件实现评审;6.0 参考程序:6.1 质量记录控制程序7.0 附件印章类7.1 “正本文件”印 (蓝色)7.2 “受控文件”印 (红色)7.3 “参考文件”印 (红色)7.4 “失效文件”印 (红色)7.5 “外来文件”印 (蓝色)。
文件和资料控制程序 Document number:NOCG-YUNOO-BUYTT-UU986-1986UT1.目的为了对公司各类文件和资料进行有效管制,统一文件格式,规范文件的制定、修改、发放、废止等管理,确保文件正确、完整、有效,特制定本程序。
2.适用范围适用于公司行政发文、程序文件、作业指导书,各类规章制度、各类检验标准、工作指引、记录表单及外来文件的管理等。
3.定义文件分类:红头文件:包括公司组织机构、人事任免、重大决策及重要管理事项等。
一级文件(A):公司章程、体系手册等公司纲领性文件。
二级文件(B):管理控制程序、业务流程性文件。
三级文件(C):管理规章制度、操作规程、作业指导书。
(D):检验标准、产品规范。
四级文件(管理表单):用来记录管理过程的表单,作为QEO管理的追踪和检索的工具。
临时性文件(E):包括通知、通告、暂行办法、暂行规定、部门沟通联络文件等。
外来文件(F):包括地方政府、主管部门、行业管理相关文件,顾客或供应商提供的资料、图纸及有关的行业标准等。
文件分为受控文件及非受控文件:受控文件:即要求文件的分发、修订或更改均须按书面规定程序进行控制,保证文件始终反映现行要求,受控文件须加盖“受控文件”印章,且经相关人员会签。
包括:管理手册、程序文件、作业指导书、MSDS文件、职务说明书、经识别的外来文件、记录表单类文件等。
非受控文件:若有新的版本发出,旧的版本文件无需更新,被列为非受控文件,且禁止作为产品生产、开发及经营之用。
4.工作职责文件的审查、批准权限为:文件的发布、回收、作废、销毁及控制,由文控中心负责。
文件使用管理:各部门主管负责管理本部门现场使用的文件和资料,确保文件及记录的正确、完整及安全性。
5.工作程序图:6.程序说明体系文件的制定(编号、内容框架、格式要求)、发布应严格控制,禁止无编号、内容不全、格式不按要求制定的非受控文件在工作现场使用。
文件制定的要求:类文件:公司章程按工商行政管理局的相关条文制定、体系手册按最新的QEO 体系标准要求制定。
1目的为质量环境体系文件的管理提供一套系统的控制方法,确保各有关场所使用的文件为有效版本。
2 适用范围适用于本公司质量环境体系文件的控制,如质量手册、环境手册、程序文件、技术文件、三级文件等。
3 定义3.1技术文件:包括工程图样、工程标准、产品规格书、材料规范、FMEA、控制计划、操作规程、作业指导书等以及分供方提供的资料、国家行、企业标准。
3.2三级文件: 指各部门编制的具有指导性的文件(A类文件),如:计划、操作规程、管理守则等。
3.3受控文件:包括《质量手册》、《环境手册》、《程序文件》、技术文件及三级文件。
4 职责4.1体系办负责《质量手册》、《环境手册》、《程序文件》的发放、更改控制和管理、环境法规及其他要求的发放和管理。
4.2工程部负责技术文件的发放、更改控制和管理;4.3各部门负责对本部门的专用文件和资料的发放、更改控制和管理。
5 内容5.1文件的编制与审批5.1.1《质量手册》、《环境手册》、《程序文件》由体系办及总经理授权人员编写,管理者代表审核,总经理批准后发行。
5.1.2各类作业指导书、操作规程、校验方法及保养规则由工程部负责人员编写,工程部经理批准后发放。
5.1.3 检验作业指导书及试验规程由质量部主管根据工程部所发的技术资料编写,质量部经理批准后发放。
5.1.4 各部门A类文件由各部门指定人员编写,经部门经理批准后执行。
5.1.4.1 A类文件应注明版本、受控号、拟制/日期、批准/日期。
5.1.4.2 A类文件的受控号编定规则见《质量记录控制程序》中5.2.2。
5.2文件的接收与发放5.2.1《质量手册》、《环境手册》、《程序文件》、环保法规及其他要求由体系办人员负责发放至各部门。
5.2.2 外来技术文件由工程部文控员负责接收并填写《文件接收一览表》及《外来文件审批处理单》,经工程部经理审批后传阅相关人员处理及发放相关部门。
5.2.3 对新购买的(或其它渠道获取的)国家行、企业标准应由购买(使用)部门进行接收登记。
文件与资料控制程序心得分享文件与资料控制程序心得分享导言:文件与资料控制程序是各个组织和机构无法忽视的重要管理工具。
不仅能够提高工作效率和协作水平,还能够保证重要信息的安全性和可追溯性。
在本文中,我将分享我在研究和应用文件与资料控制程序方面的心得体会。
一、为什么需要文件与资料控制程序在现代社会中,大量的文件和资料不断产生和流转。
适当的文件与资料控制程序可以帮助我们管理这些信息,并确保其可靠性和可用性。
具体来说,文件与资料控制程序有以下几个重要作用:1. 提高工作效率:通过规范流程、标准化文件命名和归档方法,可以减少查找和整理文件的时间,提高工作效率。
2. 促进协作和沟通:文件与资料控制程序能够确保信息准确传达和沟通,确保团队成员在合适的时间获取到所需信息,促进协作和沟通。
3. 维护信息安全和可追溯性:文件与资料控制程序可以设置权限和访问控制,确保信息的安全性;通过记录和追踪文件的流转和变更历史,可以保证文件的可追溯性。
二、构建有效的文件与资料控制程序的关键要素要构建一个有效的文件与资料控制程序,以下几个要素需要得到充分考虑:1. 文件分类和命名:合理的文件分类和命名规范是有效管理文件与资料的基础。
根据不同的业务需求和信息属性,可以将文件分为不同的类别,并为每个文件制定清晰明确的命名规则,以便于索引和检索。
2. 文件存储和归档:选择适合的存储介质和设备,建立清晰的档案存储系统。
根据文件的重要性和访问频率,制定不同的归档策略,确保易用性和安全性。
3. 文件权限管理:合理设置文件的权限,确保只有授权人员可以访问敏感信息,并记录每个文件的访问历史和操作记录。
4. 文件备份和恢复:制定定期的文件备份计划,确保数据的完整性和可恢复性。
建立紧急情况下的文件恢复策略,以防止数据丢失或损坏。
5. 文件更新和版本控制:建立文件的更新和版本控制机制,确保每个文件的变更历史被记录和跟踪,便于追溯和审计。
6. 培训和宣传:组织内对文件与资料控制程序进行培训和宣传,提高员工的意识和参与度。
文件和资料控制程序
1、目的
本程序规定了环境体系文件的编写、批准、发放、回收、使用、评审、修改、保管及销毁的方法。
使体系文件处于受控姿态,以保证其有效性、持续适用性。
2、范围
本公司环境体系有关的文件。
3、职责
3.1总经办负责组织体系文件的编写、评审、修改、发放、回收等管理工作。
3.2环境手册、程序文件由总经理批准实施。
3.3每三层文件有相关部门编写,环境管理者代表批准实施。
4、工作程序
4.1编写:
4.1.1总经办负责环境管理手册、程序文件的编写工作。
4.1.2各相关部门负责编写第三层文件,技术部负责政策法规的获取。
4.2批准:
4.2.1环境管理手册、程序文件由总经理批准。
4.2.2第三层文件由管理者代表批准。
4.3发行回收与使用
4.3.1环境管理手册、程序文件发行由总经办负责,第三层文件发行由相关职能部门负责。
受控文件发放加盖“受控章”,并有统一编号,发放要有发放签收记录。
4.3.2编号:环境管理手册按照
程序文件发放按
第三层文件按
政策法规按
4.3.3“受控”文件发放范围为公司内部。
“不受控”文件发放范围评审机构。
4.3.4各部门现场使用的文件必须有“受控”标记的有效版本。
4.3.5发行新文件同时,回收旧版本,(若对于法律或积累知识需要而保留旧文件,应注明“作废”、“回收保留”等方式明确标识以区别。
4.4评审、更改:
4.4.1每年底由总经办组织对文件评审,原编写部门按评审结论进行修改,并按原审批。
4.4.2管理评审对文件提出修改意见要求时,原文件编制部门按原程序修改。
4.4.3原文件编写部门有修改要求时,可以组织修改,按原审批程序审批(当使用者有修改要求时,可以向原编写部门申请。
4.4.4更改方式:
修改内容以文件变更通知单的方式通知原文件持有部门。
变更内容大时更换版本。
4.5文件保管
4.5.1环境管理手册、程序文件接收者保管,第三层文件原稿由发放部门保管,法规原稿由获取部门保管,以上保管期限为长期。
4.5.2各使用现场,受控文件,由现场负责人保管。
4.5.3受控文件原稿保管部门必须建立本部门的发放受控文件目录或一览表。
4.6旧版本受控文件销毁
4.6.1因更换版本,从现场回收的受控文件,由回收部门立即销毁。
4.6.2更换版本后,旧版本的原稿由保管部门保存一年后销毁。
4.6.3方式:打碎或焚烧。
5、相关文件
5.1文件发放登记记录
5.2文件更改通知单
文件更改通知单。