物业公司项目经理绩效考核指标量表
- 格式:doc
- 大小:138.50 KB
- 文档页数:12
物业项目经理岗位绩效考核表
岗位不得分。
上级临时交办工作完成质量符合要求得满分,存在质量问题每次扣1分,最多扣2分。
数据填报及时准确得满分,每次填报延误或错误扣0.5分,累计扣完为止。
部门培训课时达标得满分,不达标不得分;个人参加培训课时达标得满分,不达标不得分。
全体新员工在试用期安排专人指导,试用期满符合上岗要求得满分,未安排指导或不符合要求不得分。
内部流程无投诉得满分,有一起有效投诉得2分,有两起有效投诉不得分。
超出预期完成上级领导交办的各项临时工作可获得满分。
能够按时按质完成上级领导交办的各项临时工作则可获得4分,未完成的上级领导交办的各项临时工作不得分。
如果管理处员工离职率在指标值之内且当月无员工辞职,则可获得加2分。
为公司培养一名主管以上管理人员可获得管理处主任嘉奖4分,主管嘉奖2分;培养一名普通员工可获得管理处主任嘉奖2分、主管嘉奖1分。
年度培训达标率是评分的一个重要指标。
新员工培训也是评分的一个重要指标。
临时性交办工作的完成情况也会影响评分。
如果员工辞职率低,则可获得加分。
人才培养是公司的重要任务,对于成功的人才培养也会给予加分。
财务管理方面,如果日常财务基础管理全部符合要求,则可获得加1分;如果还有创新,则可获得加2分。
总评分为100分,以上各项指标都会对评分产生影响。
物业经理岗位绩效考核表
物业经理岗位绩效考核表
部门:物业服务中心 被考核岗位:物业经理 被考核人:
项目 序号 考核指标 目标值 分值 达成情况 考核得分KPI
(70%)
1 经营目标 完成利润 元/月 9
2 物业管理费收缴率 >99% 9
3 有效投诉处理及时率 100% 7
4 影响电梯正常运行的故障 无 7
5 重大安全消防责任事故 无 7
6 业主对物业管理服务质量的综合满意率 >95%
7 7 全年非预期性的停水、停电 各不超过2次 6
8 关键员工流失率 流失率控制在1%以内 6
9 对下属绩效考核 及时、公平、公正,做好业绩沟通 6 10 管理处内部管理 本部门的规章制度规范,工作流程顺畅 6 工作态
度(10%)
1 向公司汇报工作 及时准确
2 2 关注公司长期的发展方向及长期目标的实施 非常关注,有具体的建议与措施 2
3 严守期限达成目标 按期完成 3
4 遵守上级指示 严格遵守、严格执行 3 工作能
力(20%) 1 策划力 具有成功策划本物业管理处的相关方案或活动,并达到预期目标的能力 4 2 协调力 具有与公司、各部门、各管理处及物业行业内外专业机构、主管部门保持良好的沟通能力 4 3 应变力 具有妥善处理物业管理中
有关紧急及突发事件的能力
3
4 表达力 具有良好的文字写作能力,善于与人沟通 3
5 执行力 具有效贯彻落实公司的各项指示及政策方针的能力 3
6 创新力具有对物业管理运作及运用资源进行营运有独到见解,并提出可操作性方案的能力
3
总计考核得分
被考核人确认:考核人确认:。
物业项目经理绩效考核表物业项目经理绩效考核表序号。
扣分标准。
考核事项1.8-18.准被物价部门认定乱收费的;2.8-18.对业主、使用人的投诉置之不理,经查证属实的;3.8-18.因管理失职造成严重事故的;4.8-18.利用管理职权擅自改变物业共用部位、共用设施设备用途的;5.8-18.在物业服务合同范围内,被新闻媒体负面报道,经查证属实影响较大的;6.8-18.不服从政府管理部门对重大及突发事件应急处置工作统一领导、指挥和协调,未及时组织开展应急处置和善后工作的;7.8-18.参加物业管理招投标活动时有违法违规行为的;8.8-18.阻碍业主大会、业主委员会正常开展工作的;9.8-18.不依法向新聘物业企业、业主委员会或街道办事处(乡镇人民政府)移交有关资料,经物业主管部门督促后,拒不整改的;10.5-8.未按约定发放装修须知或将装修禁止行为和注意事项告知业主或使用人;发现业主或使用人有法律、法规明文禁止的行为,未予劝阻制止,并督促改正;业主或使用人违规拒不改正,未及时告知业主委员会并报所在地相关行政主管部门的。
11.5-8.收取物业服务费、特约服务费、汽车停放费等不出具有效收费凭证的;12.5-8.未在显著位置公示项目经理姓名、照片、联系电话,以及报修电话、企业监督电话、监管部门投诉电话和物业服务承诺的;13.5-8.未按规定或约定定期如实公示物业服务费和经营设施收益收支情况、公共水电费分摊情况的;14.5-8.消防、电梯、压力等未按规定实施专业化维保,造成相关系统不能正常运行使用的;15.5-8.对在管项目范围内违章搭建(含本人接管前原有违建)未书面劝告违建业主拆除并向属地街道/乡镇及城管部门书面报告的;接管项目后新违建行为因劝阻、制止不力,且不积极向属地街道/乡镇、相关部门报告而造成违建建成的加重扣分;16.5-8.电梯未按规定通过年检,电梯呼叫报警装置失效或电梯无法正常运行的;17.5-8.物业环境脏、乱、差,业主日常生活受到较大影响的;18.5-8.经查实,业主或使用人对同一事项2次以上有效投诉得不到解决的;19.5-8.未经有关部门委托或非有关部门原因,擅自停水停电,影响业主生活的;20.5-8.未按约定提供值班、巡逻服务或值班巡逻记录不实的。
项目经理绩效考核指标量表引言本文档旨在为项目经理绩效考核提供一个指标量表,以便对项目经理的工作表现进行全面评估。
指标量表的设计基于项目经理的职责和任务,并旨在反映项目经理在项目策划、执行和交付方面的绩效水平。
考核指标下面是一些可以用于项目经理绩效考核的指标:1. 项目规划与组织能力- 是否能够制定详细的项目计划,包括任务分配、时间表和资源分配等。
- 是否能够组织团队有效协作,确保项目目标的达成。
2. 项目执行与监督能力- 是否能够有效执行项目计划,管理项目进度和资源。
- 是否能够监督项目进展,及时发现和解决问题。
3. 团队领导与沟通能力- 是否能够有效领导团队,激励成员发挥潜力。
- 是否能够与项目团队和相关利益相关者进行高效沟通,确保信息流畅。
4. 风险管理与问题解决能力- 是否能够及时识别和评估项目风险,并制定有效的风险应对策略。
- 是否能够迅速解决项目中的问题和挑战,确保项目顺利进行。
5. 成果交付与质量控制能力- 是否能够按时交付项目成果,并确保其质量符合要求。
- 是否能够有效控制项目进度和成本,以避免延迟和超支。
考核评分对于每个考核指标,可以采用一个等级评分体系,如下所示:- 优秀:在该指标上表现出色,超出预期水平。
- 良好:在该指标上表现良好,达到预期水平。
- 一般:在该指标上表现一般,需要有所改进。
- 不足:在该指标上表现不足,需要重点改进。
根据各个指标的权重和评分,可以计算出项目经理的总体绩效评分。
结论项目经理绩效考核指标量表是对项目经理工作表现进行评估的有力工具。
通过综合考核各个指标的表现,可以客观地评估项目经理的绩效水平,并为相关决策提供参考依据。
项目经理可以通过不断学习和改进,提升自身的绩效,在项目管理领域取得更好的成果。
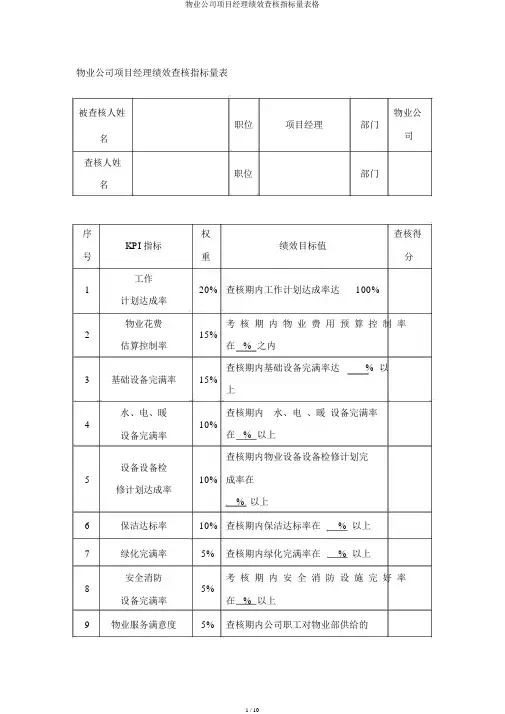
物业公司项目经理绩效查核指标量表被查核人姓物业公职位项目经理部门名司查核人姓职位部门名序KPI 指标权绩效目标值查核得号重分1工作20%查核期内工作计划达成率达100%计划达成率2物业花费15%考核期内物业费用预算控制率估算控制率在 % 之内3基础设备完满率15%查核期内基础设备完满率达% 以上4水、电、暖10%查核期内水、电、暖设备完满率设备完满率在 % 以上设备设备检查核期内物业设备设备检修计划完510%成率在修计划达成率% 以上6保洁达标率10%查核期内保洁达标率在% 以上7绿化完满率5%查核期内绿化完满率在% 以上8安全消防5%考核期内安全消防设施完好率设备完满率在 % 以上9物业服务满意度5%查核期内公司职工对物业部供给的服务满意度评论达到分以上查核期内职工绩效查核均匀得分达10职工管理5%到分以上本次查核总得分1.物业花费估算控制率部门实质花费支出物业花费估算控制率=100%部门估算花费支出2.职工管理职工管理指标经过查核期内职工绩效查核得分进行评论考核指标说明被查核人查核人复核人署名:日期:署名:日期:署名:日期:物业公司职工绩效查核管理方案受控状方案名态称物业人员绩效查核管理方案编号一、绩效查核的目的为保证公司经营目标的实现,提升物业人员的工作绩效,为物业人员的薪酬调整、学习培训、荣膺奖赏和处罚等供给正确、客观的依照,特拟订本方案。
二、绩效查核的时间物业人员的绩效查核分为季度绩效查核和年度绩效查核两种,其时间安排以下表所示。
绩效查核时间表绩效查核类型名称时间安排备注第一季度绩效查核 4 月 1日~10 日季度绩效考第二季度绩效查核7 月 1日~10 日详细的绩效查核核第三季度绩效查核10 月 1 日 ~10 日时间由人力资源第四时度绩效查核 1 月 1日~10 日部负责安排和通年度绩效考年度绩效查核12 月 25 日 ~1 月 5知。
核日三、季度绩效查核的内容与实行季度绩效查核是对物业人员每季度的绩效表现进行查核,查核标准是被查核者的岗位描绘、工作目标和工作计划等。
可编辑修改精选全文完整版
项目经理绩效考核表
(年月)
项目部:姓名: 考评得分:1、基本绩效考核指标(总分30分)
考核人签字: 被考核人签字:
项目总工(技术负责人)绩效考核表
(年月)
项目部:姓名:考评得分:1、基本绩效考核表指标(总分30分)
考核人签字:被考核人签字:
项目工程部长(施工员、测量员)绩效考核表
(年月)
项目部: 姓名:考评得分:
1、基本绩效考核表指标(总分30分)
考核人签字:被考核人签字:
项目安全员绩效考核表
(年月)
项目部:姓名:考评得分: 1、基本绩效考核表指标(总分30分)
2、关键绩效考核表指标(总分70分)
考核人签字:被考核人签字:
项目机电工绩效考核表
(年月)
项目部:姓名:考评得分: 1、基本绩效考核表指标(总分30分)
2、关键绩效考核表指标(总分70分)
考核人签字:被考核人签字:
项目资料员绩效考核表
( 年月)
项目部: 姓名:考评得分:1、基本绩效考核表指标(总分30分)
2、关键绩效考核表指标(总分70分)
考核人签字:被考核人签字:
项目材料员绩效考核表
(年月)
项目部: 姓名:考评得分: 1、基本绩效考核表指标(总分30分)
2、关键绩效考核表指标(总分70分)
考核人签字:被考核人签字:
项目技术员绩效考核表
( 年月)
项目部:姓名:考评得分:1、基本绩效考核表指标(总分10分)
2、关键绩效考核表指标(总分90分)
考核人签字:被考核人签字:。
项目经理绩效考核一、考核方法项目经理的主要绩效考核指标以关键绩效指标考核和关键事件考核两种方式结合进行。
项目经理的关键绩效指标主要有:安全生产、质量控制、文明施工、工程进度、材料使用、成本控制、资金回收;关键事件包括两类事件:积极事件和消极事件。
对积极事件的发生采取额外加分的形式,对消极事件的发生采取减分的形式。
加减分的标准按事件发生的轻重程度分为轻、中、重三个等级,分别予以不同程度的加分和减分。
二、考核量表1、基本绩效考核指标(总分30分)2、关键绩效考核指标项目经理绩效考核表项目部:姓名:考核期:年月考核人签字:被考核人签字:项目总工程师(技术负责人)绩效考核一、考核方法项目总工程师的主要绩效考核指标以关键绩效指标考核和关键事件考核两种方式结合进行。
项目总工程师(技术负责人)的关键绩效指标主要有:安全生产、质量控制、文明施工、工程进度、材料使用、成本控制、技术管理;关键事件包括两类事件:积极事件和消极事件。
对积极事件的发生采取额外加分的形式,对消极事件的发生采取减分的形式。
加减分的标准按事件发生的轻重程度分为轻、中、重三个等级,分别予以不同程度的加分和减分。
三、考核量表1、基本绩效考核指标(总分20分)2、关键绩效考核指标项目总工程师(技术负责人)绩效考核表项目部:姓名:考核期:年月考核人签字:被考核人签字:项目生产副经理绩效考核一、考核方法项目生产经理的主要绩效考核指标以关键绩效指标考核和关键事件考核两种方式结合进行。
项生产副经理的关键绩效指标主要有:安全生产、质量控制、文明施工、工程进度、材料使用、成本控制、生产调度;关键事件包括两类事件:积极事件和消极事件。
对积极事件的发生采取额外加分的形式,对消极事件的发生采取减分的形式。
加减分的标准按事件发生的轻重程度分为轻、中、重三个等级,分别予以不同程度的加分和减分。
四、考核量表1、本绩效考核指标(总分20分)2、关键绩效考核指标生产副经理绩效考核表项目部:姓名:考核期:年月考核人签字:被考核人签字:项目综合工长绩效考核一、考核方法项目综合工长的主要绩效考核指标以关键绩效指标考核和关键事件考核两种方式结合进行。
被考核人考核人复核人签字:日期:签字:日期:签字:日期:一、绩效考核的目的为保证公司经营目标的实现,提高物业人员的工作绩效,为物业人员的薪酬调整、学习培训、晋升奖励和惩罚等提供准确、客观的依据,特制定本方案。
二、绩效考核的时间物业人员的绩效考核分为季度绩效考核和年度绩效考核两种,其时间安排如下表所示。
绩效考核时间表绩效考核时间安排备注类别名称季度绩效考核第一季度绩效考核4月1日~10日具体的绩效考核时间由人力资源部负责安排和通知。
第二季度绩效考核7月1日~10日第三季度绩效考核10月1日~10日第四季度绩效考核1月1日~10日年度绩效考核年度绩效考核12月25日~1月5日三、季度绩效考核的内容与实施季度绩效考核是对物业人员每季度的绩效表现进行考核,考核标准是被考核者的岗位描述、工作目标和工作计划等。
不同级别员工绩效考核的侧重点和评分标准不同,按照评分标准的不同,物业人员绩效考核分为管理人员绩效考核和普通员工绩效考核两类。
(一)管理人员绩效考核管理人员季度绩效考核的内容和标准如下表所示。
考核要素简单解释评分标准权重类别要点业绩目标达成度季度内工作目标和预算达成情况A.超过目标;B.达到目标;C.尚可;D.欠佳;E.落后25%方案名称物业人员绩效考核管理方案受控状态编号说明:浮动工资上浮或下浮仅仅维持一个季度。
新季度绩效考核结束后,按 照新的等级划分结果确定浮动工资变化比例。
(四)季度绩效考核实施各部门经理与人力资源部共同进行本部门员工的绩效考核,同一员工的绩效考核评分由其直接上级负责。
人力资源部负责整理统计“员工季度绩效考核汇总 表”一式三份,一份给各部门负责人,一份转财务部作为浮动工资变化的依据, 一份留存,年终汇总后存档 四、年度绩效考核的内容与实施 (一)年度绩效考核记分标准年度绩效考核建立在季度绩效考核的基础上, 其依据包括四个季度绩效考核 得分和人力资源部奖惩记录两部分。
人力资源部奖惩记录得分标准,如下表所示。
项目经理绩效查核表月(季)项目:项目经理姓名:序号1 2 3 4 5 6 7 8 910111213141516171819202122232425262728293031323334353637383940项目经济指标(35分)管理指标(25 分)服务指标(35分)业务指标(5分)类型营业收入经营花费毛利率节能降耗减员增效月工作计划(5分)人力资源管理(8分)质量管理(12分)安全管理(10分)工程维修(10分)环境绿化(7分)客户服务(8分)协调能力责任感学习能力共计详尽内容分值得分备注物业费 / 停车资 / 特约服务费9人工费 / 维修费 / 水电费8(总收入 - 总成本) / 总收入10公共部位水电控制 5人员编制 3上报实时率 1按计划数目查核1 2按文件或标准要求 2人员流失率 10:1比率 1职工出勤状况 1职工交流每个月许多于 4次 2培训出勤率 2培训合格率 2工作手册学习、履行状况 3礼仪礼貌,着装挂牌 1办公环境 1文档管理 1社区文化活动 2合同管理规范性 2连续改良实时性、有效性 2车辆管理(停放、安全) 2公共次序 2装饰管理(装饰手续、巡逻、垃圾清运等) 2治安突发事件(偷窃、打劫、交通事故等) 3消防管理(消防栓、消防水带、灭火器等) 1水泵、配电房、电梯等设备设备 2消防设备管理(消防泵等) 1工程应急办理(停电、停水、电梯关人等) 3平时维修办理实时有效性 3设备、工具管理 1外头环境卫生(含健身器械)2楼道卫生 2绿化保养 2绿化保洁工具管理 1客户投拆(报修)办理实时性4与业主的交流与交流(每个月起码交流 3次) 2有无业主重要有效投诉 2与公安、街道、业委会等部门的交流协调 2工作态度及踊跃性 2学习踊跃性、培训出勤率、合格率 1100说明: 1、以上查核指标若无明确说明的,均以季度为查核周期。
2、以上查核过程都需有记录。
3、考评分保存小数点后 1位小数,四舍五入。
绩效考核指标表格(项目经理)绩效考核指标表格(项目经理)项目管理指标- 项目计划制定:能够在项目启动阶段制定详细的项目计划,包括工作范围、时间安排、资源分配等,并能有效沟通、协调和调整计划。
- 进度管理:能够跟踪项目进展,及时发现并解决进度偏差,确保项目按时完成。
- 成本管理:能够合理估算项目成本,有效控制项目预算,避免发生超支情况。
- 质量管理:能够建立和执行项目质量管理计划,确保项目交付的成果符合质量要求。
- 风险管理:能够识别项目风险,并制定相应的风险应对策略,降低项目风险对项目进展的影响。
- 沟通管理:能够与项目团队、上级领导和项目相关方进行有效沟通,确保项目信息的及时传递和共享。
- 创新能力:能够提出新的项目管理方法或工具,为项目管理带来创新思路和方法。
- 团队管理能力:能够有效组织和管理项目团队,激发团队成员的积极性和创造力,提高团队的工作效率和整体绩效。
专业知识和技能- 具备项目管理专业知识:熟悉项目管理理论、方法和工具,能够应用到实际项目管理中。
- 制定项目管理流程:能够制定适合项目特点的项目管理流程,并能根据项目需求进行调整和优化。
- 问题解决能力:能够找到问题的根本原因,并提出有效的解决方案,确保项目顺利进行。
- 跨部门协作:能够与公司各部门进行有效合作,解决跨部门协调问题,确保项目的顺利开展。
- 技术背景:具备相关的技术背景,能够理解和解决项目中的技术问题。
个人素质- 良好的沟通能力:能够清晰、准确地表达自己的意思,并能倾听他人的意见和建议。
- 高效的时间管理能力:能够合理安排时间,并能优先处理重要和紧急的事务。
- 团队合作精神:能够与团队成员密切合作,共同完成项目任务。
- 自我研究能力:能够主动研究和掌握新知识、新技能,并能将其应用到工作中。
以上是项目经理绩效考核的指标表格,项目经理应该在项目管理指标、专业知识和技能,以及个人素质等方面具备一定的能力和水平。
这些指标可以作为对项目经理的评估依据,以衡量其在项目管理中的表现和贡献。
物业经理绩效考核表物业经理月绩效考核表部门:物业中心考核指标:文件、档案管理、卫生、行政后勤、公共设施维护及时率、人力资源管理考核人:物业经理分值:100分评分依据:1.文件、档案管理:是否严格按照“文件管理规定”及公司管理体系相关规定进行管理、存档、发文。
2.卫生:是否保持物业中心内部环境卫生整洁。
3.行政后勤:依据人员需求满足的及时性考评、招聘计划完成率达90%、考勤挂管理工作。
4.公共设施维护及时率:办公设备维护及时率在95%以上。
5.人力资源管理:考核人员的人力计划完成率。
物业服务考核:1.商户投诉解决率100%,扣5分。
2.商户报修3天内解决,扣5分。
3.当月收费率90%,扣10分。
4.以上每项没有完成扣相应分数。
部门支持考核:1.当月业务部门活动支持(人员到岗)。
2.当月紧急情况支持。
员工管理考核:1.多数情况下能控制和管理下属,有威慑力,但认同度稍差:6-5分。
2.内部关系偶有变化,有下述不服从管理违反原则性制度的现象:4-3分。
3.内部关系有起伏,违反制度现象较多:2-0分。
4.无其他部门投诉:10-9分。
内部管理考核:1.发生其他部门投诉但通过协调沟通仍能解决:8-6分。
2.发生其他部门投诉,通过协调沟通问题解决率达50%以上:5-3分。
3.经常发生其他部门投诉,不主动协调沟通:2-0分。
关键能力考核:1.积极完成上级领导交办事项。
2.完成日报周报月报工作。
物业经理考核期:2019年2月自评分:80分考评分:85分注:考评分不到80分,按百分比扣除绩效工资。
总分:100分。