3-10 瓷柱、瓷瓶配线工艺标准(310—1998)
- 格式:doc
- 大小:83.00 KB
- 文档页数:6
3—13金属线槽配线安装工艺标准(313—1998)1 范围本工艺标准适用于建筑物内金属线槽配线安装工程。
2 施工准备2.1 材料要求:2.1.1 金属线槽及其附件:应采用经过镀锌处理的定型产品。
其型号、规格应符合设计要求。
线槽内外应光滑平整,无棱刺,不应有扭曲,翘边等变形现象。
2.1.2绝缘导线:其型号、规格必须符合设计要求,并有产品合格证。
2.1.3 螺旋接线钮:适用于6mm2以下的铝导线压接。
选用时应根据导线截面和导线根数选择相应型号的加强型绝缘钢壳螺旋接线钮。
2.1.4 LC安全型压线帽有关要求请见2—8、2.1.5有关内容。
2.1.5套管:套管有铜套管,铝套管及铜铝过渡套管三种,选用时应采用与导线的材质相同、且规格相应的套管。
2.1.6金属膨胀螺栓:应根据容许拉力和剪力进行选择。
2.1.7接线端子(接线鼻子):选用时应根据导线截面及根数选用相应规格的接线端子。
2.1.8 镀锌材料:采用钢板、圆钢、扁钢、角钢、螺栓、螺母、螺丝、垫圈、弹簧垫等金属材料做电工工件时,都应经过镀锌处理。
2.1.9辅助材料:钻头、电焊条、氧气、乙炔气、调合漆、焊锡、焊剂、橡胶绝缘带、塑料绝缘带、黑胶布等。
2.2主要机具:2.2.1铅笔、卷尺、线坠、粗线袋、锡锅、喷灯。
2.2.2 电工工具、手电钻、冲击钻、兆欧表、万用表、工具袋、工具箱、高凳等。
2.3 作业条件:2.3.1配合土建的结构施工,预留孔洞、预埋铁和预埋吊杆、吊架等全部完成。
2.3.2顶棚和墙面的喷浆、油漆及壁纸全部完成后,方可进行线槽敷设及槽内配线。
2.3.3高层建筑竖井内土建湿作业全部完成。
2.3.4地面线槽应及时配合土建施工。
3 操作工艺3.1工艺流程:3.2弹线定位:根据设计图确定出进户线、盒、箱、柜等电气器具的安装位置,从始端至终端(先干线后支线)找好水平或垂直线,用粉线袋沿墙壁、顶棚和地面等处,在线路的中心线进行弹线,按照设计图要求及施工验收规范规定,分匀档距并用笔标出具体位置。
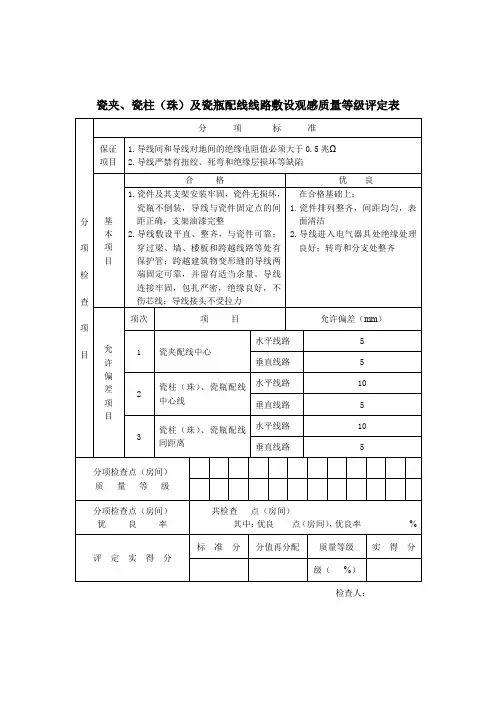
瓷夹、瓷柱(珠)及瓷瓶配线线路敷设观感质量等级评定表
检查人:
瓷夹、瓷柱(珠)及瓷瓶配线线路敷设观感质量等级评定表使用说明
(1)适用范围。
本表用于瓷夹、瓷柱(珠)
(2)检验方
1)保证项目:1项:实测或检查绝缘电阻测试记录。
2
2)基本项目:1项:观察和手扳检查。
2
3)
(3)检查数量。
绝缘电阻值抽查5个回路。
导线抽查10处,瓷件及支架安装按不同瓷件敷设的线路各抽查10处。
导线敷设按不同瓷件敷设的线路各抽查10
(4)
1)分项检查点(房间)质量等级:列24个空格,按表列分项工程(或其子项)质量标准,确定每个检查点(房间)的质量等级,合格用“○”,优良用“√”,不合格且不能返工重做的用“×”表示。
实际检查点(房间)超过24格时,每空格可一分为二,增为48
2)分项检查点(房间)优良率:填写实际检查总点(房间)数及其中优良点(房间)数,并
3)评定实得分:标准分或再分配的分值如实填写,根据上项优良率确定质量等级,并同时将其百分率填在其后括号内。
按标准分或再分配分值与质量等级百分率的乘积确定实得分。
3。
1.3、1 [勺设计无特殊规定时,导线得芯线应采用焊接.斥板压接或套管连接. ■3、仁3. 2寻线与设备、器具御连接应符合下列要求:(1)截面为10mm 2及以下得爪股铜芯线与笊股铝芯线可直接与设备、器具得端子连接;A (2)截面为2・5mm2,及以下御多股铜芯线御线芯应先拧紧搪锡或斥接端子后再与设备、器具得端子连接;A (3)多股铝芯线与截面大于2・5 mm2得多股铜芯线得终端.除设备自帯插接式端子外,应焊接或圧接端子后再与设备.器具得端子连接.A 3、仁3、3熔焊连接得焊缝,不应有凹陷、夹渣.断股、裂缝及根部未焊合得缺陷:焊缝得外形尺寸应符合焊接工艺评定文件得规定,焊接后应清除残余焊药与焊适・3. 1、3、4锡焊连接御焊缝应饱满.表mi光滑:焊剂应无腐蚀性,焊接后应清除残余焊剂。
… 3. 3、3、5压板或其她专用夹具,应与寻线线芯规格相匹配:紧固件应拧紧到位,防松装§应齐全。
3、1、3、6童管连接器与fK模等应与寻线线芯规格相匹配;压接时,圧接深度、圧口数a与辰接长度应符合产品技术文件得有关规定.*3、1、3、7剖开导线绝缘层时.不应损伤芯线:芯线连接后,绝缘帯应包缠均匀紧密•其绝缘强度不应低于寻线原绝缘层得绝缘强度:在接线端子得根部与寻线绝缘层间斜空隙处,应采用绝缘带包缠严密0A 3. 1. 3.8在配线御分支线连接处・T线不应受到支线斜横向拉力。
3、1、4瓷夹,瓷柱、瓷瓶、塑料护奁线与槽板配线在穿过墻壁或隔墙时.应采用经过阻燃处理得保护管保护::”穿过楼板时应采用钢管保护,其保护商度与楼面得距离不应小于仁8m,但在装设开关御位a,可与开关商度相同。
3. 1、5入户线在进墙斜一段应采用额定电斥不低于500V得绝缘寻线:穿墙保护管斜外侧, 应有防水弯头.且导线应弯成滴水弧状后方可引入室内•3、1、6在顶棚内由接线盒引向器具御绝缘导线,应采用可挠金属电线保护管或金属软管等保护,导线不应有裸露部分。
交底内容:3—123—12钢索配管、配线工艺标准(312—1998)1 范围本工艺标准适用于室内照明钢索配管、配线工程。
2 施工准备2.1 材料要求:2.1.1 绝缘导线:导线的规格、型号必须符合设计要求,并有产品合格证。
2.1.2 钢索:采用钢铰线做为钢索,其截面积应根据实际跨距、荷重及机械强度选择,最小截面不小于10m㎡。
且不得有背扣、松股、断股、抽筋等现象。
如采用镀锌圆钢做为钢索,其直径不应小于10mm。
2.1.3 镀锌圆钢吊钩:圆钢的直径不应小于8mm。
2.1.4 镀锌圆钢耳环:圆钢的直径不应小于10mm。
耳环孔的直径不应小于30mm,拉口处应焊死,尾端应弯成燕尾。
2.1.5 镀锌铁丝:应顺直无背扣、扭接等现象,并具有规定的机械拉力。
2.1.6 扁钢吊架:应采用镀锌扁钢,其厚度不应小于1.5mm,宽度不应小于20mm,镀锌层无脱落现象。
2.1.7 绑线:应采用与导线线芯同材质的塑料绝缘绑线。
2.1.8 塑料护套线:导线的规格、型号必须符合设计要求,并有产品合格证。
2.1.9 螺旋接线钮:应根据导线截面和导线的根数选择相应型号的加强型绝缘钢壳螺旋接线钮。
2.1.10 LC安全型压接帽有关要求请见3—8、3.5有关内容。
2.1.11 套管:套管有铜套管、铝套管及铜铝过渡套管三种,选用时应采用与导线材质规格相应的套管。
2.1.12 接线端子(接线鼻子):选用时应根据导线的根数和总截面选择相应规格的接线端子。
2.1.13 铁制盒:安装螺丝孔齐全,扣纹清晰,紧固螺丝的直径应为5mm。
盒子不应劈裂、变形、损坏,镀锌层及防腐油漆完整不脱落。
2.1.14 塑料明装盒:适用于塑料管明敷配线工程使用,其材质应均匀无劈裂,盒子无变形、变色等损坏现象。
2.1.15 镀锌材料:花篮螺栓、钢索卡子、心形环、扁钢、圆钢、角钢、机螺丝、螺母、弹簧垫圈、垫圈、抱箍、方铁垫。
2.1.16 辅助材料;橡皮绝缘带、粘塑料绝缘带、黑胶带、电焊条、焊锡、焊剂、铝卡子、氧气、乙炔、防锈漆、调合漆、砂布等。
10kV架空线路双铁头、瓷柱式、盘式及瓷横担绝缘子技术规范书(通用部分)中国南方电网有限责任公司2015年10月本规范书对应的专用技术规范书目录10kV架空线路双铁头、瓷柱式、盘式及瓷横担绝缘子技术规范书使用说明1. 本技术规范书分为通用部分、专用部分。
2. 项目单位根据需求选择所需10kV双铁头、瓷柱式、盘式及瓷横担绝缘子技术规范书,技术规范书通用部分条款及专用部分固化的参数原则上不能更改。
3. 技术规范书的页面、标题、标准参数值等均为统一格式,不得随意更改。
4. 投标人逐项响应技术规范书专用部分中“1 标准技术参数”、“2 项目需求部分”和“3 投标人响应部分”三部分相应内容。
填写“2 项目需求部分”时,应严格按“项目单位要求值”一栏填写相应的招标文件投标人响应部分的表格。
投标人填写技术参数和性能要求时,如有偏差除填写“表3.1投标人技术偏差表”外,必要时应提供相应试验报告。
目录1.总则 (1)2.工作范围 (1)3.应遵循的主要标准 (2)4.使用条件 (3)5.技术要求 (4)6.调试与验收 (7)7.检验规则 (7)8.技术文件要求与培训 (11)1.总则1.1 本招标技术文件适用于中国南方电网有限责任公司建设工程项目采购的10kV线路用盘形悬式玻璃绝缘子、柱式瓷质绝缘子、双铁头瓷质绝缘子、瓷横担绝缘子(以下统称绝缘子)的使用条件、性能参数、技术要求、试验要求、运输、贮存等方面内容。
1.2 本招标技术文件提出的是最低限度的技术要求。
凡本招标技术文件中未规定,但在相关设备的行业标准、国家标准或IEC标准中有规定的规范条文,投标方应按相应标准的条文进行设备设计、制造、试验和安装。
对国家有关安全、环保等强制性标准,必须满足其要求。
1.3 如果投标方没有以书面形式对本招标技术文件的条文提出异议,则意味着投标方提供的设备完全符合本招标技术文件的要求。
如有异议,不管是多么微小,都应在报价书中以“对招标技术文件的意见和同招标技术文件的差异”为标题的专门章节中加以详细描述。
件与转弯中点、分支点和电气器具边缘的距离在瓷柱配线时应为60~100mm。
3.2.1.9 室外配线当跨越人行道时,导线距地面高度不应低于3.5m;跨越通车道路时不应低于6m。
3.2.1.10 在室外,瓷柱及瓷瓶在墙面上直接固定时,其固定点间距不应超过2m。
3.2.2 弹线定位方法:请见3—9、3.2节9.4.2有关内容。
3.3 预埋本砖和保护管,请见3—9、3.3节有关内容。
3.4 预埋塑料胀塞:请见3—9、3.节有关内容。
3.5瓷柱及瓷瓶固定:固定瓷柱和瓷瓶可采用木砖、塑料胀塞和支架固定。
3.6 导线敷设:3.6.1 导线敷设方法:先将绑线按所需的长度断开,扎成小束。
然后将导线放开并抻直,由一端开始绑回头固定在瓷柱(瓶)上,其中间瓷柱(瓶)的绑法有两种,受力瓷柱(瓶)采用“双花”绑法;加档瓷柱(瓶)采用“单花”绑法。
绑扎牢固后应进行调直,至终端瓷柱(瓶)处,抻紧绑回头。
由上到下,逐条绑扎。
最后绑扎固定中间支点,导线固定后应留在适当余量。
3.6.2 导线敷设要求:3.6.2.1 导线间的距离应符合3.2节中的有关规定。
两根相邻的导线应在两瓷柱或瓷瓶的同一方向(或侧或右侧)或者导线应在两瓷柱或瓷瓶的外侧,不允许放在内侧见图3-53所示。
图3-53 交叉做法3.6.2.2 导线分支时,其分支点必须加装瓷柱或瓷瓶,用以支持分支线的张力,如丁字做法见图3-54所示。
图3-54 丁字做法3.6.2.3 导线在拐角时,瓷柱或瓷瓶安装见图3-55所示。
图3-55 导线拐角做法3.6.2.4 导线与热力管(水管)道交叉时,必须加套绝缘管,绝缘管的两端应用瓷柱(珠)或瓷瓶固定。
见图3-56和图3-57所示。
图3-56 导线与水管交叉做法图3-57 导线与热力管交叉做法图3.6.2.5 导线在进入电气器具,开关及插座时,应在距其100mm处用瓷柱或瓷瓶加以固定,导线穿墙做法见图3-58和图3-59所示。
图3-58 导线入插座做法图3-59 导线穿墙做法3.6.2.6 瓷柱或瓷瓶配线时,终端回头绑扎的公卷和单卷数见表3-26所示。
灯具、吊扇安装1 范围本工艺标准适用于室内、外电气照明、灯具及吊扇安装工程。
不适用于特殊场所,如矿井,船舶等地的电气照明灯具及吊扇安装工程。
2 施工准备2.1 材料要求:2.1.1 各型灯具:灯具的型号、规格必须符合设计要求和国家标准的规定。
灯内配线严禁外露,灯具配件齐全,无机械损伤、变形、油漆剥落,灯罩破裂,灯箱歪翘等现象。
所有灯具应有产品合格证。
2.1.2 灯具导线:照明灯具使用的导线其电压等级不应低于交流500V,其最小线芯截面应符合表3-37所示的要求。
2.1.3 吊扇:其型号、规格必须符合设计要求,扇叶不得有变形现象,有吊杆时应考虑吊杆长短、平直度问题,并有产品合格证。
2.1.4 塑料(木)台:塑料台应有足够的强度,受力后无弯翘变形等现象;木台应完整,无劈裂。
油漆完好无脱落。
线芯最小允许截面表3-37线芯最小截面(mm2)铜芯软线铜线铝线照明用灯头线民用建筑室内工业建筑室内室外0.40.51.00.50.81.02.52.52.5 生活用0.4 ——生产用 1.0 ——2.1.5 吊管:采用钢管做为灯具的吊管时,钢管内径一般不小于10mm。
2.1.6 吊钩:花灯的吊钩其圆钢直径不小于吊挂销钉的直径,且不得小于6mm;吊扇的挂钩不应小于悬挂销钉的直径,且不得小于10mm。
2.1.7 瓷接头:应完好无损,所有配件齐全。
2.1.8 支架:必须根据灯具的重量选用相应规格的镀锌材料做成支架。
2.1.9 灯卡具(爪子):塑料灯卡具(爪子)不得有裂纹和缺损现象。
2.1.10 其它材料:胀管、木螺丝、螺栓、螺母、垫圈、弹簧、灯头铁件、铅丝、灯架、灯口、日光灯脚、灯泡、灯管、镇流器、电容器、起辉器、起辉器座、熔断器、吊盒(法兰盘)、软塑料管,自在器、吊链、线卡子、灯罩、尼龙丝网、焊锡、焊剂(松香、酒精)、橡胶绝缘带、粘塑料带、黑胶布、砂布、抹布、石棉布等。
2.2 主要机具:2.2.1 红铅笔、卷尺、小线、线坠、水平尺、手套、安全带、扎锥。
LOGO瓷柱、瓷瓶配线工艺标准瓷柱、瓷瓶配线工艺标准1 范围本工艺标准适用于电气照明室内、室外的瓷柱瓷瓶明配线工程。
2 施工准备2.1 材料要求:2.1.1 绝缘导线的规格、型号必须符合设计要求,并有出厂合格证。
2.1.2 瓷柱、瓷瓶应清洁完整,无残缺裂纹。
2.1.3 螺旋接线钮应根据导线截面和导线的根数选择相应型号的加强型绝缘钢壳螺旋接线钮。
2.1.4 LC安全型压线帽请见3—8、3.8节有关部分。
2.1.5 套管有铜套管、铝套管及铜铝过渡套管三种,选用时应采用与导线材质规格相应的套管。
2.1.6 接线端子选用时应根据导线的根数和总截面选择相应规格的接线端子。
2.1.7 镀锌材料:圆钢、扁钢、木螺丝、机螺丝、螺母、垫圈、和弹簧垫圈等。
2.1.8 辅助材料:钻头、防锈漆、调合漆、绑线、砂布、橡胶(粘塑料)绝缘带、黑胶布、焊锡、焊剂、木砖等。
2.2 主要机具:2.2.1 铅笔、卷尺、线坠、粉线袋、水桶、钢丝刷。
2.2.2 常用电工工具:电烙铁、喷灯、锡锅、锡勺、手锤、錾子。
2.2.3 手电钻、冲击站、电锤、兆欧表、万用表、工具袋、工具箱、高凳。
2.3 作业条件:2.3.1 在土建结构施工阶段,应按设计图尺寸位置预埋木砖和过墙管。
2.3.2 待内装修全部完成后,方可进行配线。
3 操作工艺3.1 工艺流程:3.2 弹线定位:3.2.1 弹线定位应符合以下规定:3.2.1.1 瓷柱配线时,导线线间最小距离及固定点最大距离见表3-21所示。
瓷柱(珠)配线的线间及固定点间的允许距离(mm ) 表3-213.2.1.2 瓷瓶配线时,导线线间最小距离及固定点间最大距离见表3-22所示。
瓷瓶配线的线间及固定点间的允许距离(mm)表3-223.2.1.3 线路与其它管道应避免相遇。
接近敷设时,其最小距离见3—1、3.5节所示。
3.2.1.4 室内沿墙壁、顶棚支持件固定点距离见表3-23所示。
室内沿墙壁、顶棚支持件固定点距离表3-233.2.1.5 瓷柱及瓷瓶固定在支架上,其固定间距见表3-24所示。
瓷柱、瓷瓶配线工艺标准简介瓷柱、瓷瓶是一种传统的电气连线方式,它们通过对电气陶瓷进行成型、烧结制造出来。
在很多领域中,瓷柱、瓷瓶仍然被广泛应用。
本文将介绍瓷柱、瓷瓶配线工艺标准,以确保电气设备的安全、稳定性和可靠性。
瓷柱瓷柱的制造瓷柱一般采用氧化铝、氧化锆等陶瓷材料制造,经过成型、烧结等工艺制成。
在生产过程中需要注意以下几点:1.原材料应保证符合规格,且经过筛选排除不良品。
2.成型时,需要控制制造精度,保证整体尺寸、孔径等符合要求。
3.烧结时需要控制温度和时间,避免产生烧结不良、开裂等问题。
瓷柱的使用在使用瓷柱时,需要注意以下几点:1.瓷柱应符合规格要求,不得存在损坏、裂纹等缺陷。
2.瓷柱的材质应选择合适的种类和规格,以承受相应的电流和电压。
3.瓷柱的安装和使用要按照相关规定进行,不得随意更改或不规范操作。
4.瓷柱的连接和接触处应将表面杂质清除,确保良好的接触。
瓷瓶瓷瓶的制造瓷瓶一般采用氧化铝、氧化锆等陶瓷材料制造,经过成型、烧结等工艺制成。
在生产过程中需要注意以下几点:1.原材料应保证符合规格,且经过筛选排除不良品。
2.成型时,需要控制制造精度,保证整体尺寸、孔径等符合要求。
3.烧结时需要控制温度和时间,避免产生烧结不良、开裂等问题。
瓷瓶的使用在使用瓷瓶时,需要注意以下几点:1.瓷瓶应符合规格要求,不得存在损坏、裂纹等缺陷。
2.瓷瓶的材质应选择合适的种类和规格,以承受相应的电流和电压。
3.瓷瓶的安装和使用要按照相关规定进行,不得随意更改或不规范操作。
4.瓷瓶的连接和接触处应将表面杂质清除,确保良好的接触。
配线工艺标准在使用瓷柱、瓷瓶进行配线时,应按照以下标准进行:1.瓷柱、瓷瓶的选用和安装应符合设备设计要求。
2.瓷柱、瓷瓶的安装要牢固可靠,不得松动或错位。
3.瓷柱、瓷瓶的引线应符合设计要求,连接应可靠牢固,不得出现接触不良等情况。
4.瓷柱、瓷瓶的配线应符合国家、行业和公司的相关规定。
总结瓷柱、瓷瓶作为传统的电气连线方式,在一些领域中仍然被广泛应用。
瓷柱、瓷瓶配线1 范围本工艺标准适用于电气照明室内、室外地瓷柱瓷瓶明配线工程. 2 施工准备 2.1 材料要求:2.1.1绝缘导线地规格、型号必须符合设计要求,并有出厂合格证. 2.1.2瓷柱、瓷瓶应清洁完整,无残缺裂纹.2.1.3螺旋接线钮应根据导线截面和导线地根数选择相应型号地加强型绝缘钢壳螺旋接线钮.2.1.4LC 安全型压线帽请见3—8、3.8节有关部分.2.1.5套管有铜套管、铝套管及铜铝过渡套管三种,选用时应采用与导线材质规格相应地套管.2.1.6接线端子选用时应根据导线地根数和总截面选择相应规格地接线端子. 2.1.7镀锌材料:圆钢、扁钢、木螺丝、机螺丝、螺母、垫圈和弹簧垫圈等.2.1.8辅助材料:钻头、防锈漆、调合漆、绑线、砂布、橡胶(粘塑料)绝缘带、黑胶布、焊锡、焊剂、木砖等.2.2 主要机具:2.2.1铅笔、卷尺、线坠、粉线袋、水桶、钢丝刷.2.2.2常用电工工具:电烙铁、喷灯、锡锅、锡勺、手锤、錾子.2.2.3手电钻、冲击钻、电锤、兆欧表、万用表、工具袋、工具箱、高凳. 2.3 作业条件:2.3.1在土建结构施工阶段,应按设计图尺寸位置预埋木砖和过墙管. 2.3.2待内装修全部完成后,方可进行配线. 3 操作工艺 3.1 工艺流程:3.2 弹线定位:3.2.1弹线定位应符合以下规定:3.2.1.1 瓷柱配线时,导线线间最小距离及固定点最大距离见表3-21所示. 3.2.1.2 瓷瓶配线时,导线线间最小距离及固定点间最大距离见表3-22所示. 瓷瓶配线地线间及固定点间地允许距离(mm )表3-223.2.1.3 线路与其它管道应避免相遇.接近敷设时,其最小距离见3—1、3.5节所示. 3.2.1.4 室内沿墙壁、顶棚支持件固定点距离见表3-23所示. 室内沿墙壁、顶棚支持件固定点距离表3-233.2.1石瓷柱及瓷瓶固定在支架上时,其固定点间距见表3-24所示.3.2.1.6 室内、室外敷设时,绝缘导线至地面地最小距离见表3-25所示.3.2.1.7 在室内采用瓷柱和瓷瓶配线时,导线至建筑物表面地最小距离不应小于10mm. 敷设在绝缘支持件上地绝缘导线其支持点间距表3-24室内、室外敷设时至地面地最小距离表3-253.2.1.8 导线在转弯、分支和进入电气器具处,均应装设支持件固定.支持件与转弯中点、分支点和电气器具边缘地距离在瓷柱配线时应为60~100mm.3.2.1.9 室外配线当跨越人行道时,导线距地面高度不应低于 3.5m;跨越通车道路时不应低于6m.3.2.1.10 在室外,瓷柱及瓷瓶在墙面上直接固定时,其固定点间距不应超过2m.3.2.2弹线定位方法:请见3—9、3.2节9.4.2有关内容.3.3 预埋本砖和保护管,请见3—9、3.3节有关内容.3.4 预埋塑料胀塞:请见3—9、3.4节有关内容.3.5 瓷柱及瓷瓶固定:固定瓷柱和瓷瓶可采用木砖、塑料胀塞和支架固定.3.6 导线敷设:3.6.1导线敷设方法:先将绑线按所需地长度断开,扎成小束.然后将导线放开并抻直,由一端开始绑回头固定在瓷柱(瓶)上,其中间瓷柱(瓶)地绑法有两种,受力瓷柱(瓶)采用“双花”绑法;加档瓷柱(瓶)采用“单花”绑法.绑扎牢固后应进行调直,至终端瓷柱(瓶)处,抻紧绑回头.由上到下,逐条绑扎.最后绑扎固定中间支点,导线固定后应留有适当余量.3.6.2导线敷设要求:3.6.2.1 导线间地距离应符合3.2节中地有关规定.两根相邻地导线应在两瓷柱或瓷瓶地同一方向(左侧或右侧)或者导线应在两瓷柱或瓷瓶地外侧,不允许放在内侧见图3-53所示.3.6.2.2 导线分支时,其分支点必须加装瓷柱或瓷瓶,用以支持分支线地张力,如丁字做法见图3-54所示.3.6.2.3 导线在拐角时,瓷柱或瓷瓶安装见图3-55所示.3.6.2.4 导线与热力管(水管)道交叉时,必须加套绝缘管,绝缘管地两端应用瓷柱(珠)或瓷瓶固定.见图3-56和图3-57所示.3.6.2.5 导线在进入电气器具,开关及插座时,应在距其100mm处用瓷柱或瓷瓶加以固定,导线穿墙做法见图3-58和图3-59所示.3.6.2.6 瓷柱或瓷瓶配线时,终端回头绑扎地公卷和单卷数见表3-26所示.3.6.2.7 所用绑线应根据导线地截面进行选择,见表3-27所示.公卷和单卷数表3-263.7 导线连接:3.7.1螺旋接线钮连接:在配线过程中,凡有分支接头处均应预留出接线端头,并在接头处地瓷柱或瓷瓶上两边绑好回头,再将分支线绑好.请见3—8、3.8节有关部分.3.7.2LC安全型压线帽连接要求,请见3—8、3.8节有关部分.3.7.3铝导线采用套管压接,请见3—8、3.8节有关部分.3.8 线路检查及绝缘摇测,请见3—8、3.11节有关内容.4 质量标准4.1 保证工程4.1.1瓷件及导线地品种规格和质量必须符合设计要求和有关规定.4.1.2导线之间和导线对地之间地绝缘电阻值必须大于0.5MΩ.检验方法:检查出厂合格证;实测或检查绝缘摇测记录.4.1.3导线严禁有扭绞、死弯和绝缘层损坏等缺陷.检验方法:观察检查.4.2 基本工程:4.2.1瓷件及其支架安装牢固,不得有瓷件损坏或瓷件倒置等现象;导线或瓷件地固定点间距正确;瓷件及支架排列整齐,表面清洁,油漆完整.检验方法:观察和手扳检查.4.2.2导线敷设4.2.2.1 导线平直整齐,瓷件固定可靠;在穿过梁、墙、楼板和跨越其它线路、管道时装设保护管;经过建筑物地变形缝处地导线两端固定可靠,并留有补偿余量.4.2.2.2 导线连接牢固,包扎严密,绝缘良好,不伤线芯且接头处不受拉力.4.2.2.3 导线转角和分支处齐整,进入电气器具处绝缘处理良好.检验方法:观察检查.4.3 允许偏差工程:4.3.1导线地线间距离及固定点间距地允许偏差4.3.1.1 线间距离:水平敷设地线路为10mm;垂直敷设地线路为5mm.4.3.1.2 固定点间距允许偏差50mm.4.3.2同一档内地瓷柱或瓷瓶应排列在同一条直线上,该直线应与线路成直角.4.3.3导线不得有松弛现象.水平敷设时,平直程度允许偏差10mm;垂直敷设时,平直程度允许偏差5mm.检验方法:观察、尺量检查.5 成品保护5.1 配线时不得损坏地面、墙面和顶棚,并应保持各部位地清洁.5.2 安装电气器具时,不得碰松已敷设完地导线.5.3 紧固螺丝时,不应用力过猛,以免瓷件碎裂.5.4 线路敷设后,不得再次喷浆和刷油,防止污染导线.6 应注意地质量问题6.1 瓷件表面不清洁及个别瓷件有破损现象.瓷件安装时,应擦去其表面地污物,及时将破损瓷件更换.6.2 瓷件地固定不合要求,应用木螺丝固定瓷件,严禁使用铁钉和采用粘接法.6.3 变形缝两侧地导线未加装瓷件固定,应按要求及时补装,导线要留有补偿余量.6.4 导线过分松弛,超过允许偏差,应及时进行调整,使其达到要求.6.5 绑扎导线时,采用裸导线做为绑线.塑料绝缘导线必须采用塑料绑线进行绑扎.6.6 在导线分支处、接头处未加装固定瓷件.应及时补装,保证导线不受横向拉力.6.7 导线地结、焊包不符合要求,请见3—8、3.8节有关内容.7 质量记录7.1 绝缘导线出厂合格证.7.2 瓷柱、瓷瓶配线工程预检、自检、互检记录.7.3 设计变更洽商记录、竣工图.7.4 瓷夹、瓷柱(珠)及瓷瓶配线分项工程质量检验评定记录.7.5 电气绝缘电阻测试记录.。
安全性□对信息系统安全性的威胁任一系统,不管它是手工的还是采用计算机的,都有其弱点。
所以不但在信息系统这一级而且在计算中心这一级(如果适用,也包括远程设备)都要审定并提出安全性的问题。
靠识别系统的弱点来减少侵犯安全性的危险,以及采取必要的预防措施来提供满意的安全水平,这是用户和信息服务管理部门可做得到的。
管理部门应该特别努力地去发现那些由计算机罪犯对计算中心和信息系统的安全所造成的威胁。
白领阶层的犯罪行为是客观存在的,而且存在于某些最不可能被发觉的地方。
这是老练的罪犯所从事的需要专门技术的犯罪行为,而且这种犯罪行为之多比我们想象的还要普遍。
多数公司所存在的犯罪行为是从来不会被发觉的。
关于利用计算机进行犯罪的任何统计资料仅仅反映了那些公开报道的犯罪行为。
系统开发审查、工作审查和应用审查都能用来使这种威胁减到最小。
□计算中心的安全性计算中心在下列方面存在弱点:1.硬件。
如果硬件失效,则系统也就失效。
硬件出现一定的故障是无法避免的,但是预防性维护和提供物质上的安全预防措施,来防止未经批准人员使用机器可使这种硬件失效的威胁减到最小。
2.软件。
软件能够被修改,因而可能损害公司的利益。
严密地控制软件和软件资料将减少任何越权修改软件的可能性。
但是,信息服务管理人员必须认识到由内部工作人员进行修改软件的可能性。
银行的程序员可能通过修改程序,从自己的帐户中取款时漏记帐或者把别的帐户中的少量存款存到自己的帐户上,这已经是众所周知的了。
其它行业里的另外一些大胆的程序员同样会挖空心思去作案。
3.文件和数据库。
公司数据库是信息资源管理的原始材料。
在某些情况下,这些文件和数据库可以说是公司的命根子。
例如,有多少公司能经受得起丢失他们的收帐文件呢?大多数机构都具有后备措施,这些后备措施可以保证,如果正在工作的公司数据库被破坏,则能重新激活该数据库,使其继续工作。
某些文件具有一定的价值并能出售。
例如,政治运动的损助者名单被认为是有价值的,所以它可能被偷走,而且以后还能被出售。
施工单位:年月日编号:施工单位:年月日编号:施工单位:年月日编号:施工单位:年月日编号:共页工程名称交底部位第页交底内容:柱(瓶)上,其中间瓷柱(瓶)的绑法有两种,受力瓷柱(瓶)采用“双花”绑法;加档瓷柱(瓶)采用“单花”绑法.绑扎牢固后应进行调直,至终端瓷柱(瓶)处,抻紧绑回头.由上到下,逐条绑扎.最后绑扎固定中间支点,导线固定后应留在适当余量.3.6.2导线敷设要求:3.6.2.1导线间的距离应符合3.2节中的有关规定.两根相邻的导线应在两瓷柱或瓷瓶的同一方向(或侧或右侧)或者导线应在两瓷柱或瓷瓶的外侧,不允许放在内侧见图3.6.2.1所示.图3.6.2.1交叉做法3.6.2.2导线分支时,其分支点必须加装瓷柱或瓷瓶,用以支持分支线的张力,如丁字做法见图3.6.2.2所示.图3.6.2.2丁字做法3.6.2.3导线在拐角时,瓷柱或瓷瓶安装见图3.6.2.3所示.施工单位:年月日编号:共页工程名称交底部位第页交底内容:图3.6.2.3导线拐角做法3.6.2.4导线与热力管(水管)道交叉时,必须加套绝缘管,绝缘管的两端应用瓷柱(珠)或瓷瓶固定.见图3.6.2.4.1和图3.6.2.4.2所示.图3.6.2.4.1导线与水管交叉做法图3.6.2.4.2导线与热力管交叉做法图3.6.2.5导线在进入电气器具,开关及插座时,应在距其100米米处用瓷柱或瓷瓶加以固定,导线穿墙做法见图3.6.2.5.1和图3.6.2.5.2所示.施工单位:年月日编号:工程名称交底部位共页第页交底内容:图3.6.2.5.1导线入插座做法图3.6.2.5.2导线穿墙做法3.6.2.6瓷柱或瓷瓶配线时,终端回头绑扎的公卷和单卷数见表3.6.2.6所示.公卷和单卷数表3.6.2.6导线截面(米米2) 1.5~2.5 4~25 35~70 95~120公卷数8 12 16 20单卷数 5 5 5 53.6.2.7所用绑线应根据导线的截面进行选择,见表3.6.2.7所示.导线与绑线选择数据表表3.6.2.7导线截面(米米2)绑线直径(米米)铁扎线铜扎线铝扎线<1010~3550~70≥950.81.21.01.42.02.62.02.02.63.04、质量标准4.1.1瓷件及导线的品种规格和质量必须符合设计要求和有关规定.施工单位:年月日编号:施工单位:年月日编号:。